电动门遥控器电路图课件
- 格式:ppt
- 大小:1.98 MB
- 文档页数:60
电气原理图、接线图
接线图:
( E)接地(17
)
远程控制输入之公共端-ve 20-60V AC/DC
( 1)
三相电源A(380V)、单相电源L
(220V)
(18
)
远程控制输入之公共端-ve 60-220V AC
( 2)
三相电源B(380V)、单相电源N
(220V)
(19
)
远程控制输入之关阀
( 3)三相电源C(380V)(20
)
远程控制输入之停止/保持
(21
)
远程控制输入之开阀
( 4)
执行器内部供电输出,额定24V DC
(+)
(22
)
远程控制输入之紧急保护
(
5)
执行器内部供电输出,同(4)配对
(27
)
手动/自动输入之-ve 60-220V AC
( 6)指示触点S1-1(28
)
手动/自动输入之-ve 20-60V AC/DC
( 7)指示触点S1-2(29
)
手动/自动输入之控制端(+)
( 8)指示触点S2-1(30
)
阀门力矩变送器CTT之(-)
( 9)指示触点S2-2(31
)
阀门力矩变送器CTT之电压方式(+)
( 10)指示触点S3-1(32
)
阀门力矩变送器CTT之电流方式(+)
( 11)指示触点S3-2(33
)
阀位变送器CPT之(-)
(指示触点S4-1(34阀位变送器CPT之电压方式(+)
注:根据实际情况修改电机的堵转电流和额定电流,并调整保险丝的容量。
电动门遥控器原理
电动门遥控器的原理是基于无线电信号的传输和接收。
遥控器通过按键发送一个特定的无线电信号,电动门接收到信号后执行相应的操作。
在遥控器中,按键一般通过电路连接到一个微型无线电发射器。
当按下按键时,电路会产生一个特定的频率和编码的无线电信号。
这个信号会经过一个天线,以无线电波的形式传播出去。
电动门上安装有一个无线电接收器,它与遥控器中的发射器工作在相同的频率。
接收器的天线接收到发射器发送的信号后,信号会经过一个解码器解读编码,并判断信号是否匹配预先设定的代码。
如果匹配成功,接收器会将信号转化为相应的指令,从而控制电动门的打开或关闭。
需要注意的是,无线电信号的传播受到环境的影响,如障碍物、距离等因素会影响信号的传输质量和距离。
此外,为了确保遥控器的安全性,还需要使用加密算法来保护无线信号的安全性,防止被他人盗用。
总结起来,电动门遥控器的原理是通过无线电信号的传输和接收实现的,包括遥控器中的发射器、接收器以及相关的编码与解码功能。
正确的使用和设置可以方便、安全地控制电动门的打开和关闭。
【新提醒】遥控电动卷帘门接线图
遥控电动卷帘门电机接线图如下
遥控电动卷帘门接线图
电动门的升降是利⽤两个继电器和⼀个三联按钮控制,继电器启动吸合后⾃保到达上限后利⽤机械位置开关的左右运动控制门上下的限位控制。
有两个⾏程开关来执⾏卷闸门按钮接线,卷闸门遥控器接收器出来6条线,2条是220V的交流电压线,也就是家⽤的电源,⿊⾊,不分极性2条是上升和下降控制线,1条是公共线,1 条是停⽌线,⼿动按钮是四条线,⼀条电源,该线与遥控控制器⼀条停⽌⼀条上⾏⼀条下⾏。
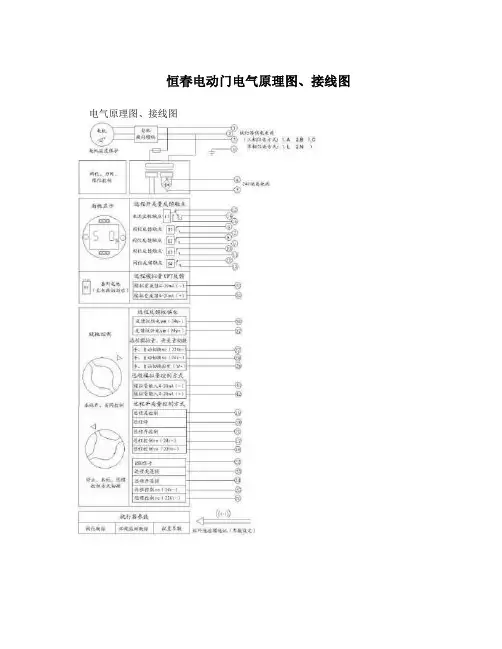
恒春电动门电气原理图、接线图电气原理图、接线图接线图:(E) 接地 (17) 远程控制输入之公共端-ve 20-60V AC/DC (1) 三相电源A(380V)、单相电源L(220V) (18) 远程控制输入之公共端-ve 60-220V AC (2) 三相电源B(380V)、单相电源N(220V) (19) 远程控制输入之关阀 (3) 三相电源C(380V) (20) 远程控制输入之停止/保持(21) 远程控制输入之开阀 (4) 执行器内部供电输出,额定24V DC (+) (22) 远程控制输入之紧急保护 (5) 执行器内部供电输出,同(4)配对(27) 手动/自动输入之-ve 60-220V AC (6) 指示触点S1-1 (28) 手动/自动输入之-ve 20-60V AC/DC (7) 指示触点S1-2 (29) 手动/自动输入之控制端(+) (8) 指示触点S2-1 (30) 阀门力矩变送器CTT之(-) (9) 指示触点S2-2 (31) 阀门力矩变送器CTT之电压方式(+) (10) 指示触点S3-1 (32) 阀门力矩变送器CTT之电流方式(+) (11) 指示触点S3-2 (33) 阀位变送器CPT之(-) (12) 指示触点S4-1 (34) 阀位变送器CPT之电压方式(+) (13) 指示触点S4-2 (35) 阀位变送器CPT之电流方式(+)(36) 24VDC输入之(-)(14) 远程监视触点S0-1 (常闭端) (37) 24VDC输入之(+)(15) 远程监视触点S0-2 (公共端) (38) 模拟控制之模拟量信号(0~10V,0~5V)输入(-) (16) 远程监视触点S0-3 (39) 模拟控制之模拟量信号(0~10V)输入(+)(40) 模拟控制之模拟量信号(0~5V)输入(+) (23) 远程控制输入之关阀连锁(41) 模拟控制之模拟量信号(0~20mA,4~20mA)输入(-)(24) 远程控制输入之开阀连锁 (42) 模拟控制之模拟量信号(0~20mA,4~20mA)输入(+)(25) 远程控制输入之公共端-ve 20-60V (43) 电缆屏蔽地AC/DC(26) 远程控制输入之公共端-ve 60-220V AC电气参数执行机构型号电机堵转电流(A) 电机额定电流(A) 电机标准功率(KW) 保险丝容量(A) CKDJ10 0.9 0.42 0.035 5 CKDJ25 1.2 0.56 0.05 5 CKDJ40 2.3 1.15 0.07 5 CKDJ60 2.6 1.32 0.095 5 CKD4 2.1 0.4 0.09 5 CKD10 4.1 1.0 0.26 10 CKD16 6.6 1.5 0.40 10 CKD25 7.8 2.3 0.65 15 CKD40 12 4.0 1.0 20 CKD60 16 5.3 1.4 25 CKD100 25 6.9 2.5 30 CKD160 25 6.9 2.5 30 CKD250 25 6.9 2.5 30 CKD300 25 6.9 2.5 30注:根据实际情况修改电机的堵转电流和额定电流,并调整保险丝的容量。
西博思(经济型):X3.1:3接OD-,CD-;4接CD+;5接OD+;X3.2:18和19短接;X2:1、2接OP+/OP-;5、6接CP+/CP-;19、20接F+/F-西博思(专业型):此种型号一般用于调节阀X3.1:1接P+2接P-X3.2:14接O+15接O-没有故障信号可接,如果要接紧急停的话,QCD+接3号端子,QCD-接7号端子,18号端子与20号端子短接(这个一般是不接的)EMG系列(开关型):1和21短接;20接ODb/CDb3 接CDa;4 接ODa5接CP-/OP-/F-;7 接CP+;9 接OP+;10接F+;电子间:b是公共线EMG系列(调节型)1和21短接,2和20短接;22接O+;23接P+;24接O-/P-(0V);5接F-;10接F+;RA系列(开关型):5跟34短接(自保持),4跟36短接;5接CD-/OD-;35接OD+;33接CD+;6和7分别接CP+/CP-;8和9分别接OP+/OP-;42和43分别接F+/F-;RA系列(调节型):5跟39短接(自保持),4跟41短接;26接O+;27接O-;22接P+;23接P-;42和43分别接F+/F-;RJ系列(开关型):5跟25短接,6跟24短接;6接CD-/OD-;7接OD+;8接CD+;9跟11短接,10跟12短接;9和10分别接F+/F-;17和18分别接CP+/CP-;19和20分别接OP+/OP-;RJ系列(调节型):3接O+;4接O-;1接P+;2接P-;9跟11短接,10跟12短接;9和10分别接F+/F-;ROTORK系列(开关门)4跟36,5跟34短接(如果要点动的话,5不要与34短接,指令公共端接5);5接CD-/OD-;33接CD+;35接OD+;42、43接F+、F-;6、7接CP+、CP-;8、9接OP+、OP-;22接P+;23接P-;如果需要远方或就地信号,接10、11或12、13,但调试时需要修改S3 或S4设置。
Rotork调门接线图(5010-100-01)A .B .C 三相380V 自动反相22(+) 23(-) 反馈(4——20ma)26(+) 27(-) 指令其中4和41短接5和39短接6和7 10和11 为关反馈(开关量)8和9 12和13 为开反馈(开关量)内部参数设定:OE on 辅助功能开OI HI 大信号开门FI I 接受电流信号Fr 20 为4---20 ma 控制Od op 远程控制Or on 就地遥控Rotork两位式门接线图(3000-000-06)A .B .C 三相380V 自动反相4和36 短接点动:5和33 关5和35 开自保持:5和34 短接33为关35为开6和7 10和11 为关反馈(开关量)8和9 12和13 为开反馈(开关量)西博思220v调门L N 220v1 (+) 和2 (-) 为反馈(4---20ma)14(+) 和15(-)为指令(4---20ma)西博思380 v调门A B C 380V (调节型)1 (+) 和2 (-) 为反馈(4---20ma)14(+) 和15(-)为指令(4---20ma)注意:此门调试时,必须注意需设定开关零位。
此门可自动反相。
西博思380 v两位式U V W 接380AC3(A12)和4(A23)关指令3 和5(A13)开指令3 和6 停指令18和19 21和24短接28和29开反馈32和33关反馈40和41故障46和47远方允许1和2为4---20ma信号注意:此门没有自保持,需机控室加长信号。
上海厂供一体化仿ROTORK阀门点动操作:39和37 开39和38 关自保持操作:36与39短接37 开36与39短接38 关32(+) 23(-)为(4---20ma)反馈15和16为开反馈(开关量)6和7 为关反馈(开关量)注意:此门不自动反相(假设门不动,需要换相)AUMA一体化电动门(24v控制)指令:11位公用芯3为开2为关反馈:39和40 为开35和36为关23(-)和24(+)为4----20ma输出内部图解如下:远程用自保持行程开力矩开就地自保持故障行程关力矩关AUMA一体化电动门(220v控制)指令:零线接公用芯3为开2为关反馈:39和40 为开35和36为关内部图解如下:远程用自保持行程开力矩开就地自保持故障行程关力矩关注意:5号端子上加220v火线。