哈工大互换性试卷及答案
- 格式:doc
- 大小:188.50 KB
- 文档页数:11
哈工大威海分校 2006/2007 学年秋季学期互换性与测量技术基础 试题 (A)一、 判断题(正确打“√”,错误打“×”,每题2分计301. 10.6 13.2 17 21.2 26.5 33.5 42.5 53 67 85 106是变形系列中的移位系列( )2. 机器产品的结构中,有关零件之间的配合,不是基孔制就是基轴制( )3. 在基轴制中,国家标准规定的所有28种孔的基本偏差,其数值大小只有JS 、J 、K 、M 、N 与公差等级无关( )4. 零件上的一个尺寸,若给出其数值和公差等级,就可以确定该尺寸的极限偏差 ( )5. 孔和轴配合的最大间隙为+20m μ,配合公差为25m μ,则可判断该孔和轴的配合属于间隙配合( )6. 箱体零件上的一个内孔中心线对其端面的垂直度公差为05.0Φ,则该内孔中心线的直线度公差一定要小于05.0Φ( )7. 在形位公差中,平面度,面对面的平行度,面对线的垂直度,端面全跳动的公差带都是两个平行平面之间的区域( )8. 在小箱体的位置误差检测中,其两侧面对底面的垂直度误差的测量是采用间接测量法( )9. 滚动轴承外圈旋转,内圈固定,且径向负荷与外圈同步旋转,此时内圈与轴径配合应紧些,外圈与壳体孔配合应松些( )10. 键与轴槽配合采用基轴制,与毂槽的配合采用基孔制( )11. 在评定齿轮精度的偏差项目,为降低成本检验方便,常采用r F ∆和w F ∆代替p F ∆或"i F ∆( )12. 在尺寸链计算中,封闭环公差是所有组成环增环公差和与所有组成环减环公差和之差( )姓名 班级:二、填空题(每空1分计24分)1. R40/3系列中,从10到100优先数是 。
2. 公差原则是处理 之间关系的原则,又可分为 两个方面。
3. 图样上标注孔的尺寸为507N Φ,现已知IT7=25m μ,则该孔的最大尺寸为 。
4. 图样上标注孔的尺寸为.04.001.080++Φ,加工后的实际尺寸为03.80φ=a D ,其轴线直线度误差为02.0φ=形f ,经计算知该孔的最小实体尺寸为 体内体外作用尺寸为 。
互换性与技术测量试卷一一. 是非判断题:(是划“√”非划“×”)(10分)1.只要将零件的基本尺寸一致,则零件就具有互换性。
()2.数字为正的偏差称为上偏差,数字为负的偏差称为下偏差。
()3.误差是加工和检测过程中产生的,公差是设计给定的。
()4.φ10f7、φ10f8分别与φ10H8配合,它们的Xmin值相等。
()5.若某圆柱面的圆度误差值为0.005mm,则该圆柱面对轴线的径向圆跳动差值亦不小于0.005mm 。
()6.滚动轴承外圈与座孔的配合为基孔制、内圈与轴的配合为基轴制。
()7.精密粗糙度仪是采用针描原理进行测量的。
()8.在精密测量中,量块通常是按等使用的。
()9.已知某配合的Ymax=-25μm,Tf=35μm。
则此配合是过渡配合。
()10. 加工零件的实际尺寸愈靠近基本尺寸,就愈准确。
()二、填空题:(15分)1. 若某孔的尺寸标注为φ30+021.00mm,则该零件的MMS为,又称为该零件的极限尺寸;其LMS为,又称为该零件的极限尺寸;而加工允许的尺寸变动范围是,称为该零件的。
若加工后测得某孔的实际尺寸为φ30mm,则该零件(是、否)合格。
2. φ30F7/h7表示为30mm的(基准)制的配合。
其中F7、h6是代号,F、h是代号,7、6表示数。
3.极限尺寸判断原则是指孔和轴的尺寸不允许超过其尺寸,并在任何位置上孔和轴的尺寸不允许超过其。
4.测量的四要素为:测量;测量;测量;测量。
5.测量误差按其性质分为三类,即。
三、选择题:(10分)1.基本偏差为a~h的轴与基本偏差为H的孔可构成。
a.基孔制的间隙配合;b.基轴制的间隙配合;c.基孔制的过渡配合;d.基轴制的过渡配合。
2.MMS是的统称。
a.Dmax和dmax;b.Dmin和dmin;c.Dmax和dmin;d.Dmin和dmax。
3.表面粗糙度评定参数中更能充分反映被测表面的实际情况。
a.Ry;b. Rz;c. Ra ;d. Sm;e. S;f. tp。
《互换性与测量技术》试题题库一填空题1、δ= ε=2、测量误差按其性质可分为:、、3、随机误差的分布规律:、、、4、孔的上偏差用符号表示,下偏差用符号表示。
5、配合种类有:、、。
6、采用包容要求时被测要素应遵守边界。
7、最大实体要求用于被测要素时,被测要素应遵守边界。
8、表面粗糙度的评定参数有:高度参数、、;距离参数、;形状特征参数。
9、量规按照用途不同分为量规、量规、量规。
10、设计量规应遵守原则。
11、滚动轴承常用的等级是级。
12、滚动轴承与轴配合采用基准制;滚动轴承与外壳配合采用基准制。
13、解尺寸链的方法有_________和不完全互换法。
14、《极限与配合》国家标准规定了_________个标准公差等级和孔、轴各_________种基本偏差。
15、某普通外螺纹标注为M10-5g6g-S,则其中径公差带代号为_________,旋合长度代号为_________。
16、在机器装配过程或零件加工过程串,由_________的尺寸形成的_________尺寸组,称为尺寸链。
17、轴的上偏差用符号表示,下偏差用符号表示。
18、量快应从所需尺寸的_________开始选择量块。
组成量块组的量块总数不应_________。
19) 完全互换法一般适用于_____________________•,分组互换法一般适用于_______________________________________。
20) 极限偏差是____________尺寸减_____________尺寸所得的代数差。
21) 极限偏差的数值可能为_________________________________•,公差的数值是______________________________值。
22) 配合是指_________________________相同的孔和轴___________________之间的关系。
23) 孔的公差带在轴的公差带之上为____________________配合;•孔的公差带与轴的公差带相互交迭_____________________配合;孔的公差带在轴的公差带之下为__________配合。
习题第一章:一、判断题(正确的打J,错误的打X)1.公差可以说是允许零件尺寸的最大偏差。
(X )2.基本尺寸不同的零件,只要它们的公差值相同,就可以说明它们的精度要求相同。
(X )3.国家标准规定,孔只是指圆柱形的内表面。
(X )4.从制造角度讲,基孔制的特点是先加工孔,基轴制的特点是先加工轴.(X)5.孔的基本偏差即下偏差,轴的基本偏差即上偏差。
()6.有相对运动的配合应选用间隙配合,无相对运动的配合应选用过盈配合(X )7.未注公差尺寸即对该尺寸无公差要求。
(X )8.某一配合,其配合公差等于孔与轴的尺寸公差之和。
(V )9.最大实体尺寸是孔和轴的最大极限尺寸的总称。
(X )10.公差值可以是正的或负的。
(X )11.实际尺寸等于基本尺寸的零件必定合格。
(X )12.因为公差等级不同,所以650H7与6 50H8的基本偏差值不相等。
(X )13.尺寸公差大的一定比尺寸公差小的公差等级低。
()14.一光滑轴与多孔配合,其配合性质不同时,应当选用基孔制配合。
(X )15.标准公差的数值与公差等级有关,而与基本偏差无关。
(V )16.只要零件不经挑选或修配,便能装配到机器上去,则该零件具有互换性。
(X )17.配合H7/g6 比H7/s6 要紧.(X )18.基轴制过渡配合的孔,其下偏差必小于零.(V )1、零件的基本尺寸越靠近基本尺寸,零件就越精确。
(X )2、某图样上标注有中20*°33 ,该孔为基孔制的孔。
(V )3、零件的公差值越小,零件的精度就越高。
(X)4、过渡配合包括最大间隙为零和最大过盈为零的配合。
(X )5、从加工工艺和经济性业考虑,选择基准时应优先选择基孔制。
(J)二、选择题(将下列题目中所有正确的论述选择出来)1.下列论述中正确的有_AE_。
A.因为有了大批量生产,所以才有零件互换性,因为有互换性生产才制定公差制.B.具有互换性的零件,其几何参数应是绝对准确的。
C.在装配时,只要不需经过挑选就能装配,就称为有互换性。
互换性期末考试试题及答案一、选择题(每题2分,共20分)1. 互换性的定义是什么?A. 零件的尺寸精度B. 零件的几何精度C. 零件在装配过程中能够互相替换使用的性质D. 零件的表面粗糙度2. 互换性的主要作用是?A. 提高产品质量B. 降低生产成本B. 提高生产效率D. 保证产品性能3. 互换性在生产中的重要性体现在哪些方面?A. 保证产品质量B. 简化生产工艺C. 降低生产成本D. 所有选项4. 互换性设计的基本要求是什么?A. 确保零件的尺寸精度B. 确保零件的几何精度C. 确保零件的互换性D. 确保零件的表面粗糙度5. 互换性与标准化的关系是什么?A. 互换性是标准化的基础B. 标准化是互换性的前提C. 两者没有直接关系D. 互换性是标准化的结果6. 互换性与批量生产的关系是什么?A. 互换性是批量生产的基础B. 批量生产是互换性的前提C. 两者没有直接关系D. 互换性是批量生产的结果7. 互换性与装配的关系是什么?A. 互换性是装配的基础B. 装配是互换性的前提C. 两者没有直接关系D. 互换性是装配的结果8. 互换性与产品性能的关系是什么?A. 互换性是产品性能的基础B. 产品性能是互换性的前提C. 两者没有直接关系D. 互换性是产品性能的结果9. 互换性与产品可靠性的关系是什么?A. 互换性是产品可靠性的基础B. 产品可靠性是互换性的前提C. 两者没有直接关系D. 互换性是产品可靠性的结果10. 互换性与产品经济性的关系是什么?A. 互换性是产品经济性的基础B. 产品经济性是互换性的前提C. 两者没有直接关系D. 互换性是产品经济性的结果二、简答题(每题10分,共30分)1. 简述互换性在机械设计中的重要性。
2. 解释什么是尺寸链,并举例说明其在互换性中的应用。
3. 描述互换性与标准化、系列化、通用化之间的关系。
三、计算题(每题25分,共50分)1. 某零件的尺寸为50±0.1mm,若要保证装配时的互换性,需要考虑哪些因素?请计算装配时的最小间隙和最大间隙。
第六章机械精度检测技术内容概要:在介绍基本检测原则和常用检测仪器的基础上,论述了各典型参数和零件的测量方法,以及新技术在检测中的应用。
教学要求:学会根据不同精度要求合理选择测量器具和测量方法,能运用最基本的检测原则和方法对各典型参数和零件进行测量,并通过实验教学使学生对精度检测技术能力得到一定的训练。
学习重点:检测的基本原则、孔轴的检测方法、光滑极限量规的设计、形状和位置误差的检测原则与方法。
学习难点:光滑极限量规的设计;形大形状和位置误差的检测原则与方法。
习题一、判断题(正确的打√,错误的打×)1、光滑极限量规是依据包容原则综合检验光滑工件的尺寸与形状的无刻度的检具。
()2、光滑量规通规的基本尺寸等于工件的最大极限尺寸。
()3、止规用来控制工件的实际尺寸不超越最大实体尺寸。
()4、检验孔的尺寸是否合格的量规是通规,检验轴的尺寸是否合格的量规是止规。
()5、塞规是检验孔用的极限量规,它的通规是根据孔的最小极限尺寸设计的。
()6、环规是检验轴用的极限量规,它的通规是根据轴的最小极限尺寸设计的。
()7、塞规中的止规是按轴的最大极限尺寸设计的,作用是防止轴的实际尺寸大于轴的最大极限尺寸。
()8、用以检验工作量规的量规是校对量规。
()9、塞规的工作面应是全形的,卡规应是点状的。
()10、通规和止规公差由制造公差和磨损公差两部分组成。
()11、给出量规的磨损公差是为了增加量规的制造公差,使量规容易加工。
()12、规定位置要素Z 是为了保证塞规有一定使用寿命。
()13、国家标准规定,工作量规采用内缩极限。
()14、安全裕度由测量器具的不确定度所决定。
()15、验收极限即最大极限尺寸和最小极限尺寸分别减速去一个安全裕度A。
()二、选择题(将下面题目中所有正确的论述选择出来)1、按极限尺寸判断原则,某轴mm 0800240032。
−−φ实测直线度误差为0.05mm 时,其实际尺寸合格的有_____________。
互换性1、选择滚动轴承与轴颈、外壳孔的配合时,考虑的几何公差是( ) ——[单选题]A 圆柱度和径向圆跳动B 圆柱度和轴向圆跳动C 圆度和径向圆跳动D 圆度和轴向圆跳动正确答案:B2、普通平键的____是工作面。
( )——[单选题]A 上底面B 下底面C 两侧面D 底面和侧面正确答案:C3、下列孔与轴的配台,__是基孔制配合。
( )——[单选题]A φ90H7/f6B φ90A7/f6C φ50M7/g6D φ60N7/h6正确答案:A4、保证互换性生产的基础是( )——[单选题]A 通用化B 系列化C 标准化D 优化正确答案:C5、决定距离零线远近的是( )——[单选题]A 公差等级B 基本尺寸C 实际偏差D 基本偏差正确答案:D6、尺寸公差与几何公差采用独立原则时,零件加工后的实际尺寸和几何误差中有一项超差,则该零件( )。
——[单选题]A 合格B 尺寸最大C 不合格D 变形最小正确答案:C7、属于位置公差的有( )——[单选题]A 圆柱度B 对称度C 圆度D 平面度正确答案:B8、确定______与______之间相互关系所遵循的原则称为公差原则。
( )——[单选题]A 配合公差与表面粗糙度B 公差与配合C 形状公差与位置公差D 尺寸公差与几何公差正确答案:D9、表面粗糙度值越大,则零件的_______( )——[单选题]A 加工容易B 配合精度高C 抗疲劳强度好D 传动灵敏性好正确答案:A10、关于螺纹标记M20X1.5-5g6g-LH以下说法错误的是( )——[单选题]A 该螺纹是外螺纹B 螺纹公称直径 20mm, M为普通螺纹特征代号,螺距1.5mm,粗牙螺纹C 中等旋合长度,LH表示螺纹为左旋向D 螺纹中径公差代号为5g, 螺纹顶径公差代号为6g正确答案:B11、选择滚动轴承与轴颈、外壳孔的配合时,不需要考虑的因素是——[单选题]A 轴承游隙的要求B 轴和外壳的加工方式C 轴承的工作温度D 轴承套圈相对于负荷方向的运转状态和所承受负荷的大小正确答案:B12、下列不属于花键联结优点的是________( )——[单选题]A 定心精度高B 导向性好C 加工简单D 承载能力强正确答案:C13、公称尺寸是( )。
互换性习题一参考答案(P39--40)以下仅是参考答案,如果发现问题,请及时反馈。
1.1判断下列说法是否正确:(1) 一般来说,零件的实际尺寸愈接近基本尺寸愈好。
(×) (2) 公差通常为正,在个别情况下也可以为负或零。
(×) (3) 孔和轴的加工精度愈高,则其配合精度也愈高。
(√)(4) 过渡配合的孔、轴结合,由于有些可能得到间隙,有些可能得到过盈,因此过渡配合中, 有 些配合得到间隙,有些配合得到过盈。
(此题不够严密,因此略有改变) (√) (5) 若某配合的最大间隙为15μm ,配合公差为41μm ,则配合一定是过盈配合。
(√)1.2 填空(1)国家标准规定的基本偏差孔、轴各有28个,其中H 为孔的基本偏差代号,其基本偏差为下偏差,且偏差值为0;h 为轴的基本偏差代号,其基本偏差为上偏差,且偏差值为0。
(2)国家标准规定有基孔制和基轴制两种配合制度,一般应优先选用基孔制,以减少备用定值刀、量具的规格和数量,降低生产成本。
(3)国家标准规定的标准公差有20级,其中最高级为IT01,最低级为IT18,而常用的配合公差等级为IT6—IT9。
(4)配合种类分为间隙配合、过渡配合、过盈配合三大类,当相配合的孔、轴需有相对运动或经常拆装时,应选间隙配合。
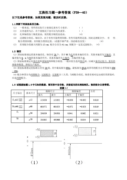
1.3 试根据标题1.3中已知的数据,填写表中各空格,并按适当的比例绘制孔、轴的配合公差带图。
表题1.3 尺寸标注基本尺寸极限尺寸极限偏差公差最大 最小 上偏差下偏差 孔050.0032.012++φ φ12 12.050 12.032 +0.050 +0.032 0.018 轴072.0053.060++φ φ60 60.072 60.053 +0.072 +0.053 0.019 孔 φ30 29.959 29.938 -0.041 -0.062 0.021 轴φ5050.00549.966+0.005-0.0340.039(1) (2)(3) (4)1.4 根据表题1.4中已知的数据,填写表中各空格,并按适当的比例绘制各对配合的尺寸公差带图和配合公差带图。
哈⼯⼤试题库及答案---尺⼨链习题哈⼯⼤试题库及答案---互换性与测量技术基础第四章尺⼨链⽬的要求:1、了解有关尺⼨链、封闭环、组成环等的基本概念2、掌握极值法解算尺⼨链重点:极值法难点:公差设计计算习题⼀、判断题(正确的打√,错误的打×)1.尺⼨链是指在机器装配或零件加过程中,由相互连接的尺⼨形成封闭的尺⼨组。
()2.当组成尺⼨链的尺⼨较多时,⼀条尺⼨链中封闭环可以有两个或两个以上。
()3.在装配尺⼨链中,封闭环是在装配过程中形成的⼀环。
()4.在装配尺⼨链中,每个独⽴尺⼨的偏差都将影响装配精度。
()5.在确定⼯艺尺⼨链中的封闭环时,要根据零件的⼯艺⽅案紧紧抓住“间接获得”的尺⼨这⼀要点。
()6.在⼯艺尺⼨链中,封闭环按加⼯顺序确定,加⼯顺序改变,封闭环也随之改变。
()7.封闭环常常是结构功能确定的装配精度或技术要求,如装配间隙、位置精度等。
()8.零件⼯艺尺⼨链⼀般选择最重要的环作封闭环。
()9.组成环是指尺⼨链中对封闭环没有影响的全部环。
()10.尺⼨链中,增环尺⼨增⼤,其它组成环尺⼨不变,封闭环尺⼨增⼤。
()11.封闭环基本尺⼨等于各组成基本尺⼨的代数和。
()12.封闭环的公差值⼀定⼤于任何⼀个组成环的公差值。
()13.尺⼨链封闭环公差值确定后,组成环越多,每⼀环分配的公差值就越⼤。
()14.封闭环的最⼩极限尺⼨时,封闭环获得最⼤极限尺⼨。
()15.当所有增环为最⼤极限尺⼨时,封闭环获得最⼤极限尺⼨。
()16.要提⾼封闭环的精确度,就要增⼤各组成环的公差值。
()17.要提⾼封闭环的精确度,在满⾜结构功能的前提下,就应尽量简化结构,即应遵循“最短尺⼨链原则”。
()18.封闭环的上偏差等于所有增环上偏差之和减去所有减环下偏差之和。
()19.尺⼨链的特点是它具有封闭性和制约性。
()20.⽤完全互换法解尺⼨链能保证零部件的完全互换性。
()⼆、选择题(将下列题⽬中所有正确的答案选择出来)1.如图4-1所⽰尺⼨链,属于增环的有____。
互换性复习题及答案一、填空题1. 互换性是指在规定的公差范围内,不同生产批次的产品零件能够互相替换使用而不会影响产品性能的特性。
2. 标准公差等级分为IT01、IT0、IT1至IT18共20个等级,其中IT01级精度最高,IT18级精度最低。
3. 极限尺寸是指零件尺寸的上偏差和下偏差所确定的尺寸范围。
4. 配合是指两个或两个以上零件在装配时相互之间的尺寸关系。
5. 基孔制是指以孔的公差带为基准,轴的公差带相对于孔的公差带进行设计的一种配合制度。
6. 基轴制是指以轴的公差带为基准,孔的公差带相对于轴的公差带进行设计的一种配合制度。
7. 间隙配合是指孔的公差带在轴的公差带之上,装配后存在间隙的配合方式。
8. 过盈配合是指轴的公差带在孔的公差带之下,装配后存在过盈的配合方式。
9. 过渡配合是指孔和轴的公差带相互重叠,装配后可能存在间隙或过盈的配合方式。
10. 公差是指允许零件尺寸偏离其基本尺寸的最大范围。
二、选择题1. 互换性的主要作用是(C)。
A. 提高生产效率B. 降低生产成本C. 保证产品质量和可靠性D. 简化产品设计2. 标准公差等级中,精度最高的是(A)。
A. IT01B. IT0C. IT1D. IT183. 极限尺寸的确定依据是(B)。
A. 材料特性B. 公差C. 工艺水平D. 设计要求4. 基孔制和基轴制的主要区别在于(D)。
A. 配合方式B. 公差大小C. 精度等级D. 基准选择5. 间隙配合、过盈配合和过渡配合的主要区别在于(A)。
A. 孔和轴的公差带相对位置B. 配合的精度等级C. 配合的公差大小D. 配合的类型三、简答题1. 简述互换性在机械制造中的重要性。
答:互换性在机械制造中具有重要意义,它能够保证不同生产批次的产品零件能够互相替换使用,从而提高生产效率,降低生产成本,保证产品质量和可靠性。
此外,互换性还有助于简化产品设计和装配过程,提高产品的维修性和可维护性。
2. 描述基孔制和基轴制的优缺点。
一、填空题 (共15分)1、一般地,根据零部件互换性程度的不同,互换性可分为 完全互换 和 不完全互换 。
2、R10数系的公比为 1.25 ,每逢 10 项,数值增大10倍3、根据使用要求的不同,圆柱结合可归纳为以下三类: 相对运动副 ; 固定连接 ;定心可拆卸。
4、配合是指 基本尺寸 相同的、相互结合的孔轴公差带之间的关系。
5、端面圆跳动公差带控制端面对基准轴线的 垂直 程度,也控制端面的 平面度 误差。
6、()023.00790+H φ的最大实体尺寸为 φ90 mm ,()013.0630-h φ的最大实体尺寸为φ30 mm 。
7、包容要求适用于 单一要素 。
8、滚动轴承外圈固定内圈旋转,受离心力P 1的作用,则内圈承受 定向(局部) 负荷;外圈承受 旋转(循环) 负荷。
一、单项选择题:(共15分)1、互换性的技术基础是( ④ )。
①大量生产 ②公差 ③检测 ④标准化 2、优先数系中R10/3系列是( ③ )。
①基本系列 ②补充系列 ③派生系列 ④等差系列 3、用公法线千分尺测量齿轮公法线长度的方法属于( ② )。
①相对测量法 ②绝对测量法 ③综合测量法 ④间接测量法 4、φ40f6, φ40f7和φ40f8的相同偏差是( ② )。
①下偏差 ②上偏差 ③实际偏差 ④公差5、基本偏差代号为J 、K 、M 的孔与基本偏差代号为h 的轴可以构成( ③ )。
①间隙配合 ②间隙或过渡配合 ③过渡配合 ④过盈配合6、按同一图样加工一批轴,各个轴的体内作用尺寸( ② )。
①相同 ②不一定相同③大于最大实体尺寸 ④小于最小实体尺寸7、图样上标注的形位公差值前面没有φ时,则被测要素的公差带形状应为( ④ )。
①两平面 ②两直线 ③距离或半径差 ④两平面、两直线、两圆间距离或半径差 8、在取样长度内,轮廓单元宽度Xs 的平均值是( ④ )。
①R a ②Rmr(c) ③R z ④RSm9、为保证键槽的对中性,通常规定键槽两侧面中心平面对基准轴线的( ④ )。
互换性考研试题及答案一、单项选择题(每题2分,共10分)1. 互换性的概念是指()A. 零件的可替换性B. 零件的尺寸一致性C. 零件的通用性D. 零件的互换使用2. 在机械加工中,影响零件互换性的最主要因素是()A. 材料选择B. 工艺方法C. 测量误差D. 设计标准3. 标准公差等级分为13个等级,其中IT12表示()A. 特别精密B. 精密C. 较精密D. 普通4. 配合是指()A. 零件之间的连接方式B. 零件之间的相对位置关系C. 零件之间的尺寸关系D. 零件之间的运动关系5. 形位公差通常不包括()A. 平面度B. 圆柱度C. 粗糙度D. 同轴度二、简答题(每题5分,共10分)1. 简述尺寸链的概念及其在设计中的作用。
2. 说明公差等级的选择原则。
三、计算题(每题10分,共20分)1. 某零件的基本尺寸为50mm,其上偏差为+0.05mm,下偏差为-0.05mm。
若该零件与一孔配合,孔的基本尺寸为50.2mm,上偏差为+0.1mm,下偏差为-0.05mm。
请计算最大间隙和最大过盈。
2. 已知一轴的直径公差为±0.02mm,孔的直径公差为±0.03mm,轴的最大极限尺寸为30mm,孔的最小极限尺寸为30.06mm。
请计算此配合的最小单边间隙。
四、论述题(每题15分,共30分)1. 论述互换性在现代制造业中的重要性。
2. 分析影响零件加工精度的因素,并提出提高加工精度的措施。
互换性考研试题答案一、单项选择题1. D2. C3. C4. C5. C二、简答题1. 尺寸链是由相互连接的零件的尺寸形成的封闭图形,它在设计中的作用是确保装配时各零件之间的正确配合关系,避免因尺寸累积误差导致的装配问题。
2. 公差等级的选择原则是根据零件的功能要求和经济性考虑。
特别精密的零件需要较高的公差等级,而一般零件则可选用较低的公差等级。
三、计算题1. 最大间隙:当孔的最大极限尺寸与轴的最小极限尺寸配合时,最大间隙为50.2mm + 0.1mm - (50mm - 0.05mm) = 0.35mm。
互换性与测量技术基础_哈尔滨工业大学中国大学mooc课后章节答案期末考试题库2023年1.下列配合中,配合公差最小的是( )。
答案:f30H7/g62.决定配合公差带大小的是()。
答案:孔和轴的标准公差之和3.利用同一加工方法,加工f30H6和f50H7,应理解为( )。
答案:前者加工困难4.基本偏差代号为H的基准孔与基本偏差代号为a至h的轴形成( )。
答案:间隙配合5.下列配合零件,应选用过盈配合的有__。
答案:需要传递足够大的转矩6.不同工作条件下,配合间隙应考虑增加的有__。
答案:有轴向运动7.下列有关公差等级的论述中,正确的有__。
答案:公差等级的高低,影响公差带的大小,决定配合的精度8.圆柱度公差带与( )公差带形状相同。
答案:径向全跳动度9.圆柱度公差带的形状为 ( )。
答案:两同轴圆柱面10.被测轴线的直线度公差与它对基准轴线的同轴度公差的关系应为()。
答案:前者不得大于后者11.方向公差综合控制被测要素的 ( )。
答案:形状误差和方向误差12.基准要素为组成要素时,基准三角形和方框连线与尺寸线 ( )。
答案:错开并要大于3mm13.等级为0、6、5级滚动轴承单一平面平均内径的公差带为( )。
答案:上偏差为零,下偏差为负14.拖拉机车轮中的滚动轴承外圈随车轮一起转动,此时外圈所承受的负荷为( )。
答案:旋转负荷15.普通螺纹标记为M16×Ph3P1.5(two starts)-6H/7g6g-S-LH,内螺纹的中径和顶径公差为( )。
答案:6H16.( )因配合的孔和轴公称尺寸相等,故其实际尺寸也相等。
答案:错误17.( )基轴制过渡配合的孔,其下偏差必小于零。
答案:正确18.( )从制造角度讲,基孔制的特点就是先加工孔,基轴制的特点就是先加工轴。
答案:错误19.( )公称尺寸一定时,公差值愈大,公差精度愈低。
答案:正确20.( )f75±0.060mm的基本偏差是 +0.060mm,尺寸公差为0.06mm。
2005~2006 学年第一学期期末《互换性与测量技术》试题、填空( 20 分)1、国标规定矩形花键配合的定心方式为——————,配合尺寸有————、2、现代工业对齿轮传动的使用要求归纳起来有四项,分别为3、基准制分为——————和——————。
4、一零件表面切削加工要求轮廓的算术平均偏差Ra为6.3口,在零件图上标注为——————。
5、滚动轴承圈与轴颈的配合采用基————制,外圈与外壳孔的配合采用基————制。
& 孔在图样上的标注为©80Js8已知IT8=45 口,其基本偏差为 ------------ ,该孔的最大实体尺寸为-------- mm,最小实体尺寸为 -------- mm。
7、在选择孔、轴配合的基准制时,一般情况下,应优先选用————。
8、齿轮传动准确性的评定指标规有——————、——————、—————。
二、已知下列配合,画出其公差带图,指出其基准制,配合种类,并求出其配合的极限盈、隙。
(20分)0.033 0.020 0.016 0.0201、©20H8 (o ) /f7( o.o4i)2、©4OH6(o )/m5( 0.009)、判断题(对打“v”错打“X”填入括号) (10分)()1、最大极限尺寸一定大于基本尺寸,最小极限尺寸一定小于基本尺寸。
()2、公差是指允许尺寸的变动量。
()3、一般以靠近零线的那个偏差作为基本偏差。
()4、在间隙配合中,孔的公差带都处于轴的公差带的下方。
()5、位置公差就是位置度公差的简称,故位置度公差可以控制所有的位置误差。
()6表面粗糙度符号的尖端可以从材料的外面或里面指向被注表面。
()7、测表面粗糙度时,取样长度过短不能反映表面粗糙度的真实情况,因此越长越好。
()8、螺纹的精度分为精密、中等、粗糙三个级别。
()9、螺纹的公称直径是指螺纹的大径。
()10、切向综合误差△ Fi'是评定齿轮传动平稳性的误差指标。