锚固长度la
- 格式:doc
- 大小:59.50 KB
- 文档页数:4
(La为钢筋锚固长度)1.前言在建筑工程中,钢筋锚固是一项关键的施工工艺,用于确保钢筋在混凝土中的牢固连接,增强结构的稳定性和承载能力。
本文将介绍“La为钢筋锚固长度”的概念和计算方法,帮助读者深入了解该内容。
2.什么是L a?L a,全称为钢筋锚固长度(An ch or Le ng t h),指的是将钢筋固定于混凝土中所需的长度。
钢筋锚固长度可以保证钢筋与混凝土产生足够的摩擦力和粘结力,从而能够有效地传递力量和抵抗拉力。
3. L a的计算方法L a的计算方法主要基于混凝土的强度和钢筋的直径。
常见的计算方法有以下几种:3.1经验公式法经验公式法是一种简化的计算方法,常用于普通建筑工程中。
根据混凝土的强度等级和钢筋的直径,可以通过经验公式快速计算出L a的近似值。
3.2锚固长度系数法锚固长度系数法是一种更为准确的计算方法,适用于重要工程和特殊结构。
该方法将混凝土的强度、钢筋的直径以及其他影响锚固效果的因素综合考虑,通过确定锚固长度系数来计算L a的具体数值。
4.影响L a的因素除了混凝土的强度和钢筋的直径,还有一些其他因素也会对L a产生影响,包括:-钢筋与混凝土之间的黏结性能-混凝土的含水量和温度-钢筋的粗糙度和表面处理方式-锚固段周边的应力分布情况5.设计中的注意事项在设计工程中确定La时,需要注意一些重要的因素:-应根据实际情况选择适当的计算方法,并且在计算中充分考虑各种因素的综合影响。
-需要根据结构的安全性要求和设计标准,选择合适的混凝土强度等级和钢筋直径。
-对于重要工程和特殊结构,应进行必要的试验和模拟分析,确保钢筋锚固的可靠性和稳定性。
6.结论L a作为钢筋锚固长度在建筑工程中发挥着重要作用。
通过合理的计算方法和综合考虑各种因素,可以确定适当的L a值,保证钢筋与混凝土的牢固连接,提高结构的稳定性和承载能力。
在设计和施工过程中,应严格按照相关标准和规范进行操作,确保工程质量和安全性。
希望本文对读者理解“L a为钢筋锚固长度”的概念和计算方法有所帮助,并在实际工程中能够正确应用和运用。
C15C20C25C30C35C40C45C50C55C60C65C70C75C80f c 7.29.611.914.316.719.121.123.125.327.529.731.833.835.9f t0.911.11.271.431.571.711.81.891.962.042.092.142.18 2.22强度种类混 凝 土 强 度 等 级混凝土轴心抗压、轴心抗拉强度设计值f c 、f t 应按表4.1.4采用。
在钢筋混凝土结构中,轴心受拉和小偏心受拉构件的钢筋抗拉强度设计值大于310N/mm2 时,仍应按 310N/mm2 取用,其他构件的钢筋抗拉强度设计值大于 360N/mm2时,仍应按 360N/mm2 取用;对于直径大于 12mm 的Ⅰ级钢筋,如经冷拉,不得利用冷拉后的强度;② 当钢筋混凝土结构的混凝土强度等级为 C10 时,光面钢筋的强度设计值应按190N/mm2 取用,变形钢筋的强度设计值应按 230N/mm2 取用;③ 成盘供应的 LL550 级冷轧带肋钢筋经机械调直后,抗拉强度设计值应降低20N/mm2,且抗压强度设计值不应大于相应的抗拉强度设计值;④ 构件中配有不同种类的钢筋时,每种钢筋根据其受力情况应采用各自动强度设计值。
受拉钢筋锚固长度受拉钢筋的最小锚固长度:LaE=1.05·La ;(光面钢筋末端应做180°弯钩,弯后平直段长度不小于3d ),且不应小于200mm 。
上式中: La 为非抗震设计时的纵向受拉钢筋的最小锚固长度,La=a ·fy/ft ·d (d-受拉钢筋直径;fy-钢筋抗拉设计强度;ft-混凝土轴心抗拉设计强度 ;a-钢筋外形系数,光面钢筋取0.16,带肋钢筋取0.14) ,当钢筋的直径大于25mm 时,其锚固长度应乘以修正系数1.1。
钢筋抗拉设计强度 fy 或 fpy 及钢筋抗压 fy' 或 fpy'。
三级抗震c35混凝土钢筋锚固长度la是建筑工程中一个重要的参数,其合理性直接关系到建筑物的抗震性能和安全性。
钢筋锚固长度是指将钢筋固定在混凝土结构中的长度,主要是为了保证钢筋与混凝土充分的粘结,从而达到增强混凝土结构的整体稳定性和承载能力。
在工程实践中,三级抗震c35混凝土钢筋锚固长度la的确定往往需要综合考虑多个因素,包括混凝土的强度等级、钢筋的直径和抗拉强度、结构的荷载情况等。
首先,混凝土的强度等级是确定钢筋锚固长度的重要因素之一。
C35混凝土是指抗压强度为35 MPa的混凝土,在一般建筑工程中应用比较广泛。
对于C35混凝土,其钢筋锚固长度一般会比较小,因为混凝土的强度较高,可以更好地保证钢筋与混凝土之间的粘结。
在实际设计中,需要根据混凝土的具体强度等级来确定钢筋的锚固长度,以确保结构的抗震性能和安全性。
其次,钢筋的直径和抗拉强度也会影响到钢筋锚固长度的确定。
一般来说,直径较大、抗拉强度较高的钢筋在混凝土中的锚固长度会相对较小,因为这些钢筋能够承受更大的拉力,对混凝土的固定作用更为显著。
因此,在选择钢筋型号和规格时,需要综合考虑钢筋的直径和抗拉强度,以确定合适的钢筋锚固长度。
此外,结构的荷载情况也会对钢筋锚固长度的确定产生影响。
在实际工程中,结构的荷载主要包括静载和动载两种,其中动载是指地震、风力等突发荷载。
对于受到地震作用的结构,钢筋锚固长度需要相应增加,以提高结构的整体抗震性能。
因此,在进行钢筋锚固长度的设计时,需要充分考虑结构在不同荷载作用下的受力情况,以确定合适的锚固长度。
梳理一下本文的重点,我们可以发现,三级抗震c35混凝土钢筋锚固长度la的确定涉及到混凝土的强度等级、钢筋的直径和抗拉强度、结构的荷载情况等多个因素,需要进行综合考虑。
合理确定钢筋锚固长度对于提高建筑物的抗震性能和安全性具有重要意义,是建筑工程设计中不可忽视的一个环节。
在未来的工程实践中,我们需要进一步深入研究钢筋锚固长度的确定方法,以提升建筑物的整体抗震性能,实现建筑结构的安全可靠性。
钢筋锚固长度的规定钢筋锚固长度的规定有:基本锚固长度 Lab、受拉钢筋的锚固长度 La、纵向受拉钢筋的抗震锚固长度LaE、抗震梁柱纵向钢筋节点部位的锚固长度LabE (我认为11G101系列图集应以规范称呼为宜。
)《混凝土结构设计规范》GB 50010—20108.3钢筋的锚固8.3.1 当计算中充分利用钢筋的抗拉强度时,受拉钢筋的锚固应符合下列要求:1 基本锚固长度应按下列公式计算:普通钢筋 Lab=α×(ƒy/ƒt)×d (8.3.1-1)式中:Lab—受拉钢筋基本锚固长度;α—锚固钢筋外系数,光面钢筋为0.16,带肋钢筋为0.14;ƒy—普通钢筋的抗拉强度设计值;ƒt—混凝土轴心抗拉强度设计值,当混凝土强度等级高于C60时,按C60取值;d—锚固钢筋的直径。
2 受拉钢筋的锚固长度按下列公式计算,且不应小于200mm;La=ζa Lab (8.3.1-3)式中:La——受拉钢筋锚固长度;ζa——锚固长度修正系数,对普通钢筋按本规范第8.3.2条规定的规定取用,当多于一项时,可按连乘计算,但不应小于0.6;对预应力筋,可取1.0。
Lab ——受拉钢筋基本锚固长度。
11.1.7 混凝土结构构件的纵向受力钢筋的基本锚固和连接除应符合本规范第8.3节和8.4节的有关规定外,尚应符合下列规定:1 纵向受拉钢筋的抗震锚固长度LaE应按下式计算:LaE=ζaE La (11.1.7-1)式中:ζaE——纵向受拉钢筋抗震锚固长度修正系数,对一、二级抗震等级取1.15,对三级抗震等级取1.05,对四级抗震等级取1.00;La——纵向受拉钢筋的锚固长度,按本规范8.3.1条确定。
抗震梁柱纵向钢筋节点部位的锚固长度LabE 计算公式:LabE=ζaE Lab式中:ζaE——纵向受拉钢筋抗震锚固长度修正系数,对一、二级抗震等级取1.15,对三级抗震等级取1.05,对四级抗震等级取1.00;Lab ——受拉钢筋基本锚固长度。
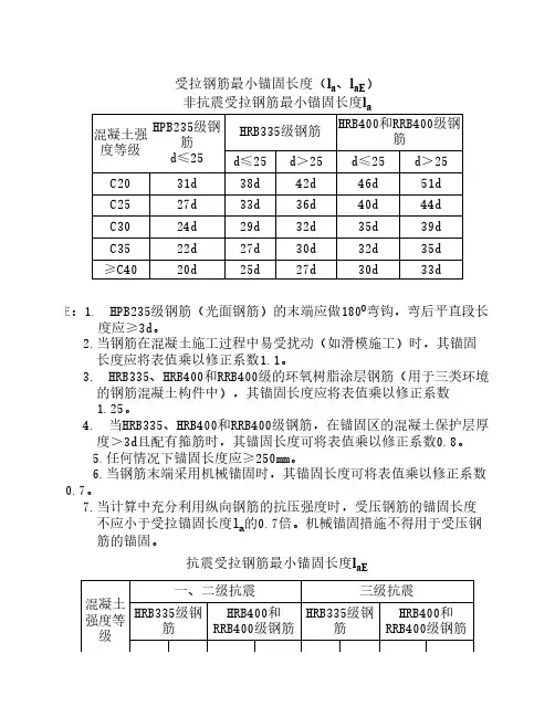
受拉钢筋最小锚固长度(la、laE)【资料来源】《简明高层钢筋混凝土结构设计手册》(第二版)非抗震受拉钢筋最小锚固长度la注:1. HPB235级钢筋(光面钢筋)的末端应做1800弯钩,弯后平直段长度应≥3d。
2.当钢筋在混凝土施工过程中易受扰动(如滑模施工)时,其锚固长度应将表值乘以修正系数1.1。
3. HRB335、HRB400和RRB400级的环氧树脂涂层钢筋(用于三类环境的钢筋混凝土构件中),其锚固长度应将表值乘以修正系数1.25。
4. 当HRB335、HRB400和RRB400级钢筋,在锚固区的混凝土保护层厚度>3d且配有箍筋时,其锚固长度可将表值乘以修正系数0.8。
5.任何情况下锚固长度应≥250mm。
6.当钢筋末端采用机械锚固时,其锚固长度可将表值乘以修正系数0.7。
7.当计算中充分利用纵向钢筋的抗压强度时,受压钢筋的锚固长度不应小于受拉锚固长度l的0.7倍。
机械锚固措施不得用于受压钢筋的锚固。
a受拉钢筋最小抗震锚固长度laE注:1.当钢筋在混凝土施工过程中易受扰动(如滑模施工)时,其锚固长度应将表值乘以修正系数1.1。
2. HRB335、HRB400和RRB400级的环氧树脂涂层钢筋(用于三类环境的钢筋混凝土构件中),其锚固长度应将表值乘以修正系数1.25。
3. 当HRB335、HRB400和RRB400级钢筋,在锚固区的混凝土保护层厚度>3d且配有箍筋时,其锚固长度可将表值乘以修正系数0.8。
4.当钢筋末端采用机械锚固时,其锚固长度可将表值乘以修正系数0.7。
5.四级抗震的锚固长度laE 按非抗震的锚固长度la采用,即laE=la。
纵向受拉钢筋最小搭接长度(ll 、llE)【资料来源】《简明高层钢筋混凝土结构设计手册》(第二版)非抗震纵向受拉钢筋最小搭接长度ll注:1. HPB235级钢筋(光面钢筋)的末端应做1800弯钩,弯后平直段长度应≥3d。
2.当钢筋在混凝土施工过程中易受扰动(如滑模施工)时,其锚固长度应将表值乘以修正系数1.1。
受拉钢筋的锚固长度la、laE、lab、labE
1.新图集11G101-1第57页、11G101-2第16页和11G101-3第54页表格展现一~四级抗
震与非抗震受拉钢筋基本锚固长度(labE、lab)。
2.当不满足锚固系数条件是直接取用基本锚固,即la=lab,laE=labE。
3.锚固系数(ζa)条件:
①带肋钢筋的公称直接大于25 *1.10
②环氧树脂涂层带肋钢筋*1.25
③施工过程中易受扰动的钢筋*1.10
④锚固区保护层厚度3d *0.80
5d *0.70 la=lab*ζ a
备注:系数条件可以同时存在,即可以连乘。
(四个条件条件①比较常见,而且广联达只将条件①列入规则内)
4.抗震锚固系数ζaE:一、二级抗震等级取1.15,三级抗震等级取1.05,四级抗震等级取
1.00。
(个人想法,此系数没有多大意义,本身已经注入表格中的labE中了)。
5.图集表中labE=lab*ζaE(表中基本抗震锚固已经考虑过抗震锚固系数了)。
对于抗震构
件锚固得来即:查取相应基本抗震锚固labE,然后对锚固系数条件的判别,如果达到锚固系数条件laE=labE*ζa,反之laE=labE。
关于锚固长度值的确定
L ab:基本锚固长度
L abe:基本锚固长度(指的是抗震基本锚固长度)
L a:受拉钢筋锚固长度
L aE:纵向受拉钢筋抗震锚固长度。
L a=ζa*L ab 公式○1
L abe=ζaE* L ab 公式○2【出自混凝土结构设计规范2010 11.6.7-1】
L aE =ζaE* La 公式○3
ζaE*ζa*L ab 公式○4
将公式○1代入公式○3得:L aE =
ζa* L abe 公式○5
将公式○2代入公式○4得:L aE =
受拉钢筋锚固长度修正系数ζ a 在施工中很少考虑,(在带肋钢筋的直径大于25时取1.1。
环氧树脂涂层带肋钢筋取1.25,本工程不是此类钢筋,施工中易受扰动的钢筋取1.1,如滑膜施工使钢筋承受较大动荷载(混规2002))。
即通常情况下L aE锚固值可近似出理为L abe 的锚固值。
即通长情况下L aE=L abe
何时取用L aE锚固值,何时取用L abe的锚固值可详见【混凝土结构设计规范2010 P161,162】以及图集《13G101-11》P9第9页.“L aE用于钢筋直锚或者总锚固,L abe用于钢筋弯折锚固和机械锚固”
公式○2举例:对照《11g101-1》查:
如:混凝土等级C25,二级抗震:40*1.15=46d
混凝土等级C25,三级抗震:40*1.05=42d
混凝土等级C25,四级抗震:40*1.0=40d
混凝土等级C30,二级抗震:35d*1.15=40.25d≈ 40d
混凝土等级C25,三级抗震:35d*1.05=36.75d≈37d
混凝土等级C30,四级抗震:35d*1.0=35d。
钢筋的锚固长度有多种计算公式,具体如下:
1. 受拉钢筋基本锚固长度Lab的公式:Lab=α×(ƒy/ƒt)×d。
其中,Lab为受拉钢筋基本锚固长度;ƒy
为普通钢筋的抗拉强度设计值;ƒt为混凝土轴心抗拉强度设计值,按表1采用;d为钢筋的公称直径;
α为钢筋的外形系数,按表4采用。
2. 受拉钢筋锚固长度La的公式:La=ζa Lab。
其中,La为受拉钢筋锚固长度;ζa为锚固长度修正系数,
对普通钢筋按规范第8.3.2条规定的规定取用。
3. 纵向受拉普通钢筋的锚固长度修正系数ζa应按下列规定取用:当混凝土强度等级高于C40时,按C40
取值。
请注意,以上公式和参数可能会因具体规范和标准的不同而有所差异。
在实际应用中,应结合具体的工程要求和规范标准进行计算和选择。
同时,还需要注意钢筋的规格、抗拉强度等参数,以确保计算结果的准确性和可靠性。
纵筋锚固长度计算公式1.钢筋锚固长度分:1.1充分利用钢筋的抗拉强度时,受拉钢筋的基本锚固长度Lab;1.2抗震等级框架梁、柱纵向钢筋在节点部位的弯折锚固长度基数LabE;(11 G101系列图集表格,称作受拉钢筋基本锚固长度Lab、LabE)1.3受拉钢筋锚固长度La;1.4受拉钢筋的抗震锚固长度LaE。
2.从钢筋锚固长度公式中符号的含义中,能发觉钢筋锚固长度公式之间的关系,而知道钢筋锚固长度怎么算吗?从而融会贯穿,得心应手地应用他。
2.1公式中几个相关符号的含义:2.1.1 Lab—受拉钢筋基本锚固长度;2.1.2 LabE—抗震等级框架梁、柱纵向钢筋在节点部位的弯折锚固长度基数;2.1.3 ζaE—纵向受拉钢筋抗震锚固长度修正系数,对一、二级抗震等级取1.15,对三级抗震等级取1.05,对四级抗震等级取1.00;2.1.4 La—受拉钢筋锚固长度;2.1.5 ζa——锚固长度修正系数,对一般钢筋按本规范第8.3.2条规定的规定取用(按表4),当多于一项时,可按连乘计算,但不应小于0.6;对预应力筋,可取1.0。
向左转|向右转向左转|向右转2.1.6 LaE—受拉钢筋的抗震锚固长度。
2.2钢筋锚固长度公式,知道钢筋锚固长度怎么算,必需细读,领悟其意。
可以说不同钢筋锚固长度怎么算?已经基本解决了解了解!2.2.1 Lab=α×(?y/?t)×d (计算另详);2.2.2 LabE=ζaELab,这个LabE是由纵向受拉钢筋抗震锚固长度修正系数乘受拉钢筋基本锚固长度而得。
2.2.3 La=ζa Lab,这个La是由受拉钢筋锚固长度修正系数乘受拉钢筋基本锚固长度而得。
2.2.4 LaE=ζaE La,这个LaE是由纵向受拉钢筋抗震锚固长度修正系数乘受拉钢筋锚固长度而得。
3.图集未述清受拉钢筋基本锚固长度Lab的计算来源与办法。
我们先搞清他出自《混凝土结构设计规范》GB 50010—20228.3.1 当计算中充分利用钢筋的抗拉强度时,受拉钢筋的锚固应符合下列要求:1 基本锚固长度应按下列公式计算:一般钢筋Lab=α×(?y/?t)×d (8.3.1-1)式中:Lab—受拉钢筋基本锚固长度;?y—一般钢筋的抗拉强度设计值;?t—混凝土轴心抗拉强度设计值,当混凝土强度等级高于C60时,按C60取值;α—锚固钢筋外系数,光面钢筋为0.16,带肋钢筋为0.14;d—锚固钢筋的直径。
1、11G101-1图集钢筋抗震锚固长度LaE如何计算答:受拉钢筋抗震锚固长度LaE,计算公式:LaE=ζaE La。
式中:LaE——受拉钢筋抗震锚固长度;ζaE——为抗震锚固长度修正系数,对一、二级抗震等级取1.15,对三级抗震等级取1.05,对四级抗震等级取1.00。
La——受拉钢筋锚固长度(非抗震)。
我们以楼上“轮回LOVE封印”的例,但我要加条件,因条件不同出现的情况也不同。
【例】一、钢筋种类:HPB300,混凝土强度等级:C30,加:抗震等级:一、二级,求受拉钢筋抗震锚固长度?解:查表受拉钢筋抗震锚固长度35d。
【例】二、改成,钢筋种类:HRB400、公称直28,混凝土强度等级:C30,抗震等级:一、二级,求受拉钢筋抗震锚固长度?解:因 La=ζa Lab,用La代入计算公式:LaE=ζaE La=ζaE ζa Lab式中的ζaE×35d=1.15×35d=40d 即查表受拉钢筋抗震锚固长度40d。
则LaE=ζa×40d=1.1×40×28=1232㎜。
(因查受拉钢筋抗震锚固长度修正系教ζa得1.10)。
2、11G101-1图集53页受拉钢筋锚固长度计算公式中:LaE=ζaE *La,那如果算出来LaE小于LabE,取值怎么取?例:HRB400钢筋20,结构抗震等级为三级,混凝土强度C30。
锚固区保护层厚度大于5d是否应该按下式计算?LaE=ζaE *La,La=ζa*lab,查表未有三级抗震的lab取值,是否就应该取非抗震的lab进行计算,得La=ζa*lab=0.7*35*20=490mm,LaE=ζaE *La=1.05*490=514.5mm。
如果直接取值LabE为37d=740mm,上面算出来的LaE小于了LabE,应该取哪个值?看您的解:已知:HRB400钢筋20,结构抗震等级为三级,混凝土强度C30。
锚固区保护层厚度大于5d。
受拉钢筋最小锚固长度(l a、l aE) 【资料来源】《简明高层钢筋混凝土结构设计手册》(第二版)
非抗震受拉钢筋最小锚固长度l a
受拉钢筋最小抗震锚固长度l aE
注:1.当钢筋在混凝土施工过程中易受扰动(如滑模施工)时,其锚固长度应将表值乘
以修正系数1.1。
2. HRB335、HRB400和RRB400级的环氧树脂涂层钢筋(用于三类环境的钢筋混凝土构件中),其锚固长度应将表值乘以修正系数1.25。
3. 当HRB335、HRB400和RRB400级钢筋,在锚固区的混凝土保护层厚度>3d 且配有箍筋时,其锚固长度可将表值乘以修正系数0.8。
4.当钢筋末端采用机械锚固时,其锚固长度可将表值乘以修正系数0.7。
5.四级抗震的锚固长度l aE 按非抗震的锚固长度l a 采用,即l aE =l a 。
纵向受拉钢筋最小搭接长度(l l 、l lE )
【资料来源】 《简明高层钢筋混凝土结构设计手册》(第二版)
非抗震纵向受拉钢筋最小搭接长度l l
注:1. HPB235级钢筋(光面钢筋)的末端应做1800弯钩,弯后平直段长度应≥3d 。
2.当钢筋在混凝土施工过程中易受扰动(如滑模施工)时,其锚固长度应将表值乘以修正系数1.1。
3. HRB335、HRB400和RRB400级的环氧树脂涂层钢筋(用于三类环境的钢筋混凝土构件中),其锚固长度应将表值乘以修正系数1.25。
4. 表中最小搭接长度适用于纵向钢筋搭接接头面积百分率≤25%的情况。
当接头面积百分率为50%时,应将表值搭接长度乘以增大系数1.17;当接头面积百分率为100%时,应将表值搭接长度乘以增大系数1.34;接头面积百分率为中间值时,搭接长度增大系数可用插入法确定。
5.
任何情况下,纵向受拉钢筋绑扎搭接接头的搭接长度均应≥300mm 。
6. 受压钢筋,当搭接连接时,其受压搭接长度不应小于纵向受拉搭接长度l l 的0.7倍,且在任何情况下不应小于200mm 。
纵向受拉钢筋最小抗震搭接长度l lE
注:1. HPB235级钢筋(光面钢筋)的末端应做1800弯钩,弯后平直段长度应≥3d。
2.当钢筋在混凝土施工过程中易受扰动(如滑模施工)时,其锚固长度应将表值乘
以修正系数1.1。
3. HRB335、HRB400和RRB400级的环氧树脂涂层钢筋(用于三类环境的钢筋混凝土
构件中),其锚固长度应将表值乘以修正系数1.25。
4. 表中最小搭接长度适用于纵向钢筋搭接接头面积百分率≤25%的情况。
当接头面
积百分率为50%时,应将表值搭接长度乘以增大系数1.17;当接头面积百分率为100%时,应将表值搭接长度乘以增大系数1.34;接头面积百分率为中间值时,搭接长度增大系数可用插入法确定。
5.四级抗震的搭接长度l
lE 按非抗震的搭接长度l
l
采用,即l
lE
=l
l。