工程品质评价表(A、B表)范本
- 格式:xls
- 大小:59.50 KB
- 文档页数:7
附件2:质量评价表格(表1~表5)施工现场质量保证条件、质量记录、尺寸偏差及限值实测质量评价评分表2、本表质量评价评分确定判定结果档次时,应参照GB/T50375-2006相关规定进行,根据抽查情况,分别给出一、二、三档。
性能检测评分表表2续表2性能检测最终得分为:实得分∕应得分×25分=分。
2、凡涉及该工程项目所应做的性能检测的检查内容,应在□中打“√”,打“﹡”号项目为否决项目设置。
3、检验判定结果分为三档。
凡该工程项目所应做的性能检测内容项目齐全、数据真实可靠、检测(或测试)报告(或测试记录)符合要求、检测数量满足要求的为一档,取应得分值的100%;凡涉及本表栏中设置的项目不能满足设计及规范要求的定为三档,取应得分值的70%;除一、三档外,其余的为二档(定档标准按(GB/T50375-2006)规定进行),取应得分值的85%;涉及“﹡”号否决项目的,该单位工程不能评为“水仙杯”。
4、表中打“/”的标志为没有设置二档判定结果的项目。
观感质量质量评价评分表表3注:1、观感质量评分权重值占整个单位工程质量评价权重值的40分。
最终观感质量得分为:实得分∕应得分×40分=分。
2、现场观察质量评价根据相应的子项检查内容,对所抽查到的点(处)的质量情况(抽查数量详附表),定出该点(处)观感质量“好、一般、差”的评价,再据所查的点(处)进行统计。
项目检查点(处)“好”的达到90%以上,其余检查点(处)达到“一般”的,判定结果档次为一档,取该子项应得分值的100%;项目检查点(处)“好”的达到70%以上90%以下,其余检查点(处)达到“一般”的,判定结果档次为二档,取该子项应得分值的85%;项目检查点(处)“好”的达到30%以上70%以下,其余检查点(处)达到“一般”的,判定结果档次为三档,取该子项应得分值的70%。
工程结构质量综合评价质量评价表表4结构工程质量评价情况,质量评价基础分以三家评价平均得分为基数,根据核定情况,给出一个系数(系数由核定组集体讨论确定),系数乘以平均分得出质量评价实得分。
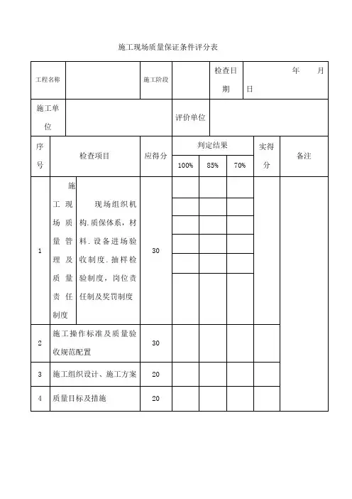
施工现场质量保证条件评分表
地基及桩基工程性能检测评分表
地基及桩基工程质量记录评分表
地基及桩基工程尺寸偏差及限值实测评分表
地基及桩基工程观感质量评分表
结构工程性能检测评分表
结构工程质量记录评分表
结构工程质量记录评分表续表一
结构工程质量记录评分表续表二
结构工程尺寸偏差及限值实测评分表
结构工程观感质量评分表
屋面工程性能检测评分表
屋面工程质量记录评分表
屋面工程尺寸偏差及限值实测评分表
屋面工程观感质量评分表
装饰装修工程性能检测评分表
装饰装修工程质量记录评分表
装饰装修工程尺寸偏差及限值实测评分表
装饰装修工程观感质量评分表
建筑给水排水及采暖工程性能检测评分表
建筑给水排水及采暖工程质量记录评分表
建筑给水排水及采暖工程尺寸偏差及限值实测评分表
建筑给水排水及采暖工程观感质量评分表
建筑电气安装工程性能检测评分表
建筑电气安装工程质量记录评分表
建筑电气安装工程尺寸偏差及限值实测评分表
建筑电气安装工程观感质量评分表
通风与空调工程性能检测评分表
通风与空调工程质量记录评分表
通风与空调工程尺寸偏差及限值实测评分表
通风与空调工程观感质量评分表
电梯安装工程性能检测评分表
年
电梯安装工程质量记录评分表
电梯安装工程尺寸偏差及限值实测评分表
电梯安装工程观感质量评分表
智能建筑工程性能检测评分表。
附录AA1室外燃气管道土方工程质量检验评定表工程项目 建设单位施工日期 施工单位竣工日期工号A2室外燃气管道阀门井、凝水缸工程质量检验评定表工程项目施工日期竣工日期建设单位施工单位工号A3室外燃气管道安装质量检验评定表(一)竣工日期 工号 质量情况管道与建筑物、构筑物基础的距离必须符合标准规定。
管道安装完,在试验前按要求进行了吹扫。
补偿器的位置符合设计要求,按规定进行预拉伸或压缩。
管道组装符合标准要求。
焊缝内部质量符合标准要求。
工程项目 建设单位施工日期施工单位管道强度试验和严密性试验必须符合标准规定。
序号 1234 5续A3室外燃气管道安装工程质量检验评定表(二)工程项目施工日期竣工日期建设单位施工单位工号A4室外燃气管道防腐工程质量检验评定表防腐批号建设单位 施工日期 施工单位 管径A5室外燃气管道调压装置安装工程质量检验评定表(一)施工单位施工日期竣工日期续A5室外燃气管道调压装置安装工程质量检验评定表(二)评定 等级工程项目 建设单位施工日期 施工单位管 架 安 装 合格 优良 合格 管道支架及管座符合设计要求, 构造正确、埋设平整牢固。
合格基础上,排列整齐,支架与 管子接触紧密。
竣工日期 工号质量情况10序 号 允许偏差项目允许 偏差mm各实测点偏差值123456789 101 标 高调压器 ± 15过滤器 ± 15放散管阀门 ± 20安全阀 ± 20安全水封± 202 立管垂直度(每m ) 23水平管纵横方向弯曲(每 m ) <1优良管 架 涂 油漆种类和涂刷遍数符合要求, 附着良好、无脱皮、起泡和漏涂。
合格基础上,厚度均匀,色泽一 致,无流坠检杳 结果 保证项目基本项目检查 项;其中优良 项; 优良率 %允许偏差项目 实测点;其中合格 点;合格率 %评定 意见评定 等级复验 结果施工 单位 工程部监理人员建设 单位现场管理员质检员A6室外燃气管道穿、跨越工程质量检定评定表施工单位施工日期竣工日期室外燃气管道穿、跨越安装工程质量检查记录(二、三级)工程项目工号工程项目工号工程项目工号调压装置安装工程质量检查记录工程项目 施工单位 工号 日期。
表5-2-1 立井冲积层掘进分项工程质量检验评定表检验日期:年月日说明1.本表适用于立井(含提升和无提升)在冲积层中(含混凝土帷幕)人工掘进的掘进分项工程。
2.保证项目有1项检验项目。
其检验方法:在施工过程中,由班组逐循环检验,并做好施工检查记录。
中间或竣工验收时,按《标准》附录A表A.2的规定,选检查点,抽查检查点上的施工检查记录,或现场实查。
3.基本项目有1项检验项目。
其检验方法:在施工过程中,由班组逐循环检验,并做好施工检查记录。
中间或竣工验收时,按《标准》附录A表A.2的规定,选检查点和测点,抽查检查点上的施工检查记录。
表5-2-2 立井冻结法凿井冲积层掘进分项工程质量检验评定表检验日期:年月日说明1.本表适用于立井冻结法凿井人工掘进的冲积层掘进分项工程。
2.保证项目有1项检验项目。
其检验方法同表5-2-1中保证项目的检验方法。
3.基本项目有1项检验项目。
其检验方法同表5-2-1中基本项目的检验方法。
所不同的是冲积层掘进中,在冻土扩至井帮前(井筒开挖初期)和冻土扩至井帮后(井筒开挖后期或深部)的质量标准要求不同。
应按冻土扩至井帮与否用不同的标准去检验。
表5-2-3 斜井、平硐冲积层掘进分项工程质量检验评定表说明1.本表适用于斜井、平硐在冲积层中(含混凝土帷幕)人工掘进的掘进分项工程。
2.保证项目有1项检验项目。
其检验方法:在施工过程中,由班组逐循环检验,并做好施工检查记录。
中间或竣工验收时,按《标准》附录A表A.2的规定,选检查点和测点,抽查检查点上的施工检查记录,或现场实查。
3.基本项目有2项检验项目。
其检验方法:在施工过程中,由班组逐循环检验,并做好施工检查记录。
中间或竣工验收时,按《标准》附录A表A.2的规定,选检查点和测点,,抽查检查点上的施工检查记录。
半圆拱断面首先由中、腰线找到圆心点,中线左、右,腰线上(或圆心点上)各设3个测点,腰线下设1个测点,分别测得中线左、右的宽度和腰线上、下高度。
建筑工程质量评价表
工程名称:
施工企业:
评价时间:
一、施工现场质量保证条件评分表
二、地基与桩基工程质量评价
三、结构工程质量评价
续表3.2 (结构工程质量记录评分表)
续表3.2(结构工程质量记录评分表)
续表3.4(结构工程观感质量评分表)
四、屋面工程质量评价
五、装饰装修工程质量评价
六、安装工程质量评价
6.1 建筑给排水管道安装工程质量评价
6.2 建筑电气安装工程质量评价
6.3 通风与空调工程质量评价
6.4 电梯安装工程质量评价
6.5 智能建筑工程质量评价
七、单位工程质量综合评价
F:为权重值计算后的直接加分,加分只限一次。
1.获得部、省级与其以上科技进步奖,以与使用节能、节地、环保等先进技术获得部、省级奖的工程可加0.5~3分;
2.获得部、省级科技示工程或使用先进施工技术并通过验收的工程可加0.5~1分。
表7.3 单位工程质量各项目评价得分汇总
单位工程评价得分与评价分析应符合下列规定:
各工程项目、系统一样项目实际评价得分(即横向部分)相加,可根据得分情况评价分析项目的质量水平程度;
各项目实际评价得分(即竖向部分)相加,可根据得分情况评价分析工程部位、系统的质量水平程度。
表1.1 小型农田水利工程
小型农田水利工程表2.1
小型农田水利工程表3.3
小型农田水利工程
表3.5岩石地基开挖单元工程质量评定表
注:“+”为超挖,“-”为欠挖。
小型农田水利工程
表3.6软基和岸坡开挖单元工程质量评定表
注:“+”为超挖,“-”为欠挖。
小型农田水利工程
表3.7混凝土单元工程质量评定表
小型农田水利工程
表3.7.1基础面或混凝土施工缝处理工序质量评定表
表3.7.2混凝土模板工序质量评定表
混凝土止水、伸缩缝和排水管安装
表3.7.5混凝土浇筑工序质量评定表
小型农田水利工程
表3.9 垫层工程单元工程质量评定表
小型农田水利工程
表3.10 水泥砂浆砌石体单元工程质量评定表
小型农田水利工程
表3.10.1 水泥砂浆砌石体浆砌石体面层处理工序质量评定表
小型农田水利工程
预应力(预制)钢筋混凝土管道安装质量评定(渠)表24-1。
公路工程建设项目管理单位工程质量责任登记表项目名称: 签章:填报人: 年 月 日 注:建设管理单位填报,内容可增加。
公路建设项目勘察单位工程质量责任登记表A-1A-2项目名称:合同段号:签章:填报人:年月日注:本表由勘察单位填报,内容可增加。
A-3公路建设项目设计单位工程质量责任登记表填报人:注:本表由设计单位填报,内容可增加. 公路建设项目总监办工程质量责任登记表项目名称: 合同段号: 签章:A-4填报人:年月日注:本表由总监理单位按照各自职责分别填报,内容可增加。
公路建设项目驻地办工程质量责任登记表项目名称:合同段号:签章:A-5填报人: 年 月 日 注:本表由驻地监理按照各自职责分别填报,内容可增加。
公路建设项目试验检测单位工程质量责任登记表A-6注:本表由试验检测单位负责填报,内容可增加。
公路建设项目承包人工程质量责任登记表项目名称:合同段号:签章:填报人: 年 月 日本表由承包人填报,内容可增加。
首件工程施工申请报告A-8致:驻地办我部(承包人)根据现场实际情况,决定将(单位工程名称) (分部工程名称)(分项工程名称)(首件工程名称)选定为我部(分项工程名称)的首件工程,施工前的各项准备工作已全部完成,经我部组织自检,具备首件工程施工条件,特此向驻地办申请首件工程施工。
承包人(盖章):承包人技术负责人:年月日A-9首件工程施工许可证致:合同段项目经理部你部提出的 (单位工程名称) (分部工程名称)(分项工程名称)(首件工程名称)首件工程施工申请,经驻地办各专业监理工程师检查,认为具备首件工程施工条件,同意进行首件工程施工。
驻地办(盖章):驻地监理工程师:年月日A-10首件工程认可证书合同段:编号:A-11-1原材料试验项目及试验频率A-11-2原材料试验项目及试验频率A-11-3原材料试验项目及试验频率A-12公路工程重大质量事故快报质量问题、质量事故罚款表A-13(项目名称)关于编号为工程变更审查批复承包人:合同号:驻地办:批复编号:B-2(项目名称)工程变更令(变更令编号:)承包人:合同号:驻地办:申报编号:致:承包人先生附:设计变更批复及申请报告总监理工程师:年月日抄送:省道307线锡林浩特至白音华公路建设项目管理办公室驻地办施工设计组(项目名称) ( 合同段)工 程 变 更 申 请 报 告申报编号: 变更项目:申报单位:工程变更申请报告承包人: 合 同 号: 驻地办: 申报编号:B-3B-4承包人:合同号:驻地办:申报编号:(项目名称)工程变更现场实施方案处理意见通知单承包人:合同号:驻地办:编号:。
工程质量评定表范本
以下是一份工程质量评定表的范本:
项目名称:
评定日期:
评定单位:
评定人:
一、总体情况评定:
1. 工程进度评定:
a) 完成预定计划进度的情况:[满意/一般/不满意]
b) 进度偏差情况及原因分析:
2. 工程质量评定:
a) 完成预定质量要求的情况:[满意/一般/不满意]
b) 质量问题及整改情况:
3. 工程成本评定:
a) 完成预算成本要求的情况:[满意/一般/不满意]
b) 成本偏差情况及原因分析:
二、具体工程要素评定:
1. 施工质量评定:
a) 基础施工质量评定:[满意/一般/不满意]
b) 结构施工质量评定:[满意/一般/不满意]
c) 安装施工质量评定:[满意/一般/不满意]
d) 装修施工质量评定:[满意/一般/不满意]
2. 材料质量评定:
a) 主要材料质量评定:[满意/一般/不满意]
b) 次要材料质量评定:[满意/一般/不满意]
3. 设备设施评定:
a) 设备性能评定:[满意/一般/不满意]
b) 设备安装评定:[满意/一般/不满意]
4. 环境保护评定:
a) 现场环境保护评定:[满意/一般/不满意]
b) 施工垃圾处理评定:[满意/一般/不满意]
三、综合评定:
1. 工程质量综合评定:[优秀/良好/一般/不合格]
2. 工程总体评价:
评定人签名:。
建筑工程质量评价表
工程名称:安济公路综合客运枢纽(旅游集散中心)1#楼
施工企业:福建省第五建筑工程公司
评价时间:
一、施工现场质量保证条件评分表
二、地基及桩基工程质量评价
三、结构工程质量评价
续表3.2 (结构工程质量记录评分表)
续表3.2(结构工程质量记录评分表)
五、装饰装修工程质量评价
六、安装工程质量评价
6.1 建筑给排水管道安装工程质量评价
6.2 建筑电气安装工程质量评价
6.3 通风与空调工程质量评价
6.4 电梯安装工程质量评价
6.5 智能建筑工程质量评价
七、单位工程质量综合评价。