20吨燃煤蒸汽锅炉技术方案
- 格式:doc
- 大小:24.00 KB
- 文档页数:3
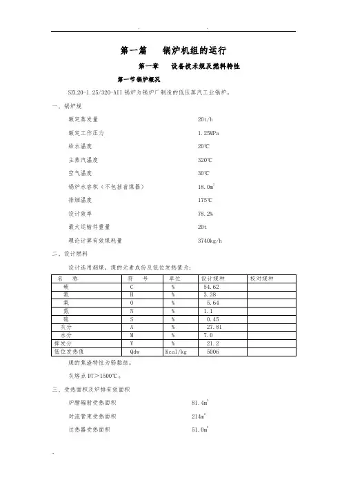
第一篇锅炉机组的运行第一章设备技术规及燃料特性第一节锅炉概况SZL20-1.25/320-AII锅炉为锅炉厂制造的低压蒸汽工业锅炉。
一、锅炉规额定蒸发量 20t/h额定工作压力 1.25MPa给水温度 20℃主蒸汽温度 320℃空气温度30℃锅炉水容积(不包括省煤器) 18.0m3排烟温度 175℃设计效率 78.2%最大运输件重量 20t理论计算有效煤耗量 3740kg/h二、设计燃料设计选用烟煤,煤的元素成份及低位发热值为:煤的焦渣特性为弱黏结。
灰熔点DT>1500℃。
三、受热面积及炉排有效面积炉膛辐射受热面积 81.4m2对流管束受热面积 214m2过热器受热面积 51.0m2省煤器受热面积 334.8m2空预器受热面积 196m2炉排面积热负荷 822647Kcal/m2h炉膛容积热负荷 259080Kcal/m3h炉排有效面积 18.9m2四、锅炉概况本锅炉是根据工业企业用蒸汽的需要而设计。
其开发、设计、生产及制造,按照ZB/T10094-1999《工业锅炉通用技术条件》的要求进行,同时遵守《蒸汽锅炉安全技术监察规程》。
本锅炉为双锅筒纵置式自然水循环组装水管锅炉。
燃烧设备采用轻型链条炉排,并配以无级变速传动装置。
炉膛布置有前、后两组光管式水冷壁,左、右两组膜式水冷壁;前后水冷壁吊挂异型耐火砖,在炉排上方形成高而短的前拱和低而长的后拱,覆盖炉排的长度的75%左右。
立式悬挂式过热器放在对流烟道对流管束之前.对流段由φ51×3的锅炉管组成,用隔墙使烟气折成三个回程,尾部布置铸铁省煤器和卧式空气预热器。
鼓风机将冷空气鼓入空预器,再进入锅炉两侧的进风管,每侧经7个独立炉排风室上升到炉膛,每个进风管设有风量调节门,使炉排上的燃料能够得到合理的配风。
燃烧设备前布置有煤斗,煤闸门采用水冷锯齿形,使煤层表面积有效增大,有利于煤的充分燃烧。
烟气流程:燃料经煤斗进入炉膛燃烧,经炉膛水冷壁吸收热量后的高温烟气进入冷却室,空烟道、过热器、对流管束,换热后排出炉膛进入省煤器及空气预热器加热给水和空气,通过水膜除尘器后,最后有引风机抽引由烟囱排入大气。
20吨燃煤蒸汽锅炉技术方案燃煤蒸汽锅炉控制方案燃煤蒸汽锅炉控制器技术方案一、设计依据和原则依据锅炉监控系统的设计要求,按照自控装置系统必须科学、合理、成熟、安全可靠、稳定、可扩展以及性价比高的原则进行设计,并符合《自动化控制工程规范国家标准》和《计算机软件工程规范国家标准》的要求以及国标《压力容器安全规范》。
二、模拟量采集说明:主要记录参数:汽包水位检测、蒸汽压力、炉膛压力、给水流量、蒸汽流量、省煤器前后温度、炉膛温度、烟道温度;三、硬件说明1.鼓、引风机,给水泵采用ABB变频器;2.显示控制仪表采用香港昌辉仪表;3. 电器元器件采用正泰产品;4. 给水系统采用三冲量控制;5(引风机采用PID自动控制;6(鼓风机控制采用人工给定。
四、控制对象属性控制对象:燃煤蒸汽锅炉SZL20-1.25-AII控制方式:锅炉蒸汽压力控制压控范围:0-1.25MPa五、燃煤蒸汽锅炉控制1(手动控制在硬件手动状态下,可以直接对各负载设备进行操作,当发生一般故燃煤蒸汽锅炉控制方案障,仪表作相应指示,发生汽包超压、汽包水位极低等严重故障时,仪表显示故障部位,同时自动切断电源,音响报警提示操作者,保证系统安全运行。
2.自动控制?鼓引风机连锁,先启动引风机再启动鼓风机、炉排;停止时先停止鼓风机再停止引风机、炉排。
?引风机PID控制:引风机根据炉膛负压变频控制,炉膛压力增大引风机频率增加,炉膛压力减小引风频率减小.?锅炉给水三冲量控制:根据汽包液位、给水流量、蒸汽流量调节给水变频器。
3(系统分测试和运行功能。
六、故障报警及保护1)(汽包压力超高保护锅炉汽包压力大于设定的汽包压力时,进入连锁鼓引风机及炉排,声光报警。
故障指示“汽包压力超高故障”,同时显示“蒸汽压力值”,故障排除后,经复位才能重新正常工作。
2)( 锅炉缺水保护锅内水位低于警戒水位时,进入连锁鼓引风机及炉排,并声光报警。
故障显示“锅炉水位超低限”。
故障消除后,经复位才能重新正常工作。
施工方案第一部分锅炉一、施工顺序零部件清点检查→锅炉基础复验检查划线→零部件放样校正→钢架安装→受热面安装→本体管路安装→空气预热器→水压试验→炉墙砌筑→本体保温→烘炉煮炉→调试试运。
二、主要施工方法及技术措施(一)、设备零件检查验收按安装设备发货明细表及发货清单进行清点,验收发现缺件及损坏件通知甲方处理。
1、锅筒检查(1)应该符合JB1609—83“锅筒制造技术条件”。
(2)锅筒全长内弯曲≤5mm,且每米内≤0.5mm,外观焊缝质量合格。
(3)锅筒椭圆度≤4mm。
(4)锅筒的内径偏差Dn±3mm(5)按锅筒图核对孔位尺寸,并检查表面和短管焊接处有无裂纹和撞伤分层等缺陷。
(6)按锅筒图根据管孔中心线描划锅筒中心线。
(7)将胀管管孔周围20mm清理干净,并将上下锅筒对应孔编号。
(8)检查胀孔质量,将数据逐一记录,管孔尺寸应符合图纸要求在51.3+0.4和61.5+0.4范围内,椭圆度<0.3mm,不锥度<0.3mm,管孔表面不应有凹痕,边缘毛刺和纵向沟纹,环形沟纹的程序不应>0.5mm,宽度<1mm,沟纹至管孔边缘应<4mm。
(9)锅筒长度编差允许值+10mm /–5mm2、集箱(1)按JB1610—83集箱制造条件检查。
(2)按图纸核对各部尺寸,并划出中心线。
(3)将管头周围20mm内清理干净,并进行全面外观检查,不得有分层、裂纹等缺陷。
3、受热面管子的检查(1)外观是否有严重锈蚀、重皮、裂纹、机械损伤。
(2)胀接管端外径偏差不应超过0.5mm。
(3)直管段的弯曲每米不应超过1mm,全长<3mm,长度偏差±3mm。
(4)弯曲管的外形不平度,应符合下表数值:管子偏移△A 允许偏差值2mm管段偏移△B 允许偏差值±5mm管口每米水平偏差允许偏差值±2mm(5)管子做通球检查,球径按下表计算:管子外径D1≥60 32<D1<60 D1≤32弯曲半径R≥3.5D 0.85Dc 0.80Dc 0.70Dc2.5D1<R<3.5D10.85Dc 0.80Dc 0.70Dc1.8D1<R<2.5D10.75Dc 0.75Dc 0.70Dc1.4D1<R<1.8D10.70Dc 0.70Dc 0.70DcR<1.4D10.65Dc 0.65Dc 0.70Dc注:Dc:管子内径D1:管子外径R:弯曲半径试验用球宜采用钢球,且必须编号和严格管理,不得将球遗留在管内,通球后做好可靠的封闭措施,并做好记录。
20吨锅炉施工方案锅炉作为工业生产中必不可少的设备之一,其施工方案至关重要。
在进行20吨锅炉的施工时,需要严格遵守相关的施工标准和规范,确保安全可靠的使用。
以下是一份20吨锅炉施工方案,详细介绍了施工的步骤、要点和注意事项。
一、施工前准备1.制定详细的施工计划,包括施工时间、材料准备、人员组织等内容。
2.确保施工现场的安全,清除杂物,保证施工区域的通风和照明。
3.根据设计图纸,准备好所需的施工材料和工具,确保施工顺利进行。
二、施工步骤1.安装锅炉底座:根据设计要求,在基础上安装好锅炉的底座,并做好固定,确保稳固。
2.安装锅筒和炉体:将锅筒和炉体按照设计要求逐步安装好,确保连接牢固、无漏气。
3.安装燃烧系统:安装好燃烧系统,包括燃烧器、风机、燃烧控制系统等,确保各部件正常运转。
4.连接管道系统:根据设计要求连接好水箱、各种管道和阀门等系统,确保水流畅、无渗漏。
5.安装控制系统:安装好锅炉的控制系统,包括压力、温度、水位等控制装置,确保正常运转。
6.检查调试:完成锅炉的安装后,进行全面的检查和调试,确保各系统正常运作。
7.完成涂装:对锅炉进行涂装处理,提高其防腐性能,延长使用寿命。
8.完成清洗消毒:在进行试运转前,对锅炉进行清洗消毒处理,确保水质安全。
三、施工要点1.严格遵守相关标准和规范,确保施工质量符合要求。
2.注意施工现场的安全,做好防火、通风等工作,确保施工人员的安全。
3.严格执行施工计划,确保施工进度符合要求。
4.对施工过程中出现的问题及时处理,保证施工质量。
5.施工结束后,及时清理施工现场,确保环境整洁。
四、施工注意事项1.施工过程中严禁吸烟、乱扔垃圾等行为,确保施工现场的整洁。
2.使用工具时要谨慎操作,避免误伤、造成安全事故。
3.严格遵守电气、燃气安全规定,确保电气设备和燃气设备的安全。
4.每日施工结束后,对锅炉设备进行检查,确保设备正常运转。
5.如有紧急情况发生,应立即停止施工,及时报告并处理。
燃煤蒸汽锅炉施工方案1.设计方案:在施工前,需要进行详细的设计方案,包括锅炉的选型、布置、配管等。
根据需求,确定锅炉的蒸汽产量、压力和温度等参数,选择合适的型号。
2.材料采购:根据设计方案,采购相应的材料,包括锅炉本体、燃烧设备、配管、阀门等。
在采购过程中,需要注意选择质量好、性能稳定的产品。
3.场地准备:施工前需要对锅炉的安装位置进行准备,确保场地平整、清洁,并根据设计要求设置好相应的基础和支撑结构。
4.安装:根据设计方案进行锅炉的安装。
先进行基础安装,然后安装锅炉本体和其它相应设备,如燃烧设备、配管等。
5.系统调试:完成锅炉的安装后,需要进行系统调试。
包括对锅炉的各项设备进行检查和调试,确保其正常运行并达到设计要求。
6.安全设施:在锅炉施工过程中,需要设置相应的安全设施,如安全阀、水位控制器、燃烧安全保护装置等,确保锅炉的安全运行。
7.防腐保温:对锅炉进行防腐和保温处理,以减少能量损失和延长锅炉的使用寿命。
可以采用不同的防腐、保温材料和方法,如涂料、保温棉等。
8.运行监测:完成施工后,需要进行运行监测,对锅炉的各项指标和参数进行实时监测和记录,保证锅炉的正常运行。
9.培训和交接:对锅炉的操作人员进行培训,确保他们掌握锅炉的操作和维护技术。
在施工结束后,与用户进行交接,完成相关手续和文件。
总结以上几点,燃煤蒸汽锅炉的施工方案包括设计方案、材料采购、场地准备、安装、系统调试、安全设施设置、防腐保温、运行监测、培训和交接等。
在施工过程中,需要注意选择合适的设备和材料、确保施工质量和安全、并进行相关的监测和培训工作。
只有做好这些方面的工作,才能保证燃煤蒸汽锅炉的正常运行和使用。
20t h锅炉课程设计一、课程目标知识目标:1. 学生能理解20th锅炉的基本结构及其工作原理,掌握锅炉的关键部件及功能。
2. 学生能够描述锅炉的运行过程,了解其能量转换机制。
3. 学生掌握锅炉安全操作规程,了解锅炉运行中可能出现的问题及其解决办法。
技能目标:1. 学生能够运用所学知识,分析锅炉运行中可能出现的故障,并提出合理的解决方案。
2. 学生通过实际操作,掌握锅炉的日常维护保养技能,提高动手实践能力。
3. 学生能够运用专业软件,对锅炉运行数据进行监测和分析,提高数据处理能力。
情感态度价值观目标:1. 培养学生对锅炉行业的兴趣,激发他们从事相关领域工作的热情。
2. 学生通过学习锅炉知识,认识到能源转换和环保的重要性,树立节能减排的观念。
3. 学生在学习过程中,培养团队合作精神,养成良好的学习习惯和职业道德。
分析课程性质、学生特点和教学要求,本课程旨在让学生在掌握锅炉基础知识的基础上,提高实际操作能力,培养解决实际问题的能力。
课程目标具体、可衡量,便于学生和教师在教学过程中明确预期成果,为后续的教学设计和评估提供依据。
二、教学内容1. 锅炉概述:介绍锅炉的定义、分类、发展历程及在我国的应用现状,对应课本第一章内容。
2. 锅炉结构及工作原理:详细讲解20th锅炉的各部件结构、功能及其工作原理,对应课本第二章内容。
3. 锅炉运行与调节:分析锅炉运行过程中的能量转换、燃烧调节、温度控制等方面内容,对应课本第三章内容。
4. 锅炉安全与环保:介绍锅炉安全操作规程、事故预防及处理方法,探讨锅炉运行对环境的影响及节能减排措施,对应课本第四章内容。
5. 锅炉维护与保养:讲解锅炉的日常维护、保养方法,分析常见故障及排除方法,对应课本第五章内容。
6. 锅炉运行数据分析:教授学生如何利用专业软件对锅炉运行数据进行监测、分析和处理,对应课本第六章内容。
根据课程目标,教学内容按照以上六个方面进行组织,确保教学内容的科学性和系统性。
20吨燃煤锅炉烟气脱硫除尘技术方案随着人们对环境污染问题的日益关注,燃煤锅炉的烟气处理成为了许多企业重要的环保任务之一、针对20吨燃煤锅炉烟气脱硫除尘的技术方案,以下是一个综合考虑各个方面的解决方案。
I.烟气脱硫技术针对20吨燃煤锅炉烟气脱硫,常见的脱硫技术包括湿法脱硫和干法脱硫。
1.湿法脱硫技术湿法脱硫技术中最常用的是石灰石-石膏法,其主要原理是通过将脱硫剂喷入烟气中,通过石灰石-石膏反应,使二氧化硫转化为石膏。
该技术具有脱硫效率高、副产废物可利用等特点。
2.干法脱硫技术干法脱硫技术中常用的是活性炭吸附法和喷射吸湿法。
活性炭吸附法可通过将活性炭喷入烟道脱硫塔中,通过物理吸附和化学吸附机制吸附硫化物。
喷射吸湿法则是通过喷射水雾将烟气中的二氧化硫吸附成硫酸并进行脱除。
II.烟气除尘技术针对20吨燃煤锅炉烟气除尘,常见的除尘技术包括静电除尘器和布袋除尘器。
1.静电除尘器静电除尘器是将带电颗粒物在电场力的作用下进行收集和去除的设备。
静电除尘器具有除尘效率高、适用于大颗粒物的优点,但由于技术要求较高,设备和运行成本较高。
2.布袋除尘器布袋除尘器是通过在设备内设置滤料袋,利用布袋上的微细孔隙对烟气进行过滤,从而将颗粒物截留下来的设备。
布袋除尘器具有除尘效果好、投资和运行成本低等优点,是目前广泛应用于烟气处理的技术之一综合考虑以上脱硫和除尘技术,推荐以下技术方案:1.湿法脱硫-布袋除尘:使用石灰石-石膏法进行湿法脱硫,脱硫效率可达到90%以上;同时采用布袋除尘器进行除尘,截留颗粒物,使烟气排放浓度达标。
2.干法脱硫-布袋除尘:使用喷射吸湿法进行干法脱硫,通过喷射水雾将烟气中的二氧化硫吸附成硫酸并进行脱除;采用布袋除尘器进行除尘,过滤颗粒物。
3.湿法脱硫-静电除尘:使用石灰石-石膏法进行湿法脱硫,脱硫效率高;采用静电除尘器进行除尘,对烟气中的颗粒物进行收集和去除。
需要根据具体项目的情况综合考虑上述方案的优缺点,并结合实际现场情况选择最适合的技术方案。
20吨燃气锅炉(蒸汽)技术参数和价格
原文出自于豫鑫锅炉:/article/7331.html
20T燃气锅炉(蒸汽)技术参数:
型号WNS20
额定蒸发量t/h20
额定蒸汽压力Mpa 1.25和1.6等等
额定蒸汽温度℃193和204
给水温度℃105
传热面积M3516
适用燃料轻油、重油、燃气、煤气等轻油耗量kg/h1220
重油耗量kg/h1157
天然气耗量Nm3/h1330
城市煤气Nm3/h3073
天然气供气压力mbar150-300
城市煤气供气压力mbar150-300
燃重油总电功率三相电KW118.5
燃轻油总电功率三相电KW
燃气总电功率三相电KW77
锅炉最大运输重量T45.5
锅炉满水容积M334.1
燃气蒸汽锅炉的选型原则:
1.通常宜选用卧式燃气锅炉。
如果锅炉房面积有限,可选用立式锅炉。
立式锅炉热效率比卧式低。
2.如果要求蒸汽压力超过1.6Mpa,则宜选用水管锅炉。
3.根据生产工艺的需要,考虑管网和锅炉房内部阻力损失,需留有一定余量。
20T燃气锅炉在客户现场的效果图:
20T燃气锅炉(蒸汽)的价格,请直接联系在线崔经理或电话咨询;20T燃气锅炉的压力大小会影响锅炉的价格,所以需要您电话咨询说明燃气锅炉详细需求!
20T燃气锅炉详细介绍:
20吨燃油气锅炉:/article/4041.html。
20t/h燃油蒸汽锅炉操作使用说明一、综述(一)结构简介SZS型燃油气快装蒸汽锅炉采用典型的锅筒纵置式“D”型布置结构形式,燃烧方式采用微负压燃烧。
它由上下锅筒、膜式水冷壁、对流管束及省煤器组成,燃烧器布置在前墙,燃料在炉膛内燃烧后,烟气经过对流管束及省煤器排入烟囱。
(二)性能特点该系列锅炉有如下特点:⑴采用双锅筒“D”型布置,结构紧凑,占地面积小,火焰充满度好。
⑵锅炉采用下支承方式,能自由向上膨胀。
⑶炉膛水冷壁及对流烟道采用膜式壁结构,有效降低耐火及保温材料的使用量及维修工作量。
⑷采用全封闭焊接结构的气密性内护板,炉墙密封性好,外层采用压制护板,外形美观。
⑸炉膛设有检查孔,为使用、维修提供了极大方便。
炉顶设有防爆门。
⑹采用快装形式,能有效缩短安装周期。
⑺采用高热阻材料作为绝热层,保温性能良好。
⑻带有尾部受热面(省煤器),能有效控制排烟温度,锅炉热效率高。
⑼整台锅炉座在钢性很强的底座上,安装运输方便。
⑽采用进口燃烧器,燃烧效率高并具有点火程序控制及超压、熄火保护功能。
⑾给水采用连续电动调节,并具有高低水位报警、保护连锁功能。
⑿锅炉设有电控操纵柜,操纵柜上设有热工参数显示仪、控制按钮、超压报警等装置。
二、烘炉、煮炉说明(一)烘炉和煮炉锅炉各零件安装完毕后经检查和试运转后,证实各部件有安全起动的条件,即可开始烘炉和煮炉。
1、烘炉和煮炉前的检查在烘炉和煮炉前,必须详细检查锅炉的各零部件,检查项目如下:(1)燃烧器、燃料供应系统、给水设备、鼓风机试运转要正常。
(2)人孔、手孔等是否严密,附属零件装置是否齐全。
(3)蒸汽管路、给水管路,排污管路是否完整、畅通。
(4)省煤器是否严密,烟气通道是否畅通。
2、新锅炉在使用前应进行烘炉,其目的在于使锅炉砖墙能够很好的缓慢地干燥起来,在使用时不致损裂。
3、将已处理的水通过省煤器注入锅炉内。
上水的速度要缓慢,上水时间在夏季不小于1小时,在冬季不少于2小时。
水温不宜太高,最高不应超过40℃,以防止锅筒内产生过大温差应力。
6~10t/h锅炉配套除尘器脱硫系统技术方案2014 年 02 月前言,需要除尘脱硫的锅炉如下:序号锅炉型号设备所在位置台数待上设备备注1 15T 矿区中央锅炉房2 脉冲袋式除尘器利用原有脱硫设备2 10T 矿区中央锅炉房2 脉冲袋式除尘器利用原有脱硫设备3 10T(循环流化床锅炉)生活区中心锅炉房4 脉冲袋式除尘器+脱硫塔脉冲袋式除尘器+脱硫塔4 6T 北乱生活区锅炉房2 脉冲袋式除尘器+脱硫塔脉冲袋式除尘器+脱硫塔需新建相应的除尘脱硫系统解决岗位、污染物排放问题,使在生产过程中粉尘二氧化硫得到控制,达到环保要求。
我公司受贵公司委托进行方案设计,结合以上烟尘情况、粉尘特性及现场布置情况特编制本除尘技术方案供贵公司参考。
本方案把三种吨位的锅炉除尘脱硫系统分成四套系统进行方案说明:以下简称除尘脱硫系统一、二、三、四进行详细方案阐述。
方案编制:联系人:手机:电话/传真:邮箱:目录目录 (I)一、技术规范 (2)1.总则 (2)2.设计和运行条件: (3)3.设备技术参数表 (3)4.设计供货分交界面 (4)5.设计规范及标准 (4)二、布袋除尘器技术要求 (6)三、布袋除尘器技术特点 (9)1.布袋除尘器的结构特点 (9)2.除尘器制造工艺 (15)3.电气与控制 (17)4.布袋除尘器保护措施 (18)四、供货范围 (20)1一般要求 (20)2除尘系统供货范围 (20)五、设备、仪表供货清单 (21)1.20T/H锅炉配套除尘设备明细(共1套) (21)2.备品备件明细: (21)六、安装及调试 (22)七、维护和检修 (23)八、主要设备报价单 (24)一、技术规范1.设计依据1. 贵公司提供的原始资料。
2.《炼焦行业清洁生产标准》(HJ/T126—2003);3.《工业企业厂界噪声标准》(GB12348—2008);4.《大气污染综合排放标准》(GB16297—1996);5.《工业炉窑大气污染物排放标准》(GB13271—2001);6.《采暖通风和空气调节设计规范》(GB50019-2003);7.《工业企业设计卫生标准》(GBZ1-2002);8.《脉冲喷吹类布袋除尘器》(JB/T8532-97);9.《通风与空调工程施工及验收规范》(GB50243—97);10.《钢结构设计规范》(GBJ17—88);11.《建筑抗震设计规范》(GBJ11—89);12.《供配电设计规范》(GB50052—95);13.《大气环境质量标准》(GB3095-1996);14.《中华人民共和国环境保护法》;2.设计原则1)本方案中的除尘设施为上述工艺生产服务。
20吨燃气锅炉运行方案20吨燃气锅炉WNS20-1.25-Q选用燃料:天然气,液化气,管道气等结构形式:卧式快装结构20吨燃气锅炉属于大型的机械设备,锅炉满负荷运行单位时间内的出蒸汽量是20t,该锅炉的最佳运行负荷是70%-100%。
山东生物药厂20吨燃气蒸汽锅炉发货图根据锅炉主机质量,辅机配置等的不同,20吨燃气锅炉价格区间:60万-200万20吨燃气锅炉的良好运行与建立完善的运行方案有着密切的关系。
20吨燃气锅炉的运行主要分为三部分,运行前的准备,运行中,正常停炉。
一、运行前的准备1、检查各安全附件、热工仪表、电气仪表应完好;2、检查各连接处,焊缝处及管线上有无漏水现象;3、检查排污管线、进水管线、回水管线应通畅;4、将补给水箱加满水;5、检查线路电压应为380V,其波动应在±5%以内;6、若是因故障停炉,须按“复位”按钮,解除燃烧故障锁定;7、打开手动燃气阀;8、烧机的启动按钮,检查其运行是否正常;造纸厂燃气锅炉运行现场二、燃气锅炉运行1、运行过程中要时刻关注锅炉主机和辅机设备的运行;2、如果出现故障停炉,要及时处理问题,保证锅炉及时投入运行;3、锅炉升压不宜过快;4、锅炉运行过程中,如果仪表出现故障,需要及时更换;三、燃气锅炉正常停炉1、采用正确的方法和方式停炉;2、各辅机设备依次停炉;3、燃烧器和冷凝循环泵联动;北京两台超低氮燃气蒸汽锅炉运行现场氮氧化物含量低于30mg/m³现在各地都在进行煤改气和低氮燃气锅炉改造,用户在购买燃气锅炉时,一定要特别注意,当地的环保政策和要求,便于购买到适合自己生产用的燃气锅炉。
20吨燃气锅炉采购注意事项:1、注意当地环保政策2、注意产品性价比远大锅炉建议广大用户:不要过分追逐产品价格,无论何时锅炉质量都是第一位。
20T锅炉现场施工方案一、施工准备1.确定施工队伍组成及分工,包括负责人、现场安全员、电气技术员、焊接工人等。
2.确认施工所需材料、设备和工具,并进行采购和租赁。
3.制定施工计划,包括施工时间、进度安排等。
4.对施工现场进行规划和布置,确保施工区域安全、整洁。
二、现场安全措施1.遵守现场安全规章制度,进行必要的安全培训。
2.检查施工现场的周边环境,确保无危险物品存在。
3.配备必要的安全设备,如头盔、安全鞋、防护眼镜等。
4.设置警示标志,并划定施工区域。
三、基础施工1.清理施工区域,并进行必要的平整处理。
2.根据施工图纸确定锅炉的基础尺寸和位置。
3.对锅炉基础进行测量和标定,确保准确性。
4.进行基础挖掘,包括排水和防渗处理。
5.浇筑混凝土基础,并对其进行养护。
四、管道安装1.根据施工图纸和设计要求,安装水、气、燃气管道等。
2.进行管道的加工和连接,确保管道的质量和安全。
3.进行管道的试压,检查管道的密封性能。
五、设备安装1.安装锅炉设备,包括锅炉本体、燃烧器、风机等。
2.连接锅炉与管道系统,确保连接安全牢固。
3.安装并连接燃气、水等配套设备,如阀门、管道连接件等。
4.进行设备的调试和试运行,确保设备的正常运行。
六、电气施工1.安装电气控制柜和设备,进行电气线路的连接。
2.进行电气线路的测试和调试,确保电气系统的正常运行。
3.配置并安装相应的仪表和控制设备。
4.进行现场的电气安全检查,并排除安全隐患。
七、防火防爆施工1.根据相关规定,进行防火隔离和防爆处理。
2.安装火灾报警设备和灭火设备,并进行相关测试和调试。
3.设置必要的防火安全通道和出口。
4.对锅炉及周边区域进行防火防爆漆刷和涂覆。
八、环境保护1.严格按照相关环保要求进行施工。
2.配备必要的环保设备,如除尘设备、废气处理设备等。
3.合理安排施工顺序,减少对环境的影响和污染。
九、施工验收1.进行施工的质量检查和验收,确保符合设计要求和相关规范。
2.编制并提交施工报告和验收报告。
印染有限公司20t/h燃煤工业锅炉脱硫脱硝工程设计方案目录第一章项目概况 (1)第二章工程设计 (1)2.1设计原则 (1)2.2设计范围 (2)2.3设计参数 (2)2.4设计标准 (2)2.5设计指标 (3)第三章设计依据 (4)3.1生产情况 (4)3.2相关技术标准 (4)3.3废气成分 (4)3.4废气性质 (4)3.5废气排放量 (5)3.5.1 燃煤量计算 (5)3.5.2烟气量的计算 (5)3.5.3 SO2的排放量 (6)3.5.4 锅炉及烟气的设计参数 (7)3.6废气处理系统排放标准 (7)第四章工艺路线 (8)4.1工艺流程 (8)4.1.1总工艺流程 (8)4.1.2脱硫工艺 (8)4.1.3脱硝工艺 (9)4.2废气处理工艺说明 (12)4.2.1脱硫处理工艺说明 (12)4.2.2吸收塔设计计算 (13)4.2.3脱硝处理工艺说明 (16)第五章主要设备及构建物 (20)5.1主要设备 (20)5.2主要构建物 (21)第六章施工要求 (22)6.1施工要求 (22)6.2施工进度 (22)第七章环境保护、劳动卫生、工业安全、消防及排水部分 (23)7.1 环境保护 (23)7.2 劳动卫生及工业安全 (23)7.2.1 工业安全防护措施 (23)7.2.2劳动保护措施 (23)7.3 消防及排水部分 (24)第八章技术经济分析及主要技术经济指标 (24)8.1各原料消耗量 (24)1、石灰石用量 (24)2、原煤消耗量 (24)3、用电量见下表8-1 (24)8.2烟气净化系统年运行费用分析 (25)8.2.1运行费用估算 (25)8.2.2经济效益评估 (25)8.3主要技术经济指标 (26)8.4投资估算 (26)8.5生产管理和人员编制 (27)第九章结论 (27)第一章项目概况某某印染企业有自备20t/h燃煤工业锅炉一台,目前除配备布袋除尘器以外,尚无安装脱硫脱硝装置。
开封制药(集团)有限公司SHL20—1.25—A11锅炉安装施工方案编制单位:河南洪峰建筑安装有限公司编制日期:2013年4月日目录一、工程概况1、概况2、工程内容二、工程规范三、施工组织机构1、机构设置2、项目经理四、施工准备1、施工准备2、临时施工用水3、临时施工用电五、主要施工方法1、设备的到货和验收2、基础检查和划线3、钢架安装4、锅筒、集箱和受热面管5、焊接6、炉排安装7、省煤器、空气预热器安装8、炉墙砌筑9、管道安装10、水压试验11、烘、煮炉及试运行措施六、机械设备与劳动力计划1、机械设备计划2、劳动力计划七、质量保证体系及措施八、安全文明施工措施九、保修回访维修措施一、工程概况1.工程名称:2.建设单位:3.设计单位:4.设备型号及参数锅炉型号:SHL20-1.25—AⅡ燃烧形式(链条炉排锅炉)层燃额定蒸发量:20T/H额定工作压力:1。
25Mpa给水温度:104℃设计燃料:Ⅱ类烟煤二、工程规范1.工程执行的标准及规范规程:1)工程设计图纸及设计说明2)锅炉安装工程施工及验收规范(GB50273—2009)3)机械设备安装工程施工及验收通风规范(GB50231—2002)4)工业管道焊接工程施工及验收规范(GB50236-2002)5)连续输送设备安装工程施工及验收规范(GB50270-2002)6)工业设备及管道绝热工程质量检验评定标准(GB50185—2002)7)其它要求执行的锅炉安装规范、规定.三、施工组织机构本工程由于施工工期较短,项目虽小但工艺要求较高,技术难度较大,立体交叉作业较多,为此必须组织一个精干,高效、高水平的项目班子,选调一只技术过硬的施工队伍。
1、机构设置项目部设一名经理,一名副经理,下设:工程管理组、经营核算组、物资供应组、质量安全组及综合组.设一个施工队.四、施工准备1、施工准备1)合同签订后立即组织图纸学习,进行图纸会审,详细记录图纸中存在的问题,并及时解决。
20t燃煤锅炉烟气的除尘、脱硫、脱硝、脱汞工艺方案一直被模仿从未被超越设备参数及报价第一章概述一、项目概述锅炉烟气中所含粉尘(包括飞灰和炭黑)、硫和氮的氧化物、汞的化合物都是污染大气的物质,未经净化时其排放指标可达到环境保护规定指标的几倍到数十倍。
控制这些物质排放的措施有燃烧前处理、改进燃烧技术、除尘、脱硫、脱硝脱汞等。
借助高烟囱只能降低烟囱附近地区大气中污染物的浓度,而安装一体化除尘器是很好的烟气治理方式。
二、设计标准1、设计依据1)、GB13271-2001 锅炉大气污染物排放标准2)、GB50058-92 爆炸和火灾危险环境电力装置设计规范3)、JGJ46-88 施工现场临时用电安全技术规范4)、JBJ18-2000 机械工业职业安全卫生设计规定5)、JBJ16-2000 机械工业环境保护设计规定6)、GB5023-98 机械设备安装工程施工及验收通用规范7)、GB50150-91 电气装置安装工程电气设备交接试验标准2、历次锅炉大气污染物排放标准对比mg/m33、烟尘经过湿式一体化除尘器后排放的大气污染物严于GB13271-2001,其排放限值不超过GB13271(征集)中的限值第二章设计原始资料1.煤的工业分析如下表(质量比,含N量不计):2.锅炉:20t/h(蒸发量)3.锅炉热效率:75%4.空气过剩系数:1.25.水的蒸发热:2570.8KJ/Kg6.烟尘的排放因子:30%7.烟气温度:473K8.烟气密度:1.18kg/m39.烟气粘度:2.4X10-5 pa·s10.尘粒密度:2250kg/m311.烟气其他性质按空气计算12.烟气中烟尘颗粒粒径分布:13.按锅炉大气污染物排放标准(GB13217(征集))标准执行:标准状态下烟尘浓度排放标准:≤80mg/m3;标准状态下SO2排放标准:≤400mg/m3;标准状态下氮氧化物排放标准:≤400mg/m3;标准状态下汞的化合物排放标准:≤0.05mg/m3;2.设计方案的选择确定2.1除尘系统的论证选择(1)锅炉烟气含尘、含硫量计算利用低位发热量、锅炉热效率、水的蒸发热求需煤量9.0 18.12.31.7%3.265.720939水分灰分OSHC低位发热蒸发量为20t/h 的锅炉所需热量为需煤量设1kg 燃煤时理论烟气量:62.56+62.56×0.79/0.21=297.9 (mol/kg) 在标准状态下的体积为:297.9×22.4×10-3=6.67 (m 3/kg) 理论废气量:62.56×0.79/0.21+54.75+16+0.53+5=311.62mol/kg 在标准状态下理论废气体积:311.62×22.4×10-3=6.98 (m 3) 在标准状态下实际烟气体积:6.98+6.67×(1.2-1)=8.31 (m 3) SO2的浓度:C=4082 mg/m 3 烟尘的浓度:C=6534 mg/m 3在473T 时实际烟气量: Q=47951 m 3/h (2)烟尘的除尘效率计算按锅炉大气污染物排放标准(GB13217(征集)),可以计算出 烟尘的除尘效率要达到:≧98.8﹪ (3) SO 2 的脱硫效率计算按锅炉大气污染物排放标准(GB13217(征集)),计算出SO 2 的脱硫效率要达到:≧90.3﹪(4)根据锅炉大气污染物排放标准(GB13217(征集)),得知一般情况下锅炉的h KJ /104.5110208.257063⨯=⨯⨯()ht h Kg /3.3/103.3%7520939104.5136=⨯=⨯⨯氮氧化物排放值不高于400mg/m3,那么脱硝效率要达到:≥25%(5)静电除尘器可脱除30%的汞,布袋除尘器可脱除70%的汞,湿法脱硫装置可脱除90%的汞,一般情况下布袋除尘器可脱出70%即可达标。
燃气锅炉的价格与以下几个因素有关:1、锅炉结构:卧式三回程结构和一体冷凝结构锅炉价格不同2、锅炉吨位:吨位越大,价格越高3、锅炉辅机配置:燃气锅炉辅机配置包括:燃烧器、控制柜、节能器、冷凝器、水泵、水处理、烟囱烟道、阀门仪表等,不同的辅机选择,锅炉价格不同。
4、安装和运输:不同地区价格不同20吨燃气蒸汽锅炉,多用在大型企业生产中,可以为食品、化工、包装、建材、纺织、印染、制药等工业企业提供生产用汽。
20吨燃气蒸汽锅炉技术参数:锅炉型号:WNS20-1.25-Q锅炉形式:卧式额定蒸发量:20t/h额定蒸汽压力:1.25Mpa额定蒸汽温度:194℃锅炉热效率:92%燃料耗气量:1400m³/h是否提供配套辅机:如有需求可提供配套辅机适用燃料:天然气、液化气、城市煤气、瓦斯气及焦炉煤气等WNS型燃气蒸汽锅炉,为卧式三回程湿背式结构设计,该系列锅炉为快装出厂。
出厂时由三大部分组成;锅炉主机、烟囱及管路系统,其中主机和烟囱部分已在厂内制造完毕,主机所配套的管路阀门、仪表已随机装妥,运至现场将主机和烟囱组装即可。
现场接通气源、电源、水管路即可试车。
大大缩短了安装周期,且可保证产品质量。
1、锅炉设计性能先进。
该锅炉主机属整体结构,燃烧器装配在前烟箱盖上,本体主要布置受热面和燃烧室部分。
2、波形炉胆和螺纹烟管等强化传热元件的应用,不仅强化传热效果,还有效吸收炉体的热胀冷缩。
3、水循环简单,受压部件结构合理,在保证水质的情下,可以安全运行。
4、配套辅机齐全,综合技术性能先进。
5、配置有防爆门,泄压后自动回弹,确保锅炉安全性。
6、304不锈钢外包装,重量较轻,保温性能好,美观大方,不易锈蚀。
**机车车辆厂锅炉施工方案一.工程概况及施工要点:(一)概况:**机车车辆厂计划新建一座四台SHL20-13/AⅡ容量的锅炉房,锅炉房由厂方设计,锅炉本体由杭州锅炉厂生产,锅炉外型尺寸为14。
5x7.25x11。
6米(长*宽*高)锅炉主要技术参数:额定蒸发量20t/h工作压力:额定压力:1.27MPa;给水温度:105℃;试验压力:18。
125Mpa;锅筒工作压力:14。
5kgf/cm2由于资金问题,该厂决定整个工程分两期进行,第一期工程安装2台锅炉,预计1990年11月30日点火送汽,二期工程待资金充裕再作决定工作量(以1台锅炉计算)(1)锅炉钢架组装、平台、扶梯安装;(2)上下锅筒吊装、各集箱安装;(3)对流管束水冷壁、省煤器、过热器、下降管安装;(4)炉排安装、空气预热器安装;(5)冷风管、热风管制作安装;(6)附机安装;.(7)本体管路及阀件安装;(8)仪表安装、电气设备安装。
(二)施工特点:(1)锅炉属压力容器。
工作时具有较高的工作压力.这就决定了锅炉安装不同于一般的机械设备安装,因此在锅炉安装过程中,树立“质量第一、层层把关"的思想。
(2)锅炉安装中转动设备占的比例较大,对管、箱、锅筒内壁洁净度要求高,这就要求在锅炉安装过程中注重文明施工,不乱施垃圾,特别在锅筒内进行胀管操作的更应注意保持锅筒内清洁,口朝上的法兰管口,要用纸板堵上,防止杂物进入。
(3)锅炉部件的材料较多,受热工作时膨胀程不同。
若安装结构上有问题,在受热工作时很可能由于不能自由膨胀而使结构损坏,故锅炉安装时一定要弄清各部结构,按图施工,特别是锅筒、钢架的安装一定严格按规范、图纸要进行。
(4)对流管胀接是锅炉安装中的重要关键工序,故在操作时要严格按成熟的胀管工艺进行。
(5)锅炉安装在锅炉房内进行,施工场地窄小,施工工种多,这就要求在施工中尽量采取交叉作业、平行作业、流水作业的方法进行施工,合理安排人工、机具使施工有条不紊地进行。
20吨燃煤蒸汽锅炉技术方案
燃煤蒸汽锅炉控制方案
燃煤蒸汽锅炉控制器技术方案一、设计依据和原则
依据锅炉监控系统的设计要求,按照自控装置系统必须科学、合理、成熟、安全可靠、稳定、可扩展以及性价比高的原则进行设计,并符合《自动化控制工程规范国家标准》和《计算机软件工程规范国家标准》的要求以及国标《压力容器安全规范》。
二、模拟量采集说明:
主要记录参数:汽包水位检测、蒸汽压力、炉膛压力、给水流量、蒸汽流量、省煤器前后温度、炉膛温度、烟道温度;
三、硬件说明
1.鼓、引风机,给水泵采用ABB变频器;
2.显示控制仪表采用香港昌辉仪表;
3. 电器元器件采用正泰产品;
4. 给水系统采用三冲量控制;
5(引风机采用PID自动控制;
6(鼓风机控制采用人工给定。
四、控制对象属性
控制对象:燃煤蒸汽锅炉SZL20-1.25-AII
控制方式:锅炉蒸汽压力控制
压控范围:0-1.25MPa
五、燃煤蒸汽锅炉控制
1(手动控制
在硬件手动状态下,可以直接对各负载设备进行操作,当发生一般故
燃煤蒸汽锅炉控制方案障,仪表作相应指示,发生汽包超压、汽包水位极低等严重故障时,仪表显示故障部位,同时自动切断电源,音响报警提示操作者,保证系统安全运行。
2.自动控制
?鼓引风机连锁,先启动引风机再启动鼓风机、炉排;停止时先停止鼓风机再停止引风机、炉排。
?引风机PID控制:引风机根据炉膛负压变频控制,炉膛压力增大引风机频率增加,炉膛压力减小引风频率减小.
?锅炉给水三冲量控制:根据汽包液位、给水流量、蒸汽流量调节给水变频器。
3(系统分测试和运行功能。
六、故障报警及保护
1)(汽包压力超高保护
锅炉汽包压力大于设定的汽包压力时,进入连锁鼓引风机及炉排,声光报警。
故障指示“汽包压力超高故障”,同时显示“蒸汽压力值”,故障排除后,经复位才能重新正常工作。
2)( 锅炉缺水保护
锅内水位低于警戒水位时,进入连锁鼓引风机及炉排,并声光报警。
故障显示“锅炉水位超低限”。
故障消除后,经复位才能重新正常工作。
3)( 烟道温度超温保护
当烟道温度超过设定值时,进入连锁鼓引风机及炉排,故障显示“锅炉排烟温度超高限”,同时显示“排烟温度值”故障排除后自动复位。
4)炉膛压力超高报警
燃煤蒸汽锅炉控制方案当炉膛的压力超过设定的压力值时,声光报警提示但不连锁设备。
5)(设备上不参与控制的传感器故障(温度、压力、流量) 当传感器出现问题,故障显示并声报警,不连锁设备。