第三讲:风荷载(8课时)
- 格式:ppt
- 大小:18.09 MB
- 文档页数:98
3。
1。
3 风荷载建筑物受到得风荷载作用大小,与建筑物所处得地理位置、建筑物得形状与高度等多种因素有关,具体计算按照《荷载规范》第7章执行。
1、风荷载标准值计算垂直于建筑物主体结构表面上得风荷载标准值W K,按照公式(3。
1-2)计算:βz—-高度Z处得风振系数,主要就是考虑风作用得不规则性,按照《荷载规范》7、4要求取值。
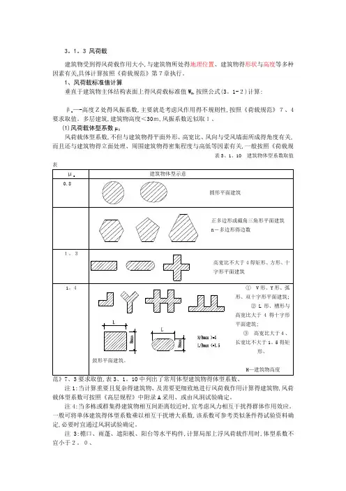
多层建筑,建筑物高度<30m,风振系数近似取1、(1)风荷载体型系数µS风荷载体型系数,不但与建筑物得平面外形、高宽比、风向与受风墙面所成得角度有关,而且还与建筑物得立面处理、周围建筑物得密集程度与高低等因素有关,一般按照《荷载规表3、1、10 建筑物体型系数取值表注1:当计算重要且复杂得建筑物、及需要更细致地进行风荷载作用计算得建筑物,风荷载体型系数可按照《高层规程》中附录A采用、或由风洞试验确定。
注4:当多栋或群集得建筑物相互间距离较近时,宜考虑风力相互干扰得群体作用效应。
一般可将单体建筑得体型系数乘以相互干扰增大系数,该系数可参考类似条件得试验资料确定,必要时宜通过风洞试验确定。
注3:檐口、雨蓬、遮阳板、阳台等水平构件,计算局部上浮风荷载作用时,体型系数不宜小于2。
0、注4:验算表面围护结构及其连接得强度时,应按照《荷载规范》7。
3.3规定,采用局部风压力体型系数、(2)风压高度变化系数µz设置风压高度变化系数,主要就是考虑建筑物随着高度得增加风荷载得增大作用。
对于位于平坦或稍有起伏地形上得建筑物,其风压高度变化系数应根据场地粗糙程度按《荷载规范》7.2要求选用,表3。
1。
11中列出了常用风压高度变化系数得取值要求。
表 3.1、11 风压高度变化系数关于地面粗糙程度得分类:A 类:近海海面、海岛、海岸、湖岸及沙漠地区;B类:田野、乡村、丛林、丘陵以及房屋比较稀疏得乡镇与城市郊区; C 类:有密集建筑群得城市市区;D 类:有密集建筑群与且房屋较高得城市市区、(3)基本风压值W 0基本风压值W 0,单位k N/m 2,以当地比较空旷平坦场地上离地10m高、统计所得50年一遇10分钟平均最大风速为标准确定得风压值,各地得基本风压可按照《荷载规范》附录D中得全国基本风压分布图查用,表3、1、12为浙江省主要城镇基本风压取值参考表。
风荷载计算方法与步骤 The document was finally revised on 20211 风荷载当空气的流动受到建筑物的阻碍时,会在建筑物表面形成压力或吸力,这些压力或吸力即为建筑物所受的风荷载。
1.1 单位面积上的风荷载标准值建筑结构所受风荷载的大小与建筑地点的地貌、离地面或海平面高度、风的性质、风速、风向以及高层建筑结构自振特性、体型、平面尺寸、表面状况等因素有关。
垂直作用于建筑物表面单位面积上的风荷载标准值ωk (KN/m2)按下式计算:ωk =βz μs μz ω0风荷载标准值(kN/m 2)=风振系数×风荷载体形系数×风压高度变化系数×基本风压1.1.1 基本风压ω0按当地空旷平坦地面上10米高度处10分钟平均的风速观测数据,经概率统计得出50年一遇的最大值确定的风速v 0(m/s),再考虑相应的空气密度通过计算确定数值大小。
按公式 ω0=12ρv 02确定数值大小,但不得小于m 2,其中ρ的单位为t/m3,ω0单位为kN/m 2。
也可以用公式ω0=11600v 02计算基本风压的数值,也不得小于m2。
1.1.2 风压高度变化系数μZ风压高度变化系数在同一高度,不同地面粗糙程度也是不一样的。
规范以B 类地面粗糙程度作为标准地貌,给出计算公式。
μZX=(H tB 10)2αB (10H tX )2αX (Z 10)2αXμZA =1.248(Z 10)0.24μZB =1.000(Z 10)0.30μZC =0.544(Z 10)0.44μZD =0.262(Z )0.601.1.3 风荷载体形系数μS1)单体风压体形系数(1)圆形平面μS =0.8;(2)正多边形及截角三角平面μS =0.8+√n,n 为多边形边数;(3)高宽比HB≤4的矩形、方形、十字形平面μS=1.3;(4)V形、Y形、L形、弧形、槽形、双十字形、井字形、高宽比HB>4的十字形、高宽比H B >4,长宽比LB≤1.5的矩形、鼓形平面μS=1.4;(5)未述事项详见相应规范。
第3章风荷载wind load1997年第11号台风近中心最大风速54m/s,远远超过12级风36.9m/s的风速,8级以上大风风圈半径5003.1 风的有关知识3.1.1风的形成由于地球表面各处的温度、气压变化,气流就会从压力高处向压力低处运动,把热量从热带向两极输送,因此形成不同方向的风,并伴随不同的气象变化。
台风Typhoon夏季,当东北风和西南风在热带海洋上交汇,就会形成一个小的漩涡,这个漩涡形成后,不断吸收热带地区海洋的大气热量,形成热带气旋。
它一边吸收水蒸气,一边飞速地旋转,强度也不断加强,形成热带风暴、强热带风暴乃至台风。
多个台风生成,台风一般生成在热带洋面上,它属于热带气旋的一个种类。
季风seasonal wind主要是因海陆间热力环流的季节变化。
夏季大陆增热比海洋剧烈,气压随高度变化慢于海洋上空,所以到一定高度,就产生从大陆指向海洋的水平气压梯度,空气由大陆指向海洋,海洋上形成高压,大陆形成低压,空气从海洋海向大陆,形成了与高空方向相反气流,构成了夏季的季风环流。
冬季大陆迅速冷却,海洋上温度比陆地要高,因此大陆为高压,海洋上为低压,低层气流由大陆流向海洋,高层气流由海洋流向大陆,形成冬季的风力等级风力等级名称海面大概的波高(米)海面和渔船征象陆上地物征象相当于平地十米高处的风速(米/秒)一般最高范围中数0无风--海面平静静、烟直上0.0-0.201软风0.10.1微波鱼磷状,没有浪花.一般渔船正好能使舵.烟能表示风向,树叶略有摇动。
0.3-1.512轻风0.20.3小波,波长尚短,但波形显著,波峰光亮但不破裂.人面感觉有风,树叶微响,旗子开始飘动。
1.6-3.323微风0.6 1.0小波加大,波峰开始破裂;浪沫光亮,有时有散见的白浪花树叶及小枝摇动不息,旗子展开,高的草摇动不息。
3.4-5.444和风 1.0 1.5小浪,波长变长;白浪成群出现.能吹起地面灰尘和纸张,树枝摇动,高的草呈波浪起伏5.5-7.975清劲风 2.0 2.5中浪,具有较显著的长波形状;许多白浪形成.有叶的小树摇摆,内陆的水面有小波,高的草波浪起伏明显8.0-10.796强风 3.0 4.0轻度大浪开始形成,到处都有更大的白沫峰.有时有飞沫.大树枝摇动,电线呼呼有声,高的草不时倾伏于地.10.8-13.8127疾风 4.0 5.5轻度大浪,碎浪而成白浪沫沿风向呈条状全树摇动,大树枝弯下来,迎风步行感觉不便.13.9-17.1168大风 5.57.5有中度的大浪,波长较长,波峰边缘开始破碎成飞沫片.可折毁小树枝,人迎风前行感觉阻力甚大.17.2-20.7199烈风7.010.0狂浪,沿风向白沫呈浓密的条带状,波峰开始翻滚.草房遭受破坏,屋瓦被掀起,大树枝可折断.20.8-24.42310狂风9.012.5狂涛,波峰长而翻卷;白沫成片出现,整个海面呈白色.树木可被吹倒,一般建造物遭破坏.24.5-28.42611暴风11.516.0异常狂涛,海面完全被白沫片所掩盖,波浪到处破成泡沫.大树可被吹倒,一般建造物遭严重破坏.28.5-32.63112飓风14.0-空中充满了白色的浪花和飞沫,海面完全变白.陆地少见,其摧毁力很大.>32.6333.2 风压(1)风压:气流遇到建筑物的阻碍产生压力气幕,即风压。
欢迎共阅1 风荷载当空气的流动受到建筑物的阻碍时,会在建筑物表面形成压力或吸力,这些压力或吸力即为建筑物所受的风荷载。
1.1 单位面积上的风荷载标准值建筑结构所受风荷载的大小与建筑地点的地貌、离地面或海平面高度、风的性质、风速、风向以及高层建筑结构自振特性、体型、平面尺寸、表面状况等因素有关。
垂直作用于建筑物表面单位面积上的风荷载标准值(KN/m2)按下式计算:1.1.1基本风压按当地空旷平坦地面上50年一遇按公式 其中的单位为,kN/m 2。
也可以用公式1.1.2 风压高度变化系数风压高度变化系数在同一高度,不同地面粗糙程度也是不一样的。
规范以粗糙度类别场地确定之后上式前两项为常数,于是计算时变成下式:1.1.3风荷载体形系数1)单体风压体形系数(1)圆形平面;(2)正多边形及截角三角平面,n为多边形边数;(3)高宽比的矩形、方形、十字形平面;(4)V形、Y形、L形、弧形、槽形、双十字形、井字形、高宽比的十字形、高宽比,长宽比的矩形、鼓形平面(5)未述事项详见相应规范。
23檐口、雨棚、遮阳板、阳台等水平构件计算局部上浮风荷载时,不宜小于1.1.4米且高宽比的房屋,以及自振周期虑脉动风压对结构发生顺向风振的影响。
且可忽略扭转的结构在高度处的风振系数○1g为○2R为脉动风荷载的共振分量因子,计算方法如下:为结构阻尼比,对钢筋混凝土及砌体结构可取;为地面粗糙修正系数,取值如下:为结构第一阶自振频率(Hz);高层建筑的基本自振周期可以由结构动力学计算确定,对于较规则的高层建筑也可采用),B为房屋宽度(m)。
○3对于体型和质量沿高度均匀分布的高层建筑,、为系数,按下表取值:为结构第一阶振型系数,可由结构动力学确定,对于迎风面宽度较大的高层建筑,当剪力墙和框架均其主要作用时,振型系数查下表,其中H为结构总高度,结构总高度小于等于梯度风高度。
为脉动风荷载水平、竖直方向相关系数,分别按下式计算:B。