仪器设备验收报告模板3篇范文
- 格式:doc
- 大小:13.35 KB
- 文档页数:5
仪器设备验收报告模板3篇范文仪器设备的验收是保证医院医疗仪器设备质量的第一步。
验收的程序是否有序、完整关系着验收结果是否合格。
本文是我为大家整理的仪器设备验收报告模板,仅供参考。
仪器设备验收报告模板篇一设备名称 ______________________规格、型号______________________使用单位_______________________验收负责人 _______________________年月日验收报告_____________于____年____月____日购买______________的____________仪器(或设备),价值_________,合同号是__________。
该设备于____年____月____日到货。
经供货方______来校安装调试。
各项指标,均达到合同要求,运行至今,设备一切正常,性能良好,验收合格。
特此说明。
订购单位(盖章) 验收人:年月日仪器设备验收报告模板篇二设备经费来源:合同金额:供货商:一.实物清单及技术指标二.验收记录安装调试完毕后,对设备进行测试和实验的详细验收记录如下:设备A验收记录1、操作步骤与方法2、操作结果设备B验收记录1、操作步骤与方法2、操作结果……(每类设备需单独给出验收记录)三.验收结论:通过上述测试和实验证明,XXX等设备数量与合同一致,且性能良好,运行正常,各项技术指标达到标准,符合相关实验要求,验收合格。
四.验收人签字 XX学院:XX学院:XX学院:供应商:实验室及设备管理处:监察处、审计处:计划财务处:学科发展与建设处(211项目、985项目需此栏)五.验收时间年月日仪器设备验收报告模板篇三项目名称:合同编号:验收报告承制单位:使用单位:日期:设备验收报告用户单位:xxxxxxxxxxxxx供货单位:xxxxxxxxxxx验收日期:验收地点:一、设备内容:二、验收情况:用户单位(签字)盖章:供货单位(签字)盖章:验收组成员:验收组成员:验收日期:年月日验收日期:年月日 (附整套设备组件清单) 附一:设备组件清单表。
仪器设备验收报告模板3篇范文仪器设备的验收是保证医院医疗仪器设备质量的第一步。
验收的程序是否有序、完整关系着验收结果是否合格。
*是小编为大家整理的仪器设备验收报告模板,仅供参考。
仪器设备验收报告模板篇一设备名称______________________规格、型号______________________使用单位_______________________验收负责人_______________________年月日验收报告_____________于____年____月____日购买______________的____________仪器(或设备),价值_________,合同号是__________。
该设备于____年____月____日到货。
经供货方______来校安装调试。
各项指标,均达到合同要求,运行至今,设备一切正常,性能良好,验收合格。
特此说明。
订购单位(盖章) 验收人:年月日仪器设备验收报告模板篇二设备经费合同金额:供货商:一.实物清单及技术指标二.验收记录安装调试完毕后,对设备进行测试和实验的详细验收记录如下:? 设备A验收记录1、操作步骤与方法2、操作结果? 设备B验收记录1、操作步骤与方法2、操作结果……(每类设备需单独给出验收记录)三.验收结论:通过上述测试和实验证明,___等设备数量与合同一致,且性能良好,运行正常,各项技术指标达到标准,符合相关实验要求,验收合格。
四.验收人签字__学院:__学院:__学院:供应商:实验室及设备管理处:监察处、审计处:计划财务处:学科发展与建设处(211项目、985项目需此栏)五.验收时间年月日仪器设备验收报告模板篇三项目名称:合同编号:验收报告承制单位:使用单位:日期:设备验收报告用户单位:_____________供货单位:___________验收日期:验收地点:一、设备内容:二、验收情况:用户单位(签字)盖章:供货单位(签字)盖章:验收组成员:验收组成员:验收日期:年月日验收日期:年月日(附整套设备组件清单) 附一:设备组件清单表仪器设备验收报告模板3篇范文。
验收报告范文精彩8篇验收报告模板篇一用户单位:中交二航望东大桥科研试桩项目部供货单位:芜湖大江测绘仪器经营部交货日期:20xx年11月30日交货地点:芜湖一、设备内容:二、验收情况:用户单位盖章:验收成员:验收日期:20xx 年12月2日附:整套设备清单附一:设备清单表仪器设备验收报告单仪器设备验收报告设备名称:规格型号:仪器编号:验收人:验收日期:填表说明1、凡单价在5万元以上(含5万元)的仪器设备或一次性批量购买的仪器设备验收时必须填写此报告。
2、仪器设备到货,由厂家送货员、购买人员、办公室负责人、仪器设备管理人员,依据及装箱单对仪器设备进行开箱验收,对内外包装、外观及实物进行验收清点,并做好验收记录。
3、安装调试完毕,由院技术人员和生产厂家的。
安装调试人员依据合同、技术协议及使用说明书的要求进行测试验收,必要时请有关专家或专业测试机构进行测试,并做好技术测试验收记录。
4、本验收报告是仪器设备档案的重要组成部分,列为长期保管范围。
5、此报告须打印或用钢笔、碳素笔填写,字迹工整、清晰,否则无效。
6、此报告在设备到货日期七日内验收填报,若有特殊情况,使用部门则应有文字报告说明原因,报办公室、检测中心。
附件1检测数据及图表(大型精密仪器)附件2仪器设备外型照片(大型精密仪器)验收报告篇二20xx年xx月合黎乡妇女小额担保贷款工作正式启动,合黎乡党委、政府高度重视,精心安排部署,成立了由政府乡长任组长的妇女小额担保贷款工作领导小组,形成了乡、村、社三级联动和政府主导、妇联配合、多方协作的联动机制,有力地推动了妇女创业就业、农民增收和各项重点工作落实。
20xx年9月19日-30日,乡妇女小额担保贷款工作领导小组办公室组织财政所、农技站、林业站、畜牧站和合作银行等成员单位,按照《高台县农村妇女小额担保贷款项目检查验收办法》要求,对本乡贷款到期农户逐个进行检查,现就自查验收情况总结如下:一、基本情况合黎乡共10个行政村,总人口10650人,其中女性5214人。
设备验收报告模板4篇_机械设备验收报告格式企业对购入新设备及大修改造设备在验收时需对加工能力进行评定。
今天小编在这里给大家推荐一些验收报告模板,欢迎大家围观参考,想了解更多,欢迎来到。
设备验收报告1用户单位:供货单位:交货地点:交货日期:一、设备内容:二、验收情况:用户单位盖章供货单位盖章验收人签字:验收人签字:设备验收报告2验收报告_____________于____年____月____日购买______________的____________仪器(或设备),价值_________,号是__________。
该设备于____年____月____日到货。
经供货方______来校安装调试。
各项指标,均达到合同要求,运行至今,设备一切正常,性能良好,验收合格。
特此说明。
订购单位(盖章) 验收人:年月日设备验收报告3XXX等设备验收报告设备经费来源:合同金额:供货商:一.实物清单及技术指标二.验收记录安装调试完毕后,对设备进行测试和实验的详细验收记录如下: 设备A验收记录1、操作步骤与方法2、操作结果设备B验收记录1、操作步骤与方法2、操作结果……(每类设备需单独给出验收记录)三.验收结论:通过上述测试和实验证明,XXX等设备数量与合同一致,且性能良好,运行正常,各项技术指标达到标准,符合相关实验要求,验收合格。
四.验收人签字 XX学院:XX学院:XX学院:供应商:实验室及设备管理处:监察处、审计处:计划财务处:学科发展与建设处(211项目、985项目需此栏)五.验收时间设备验收报告4用户单位:供货单位:验收日期:验收地点:一、设备内容:二、验收情况:用户单位(签字)盖章:供货单位(签字)盖章:验收组成员:验收组成员:验收日期:年月日验收日期:年月日。
设备验收报告一、设备名称:型数控机床验收日期:2023年3月15日验收地点:公司生产车间验收小组:由生产部、技术部、质量部等部门组成的验收小组验收依据:《设备验收标准》验收内容:1. 设备外观检查:设备外观无损伤、无锈蚀,各部件安装牢固,表面油漆完好。
2. 设备功能测试:设备各功能正常,操作方便,数控系统运行稳定。
3. 设备精度测试:设备加工精度符合设计要求,各轴定位精度、重复定位精度均在允许范围内。
4. 设备电气安全检查:设备电气线路布局合理,接线牢固,接地良好,无漏电现象。
5. 设备噪音、振动检查:设备运行过程中噪音、振动均在允许范围内。
验收结论:该设备符合设计要求,各项性能指标均达到预期目标,具备投产条件。
建议尽快办理相关手续,投入使用。
二、设备名称:型注塑机验收日期:2023年4月10日验收地点:公司生产车间验收小组:由生产部、技术部、质量部等部门组成的验收小组验收依据:《设备验收标准》验收内容:1. 设备外观检查:设备外观无损伤、无锈蚀,各部件安装牢固,表面油漆完好。
2. 设备功能测试:设备各功能正常,操作方便,液压系统运行稳定。
3. 设备精度测试:设备加工精度符合设计要求,注塑压力、速度等参数均在允许范围内。
4. 设备电气安全检查:设备电气线路布局合理,接线牢固,接地良好,无漏电现象。
5. 设备噪音、振动检查:设备运行过程中噪音、振动均在允许范围内。
验收结论:该设备符合设计要求,各项性能指标均达到预期目标,具备投产条件。
建议尽快办理相关手续,投入使用。
三、设备名称:型激光切割机验收日期:2023年5月8日验收地点:公司生产车间验收小组:由生产部、技术部、质量部等部门组成的验收小组验收依据:《设备验收标准》验收内容:1. 设备外观检查:设备外观无损伤、无锈蚀,各部件安装牢固,表面油漆完好。
2. 设备功能测试:设备各功能正常,操作方便,激光器运行稳定。
3. 设备精度测试:设备加工精度符合设计要求,切割速度、精度等参数均在允许范围内。
仪器设备验收报告模板3篇仪器设备验收报告模板3篇合同金额:供货商:一.实物清单及技术指标二.验收记录安装调试完毕后,对设备进行测试和实验的详细验收记录如下:设备A验收记录1、操作步骤与方法2、操作结果设备B验收记录1、操作步骤与方法2、操作结果三.验收结论:通过上述测试和实验证明,XXX等设备数量与合同一致,且性能良好,运行正常,各项技术指标达到标准,符合相关实验要求,验收合格。
四.验收人签字 XX学院:XX学院:XX学院:供应商:实验室及设备管理处:监察处、审计处:计划财务处:学科发展与建设处五.验收时间201X年X月X日仪器设备验收报告模板三:项目名称:合同编号:验收报告承制单位:使用单位:日期:设备验收报告用户单位:xxxxxxxxxxxxx供货单位:xxxxxxxxxxx验收日期:验收地点:一、设备内容:二、验收情况:用户单位盖章:供货单位盖章:验收组成员:验收组成员:验收日期:201X年X月X日验收日期:201X年X月X日附一:设备组件清单表附送:仪表工程师工作总结范文仪表工程师工作总结范文仪表工程师工作总结一 xx年是我在公司工作的第三年,在这三年里随着公司在不断的发展和壮大我个人也从一个不知所谓的棱头青逐渐的变的成熟,从一个对平衡机毫无了解的门外汉变成一个熟悉平衡机原理熟悉公司各种产品的专业技术人员,而且在对部门的管理和与人沟通方面我也有了更深层次的认识,我深知我取得的这些进步和公司领导的培养是分不开的。
没有他们不厌其烦的教导和一次次的给予机会我不会取得今天的进步,展望xx年是机遇和挑战并存的一年,我将团在公司领导核心周围,努力工作,艰苦奋斗,为公司向更高层次发展做出自己的贡献。
回首xx初,虽然在xx年公司取得了可喜的成果,但是公司领导并没有沾沾自喜,反而为xx年制定了更高的目标。
我也在经过短暂的调整之后马上进入自己的角色,当时按照领导的指示,我负责研发部管理和电气车间生产管理的工作。
设备工程验收报告范文(精选10篇)设备验收报告篇一1、操作步骤与方法2、操作结果……(每类设备需单独给出验收记录)三。
验收结论:通过上述测试和实验证明,___等设备数量与合同一致,且性能良好,运行正常,各项技术指标达到标准,符合相关实验要求,验收合格。
四。
验收人签字__学院:__学院:__学院:供应商:实验室及设备管理处:监察处、审计处:计划财务处:学科发展与建设处(211项目、985项目需此栏)五。
验收时间年月日设备验收报告篇二本工程,自开工以来,在上级领导、质监站、建设单位、设计单位、监理单位及有关部门的大力支持下,通过全体参建员工的努力和辛勤劳动,工程于20__年12月21日通过了五方主体预验收工作,并完成了有关问题的质量整改闭合,现消防工程已具备竣工验收条件,下面就工程具体情况汇报如下:一、工程概况:1、____________与广场路交叉口,南邻广场路,北邻飞鹏巷,西朝信河街,东邻居民区。
属居民集中区域,为消防重点控制单位,本工程建筑物为地下一层、地上十八~二十二层,独立裙房二层组成。
总建筑面积为40192m2,地下部分5252.34m2.总建筑高度分别为:64.3m、70.30m、80.90m、9.30m。
一层层高为4.50m、二层层高为4.80m,三层层高为4.50m;地下室一层高度分别为:机动车库5.60m;设备房4.80m非机动车库3.80m。
地下事室主要有两个消防通道口,设计容量为400m3的消防水池及设计容量为18m3的喷淋专用水池、消防排烟风机房、自备发电房等设备房,地上二层~三层商场部分设置有两座消防楼梯。
屋顶设有电梯机房,正压送风机房及消防水池设计容量18m3等设施。
2、建筑类别及耐火等级:一类高层建筑及地下室,耐火等级为一级,北侧商业部分为二类多层建筑,耐火等级为二级。
3、主体结构采用全现浇钢筋砼框架—框支剪力墙结构,地下室连体,地下室设有汽车库,非机动车库。
一、二层设有商场、办公区等公共场所,三层设为架空层(技术层)、露天部分设屋顶花园等休闲场所;四层及以上为住宅。
仪器设备验收报告第一篇:仪器设备验收报告型号/仪器名称:_______________________CONTRACTNO.合同号::ITALLATIONDATE安装日期:____________________________Thesystemreferredabovehasbeenitalled/tested/verifiedforac ceptance(pleaseattachthemainqualifiedtechnicalecification).上述系统已安装/测试/通过验收(请另附上验收合格的主要技术指标).Thewarrantywillcommenceasthedatebelow.Thesystemishereb yacceptedby保修期自签字之日始,系统经由以下人员验收THEENDUSER'SSINGATURE:__________________DATE___________ ______最终用户代表(签字):日期:THESELLER"SSINGATURE:_________________DATE______________ ___卖方代表(签字):日期:NOTES(备注)pLEASETRAFERTHISFORMSIGNEDTODEpEARTMENTOFLABO RATORYANDEQUIpMENTMANAGEMENTAFTERACCEpTANCEOFT HECOMMODITY验收合格签署此报告后请交实验室设备管理部IFTHESYSTEMFAILTOpATHEACCEpTANCE,pLEASESINGAME MORANDUM,NOTTHISFORM.验收不合格请另签署备忘录第二篇:河南工业大学仪器设备验收报告是否主机型号与合同是否相符是否规格与合同是否相符是否主机台(套)数与合同是否相符是否主机出厂编号装箱单有无单价元生产厂家质保书有无出厂日期年月日固定资产编号主要技术资料是否完整是否共份附(零配)件名称出厂编号件数单价生产厂家与合同是否相符是否是否是否购置经费来源1.学校2.院(系,部)3.科研4.其它仪器使用方向1.教学2.科研3.其它技术指标测试项目仪器标称值实测值是否相符备注是否是否是否是否领用单位(实验室)领用(购置)日期年月日经手人保管人设备存放地点验收结果:验收人:(签字)年月日实验室主任意见:(签字)年月日实验室主管领导意见:(签字)年月日归档技术资料回收人(签字)归档技术资料回收人(签字1.本表必须便用黑色碳素墨水填写.2.同型号或成套仪器设备填写在一张表中.3.仪器设备附件(能单独使用的),附件,零配件必须全部列出.4.验收人必须对验收结果负责,如发现技术指标不符合要求,应及时通知采购人员,与供货厂商联系办理更换,维修或退货事宜.第三篇:广州体育学院仪器设备验收报告使用单位购置日期到学院日期.设备名称型号.规格厂家.国别出厂号出厂年月.单价台数总价值合同号.经费来源使用方向.保管人放置地点.设备外观是否正常:是否使用是否正常:是否使用说明书:是否保修文书:是否配件:是否验收意见:验收人签名:使用单位设备办公室盖章盖章200年月日200年月日200年月日说明:使用单位必须严格执行实物验收和技术验收制度,仪器设备到货后,及时组织人力开箱清点,按合同要求和产品技术指标进行验收,着手进行安装,调试.使用单位和设备办共同进行验收,三个工作日内完成本,设备办存档.第四篇:大型(精密)仪器设备验收报告使用单位:验收负责人:实验室,研究室:(教务处,资产处)年月日填表说明1,凡单价在10万元以上(含10万元)的仪器设备,验收时必须填写此报告.2,对于一次购买,单价,规格型号,生产厂家,供应商等一致的,验收均无问题,可一并填写此报告.若其中某台件有问题,则需单独填写此报告.3,验收人员应有学院主管院长,实验室主任及实验室有关人员,教务处实验教学科,资产处设备科人员组成.4,此报告随学校领导批准文字材料或计划,合同等随机资料存校档案馆.5,此报告须用钢笔,碳素笔填写,字迹工整,清晰,否则无效.6,此报告在设备到货日期七日内验收填报,若有特殊情况,使用部门则应有文字报告说明原因,报教务处,资产处.资产处2004年11月设备名称中文英文生产厂家(地点)供应商具体使用部门存放地点区号楼房间出厂日期出厂编号规格,型号国别合同号经费来源台件数合同单价外币合同总价外币人民币人民币到货日期领用人资料保管索赔期限技术验收期限技术资料份数仪器,设备外包装是否破损(如果有破损,则要说明何处,破损到何程度):开箱后仪器设备本身是否有破损锈蚀(如果有锈蚀,则要说明何处,锈蚀到何程度):按合同和装箱单清点所到物品是否齐全一致(如果不一致,则要说明缺少的种类以及数量):四,主要附件及备件明细:编号主要附件及备件名称单位数量编号主要附件及备件名称单位数量五,所附软件,技术资料及说明书情况编号资料名称数量保管人六,主要性能及技术指标情况(按合同和说明书规定的技术指标验收):七,附件,备件情况:八,所附软件,技术资料及说明书完备情况:九,索赔要求及解决结果:十,其他要说明的问题:验收人员姓名职务,职称负责内容学校设备管理部门设备科:处长:年月日供应厂商情况教务处使用单位安装,调试以及参加验收人员姓名职务,职称有关负责人:年月日负责人:公章年月日负责人:联系电话:传真:附件1检测数据及图表(粘贴检测数据原始记录或打印数据,图表等) 附件2仪器设备外型照片第五篇:淮南师范学院仪器设备验收报告分类号设备号仪器名称合同号型号发票号规格出厂号生产厂家出厂日期供货商购置日期单价数量金额领用人资产管理员主要附件外观数量检查1.外包装(是否完好无损)是否2.按装箱清单检查设备,使用说明及附件是否齐全是否3.仪器表面(是否光洁,完好)是否4.按产品说明书附件清单检查附件是否齐全是否5.其他需要说明的事项质量检查1.认真阅读使用说明书,熟悉机器使用步骤及要求.是否2.按使用要求,接通电源(注意仪器设备要求的电压与电源是否相符).是否3.技术指标是否符合要求是否情况说明如有不符情况,逐条说明:验收结论验收组长签名:验收人员签字:年月日使用单位行政负责人签字:经费主管部门负责人签字:年月日备注:1.本单按每一同类设备进行验收填写;2.本由验收人员组织填写;3.为便于资产登记请各单位验收时必须将各设备的出厂编号摘录在本单上;4.报销时,请资产管理人员携本单,《淮南师范学院仪器设备验收单》及生产销售商开具的发票等到后勤资产处进行计算机数据审核和登记.。
仪器设备验收报告范文仪器设备准备验收,那么你们知道验收报告要怎么写吗?下面是学习啦为大家带来的仪器设备验收报告范文,希望可以帮助大家。
仪器设备验收报告范文1:设备名称:规格型号:使用单位:验收负责人:实验室:(实验管理中心) 年月日填表说明1、凡单价在5万元以上(含5万元)的仪器设备或一次性批量购买的仪器设备验收时必须填写此报告。
2、验收人员应有使用部门负责人、实验室主任及实验室有关人员、实验中心、资产处人员组成。
3、此报告随学校领导批准文字材料或年度计划、合同等随机资料存校档案馆。
4、此报告须打印或用钢笔、碳素笔填写,字迹工整、清晰,否则无效。
5、此报告在设备到货日期七日内验收填报,若有特殊情况,使用部门则应有文字报告说明原因,报资产处、实验管理中心。
实验管理中心 20xx年11月1234附件2 仪器设备外型照片(大型精密仪器)5仪器设备验收报告范文2:仪器设备验收报告设备名称规格型号合同号设备所属部门验收人员包装及外形是否完整整机及配件是否齐全并相符仪器设备使用说明书及相关证件是否齐全有效仪器设备的技术指标是否满足要求仪器设备的性能及其使用是否满足要求仪器设备是否经过检定/校准仪器设备检定/校准是否合格仪器设备的其他证明材料是否需要索赔验收结论:□是□是□是□是□是□是□是□是□是□否□否□否□否□否□否□否□否□否出厂编号单价验收日期生产厂家国别到货时间仪器设备生产厂家代表签字:采购部门负责人签字:使用部门负责人签字:日期:日期:日期:年年年月月月日日日注:请在相应的□内打√,有其他证明材料的请附上复印件。
仪器设备验收报告范文3:使用单位(盖章) :设备名称研制负责人立项时间单价(元) 资金账号名称规格型号数量联系电话完成时间数量使用方向单价总价是否已报账报账时间仪器设备构成 (可加附页)合计总价: 1. 自制仪器设备外观是否完好 2. 主机及配件数量是否与目标责任书相符 3. 自制仪器设备是否能够正常运行 4. 技术指标是否与目标责任书相符验收意见5. 技术指标稳定性是否符合要求验收结论:验收证明人:1. 4. 项目负责人意见:2. 5.3.使用单位负责人意见:签名:年月日签名:年月日说明:1、单价 10 万元以下自制设备,验收证明人须 3 位副高级以上专家签字; 单价 10 万元(含)以上自制设备,验收证明人须 5 位副高级以上专家签字; 2、本报告某栏不够可加附页。
最新设备验收报告模板4篇_机械设备验收报告格式交货地点:交货日期:一、设备内容:设备内容规格型号技术要求数量二、验收情况:序号验收项目验收结果备注1设备规格型号2设备数量3配套设备4随机资料5运行结果结论:用户单位盖章供货单位盖章验收人签字:验收人签字:验收日期:验收日期设备验收报告2验收报告_____________于____年____月____日购买______________的____________仪器(或设备),价值_________,合同号是__________。
该设备于____年____月____日到货。
经供货方______来校安装调试。
各项指标,均达到合同要求,运行至今,设备一切正常,性能良好,验收合格。
特此说明。
订购单位(盖章) 验收人:年月日设备验收报告3XXX等设备验收报告设备经费来源:合同金额:供货商:一.实物清单及技术指标二.验收记录安装调试完毕后,对设备进行测试和实验的详细验收记录如下:设备A验收记录1、操作步骤与方法2、操作结果设备B验收记录1、操作步骤与方法2、操作结果……(每类设备需单独给出验收记录)三.验收结论:通过上述测试和实验证明,XXX等设备数量与合同一致,且性能良好,运行正常,各项技术指标达到标准,符合相关实验要求,验收合格。
四.验收人签字XX学院:XX学院:XX学院:供应商:实验室及设备管理处:监察处、审计处:计划财务处:学科发展与建设处(211项目、985项目需此栏)五.验收时间年月日设备验收报告4用户单位:xxxxxxxxxxxxx供货单位:xxxxxxxxxxx验收日期:验收地点:一、设备内容:二、验收情况:用户单位(签字)盖章:供货单位(签字)盖章:验收组成员:验收组成员:验收日期:年月日验收日期:年月日实用文档系列文档编号:YL-SY-21296 看了设备验收报告模板的人还看了:1.仪器设备验收报告模板2.验收报告范文3.设备的验收报告范文4.仪器设备验收报告范文5.设备验收报告范文6.软件验收报告范文7.科技项目验收报告范文8.医疗设备验收报告范文9.软件项目验收报告范文第11页共11页。
设备验收报告模板4篇_机械设备验收报告格式_验收报告企业对购入新设备及大修改造设备在验收时需对加工力量进行评定。
今日在这里给大家推举一些验收报告模板,欢迎大家围观参考,想了解更多,欢迎来到第一。
设备验收报告1用户单位:供货单位:交货地点:交货日期:一、设备内容:二、验收状况:用户单位盖章供货单位盖章验收人签字:验收人签字:设备验收报告2验收报告_____________于____年____月____日购买______________的____________仪器(或设备),价值_________,合同号是__________。
该设备于____年____月____日到货。
经供货方______来校安装调试。
各项指标,均达到合同要求,运行至今,设备一切正常,性能良好,验收合格。
特此说明。
订购单位(盖章) 验收人:年月日设备验收报告3等设备验收报告设备经费来源:合同金额:供货商:一.实物清单及技术指标二.验收记录安装调试完毕后,对设备进行测试和试验的具体验收记录如下:设备A验收记录1、操作步骤与方法2、操作结果设备B验收记录1、操作步骤与方法2、操作结果(每类设备需单独给出验收记录)三.验收结论:通过上述测试和试验证明,等设备数量与合同全都,且性能良好,运行正常,各项技术指标达到标准,符合相关试验要求,验收合格。
四.验收人签字 XX学院:XX学院:XX学院:供应商:试验室及设备管理处:监察处、审计处:方案财务处:学科进展与建设处(211项目、985项目需此栏)五.验收时间设备验收报告4用户单位:供货单位:验收日期:年月日验收日期:年月日验收日期:验收地点:一、设备内容:二、验收状况:用户单位(签字)盖章:供货单位(签字)盖章:验收组成员:验收组成员:。
仪器设备验收报告7篇仪器设备验收报告1设备经费_________合同金额:_________供货商:_________一.实物清单及技术指标二.验收记录安装调试完毕后,对设备进行测试和实验的详细验收记录如下:设备A验收记录1、操作步骤与方法2、操作结果设备B验收记录1、操作步骤与方法2、操作结果(每类设备需单独给出验收记录)三.验收结论:通过上述测试和实验证明,___等设备数量与合同一致,且性能良好,运行正常,各项技术指标达到标准,符合相关实验要求,验收合格。
四.验收人签字__学院:__学院:___________学院:_________供应商:_________实验室及设备管理处:监察处、审计处:计划财务处:学科发展与建设处(211项目、985项目需此栏)五.验收时间_________年_________月_________日仪器设备验收报告2项目名称:___________合同编号:___________验收报告承制单位:___________使用单位:___________日期:___________设备验收报告用户单位:_____________供货单位:___________验收日期:___________验收地点:___________一、设备内容:___________二、验收情况:用户单位(签字)___________盖章:___________供货单位(签字)___________盖章:___________验收组成员:___________验收组成员:___________验收日期:___________年___________月___________日验收日期:___________年___________月___________日(附整套设备组件清单)附一:设备组件清单表仪器设备验收报告3型号规格技术参数或性能(配置)要求生产厂家(地址,电话)生产日期及产品编号供货单位(地此,电话)发票日期及发票号码使用部门领用人主要用途领用日期年月日验收项目验收记录1.包装是否完好(),是否该仪器设备原包装()2.仪器设备完好程度(有无损伤,损坏或生锈等)3.附件,备件是否齐全.(列出清单,数量)4.使用说明书,技术资料是否齐全.(列出清单,数量)5.仪器设备名称,型号规格配置是否符合要求6.仪器设备性能及技术指标是否达到要求7.其它(以上未注明的项目)验收结论("合格"或"不合格")及处理意见("同意入库"或"退货,更换,补齐,贬值"等)验收人(签字):验收单位(章): 负责人(签字):年月日设备科记帐编号入帐日期年月日经手人备注仪器设备验收报告4_____________于____年____月____日购买______________的____________仪器(或设备),价值_________,合同号是__________。
仪器设备验收报告
篇一:仪器设备验收
仪器设备验收报告
用户单位:中交二航望东大桥科研试桩项目部供货单位:芜湖大江测绘仪器经营部交货日期: 2009年11月30日交货地点:芜湖一、设备内容:
二、验收情况:
用户单位盖章:
验收成员:验收日期:2009 年12 月 2 日附:整套设备清单
附一:
设备清单表
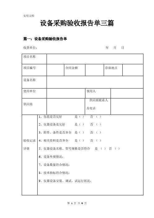
篇二:仪器设备验收报告单
仪器设备验收报告单
篇三:大型仪器设备验收报告
仪器设备验收报告
设备名称:
规格型号:
仪器编号:
验收人:
验收日期:
检测中心制 20XX年版
填表说明
1、凡单价在5万元以上(含5万元)的仪器设备或一次性批量购买的仪器设备验收时必须填写此报告。
2、仪器设备到货,由厂家送货员、购买人员、办公室负责人、仪器设备管理人员,依据及装箱单对仪器设备进行开箱验收,对内外包装、外观及实物进行验收清点,并做好验收记录。
3、安装调试完毕,由院技术人员和生产厂家的安装调试人员依据合同、技术协议及使用说明书的要求进行测试验收,必要时请有关专家或专业测试机构进行测试,并做好技术测试验收记录。
4、本验收报告是仪器设备档案的重要组成部分,列为长期保管范围。
5、此报告须打印或用钢笔、碳素笔填写,字迹工整、清晰,否则无效。
6、此报告在设备到货日期七日内验收填报,若有特殊情况,使用部门则应有文字报告说明原因,报办公室、检测中心。
1
2
附件1 检测数据及图表(大型精密仪器) 附件2 仪器设备外型照片(大型精密仪器)
4。
仪器设备验收报告篇一:仪器设备验收报告/××-2014仪器设备验收报告注:请在相应的□内打√,有其他证明材料的请附上复印件。
篇二:仪器设备验收报告仪器设备验收报告(十万元以下)设备使用部门:放置地点:实验室名称:楼幢:房号:备注:“验收内容”一栏,(1)批量的仪器设备,填主要仪器设备名称,(2)单台件仪器设备,填该仪器设备名称。
实验室管理处制篇三:购置仪器设备验收表购置仪器设备验收表《仪器设备验收报告》出自:百味书屋继续组织两周一次的专题学习沙龙和互动式评课沙龙,结合教研活动的主题组织好教师学习、交流。
听展示课的教师对听课内容进行精心、系统的评点,写成评课稿,在两周一次的互动式教学研讨沙龙中进行交流、探讨。
与往年不同的是,在保证互动评课活动开展同时,不影响正常教学,本学期安排8次集体评课活动,其他评课通过qq群来交流、研讨。
指导思想以新一轮课程改革为抓手,更新教育理念,积极推进教学改革。
努力实现教学创新,改革教学和学习方式,提高课堂教学效益,促进学校的内涵性发展。
同时,以新课程理念为指导,在全面实施新课程过程中,加大教研、教改力度,深化教学方法和学习方式的研究。
正确处理改革与发展、创新与质量的关系,积极探索符合新课程理念的生物教学自如化教学方法和自主化学习方式。
本学期,我组将进一步确立以人为本的教育教学理论,把课程改革作为教学研究的中心工作,深入学习和研究新课程标准,积极、稳妥地实施和推进中学英语课程改革。
以新课程理念指导教研工作,加强课程改革,紧紧地围绕新课程实施过程出现的问题,寻求解决问题的方法和途径。
加强课题研究,积极支持和开展校本研究,提高教研质量,提升教师的研究水平和研究能力。
加强教学常规建设和师资队伍建设,进一步提升我校英语教师的英语教研、教学水平和教学质量,为我校争创“三星”级高中而发挥我组的力量。
坚持以《基础教育课程改革纲要》为指导,认真学习贯彻课程改革精神,以贯彻实施基础教育课程改革为核心,以研究课堂教学为重点,以促进教师队伍建设为根本,以提高教学质量为目标,全面实施素质教育。
仪器设备验收报告(通用10篇)仪器设备验收报告(篇1)使用单位(盖章) :设备名称研制负责人立项时间单价(元) 资金账号名称规格型号数量联系电话完成时间数量使用方向单价总价是否已报账报账时间仪器设备构成(可加附页)合计总价:1. 自制仪器设备外观是否完好2. 主机及配件数量是否与目标责任书相符 3. 自制仪器设备是否能够正常运行 4. 技术指标是否与目标责任书相符验收意见 5. 技术指标稳定性是否符合要求验收结论:验收证明人:1. 4. 项目负责人意见:2. 5.3.使用单位负责人意见:签名:年月日签名:年月日说明:1、单价10 万元以下自制设备,验收证明人须3 位副高级以上专家签字; 单价10 万元(含)以上自制设备,验收证明人须5 位副高级以上专家签字; 2、本报告某栏不够可加附页。
仪器设备验收报告(篇2)设备名称实验室设备、教学仪器设备规格、型号使用单位验收负责人年月日设备验收报告设备名称规格型号供货商采购方式到货日期质量保证期价格政府采购2023年4年¥__.00 人民币贰拾捌万捌仟元整设备(或附件)清单序号1投影机实训教学设备批量设备品牌数量购货方采购编号__-1749Ag__-1749Ag-__ 年月日一批月日安装日期设备名称型号规格NP-M260XS+ DB-85INS-Y01数量10 10备注2交互式书写白板3推拉组合无尘黑板4 米×1.3 米×0.1 米推拉式AverVision CP150104实物展台10 10 10 10 8 105红外无线话筒W__LT310/CH W__LP100/CH 红外无线功率扬声器HP 3005 计算机 1.2 米*0.65 米*1.0 米多媒体讲桌国标线材及其他材料6 7 8 9验收资料资料名称技术说明书出厂合格证份数1 1 资料名称产产品实验报告单操作维护手册装箱单质量保证书份数1 1 1 1 备注“三包” 保修卡1 安全产品认证其他1 无验收记录1)设备外包装情况(外包装类型、表面标注、是否破损及其它情况)2)开箱后设备本身情况(是否有生锈、破损及其它情况)3)按合同和装箱单清点所有物品是否弃权一致?4)质量、性能验收情况1 安装测试的条件2 指标参数验收情况验收项目说明书或合同规定指标实际测试指标备注5)验收结果负责人签章:设备参加验收人员使用签单位签章字年设备( (设备生) ) 签章年签章年签章年年月月日日月日月日月日仪器设备验收报告(篇3)汽车系统(上海)有限公司设备终验收报告工作令:需方:供方:验收日期:年月日设备终验收报告需方:供方:时间:年月日至年月日地点:设备名称:一、供需双方根据合同有关条款,对本设备进行验收情况如下:1.机械方面供货范围符合合同要求是□ 否□ 无此内容□2.气动方面供货范围符合合同要求是□ 否□ 无此内容□3.液压方面供货范围符合合同要求是□ 否□ 无此内容□4.电器方面供货范围符合合同要求是□ 否□ 无此内容□5.图纸资料方面供货范围符合合同要求是□ 否□ 无此内容□6.附件、备件、刀具方面供货符合合同要求是□ 否□ 无此内容□7.主要技术规格和参数符合合同要求是□ 否□ 无此内容□8.设备精度(或技术指标)符合合同要求是□ 否□ 无此内容□9.操作性能方面符合合同要求是□ 否□ 无此内容□10.安全方面符合合同要求是□ 否□ 无此内容□11.环保方面符合合同要求是□ 否□ 无此内容□12.节能方面符合合同要求是□ 否□ 无此内容□ 13.运行稳定性方面符合合同要求是□ 否□ 无此内容□ 14.加工节拍符合合同要求是□ 否□ 无此内容□15.加工精度符合合同要求是□ 否□ 无此内容□16.其它方面符合合同要求是□ 否□ 无此内容□17.试件是否满足合同要求是□ 否□ 无此内容□二、终验收结论:1. 同意验收。
仪器设备验收报告模板3篇范文
仪器设备的验收是保证医院医疗仪器设备质量的第一步。
验收的程序是否有序、完整关系着验收结果是否合格。
*是小编为大家整理的仪器设备验收报告模板,仅供参考。
仪器设备验收报告模板篇一
设备名称______________________
规格、型号______________________
使用单位_______________________
验收负责人_______________________
年月日
验收报告
_____________于____年____月____日购买______________的____________仪器(或设备),价值_________,合同号是
__________。
该设备于____年____月____日到货。
经供货方______来校安装调试。
各项指标,均达到合同要求,运行至今,设备一切正常,性能良好,验收合格。
特此说明。
订购单位(盖章) 验收人:
年月日
仪器设备验收报告模板篇二
设备经费
合同金额:
供货商:
一.实物清单及技术指标
二.验收记录
安装调试完毕后,对设备进行测试和实验的详细验收记录如下:? 设备A验收记录
1、操作步骤与方法
2、操作结果
? 设备B验收记录
1、操作步骤与方法
2、操作结果
……
(每类设备需单独给出验收记录)
三.验收结论:
通过上述测试和实验证明,___等设备数量与合同一致,且性能良好,运行正常,各项技术指标达到标准,符合相关实验要求,验收合格。
四.验收人签字__学院:
__学院:
__学院:
供应商:
实验室及设备管理处:监察处、审计处:计划财务处:学科发展与建设处(211项目、985项目需此栏)
五.验收时间
年月日
仪器设备验收报告模板篇三
项目名称:
合同编号:
验收报告
承制单位:使用单位:日期:
设备验收报告
用户单位:_____________
供货单位:___________
验收日期:
验收地点:
一、设备内容:
二、验收情况:
用户单位(签字)
盖章:
供货单位(签字)
盖章:
验收组成员:
验收组成员:
验收日期:年月日
验收日期:年月日(附整套设备组件清单) 附一:
设备组件清单表
仪器设备验收报告模板3篇范文。