高速公路施工进度月报表
- 格式:doc
- 大小:26.50 KB
- 文档页数:2
公路工程施工计划月报一、工程概况本月,我们公司在某省某地开展了一项公路工程施工项目,基本完成了挖土、填料、铺设路基等主要施工任务。
下面将对本月工程施工情况进行总结和分析。
二、施工进度1. 挖土作业:本月挖土作业主要集中在路基的南段和西段,总共挖土约5000立方米,完成进度70%。
2. 填料作业:填料作业主要针对路基的东南段和西南段,本月共填料约3000立方米,完成进度50%。
3. 路基铺设:路基铺设工作主要在道路的东北段和西北段,已完成铺设面积约2000平方米,完成进度60%。
4. 排水设施安装:本月完成主要排水设施的铺设和连接,确保雨水及时排除,路面保持干燥。
5. 绿化工程:本月未进行绿化工程施工,计划下月开始绿化项目的准备工作。
三、质量检查1. 油石路基质量检查:本月进行了油石路基的质量检查,均符合标准要求,未发现质量问题。
2. 排水设施检查:排水设施安装完成后进行了检查验收,确保设施完好,无渗漏现象。
3. 绿化工程规划验收:绿化工程规划通过专家组验收,计划下月开始实施。
四、安全管理1. 安全教育培训:本月公司组织了安全教育培训,强化施工人员的安全意识,提高施工安全水平。
2. 安全隐患排查:每天对工地进行安全隐患排查,及时处理存在的安全问题,确保施工安全。
3. 安全生产考核:每周组织安全生产考核,对不合格单位进行整改,确保施工全过程安全。
五、资金管理1. 费用核对审批:本月对工程费用进行了核对审批,确保资金使用合理、规范。
2. 资金风险评估:对工程资金进行风险评估,提前制定预案,确保施工进度不受资金问题影响。
3. 费用监督检查:每周对工程费用进行监督检查,及时发现和处理财务问题。
六、下月工作计划1. 完成挖土和填料作业,确保路基施工进度。
2. 加快路基铺设进度,提前完成路面施工任务。
3. 开始进行绿化工程施工,提高道路环境品质。
4. 加强安全管理,确保施工安全。
5. 继续进行费用监督,提高资金使用效率。
*****高速公路****段
第A 段
20 年月施工月报编制:
校核:
审查:[项目总工]
批准:[项目经理]
*****高速公路A 项目经理部
二〇年月日
一、项目概况
(一)、文字描述
(二)、列表说明主要工程数量
二、计划完成情况
(一)、形象进度完成情况
1、临建工程
2、路基工程(包含交叉工程)
3、桥梁工程(包含交叉工程)
4、隧道工程
(二)、产值完成情况
(三)、控制性工程形象进度完成情况
(四)、资源耗用情况
三、进度分析及改进措施
【计划工期目标的实际完成情况、经验、存在的问题与偏差分析、纠偏措施等】
四、其它
附表1:月产值完成计划表
附表2:控制性工程月进度完成统计表
附表3:月形象进度完成统计表
附表4:月资源耗用统计表。
高速公路施工月报表格背景为了更好地掌握高速公路施工进度和质量情况,及时发现和解决施工中的问题,需要建立一套高速公路施工月报表格。
报表设计宏观指标宏观指标主要包括高速公路施工进度、质量和安全等方面的指标,具体指标如下:1.高速公路开工进度(完成/未完成/延误);2.高速公路总投资(万元);3.施工进度(%);4.施工质量验收情况;5.安全生产情况。
施工进度指标施工进度是衡量高速公路建设进展情况的重要指标,具体指标包括如下:1.施工节点完成情况(完成/未完成);2.施工阶段完成情况(完成/未完成);3.施工单位施工日进度;4.施工现场机具调配情况;5.施工单位人员调配情况;6.施工质量验收情况。
施工质量指标高速公路施工质量是确保公路安全、顺畅运营的前提,具体指标包括如下:1.施工质量验收情况;2.工程量计量表与数据核实情况;3.现场材料使用情况;4.施工单位按计划完成的质量检测和验收情况;5.施工现场设施、机具检修和维护情况。
安全生产指标安全生产是高速公路施工管理的重要内容,具体指标包括如下:1.安全生产责任人落实情况;2.安全教育培训质量活动组织情况;3.安全生产责任书签订情况;4.安全生产会议召开情况;5.安全检查情况;6.安全事故发生情况。
报表使用高速公路施工月报表格的使用需要遵循下列要求:1.严格按照报表设计填写相关数据;2.撰写月报需要仔细分析并认真上月工作进展及改进方向;3.积极反馈工作中存在的问题,并提出改进建议;4.不得制造虚假数据或者隐瞒重要数据。
高速公路施工月报表格是高速公路施工管理的重要工具,通过及时收集和分析数据,可以及时发现和解决工作中存在的问题,提高施工质量和效率。
因此,关键在于科学的报表设计和良好的使用方法。
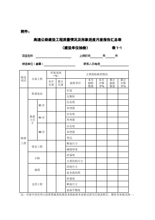
附件:高速公路建设工程质量情况及形象进度月度报告汇总表(建设单位抽检)表1-1 项目名称上报时间年月报送单位(盖章)联系人及电话以利于汇总统计。
高速公路建设工程质量情况及形象进度月度报告汇总表(建设单位抽检)表1-2项目名称上报时间年月报报送单位(盖章)联系人及电话送注:对表中没有列入的重要抽查质量技术指标按本表格式请另行制表附后,维持本表格式统一,以利于汇总统计。
高速公路建设工程质量情况及形象进度月度报告汇总表(建设单位抽检)表1-3项目名称上报时间年月报送单位(盖章)联系人及电话注:对表中没有列入的重要抽查质量技术指标按本表格式请另行制表附后,维持本表格式统一,以利于汇总统计。
高速公路建设工程质量情况及形象进度月度报告汇总表(建设单位抽检)表1-4项目名称上报时间年月报送单位(盖章)联系人及电话注:对表中没有列入的重要抽查质量技术指标按本表格式请另行制表附后,维持本表格式统一,以利于汇总统计。
高速公路建设工程质量情况及形象进度月度报告汇总表(建设单位抽检)表1-5 项目名称上报时间年月报送单位(盖章)联系人及电话以利于汇总统计。
高速公路建设工程质量情况及形象进度月度报告汇总表(建设单位)表1-6项目名称上报时间年月报送单位(盖章)联系人及电话注:1、对于重大设计变更情况应附相应变更批复文件及变更图纸;2、工程出现质量事故后,相关单位应严格按规定程序和时效向有关单位汇报。
本表重点突出质量事故零汇报制度。
高速公路建设工程质量情况及形象进度月度报告汇总表(总监办抽检)表2-1 项目名称上报时间年月总监办监理施工标段报送单位(盖章)联系人及电话以利于汇总统计。
高速公路建设工程质量情况及形象进度月度报告汇总表(总监办抽检)表2-2项目名称上报时间年月总监办监理施工标段报送单位(盖章)联系人及电话注:对表中没有列入的重要抽查质量技术指标按本表格式请另行制表附后,维持本表格式统一,以利于汇总统计。
高速公路建设工程质量情况及形象进度月度报告汇总表(总监办抽检)表2-3项目名称上报时间年月总监办监理施工标段报送单位(盖章)联系人及电话注:对表中没有列入的重要抽查质量技术指标按本表格式请另行制表附后,维持本表格式统一,以利于汇总统计。
道路工程施工月报范本月报日期:2023年5月一、项目概况本月,我公司在XX市某地区进行了一项道路工程施工项目,项目总面积为XX平方米,总投资金额为XX万元。
项目包括路面拓宽、路基加固、排水系统建设等多个工程内容。
项目施工周期为XX个月,计划于XXX年X月底完工。
二、项目进展情况1. 施工进度本月,在各部门的共同努力下,道路工程施工进展顺利。
路面拓宽工程完成了X%,路基加固工程完成了XX%,排水系统建设工程完成了XX%。
所有工程进度均在计划范围内,未出现较大延误情况。
2. 施工质量为确保道路工程的质量,我公司严格按照标准施工,做好了施工质量管理工作。
在本月的施工过程中,对关键工程节点和质量标准进行了抽查和检测,各项工程质量合格率均达到了100%。
3. 安全生产安全生产始终是我们公司的首要任务,本月全体员工高度重视安全生产工作,遵守安全操作规程,加强施工现场安全管理。
在本月的施工过程中,未发生任何安全事故。
三、问题与对策1. 施工现场管理不到位尽管我们在施工现场进行了安全管理与规范指导,还是出现了施工现场管理不到位的情况。
为了解决这一问题,我们将进一步加强对施工人员的管理与培训,加强现场监督与检查,确保施工现场的安全与规范。
2. 施工材料供应出现延误在本月的施工过程中,施工材料供应出现了延误情况,给道路工程进度带来了一定影响。
在未来的施工中,我们将加强与供应商的沟通与协调,做好材料的储备和调配工作,以确保施工进度的稳定进行。
四、下月工作计划1. 继续推进道路工程施工进度,争取在明月完成路面拓宽工程和路基加固工程。
2. 完善排水系统建设工程,确保质量合格,达到交付标准。
3. 加强施工现场管理,提高管理水平,确保安全生产。
4. 加强与相关部门的沟通协调,及时解决施工中出现的问题与困难。
五、结语在本月的工作中,我们取得了一定的进展,但也暴露了一些问题与不足。
面对新的挑战和任务,我们将继续努力,不断优化管理方式,提升施工质量和效率,确保道路工程顺利完成。
梁忠高速公路工程施工月报一、工程进展情况本月,梁忠高速公路项目施工正常进行,各项工作有序推进。
总体进度符合计划要求,完成量较上月有所增加。
具体进展情况如下:1. 路基工程:本月主要完成了路基土方开挖及填筑工作,路基平整度满足设计要求。
同时进行了路基边坡的护坡和排水系统的设置,确保路基工程质量。
2. 桥梁工程:本月成功完成了几座桥梁的基础施工,并开始进行上部结构的施工。
桥梁施工中严格按照设计要求和工艺标准进行,保证施工质量。
3. 路面工程:本月进行了路面基层和面层的施工,保证了路面平整度和耐久性。
同时进行了路面标线的设置,提高了道路通行的安全性。
4. 设施工程:本月完成了公路护栏等设施工程的安装,为后期道路通行提供了保障。
二、质量安全情况本月项目组严格按照相关法规和标准进行施工,加强了质量安全管理工作。
严格执行施工方案,确保施工质量符合设计要求。
同时加强了安全生产教育和培训,确保施工过程中安全风险得到有效控制。
三、进度计划根据项目计划,本月完成了路基、桥梁和路面等主要工程的施工,并完成了预定的工程量。
下个月计划开始进行路基和桥梁的质量验收工作,争取提前完成本阶段施工任务。
四、存在问题和改进建议1. 施工人员素质不高,部分工人技术水平有待提高。
建议加大技术培训力度,提高施工人员的技术水平。
2. 施工过程中存在材料浪费现象,需加强材料管理,控制材料成本。
3. 部分施工设备维护不及时,影响了施工进度。
建议定期检查设备并加强维护保养工作。
五、结论梁忠高速公路项目本月的施工工作取得了良好进展,各项工作按计划进行,质量安全得到有效控制。
项目组将继续加强施工管理,确保项目顺利推进。
感谢各位工作人员的辛勤付出和支持,让我们共同努力,为项目的顺利完成而努力!。
宜叙高速公路工程建设安全生产月报表单位(章):宜叙高速公路工程项目经理部十分部负责人:填报人:总第 4 期报出日期:2014年 3月 23日安全生产情况月报表单位(公章):宜叙高速公路工程项目经理部十分部表01本月安全生产状况总体描述:在公司、业主、监理等各级领导的指导和高度重视下,经过本项目部各职能部门的通力协助管理下, 3月份我合同段的安生产管理工作朝着正常方向发展,未出现任何安全责任事故和环保事故。
具体工作内容如下:1、对路基施工进场队伍进行了三级安全教育和安全技术交底;2、对涵洞基础开挖现场进行安全设施设置,对现场队伍进行了安全教育和安全技术交底;3、本月主要施工任务是完善施工便道,桥梁桩基开挖,并在相应出入口,危险区域设置了安全标志标牌;4、每周由项目经理召开会议,强调现场施工安全和个人人身安全(进入工地必须佩带好安全帽与胸牌);安全生产事故统计事故发生时间事故发生单位、所在地及工程名称事故类别事故简要经过初步事故原因事故直接经济损失(万元)死亡人数(人)受伤人数(人)伤害程度事故性质安全生产情况月报表单位(公章):宜叙高速公路工程项目经理部十分部表02施工安全体系运行及安全责任制落实情况:以项目经理为组长的安保体系正常运转,形成以安全总体目标为目标的分级管理体系。
确保各项施工能够正常、安全进行。
有关指令、整改通知书的落实情况:1、二驻地办进行安全检查要求人工挖孔桩设置软梯,孔壁进行加固,已进行整改并进行回复。
安全生产费用使用情况:1、安全帽、警示带、灭火器1450元 5、锥形反光桶12002、安全标志、警示标志等5705元3、彩色旗帜2000元4、防护网5000 重大危险源防护监控情况:现场施工时需有安全员在场监控。
现场人员情况(三类人员到岗情况、特种作业人员进退场及持证情况、参建人员情况):三类人员已全部到岗并进行了上报,无特种人员进场。
安全生产会议情况:本月我分部召开了由各部门、施工人员和各施工班组负责人参加的安全生产会议。
第1篇一、工程概况本月,我单位负责的公路施工工程继续按照工程进度计划有序推进。
现将本月工程概况及施工情况汇报如下:1. 工程名称:XX公路改建工程2. 工程地点:XX省XX市3. 工程规模:全长XX公里,路基宽度XX米,双向四车道,设计时速XX公里/小时。
4. 施工单位:XX公路工程集团有限公司二、本月施工情况1. 路基工程(1)路基填筑:本月完成路基填筑XX万立方米,累计完成XX万立方米。
(2)路基压实:本月完成路基压实XX万立方米,累计完成XX万立方米。
(3)路基排水:本月完成路基排水沟施工XX公里,累计完成XX公里。
2. 桥梁工程(1)桥梁桩基:本月完成桥梁桩基XX根,累计完成XX根。
(2)桥梁承台:本月完成桥梁承台XX座,累计完成XX座。
(3)桥梁墩柱:本月完成桥梁墩柱XX根,累计完成XX根。
3. 涵洞工程(1)涵洞预制:本月完成涵洞预制XX座,累计完成XX座。
(2)涵洞安装:本月完成涵洞安装XX座,累计完成XX座。
4. 路面工程(1)基层施工:本月完成路面基层施工XX公里,累计完成XX公里。
(2)沥青混凝土面层施工:本月完成沥青混凝土面层施工XX公里,累计完成XX 公里。
5. 交通安全设施(1)标志牌安装:本月完成标志牌安装XX块,累计完成XX块。
(2)护栏安装:本月完成护栏安装XX公里,累计完成XX公里。
(3)隔离栅安装:本月完成隔离栅安装XX公里,累计完成XX公里。
三、存在问题及解决措施1. 存在问题(1)部分路段施工进度滞后,影响整体工程进度。
(2)部分路段施工质量有待提高。
2. 解决措施(1)加强现场管理,优化施工组织,确保工程进度。
(2)加大施工人员培训力度,提高施工质量。
(3)加强监督检查,确保工程质量。
四、下月工作计划1. 继续推进路基、桥梁、涵洞等工程的施工。
2. 加快路面工程施工进度,确保路面工程按期完成。
3. 加强交通安全设施安装,确保交通安全。
4. 持续加强施工质量管控,确保工程质量。
工程施工月报公路一、项目基本情况项目名称:XX公路改扩建工程项目地点:XX市施工单位:XX建设集团监理单位:XX监理有限公司施工总工期:36个月进度计划:已完成总工程量的30%二、施工进度本月施工进度按照计划进行,各方协作良好,项目综合管理有序推进。
主要工作内容如下:1. 地面平整:本月共完成XX公里的地面平整工程,进度较为顺利,符合设计要求。
2. 路基填方:本月完成XX立方米的路基填方工程,材料供应充足,施工效率高。
3. 路面铺设:本月共完成XX平方米的路面铺设工程,各工序协调进行,质量达到预期。
4. 桥梁施工:本月完成XX座桥梁的施工,各项指标优良,已通过验收。
5. 排水系统:本月完成XX公里的排水系统安装工程,设备运行稳定,效果良好。
三、质量安全1. 质量管理:施工单位严格执行质量管理制度,对各项工程进行全程跟踪检测,确保施工质量;2. 安全生产:施工单位加强安全生产管理,组织进行安全培训,做好现场安全防护措施。
四、技术创新本月施工单位发挥技术优势,推动施工工艺创新,提升施工效率。
尝试引入新型设备和材料,探索节能环保施工方案,积极推广先进技术。
五、人才队伍本月施工单位加强人才培训,提升员工技术水平和综合素质。
注重团队合作,激发员工积极性,确保施工进度和质量。
六、经济投入本月施工单位按照预算计划进行资金投入,控制成本,做好资金使用及风险管理,确保施工资金供应和运作顺畅。
七、下月计划下月施工单位将继续按照总体进度计划推进工程施工,加强项目管理,确保施工质量和安全。
重点做好地基处理、路面施工和桥梁施工工作,做好防水排水系统建设。
八、总结与展望本月工程施工取得明显进展,各项工作有序推进,质量安全得到保障。
争取在原定工期内完成工程建设任务,努力实现工程质量和施工效益的双提升,为当地公路交通运营和发展做出积极贡献。
以上是本月工程施工月报,谨呈。
高速公路建设工程施工月报
项目概述
本月,高速公路建设工程取得了良好的进展。
工程包括以下几个方面的工作:道路平整、桥梁建设、路基回填等等。
施工进展
1. 道路平整:本月我们集中精力进行道路平整工作。
共完成了100公里的道路平整,达到了预定目标。
2. 桥梁建设:本月我们共建设了5座桥梁,其中包括大型桥梁2座、中型桥梁3座。
桥梁建设工作按计划进行,质量得到了有效控制。
3. 路基回填:本月我们进行了路基回填工作,总计回填了立方米的土石方。
回填作业按照标准要求进行,保持了施工质量。
亮点和困难
本月的亮点是道路平整工作。
我们利用了先进的施工设备和技术,提高了工作效率,同时保证了施工质量。
困难是在桥梁建设方面遇到了一些技术困难,但通过团队的努力克服了这些困难。
下月计划
下个月我们将继续进行道路平整、桥梁建设和路基回填工作。
具体计划如下:
1. 完成150公里的道路平整工作。
2. 建设3座大型桥梁和2座中型桥梁。
3. 回填立方米的土石方。
结论
通过本月的施工工作,我们取得了良好的进展。
我们将继续努力,按照计划完成工程,确保施工质量。
同时,我们将持续改进施工技术,提高工作效率。
XXXXXX高速公路工程项目监理月报(2021年第7期)单位名称:XXX工程咨询监理有限公司XXXX高速公路项目第一监理办起讫日期:2021年6月26日至2021年7月25日XXXX高速公路工程项目监理月报(2021年第7期)编制人:审核人:填报单位:XXXX工程咨询监理有限公司XXXX高速公路项目第一监理办填报时间:二〇二一年七月二十五日目录一、工程概况 (1)二、人员进场、防疫情况 (1)1、人员进场情况 (1)2、防疫情况 (1)三、工程进度情况 (2)1、各分部大型临时设施完成情况 (2)2、各分部先期开工点施工完成情况 (2)3、各分部征地拆迁完成情况 (2)4、本月工程形象进度 (3)5、本月实际完成情况与计划进度比较 (4)四、监理指令、通知发布情况 (5)五、工程质量情况 (5)1、本月完成工程质量情况分析 (5)2、本月采取的工程质量控制措施及效果 (6)六、工程计量与工程款支付 (7)1、工程量审核情况 (7)2、工程款审批情况及月支付情况 (7)3、本月采取的投资控制措施及效果 (7)七、合同管理 (7)1、工程变更情况 (7)2、工程延期的处理 (7)3、费用索赔处理 (7)八、安全环水保管理 (8)1、安全生产管理 (8)2、环水保管理 (9)九、文明施工、标准化建设管理情况 (10)十、信息化平台建设管理情况: (10)十一、本月监理工作小结 (11)1、本月监理工作执行情况 (11)2、对本工程的建议和意见 (12)十二、下月监理工作的重点与计划 (13)1、质量监理工作安排: (13)2、试验监理工作安排 (13)3、合同管理工作安排 (14)4、安全监理工作安排 (14)5、环保监理工作安排 (15)6、文明施工监理工作安排 (15)十三、资料、图片及相关附件 (15)一、工程概况本项目采用双向8车道的公路兼城市快速路功能,设计速度为80Km/h,路基宽度采用36m。
公路工程施工月报模板如下:一、工程概况1. 工程名称:XX公路工程2. 工程地点:XX省XX市XX县3. 工程规模:全长XX公里,双向XX车道4. 工程进度:截至XX年XX月,已完成XX%5. 工程总投资:XX亿元二、施工进度1. 本月完成工程量:路基工程XX%,桥梁工程XX%,隧道工程XX%,路面工程XX%2. 下周计划完成工程量:路基工程XX%,桥梁工程XX%,隧道工程XX%,路面工程XX%3. 工程节点情况:本月完成XX个节点目标,未完成XX个节点目标,原因分析如下:(1)XX节点未按计划完成,原因在于XX。
(2)XX节点未按计划完成,原因在于XX。
(3)XX节点未按计划完成,原因在于XX。
三、质量控制1. 本月质量控制情况:质量合格率XX%,优良率XX%2. 下周质量控制目标:质量合格率XX%,优良率XX%3. 质量问题及整改措施:(1)发现问题:XX。
整改措施:XX。
(2)发现问题:XX。
整改措施:XX。
四、安全文明施工1. 本月安全事故情况:发生安全事故XX起,造成XX人死亡,XX人受伤2. 下周安全文明施工措施:(1)加强施工现场安全管理,严格执行安全生产规章制度。
(2)加强施工现场交通组织,确保施工安全。
(3)加强施工现场环境保护,严格执行环保法规。
五、项目管理1. 本月项目管理工作:完成XX项管理工作,主要包括XX。
2. 下周项目管理计划:完成XX项管理工作,主要包括XX。
六、协调沟通1. 本月与地方政府、相关部门沟通协调情况:沟通协调次数XX次,主要内容包括XX。
2. 下周沟通协调计划:沟通协调次数XX次,主要内容包括XX。
七、存在问题及解决措施1. 存在的问题:XX。
解决措施:XX。
2. 存在的问题:XX。
解决措施:XX。
八、下周工作计划1. 完成工程量:路基工程XX%,桥梁工程XX%,隧道工程XX%,路面工程XX%。
2. 完成节点目标:完成XX个节点目标。
3. 质量控制:确保质量合格率XX%,优良率XX%。
高速公路形象进度月报沈海复线高速公路**天宝至**段形象进度情况〔2022年2月〕一、工程投资完成情况1、截止2月25日,开工累计完成投资25810万元,占合同净价28942万元的89.2%。
本年度完成建安投资2410万元,占本年度投资方案6542万元的36.8%。
二、主要工程进展情况㈠前期工作情况:工可已于2022年9月批复,初设已于2022年11月批复。
㈡工程形象进度:1、路基工程:路基填方本月完成5万方,累计完成145万方,软基处理完成0万方,累计完成18万方,砂桩完成2000米,累计完成62000米。
2、桥梁工程:本月灌注桩基5根,累计灌注桩基482根,系梁完成0个,累计完成144个;墩柱完成0根,累计完成296根,盖梁完成0个,累计完成141个,桥台完成4个,累计完成21个;预制T梁完成3片,累计完成907片;架设T梁完成35片,累计完成903片;现浇梁完成0联,累计完成2联;预制空心板梁完成5片,累计完成13片;架设空心板梁完成11片,累计完成11片。
3、涵洞工程:本月完成0道,累计完成34道。
2月份完成产值510万元。
三、存在的主要问题A1合同段1、天宝镇洪坑村八组村民以征地补偿款未收到为由,经常阻挡路基土方填筑,严重影响施工进度。
2、**互通收费站广场新增用地未征,影响收费站广场土方填筑。
3、FK0+520处排涝站未迁改,影响**互通F匝道砂桩施工、土方填筑,造成F匝道不能贯穿。
四、下阶段工作方案和拟采取的主要措施〔一〕3月份方案完成:1、路基:路基填方完成20万方,边坡铺砌完成1500方,拱形护坡完成2000方。
2、桥梁:桥台完成2个,预制T梁完成40片,预制空心板梁完成20片。
3、涵洞完成1座。
方案产值1020万元。
〔二〕根据工程建设进度对资金的需求情况,及时向股东省高速公司、市路桥公司汇报;同时加强与金融部门的沟通,抓紧与各家银行协商,争取贷款能及时到位,确保工程建设顺利进行。
长安高速公路长治至平顺段工程项目
合同段
工程施工统计报表
二OO 年月
建设单位:长治高速公路有限责任公司监理单位:
承包单位:
填报人:项目负责人:
联系电话:填报时间:年月日监理组负责人:监理部负责人:
统计报表说明
(内容提要)
1.本合同段工程总体介绍。
土石方工程设计数量(m3),变更数量(m3),变更后数量(m3);桥梁工程设计数量(小桥、中桥、大桥及特大桥m/座),变更数量(小桥、中桥、大桥及特大桥m/座),变更后数量(小桥、中桥、大桥及特大桥(m/座),隧道工程设计数量(m/座),变更数量(m/座),变更后数量(m/座);防护工程设计数量(m3),变更数量(m3),变更后数量(m3)。
2.自开工各项工程累计完成工程量、投资及完成投资占变更后金额的百分比。
3.本月各项工程完成工程量、投资及完成投资占变更后金额的百分比。
4.本月所存在的问题。
5.下月计划完成情况。