苗木栽植检验批质量验收记录
- 格式:doc
- 大小:254.50 KB
- 文档页数:4
苗木栽植检验批质量验收记录
苗木栽植检验批质量验收记录
单位:XXX消防站和战勤分项
工程名称:保障消防站室外工程
施工单位:XXX
施工执行标准名称及编号:《园林绿化工程施工及验收规范》(CJJ82-2012)
苗木栽植验收部位:A区、B区
负责人:XXX
专业工长:/
分包负责人:/
施工班组长:/
质量验收规范的规定:施工单位检查评定结果符合规范要求
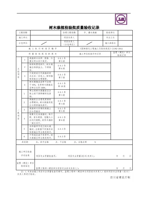
主控项目:栽植土及表层土整理符合规范规定;苗木品种、规格、栽植放样、栽植密度、栽植图案均应符合设计规定;苗木应覆盖地面,成活率满足规范要求;株行距均匀,高低搭配恰当;栽植尝试应适当,根部土壤符合要求。
检查结果:施工单位经检查,树木栽植的质量符合主控项目和一般项目的规定,自检合格。
监理(建设)单位验收记录:
项目专业质量检查员:年月日
监理工程师:(建设单位项目专业技术负责人)年月日
经过检查,本次苗木栽植质量符合《园林绿化工程施工及验收规范》(CJJ82-2012)的规定。
栽植土及表层土整理、苗木品种、规格、栽植放样、栽植密度、栽植图案、株行距、高低搭配、根部土壤压实等方面均符合设计规定和规范要求。
苗木成活率达到了标准要求,且未沾泥污。
因此,施工单位自检合格,经项目专业质量检查员和监理工程师验收记录后,该工程通过了验收。
树木栽植检验批质量验收记录日期:____年____月____日栽植地点:_______验收单位:_______施工单位:_______检验单位:_______一、栽植前准备1.栽植点的准备:检查栽植点的土壤是否平整,是否有杂草和垃圾,是否有可能影响树木生长的其他障碍物。
2.树木的质量:检查树木的整体状态,如树冠是否充实,枝叶是否繁茂,根系是否完整和健康。
树木的扦插生长是否良好,是否有明显的倒伏、干枯和病虫害等情况。
3.运输和保存:检查树木的运输和保存过程,包括运输手段和运输时间,保存条件和保存方式等。
确认运输和保存过程是否符合树木的要求,避免对树木造成损害。
二、栽植过程1.树坑的准备:检查树坑的大小和深度是否符合树木的要求。
树坑底部是否有排水设施和排水沟,以确保树木生长环境湿润但不过湿。
2.根系的处理:检查根系的修剪情况,确保根系整齐划一、有序,并且没有受损。
根系的处理方式应符合树木的生长特点和规范要求。
3.栽植方式:检查栽植方式是否正确,包括栽植角度、栽植深度和填土方法等。
确认树木栽植后是否能够稳定生长,避免栽植时的不规范操作导致树木倒伏或生长不良。
4.树木稳固:检查树木的支撑方式和支撑材料是否牢固可靠。
支撑方式应适应树木的生长情况,并且要确保树木在成长过程中能够保持稳定。
三、栽植后管理1.浇水:检查浇水的频率和浇水量是否符合树木的生长需求。
浇水过程中要注意避免积水和浸泡树木的根部,以免造成根系腐烂和生长不良。
2.施肥:检查施肥的方法和施肥剂的类型是否符合树木的养分需求。
施肥过程中要注意避免过量施肥和肥料的直接接触根系,以免造成根系烧伤和生长不良。
3.病虫害防治:检查病虫害防治的措施和效果。
确认是否采取了合适的病虫害防治方法,以避免树木因病虫害而受损。
四、质量验收结论根据以上检验内容和结果,结合相关栽植规范和标准,得出栽植批次的质量验收结论。
栽植批次合格□不合格□不合格情况说明:_____________质量验收人:_______职称:_______。
苗木运输和假植检验批质量验收记录一、任务目的本次质量验收的目的是确保苗木运输和假植工作的质量符合标准要求,为后续工作提供可靠的基础数据。
二、验收内容1.苗木运输:(1)运输工具及设备的使用情况;(2)苗木包装是否合理,有无破损;(3)苗木运输过程中的安全措施是否到位,有无事故发生。
2.假植:(1)假植工具和设备的使用情况;(2)假植操作规范是否符合要求;(3)假植后的苗木状况和存活率。
三、验收人员1.苗木运输验收人员:XX、XX、XX;2.假植验收人员:XX、XX、XX。
四、验收方法1.苗木运输(1)现场实地考察,观察运输工具和设备的使用情况,了解运输车辆是否符合相关要求,司机是否熟悉运输操作流程。
(2)检查苗木的包装情况,确认包装是否符合标准要求,有无破损。
(3)询问运输过程中是否发生安全事故,了解运输过程中的安全措施是否到位。
2.假植(1)现场实地考察,观察假植工具和设备的使用情况,了解操作人员是否熟悉工具的使用。
(2)检查假植操作是否符合相关要求,如苗木的培土深度、用土的质量等。
(3)观察假植后的苗木状况,了解苗木是否出现破损、折断等情况,并计算假植的存活率。
五、验收结果1.苗木运输(1)运输工具及设备的使用情况良好,工具设备齐全,司机熟悉操作流程。
(2)苗木包装符合标准要求,没有破损情况。
(3)苗木运输过程中无安全事故发生。
2.假植(1)假植工具及设备的使用情况良好,工具设备齐全,并且操作人员熟悉工具的使用。
(2)假植操作规范符合要求,苗木的培土深度和用土质量均合格。
(3)假植后的苗木存活率达到80%以上。
六、存在问题及改进建议1.苗木运输存在的问题:(1)运输工具的维护保养需要加强,避免出现故障。
(2)在苗木包装上加强保护措施,防止破损。
(3)司机需要进一步加强安全意识,确保运输过程中的安全措施到位。
2.假植存在的问题:(1)操作人员对于一些工具的使用还不够熟练,需要进行培训和指导。
(2)苗木培土深度不一致,需要加强操作规范的培训。
工程名称检验日期序号类别苗木名称来源规格根系树型及土球检疫单位进场数量检验结论:施工单位检查结果专业工长:(签名)项目专业质量检查员:(签名)年月日监理单位验收结论专业监理工程师:(签名)年月日注1.本表由施工单位填写。
2.类别划分:1.常绿乔木2.常绿灌木3.绿篱4.落叶乔木5.落叶灌木6.色块(带)7.花卉8.藤本植物9.水生植物10.竹子11.草坪地被工程名称单位工程名称施工单位分包单位项目负责人项目技术负责人分部(子分部)工程名称分项工程名称验收部位/区段检验批容量施工及验收依据《广东省城市绿化工程施工及验收规范》DB44/T581验收项目设计要求或规范规定最小/实际抽样数量检查记录检查结果主控项目1乔木胸径<10cm±0.510~20cm±1>20cm±2冠幅<2m±202~4m±30>4m±50树高<3m±303~5m±50>5m±80净干高<1m±101~3m±15>3m±30定干高度设计值-2灌木高度10%冠幅10%3袋装地被植物冠幅10%高度10%施工单位检查结果专业工长:(签名)项目专业质量检查员:(签名)年月日监理单位验收结论专业监理工程师:(签名)年月日注:1:行道树规格应填写定干高度。