热风工作业指导书
- 格式:doc
- 大小:161.50 KB
- 文档页数:18
热风工安全操作规程热风工是一项危险的工作,必须遵守安全操作规程,以保障工作者的生命安全和健康。
以下是针对热风工的安全操作规程,共计2000字。
第一章:安全意识与责任1.1 安全意识1.1.1 热风工操作人员应具备高度的安全意识,时刻关注自身安全和周围环境安全。
1.1.2 熟悉相关设备的安全操作规程和事故应急处理方法。
1.2 责任分工1.2.1 公司应明确热风工操作人员的责任和权限,并通过培训确保其理解和履行相应责任。
1.2.2 热风工操作人员应明确各自的职责,密切配合工作。
第二章:安全设备和防护措施2.1 安全设备2.1.1 操作前,热风工操作人员应检查和确保使用的安全设备完好有效。
2.1.2 包括防护帽、防护眼镜、耳塞、防护手套、耐高温服等,必要时还需要佩戴安全带。
2.2 防护措施2.2.1 操作前,热风工操作人员应对作业区域进行安全评估,并采取相应的防护措施。
2.2.2 确保作业区域通风良好,减少热风对呼吸道的刺激。
2.2.3 避免与火源、易燃物接触,减少火灾和爆炸的风险。
作业区域应清洁整齐,燃气设备应检修完好。
第三章:操作流程与规范3.1 操作前准备3.1.1 安全检查:热风工操作人员应对设备进行全面检查,确保设备无损坏和漏气现象。
3.1.2 工作区域:清扫作业区域,将易燃、易爆物品移走,确保工作区域整洁。
3.1.3 风险评估:评估相关风险,针对性制定安全操作方法。
若有风险无法排除或控制,则应暂停操作,及时报告上级。
3.2 操作规范3.2.1 操作人员应按照操作手册的要求,正确操作设备。
未经培训或未获得授权的人员不得擅自操作。
3.2.2 操作过程中,热风工操作人员应时刻关注设备运行情况和周围环境变化,及时采取措施避免事故发生。
3.2.3 操作结束后,热风工操作人员应对设备进行安全关闭和清洁,保证下次使用时的安全性。
第四章:事故应急处置4.1 火灾事故4.1.1 遇到火灾事故时,热风工操作人员应立即采取灭火措施,并通知相关人员迅速撤离现场。
热风整平前后处理工艺指导书编制:XXX 审核:XXX 批准:XXX第一节热风整平前处理工艺一、目的: 本指导书规定热风整平前处理工位的工作内容及步骤。
二、范围: 本指导书适用于热风整平前处理工位的工作过程。
三、设备:HL-SP2 喷锡前处理生产线3.1 生产能力:板长460MM*610M M 最大板厚0.5 -4.0MM3.2 工艺流程:入板-微蚀-冲污水-循环水洗(1) -循环水洗(2) -清水洗-吸干-强风吹干-上松香-收板四、材料:4.1 软化水( 总硬度<0.03 毫克当量/ 升)4.2 MACDERMID 29 铜微蚀清洁剂4.3 MACDERMID AF 去泡剂4.4 FLUX 6503 水溶性热风整平助焊剂五.工艺:5.1 工艺参数铜微蚀清洁段缸体容积330L加入100% MACDERMID 29的原液加入MACDERMID AF 20-60ML工作温度205.0 度工作速度1.0 -2.5M/MIN压力 1.0 -2.0 BAR清洗段(1)缸体容积280L加入280L 软化水压力 1.0 -1.5 BAR清洗段(2)缸体容积280L加入280L 软化水压力 1.0 -1.5 BAR上松香段缸体容积85L加入100% FLUX 6503 助焊剂原液所上助焊剂对裸铜表面应有良好的覆盖性。
注意:施工结束后必须认真填写<施工票>、<报废单>、<返工单>。
六.安全:6.1 电镀车间禁止吸烟、进食6.2 工作时,应配戴橡胶手套、防酸衣服,以避免溶液与皮肤和眼睛接触。
若溅到药物,请立即用清洁冷水清洗最少20 分钟,情况严重者,请立即去医院就诊。
七、记录表单:<施工票>、<报废单>、<返工单>。
第二节热风整平后处理工艺一、目的: 本指导书规定热风整平后处理工位的工作内容及步骤。
二、范围: 本指导书规定热风整平后处理工位的工作过程。
三、设备HL-SP2 喷锡后处理生产线3.1 生产能力:板长460MM*610M M最大板厚0.5 -4.0MM3.2 工艺流程入板-热水洗-轻擦洗板-循环水洗(1)-循环水洗(2) -清水洗-吸干-强风吹干-热风吹干-出板四、材料: 4.1 去离子水(电导率<10us/cm PH:5.5 -8)4.2 IR POST CLEANER 热熔后处理液4.3 去泡剂345五、工艺: 5.1 工艺参数热熔清洗段缸体容积280L加入250L 去离子水加入 5 -15L IR POST CLEANER 后处理液加入 1 -3L 去泡剂345工作温度40--50 度传送速度0.7 -2.5M/MIN轻擦洗板段轻擦压力 1.0 -2.0%擦压力随板厚的不同而调节, 保证经过轻擦洗后板面无残留的清洁液和去泡剂. 以及整个板面铅锡光亮无划痕。
热风工安全操作规程1、热风煤气工在煤气区域作业,严格执行国家燃气安全规定和本岗位技术操作规程,杜绝人身设备事故,保证安全生产。
2、在煤气区域作业,必须同时有两个或两个以上的人,携带好CO 报警仪,精神饱满,并注意好风向,严禁一人单独作业。
3、发现某区域煤气超标(≥100PPM),如热风炉值班室CO报警器发生报警时,应立即找出煤气来源,并向当班班长、工长汇报,落实防范措施,防止气体中毒事故。
3、发生煤气中毒事故,应立即将中毒者转移到通风处,解开衣领、裤带,必要时进行人工呼吸,并通知领导及煤气防护站进行抢救。
4、必须对高炉煤气系统进行动火维护:二切、一点、二接通。
二切:切断除尘器双钟切断阀和布袋DN700进口盲板阀;一点:炉顶点火;二接通:除尘器上下、高炉下降管上下与大气接通。
5、煤气系统动火前、应在安全科办手续,采取必要的安全措施;设备带煤气动火时,煤气压力应保持在3kpa以上。
如保压困难,应插盲板,可靠地切断气体并连接大气,经测定合格后,方可动火。
6、热风炉点火原则是先给火后给空气、煤气。
如果发现燃烧炉因燃烧风扇故障或其他原因而熄灭,应首先关闭煤气切断阀,利用烟囱自然抽力赶剩余煤气3分钟后,再重新点火。
7、炉顶点火,必须听炉长或工长通知,只有在气体保护站到达现场后才能进行,点火时人要站在点火孔侧面,点火后必须有专人监护,防止熄灭,引起事故。
8、热风炉炉顶温度因仪表或电偶故障,不能正确显示时,应立即通知仪表工进行更换,防止烧坏炉顶耐火砖。
更换前应做好安全防范措施。
9、机械、电气设备运转时,禁止清扫和维修。
湿手不准触及电器开关。
机械、电气设备或仪表故障,不准私自处理,应找相关人员维修。
10、检修热风阀(或混风阀)前,高炉应先堵好各风口,并适当打开烟道阀和另一热风炉的热风阀和烟道阀。
同一座热风炉的冷、热风阀,如需同时进行检修时间应错开。
11、应注意检查冷却水是否通畅。
热风炉冷却系统断水,应立即通知工长休风处理。
热风岗位安全操作规程正式版一、岗位介绍热风岗位是指负责炉内热风系统的运行和维护,确保炉内热风系统正常工作的岗位。
二、工作环境和风险评估热风岗位的工作环境一般在高温、高压等恶劣的条件下进行操作,工作风险主要包括烫伤、烟雾中毒等。
三、操作规程1.操作前应全面检查设备设施的完好性,确保电源和气源适量充足。
2.配戴安全防护用品,包括防护服、防护眼镜、耐高温手套等。
3.应按照操作程序进行工作,并保持专注,防止一切不必要的操作失误。
4.操作过程中,禁止穿插其他与热风系统无关的事务,确保工作过程的专注和安全。
5.加热过程中应细心观察各项指标,确保恒温值在正常范围内。
6.在炉体内操作时,应保持身体平衡,坚守自己的工作岗位。
7.炉体开启和关闭后,应随时观察其运行情况,确保正常运转。
8.操作完毕后,关闭相应的设备和电源,保持工作环境的整洁。
四、应急处理1.遇到炉体内温度异常过高情况时,应立即关闭电源,并及时向上级报告。
2.遇到炉体开启后无法正常启动的情况,应检查电源和控制系统并及时报告。
3.在操作过程中,如有煤气泄漏、燃烧情况异常等情况,应立即切断气源并执行相应的应急处理措施。
4.任何紧急情况发生时,应立即执行紧急预案,并及时向上级汇报。
五、个人安全措施1.养成良好的个人卫生习惯,保持体力与工作状况的匹配。
2.不得携带易燃、易爆物品进入工作现场。
3.禁止单独作业,必须两人以上操作。
4.在操作中,要注意互相配合,保持沟通畅通。
5.学会自救和互救技巧,随时保持对自身安全的意识。
六、违规处理对于违反操作规程的行为,将采取相应的处理措施,包括警告、罚款、调离岗位等。
七、制度执行本规程经确认后,将由相关负责人进行发布,并定期进行培训和检查,确保各项规程得以有效执行。
以上为热风岗位安全操作规程的正式版,旨在确保热风系统操作人员的人身安全和设备的正常运行,减少事故发生的可能性。
每位操作人员都应严格遵守规程,并不断提高安全意识和技能水平。
7006热风工作业指导书.唐山国丰第一炼铁厂质量管理体系作业文件导书作业指车炼铁一间热风工3)50m(4:状态受控Y TZY 7006 :件编码文:编号发放玉海:拟制人刘审炳核民人:李玉贵批人准:李发布日期:2009/04/30 实施日期:2009/05/011编制铁炼一车间历改履修2责岗位职热风工责岗位职、热风班长(一)业、安全全班人员的间主任的领导下,负责班1、长在车全安程、作操作规用分配使,以及技术操务学习、人员。
教育护规程的程和设备使用与维作操规 2、组织好全班生产,满足高炉生产要求,做好高炉的准备工作。
患备隐修,排除设所属设备的检查、维3、组织全班人员对的设备织更换级领导解决,组不和故障,能排除的要请上。
结教训因故要分析原总备件,发生事工做管,每日爱护,注意保具4、教育全班人员对工材料要。
计划用具使,况备情解本班设岗分钟到工作位,全面了提5、每天前30 产。
本排好班生安作。
全面工班对外联系和本的负6、责决解作,发现任提出请示工,及7、受车间主任领导时向主结作总底要写工月向及时车间主任汇报,事了不和重大故。
间领导报工作安排汇给车和月初、量、产量、质本于司执行公、厂部关安全、成彻责8、负贯。
制规各生境、环保环卫等项章度 39、按时参加车间例会及专题会议,组织召集本班例会和专题会议,负责组织本班内部各组及与其他外围单位的交接班工作。
10、按照标准化作业文件要求,及时、准确、工整填写各项记录。
(二)、组长岗位职责1、热风组长在班长的领导下开展工作。
2、负责全组的行政和业务领导。
3、负责组织岗位工学习岗位技术操作规程、安全操作规程和设备使用与维护规程,确保安全生产。
4、负责热风炉的人员、安全、设备和生产管理工作。
5、每月负责对所属设备提出定期检修方案,对不安全或有缺陷的设备及时与维修部门联系解决。
6、经常组织本组工人研究、改进技术操作,提高风温,延长设备的使用寿命。
7、每月负责组织白班人员定期对所属设备的跑煤气、跑风区域进行大检查一次,并做好检查记录。
××××有限公司标准安全操作规程文件编号:XXX-XXX-XXX 热风岗位安全操作规程编制:审核:批准:版本:受控状态:20××年10月10日发布20××年10月10日实施标准、完整的Word版文档,下载后可根据实际工作情况适当修改,自由编辑,适合相关行业人员参考,实际使用请删除本行文字。
热风岗位安全操作规程1.上岗时穿戴好劳动保护用品,禁止酒后上岗。
2.处理煤气设备时,应先通知煤气防护站,防护人员到场监护。
3.热风阀冷却水断水,装拆胶管应防止蒸汽喷出伤人,通水时,先间断给水、缓慢给水冷却。
4.任何人不得在热风炉区域停留、取暖、烘物或持火种进入,以防发生煤气中毒和爆炸事故。
5.电器设备故障应及时通知电工处理,湿手或戴湿手套不准触摸电器设备,防止触电。
6.进入煤气区域检查、操作必须两人同行,携带煤气检测报警仪,高空作业应注意风向,严禁空投工具材料。
7.点热风炉时,应先点燃火种再点燃煤气,点火失败,应立即关闭煤气阀,待3分钟后再进行二次点火。
8.进入箱体前必须置换,打开上、下人孔和放散,可靠关闭荒、净煤气阀门,经煤气防护站检测合格后方可进入并派专人监护。
9.热风系统定期检查,各处防爆孔定期更换。
10.严禁随意开关外网煤气管道的阀门。
11.休风时必须提前通知各煤气用户,并关闭外网管道阀门,引煤气前填写送煤气传递卡后,开供外网煤气管道阀门。
12.班中要经常检查煤气设施的工作情况,发现泄漏及时处理。
13.工作中要密切关注各仪表的变化,发现问题及时处理和汇报。
生产岗位通用安全操作规程一、严格遵守劳动纪律、工艺纪律、操作纪律、工作纪律。
严格执行交接班制度、巡回检查制度,禁止脱岗,禁止与生产无关的一切活动。
二、认真执行岗位安全操作细则,防止割伤、碰伤、棒伤、砸伤、烫伤、踩滑、跌倒及身体被卷入转动设备等人身事故和设备事故的发生。
三、开机前,必须全面检查设备有无异常,安全保护设施完好、并确认无人在设备上作业,方能启动运转。
版本:B编号:高炉热风岗位作业指导书起草人: 审核人: 批准人:2013-01-11发布 2013-01-12实施XX 集团有限公司炼铁总厂内部发放编号热风岗位作业指导书1、目的范围目的:为高炉安全环保的提供高温鼓风。
范围:适用于高炉作业区热风岗位的作业指导。
2、引用文件《炼铁总厂设备检修停送电管理规定》《炼铁总厂安全生产管理规定及考核细则》《炼铁总厂固体废弃物管理办法》《高处作业安全管理规定》《炼铁安全规程AQ 2002-2004》《废水和废气排放控制程序》《受限空间作业安全管理规定》3、工作职责和任务1)负责烧炉与送风2)负责热风炉炉体维护3)负责设备操作、检查、点检、润滑4)负责现场环境卫生5)负责记录填写6)负责检查所属岗位现场作业环境、设备、设施的安全状态4、工作程序和要求4.1工作准备4.1.1物料及要求润滑油:32#机油4.1.2设备及用途:名称用途热风炉本体为高炉提供热风助燃风机为热风炉烧炉提供助燃空气热风阀隔断热风炉和热风杠之间的联系冷风阀隔断热风炉与冷风支管之间的联系冷风调节阀调节通过热风炉的冷风流量充压阀向热风炉内充压空气调节阀调节助燃空气流量空气切断阀切断助燃空气与热风炉的联系煤气燃烧阀切断煤气与热风炉的联系煤气切断阀切断煤气与热风炉的联系煤气调节阀调节煤气量废气阀烧炉前炉内排压烟道阀排出热风炉烧炉产生废气混风调节阀向热风管道内混入一定的冷风调节风温混风切断阀切断冷风管道与热风管道的联系倒流阀倒流休风4.1.3个人防护所需防护用品:工作服、安全帽、防热鞋、手套,CO报警仪。
佩戴要求:工作服无破损,大小适宜;安全帽必须系带;防热鞋鞋带松紧适宜,CO报警仪定期检测。
4.1.4热风炉现场及室内环境要求工作现场卫生:热风炉平台无杂物;冬季无结冰积雪。
照明齐全。
主要环境因素活动/设备环境因素总分控制措施热风炉烧炉烧炉产生废气80 指标计划煤气的消耗8 指标计划助燃风机运行产生噪声20 隔离润滑油的消耗 5 指标计划废水的产生10 指标计划生产电的消耗 5 指标计划热风炉烧炉生产水的消耗10 指标计划润滑油的消耗 5 指标计划废水的产生10 循环利用地坪冲洗生产水的消耗10 指标计划废水的产生10 循环利用4.1.5安全主要危险源活动∕设备危险源类别危险源等级控制措施热风炉烧炉中毒和窒息煤气泄露,工作人员巡检时中毒Ⅰ携带煤气报警仪其他工作人员出入现场在走梯或平台跌Ⅴ平台、走梯保持平整清洁,无倒摔伤杂物。
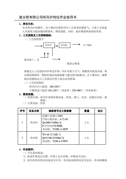
复合肥有限公司热风炉岗位作业指导书1、岗位任务:负责热风炉的操作,向干燥岗位提供符合工艺要求的烟道气,主要工艺低温大风量努力提高煤的燃烧率,降低煤耗,同时,做好煤场和渣场的管理。
2、工艺流程及工艺控制指标:一)工艺流程简介鼓风机Ⅰ、Ⅱ煤渣去堆场煤通过人工送进热风炉固定炉排,向炉内鼓入空气,调整鼓风机进风量,保证煤的燃烧率,燃烧形成的高温烟通气通过热风机配风,去干燥岗位,煤燃烧后的煤渣由人工从固定炉排上取出送到堆场。
二)工艺控制指标热风炉出口温度:200~300℃干燥机进口温度110~130℃(尿素系)250~400℃(非尿素系)3、管理范围:一)管理区域:热风炉系统所属设备、管道、阀门、仪表、电器以及构、建筑物。
二)主要设备一览表4、作业程序:一)开车前的准备:1、检查炉排是否完整,炉排上有无异物,炉膛是否完好。
2、盘车检查各转动设备是否正常,各设备润滑情况是否良好,热风机蝶阀是辣处于关闭状态。
3、检查上煤机有无堵塞、卡阻现象。
4、准备好点火用的引火物、干柴等,在炉排上铺一层引火物。
5、检查煤的储备情况,备足燃料。
二)开车:1、接到点火指令后,点燃炉排上引火物,待木柴燃旺后,铺上一层煤,使之燃烧。
启动上煤机,往炉膛、炉排上进煤。
视情况调整进煤量。
2、启动鼓风机Ⅰ、Ⅱ调整进口阀门开度(以维持热风炉微负压为限)。
3、炉膛温度达到要求后,通知后续岗位开车。
4、接到送风指令后(干燥尾气风机已启动),开启热风机。
开启烟道气蝶阀,同时调整鼓风机蝶阀开度(以维持热风炉做负压操作为限)。
调节燃烧情况,控制炉膛温度,烟气温度和干燥机进口温度。
5、调整热风机进口蝶阀和配风蝶阀。
三)停车:1、接到停车指令后,停热风机,关闭进口蝶阀,停鼓风机,停上煤机,同时往燃煤上覆盖一层煤压火。
2、若计划停车(热风炉熄火)应停止向煤斗进煤,待煤基本燃烧后,将炉排上煤渣排尽。
3、停车期间应做好设备的维护保养和卫生清扫工作。
四)正常作业要点:1、随时往煤斗加煤,做到不断煤,随时排出炉排上煤渣,保证燃烧情况良好。
高炉分厂热风炉作业指导书1.目的和适用范围1.1按照高炉指定的热风温度送风,完成高炉煤气净化处理和收集的任务。
1.2本作业指导书适用于炼铁分公司高炉分厂热风炉作业区。
2.引用标准和术语2.1术语2.1.1休风:高炉在生产过程中因检修、处理故障或其他原因,必须中断生产,停止向高炉送风。
2.1.2倒流休风:高炉在短期休风时,为了防止风口煤气着火喷溅,而打开热风总管上的倒流阀,使煤气由倒流阀放出,减小风口火势。
2.1.3拉风:高炉因生产需要,高炉值班长打开冷风总管上的放风阀,不经过风机房将风放掉。
2.1.4送风制度:为了保证向高炉输送指定的风温,而采取的一种合理的燃烧和送风制度,包括:两烧一送、一烧两送、一烧一送一停制度。
2.1.5送风:热风炉将冷风预热后经过热风总管送向高炉的工作状态。
2.1.6烧炉:为了保证向高炉输送指定的风温,而加热热风炉蓄热室的一种工作状态。
2.1.7换炉:热风炉由燃烧转闷炉转送风的过程或送风转燃烧的过程。
2.1.8闷炉:热风炉所有阀门都处于关闭状态。
2.1.9净煤气含尘:经电除尘、布袋除尘器除尘的高炉煤气中的杂质含量。
单位:mg/m32.1.10憋风事故:误操作将送风炉子的热风或冷风阀未开全或未打开,造成冷风压力升高、热风压力降低,导致高炉停产。
2.1.11放风:误操作将送风炉子的废气阀、烟道阀打开或将燃烧炉子的冷风阀、均压阀打开造成冷风、热风压力降低,导致高炉停产。
2.1.12冲洗:当煤气除尘塔的电场收集到灰尘后,停止收集灰尘工作,用洗涤水把电场电极上的灰尘冲刷干净后电场再次投入工作。
2.1.13反吹: 用脉冲氮气把附着在布袋上的细微粉尘吹落的工作。
2.1.14脉冲:使气体压力在相同时间内峰值从最高到最低有规则变化。
2.1.15滤水器:是安装在煤气洗涤水管路上过滤煤气水中杂物的装置。
2.1.16防爆膜:将过高的箱体系统压力向外界释放的一种安全装置。
3.职责3.1按高炉指定风温送热风。
1.目的为热风整平生产线建立一标准操作指引,保证喷锡品质。
2.适用范围本指引只适用于热风整平生产线。
3.职责3.1生产部负责执行本程序;3.2工程技术部负责程序的制定和修改,并对生产提供技术支援;3.3维修部负责设备的日常维修和定期保养;3.4品质部负责操作参数监控和仪器调校。
4.定义无5.参考文件无6.总则、概述6.1工艺简介喷锡也叫热风整平,其过程是:先通过化学的方法除去裸露铜面的氧化物和污物,保持铜面新鲜清洁,再通过喷锡的方式在铜面上涂覆一层铅锡或无铅层,喷锡完后的线路板既可以防止铜面氧化,便于客户进行电子元器件的装贴和焊接。
6.2 工艺流程6.2.1 工艺流程图合格上工序→前处理→涂助焊剂→热风整平→后处理→检修板→出版至下工序↓REJ返工6.2.2 有铅喷锡入板→微蚀→加压水温→酸洗→加压水洗→加压水洗→自来水洗→吸干→冷风吹干→涂助焊剂→有铅喷锡→气味空气冷却→入板→热水洗→毛刷刷板→循环水洗→加压水洗→高压水洗→自来水洗→吸干→强风吹干→热风吹干→出板6.2.3 无铅喷锡入板→微蚀→加压水湿→酸洗→加压水洗→加压水洗→自来水洗→吸干→冷风吹干→涂助焊剂→无铅喷锡→气麻空气冷却→入板→热水洗→毛刷刷板→循环水洗→加压水洗→高压水洗→自来水洗→吸干→强风吹干→热风吹干→出板6.2.4 金手指板贴金手指→压红胶纸→微蚀→水洗→酸洗→加压水洗→循环水洗→加压水洗→加压水洗→自来水洗→吸干→冷风吹干→上助焊剂→热风整平→气床空气冷却→入板→热水洗→毛刷刷板→循环水洗→加压水洗→高压水洗→自来水洗→吸干→强风吹干→热风吹干→出板→撕红胶纸→检板→出板6.3 工艺能力6.3.1 最大做板尺寸:600mm*600mm6.3.2 最小做板尺寸:200mm*200mm;6.3.3 最小板厚:0.8mm;6.3.4 最大板厚:3.5mm7.物料及设备7.1使用物料7.2主要工具口罩、隔音耳塞、耐高温手套、头盔、胶手套8.开工检查8.1前后处理线开工检查8.1.1岗位清洁情况;8.1.2物料是否合格;8.1.3是否戴手套;8.1.4检查微蚀、水洗的喷锡情况。
热风工安全操作规程范本第一章总则1.1 目的为确保热风工作过程中的安全,保护人员生命财产安全,规范热风工的操作行为,特编制本安全操作规程,以供相关工作人员参考和执行。
1.2 适用范围本规程适用于所有从事热风工作的工作人员,包括热风工的运行管理、设备操作、维护保养以及事故应急处置等环节的人员。
1.3 安全管理原则(1)预防为主,安全第一。
在热风工作过程中,安全应始终放在首位,采取预防措施以最大程度地减少事故的发生。
(2)人人参与,各负其责。
每个从事热风工作的人员都有安全责任,应积极参与安全管理工作,并按照规程要求履行自己的安全职责。
(3)科学管理,持续改善。
通过科学的管理和不断地改进,提高热风工作的安全性能,达到事故零发生的目标。
第二章安全操作规范2.1 工作前准备(1)工作人员应经过专业培训,具备相关操作技能和安全知识,且持证上岗。
(2)工作场所应保持整洁有序,设备应处于正常工作状态,不存在异常情况。
(3)确认是否已进行工作票、许可证等手续,并严格按照规程要求进行操作。
2.2 设备操作(1)严禁未经许可的人员操作设备,操作人员应了解设备的结构、原理,掌握操作要领。
(2)在操作之前,应对设备进行检查,确保设备完好无损,不存在异常现象。
(3)操作人员应按照相关规程要求使用个人防护装备,并注意设备运行过程中的安全事项。
(4)在设备操作过程中,应严格按照操作规程进行操作,遵守工作程序,维持设备的正常运行。
2.3 维护保养(1)设备的维护保养应按照规定的周期进行,并做好相关记录。
(2)在维护保养时,应先切断电源,避免电气伤害,再进行操作。
(3)维护保养人员应经过专业培训,熟悉设备结构和工作原理,掌握维护保养技能。
2.4 废弃物处理(1)废弃物应分类储存,并按照相关规定进行处理,确保不对环境造成污染和危害。
(2)废弃物的收集、运输和处理应由专业的单位进行,严禁非法倾倒和随意处理。
2.5 事故应急处置(1)事故应急预案应事先制定,人员应知悉应急程序和处置措施。
热吹风机作业指导书
一.目的:
确保热吹风机的正常使用,提供正确的方法予以指导。
二.使用者及范围:
修理员及工程部人员,用于焊接贴片物料,修补IC 及固化红胶
三.使用方法:
1.使用电源220V 。
2.打开电源面板打至“POWER ON ”位置,加热(HEATER )指示要开始闪烁。
3.根据制程或电子元件调节面板的“AIR ”及“HEATER ”旋扭开始预热。
面板
四:要求及注意事项
8 2 4 6
8 2 4 6
AIR HEATER
1.红胶制程“AIR”控制在4-5之间,“HEATER”控制在5-6之间。
2.锡膏制程集成电路(IC)“AIR”控制在5-7之间,“HEATER”控制在5-7之间。
3.加热时要使元件及PCB受热均匀,加热头须来回移动避免局部温度过高,烧坏元件或PCB。
4.使用中加热头应垂直拿握,避免对准人或易燃物品。
使用完毕应立即放回支架并关闭加热(HEATER)开关。
1/1
一、烤套管要求
1.烤套管时,套管要收缩到位,不可伤及套管、线材及其它原材料。
二、操作步骤
1.2.3. 1.电源开关 2.温度控制开关 3.送风口
三、1.热风枪使用时或刚使用过后,不要去碰触送风口的金属部位,以防烫伤。
2.生产过程中,如有短暂的时间不使用热风枪,只需将电源开关打到“Ⅰ”档位置即可。
3.批准
热风枪作业指导书
作业名称烤套管文件版次
A0制定日期2011-11-25WI-SOP-019制定部门工程部
发行日期2011-11-25页 码文件编号接上电源,将电源开关打到“Ⅰ”档,马达运行,有风吹出时,再把温度控制开关打到最大,如有热风送出时,则表示热风枪正常工作。
作业完成后,将温度控制开关调节到最小状态,电源开关打到“Ⅰ”档位置,当热风枪温度降下来冷却后,关闭电源开关。
如在生产过程中,发现有马达不运转或有不良的运转故障,请立即关闭电源开关,将温度控
制开关调节到最低温度,拔掉电源。
热风枪
注意事项
编制审核加热时,热收缩套管的起始收缩温度为65℃,完全收縮溫度為95℃,吹套管時溫度不得高于95℃,以防烫伤其它零部件。
热风枪送风口距离套管的高度为10CM。
然后均匀地向着热收缩套管加热,直到热收缩套管收缩到生产工艺所要求的状态,再将热风枪移开。
1
3
2。
热风工安全操作规程范本第一章总则第一条为保障热风工施工人员的人身安全和财产安全,规范施工作业流程,特制订本安全操作规程。
第二条所有参与热风工施工作业的人员都必须遵守本规程,做到安全优先、预防为主,杜绝事故发生。
第三条热风工施工作业应根据实际情况,合理调整作业方式和方法,确保施工质量和安全。
第四条热风工施工作业中出现的疑难问题和紧急情况,应及时报告负责人,并采取有效措施尽快解决。
第五条负责人应对施工现场进行全面监管,对不遵守本规程的人员进行制止和教育。
第二章环境安全措施第一条施工现场应清理整齐,杂物和堆放物品不得遗留在通道和操作区域。
第二条施工现场应设置明显的安全标志,警示人员注意安全。
第三条施工现场应配备防护设施,如安全带、安全鞋、安全帽等,人员必须正确佩戴,并定期检查是否完好。
第四条热风工施工作业不得在雨天、高温天气和强风天气进行。
第三章作业操作规范第一条所有参与热风工施工作业的人员必须经过专业培训和考核合格后方可上岗。
第二条操作人员在进行热风工施工前,应对设备进行检查,确保设备正常运行。
第三条热风工施工作业前,应固定周围工地通行工具,并采取防护措施,确保施工现场安全。
第四条施工作业中,严禁私自改变施工方案和操作程序,必须按照规定的工艺进行作业。
第五条操作人员必须保持机器设备的清洁,并根据操作规范定期进行保养和维修。
第四章紧急情况处理第一条在热风工施工中,如发生事故、火灾、人员伤亡等紧急情况,应立即报告负责人,并立即采取有效措施处理。
第二条发生火灾时,应立即切断电源和燃气,并使用灭火器、灭火器具进行扑灭,如灭火无效,应迅速疏散人员并报警。
第三条发生人员伤亡时,应立即停止施工,保护现场,拨打急救电话,并将伤者送往医院进行治疗。
第五章纠纷处理第一条在热风工施工过程中,如出现纠纷,应通过协商方式解决。
第二条若协商未果,双方可申请调解或诉讼解决。
第六章处罚规定第一条违反本规程的人员,将受到相应的处罚。
热风工作业指导书————————————————————————————————作者:————————————————————————————————日期:唐山国丰第一炼铁厂质量管理体系作业文件炼铁一车间热风工作业指导书(450m3)受控状态:文件编码:YTZY7006发放编号:拟制人:刘玉海审核人:李炳民批准人:李玉贵发布日期:2009/04/30实施日期:2009/05/01炼铁一车间编制修改履历版号修改状态修改条款修改内容修改人批准人实施时间A、0苏东学2008/05/01E 0GB/T19001-2000换版GB/T19001-2008。
李玉贵2009/05/01E 1 修改技规,换炉操作:增加一条内容马德民王长宇2010/08/01E 2 修改技术规程马德民苏东学2011/05/01热风工岗位职责(一)、热风班长岗位职责1、班长在车间主任的领导下,负责全班人员的安全、业务学习、人员分配使用,以及技术操作操作规程、安全操作规程和设备使用与维护规程的教育。
2、组织好全班生产,满足高炉生产要求,做好高炉的准备工作。
3、组织全班人员对所属设备的检查、维修,排除设备隐患和故障,不能排除的要请上级领导解决,组织更换设备的备件,发生事故要分析原因总结教训。
4、教育全班人员对工具材料要爱护,注意保管,每日做工具使用计划。
5、每天提前30分钟到工作岗位,全面了解本班设备情况,安排好本班生产。
6、负责对外联系和本班的全面工作。
7、受车间主任领导,及时向主任提出请示工作,发现解决不了和重大事故及时向车间主任汇报,月底要写工作总结和月初工作安排汇报给车间领导。
8、负责贯彻执行公司、厂部关于安全、成本、产量、质量、环保、环境卫生等各项规章制度。
9、按时参加车间例会及专题会议,组织召集本班例会和专题会议,负责组织本班内部各组及与其他外围单位的交接班工作。
10、按照标准化作业文件要求,及时、准确、工整填写各项记录。
(二)、组长岗位职责1、热风组长在班长的领导下开展工作。
2、负责全组的行政和业务领导。
3、负责组织岗位工学习岗位技术操作规程、安全操作规程和设备使用与维护规程,确保安全生产。
4、负责热风炉的人员、安全、设备和生产管理工作。
5、每月负责对所属设备提出定期检修方案,对不安全或有缺陷的设备及时与维修部门联系解决。
6、经常组织本组工人研究、改进技术操作,提高风温,延长设备的使用寿命。
7、每月负责组织白班人员定期对所属设备的跑煤气、跑风区域进行大检查一次,并做好检查记录。
8、负责组织热风炉大小修、质量检查与验收工作。
9、负责对外联系,工具材料领用,原始记录的登记和保管,负责本岗位的防冻防雨工作。
10、负责贯彻执行公司、厂部关于安全、成本、产量、质量、环保、环境卫生等各项规章制度。
11、按时参加车间例会及专题会议,做好交接班。
12、按照标准化作业文件要求,检查并及时、准确、工整填写各项记录。
(三)、热风工岗位职责1、在当班组长的领导下,负责当班的全部业务工作及对外联系工作。
2、组织当班停送煤气和休风、复风操作。
3、负责当班所属设备的检查,发现问题,及时联系处理。
4、听从高炉工长指示,掌握换炉时间,负责烧炉。
5、负责对室内外进行清扫。
6、负责检查冷却水的压力、水量、温度等是否正常。
7、及时调节风温,保持风温稳定。
8、填写操作记录及保管室内外一切用具。
9、经常检查热风炉压力情况,出现不正常现象及时与有关部门联系。
10、负责贯彻执行公司、厂部关于安全、成本、产量、质量、环保、环境卫生等各项规章制度。
11、按时参加车间例会及专题会议,做好交接班。
12、按照标准化作业文件要求,及时、准确、工整填写各项记录。
二、操作规程(一)、热风工岗位安全操作规程1.上岗前必须按规定穿戴好劳保用品。
2.去煤气区域工作,必须两人以上,看好风向,站在上风头操作,防止煤气中毒。
3.去高空、煤气区域作业,必须两人以上,并通知煤防站人员进行监护,上下楼梯要扶好站稳,禁止向下扔东西。
4.拱顶温度低于800℃时,要先点火后方可引煤气烧炉。
点火时应侧对点火孔,防止喷火伤人。
5.热风炉通风时,禁止打开各阀门进行检修;热风炉燃烧时,禁止修复重要部位;热风炉上部清灰时,禁止打开下部各阀门,烟道阀除外。
6.煤气设备动火检修时,要经安全部门认可,持动火证方可进行。
7.修理热风管道时,必须遵守下列规定:1)卸下全部直吹管。
堵严全部风口2)打开有关热风炉的烟道阀。
3)打开有关热风炉的热风阀或倒流休风阀,使热风管道处于有抽力状态。
4)热风管中有人工作时,禁止燃烧本高炉的热风炉。
8.每换一次炉要测量一次冷却水温度,进出水温度应小于5℃,保证冷却水畅通。
9.烧炉用的煤气管道必须保持正压,压力低于3Kpa时立即停止烧炉。
煤气管道必须用蒸汽或氮气清扫。
10.处理热风阀冷却水时,应先确认进、出水管,操作时注意力集中,管口方向不得站人,防止热水、蒸汽烫伤。
11.雨天操作电器设备时,必须加强绝缘防护,穿戴绝缘手套,以防触电。
12.接到倒流休风信号前,严禁进行倒流休风操做。
严禁在复风前打开混风阀。
13.室内操作盘禁止用湿棉布进行擦拭,且不准挂东西,室外操作箱禁止打水。
14.检修电器设备时,必须联系确认好,严格执行挂牌制度。
15.热风炉区域禁止闲人逗留。
热风炉设备禁止非操作人员乱动。
16.热风阀、倒流休风阀的破损检查,应先倒换工业水,然后进行常规“闭水量”检查。
17.倒换工业水的供水压力,应大于风压0.05Mpa,应按顺序倒换工业水,防止断水。
18.至少每2小时检查一次热风炉,当高炉风压小于0.05Mpa时,应关闭混风切断阀。
热风炉炉顶发红,开焊或有裂纹应立即停用及时处理。
19.高炉休风时,热风工必须关闭喷煤系统的废气阀门。
20.严格执行工业企业煤气CB6222—2005煤气安全操作规程。
(二)、技术操作规程(1)、热风炉烘炉及炉凉操作1、烘炉和炉凉时,要使炉内温度缓慢变化,以免耐火砖突然涨缩,破坏砖内结构和炉皮结构。
2、烘炉前,必须做好热电偶位置及准确度的核对,燃烧器内放入木柴用引火物点燃,将炉顶温度烘至150℃以后,再放入少量煤气燃烧,燃烧器内耐火砖未烧红前要经常保持有一部分木柴燃烧,炉顶温度达到700℃,可以采用全部煤气进行燃烧。
3、每次烘炉前要制定烘炉曲线(由煤气技师与有关人员共同商定,由技术科制定烘炉曲线),要按烘炉曲线进行烘炉。
4、按烘炉曲线掌握烘炉时间和拱顶温度,并及时调剂使温度波动不大于10℃,当烘炉温度超过规定进度时,切勿将温度降低,只能在该温度上等候,当烘炉温度低于规定时,不能加快升温速度,只能将烘炉时间适当延长。
(2)烧炉操作:1、开始燃烧时,使用热风炉能接受的最大煤气量和最小空气的过剩系数,使炉顶温度在最短的时间内(20—30分钟),达到规定指数,并保持此指数到燃烧期终了。
2、拱顶温度达到规定后,调剂空气过剩系数,使炉顶温度不超过规定值。
煤气流量控制范围为779~1068 m3/min。
3、当烟道温度接近最高温度时(350℃),同时减少煤气量和空气量,以控制烟道温度不超过350℃。
为300~350℃。
4、当拱顶温度上升速度缓慢,而烟道温度上升很快时,表明是由于空气过剩系数不适当,应及时调剂煤气量和空气量。
5、送风终了,应保持拱顶温度不低于1000℃,以增大煤气燃烧速度。
助燃风流量控制范围为610~802m3/min。
(3)换炉操作:1、热风炉定时换炉,450高炉推荐热风炉60分钟换炉一次,杜绝热风炉焖炉,以减少换炉前后风温波动大。
2、由送风变燃烧(1)、关闭冷风阀(2)、关闭热风阀(3)开废气阀放净炉内废气(4)开烟道阀(5)关废气阀(6)开燃烧阀(若炉内温度过低,煤气不能自动燃烧,应从点火孔伸入火把,稍开煤气调节阀,将煤气点燃,然后开燃烧阀)将火焰引向燃烧室。
(7)关放散阀(8)开空气切断阀(9)、打开空气调节蝶阀(10)开煤气切断阀(11)开煤气调节蝶阀(先慢开一个等炉内煤气着火后大开再开第二个(12)用放散阀调节煤气压力或煤气总管电动蝶阀调节到需要程度。
2、由燃烧变送风:(1)关闭煤气切断阀(2)关闭煤气调节蝶阀(3)用放散阀调节煤气压力或煤气总管电动蝶阀调节(4)关闭空气切断阀(5)关闭空气调节阀(6)关闭燃烧阀(7)开放散阀(8)关闭烟道阀(9)打开冷风均压阀(10)打开热风阀(11)打开冷风阀(12)关闭冷风均压阀。
(4)排风操作:1、接到值班工长通知排风后,把混风阀关闭。
2、排风阀拉开后,调整煤气压力,保持热风炉的正常燃烧。
3、复风后打开混风阀,适当调节净煤气压力。
4、严禁从热风炉烟道进行倒流排风。
5、两炉同时排风时,要停烧热风炉,停止向用户送煤气,必要时煤气管路中通入蒸气,以保持管路正压。
(5)、休风操作:1、接放风信号后,关闭混风阀。
2、接到休风信号后,关闭冷风阀。
3、关闭热风阀。
4、休风后将送风炉烟道阀开1/3。
5、休风3小时以上时,关闭烟道阀。
(6)、紧急休风操作(发现停电、断水、炉缸烧穿或其他紧急事故时,采取紧急休风的操作措施):1、接到紧急休风信号,打开煤气放散阀(如果突然停电引起信号失灵时,要根据风压表、煤气压力进行全面操作,或只一座高炉出事故,煤气系统做部分操作)。
2、打开煤气系统氮气蒸气截门并通入蒸气或氮气。
3、关闭各炉煤气切断阀。
4、关闭各炉煤气调节阀。
5、关闭净煤气管道蝶阀。
6、关闭混风阀。
7、关闭送风炉冷风阀。
8、关闭送风炉热风阀(包括均压阀)。
9、关闭各炉燃烧阀,打开各炉煤气排空阀。
10、关闭各炉空气切断阀。
11、关闭各炉空气调节阀。
12、打开1/3各炉烟道阀。
13、停风时间超过两小时,关闭烟道阀。
(7)、倒流休风操作:1、接到倒流休风信号后,妥善的做好一般休风操作。
2、待高炉打开窥视孔后,(一般打开数目不少于风口数目二分之一)。
3、打开倒流休风阀5、停止倒流休风的操作方法6、接到停止倒流休风信号。
7、关闭倒流休风阀。
8、回信号表示倒流停止。
9、妥善做好一切复风操作。
(8)、送风操作:1、送风前联系好送风时间,做好冷风系统和煤气系统的检查,检查后,确认各种设备对送风无影响时通知高炉值班工长送风。
并准备好送风炉号。
2、接到送风信号后,打开送风热风炉的冷风均压阀、热风阀。
3、打开冷风阀,关闭冷风均压阀,给值班工长回铃。
4、开混风切断阀。
(9)、送煤气操作:1、接到预备送煤气信号,打开煤气放散阀,并联系好蒸气或氮气。
2、打开热风炉煤气管道系统所有氮气或蒸气截门,并通过蒸气或氮气。
3、接到送煤气信号后,同布袋除尘器联系开煤气主电动蝶阀。
4、打开热风炉煤气电动蝶阀。
5、见煤气主管末端放散阀冒出大量煤气后(结合压力表),关闭煤气系统所有蒸气截门或氮气截门。
6、根据煤气压力并作防爆试验合格后点火烧炉。