中级CAD绘图员考试试题(八套试题,附样图).
- 格式:doc
- 大小:2.85 MB
- 文档页数:20
中级cad考试题及答案中级CAD考试题及答案1. 单选题:以下哪个选项是CAD软件中用于创建直线的命令?A. LINEB. CIRCLEC. ARCD. RECTANGLE答案:A2. 多选题:在CAD中,以下哪些工具可以用于修改对象?A. ERASEB. MOVEC. COPYD. ROTATE答案:A, B, C, D3. 判断题:在CAD中,使用ARRAY命令可以创建对象的阵列。
答案:正确4. 填空题:在CAD中,使用命令 ________ 可以测量两点之间的距离。
答案:DISTANCE5. 简答题:请描述在CAD中如何使用HATCH命令创建填充图案。
答案:要使用HATCH命令创建填充图案,首先需要定义一个边界,然后选择HATCH命令,选择边界对象,接着选择一个填充图案,最后指定填充的密度和角度,完成填充。
6. 计算题:给定一个矩形,其长为100mm,宽为50mm,请计算其面积。
答案:面积 = 长× 宽= 100mm × 50mm = 5000mm²7. 操作题:请在CAD中绘制一个直径为80mm的圆形,并将其复制到距离原圆心100mm的位置。
答案:首先使用CIRCLE命令,以圆心为起点,输入直径80mm。
然后使用COPY命令,选择刚刚绘制的圆形,指定基点为圆心,然后输入@100,0(假设复制方向为水平方向)。
8. 综合题:请根据以下尺寸绘制一个简单的房屋平面图:房间1的尺寸为3m×4m,房间2的尺寸为2m×3m,房间3的尺寸为3m×3m,门宽1m。
答案:首先绘制房间1,使用RECTANGLE命令,指定左下角点为(0,0),宽度为3m,高度为4m。
接着绘制房间2,以房间1的右上角为起点,宽度为2m,高度为3m。
最后绘制房间3,以房间2的右上角为起点,宽度为3m,高度为3m。
在房间1和房间2之间绘制一个宽度为1m的门。
以上即为中级CAD考试题及答案的全部内容。
中级制图员题库+答案一、单选题(共100题,每题1分,共100分)1.在绘图软件中有些基本形体可以由一个命令直接绘制,这些命令就是绘图命令,但()不是绘图命令可以完成的。
A、标记等分点B、画椭圆曲线C、标注尺寸线D、画样条曲线正确答案:C2.向视图是一种()配置的基本视图。
A、移位B、在右视图的左边C、在左视图的右边D、在规定位置正确答案:A3.移动圆对象,使其圆心移动到直线中点,需要应用:()A、栅格B、捕捉C、正交D、对象捕捉正确答案:D4.画组合体的正等轴测图,按位置关系,逐一画出()的正等轴测图。
A、各基本体B、圆C、棱柱D、截交线正确答案:A5.在标注圆的直径时应在尺寸数字前加()。
A、SB、RC、SΦD、Φ正确答案:D6.以下关于职业道德论述,错误的是()。
A、职业道德依靠文化、内心信念和习惯,通过员工的自律实现B、职业道德大多没有实质的约束力和强制力C、职业道德的主要内容是对员工义务的要求D、职业道德能起到调节企业与市场的作用正确答案:B7.平行投影法中的投射线与投影面相()时,称为正投影法。
A、垂直B、倾斜C、相交D、平行正确答案:A8.徒手画椭圆时,可先画出椭圆的(),然后分别用徒手方法作两钝角及两锐角的内切弧,即得所需椭圆。
A、内切长矩形B、外切四边形C、外切长矩形D、内切四边形正确答案:B9.垂直于V面,平行于H面的平面称为()。
A、正垂面B、水平面C、侧平面D、一般面正确答案:C10.对较小物体()时,可用铅笔直接放在实物上测定各部分的大小,然后按测定的大小画出草图。
A、检验B、加工C、包装D、目测正确答案:D11.左视图反映了物体上、前、()的相对位置关系。
A、左、右B、下、后C、后、左D、下、右正确答案:D12.不可见轮廓线采用()来绘制。
A、点画线B、粗实线C、虚线D、细实线正确答案:C13.职业纪律具有的特点是()。
A、一定的弹性B、强制性C、明确的规定性D、一定的自我约束性正确答案:C14.球体截交线的形状总是()。
cad中级考试题及答案一、单项选择题(每题2分,共20分)1. CAD软件中,用于创建直线的命令是?A. LineB. CircleC. ArcD. Rectangle答案:A2. 在CAD中,如何快速选择多个对象?A. 使用鼠标拖动框选B. 按住Shift键并点击对象C. 使用Ctrl键点击多个对象D. 使用Tab键切换选择答案:C3. 下列哪个命令用于绘制圆弧?A. ArcB. CircleC. EllipseD. Donut答案:A4. 在CAD中,如何测量两点之间的距离?A. 使用DI命令B. 使用MEASURE命令C. 使用DIST命令D. 使用MEASUREGEOM命令答案:C5. CAD中,哪个命令用于创建矩形?A. RectangleB. BoxC. PolylineD. Polygon答案:A6. 如何在CAD中创建一个多边形?A. 使用POLYLINE命令B. 使用POLYGON命令C. 使用RECTANGLE命令D. 使用CIRCLE命令答案:B7. 在CAD中,哪个命令可以创建一个圆?A. CircleB. EllipseC. ArcD. Donut答案:A8. 如何在CAD中复制一个对象?A. 使用COPY命令B. 使用ARRAY命令C. 使用OFFSET命令D. 使用MIRROR命令答案:A9. 在CAD中,哪个命令用于创建一个矩形?A. RectangleB. BoxC. PolylineD. Polygon答案:A10. CAD中,哪个命令用于创建一个椭圆?A. EllipseB. CircleC. ArcD. Donut答案:A二、多项选择题(每题3分,共15分)1. 在CAD中,以下哪些命令可以用来创建圆?A. CircleB. EllipseC. ArcD. Donut答案:A, B, C2. 下列哪些命令可以用来修改对象?A. MOVEB. COPYC. OFFSETD. ROTATE答案:A, B, D3. 在CAD中,以下哪些命令可以用来测量对象?A. DISTB. MEASUREC. AREAD. LIST答案:A, C, D4. CAD中,以下哪些命令可以用来创建多线段?A. LINEB. POLYLINEC. SPLINED. PEDIT答案:B, C5. 在CAD中,以下哪些命令可以用来创建文本?A. TEXTB. MTEXTC. DTEXTD. MT答案:A, B三、判断题(每题1分,共10分)1. 在CAD中,使用ZOOM命令可以放大或缩小视图。
一、填空题(每题1分,共30分)1.草图设置对话框中有捕捉和栅格选项卡.极轴追追踪选项卡和对象捕捉选项卡 .2.AUTOCAD是美国的 AUTODESK 公司开发的计算机绘图软件.3.在编辑工具中,阵列工具分为:矩形阵列和环形阵列.4.在AutoCAD可进行多文档工作环境,可利用 Ctrl+Tab 或Ctrl+F6快捷键来切换文档.5.在机械制图中,中国标准图纸的规格有: A0 ,A1,A2,A3,A4.6.等轴测图有上.左.右三个轴测平面,可用 F5 功能键来切换这三个平面来绘制轴测图.7.图层的基本特性有图层名,颜色, 线型 ,线宽和打印样式.8.偏移命令对于创建同心圆和平行线 ,比复制命令更加有效.9.矩形阵列的基本图形及起始对象放在左下角,以向右. 向上为正方向.10.尺寸箭头可以用短划线 .点和斜杠来代替.11.Autocad默认的线型是实线,Center表示中心线 .12.平行投影法分为斜投影法和正投影法.13.在正等轴测图中,轴向伸缩系数为 0.82 ,简化系数为1.14.在斜二等轴测图中,取XOY为90度时,XOY和YOZ的两个轴轴间角分别为: 135 度和135度.15.一对互相啮合的齿轮,它们的模数和齿形角必须相等.16.图纸的装订位置应该在图纸的左上角.图纸一般折叠成A3或 A4 的规格再装订.17.圆柱被平面切割后产生的截交线有圆,矩形和椭圆 .18.在AutoCAD中文本的创建方式分为单行文本和多行文本.19.在文本的字符代码输入中,表示“+”的代码是 %%P .20.Autocad状态栏中,正交和极轴按钮是互斥的,若打开其中一个按钮,则另一个自动关闭.21.AutoCAD的删除命令是Erase;Trim命令的中文含义是修剪 .22.局部放大图可以画成视图,剖视图和断面图,与被放大部分的表达方式无关.23.普通螺纹的螺距有粗牙和细牙两种,其中粗牙螺距不标注.24.轴承的标记有三部分组成,分别为: 轴承名称 ,轴承代号和标准代号.25.画正多边形的命令是POLYGON;延伸的命令是 OOPS .26.线型尺寸标注型式有水平标注.垂直标注.对齐标准.旋转标注.基线标注和连续标注.27.尺寸变量DIMTXT的功能是设定文本的高度 .28.AUTOCA的坐标系统有世界坐标系,用户坐标系,其中世界坐标系是固定不变的.29.CAD三维模块有线框模型,曲面模型,实体模型三种类型,其中主要生成的是实体模型 .30.布尔运算包括并集 ,交集,差集.31.菜单是Windows应用程序广泛采用的人机交互形式,Autocad的菜单包括下拉菜单.上下文跟踪菜单. 屏幕菜单三种.32.绘图环境一般包括绘图单位 .精度以及绘图空间的界限范围等.33.在Autocad中定位点可以采用多种坐标,包括绝对直角坐标 .绝对极坐标.相对直角坐标和相对极坐标.34.Autocad中F1键的功能是获取帮助,F2键的功能是切换作图窗口和文本窗口.35.一个完整的尺寸包括:尺寸界线 ,尺寸线,尺寸文字和箭头四部分组成.36.一般情况下,Autocad缺省的图纸尺寸为 A3 号图纸.37.索引符号中5的含义是详图在5号图纸中 .38.中心孔的形式有: R型 A型 B型 C型四种39.在制图中,一般的退刀槽按照: 槽宽×槽深和槽宽×直径的形式标注.40.表面粗糙度的主要判定参赛有: __ 轮廓算术平均偏差 ,轮廓最大高度和轮廓微观不平度十点43.auTocad中,使用矩形命令不仅可以画直角矩形,还可以画四角为____倒角或圆角____的矩形.44.AUTOCAD中,工具栏的显示方式有2种: 固定方式和浮动方式 .45.在AUTOCAD中,可以通过组合键Ctrl+F6和___ Ctrl+Tab_____在已经打开的不同图形文件之间切换.46.AUTOCAD中,命令的输入的方式有: 命令行, ______下拉菜单___,工具栏等.47.俯视图和左视图之间的投影关系是宽相等 .48.用平行于投影面的平面截圆球,所得截交线在该投影面上的投影为圆 .49.绘制轴测图时,只能沿着轴向度量.50.螺栓GB5780-86M12×45代号中的45是指公称长度 .54.图纸中数字和字母分为 A 型和B型两种.55.配合分为间隙配合,过盈配合和过渡配合三种.56.确定绘图时的长度单位 ,角度单位及其精度和方向是保证绘图准确的前提.57.辅助平面法求相贯线的作图原理是三面共点 .60.AUTOCAD中,删除的命令除了在图标按钮外,还可以通过命令行输入: ___E___和菜单命令的修改-删除.二、选择题(每题1分,共30分)1.下面的操作中不能实现复制操作的是( D )A.复制 B.镜像 C.偏移 D.分解2.下面关于拉伸对象的说法不正确的是(A )A.直线在窗口内的端点不动,在窗口外的端点移动B.在对区域填充部分拉伸对象时,窗口外的端点不动,窗口内的端点移动C.在拉伸圆弧时,圆弧的弦高不变,主要调整圆心的位置和圆弧的起始角和终止角D.多段线两端的宽度.切线方向以及曲线及拟合信息均不改变3.在Autocad中保存文件的安全选项是:( B )A.自动锁定文件B.口令和数字签名C.用户和密码D.数字化签名4.在“创建图纸集”向导中,图纸集可以( D )创建.A.从图纸集样例 B.从现有图形文件 C.从图形样板文件 D.A和B5.将绘制的图形保存为样板文件的文件名为( C ) .A *.DwgB *.DXfC *.DwTD *.Dwf6.AUTOCAD的坐标体系包括世界坐标系和( D ) .A.绝对坐标系B.平面坐标系C.相对坐标系D.用户坐标系7.若图面已有一点A (2,2) ,要输入另一点B (4,4) ,以下方法不正确的是( C ) .A.4,4B.@2,2C.@4,4D.@2<458.移动圆对象,使其圆心移动到直线中点,需要应用( D ) .A.正交B.捕捉C.栅格D.对象捕捉9.在Autocad 中画出图形“.”的命令是( A)A.Point B.DonuT C.hatch D.soLiD10.在Autocad中被锁死的层上( B )A.不显示本层图形 B.不能‘修改本层图形C.不能增画新的图形 D.以上全不能A.Break B ) mLeDh C explode D).Trim13.以下有关Autocad"捕捉模式”(SNAP)和“栅格模式”(CRID)的叙述正确的是( D )A.栅格的纵横间距必须相等B.SNAP的纵横间距必须相等C.只有显示栅格式打开SNAP才能捕捉到栅格点D.当栅格的间距与SNAP的间距对应相等,SNAP总是捕捉栅格点14.应用倒角命令“Chamfer”进行倒角操作时:( C )A.不能对多段线对象进行倒角B.可以对样条曲线对象进行倒角C.不能对文字对象进行倒角D.不能对三维实体对象进行倒角15.移动圆对象,使其圆心移动到直线中点,需要应用:( D )A.正交B.捕捉C.栅格D.对象捕捉16.用旋转命令“rotate”旋转对象时:( B )A.必须指定旋转角度B.必须指定旋转基点C.必须使用参考方式D.可以在三维空间缩放对象17.有一实物的某个尺寸为10,绘图是采用的比例为2:1.标注是应标注( B )A.5 B.10 C.20 D.5mm18.在机械制图中,一般要求字体为:( C )A.仿宋体B.宋体 C.长仿宋体D.黑体19.计算机辅助设计的英文缩写是( A )A) CAD B) CAM C) CAE D) CAT 20.以下关于打断命令说法错误的是(A )A.打断命令可以将-5图分成两个相等部分B.打断命令可以部分删除图元C.打断命令可以利用键盘输入“Br”启动D.打断命令可以将一条直线分成两段相连部分21.关于心寸标注,以下说法正确的是(D )A.在尺寸标注时,不可以直接输入公差,需在村注样式中修改公差值B.在引线标注时,文字标注的位置可以在尺寸线上面,中间线下面C.在修改尺寸文字后,线性尺寸会随着尺寸的变化而变化,如直线为5.若改为10.则直线的长度为动设为10D.可通过设置在尺寸标注时,由用户控制尺寸置位置22.在设置点样式时可以( A)A.选择【格式】【点样式】命令 B.右击鼠标,在弹出的快捷菜单中单击【点样式】命令C.选取该项点后,在其对应的【特性】对话框中进行设置 D.单击【图案填充】按钮23.要创建与3个对象相切的圆可以(A )A.选择【绘图】【圆】【相切.相切.相切】命令 B.选择【绘图】【圆】【相切.相切.半径】命令C.选择【绘图】【圆】【三点】命令 D.单击【圆】按钮,并在命令行内输入3P命令24.在Autocad中给一个对象指定颜色的方法很多,除了:( D )A.直接指定颜色特性B.随层“By Layer”C.随块“By Block”D.随机颜色25.在Autocad中可以指定和添加各种类型文件的搜索路径,除了以下哪种文件:( B )A.自动保存文件B.Autocad主应用程序文件C.菜单文件D.样板图形文件26.用缩放命令“scale”缩放对象时:( D )A.必须指定缩放倍数B.可以不指定缩放基点C.必须使用参考方式D.可以在三维空间缩放对象0的直线,这种情况可能造成的原因是( B ) .A.坐标数据输入的优先级设置为“键盘输入”B.坐标数据输入的优先级设置为“对象捕捉”C.坐标数据输入的优先级设置为“键盘输入,脚本例外”D.“Windows标准加速键”被关闭29.在Autocad中默认存在的命名图层过滤器不包括:( C )A.显示所有图层B.显示所有使用图层C.显示所有打印图层D.显示所有依赖于外部参照的图层30.为维护图形文件的致性,可以创建标准文件以定义常用属性,除了:( A )A.命名视图B.图层和线型C.文字样式D.标注样式31.要从键盘上输入命令,只须在命令行中输入下列(C )形式的命令名.A.用小写字母 B.用大写字母C.或A或B或两者相结合D.不能通过键盘输入命令32.下述方法中不能够创建圆的是(C )A.2P B.3P C.4P D.圆心.半径33.下面关于选取对象的说法正确的是(A )A.直接单击所要选取的对象B.在选取对象时先确定左上角,再向右下角拖动,框在选择框内的对象被选中C.交叉选取对象时先确定右上角,再向右下角拖动,框在选择框内的对象被选中D.多边形选取对象的方法是单击移动+按钮,命令行内输入WP,然后确定选择范围34.不用鼠标,执行Windows XP资源管理器“编辑(E)”下拉菜单中的“复制(C)”命令的方法是( C )A) 按ALT+E,然后按ALT+C B) 按ALT+E,然后按 C C) CTrL+C D) 只按ALT+E35.在Autocad中可以给图层定义的特性不包括:( D )A.颜色B.线宽C.打印/不打印D.透明/不透明36.在Autocad中给一个对象指定颜色特性可以使用以下多种调色板,除了:( A )A.灰度颜色B.索引颜色C.真彩色D.配色系统37.在CAD命令输入方式中以下不可采用的方式有(D)A.点取命令图标B.在菜单栏点取命令C.用键盘直接输入D.利用数字键输入38.在绘制直线时,可以使用以下快捷输入方式( B )A.C B.L C.Pan D.E39. 在工作移动图形时,可利用以下方式实现( C)A.利用CTrL+P键B.利用shifL+P键 C.按住鼠标中键拖动D.滚动鼠标中键移动40.应用延伸命令“extend”进行对象延伸时:( B )A.必须在二维空间中延伸B.可以在三维空间中延伸C.可以延伸封闭线框D.可以延伸文字对象41.Autocad软件不能用来进行:( A )A.文字处理B.服装设计C.电路设计D.零件设计42.Autodesk公司推出AuroCAD1.0版本的时间是:( B )A.1977B.1982C.1988D.199743.以下软件不能完成计算机辅助设计的是:( A )A.MDTB.WordC.AutocadD.UG44.画笔和Photoshop等很多软件都可以绘图,但和Autocad相比它们不能:( C )A.打印图形B.保存图形C.精确绘图和设计D.打开图形47.设置AUTOCAD图形边界的命令是( C ) .A.GRIDB.SNAP和GRIDC.LIMITSD.OPTIONS48.拉长命令“Lengrhen”修改开放曲线的长度时有很多选项,除了:( B )A.增量B.封闭C.百分数D.动态49.不能应用修剪命令“Trim”进行修剪的对象是:( A )A.圆弧B.圆C.直线D.文字50.“WinDows XP是一个多任务操作系统”指的是( B )A) Windows可运行多种类型各异的应用程序 B) Windows可同时运行多个应用程序C) Windows可供多个用户同时使用 D) Windows可同时管理多种资源51.在AUTOCAD软件使用过程中,为查看帮助信息,应按的功能键是 ( A )A) F1 B) F2 C) F6 D) F1052.在Windows XP中,打开上次最后一个使用的文档的最直接途径是 ( A )A) 单击“开始”按钮,然后指向“文档” B) 单击“开始”按钮,然后指向“查找”C) 单击“开始”按钮,然后指向“收藏” D) 单击“开始”按钮,然后指向“程序”53. 在Windows XP 资源管理器中,选定文件后,打开文件属性对话框的操作是 ( A )A) 单击“文件”→ “属性” B) 单击“编辑”→ “属性”C) 单击“查看”→ “属性” D) 单击“工具”→ “属性”54.在WinDows98 XP中,下列关于添加硬件的叙述正确的是( C )A) 添加任何硬件均应打开“控制面板” B) 添加即插即用硬件必须打开“控制面板”C) 添加非即插即用硬件必须使用“控制面板” D) 添加任何硬件均不应使用“控制面板”55.在AUTOCAD画图状态下,只想复制选定图形的内容而不需要复制未选定的图形,则应( C )A) 直接使用粘贴按钮 B) 选择“编辑”→“选择性粘贴”操作C) 选择“编辑”→“复制”→“粘贴”操作D) 在指定位置按鼠标右键56.Windows XP中,右击C盘根目录中某文件,在弹出的快捷菜单中选择“发送到”子菜单,不能将该文件发送到( B )A) 软盘 B)打印机C)“我的文档”D)“启动”菜单中57.在CAD网络系统中,以下说法不正确的是(C )A.设计资料可以共享 B.硬件可以共享C.电脑文件可以共享 D.可以方便管理设计进度58.Autocad中CAD标准文件后缀名为:( B )A.DwgB.DXfC.DwTD.Dws59.应用圆角命令“of fest”对一条多段进行圆角操作是:( A )A.可以一次指定不同圆角半径B.如果一条弧线段隔开两条相交的直线段,将删除该段而替代指定半径的圆角C.必须分别指定每个相交处D.圆角半径可以任意指定60.多次复制“Copy”对象的选项为:( B )A.mB.DC.PD.C三、判断题(每题1分,共30分)1.( √ )在默认状态下,当鼠标位于菜单或者工具栏上时,状态栏显示相应命令的提示信息.2.( × )Autocad 2000的工具栏不允许用户自定义.3.( × )Autocad 2000中不允许部分打开或部分加载图形文件.7.( × )DDEDIT命令可以修改各种类型文字的文字样式.宽度和内容等.8.( × )将机件向不平行于任何基本投射面的平面投射所得到的视图,称为斜视图.斜视图是基本视图的一部分.9.( × )在机械制图中,2:1的比例成为放大的比例,如实物的尺寸为8,那么图中图形应画4 . 10.( √ ) 在机械制图中,投影采用的是正投影法,即投射线与投影面相垂直的平行投影法. 11.( × )平面四边形与投影面倾斜时,其投影变小,投影的形状有可能会变成三角形 .12. ( √ )因为一般Autocad中的图形都是矢量化的,所以屏显图形中“小圆看似正多边形.斜线出现台阶”的现象在图形打印中是没有的.13.( × ) 剖面图常用于表达机件上的断面形状,如肋,轮辐等,剖面图也叫剖视图.14.( √ ) 正交线指的是在正交方式下绘制的直线 .15.( √ )使用编辑图形命令时如移动.阵列等可以先点命令,再选图形,也可首先选图形,再点命令.16.( √ )在三面投影体系中,主视图,俯视图,左视图之间保持长对正,高平齐,宽相等的原则 . 17.( × )一个平面图形在三面投影体系中的投影有可能是一个点.一条直线或一个平面 . 18.( √ ) 任何复杂的物体,仔细分析起来,都可看成是由若干个基本几何体组合而成的 . 19.( √ ) 为了将尺寸标注的完整,在组合体的视图上,一般需要标注定形尺寸.定位尺寸.总体尺寸等尺寸 .20.( × ) 在局部视图和斜视图中,任何情况下都要做断裂位置的标识,视图方向的标识和视图位置的标识.21.( √ ) 因为剖切是假想的,并不是真的把机件切开并拿走一部分.因此,当一个视图取剖视后,其余视图应按完整机件画出.22.( √ ) 将机件的部分结构,用大于原图形所采用的比例画出的图形,称为局部放大图.局部放大图的画图比例由可能采用1:1 .23.( √ )较长的机件轴.型材.连杆等沿长度方向的形状一致或按一定规律变化时,可断开后缩短绘制 .24.( √ )我们国家标准规定,当采用第三视角画法时,必须在图样中画出第三角画法的识别符号 . 25.( × )一个竖立摆放的右旋弹簧,如果将它上下倒置摆放,会变成左旋弹簧 .26.( √ ) 螺纹要素全部相同的内.外螺纹方能连接 .27.( √ ) 两个互相配合的齿轮,一定会保持齿形相同,模数相等的关系,在装配时节圆保持相切 .28.( √ )在执行拉伸命令过程中,选择对象时必须采用交叉窗口或交叉多边形的选择方式.29.( × )Autocad不允许对平行线倒圆角.30.( × )AREA命令可以用来求以指定点为顶点的多边形区域或由指定对象所围成区域的面积和周长,但不能进行面积的加.减运算.31.( √ ) 为了使图形清晰,应尽量将尺寸注在视图的外面,以免尺寸线.数字和轮廓线相交. 32.( √ ) 在制图中画出的粗实线,虚线是在实物上面真正存在的轮廓线.33.( √ ) 波浪线在制图中一般应用在断裂处的边界线,视图和剖视的分解线.34.( √ ) 将机件的某一部分向基本投影面投射所得到的视图,称为局部视图,所以局部视图一定会使某个基本视图的一部分.35.( × ) 将一根自由长度为50mm的弹簧,拉伸到52mm,所需要的力和将这根弹簧压缩到48mm所需要的力是不一样的 .36.( √ )选择一个零件的主视图一般会考虑到表现形体特征,表现加工位置和表现工作位置等原则 .不能修改 .40.( √ ) Autocad的图标菜单栏可以定制,可以删除,也可以增加 .41.( √ ) Autocad是美国AuTodesk公司的计算机制图软件 .42.( √ ) 在CAD中,可采用鼠标二中键滚轮代替图标菜单中的缩放和旋转操作.43.( √ ) 所有的命令都可以采用键盘输入即快捷方式以提高绘图制度,快捷方式的字母可由用户自己来定义 .44.( × )WCS表示用户坐标系.45.( √ )在Autocad 2000中,可以使用[ESC]键来取消和中断命令.46.( × )打开图形界限检查,图形绘制允许超出图形界限.47.( × )在当前图形文件中,修改点的样式后,已有的点不会发生变化.48.( × )使用MTEXT命令输入文本时,每一行文字是一个独立的对象.49.( × ) 正交线指的是水平线和竖直线 .50.( × ) 当图形中的主要轮廓线与水平线成45度角时,该图形的剖面线应画成与水平线成30度或60度的平行线,其倾斜的方向与其他图形的剖面线一致,由于剖切是假想的,所以在剖视图上剖切平面的转折处应该画线 .51.( × )Autocad中的倒圆角命令fiLLeT中的圆角半径不可设为零.52.( × )AUTOCAD中绘图当前点为100,100,则点的坐标输入:110,110或@10.10或@10<45表示同—个点.53.( √ )在含有尺寸标注的Autocad图形文件中,有两个层是由Autocad自动生成的,它们是0层和尺寸标注定义点层DefPoinTs.54. ( √ )用户在Autocad中设置的线型不能正常显示,通常是由于全局线型比例因子hsCAie设置不当所至,可通过改变全局线型比例因子hsCALe来调整.55.( × )使用外部块命令时,当外部块图形改变时,引用部会也会随之改变.56.( × ) 创建图案填充时,当选区取比例1,表明构成图案填充的直线间距为1 .57.( √ ) CAD设计与常规设计方法相比,有利于产品的标准化.分列化.通用化 .58.( × )机械制图中,GB/T为推荐性国家标准的代号,一般可简称为“国标”.59.( √ ) 国家标准中.A4图纸的幅面尺寸为210X297,A3的图纸的幅面尺寸为295X420. 60.( √ ) 在标准制图中,每张图纸都应该画出标题栏,标题栏的位置应位于图样的右下角 .四、简答题(每题1分,共30分)1.答出两种激活或启动块插入的命令<中文.英文均可).答:利用对话框插人(DDinsCrt);利用插入命令插入块(insert).2.至少答出两种对象选择方式.答:答:(1)对象组方式;(2)直接拾取方式;(3)窗口拾取方式(1)对象组方式;3.Autocad中图形文件的保存方法有哪几种?对应的命令或变量分别是什么?答.Autocad中图形文件的保存方法主要有四种:(1)快速存盘:QSAVE.如果当前图形文件已命名,则以原名保存;如尚未命名,出现SAVEAS对话框.(2)换名存盘:SAVEAS.出现SAVEAS对话框,在对话框中可输入文件名称.文件类型和文件存放路径.(3)以当前名存盘:SAVE.出现SAVEAS对话框,可更改图形文件名称也可不作改变.(4)自动存盘:SAVETIME系统根据用户设定的时间间隔自动存盘.4. 说明Autocad用户界面的组成.答.Autocad用户界面主要包括以下几个部分:标题栏.下拉菜单.工具栏.绘图窗口.十字光标.坐标系图标.模型和布局选项卡.状态条.命令提示行窗口及滚动条等.5. 简述画直线的几种操作方式7.怎么修改AUTOCAD的快捷键?答.CAD2002及以下,直接修改其SUPPORT目录下的ACAD.PGP文件即可.CAD2004是在工具-自定义-编辑自定义文件-程序参数(ACAD.PGP)处.8. 如何关闭实施助手答:在实施助手的对话框内点击右键选择设置,会跳出设置对话框,在激活选项中选择"在需要时"然后确定,关闭实时助手,下次操作就不会出现实时助手了.9.能否在CAD中插入JPG格式的图片?怎么操作?答:可以插入."插入"----"光栅图象",就可以选择JPG图象了.除此以外,还支持BMP.RLC.TIFF.TGA等常用格式.10. 在AUTOCAD中突然死机后,还能找到没保存的文件吗?答:你要把它设为自动保存,保存时间一般为十分钟左右,自动保存默认的文件为.av$看看C:\WINDOWS\TEMP下有没有,改为.DWG11.在Word文档中插入AutoCAD图形的发法。
cad中级考试题库及参考答案1. 单选题:在CAD中,以下哪个命令用于创建直线?A. LINEB. CIRCLEC. ARCD. RECTANGLE答案:A2. 多选题:在CAD中,以下哪些选项是图层属性?A. 颜色B. 线型C. 线宽D. 打印样式答案:A, B, C, D3. 判断题:在CAD中,使用“COPY”命令可以复制对象,但无法指定复制的数量。
答案:错误。
使用“COPY”命令时,可以指定复制的数量。
4. 填空题:在CAD中,使用“_”命令可以创建一个矩形对象。
答案:RECTANGLE5. 简答题:请简述如何在CAD中设置对象的线型比例。
答案:在CAD中,可以通过“LTSCALE”命令来设置全局线型比例,或者通过对象属性管理器来单独设置每个对象的线型比例。
6. 操作题:请描述如何在CAD中使用“ARRAY”命令创建一个4x4的矩形阵列。
答案:首先选择要阵列的对象,然后输入“ARRAY”命令,选择矩形阵列,输入行数4和列数4,最后指定阵列的中心点。
7. 计算题:如果一个圆的直径为10单位,求该圆的半径。
答案:半径 = 直径 / 2 = 10 / 2 = 5单位8. 绘图题:请在CAD中绘制一个半径为50单位的圆,并将其复制到原位置的右侧,距离原圆100单位。
答案:首先使用“CIRCLE”命令绘制半径为50单位的圆,然后使用“COPY”命令,选择该圆,指定复制数量为1,然后指定基点为圆心,最后指定复制后圆的圆心位置,使其距离原圆100单位。
9. 综合题:请描述在CAD中如何创建一个由直线和圆弧组成的复杂形状,并将其保存为DWG文件。
答案:首先使用“LINE”命令绘制直线,然后使用“ARC”命令绘制圆弧,通过连接直线和圆弧来创建复杂形状。
创建完成后,使用“SAVEAS”命令保存图形为DWG文件格式。
10. 案例分析题:假设你正在设计一个机械零件,需要在CAD中绘制一个长100单位、宽50单位的矩形,并在矩形的中心位置绘制一个直径为20单位的圆,圆的中心与矩形的中心重合。
中级制图员练习题与参考答案一、单选题(共100题,每题1分,共100分)1.带圆角底版的正等轴测图,首先要画出( )。
A、定出轴测轴B、底版的轴测图C、定出坐标圆点D、圆角的轴测图正确答案:B2.按图样完成的方法和使用特点,图样分为:( )、底图、副底图、复印图、CAD图。
A、原图B、初图C、简图D、草图正确答案:A3.左视图反映了物体上、前、( )的相对位置关系。
A、下、后B、后、左C、左、右D、下、右正确答案:D4.下列那种线条属于中线?( )A、虚线B、尺寸线C、剖面线D、中心线正确答案:D5.在执行【全部缩放】或【范围缩放】命令后,( )图形不能完全显示。
A、多段线B、射线C、直线D、圆正确答案:B6.( )中的投射线与投影面相垂直时,称为正投影法。
A、平行投影法B、主要投影法C、辅助投影法D、中心投影法正确答案:A7.不使用量具和仪器,徒手目测绘制图样称为( )。
A、徒手绘图B、临摹图样C、手工练习D、微机绘图正确答案:A8.尺寸界线应该选用下列哪种线型( )A、细实线B、双点画线C、细点划线D、虚线正确答案:A9.垂直于H面,平行于V面的平面称为( )。
A、正垂面B、一般面C、正平面D、水平面正确答案:C10.下列有关我国经济合同说法错误的是( )。
A、代订经济合同,必须事先取得委托单位的委托证明,并根据授权范围以委托单位的名义签订,才对委托单位直接产生权利和义务B、经济合同是法人之间为实现一定经济目的,明确相互权利义务关系的协议C、违反法律和国家政策、计划的合同为无效D、给付定金的一方不履行合同的,无权请求返还定金。
接受定金的一方不履行合同的,应当返还定金正确答案:D11.图样中的尺寸以( )为单位时,不需要标注单位的符号(名称)。
A、米C、分米D、毫米正确答案:D12.用人单位以暴力、威胁或者非法限制人身自由的手段强迫劳动的,劳动者( )通知用人单位解除劳动合同。
A、可提前30天B、不可以C、可以随时D、可提前10天正确答案:C13.使用多行文本编辑器时,其中%%C、%%D、%%P分别表示:( )A、直径、度数、下划线B、直径、度数、正负C、度数、正负、直径D、下划线、直径、度数正确答案:B14.我国处理劳动争议的程序通常为( )。
cad中级考试试题「附答案」cad2017中级考试试题「附答案」一、判断题(以下各题你认为对的填写“T”,认为错的填写“F”)1.所有的图层都能被删除。
(F )2.用设置线型比例(Ltscale)命令可调整中心线、虚线等不连续线型在屏幕上显示的间隙大小。
( T )3.在绘图时,一旦打开正交方式ORTHO后,屏幕上只能画水平线和垂直线。
(T)4.特殊点一定要在执行绘图命令和编辑命令等后才能捕捉。
(T )5.执行重画(Redraw)和重生成图形(Regen)命令的结果是一样的。
(F )6.执行ZOOM(屏幕缩放)命令后,图形在屏幕上放大缩小的结果和执行SCALE(缩放)命令结果一样。
( T)7.Mirror(镜像),Offset(偏移复制),Array(阵列)命令实际上都是广义的实体复制命令。
( )8.对于实体颜色和线型均为BYIAYER特性的0层块,无论其插入到哪一层,其颜色和线型特性都使用插入层的颜色和线型。
( F)9.在同一张图纸上不能同时存在不同字体的文字。
(F )10.图块在插入到图中时可调整图块中图形的大小和角度。
(T )11.LENGTHEN(改变长度)命令不能改变圆弧的长度。
( F)12.用MLINE(多线)命令只能同时绘制两条线。
(F )13.在AUOTOCAD中插入块时用户可以在X、Y、Z三个坐标方向上分别定义不同的缩放比例。
( T)14.在执行PAN(屏幕平移)命令将实体移动位置后,其坐标保持不变。
(T )15.RECTANG(绘制矩形)命令可在屏幕上绘出带有一定线宽和圆角的`实体。
(T )16.除0层外,用户自定义的图层均可被冻结。
(F )17. ZOOM-EXTENTS命令可将当前文件内的所有图形在视区内极大限度地显示出来。
(T )18.在一张图中不能用DTEXT命令写不同样式的文字。
(F )19. STRETCH命令只能将实体拉长。
(F )20.用BLOCK命令建立的图块是外部图块,可插入到不同的图形文件中去。
绘图员题库试题及答案一、单选题1. 绘图中常用的比例尺是:A. 1:1000B. 1:500C. 1:200D. 1:100答案:ABCD(根据具体绘图需求选择)2. 以下哪个不是AutoCAD软件的基本绘图命令?A. LineB. CircleC. RectangleD. Fillet答案:D(Fillet是圆角命令,不是基本绘图命令)3. 在绘图中,以下哪个单位不是长度单位?A. 米B. 厘米C. 毫米D. 千克答案:D(千克是质量单位,不是长度单位)二、多选题1. 绘图员在进行图纸校对时,需要关注以下哪些方面?A. 图纸的完整性B. 图纸的比例C. 图纸的清晰度D. 图纸的准确性答案:ABCD2. 在使用CAD软件进行绘图时,以下哪些操作可以提高绘图效率?A. 使用快捷键B. 使用图层管理C. 使用块和属性D. 手动绘制每一个细节答案:ABC(手动绘制每一个细节会降低效率)三、判断题1. 在AutoCAD中,使用“M”命令可以移动对象。
(对)2. 绘图员在绘制建筑图纸时,不需要考虑材料的物理特性。
(错)3. 绘图员在进行图纸输出时,应选择正确的打印比例以保证图纸的可读性。
(对)四、简答题1. 请简述绘图员在绘制图纸时应注意的三个基本原则。
答:绘图员在绘制图纸时应注意以下三个基本原则:- 准确性:确保所有尺寸、比例和细节都准确无误。
- 清晰性:图纸应清晰易读,避免模糊不清的线条和标记。
- 规范性:遵循行业标准和规范,确保图纸的专业性和通用性。
2. 请简述AutoCAD中图层的作用及其重要性。
答:AutoCAD中图层的作用是组织和管理图纸中的不同元素。
图层可以设置不同的颜色、线型和线宽,便于区分和选择。
图层的重要性在于:- 提高绘图效率:通过分层管理,可以快速选择和修改特定元素。
- 增强图纸可读性:合理使用图层可以使得图纸更加清晰有序。
- 便于图纸修改:在修改图纸时,可以只针对特定图层进行操作,避免影响其他元素。
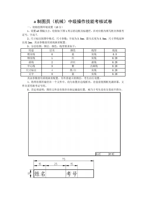
a制图员(机械)中级操作技能考核试卷
一、初始绘图环境设置(10分)
1、设置A3图幅大小,绘制如下图1所示的边框及标题栏,在对应框内填写姓名和准考证号,字高7。
2、尺寸标注按图中格式。
尺寸参数:字高为3.5mm,箭头长度为3.5mm,尺寸界线延伸长度2mm,其余参数使用系统缺省配置。
4、将所有图形储存在一个文件中,均匀布置在边线框内。
存盘前使图框充满屏幕,文件名采用准考证号码。
5、否定项说明:图形文件没有保存在制定磁盘位置,相当于考生没有交卷而不得分。
二、绘制平面图(按1:1比例绘制,20分)
三、绘制零件图。
中级制图员模拟考试题(附参考答案)一、单选题(共100题,每题1分,共100分)1.水平线在()面的投影反映实长A、V面B、H面C、W面D、以上都不是正确答案:B2.定义文字样式的命令是?()A、TEXTB、STYLEC、TEXTDINED、STANDARD正确答案:B3.绘图时,尺寸线和尺寸界线所用的线型是()。
A、细实线B、虚线C、粗实线D、细点画线正确答案:A4.工资一般不包括()。
A、工伤赔偿B、奖金、津贴和补贴C、计时工资、计件工资D、延长工作时间的工资报酬正确答案:A5.将某部分结构用大于原图形所采用的比例画出,这种图形称为()。
A、断面图B、剖视图C、局部放大图D、视图正确答案:C6.图样中尺寸数字不可被任何图线所通过,当不可避免时,必须把()断开。
A、尺寸界线B、尺寸线C、数字D、图线正确答案:D7.垂直于H面,倾斜于W面的平面称为()。
A、铅垂面B、一般面C、侧平面D、水平面正确答案:A8.平行于H面的直线称()。
A、铅垂线B、侧垂线C、正垂线D、水平线正确答案:D9.下面哪个命令可以绘制由若干直线和圆弧连接而成的不同宽度的曲线或折线,且它们是一个实体:()A、PLINEB、POLYGONC、RECTANGLED、LINE正确答案:A10.平面图形的作图步骤中先画基准线,最后画()。
A、连接线段B、非连接线段C、已知线段D、未知线段正确答案:A11.主视图反映了物体上、下、左、()的相对位置关系。
A、前B、右C、后D、下正确答案:B12.将空间点A向H面投影,其标记为()。
A、aB、AC、a′D、a〞正确答案:D13.图样上标注的尺寸,一般应由尺寸界线、()、尺寸数字组成。
A、尺寸线B、尺寸箭头C、尺寸箭头及其终端D、尺寸线及其终端正确答案:D14.圆柱体的尺寸标注需要有()个尺寸。
B、3C、2D、1正确答案:C15.平面体中棱柱体必须标注的尺寸是()。
A、长度和宽度B、长度、宽度和高度C、长度和高度D、高度和宽度正确答案:B16.针管笔由塑料笔杆、笔尖、圆规插脚套及()等部分组成。
一、单项选择题(共15题,每题1分)1、C2、D3、C4、D5、C6、D7、B8、C9、D 10、B 11、D 12、A 13、C 14、D 15、B1、设置AUTOCAD图形边界的命令是 C 。
A、GRIDB、SNAP和GRIDC、LIMITSD、OPTIONS知识点:1.12、在“创建图纸集”向导中,图纸集可以创建。
A.从图纸集样例B.从现有图形文件C.从图形样板文件D.A和B知识点:1.13、将绘制的图形保存为样板文件的文件名为。
A *.dwgB *.dxfC *.dwtD *.dwf知识点:1.34、AUTOCAD的坐标体系包括世界坐标系和。
A、绝对坐标系B、平面坐标系C、相对坐标系D、用户坐标系知识点:2.15、若图面已有一点A (2,2) ,要输入另一点B (4,4) ,以下方法不正确的是。
A、4,4B、@2,2C、@4,4D、@2<45知识点:2.26、移动圆对象,使其圆心移动到直线中点,需要应用。
A、正交B、捕捉C、栅格D、对象捕捉知识点:2.37、在输入一条长度为200的直线时,命令行出现了创建零长度的提示信息,并在某点绘制了一条长度为0的直线,这种情况可能造成的原因是。
A、坐标数据输入的优先级设置为“键盘输入”B、坐标数据输入的优先级设置为“对象捕捉”C、坐标数据输入的优先级设置为“键盘输入,脚本例外”D、“Windows标准加速键”被关闭知识点:3.48、在AutoCAD 2008中,用CIRCLE命令在一个三角形中画一内接圆,在提示3P/2P/TTR<Center Point>下,应采用的最佳方式是。
A、2P方式B、TTR方式C、3P方式D、先手工计算好圆心坐标、半径、用圆心、半径方式知识点:4.29、在AutoCAD 2008中绘制正多边形时,下列方式错误的是。
A、内接正多边形B、外切正多边形C、确定边长方式D、确定圆心、正多边形点的方式知识点:4.310、下列编辑工具中,不能实现“改变位置”功能的是。
中级CAD绘图员考试试题(八套试题,附样图).中级CAD 绘图员考试标准试题第一单元文件的操作1-1说明:机械类和建筑类(通用)【操作要求】1.建立新文件:运行AutoCAD软件,建立新模板文件,模板的图形范围是120×90,0层颜色为红色(RED)。
2.保存:将完成的模板图形以KSCAD1-1.DWT为文件名保存在#SubPath# 中。
请关闭autocad应用软件后再点击进入下一题。
1-2说明:机械类和建筑类(通用)【操作要求】1.建立新文件:运行AutoCAD软件,建立新模板文件,模板的图形范围是1200×900,加载线型为acad_iso03w100,设此线型为当前线型,设置合理的线型比例。
2.保存:将完成的模板图形以KSCAD1-2.DWT为文件名保存在#SubPath# 中。
请关闭autocad应用软件后再点击进入下一题。
1-3说明:机械类和建筑类(通用)【操作要求】1.建立新文件:运行AutoCAD软件,建立新模板文件,模板的图形范围是4200×2900,网格(grid)点距为100。
2.保存:将完成的模板图形以KSCAD1-3.DWT为文件名保存在#SubPath# 中。
请关闭autocad应用软件后再点击进入下一题。
1-4说明:机械类和建筑类(通用)【操作要求】1.建立新文件:运行AutoCAD软件,建立新模板文件,模板的图形范围是4200×2900,光标捕捉(snap)间距为100,并打开光标捕捉。
2.保存:将完成的模板图形以KSCAD1-4.DWT为文件名保存在#SubPath# 中。
请关闭autocad应用软件后再点击进入下一题。
1-5说明:机械类和建筑类(通用)【操作要求】1.建立新文件:运行AutoCAD软件,建立新模板文件,模板的图形范围是4200×2900,设置单位为Meters,长度、角度单位精确度为小数点后3位。
中级制图员练习题库(附参考答案)一、判断题(共100题,每题1分,共100分)1.( )侧垂线在W面投影成一点。
A、正确B、错误正确答案:A2.( )尺寸线终端形式有箭头和圆点两种形式。
A、正确B、错误正确答案:B3.( )在三面投影体系中,主视图,俯视图,左视图之间保持长对正,高平齐,宽相等的原则。
A、正确B、错误正确答案:A4.( )投影法可分为中心投影法和平行投影法两大类。
A、正确B、错误正确答案:A5.( )一个典型的微型计算机绘图系统可以没有图形输出设备。
A、正确B、错误正确答案:B6.( )断面图主要用于表达机件对应截面部分的形状。
A、正确B、错误正确答案:A7.( )社会上有多少种职业,就存在多少种职业道德。
A、正确B、错误正确答案:A8.( )一般位置直线在三个投影面上的投影都小于实长。
A、正确B、错误正确答案:A9.( )一个平面图形在三面投影体系中的投影有可能是一个点、一条直线或一个平面。
A、正确B、错误正确答案:B10.( )凡是真诚地服务他人,服务社会的职业行为就是有道德的职业行为。
A、正确B、错误正确答案:A11.( )正等轴测图的三个轴间角均为120°。
A、正确B、错误正确答案:A12.( )当截平面通过圆锥锥顶时,截交线为三角形,三角形的大小取决于截平面与轴线的倾斜角度。
A、正确B、错误正确答案:A13.( )侧垂面在V面投影为一斜线。
A、正确B、错误正确答案:B14.( )在空间直角坐标系中,投射光线与投影面平行。
A、正确B、错误正确答案:B15.( )视图上标注的尺寸SΦ50表示圆的直径。
A、正确B、错误正确答案:B16.( )使用计算机绘图时,光标在适当位置点击鼠标右键的操作无法输入一点。
A、正确B、错误正确答案:A17.( )徒手绘图的基本要求是画图速度要快、目测比例要快、图面质量要好。
A、正确B、错误正确答案:B18.( )规定每张图样都要画出图框,图框线用粗实线。
中职cad画图试题及答案中职CAD画图试题一、考试目的:本试题旨在考察学生对CAD软件的基本操作能力,包括图形的绘制、编辑、尺寸标注和图层管理等,以及对工程图纸规范的理解。
二、考试要求:1. 考生必须熟练掌握CAD软件的基本操作。
2. 考生需要在规定的时间内完成试题。
3. 考生应按照工程图纸规范进行绘图。
三、考试内容:1. 绘制平面图形:考生需要根据给定的尺寸,使用CAD软件绘制一个平面图形,例如一个简单的房屋平面图。
2. 图形编辑:对已绘制的图形进行编辑,如移动、旋转、缩放等。
3. 尺寸标注:对绘制的图形进行准确的尺寸标注。
4. 图层管理:合理使用图层功能,对不同类别的对象进行分层管理。
四、试题示例:题目:绘制一个简单的客厅平面图,并进行尺寸标注和图层管理。
要求:- 使用A3图纸空间。
- 客厅长6000mm,宽4500mm。
- 墙体厚度为120mm,门窗位置自定,但需符合实际。
- 标注三视图的尺寸,包括长度、宽度和高度。
- 使用图层管理功能,至少创建三个图层:墙体、门窗、标注。
五、评分标准:1. 平面图形绘制的准确性:40%2. 图形编辑操作的正确性:15%3. 尺寸标注的准确性和清晰度:20%4. 图层管理的合理性:15%5. 整体布局的整洁性和专业性:10%六、答案示例:略(具体答案将根据考生所提交的CAD图纸进行评定)七、注意事项:- 考生在考试过程中应保持考场秩序,不得交头接耳。
- 考生应独立完成试题,严禁抄袭他人作品。
- 考生应确保提交的CAD图纸无病毒感染。
八、结束语:祝愿所有考生能够发挥出自己的最佳水平,顺利完成考试。
cad中级考试题「附答案」一、判断题1. 用CHANGE 命令修改的标高和厚度只有一次有效。
{T}2. ELEV 命令设置的标高和厚度对后面生成的图元起作用,而对前面生成的图元不起作用。
{T}3. 用ZOOM可以放大被观察物体的尺寸。
{F}4. 关闭的层在REDRAW和REGEN时不费时处理,但被冻结的.层仍参与REDRAW和REGEN的运算。
{F}5. 在标注尺寸时发现文字太小要对后续的标注进行一次设置用MODIFY,而用DDIM只能逐个设置。
{F}6. 构件三维任意位置平面时,须用3DFACE命令,并且必须按顺时针方向指定平面点的顺序,前一个平面的后两点是后一个平面的前两点。
{F}7. 发现标注的内容有误,可以修改内容而不必删除重标。
{T}8. 外部图形文件相对依赖于当前文件,当对外部图形文件修改后就能在引用的当前文件中出现,而不必像图块哪样需要重新插入更新,因此它适合于团队并行设计。
{F}9. 在图纸空间内可以设置多个视口,并显示一个模型的多个视图。
{T}10. 点的过滤就是借用某个已知点的坐标来画当前的点。
{T}11. 命名和调用用户坐标系的命令是UCSMAN。
{T}12. 在构建平移曲面TABSURF时,拉伸的长度取决于矢量线的长度,拉伸的方向与点取矢量线端点的顺序无关。
{F}13. 用三维旋转命令ROTATE3D通过指定一个旋转轴,可直接在三维空间旋转实体。
{T}14. 对实体进行抽壳可用SOLIDEDIT\B\S。
{T}15. 实心体生成后或通过布尔操作后还可以通过SOLIDEDIT再改变它的形状和尺寸。
{T}二、选择题1.用ELEV命令设置标高为10,厚度为20后,再执行画圆命令,该图元的标高和厚度应为 _____ 。
{[A]}A.标高和厚度都为0B.标高为10,厚度为0C.标高为10,厚度为20D.标高为0,厚度为202.用VPOINT命令,输入视点坐标值(-1,-1,1)后,结果同三维视图_____ 。
cad中级考试试题第一题:设计一个简单的示意图,包括房间的布局和家具的摆放。
要求使用CAD软件完成,并标注适当的尺寸。
第二题:根据给定的工程图纸,使用CAD软件完成下列任务:1. 绘制一个简单的平面图,包括墙面、门窗、柱子等主要构件,并标注尺寸。
2. 绘制一个立面图,包括主要的外墙、门窗、外部装饰等,并标注尺寸。
3. 绘制一个剖面图,展示建筑内部结构,并标注尺寸。
第三题:根据给定的三维模型,使用CAD软件完成下列任务:1. 在三维空间中绘制一个立方体,并标注尺寸。
2. 由给定的三维模型组件,拼接出一个简单的机械装置。
确保每个组件的位置和尺寸准确无误。
第四题:根据给定的工程图纸,使用CAD软件完成下列任务:1. 绘制一个复杂的平面图,包括多个建筑物的平面布局、道路等,并标注尺寸。
2. 绘制一个复杂的立面图,展示建筑物的外观,包括窗户、屋顶等细节,并标注尺寸。
第五题:根据给定的三维模型,使用CAD软件完成下列任务:1. 在三维空间中绘制一个复杂的建筑模型,并标注尺寸。
2. 对建筑模型进行光线照射和渲染,使其更加真实。
第六题:根据给定的工程图纸,使用CAD软件完成下列任务:1. 绘制一个城市地图,包括道路、建筑物、绿化带等,并标注尺寸。
2. 根据地图上的要求,在特定位置上绘制出标识牌、标线等。
以上是CAD中级考试的试题,希望能够帮助你进行适当的练习和准备。
根据每个题目的要求,你可以使用CAD软件来完成相应的任务,并确保图纸的准确性和美观度。
祝你考试顺利!。
中级CAD 绘图员考试标准试题第一单元文件的操作1-1说明:机械类和建筑类(通用)【操作要求】1.建立新文件:运行AutoCAD软件,建立新模板文件,模板的图形范围是120×90,0层颜色为红色(RED)。
2.保存:将完成的模板图形以KSCAD1-1.DWT为文件名保存在#SubPath# 中。
请关闭autocad应用软件后再点击进入下一题。
1-2说明:机械类和建筑类(通用)【操作要求】1.建立新文件:运行AutoCAD软件,建立新模板文件,模板的图形范围是1200×900,加载线型为acad_iso03w100,设此线型为当前线型,设置合理的线型比例。
2.保存:将完成的模板图形以KSCAD1-2.DWT为文件名保存在#SubPath# 中。
请关闭autocad应用软件后再点击进入下一题。
1-3说明:机械类和建筑类(通用)【操作要求】1.建立新文件:运行AutoCAD软件,建立新模板文件,模板的图形范围是4200×2900,网格(grid)点距为100。
2.保存:将完成的模板图形以KSCAD1-3.DWT为文件名保存在#SubPath# 中。
请关闭autocad应用软件后再点击进入下一题。
1-4说明:机械类和建筑类(通用)【操作要求】1.建立新文件:运行AutoCAD软件,建立新模板文件,模板的图形范围是4200×2900,光标捕捉(snap)间距为100,并打开光标捕捉。
2.保存:将完成的模板图形以KSCAD1-4.DWT为文件名保存在#SubPath# 中。
请关闭autocad应用软件后再点击进入下一题。
1-5说明:机械类和建筑类(通用)【操作要求】1.建立新文件:运行AutoCAD软件,建立新模板文件,模板的图形范围是4200×2900,设置单位为Meters,长度、角度单位精确度为小数点后3位。
2.保存:将完成的模板图形以KSCAD1-5.DWT为文件名保存在#SubPath# 中。
中级CAD 绘图员考试标准试题第一单元文件的操作1-1说明:机械类和建筑类(通用)【操作要求】1.建立新文件:运行AutoCAD软件,建立新模板文件,模板的图形范围是120×90,0层颜色为红色(RED)。
2.保存:将完成的模板图形以KSCAD1-1.DWT为文件名保存在#SubPath# 中。
请关闭autocad应用软件后再点击进入下一题。
1-2说明:机械类和建筑类(通用)【操作要求】1.建立新文件:运行AutoCAD软件,建立新模板文件,模板的图形范围是1200×900,加载线型为acad_iso03w100,设此线型为当前线型,设置合理的线型比例。
2.保存:将完成的模板图形以KSCAD1-2.DWT为文件名保存在#SubPath# 中。
请关闭autocad应用软件后再点击进入下一题。
1-3说明:机械类和建筑类(通用)【操作要求】1.建立新文件:运行AutoCAD软件,建立新模板文件,模板的图形范围是4200×2900,网格(grid)点距为100。
2.保存:将完成的模板图形以KSCAD1-3.DWT为文件名保存在#SubPath# 中。
请关闭autocad应用软件后再点击进入下一题。
1-4说明:机械类和建筑类(通用)【操作要求】1.建立新文件:运行AutoCAD软件,建立新模板文件,模板的图形范围是4200×2900,光标捕捉(snap)间距为100,并打开光标捕捉。
2.保存:将完成的模板图形以KSCAD1-4.DWT为文件名保存在#SubPath# 中。
请关闭autocad应用软件后再点击进入下一题。
1-5说明:机械类和建筑类(通用)【操作要求】1.建立新文件:运行AutoCAD软件,建立新模板文件,模板的图形范围是4200×2900,设置单位为Meters,长度、角度单位精确度为小数点后3位。
2.保存:将完成的模板图形以KSCAD1-5.DWT为文件名保存在#SubPath# 中。
请关闭autocad应用软件后再点击进入下一题。
1-9说明:机械类和建筑类(通用)【操作要求】1.建立新文件:运行AutoCAD软件,建立新模板文件,模板的图形范围是50×50,左下角为(0,0),长度单位和角度单位均采用十进制,精度为小数点后2位,角度方向默认,栅格距离和光标移动间距为1。
2.保存:将完成的模板图形以KSCAD1-9.DWT为文件名保存在#SubPath# 中。
请关闭autocad应用软件后再点击进入下一题。
1-10说明:机械类和建筑类(通用)【操作要求】1.建立新文件:运行AutoCAD软件,建立新文件:新图形范围是420×297,在新建图形文件中,绘制长轴为120,短轴为60的椭圆。
2.保存:将完成的图形以KSCAD1-10.DWT为文件名保存在#SubPath# 中。
请关闭autocad应用软件后再点击进入下一题。
第二单元基本的图形绘制2-4说明:【操作要求】1.建立新图形文件:建立新图形文件,绘图区域为:420×297。
2.绘图:a)绘制一个宽度为10、外圆直径为100的圆环。
b)在圆中绘制箭头,箭头尾部宽为10,箭头起始宽度(圆环中心处)为20;箭头的头尾与圆环的水平四分点重合。
绘制一个直径为50的同心圆。
完成后的图形参见【样张】。
3.保存:将完成的图形以KSCAD2-4.DWG为文件名保存在#SubPath# 中。
请关闭autocad应用软件后再点击进入下一题。
2-5说明:【操作要求】1.建立新图形文件:建立新图形文件,绘图区域为:200×200。
2.绘图:a)绘制一个边长为20、AB边与水平线夹角为30度的正七边形;绘制一个半径为10的圆,且圆心与正七边形同心;再绘制正七边形的外接圆。
b)绘制一个与正七边形相距10的外围正七边形。
完成后的图形参见【样张】。
3.保存:将完成的图形以KSCAD2-5.DWG为文件名保存在#SubPath# 中。
请关闭autocad应用软件后再点击进入下一题。
2-6说明:【操作要求】1.建立新图形文件:建立新图形文件,绘图区域为:240×200。
2.绘图:a)绘制一个边长为100的正三角形。
b)在正三角形中绘制15个圆,其中每个圆的半径相等,圆与相邻圆以及相邻直线都相切。
完成后的图形参见【样张】。
3.保存:将完成的图形以KSCAD2-6.DWG为文件名保存在#SubPath# 中。
请关闭autocad应用软件后再点击进入下一题。
2-7说明:【操作要求】1.建立新图形文件:建立新图形文件,绘图区域为:240×200。
2.绘图:a)绘制一个100×80的矩形。
b)在矩形中心绘两条相交多线,多线类型为三线,且多线的每两元素间的间距为10,两相交多线在中间断开。
完成后的图形参见【样张】。
3.保存:将完成的图形以KSCAD2-7.DWG为文件名保存在#SubPath# 中。
请关闭autocad应用软件后再点击进入下一题。
2-8说明:【操作要求】1.建立新图形文件:建立新图形文件,绘图区域为:240×200。
2.绘图:a)绘制二条长度为80的垂直平分线。
b)绘制如【样张】所示的多义线,其中弧的半径为25。
完成后的图形参见【样张】。
3.保存:将完成的图形以KSCAD2-8.DWG为文件名保存在#SubPath# 中。
请关闭autocad应用软件后再点击进入下一题。
2-9说明:【操作要求】1.建立新图形文件:建立新图形文件,绘图区域为:240×200。
2.绘图:a)绘制一个三角形,其中:AB长为90,BC长为70,AC长为50;绘制三角形AB边的高CO。
b)绘制三角形OBC的内切圆;绘制三角形ABC的外接圆,完成后的图形参见【样张】。
3.保存:将完成的图形以KSCAD2-9.DWG为文件名保存在#SubPath# 中。
请关闭autocad应用软件后再点击进入下一题。
2-10说明:【操作要求】1.建立新图形文件:建立新图形文件,绘图区域为:560×400。
2.绘图:a)绘制两个圆,半径分别为50,100;两圆相距300。
b)绘制一条相切两圆的圆弧,圆弧半径为200;绘制两圆的外公切线;以两圆圆心连线的中点为圆心绘制一个与圆弧相切的圆。
完成后的图形参见【样张】。
3.保存:将完成的图形以KSCAD2-10.DWG为文件名保存在#SubPath# 中。
请关闭autocad应用软件后再点击进入下一题。
样图:1、2、3、4、5、6、7、第三单元、属性修改3.6说明:建筑类【操作要求】1.打开图形文件:打开图形文件#SubPath#\sucai\CADST3-6.DWG。
2.属性操作:a)将指定的图形定义为图块,图块名称为TEST306。
b)将图块TEST306插入到图形中指定的位置,位置参考【样张】。
完成后的图形参见【样张】。
3.保存:将完成的图形以KSCAD3-6.DWG为文件名保存在#SubPath# 中。
请关闭autocad应用软件后再点击进入下一题。
3.7说明:建筑类【操作要求】1.打开图形文件:打开图形文件#SubPath#\sucai\CADST3-7.DWG。
2.属性操作:a)将打开图形中所有圆删除。
b)设置lineweight为2.00,打开lineweight设置开关。
完成后的图形参见【样张】。
3.保存:将完成的图形以KSCAD3-7.DWG为文件名保存在#SubPath# 中。
请关闭autocad应用软件后再点击进入下一题。
3.8说明:建筑类【操作要求】1.打开图形文件:打开图形文件#SubPath#\sucai\CADST3-8.DWG。
2.属性操作:a)将图形中虚线框中的对象定义为图块,图块的名称为A。
将图块A以文件形式保存至#SubPath#,文件名称为3-8-1.DWG。
b)打开图形文件#SubPath#\sucai\CADST3-8-2.DWG。
在指定的位置插入3-8-1.dwg图形文件,完成后的图形参见【样张】。
3.保存:将完成的图形以KSCAD3-8.DWG为文件名保存在#SubPath# 中。
请关闭autocad应用软件后再点击进入下一题。
3.9说明:建筑类【操作要求】1.打开图形文件:打开图形文件#SubPath#\sucai\CADST3-9.DWG。
2.属性操作:a)将图形中虚线框内的对象定义为图块,图块名称为tu。
b)将图块插入至【样张】所示的位置。
完成后的图形参见【样张】。
3.保存:将完成的图形以KSCAD3-9.DWG为文件名保存在#SubPath# 中。
请关闭autocad应用软件后再点击进入下一题。
3.10说明:建筑类【操作要求】1.打开图形文件:打开图形文件#SubPath#\sucai\CADST3-10.DWG。
2.属性操作:a)按【样张】补充图形。
b)将补充的对象改变至图层3。
完成的图形参见【样张】。
3.保存:将完成的图形以KSCAD3-10.DWG为文件名保存在#SubPath# 中。
请关闭autocad应用软件后再点击进入下一题。
样图:1、2、3、4、5、第四单元图形的编辑4-1说明:【操作要求】1.打开图形:打开图形文件#SubPath#\sucai\CADST4-1.DWG。
2.编辑图形:a)将打开的三角形编辑成线宽为10的多义线。
b)再将编辑后图形,编辑成一条封闭的样条曲线。
完成后的图形如【样张】。
3.保存:将完成的图形以KSCAD4-1.DWG为文件名保存在#SubPath# 中。
请关闭autocad应用软件后再点击进入下一题。
4-2说明【操作要求】1.打开图形:打开图形文件#SubPath#\sucai\CADST4-2.DWG。
2.编辑图形:a)将打开的图形中的圆放大1.2倍。
b)通过编辑命令完成图形。
完成后的图形如【样张】。
3.保存:将完成的图形以KSCAD4-2.DWG为文件名保存在#SubPath# 中。
请关闭autocad应用软件后再点击进入下一题。
4-4说明:【操作要求】1.打开图形:打开图形文件#SubPath#\sucai\CADST4-4.DWG。
2.编辑图形:a)将打开的矩形以对角线交点为基准等比缩放0.6倍。
b)将缩放后矩阵列成如【样张】形状;行数为4,行间距为25;列数为4,列间距为30,整个图形与水平方向的夹角为45度。
完成后的图形如【样张】。
3.保存:将完成的图形以KSCAD4-4.DWG为文件名保存在#SubPath# 中。
请关闭autocad应用软件后再点击进入下一题。
4-5说明:【操作要求】1.打开图形:打开图形文件#SubPath#\sucai\CADST4-5.DWG。