国家危废名录
- 格式:docx
- 大小:21.97 KB
- 文档页数:9
国家危险废物名录(用于废物代码查询)废物分类是环保工作的重要一环。
不同的废物来源和组分都需要进行相应的处理和处置。
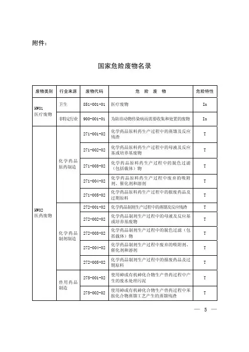
以下是几种常见的废物及其来源和组分:HW01:医院临床废物,包括手术残物、敷料、化验废物、传染性废物、动物试验废物等。
HW02:医药废物,包括生产过程中产生的废物、报废药品及过期原料等。
HW03:废药物、药品过期、报废的无标签的及多种混杂的医物、药品,不包括HW01、HW02类中的废药品。
HW04:农药废物,包括杀虫剂、杀菌剂、除草剂、灭鼠和植物生物调节剂等。
HW05:木材防腐剂废物。
HW06:有机溶剂废物,包括酚、三氯酚、屈萘、四氯酚、杂酚油、萤蒽、苯并α芘、2,4-二甲酚、2,4-二硝基酚、苯并(b)萤蒽、苯并(α)蒽、二苯并(α)蒽等。
以上废物都有其特定的来源和危害组分或废物名称,需要进行分类和处理。
HW16感光材料废物来源于摄影化学品、感光材料的生产、配制和使用过程中产生的废物,包括不合格产品、过期产品、残渣、废水和废泥,以及出版社、报社、印刷厂和电影厂产生的废显影液、定影液、正负胶片、像纸、感光原料和药品,以及新化学研制中产生的废物。
这些废物包括邻苯二甲酸酯类、脂肪酸二元酸酯类、磷酸酯类、环氧化合物类、偏苯三甲酸酯类、能酯类、氯化石蜡、二元醇和多元醇酯类,以及磺酸衍生物废物。
HW17表面处理废物来源于金属和塑料表面处理过程中产生的废物,包括电镀行业的电镀槽渣、槽液和水处理污泥,金属和塑料表面酸(碱)洗、除油、除犭、洗涤工艺产生的腐蚀液、洗涤液和污泥,以及金属和塑料表面磷化、出光、化抛过程中产生的残渣(液)和污泥,以及镀层剥除过程中产生的废液和残渣。
HW18焚烧处置残渣是指从工业废物处置作业中产生的残余物。
HW19含金属羰基化合物废物来源于金属羰基化合物制造和使用过程中产生的含有羰基化合物成份的废物,以及精细化工产品生产和金属有机化合物的合成。
含铍废物来源于稀有金属冶炼、铍化合物生产和其他工业过程中产生的含铍及其化合物的废物。
国家危险废物名录20231. 简介国家危险废物名录是由国家环境保护部(现国家生态环境部)发布的指导性文件,用于规范和管理危险废物的分类、命名和处理方法。
该名录的发布旨在加强对危险废物的管理,减少对环境及人民健康造成的风险和危害。
本文将介绍国家危险废物名录2023的主要更新内容和意义。
2. 名录的主要更新内容2.1 新增的危险废物种类在国家危险废物名录2023中,新增了一些危险废物种类,以更全面地覆盖和管理各类危险废物。
这些新增的危险废物种类主要包括:•电子废物:电子设备的废弃物,如废旧电脑、手机、电视机等。
•光伏废物:太阳能电池板等光伏设备的废弃物。
•汽车废弃物:汽车的废弃零部件、废旧轮胎等。
•化妆品废物:废弃化妆品产品及包装物。
•纺织品废物:废旧纺织品、衣物等。
2.2 修改的危险废物种类此次名录更新还对部分已有的危险废物种类进行了修改,主要包括以下方面的调整:•重新分类:将某些危险废物从原有分类中移出,并重新归类到适合的分类中。
•名称变更:对一些危险废物的名字进行了修正和规范化,以便更精确地描述其特征和性质。
•删除或合并:对于某些不再符合危险废物定义或与其他种类重叠的废物,进行了删除或合并处理。
2.3 废物处理方法的更新除了危险废物种类的更新外,国家危险废物名录2023还更新了一些废物处理方法。
这些更新主要包括以下几个方面:•排放限值:对废物处理过程中的排放限值进行了设置,以保证废物处理过程中不会对环境造成过大的污染和危害。
•包装和运输要求:对危险废物的包装和运输进行了更加严格的要求,以确保废物在运输过程中的安全性。
•处理工艺和技术:提供了更多废物处理的工艺和技术选项,以满足不同危险废物处理的需要,同时鼓励采用更环保和可持续的处理方法。
3. 名录更新的意义和影响3.1 加强对危险废物的管控通过国家危险废物名录的更新,可以更准确地识别和管理各类危险废物。
新增的危险废物种类使得名录更加全面,能够更好地适应和应对不断变化的危险废物产生情况。
——分类国家危险废物名录废物类常见国际危害组分或废物名称编号废物来源别医疗中心和诊所的医疗服务中产从医院、生的临床废物——手术、包扎残余物手术残物,敷料、化验废物,传临医院——生物培养、动物试验残余物HW01染性废物,动物试验废物床废物——化验检查残余物——传染性废物——废水处理污泥废程中产生的医从用药品的生产制作过物,包括兽药产品(不含中药类废物)——蒸馏及反应残余物废抗菌药、甾类药、抗组织胺类废医药——高浓度母液及反应基或培养基废物药、镇痛药、心血管药、神经系HW02物——脱色过滤(包括载体)物统药、杂药,基因类废物——用过废弃的吸附剂、催化剂、溶剂——生产中产生的报废药品及过期原料药的多种混杂及、过期报废的无标签的HW01,HW02类中的废物、药品(不包括药品)——(包括药品废生产中产生的报废药品废药物、废化学试剂,废药品,废药物HW03原料和中间体反应物)药品——使用单位(科研、监测、学校、医疗(物)单位、化验室等)积压或报废的药品——经营部门过期的报废药品(物)来自杀虫、杀菌、除草、灭鼠和植物生长虫虫有废机磷杀剂、有氯杀机调节剂的生产、经销、配制和使用过程中剂、有机氮杀虫剂、氨基甲酸酯产生的废物虫虫除菊酯类杀拟剂杀类虫、——蒸馏及反应残余物剂、杀螨剂、有机磷杀菌剂、有——生产过程母液及(反应罐及容器)清机氯杀菌剂、有机硫杀菌剂、有洗液机锡杀菌剂、有机氮杀菌剂、醌农药废——吸附过滤物(包括载体,吸附剂,催HW04类杀菌剂、无机杀菌剂、有机胂物化剂)杀菌剂、氨基甲酸酯类除草剂、——废水处理污泥醚类除草剂、酚类除草剂、酰胺——生产、配制过程中的过期原料取代脲类除草剂、类除草剂、苯——生产、销售、使用过程中的过期和淘均三氮苯类除氧羧酸类除草剂、汰产品草剂、无机除草剂——沾有农药及除草剂的包装物及容器2甲-氯酚,含五氯酚,苯酚,配制和使用中从木材防腐化学品的生产、防材木HW05HW04 酚,对氯间甲酚,三氯酚,产生的废物(不包括与屈萘,类重复的废腐剂废a 四氯酚,杂酚油,萤蒽,苯并物物)——污产产中生的废水处理生产单位生2,4-2,4-二硝基酚二甲酚,芘,(b)(a) 蒽,二苯泥、工艺反应残余物、吸附过滤物及载体萤蒽,苯并苯并——报废或配制过剩的木使用单位积压、(a) 蒽的废物并材防腐化学品——学报废的木材防腐化销售经营部门品配制和使用过程中产生从有机溶剂生产、HW42 类的废有机溶剂)的废物(不包括——有机溶剂的合成、裂解、分离、脱色、废催化剂,清洗剥离物,反应残溶有机催化、沉淀、精馏等过程中产生的反应残HW06 渣及滤渣,吸附物与载体废物剂废物余物,吸附过滤物及载体——溶有机中产生的含过配制和使用程剂的清洗杂物生产退火作业中化从含有氰物热处理和的废物含氰热处理钡渣,理含氰污泥及冷热处——金属含氰热处理却液,含氰热处理炉内衬,热处废含氰HW07——含氰热处理回火池冷却理渗碳氰渣物——含氰热处理炉维修——热处理渗碳炉不适合原来用途的废矿物油——泥油采开和炼制产生的来自于石油和油脚——矿物油类仓储过程中产生的沉积物——机械、动力、运输等设备的更换油及废机油、原油、液压油、真空泵清洗油(泥)物油、柴油、汽油、重油、煤油、废矿HW08——金属轧制、机械加工过程中产生的废油樟脑油、热处理油、润滑油(脂)、油(渣)冷却油——含油废水处理过程中产生的废油及油泥——油加工和油再生过程中产生的油渣及过滤介质从机械加工、设备清洗等过程中产生的废乳化液、废油水混合物——生产、配制、使用过程中产生的过剩//水混合水、烃废皂液、乳化油乳化液(膏)化废乳——金属切削和冷拔过程产生机械加工、物、乳化液(膏)、切削剂、冷HW09液却剂、润滑剂、拔丝剂的废乳化剂——清洗油罐、油件过程中产生的油水、烃水混合物——来自于(乳化液)水压机定期更换的.乳化废液(PCBs)、多氯三苯联含有或沾染多氯联(PCTs)(PBBs)的废物质溴联苯苯和、多废物品——过剩的、废弃的、封存的、待替换的PCBsPBBsPCTs的电力设备含有和、(电容器、变压器)氯多含——PCBs,PBBsPCTs的电力或从含有(PCBs),多溴苯联苯联多含氯废苯联HW10(PBBs)(PCTs) 废物、设备中倾倒出的介质油、绝缘油、冷却油多氯三联苯物及传热油——PCTsPCBs,PBBs或被来自含有和中备过程的拆装质这些物污染的电力设的清洗液——PCTsPCBs,PBBs污染的土壤被和及包装物蒸馏和任何热解处理中产生的废从精炼、焦油状残留物——煤气生产过程中产生的焦油渣——原油蒸馏过程中产生的焦油残余物——油焦程原油精制过中产生的沥青状沥青渣,焦油渣,废酸焦油,酚渣,蒸馏釜残物,精馏釜残物,及酸焦油精(蒸)——渣的蒸残馏产化学品生产过程中生甲苯渣,液化石油气残渣(含苯HW11馏残渣a )芘、屈萘、萤蒽、多环并(和蒸馏釜底物——生中产过产品化学原料生的热解程芳烃类废物)生的焦油状残余物——蒸油产程过中生的焦或产被工业生馏残余物所污染的土壤——盛装过焦油状残余物的包装和容器从油墨、染料、颜料、油漆、真漆、罩光漆的生产配制和使用过程中产生的废物——染产、料废生的弃的颜中过生产程料、涂料和不合格产品废酸性染料、碱性染料、媒染染——染料、颜料生产硝化、氧化、还原、料偶氮染料、直接染料、冰染染磺化、重氮化、卤化等化学反应中产生的料、还原染料、硫化染料、活性废母液、残渣、中间体废物染料、涂染料、醇酸树脂涂料、丙烯酸树HW12——油漆、油墨生产、配制和使用过程中料废物脂涂料、聚氨酯树脂涂料、聚乙产生的含颜料、油墨的有机溶剂废物烯树脂涂料、环氧树脂涂料、双——碱或有机溶剂清洗容器设备使用酸、组份涂料、油墨、重金属颜料产生的污泥状剥离物——含有染料、颜料、油墨、油漆残余物的废弃包装物——废水处理污泥./胶合剂的从树酯、胶乳、增塑剂、胶水生产、配制和使用过程中产生的废物——生产、配制、使用过程中产生的不合含邻苯二甲酸酯类,脂肪酸二元格产品、废副产物——在合成、酯化、缩合等反应中产生的酸酯类,磷酸酯类,环氧化合物树有机类,偏苯三甲酸酯类,聚酯类、废废催化剂、高浓度废液酯类HW13——精馏、分离、精制过程中产生的釜残氯化石蜡,二元醇和多元醇物酯类,磺酸衍生物的废物液、过滤介质和残渣——、碱清洗容器设备剥使用溶剂或酸离下的树脂状、黏稠杂物——废水处理污泥未从研究和开的尚生学活动中产发或教学化新新化学品研制中产生的废物鉴定的和(或)新的并对人类和(或)环HW14品废物境的影响未明的化学废物含叠氮乙酰,硝酸乙酰酯,叠氮六硝基高钴酸铵,胺,氯酸铵,硝酸铵,氮化铵,过碘酸铵,高锰酸铵,苦味酸铵,四过氧铬酸在生产、销售、使用爆炸物品过程中产生铵,叠氮羰基胍,叠氮钡,氯化的次品、废品及具有爆炸性质的废物,重氮苯,苯并三唑,亚硝基胍——在无爆震时容易发生剧烈变不稳定,硝化甘油,四硝基戊四醇,三硝化的废物硝酸钾,基氯苯,性爆炸聚乙烯硝酸酯,——能和水形成爆炸性混合物HW15叠氮化银,氮化银,三硝基苯间废物——经过发热、吸湿、自发的化学变化具二酚银,四氮烯银,无烟火药,有着火倾向的废物叠氮化钠,苦味酸钠,四硝基甲——炸震或爆爆时加引在有发源或热能烷,四氮化四硒,四氮化四硫,的废物四氮烯,氮化铊,二氮化三铅,氯酸钾,二氮化三汞,三硝基苯,雷汞,雷银,三硝基甲苯,三硝基间苯二酚的废物从摄影化学品、感光材料的生产、配制、使用中产生的废物——过合的产过程中生不格产品和产生期产品——生产过程中产生的残渣及废水污泥——出版社、报社、印刷厂、电影厂在使正负胶片、材光感废显影液、定影液、HW16 像纸、感光原料及药品料废物用和经营活动中产生的废显(定)影液、胶片及废像纸——冲洗部在使用和经营社会照像部、活动中产生的废显(定)影液、胶片及废像纸——CTX检查中产生的光和医疗院所的.废显(定)液及胶片从金属和塑料表面处理过程中产生的废物——电镀行业的电镀槽渣、槽液及水处理污泥废电镀溶液,镀槽淤渣,电镀水——金属和塑料表面酸(碱)洗、除油、处表面处理污泥,表面处理酸碱渣,氧HW17除锈、洗涤工艺产生的腐蚀液、洗涤液和理废物化槽渣,磷化渣,亚硝酸盐废渣污泥——金属和塑料表面磷化、出光、化抛过程中产生的残渣(液)及污泥——镀层剥除过程中产生的废液及残渣处烧焚焚烧处置残渣及灰尘从工业废物处置作业中产生的残余物HW18置残渣中过程制基化合物造以及使用含金属在金属羰金属羰基化合物(五羰基铁,八产生的含有羰基化合物成份的废物羰基化羰基二钴,羰基镍,三羰基钴,HW19——精细化工产品生产废合物氢氧化四羰基钴)废物——金属有机化合物的合成物含铍,硼氢化铍,溴化铍,氢氧含铍及其化合物的废物化铍,碘化铍,碳酸铍,硝酸铍,含铍废——稀有金属冶炼HW20物氧化铍,硫酸铍,氟化铍,氯化——铍化合物生产铍,硫化铍的废物含有六价铬化合物的废物——化工(铬化合物)生产(重)(重)铬酸钾,含铬酸酐,——皮革加工(鞣革)业铬酸钠,铬酸,重铬酸,三氧化废含铬——金属、塑料电镀HW21铬,铬酸锌,铬酸钾,铬酸钙,物——酸性媒介染料染色铬酸银,铬酸铅,铬酸钡的废物——颜料生产与使用——金属铬冶炼(铁合金)含溴化(亚)铜,氢氧化铜,硫酸(亚)铜,碘化(亚)铜,碳含有铜化物的废物——有色金属采选和冶炼氟化铜,酸铜,硝酸铜,铜含废硫化铜,HW22——金属、塑料电镀硫化(亚)铜,氯化(亚)铜,物——铜化合物生产醋酸铜,氧化铜钾,磷酸铜,二水合氯化铜铵的废物含有锌化合物的废物含溴化锌,碘化锌,硝酸锌,硫——有色金属采选及冶炼酸锌,氟化锌,硫化锌,过氧化——金属、塑料电镀废含锌锌,高锰酸锌,醋酸锌,草酸锌HW23——颜料、油漆、橡胶加工物铬酸锌,溴酸锌,磷酸锌,焦磷——锌化合物生产酸锌,磷化锌的废物——含锌电池制造业含砷,三氧化二砷,亚砷酐,五含砷及砷化合物的废物废砷含HW24——氧化二砷,五硫化二砷,硫化亚物有色金属采选及冶炼——砷及其化合物的生产砷,砷化锌,乙酰基砷铜,砷化——石油化工钙,砷化铁,砷化铜,砷化铅,——农药生产砷化银,乙基二氯化砷,(亚)——染料和制革业砷酸,三氟化砷,砷酸锌,砷酸铵,砷酸钙,砷酸铁,砷酸钠,砷酸汞,砷酸铅,砷酸镁,三氯化砷,二硫化砷,砷酸钾,砷化(三)氢的废物含硒,二氧化硒,三氧化硒,四氟化硒,六氟化硒,含硒及硒化合物废物二氯化二硒,——有色金属冶炼及电解四氯化硒,亚硒酸,硒化氢,硒废含硒HW25——硒化合物生产化钠。
国家危险废物名录国家危险废物名录中华人民共和国环境保护部令中华人民共和国国家发展和改革委员会第1号根据《中华人民共和国固体废物污染环境防治法》,特制定《国家危险废物名录》。
现予公布,自2008年8月1日起施行。
1998年1月4日原国家环境保护局、国家经济贸易委员会、对外贸易经济合作部、公安部发布的《国家危险废物名录》(环发〔1998〕89号)同时废止。
环境保护部部长周生贤发展改革委主任张平二○○八年六月六日国家危险废物名录第一条根据《中华人民共和国固体废物污染环境防治法》的有关规定,制定本名录。
第二条具有下列情形之一的固体废物和液态废物,列入本名录:(一)具有腐蚀性、毒性、易燃性、反应性或者感染性等一种或者几种危险特性的;(二)不排除具有危险特性,可能对环境或者人体健康造成有害影响,需要按照危险废物进行管理的。
第三条医疗废物属于危险废物。
《医疗废物分类目录》根据《医疗废物管理条例》另行制定和公布。
第四条未列入本名录和《医疗废物分类目录》的固体废物和液态废物,由国务院环境保护行政主管部门组织专家,根据国家危险废物鉴别标准和鉴别方法认定具有危险特性的,属于危险废物,适时增补进本名录。
第五条危险废物和非危险废物混合物的性质判定,按照国家危险废物鉴别标准执行。
第六条家庭日常生活中产生的废药品及其包装物、废杀虫剂和消毒剂及其包装物、废油漆和溶剂及其包装物、废矿物油及其包装物、废胶片及废像纸、废荧光灯管、废温度计、废血压计、废镍镉电池和氧化汞电池以及电子类危险废物等,可以不按照危险废物进行管理。
将前款所列废弃物从生活垃圾中分类收集后,其运输、贮存、利用或者处置,按照危险废物进行管理。
第七条国务院环境保护行政主管部门将根据危险废物环境管理的需要,对本名录进行适时调整并公布。
第八条本名录中有关术语的含义如下:(一)“废物类别”是按照《控制危险废物越境转移及其处置巴塞尔公约》划定的类别进行的归类。
(二)“行业来源”是某种危险废物的产生源。
附件国家危险废物名录第一条根据《中华人民共和国固体废物污染环境防治法》的有关规定,制定本名录。
第二条具有下列情形之一的固体废物(包括液态废物),列入本名录:(一)具有腐蚀性、毒性、易燃性、反应性或者感染性等一种或者几种危险特性的;(二)不排除具有危险特性,可能对环境或者人体健康造成有害影响,需要按照危险废物进行管理的。
第三条医疗废物属于危险废物。
医疗废物分类按照《医疗废物分类目录》执行。
第四条列入《危险化学品目录》的化学品废弃后属于危险废物。
第五条列入本名录附录《危险废物豁免管理清单》中的危险废物,在所列的豁免环节,且满足相应的豁免条件时,可以按照豁免内容的规定实行豁免管理。
第六条危险废物与其他固体废物的混合物,以及危险废物处理后的废物的属性判定,按照国家规定的危险废物鉴别标准执行。
第七条本名录中有关术语的含义如下:(一)废物类别,是在《控制危险废物越境转移及其处置巴塞尔公约》划定的类别基础上,结合我国实际情况对危险废物进行的分类。
(二)行业来源,是指危险废物的产生行业。
(三)废物代码,是指危险废物的唯一代码,为 8 位数字。
其中,第 1-3 位为危险废物产生行业代码(依据《国民经济行业分类(GB/T 4754-2011)》确定),第4-6 位为危险废物顺序代码,第7-8位为危险废物类别代码。
(四)危险特性,包括腐蚀性(Corrosivity, C)、毒性(Toxicity, T)、易燃性(Ignitability, I)、反应性(Reactivity, R)和感染性(Infectivity, In)。
第八条对不明确是否具有危险特性的固体废物,应当按照国家规定的危险废物鉴别标准和鉴别方法予以认定。
经鉴别具有危险特性的,属于危险废物,应当根据其主要有害成分和危险特性确定所属废物类别,并按代码“900-000-××”(××为危险废物类别代码)进行归类管理。
经鉴别不具有危险特性的,不属于危险废物。
国家危险废物名录1998 年 7 月 1 日实施【分类号】 304001199801【标题】国家危险废物名录【时效性】有效【颁布单位】国家环境保护局【颁布日期】 19980701【实施日期】 19980701【失效日期】【内容分类】环境保护行政法规、法规性文件【文号】【名称】国家危险废物名录【题注】【章名】全文废物来源常见危害组分或废物名称HW01 医院临床废物从医院、医疗中心和诊所的医疗服务中产生的临床废物—手术、包扎残余物—生物培养、动物试验残余物—化验检查残余物—传染性废物—废水处理污泥手术残物、敷料、化验废物、传染性废物,动物试验废物HW02 医药废物从医用药品的生产制作过程中产生的废物,包括兽药产品 ( 不含中药类废物 )—蒸馏及反应残余物—高浓度母液及反应基或培养基废物—脱色过滤( 包括载体 ) 物废抗菌药、甾类药、抗组织胺类药、镇痛药、心血管药、神经系统药、杂药,基因类废物—用过废弃的吸附剂、催化剂、溶剂—生产中产生的报废药品及过期原料HW03 废药物、药品过期、报废的无标签的及多种混杂的医物、药品( 不包括 HW01、HW02 类中的废药品 )—生产中产生的报废药品 ( 包括药品废原料和中间体反应物 )—使用单位 ( 科研、监测、学校、医疗单位、化验室等 ) 积压或报废的药品 ( 物 )—经营部门过期的报废药品 ( 物 )废化学试剂,废药品,废药物HW04 农药废物来自杀虫、杀菌、除草、灭鼠和植物生物调节剂的生产、经销、配制和使用过程产生的废物—蒸馏及反应残余物—生产过程母液及 ( 反应罐及容器 ) 清洗液—吸附过滤物 ( 包括载体,吸附剂,催化剂 ) —废水处理污泥—生产、配制过程中的过期原料—生产、销售、使用过程的过期和淘汰产品—沾有农药及除草剂的包装物及容器废有机磷杀虫剂、有机氯杀虫剂、有机氮杀虫剂、氨基甲酸酯类杀虫剂、拟除虫菊酯类杀虫剂、杀蟥剂、有机磷杀菌剂、有机氯杀菌剂、有机硫杀菌剂、有机锡杀菌剂、有机氮杀菌剂、醌类杀菌剂、无机杀菌剂、有机胂杀菌剂、氨基甲酸酯类除草剂、醚类除草剂、氨基甲酸酯类除草剂、醚类除草剂、取代脲类除草剂、苯氧羧酸类除草剂、均三氮苯类除草剂、无机除草剂HW05 木材防腐剂废物从木材防腐化学品的生产、配制和使用中产生的废物 ( 不包括与 HW04 类重复的废物 )—生产单位生产中产生的废水处理污泥、工艺反应残余物、吸附过滤物及载体—使用单位积压、报废或配制过剩的木材防腐化学品销售经营部门报废的木材防腐化学品含五氯酚,苯酚,2- 氯酚,甲酚,对氯间甲酚,三氯酚,屈萘,四氯酚,杂酚油,萤蒽,苯并α芘,2,4- 二甲酚,2,4- 二硝基酚,苯并(b) 萤蒽,苯并(α) 蒽,二苯并(α) 蒽的废物HW06 有机溶剂废物从有机溶剂生产、配制和使用过程中产生的废物( 不包括 HW42 类的废有机溶剂 )—有机溶剂的合成、裂解、分离、脱色、催化、沉淀、精馏等过程中产生的反应残余物,吸附过滤物及载体—配制和使用过程中产生的含有机溶剂的清洗杂物废催化剂,清洗剥离物,反应残渣及滤渣,吸附物与载体废物HW07 热处理含氰废物从含有氰化物热处理和退火作业中产生的废物—金属含氰热处理—含氰热处理回火池冷却—含氰热处理炉维修—热处理渗碳炉含氰热处理钡渣,含氰污泥及冷却液,含氰热处理炉内衬,热处理渗碳氰渣HW08 废矿物油不适合原来用途的废矿油—来自于石油开采和炼制产生的油泥和油脚—矿物油类仓过程中产生的沉积物—机械、动力、运输等设备的更换油及清洗油( 泥 )—金属轧制、机械加工过程中产生的废油 ( 渣 ) —含油废水处理过程中产生的废油及油泥—油加工和油再生过程中产生的油渣及过滤介质废机油、原油、液压油、真空泵油、柴油、汽油、重油、煤油、热处理油、樟脑油、润滑油 ( 脂 )、冷却油HW09 废乳化液从机械加工、设备清洗等过程中生产的废乳化液、废油水混合作—生产、配制、使用过程中产生的过剩乳化液( 膏 )—机械加工、金属切削和冷拔过程产生的废乳化剂—清洗油罐、油件过程中产生的油水、烃水混合物—来自于 ( 乳化液 ) 水压机定期更换的乳化废液废皂液、乳化油/水、烃/水混合物、乳化液 ( 膏 )、切削剂、冷却剂、润滑剂、拔丝剂HW10 含多氯联苯废物含有或沾染多氯联苯 (PCBs)、多氯三联苯(PCTs)、多溴联苯 (PBBs) 的废物质和废物品—过剩的、废弃的、封存的、待替换的含有 PCBs、PBBs 和 PCTs 的电力设备 ( 电容器、变压器 ) —从含有 PCBs,PBBs 和 PCTs 或被这些物质污染的电力设备的拆装过程中的清洗液—被 PCBs,PBBs 和 PCTs 污染的土壤及包装物含多氯联苯 (PCBs),多溴联苯 (PBBs)、多氯三联苯 (PCTs) 废物HW11 精 ( 蒸 ) 馏残渣从精炼、蒸馏和任何热解处理中产生的废焦油状残留物—煤气生产过程中产生的焦油渣—原油蒸馏过程中产生的焦油残余物—原油精制过程中产生的蒸馏残渣和蒸馏釜底物—化学品原料生产过程中产生的焦油或蒸馏残余物所污染的土壤—盛装过焦油状残余物的包装和容器沥青渣,焦油渣,废酸焦油,酚渣,蒸馏釜残物,精馏釜残物,甲苯渣,液化石油残液 ( 含苯并(α) 芘、屈萘、萤蒽,多环芳烃类废物 )HW12 染料、涂料废物从油墨、染料、颜料、油漆、真漆、罩光漆的生产配制和使用过程中产生的废物—生产过程中产生的废弃的颜料、染料、涂料和不合格产品—染料、颜料生产硝化、氧化、还原、磺化、重氮化、卤化等化学反应中产生的废母液、残渣、中间体雇废物—油漆、油墨生产、配制和使用过程中产生的含颜料、油墨的有机溶剂废物—使用酸、大事或有机溶剂清洗溶器设备产生的污泥状剥离物—含有染料、颜料、油墨、油漆残余物的废弃物废酸性染料、碱性染料、媒染染料、偶氮染料、直接染料、冰染染料、还原染料、硫化染料、活性染料、醇酸树脂涂料、丙烯酸树脂涂料、聚氨酯树脂涂料、聚乙烯树脂涂料、环氧树脂涂料、双组份涂料、油墨、重金属颜料包装物—废水处理污泥HW13 有机树脂类废物从树脂、胶乳、增塑剂、胶水/胶合剂的生产、配制和使用过程中产生的废物—生产、配制、使用过程中产生不合格产品、废副产物—在合成、酯化、缩合等废催化剂、高浓度废液—精馏、分离、精制过程中产生的釜残液、过滤介质和残渣—使用溶剂或酸、碱清洗容器设备剥离下的树脂状、黏稠杂物—废水处理污泥含邻苯二甲酸酯类,脂肪酸二元酸酯类,磷酸酯类,环氧化合物类,偏苯三甲酸酯类,能酯类,氯化石蜡,二元醇和多元醇酯类,磺酸衍生物废物HW14 新化学品废物从研究和开发或教学活动中产生的尚未鉴定的和( 或 ) 新的并对人类和 ( 或 ) 环境的影响未明的化学废物新化学研制中产生的废物HW15 爆炸性废物在生产、销售、使用爆炸物品过程中产生的次品、废品及具有爆炸性质的废物—不稳定,在无爆震时容易发生剧烈变化的废物—能和水形成爆炸性混合物—经过发势吸湿、吸湿、自发的化学变化具有着火倾向的废物—在有引发源或加热时能爆需求或爆炸的废物含叠氮乙酰,硝酸乙酰酯,叠氮铵,氨酸铵,六硝基高钴酸铵,硝酸铵,氮化铵,过碘酸铵,高锰酸铵,苦味酸铵,四过氧名称酸铵,叠氮羰基胍,叠氮钡、氯化重氮苯,苯并三唑,亚硝胍,硝化甘油,四硝基戊四醇,三硝基氯苯,聚乙烯硝酸酯,硝酸钾,叠氮化银,无烟火药,叠氮化钠,苦味酸钠,四硝基甲烷,四氮化四硒,四氮经四硫,四氮烯,氮化铊,二氮化三铅,二氮化三汞,三硝基苯,氯酸钾,雷汞,雷银,三硝基甲苯,三硝基间苯二酚的废物HW16 感光材料废物从摄影化学品、感光材料的生产、配制、使用中产生的废物—生产过程中产生的不合格产品和过期产品—生产过程中产生的残渣及废水污泥—出版社、报社、印刷厂、电影厂在使用和经营活动中产生的废显 ( 定 ) 影液、胶片及废像纸—社会照像部、冲洗部在使用和经营活动中产生的废显 ( 定 ) 影液、胶片及废像纸—医疗院所的 X 光和 CT 检查中产生的废显( 定 ) 液及胶片废显影液、定影液、正负胶片、像纸、感光原料及药品HW17 表面处理废物从金属和塑料表面处理过程中产生的废物—电镀行业的电镀槽渣、槽液及水处理污泥—金属和塑料表面酸 ( 碱 ) 洗、除油、除犭、洗涤工艺产生的腐蚀液、洗涤液和污泥废电镀溶液,镀槽淤渣,电镀水处理污泥,表面处理酸碱渣,氧化槽渣,磷化渣,亚硝酸盐废渣—金属和塑料表面磷化、出光、化抛过程中产生的残渣 ( 液 ) 及污泥—镀层剥除过程中产生的废液及残渣HW18 焚烧处置残渣从工业废物处置作业中产生的残余物焚烧处置残渣及灰尘HW19 含金属羰基化合物废物在金属羰基化合物制造以及使用过程中产生的含有羰基化合物成份的废物—精细化工产品生产—金属有机化合物的合成金属羰基化合物( 五羰基铁,八羰基二钴,羰基镍,三羰基钴,氢氧化四羰基钴) 废物HW20 含铍废物含铍及其化合物的废物—稀有金属冶炼—铍化合物生产含铍,硼氢化铍,溴化铍,氢氧化铍,碘化铍,碳酸铍,硝酸铍,氧化铍,硫酸铍,氟化铍,氯化铍,硫化铍的废物HW21 含铬废物含有六价铬化合物的废物—化工 ( 铬化合物 ) 生产—皮革加工 ( 鞣革 ) 业—金属、塑料电镀—酸性媒介染料染色—颜料生产与使用—金属铬治炼 ( 铁合金 )含铬酸酐,( 重) 铬酸钾,( 重) 铬酸钠,铬酸,三氧化铬,铬酸锌,铬酸钾,铬酸钙,铬酸银,铬酸铅,铬酸钡的废物HW22 含铜废物含有铜化合物的废物—有色金属采选和冶炼—金属、塑料电镀—铜化合物生产含溴化 ( 亚 ) 铜,氢氧化铜,硫酸 ( 亚 ) 铜,碘化 ( 亚 ) 铜,碳酸铜,硝酸铜,硫化铜,氟化铜,硫化 ( 亚 ) 铜,氯化 ( 亚 ) 铜,醋酸铜,氧化铜钾,磷酸铜,二水合氯化铜铵的废物HW23 含锌废物含有锌化合物的废物—有色金属采选及冶炼—金属、养料电镀—颜料、油漆、橡胶加工—锌化合物生产—含锌电池制造业含溴化锌,碘化锌,硝酸锌,硫酸锌,氟化锌,硫化锌,过氧化锌,溴酸锌,醋酸锌,草酸锌,铬酸锌,溴酸锌,醋酸锌,草酸锌,溴酸锌,磷酸锌,焦磷酸锌,磷化锌的废物HW24 含砷废物含砷及砷化合物废物—有色金属采选及冶炼—砷及其化合物的生产—石油化工—农药生产—染料和制革业含砷,三氧化二砷,亚砷酐,五氧化二砷,五硫化二砷,硫化亚砷,砷化锌,乙酰基砷铜,砷化钙,砷酸鲺,砷酸铁,砷酸钠,砷酸汞,砷钾,砷化( 三 ) 氢的废物含硒,二氧化化硒,三氧化碍,四氟化硒,六氟化硒,二氯化硒,亚硒酸,硒化氢,硒化钠,( 亚 ) 硒酸纳,二友谊化硒,硒化亚铁,亚硒酸钡,硒酸,二甲基硒的废物含镉,溴化镉,碘公顷镉,氢氧化镉,氯化镉,氟化镉,醋酸镉,氧化镉,二甲基镉的废物HW25 含硒废物含硒及硒化合物废物—有色金属冶炼及电解—硒化合物生产—颜料、橡胶、玻璃生产含硒,二氧化硒,三氧化硒,四氟化硒,六氟化硒,二氯化二硒,四氯化硒,亚硒酸,硒化氢,硒化钠,( 亚 ) 硒酸钠,二硫化硒,硒化亚铁,亚硒酸钡,二硫化硒,硒化亚铁,亚硒酰凡,硒酸,二甲基硒的废物HW26 含镉废物含镉及其化合物废物—有色金属采选及冶炼—镉化合物生产—电池制造业—电镀行业含镉,溴化镉,碘化镉,氢氧化镉,碳酸镉,硝酸镉,硫酸镉,硫化镉,氯化镉,氟化镉,醋酸镉,氧化镉,二甲基镉的废物HW27 含锑废物含锑及其化合物废物—有色金属冶炼—锑化合物生产和使用含锑,二氧化二锑,亚梯酐,五氧化二锑,硫化亚梯,硫化锑,氟化亚锑,氟化锑,氯化 ( 亚 ) 锑,三氢化锑,锑酸钠,锑酸铅,乳酸锑,亚锑酸钠的废物HW28 含碲废物含碲及其化合物废物—有色金属冶炼及电解—碲化合物生产和使用含碲,四氯化碲,亚碲酸,碲化氢,碲酸,二乙基碲,二甲基碲的废物HW29 含汞废物含汞及其化合物废物化学工业含汞纳化剂制造与使用—含汞电池制造业—汞冶炼及汞回收工业—有机汞和无机汞化合物生产—农药及制药业—荧光屏及汞灯制造及使用—含汞玻璃计器制造及使用—汞法烧碱生产产生的含汞盐泥含汞,溴化( 亚) 汞,碘化( 亚) 汞,硝酸( 亚) 汞,氧化汞,硫酸( 亚) 汞,氯化( 亚) 汞,硫化汞,氯化乙基汞,氯化汞铵,氯化甲基汞,醋酸( 亚) 汞,二甲基汞,二乙基汞,氯化高汞的废物HW30 含铊废物含铊及其化合物废物—有色金属冶炼及农药生产—铊公合物生产及使用含铊,溴化亚铊,氢氧化 ( 亚 ) 铊,碘化亚铊,硝酸亚铊,碳酸亚铊,硫酸亚铊,氧化亚铊,硫化亚铊,三氧化二铊,三硫化二铊,氟化亚铊,氯化( 亚 ) 铊,铬酸铊,氯酸铊,醋酸铊的废物HW31 含铅废物—铅冶炼及电解过程中的残渣及铅尘—铅 ( 酸 ) 蓄电池生产中产生的废铅渣及铅酸( 污泥 )—报废的铅畜电池—铅铸造业及制品业的废铅渣及水处理污泥—铅化合物制造和使用过程中产生的废物含铅,乙酸铅,溴化铅,氢氧化铅,碘化铅,碳酸铅,硝酸铅,氧化铅,硫酸铜,碳酸铅,硝酸铅,氧化铅,硫化铜,高氯酸铅,碱性硅酸铅,四烷基铅,四氧化铅,二氧化铅的废物HW32 无机氟化物废物含无机氟化物的废物 ( 不包括氟化钙、氟化镁 )含氟化铯,氟硼酸,氟硅酸锌,氢氟酸,氟硅酸,六氟化硫,氟化钠,五氟化硫,二氟磷酸,氟硫酸,氟硼酸铵,氟硅酸铵,氟化铵,氟化钾,氟化铬,五氟化碘,氟氢化钾,氟氢化钠,氟硅酸钠的废物HW33 无机氰化物废物从无机氰化物生产、使用过程中产生的含无机氰化物的废物 ( 不包括 HW07 类热处理含氰废物 )—金属制品业的电解除油,表面硬化化学工艺中产生的含氰废物—电镀业和电子零件制造业中电镀工艺、镀层剥除工艺中产生的含氰废物—金矿开采与筛选过程产生的含氰废物—首饰加工的化学抛光工艺产生的含氰废物—其它生产、实验、化验分析过程中产生的含氰废物及包装物含氢氰酸,氰化钠,氰化钾,氰化锂,氰化汞,氰化铅,氰化铜,氰化锌,氰化钡,氰化钙,氰化镍,铜氰化钠,铜氰化钾,镍氰化钾,溴化氰,氰化钴的废物HW34 废酸从工业生产、配制、使用过程产生的废酸液、固态酸及酸渣(PH≤2 的液态酸 )—工业化学品制造—化学分析及测试—金属及其它制品的酸蚀、出光、除锈 ( 油 ) 及清洗—废水处理—纺织印染前处理废硫酸、硝酸、盐酸、磷酸、( 次) 氯酸、溴酸、氢氟酸、氢溴酸、硼酸、砷酸、硒酸、氰酸、氰磺酸、碘酸、王水HW35 废碱从工业生产、配制使用过程中产生的废碱液、固态碱及碱渣(PH≥12.5 的液态碱 )—工业化学品制造—化学分析及测试—金属及其综制品的碱蚀、出光、除锈 ( 油 ) 及清洗—废水处理—纺织印染前处理—造纸废液废氢氧化钠,氢氧化钾、氢氧化钙、氢氧化钾、碳酸 ( 氢 ) 钠、碳酸 ( 氢 ) 钾、硼砂、( 次 ) 氯酸钠、( 次 ) 氯酸钾、( 次 ) 氯酸钙、磷酸钠HW36 石棉废物从生产和使用过程中产生的石棉废物—石棉矿开采及其石棉产品加工—石棉建材生产—含石棉设施的保养 ( 石棉隔膜,热绝缘体等 ) —车辆制动器衬片的生产与更换石棉尘,石棉废纤纤维,废石棉绒,石棉隔热废料,石棉尾矿渣HW37 有机磷化合物废物从农药以外其他有机磷化合物生产、配制和使用过程中产生的含有机磷废物—生产过程中产生的反应残余物—生产过程中过滤物、催化剂 ( 包括载体 ) 及废弃的吸附剂—废水处理污泥—配制,使用过程中的过剩物、残渣及其包装物含氯硫磷,硫磷嗪,磷酰胺,丙基磷酸四乙酯,四磷酸六乙酯,硝基硫磷酯,苯脯磷,磷酸酯类化合物,苯硫磷,异丙磷,三氯化磷,磷酸三丁酯的废物HW38 有机氰化物废物从生产、配制和使用过程中产生的含有机氰化物的废物含乙腈,丙烯腈,已二腈,氨丙腈,氯丙烯腈,氰基乙酸,氰基氯戊烷,乙醇腈,丙腈,四甲基玻珀腈,溴苯甲腈,苯腈,乳酸腈,丙酮腈,丁基腈,—在合成、缩合等反应中产生的高浓度废液及反应残余物—在催化剂、精馏、过滤过程中产生的废催化剂、釜残及过滤介质物—生产、配制过程中产生的不合格产品—废水处理污泥苯基异丙酸酯,氰酸酯类的废物、HW39 含酚废物酚、酚化合物的废物 ( 包括氯酚类和硝基酚类 ) —生产过程中产生的高浓度废液及反应残余物—生产过程中产生的吸附过滤物,废催化剂、精馏釜残液 ( 包括石油、化工、煤气生产过程中产生的酚类化合物废物 )含氨基苯酚,溴酚,溴酚,氯甲苯酚,煤焦油,二氯酚,二硝基苯酚,对苯二酚,三羟基苯,五氯酚( 钠 ),硝基苯酚,三氯酚,氯酚,甲酚,硝基苯甲酚,苦味酸,二硝基苯酚钠,苯酚胺的废物HW40 含醚废物从生产、配制和使用过程中产生的含醚废物—生产、配制过程中产生的醚类残液、反应残余物、水处理污泥及过滤渣—配制、使用过程中产生的含醚类有机混合溶剂含苯甲醚,乙二醇单乙醚,甲乙醚,丙烯醚,二氯乙醚,苯乙基醚,二苯醚,二氧基乙醇乙醚,乙二醇甲基醚,乙二醇醚,异丙醚,二氯二甲醚,甲基氯甲醚,丙醚,丙醚,皿氯丙醚,三硝基苯甲醚,丙醚,四氯丙醚,三硝基苯甲醚,乙二醇二乙醚,亚乙基二醇丁基醚,二甲醚,乙二醇异丙基醚,乙二醇苯醚,乙二戊基醚,氯甲基乙醚,丁醚,乙醚,二甘醇二乙基醚,乙二醇二甲基醚,乙二醇单乙醚的废物HW41 废卤化有机溶剂从卤化有机溶剂生产、配制、使用过程中产生的废溶剂—生产、配制过程中产生的高浓度残液、吸附过滤物、反应残渣、水处理污泥及废载体—生产、配制过程中产生的报废产品—生产、配制、使用过程中产生的废物卤化有机溶剂。
国家危险废物名录——分类编号废物类别废物来源常见国际危害组分或废物名称HW01 医院临床废物从医院、医疗中心和诊所的医疗服务中产生的临床废物——手术、包扎残余物——生物培养、动物试验残余物——化验检查残余物——传染性废物——废水处理污泥手术残物,敷料、化验废物,传染性废物,动物试验废物HW02 医药废物从医用药品的生产制作过程中产生的废物,包括兽药产品(不含中药类废物)——蒸馏及反应残余物——高浓度母液及反应基或培养基废物——脱色过滤(包括载体)物——用过废弃的吸附剂、催化剂、溶剂——生产中产生的报废药品及过期原料废抗菌药、甾类药、抗组织胺类药、镇痛药、心血管药、神经系统药、杂药,基因类废物HW03 废药物、药品过期、报废的无标签的及多种混杂的药物、药品(不包括HW01,HW02类中的废药品)——生产中产生的报废药品(包括药品废原料和中间体反应物)——使用单位(科研、监测、学校、医疗单位、化验室等)积压或报废的药品(物)——经营部门过期的报废药品(物)废化学试剂,废药品,废药物HW04 农药废物来自杀虫、杀菌、除草、灭鼠和植物生长调节剂的生产、经销、配制和使用过程中产生的废物——蒸馏及反应残余物——生产过程母液及(反应罐及容器)清洗液——吸附过滤物(包括载体,吸附剂,催化剂)——废水处理污泥——生产、配制过程中的过期原料——生产、销售、使用过程中的过期和淘汰产品——沾有农药及除草剂的包装物及容器废有机磷杀虫剂、有机氯杀虫剂、有机氮杀虫剂、氨基甲酸酯类杀虫剂、拟除虫菊酯类杀虫剂、杀螨剂、有机磷杀菌剂、有机氯杀菌剂、有机硫杀菌剂、有机锡杀菌剂、有机氮杀菌剂、醌类杀菌剂、无机杀菌剂、有机胂杀菌剂、氨基甲酸酯类除草剂、醚类除草剂、酚类除草剂、酰胺类除草剂、取代脲类除草剂、苯氧羧酸类除草剂、均三氮苯类除草剂、无机除草剂HW05 木材防从木材防腐化学品的生产、配制和使用中含五氯酚,苯酚,2-氯酚,甲腐剂废物产生的废物(不包括与HW04类重复的废物)——生产单位生产中产生的废水处理污泥、工艺反应残余物、吸附过滤物及载体——使用单位积压、报废或配制过剩的木材防腐化学品——销售经营部门报废的木材防腐化学品酚,对氯间甲酚,三氯酚,屈萘,四氯酚,杂酚油,萤蒽,苯并a芘,2,4-二甲酚,2,4-二硝基酚苯并(b)萤蒽,苯并(a)蒽,二苯并(a)蒽的废物HW06 有机溶剂废物从有机溶剂生产、配制和使用过程中产生的废物(不包括HW42类的废有机溶剂)——有机溶剂的合成、裂解、分离、脱色、催化、沉淀、精馏等过程中产生的反应残余物,吸附过滤物及载体——配制和使用过程中产生的含有机溶剂的清洗杂物废催化剂,清洗剥离物,反应残渣及滤渣,吸附物与载体废物HW07 热处理含氰废物从含有氰化物热处理和退火作业中产生的废物——金属含氰热处理——含氰热处理回火池冷却——含氰热处理炉维修——热处理渗碳炉含氰热处理钡渣,含氰污泥及冷却液,含氰热处理炉内衬,热处理渗碳氰渣HW08 废矿物油不适合原来用途的废矿物油——来自于石油开采和炼制产生的油泥和油脚——矿物油类仓储过程中产生的沉积物——机械、动力、运输等设备的更换油及清洗油(泥)——金属轧制、机械加工过程中产生的废油(渣)——含油废水处理过程中产生的废油及油泥——油加工和油再生过程中产生的油渣及过滤介质废机油、原油、液压油、真空泵油、柴油、汽油、重油、煤油、热处理油、樟脑油、润滑油(脂)、冷却油HW09 废乳化液从机械加工、设备清洗等过程中产生的废乳化液、废油水混合物——生产、配制、使用过程中产生的过剩乳化液(膏)——机械加工、金属切削和冷拔过程产生的废乳化剂——清洗油罐、油件过程中产生的油水、烃水混合物——来自于(乳化液)水压机定期更换的废皂液、乳化油/水、烃/水混合物、乳化液(膏)、切削剂、冷却剂、润滑剂、拔丝剂乳化废液HW10 含多氯联苯废物含有或沾染多氯联苯(PCBs)、多氯三联苯(PCTs)、多溴联苯(PBBs)的废物质和废物品——过剩的、废弃的、封存的、待替换的含有PCBs、PBBs和PCTs的电力设备(电容器、变压器)——从含有PCBs,PBBs或PCTs的电力设备中倾倒出的介质油、绝缘油、冷却油及传热油——来自含有PCBs,PBBs和PCTs或被这些物质污染的电力设备的拆装过程中的清洗液——被PCBs,PBBs和PCTs污染的土壤及包装物含多氯联苯(PCBs),多溴联苯(PBBs)、多氯三联苯(PCTs)废物HW11 精(蒸)馏残渣从精炼、蒸馏和任何热解处理中产生的废焦油状残留物——煤气生产过程中产生的焦油渣——原油蒸馏过程中产生的焦油残余物——原油精制过程中产生的沥青状焦油及酸焦油——化学品生产过程中产生的蒸馏残渣和蒸馏釜底物——化学品原料生产的热解过程中产生生的焦油状残余物——被工业生产过程中产生的焦油或蒸馏残余物所污染的土壤——盛装过焦油状残余物的包装和容器沥青渣,焦油渣,废酸焦油,酚渣,蒸馏釜残物,精馏釜残物,甲苯渣,液化石油气残渣(含苯并(a)芘、屈萘、萤蒽、多环芳烃类废物)HW12 染料、涂料废物从油墨、染料、颜料、油漆、真漆、罩光漆的生产配制和使用过程中产生的废物——生产过程中产生的废弃的颜料、染料、涂料和不合格产品——染料、颜料生产硝化、氧化、还原、磺化、重氮化、卤化等化学反应中产生的废母液、残渣、中间体废物——油漆、油墨生产、配制和使用过程中产生的含颜料、油墨的有机溶剂废物——使用酸、碱或有机溶剂清洗容器设备产生的污泥状剥离物——含有染料、颜料、油墨、油漆残余物的废弃包装物——废水处理污泥废酸性染料、碱性染料、媒染染料偶氮染料、直接染料、冰染染料、还原染料、硫化染料、活性染料、醇酸树脂涂料、丙烯酸树脂涂料、聚氨酯树脂涂料、聚乙烯树脂涂料、环氧树脂涂料、双组份涂料、油墨、重金属颜料HW13 有机树酯类废物从树酯、胶乳、增塑剂、胶水/胶合剂的生产、配制和使用过程中产生的废物——生产、配制、使用过程中产生的不合格产品、废副产物——在合成、酯化、缩合等反应中产生的废催化剂、高浓度废液——精馏、分离、精制过程中产生的釜残液、过滤介质和残渣——使用溶剂或酸、碱清洗容器设备剥离下的树脂状、黏稠杂物——废水处理污泥含邻苯二甲酸酯类,脂肪酸二元酸酯类,磷酸酯类,环氧化合物类,偏苯三甲酸酯类,聚酯类、氯化石蜡,二元醇和多元醇酯类,磺酸衍生物的废物HW14 新化学品废物从研究和开发或教学活动中产生的尚未鉴定的和(或)新的并对人类和(或)环境的影响未明的化学废物新化学品研制中产生的废物HW15 爆炸性废物在生产、销售、使用爆炸物品过程中产生的次品、废品及具有爆炸性质的废物——不稳定,在无爆震时容易发生剧烈变化的废物——能和水形成爆炸性混合物——经过发热、吸湿、自发的化学变化具有着火倾向的废物——在有引发源或加热时能爆震或爆炸的废物含叠氮乙酰,硝酸乙酰酯,叠氮胺,氯酸铵,六硝基高钴酸铵,硝酸铵,氮化铵,过碘酸铵,高锰酸铵,苦味酸铵,四过氧铬酸铵,叠氮羰基胍,叠氮钡,氯化重氮苯,苯并三唑,亚硝基胍,硝化甘油,四硝基戊四醇,三硝基氯苯,聚乙烯硝酸酯,硝酸钾,叠氮化银,氮化银,三硝基苯间二酚银,四氮烯银,无烟火药,叠氮化钠,苦味酸钠,四硝基甲烷,四氮化四硒,四氮化四硫,四氮烯,氮化铊,二氮化三铅,二氮化三汞,三硝基苯,氯酸钾,雷汞,雷银,三硝基甲苯,三硝基间苯二酚的废物HW16 感光材料废物从摄影化学品、感光材料的生产、配制、使用中产生的废物——生产过程中产生的不合格产品和过期产品——生产过程中产生的残渣及废水污泥——出版社、报社、印刷厂、电影厂在使用和经营活动中产生的废显(定)影液、胶片及废像纸——社会照像部、冲洗部在使用和经营活动中产生的废显(定)影液、胶片及废像纸——医疗院所的X光和CT检查中产生的废显影液、定影液、正负胶片、像纸、感光原料及药品废显(定)液及胶片HW17 表面处理废物从金属和塑料表面处理过程中产生的废物——电镀行业的电镀槽渣、槽液及水处理污泥——金属和塑料表面酸(碱)洗、除油、除锈、洗涤工艺产生的腐蚀液、洗涤液和污泥——金属和塑料表面磷化、出光、化抛过程中产生的残渣(液)及污泥——镀层剥除过程中产生的废液及残渣废电镀溶液,镀槽淤渣,电镀水处理污泥,表面处理酸碱渣,氧化槽渣,磷化渣,亚硝酸盐废渣HW18 焚烧处置残渣从工业废物处置作业中产生的残余物焚烧处置残渣及灰尘HW19 含金属羰基化合物废物在金属羰基化合物制造以及使用过程中产生的含有羰基化合物成份的废物——精细化工产品生产——金属有机化合物的合成金属羰基化合物(五羰基铁,八羰基二钴,羰基镍,三羰基钴,氢氧化四羰基钴)废物HW20 含铍废物含铍及其化合物的废物——稀有金属冶炼——铍化合物生产含铍,硼氢化铍,溴化铍,氢氧化铍,碘化铍,碳酸铍,硝酸铍,氧化铍,硫酸铍,氟化铍,氯化铍,硫化铍的废物HW21 含铬废物含有六价铬化合物的废物——化工(铬化合物)生产——皮革加工(鞣革)业——金属、塑料电镀——酸性媒介染料染色——颜料生产与使用——金属铬冶炼(铁合金)含铬酸酐,(重)铬酸钾,(重)铬酸钠,铬酸,重铬酸,三氧化铬,铬酸锌,铬酸钾,铬酸钙,铬酸银,铬酸铅,铬酸钡的废物HW22 含铜废物含有铜化物的废物——有色金属采选和冶炼——金属、塑料电镀——铜化合物生产含溴化(亚)铜,氢氧化铜,硫酸(亚)铜,碘化(亚)铜,碳酸铜,硝酸铜,硫化铜,氟化铜,硫化(亚)铜,氯化(亚)铜,醋酸铜,氧化铜钾,磷酸铜,二水合氯化铜铵的废物HW23 含锌废物含有锌化合物的废物——有色金属采选及冶炼——金属、塑料电镀——颜料、油漆、橡胶加工——锌化合物生产——含锌电池制造业含溴化锌,碘化锌,硝酸锌,硫酸锌,氟化锌,硫化锌,过氧化锌,高锰酸锌,醋酸锌,草酸锌铬酸锌,溴酸锌,磷酸锌,焦磷酸锌,磷化锌的废物HW24 含砷废含砷及砷化合物的废物含砷,三氧化二砷,亚砷酐,五物——有色金属采选及冶炼——砷及其化合物的生产——石油化工——农药生产——染料和制革业氧化二砷,五硫化二砷,硫化亚砷,砷化锌,乙酰基砷铜,砷化钙,砷化铁,砷化铜,砷化铅,砷化银,乙基二氯化砷,(亚)砷酸,三氟化砷,砷酸锌,砷酸铵,砷酸钙,砷酸铁,砷酸钠,砷酸汞,砷酸铅,砷酸镁,三氯化砷,二硫化砷,砷酸钾,砷化(三)氢的废物HW25 含硒废物含硒及硒化合物废物——有色金属冶炼及电解——硒化合物生产——颜料、橡胶、玻璃生产含硒,二氧化硒,三氧化硒,四氟化硒,六氟化硒,二氯化二硒,四氯化硒,亚硒酸,硒化氢,硒化钠。
国家危害性废物名录(2022版与2023版新
旧对比)
本文将对2022年版和2023年版国家危害性废物名录进行新旧对比。
危害性废物的定义
危害性废物是指在生产、生活和其他活动中产生或排放的,含有有毒、有害、易燃、易爆、有腐蚀性等特性的废物。
新旧对比
2023年版的国家危害性废物名录相对于2022年版进行了如下修改和调整:
1. 新版名录中增加了部分新的废物种类,如含镍废物、含铬废物等。
2. 对于一些既有的废物种类进行了说明和细化,以便更好地管理和处置。
3. 调整了一些废物的分类和编号,更符合实际情况。
需要注意的是,国家危害性废物名录作为规范危废管理的重要依据,对废物的分类和管理都有明确的要求。
企业和单位在生产活动中应当严格按照相关规定进行分类、存储、运输和处置,以减少废物对环境的危害,保障人民生命财产安全。
结论
新旧版国家危害性废物名录的对比分析可以给我们更好地了解废物种类的变化和管理者对废物分类的理解和实践。
同时也提醒我们,在废物的管理和处置方面需要更加严格和规范,以减少环境和人类健康的风险。
国家有害废物名录(2022版与2023版新旧
对比)
国家有害废物名录(2022版与2023版新旧对比)
介绍
本文档旨在比较国家有害废物名录在2022版和2023版之间的变化。
国家有害废物名录是一份重要的文件,用于管理和规范有害废物的处理和处置。
通过了解新旧版有害废物名录的变化,可以帮助各方了解政策调整和相关影响。
2022版与2023版的对比
变动数量
- 2022版有害废物名录共有X条目。
- 2023版有害废物名录共有Y条目。
条目新增
- 2023版有害废物名录新增了A个条目。
- 这些新增的条目包括但不限于:
- 条目1
- 条目2
- 条目3
条目删除
- 2022版有害废物名录删除了B个条目。
- 这些删除的条目包括但不限于:
- 条目4
- 条目5
- 条目6
条目修改
- 2023版有害废物名录对C个条目进行了修改。
- 这些修改的条目包括但不限于:
- 条目7
- 条目8
- 条目9
其他变化
- 除了新增、删除和修改的条目外,2023版还包含了其他一些
变化,如修正、调整和细化了某些条目的细节。
结论
通过对比2022版和2023版的国家有害废物名录,我们可以看
到其中发生了一些变化。
这些变化可能影响有害废物的管理和处理。
各相关方应及时了解并适应新的有害废物名录,以确保符合相关法
律法规并保护环境和人民健康。
以上为国家有害废物名录(2022版与2023版新旧对比)的文
档内容。
2023年最新国家危险废弃物名册引言本文档旨在提供2023年最新的国家危险废弃物名册,以帮助相关行业和机构更好地管理和处理危险废弃物。
该名册列出了危险废弃物的分类、特征以及相应的处理方法,供参考和指导使用。
危险废弃物分类国家危险废弃物名册将危险废弃物分为以下几大类:1. 有毒废物:包括有害化学物质、有毒化学废物等,对环境和人类健康造成严重危害。
2. 医疗废物:包括医疗用品、药物残留等与医疗相关的废弃物。
3. 辐射废物:包括放射性物质和辐射源等具有辐射性的废弃物。
4. 爆炸废物:包括易爆炸物品和爆炸性废弃物,对人员和环境造成潜在的爆炸风险。
5. 腐蚀性废物:包括腐蚀性物质和腐蚀性化学废弃物,对物体和环境有腐蚀性作用。
6. 可燃废物:包括易燃物品和可燃性废弃物,容易引发火灾或爆炸。
7. 有害废物:包括各类有害物质、化学品和废弃物,对环境和生物多样性造成潜在危害。
危险废弃物处理方法针对不同种类的危险废弃物,需要采取相应的处理方法,以确保废弃物的安全处理和环境的保护。
以下是常见的危险废弃物处理方法:1. 危险废弃物分类和标记:对于危险废弃物,需要进行准确分类和标记,确保正确识别和处理。
2. 安全储存和包装:危险废弃物应储存在专用中,并采取相应的防护措施,以防泄漏和外泄。
3. 专业处理和处置:危险废弃物应由经过专业培训和授权的机构进行处理和处置,确保符合相关法规和标准。
4. 回收利用和处理:对于可回收和可再利用的危险废弃物,应采取相应的回收和再利用措施,降低资源浪费和环境污染。
结论2023年最新国家危险废弃物名册为相关行业和机构提供了重要的参考和指导,帮助他们更好地管理和处理危险废弃物。
通过合理分类和正确处理,我们能够保护环境、减少健康风险,并为可持续发展做出贡献。
请注意:本文档所提供的内容仅供参考,具体处理方法应根据国家相关法律法规和专业标准进行决策和实施。
附件国家危险废物名录第一条根据《中华人民共和国固体废物污染环境防治法》的有关规定,制定本名录。
第二条具有下列情形之一的固体废物(包括液态废物),列入本名录:(一)具有腐蚀性、毒性、易燃性、反应性或者感染性等一种或者几种危险特性的;(二)不排除具有危险特性,可能对环境或者人体健康造成有害影响,需要按照危险废物进行管理的。
第三条医疗废物属于危险废物。
医疗废物分类按照《医疗废物分类目录》执行。
第四条列入《危险化学品目录》的化学品废弃后属于危险废物。
第五条列入本名录附录《危险废物豁免管理清单》中的危险废物,在所列的豁免环节,且满足相应的豁免条件时,可以按照豁免内容的规定实行豁免管理。
第六条危险废物与其他固体废物的混合物,以及危险废物处理后的废物的属性判定,按照国家规定的危险废物鉴别标准执行。
第七条本名录中有关术语的含义如下:(一)废物类别,是在《控制危险废物越境转移及其处置巴塞尔公约》划定的类别基础上,结合我国实际情况对危险废物进行的分类。
(二)行业来源,是指危险废物的产生行业。
(三)废物代码,是指危险废物的唯一代码,为8 位数字。
其中,第1-3 位为危险废物产生行业代码(依据《国民经济行业分类(GB/T 4754-2011)》确定),第4-6 位为危险废物顺序代码,第7-8 位为危险废物类别代码。
(四)危险特性,包括腐蚀性(Corrosivity, C)、毒性(Toxicity, T)、易燃性(Ignitability, I)、反应性(Reactivity, R)和感染性(Infectivity, In)。
第八条对不明确是否具有危险特性的固体废物,应当按照国家规定的危险废物鉴别标准和鉴别方法予以认定。
经鉴别具有危险特性的,属于危险废物,应当根据其主要有害成分和危险特性确定所属废物类别,并按代码“900-000-××”(××为危险废物类别代码)进行归类管理。
经鉴别不具有危险特性的,不属于危险废物。
国家危险废物名录1998 年7 月1 日实施【分类号】304001199801【标题】国家危险废物名录【时效性】有效【颁布单位】国家环境保护局【颁布日期】19980701【实施日期】19980701【失效日期】【内容分类】环境保护行政法规、法规性文件【文号】【名称】国家危险废物名录【题注】【章名】全文废物来源常见危害组分或废物名称HW01 医院临床废物从医院、医疗中心和诊所的医疗服务中产生的临床废物—手术、包扎残余物—生物培养、动物试验残余物—化验检查残余物—传染性废物—废水处理污泥手术残物、敷料、化验废物、传染性废物,动物试验废物HW02 医药废物从医用药品的生产制作过程中产生的废物,包括兽药产品( 不含中药类废物)—蒸馏及反应残余物—高浓度母液及反应基或培养基废物—脱色过滤( 包括载体) 物—用过废弃的吸附剂、催化剂、溶剂—生产中产生的报废药品及过期原料废抗菌药、甾类药、抗组织胺类药、镇痛药、心血管药、神经系统药、杂药,基因类废物HW03 废药物、药品过期、报废的无标签的及多种混杂的医物、药品( 不包括HW01、HW02 类中的废药品)—生产中产生的报废药品( 包括药品废原料和中间体反应物)废化学试剂,废药品,废药物—使用单位( 科研、监测、学校、医疗单位、化验室等) 积压或报废的药品( 物)—经营部门过期的报废药品( 物)HW04 农药废物来自杀虫、杀菌、除草、灭鼠和植物生物调节剂的生产、经销、配制和使用过程产生的废物—蒸馏及反应残余物—生产过程母液及( 反应罐及容器) 清洗液—吸附过滤物( 包括载体,吸附剂,催化剂) —废水处理污泥—生产、配制过程中的过期原料—生产、销售、使用过程的过期和淘汰产品—沾有农药及除草剂的包装物及容器废有机磷杀虫剂、有机氯杀虫剂、有机氮杀虫剂、氨基甲酸酯类杀虫剂、拟除虫菊酯类杀虫剂、杀蟥剂、有机磷杀菌剂、有机氯杀菌剂、有机硫杀菌剂、有机锡杀菌剂、有机氮杀菌剂、醌类杀菌剂、无机杀菌剂、有机胂杀菌剂、氨基甲酸酯类除草剂、醚类除草剂、氨基甲酸酯类除草剂、醚类除草剂、取代脲类除草剂、苯氧羧酸类除草剂、均三氮苯类除草剂、无机除草剂HW05 木材防腐剂废物从木材防腐化学品的生产、配制和使用中产生的废物( 不包括与HW04 类重复的废物) —生产单位生产中产生的废水处理污泥、工艺反应残余物、吸附过滤物及载体—使用单位积压、报废或配制过剩的木材防腐化学品销售经营部门报废的木材防腐化学品含五氯酚,苯酚,2- 氯酚,甲酚,对氯间甲酚,三氯酚,屈萘,四氯酚,杂酚油,萤蒽,苯并α芘,2,4- 二甲酚,2,4- 二硝基酚,苯并(b) 萤蒽,苯并(α) 蒽,二苯并(α) 蒽的废物HW06 有机溶剂废物从有机溶剂生产、配制和使用过程中产生的废物( 不包括HW42 类的废有机溶剂)—有机溶剂的合成、裂解、分离、脱色、催化、沉淀、精馏等过程中产生的反应残余物,吸附过滤物及载体—配制和使用过程中产生的含有机溶剂的清洗杂物废催化剂,清洗剥离物,反应残渣及滤渣,吸附物与载体废物HW07 热处理含氰废物从含有氰化物热处理和退火作业中产生的废物—金属含氰热处理—含氰热处理回火池冷却—含氰热处理炉维修—热处理渗碳炉含氰热处理钡渣,含氰污泥及冷却液,含氰热处理炉内衬,热处理渗碳氰渣HW08 废矿物油不适合原来用途的废矿油—来自于石油开采和炼制产生的油泥和油脚—矿物油类仓过程中产生的沉积物—机械、动力、运输等设备的更换油及清洗油( 泥)—金属轧制、机械加工过程中产生的废油( 渣) —含油废水处理过程中产生的废油及油泥—油加工和油再生过程中产生的油渣及过滤介质废机油、原油、液压油、真空泵油、柴油、汽油、重油、煤油、热处理油、樟脑油、润滑油( 脂)、冷却油HW09 废乳化液从机械加工、设备清洗等过程中生产的废乳化液、废油水混合作—生产、配制、使用过程中产生的过剩乳化液( 膏)—机械加工、金属切削和冷拔过程产生的废乳化剂—清洗油罐、油件过程中产生的油水、烃水混合物—来自于( 乳化液) 水压机定期更换的乳化废液废皂液、乳化油/水、烃/水混合物、乳化液( 膏)、切削剂、冷却剂、润滑剂、拔丝剂HW10 含多氯联苯废物含有或沾染多氯联苯(PCBs)、多氯三联苯(PCTs)、多溴联苯(PBBs) 的废物质和废物品—过剩的、废弃的、封存的、待替换的含有PCBs、PBBs 和PCTs 的电力设备( 电容器、变压器) —从含有PCBs,PBBs 和PCTs 或被这些物质污染的电力设备的拆装过程中的清洗液—被PCBs,PBBs 和PCTs 污染的土壤及包装物含多氯联苯(PCBs),多溴联苯(PBBs)、多氯三联苯(PCTs) 废物HW11 精( 蒸) 馏残渣从精炼、蒸馏和任何热解处理中产生的废焦油状残留物—煤气生产过程中产生的焦油渣—原油蒸馏过程中产生的焦油残余物—原油精制过程中产生的蒸馏残渣和蒸馏釜底物—化学品原料生产过程中产生的焦油或蒸馏残余物所污染的土壤—盛装过焦油状残余物的包装和容器沥青渣,焦油渣,废酸焦油,酚渣,蒸馏釜残物,精馏釜残物,甲苯渣,液化石油残液( 含苯并(α) 芘、屈萘、萤蒽,多环芳烃类废物)HW12 染料、涂料废物从油墨、染料、颜料、油漆、真漆、罩光漆的生产配制和使用过程中产生的废物—生产过程中产生的废弃的颜料、染料、涂料和不合格产品—染料、颜料生产硝化、氧化、还原、磺化、重氮化、卤化等化学反应中产生的废母液、残渣、中间体雇废物—油漆、油墨生产、配制和使用过程中产生的含颜料、油墨的有机溶剂废物—使用酸、大事或有机溶剂清洗溶器设备产生的污泥状剥离物—含有染料、颜料、油墨、油漆残余物的废弃物包装物—废水处理污泥废酸性染料、碱性染料、媒染染料、偶氮染料、直接染料、冰染染料、还原染料、硫化染料、活性染料、醇酸树脂涂料、丙烯酸树脂涂料、聚氨酯树脂涂料、聚乙烯树脂涂料、环氧树脂涂料、双组份涂料、油墨、重金属颜料HW13 有机树脂类废物从树脂、胶乳、增塑剂、胶水/胶合剂的生产、配制和使用过程中产生的废物—生产、配制、使用过程中产生不合格产品、废副产物含邻苯二甲酸酯类,脂肪酸二元酸酯类,磷酸酯类,环氧化合物类,偏苯三甲酸酯类,能酯类,氯化石蜡,二元醇和多元醇酯类,磺酸衍生物废物—在合成、酯化、缩合等废催化剂、高浓度废液—精馏、分离、精制过程中产生的釜残液、过滤介质和残渣—使用溶剂或酸、碱清洗容器设备剥离下的树脂状、黏稠杂物—废水处理污泥HW14 新化学品废物从研究和开发或教学活动中产生的尚未鉴定的和( 或) 新的并对人类和( 或) 环境的影响未明的化学废物新化学研制中产生的废物HW15 爆炸性废物在生产、销售、使用爆炸物品过程中产生的次品、废品及具有爆炸性质的废物—不稳定,在无爆震时容易发生剧烈变化的废物—能和水形成爆炸性混合物—经过发势吸湿、吸湿、自发的化学变化具有着火倾向的废物—在有引发源或加热时能爆需求或爆炸的废物含叠氮乙酰,硝酸乙酰酯,叠氮铵,氨酸铵,六硝基高钴酸铵,硝酸铵,氮化铵,过碘酸铵,高锰酸铵,苦味酸铵,四过氧名称酸铵,叠氮羰基胍,叠氮钡、氯化重氮苯,苯并三唑,亚硝胍,硝化甘油,四硝基戊四醇,三硝基氯苯,聚乙烯硝酸酯,硝酸钾,叠氮化银,无烟火药,叠氮化钠,苦味酸钠,四硝基甲烷,四氮化四硒,四氮经四硫,四氮烯,氮化铊,二氮化三铅,二氮化三汞,三硝基苯,氯酸钾,雷汞,雷银,三硝基甲苯,三硝基间苯二酚的废物HW16 感光材料废物从摄影化学品、感光材料的生产、配制、使用中产生的废物—生产过程中产生的不合格产品和过期产品—生产过程中产生的残渣及废水污泥—出版社、报社、印刷厂、电影厂在使用和经营活动中产生的废显( 定) 影液、胶片及废像纸—社会照像部、冲洗部在使用和经营活动中产生的废显( 定) 影液、胶片及废像纸—医疗院所的X 光和CT 检查中产生的废显( 定) 液及胶片废显影液、定影液、正负胶片、像纸、感光原料及药品HW17 表面处理废物从金属和塑料表面处理过程中产生的废物—电镀行业的电镀槽渣、槽液及水处理污泥—金属和塑料表面酸( 碱) 洗、除油、除犭、洗涤工艺产生的腐蚀液、洗涤液和污泥—金属和塑料表面磷化、出光、化抛过程中产生的残渣( 液) 及污泥—镀层剥除过程中产生的废液及残渣废电镀溶液,镀槽淤渣,电镀水处理污泥,表面处理酸碱渣,氧化槽渣,磷化渣,亚硝酸盐废渣HW18 焚烧处置残渣从工业废物处置作业中产生的残余物焚烧处置残渣及灰尘HW19 含金属羰基化合物废物在金属羰基化合物制造以及使用过程中产生的含有羰基化合物成份的废物—精细化工产品生产—金属有机化合物的合成金属羰基化合物( 五羰基铁,八羰基二钴,羰基镍,三羰基钴,氢氧化四羰基钴) 废物HW20 含铍废物含铍及其化合物的废物—稀有金属冶炼—铍化合物生产含铍,硼氢化铍,溴化铍,氢氧化铍,碘化铍,碳酸铍,硝酸铍,氧化铍,硫酸铍,氟化铍,氯化铍,硫化铍的废物HW21 含铬废物含有六价铬化合物的废物—化工( 铬化合物) 生产—皮革加工( 鞣革) 业—金属、塑料电镀—酸性媒介染料染色—颜料生产与使用—金属铬治炼( 铁合金)含铬酸酐,( 重) 铬酸钾,( 重) 铬酸钠,铬酸,三氧化铬,铬酸锌,铬酸钾,铬酸钙,铬酸银,铬酸铅,铬酸钡的废物HW22 含铜废物含有铜化合物的废物—有色金属采选和冶炼—金属、塑料电镀—铜化合物生产含溴化( 亚) 铜,氢氧化铜,硫酸( 亚) 铜,碘化( 亚) 铜,碳酸铜,硝酸铜,硫化铜,氟化铜,硫化( 亚) 铜,氯化( 亚) 铜,醋酸铜,氧化铜钾,磷酸铜,二水合氯化铜铵的废物HW23 含锌废物含有锌化合物的废物—有色金属采选及冶炼—金属、养料电镀—颜料、油漆、橡胶加工—锌化合物生产—含锌电池制造业含溴化锌,碘化锌,硝酸锌,硫酸锌,氟化锌,硫化锌,过氧化锌,溴酸锌,醋酸锌,草酸锌,铬酸锌,溴酸锌,醋酸锌,草酸锌,溴酸锌,磷酸锌,焦磷酸锌,磷化锌的废物HW24 含砷废物含砷及砷化合物废物—有色金属采选及冶炼—砷及其化合物的生产—石油化工—农药生产—染料和制革业含砷,三氧化二砷,亚砷酐,五氧化二砷,五硫化二砷,硫化亚砷,砷化锌,乙酰基砷铜,砷化钙,砷酸鲺,砷酸铁,砷酸钠,砷酸汞,砷钾,砷化( 三) 氢的废物含硒,二氧化化硒,三氧化碍,四氟化硒,六氟化硒,二氯化硒,亚硒酸,硒化氢,硒化钠,( 亚) 硒酸纳,二友谊化硒,硒化亚铁,亚硒酸钡,硒酸,二甲基硒的废物含镉,溴化镉,碘公顷镉,氢氧化镉,氯化镉,氟化镉,醋酸镉,氧化镉,二甲基镉的废物HW25 含硒废物含硒及硒化合物废物—有色金属冶炼及电解—硒化合物生产—颜料、橡胶、玻璃生产含硒,二氧化硒,三氧化硒,四氟化硒,六氟化硒,二氯化二硒,四氯化硒,亚硒酸,硒化氢,硒化钠,( 亚) 硒酸钠,二硫化硒,硒化亚铁,亚硒酸钡,二硫化硒,硒化亚铁,亚硒酰凡,硒酸,二甲基硒的废物HW26 含镉废物含镉及其化合物废物—有色金属采选及冶炼—镉化合物生产—电池制造业—电镀行业含镉,溴化镉,碘化镉,氢氧化镉,碳酸镉,硝酸镉,硫酸镉,硫化镉,氯化镉,氟化镉,醋酸镉,氧化镉,二甲基镉的废物HW27 含锑废物含锑及其化合物废物—有色金属冶炼—锑化合物生产和使用含锑,二氧化二锑,亚梯酐,五氧化二锑,硫化亚梯,硫化锑,氟化亚锑,氟化锑,氯化( 亚) 锑,三氢化锑,锑酸钠,锑酸铅,乳酸锑,亚锑酸钠的废物HW28 含碲废物含碲及其化合物废物—有色金属冶炼及电解—碲化合物生产和使用含碲,四氯化碲,亚碲酸,碲化氢,碲酸,二乙基碲,二甲基碲的废物HW29 含汞废物含汞及其化合物废物化学工业含汞纳化剂制造与使用—含汞电池制造业—汞冶炼及汞回收工业—有机汞和无机汞化合物生产—农药及制药业—荧光屏及汞灯制造及使用—含汞玻璃计器制造及使用—汞法烧碱生产产生的含汞盐泥含汞,溴化( 亚) 汞,碘化( 亚) 汞,硝酸( 亚) 汞,氧化汞,硫酸( 亚) 汞,氯化( 亚) 汞,硫化汞,氯化乙基汞,氯化汞铵,氯化甲基汞,醋酸( 亚) 汞,二甲基汞,二乙基汞,氯化高汞的废物HW30 含铊废物含铊及其化合物废物—有色金属冶炼及农药生产—铊公合物生产及使用含铊,溴化亚铊,氢氧化( 亚) 铊,碘化亚铊,硝酸亚铊,碳酸亚铊,硫酸亚铊,氧化亚铊,硫化亚铊,三氧化二铊,三硫化二铊,氟化亚铊,氯化( 亚) 铊,铬酸铊,氯酸铊,醋酸铊的废物HW31 含铅废物—铅冶炼及电解过程中的残渣及铅尘—铅( 酸) 蓄电池生产中产生的废铅渣及铅酸( 污泥)—报废的铅畜电池—铅铸造业及制品业的废铅渣及水处理污泥—铅化合物制造和使用过程中产生的废物含铅,乙酸铅,溴化铅,氢氧化铅,碘化铅,碳酸铅,硝酸铅,氧化铅,硫酸铜,碳酸铅,硝酸铅,氧化铅,硫化铜,高氯酸铅,碱性硅酸铅,四烷基铅,四氧化铅,二氧化铅的废物HW32 无机氟化物废物含无机氟化物的废物( 不包括氟化钙、氟化镁)含氟化铯,氟硼酸,氟硅酸锌,氢氟酸,氟硅酸,六氟化硫,氟化钠,五氟化硫,二氟磷酸,氟硫酸,氟硼酸铵,氟硅酸铵,氟化铵,氟化钾,氟化铬,五氟化碘,氟氢化钾,氟氢化钠,氟硅酸钠的废物HW33 无机氰化物废物从无机氰化物生产、使用过程中产生的含无机氰化物的废物( 不包括HW07 类热处理含氰废物)—金属制品业的电解除油,表面硬化化学工艺中产生的含氰废物—电镀业和电子零件制造业中电镀工艺、镀层剥含氢氰酸,氰化钠,氰化钾,氰化锂,氰化汞,氰化铅,氰化铜,氰化锌,氰化钡,氰化钙,氰化镍,铜氰化钠,铜氰化钾,镍氰化钾,溴化氰,氰化钴的废物除工艺中产生的含氰废物—金矿开采与筛选过程产生的含氰废物—首饰加工的化学抛光工艺产生的含氰废物—其它生产、实验、化验分析过程中产生的含氰废物及包装物HW34 废酸从工业生产、配制、使用过程产生的废酸液、固态酸及酸渣(PH≤2 的液态酸)—工业化学品制造—化学分析及测试—金属及其它制品的酸蚀、出光、除锈( 油) 及清洗—废水处理—纺织印染前处理废硫酸、硝酸、盐酸、磷酸、( 次) 氯酸、溴酸、氢氟酸、氢溴酸、硼酸、砷酸、硒酸、氰酸、氰磺酸、碘酸、王水HW35 废碱从工业生产、配制使用过程中产生的废碱液、固态碱及碱渣(PH≥12.5 的液态碱)—工业化学品制造—化学分析及测试—金属及其综制品的碱蚀、出光、除锈( 油) 及清洗—废水处理—纺织印染前处理—造纸废液废氢氧化钠,氢氧化钾、氢氧化钙、氢氧化钾、碳酸( 氢) 钠、碳酸( 氢) 钾、硼砂、( 次) 氯酸钠、( 次) 氯酸钾、( 次) 氯酸钙、磷酸钠HW36 石棉废物从生产和使用过程中产生的石棉废物—石棉矿开采及其石棉产品加工—石棉建材生产—含石棉设施的保养( 石棉隔膜,热绝缘体等) —车辆制动器衬片的生产与更换石棉尘,石棉废纤纤维,废石棉绒,石棉隔热废料,石棉尾矿渣HW37 有机磷化合物废物从农药以外其他有机磷化合物生产、配制和使用过程中产生的含有机磷废物—生产过程中产生的反应残余物—生产过程中过滤物、催化剂( 包括载体) 及废弃的吸附剂—废水处理污泥—配制,使用过程中的过剩物、残渣及其包装物含氯硫磷,硫磷嗪,磷酰胺,丙基磷酸四乙酯,四磷酸六乙酯,硝基硫磷酯,苯脯磷,磷酸酯类化合物,苯硫磷,异丙磷,三氯化磷,磷酸三丁酯的废物HW38 有机氰化物废物从生产、配制和使用过程中产生的含有机氰化物的废物—在合成、缩合等反应中产生的高浓度废液及反应残余物—在催化剂、精馏、过滤过程中产生的废催化剂、釜残及过滤介质物—生产、配制过程中产生的不合格产品—废水处理污泥含乙腈,丙烯腈,已二腈,氨丙腈,氯丙烯腈,氰基乙酸,氰基氯戊烷,乙醇腈,丙腈,四甲基玻珀腈,溴苯甲腈,苯腈,乳酸腈,丙酮腈,丁基腈,苯基异丙酸酯,氰酸酯类的废物、HW39 含酚废物酚、酚化合物的废物( 包括氯酚类和硝基酚类) —生产过程中产生的高浓度废液及反应残余物—生产过程中产生的吸附过滤物,废催化剂、精馏釜残液( 包括石油、化工、煤气生产过程中产生的酚类化合物废物)含氨基苯酚,溴酚,溴酚,氯甲苯酚,煤焦油,二氯酚,二硝基苯酚,对苯二酚,三羟基苯,五氯酚( 钠),硝基苯酚,三氯酚,氯酚,甲酚,硝基苯甲酚,苦味酸,二硝基苯酚钠,苯酚胺的废物HW40 含醚废物从生产、配制和使用过程中产生的含醚废物—生产、配制过程中产生的醚类残液、反应残余物、水处理污泥及过滤渣—配制、使用过程中产生的含醚类有机混合溶剂含苯甲醚,乙二醇单乙醚,甲乙醚,丙烯醚,二氯乙醚,苯乙基醚,二苯醚,二氧基乙醇乙醚,乙二醇甲基醚,乙二醇醚,异丙醚,二氯二甲醚,甲基氯甲醚,丙醚,丙醚,皿氯丙醚,三硝基苯甲醚,丙醚,四氯丙醚,三硝基苯甲醚,乙二醇二乙醚,亚乙基二醇丁基醚,二甲醚,乙二醇异丙基醚,乙二醇苯醚,乙二戊基醚,氯甲基乙醚,丁醚,乙醚,二甘醇二乙基醚,乙二醇二甲基醚,乙二醇单乙醚的废物HW41 废卤化有机溶剂从卤化有机溶剂生产、配制、使用过程中产生的废溶剂—生产、配制过程中产生的高浓度残液、吸附过滤物、反应残渣、水处理污泥及废载体—生产、配制过程中产生的报废产品—生产、配制、使用过程中产生的废物卤化有机溶剂。
附件国家危险废物名录第一条根据《中华人民共和国固体废物污染环境防治法》的有关规定,制定本名录。
第二条具有下列情形之一的固体废物(包括液态废物),列入本名录:(一)具有腐蚀性、毒性、易燃性、反应性或者感染性等一种或者几种危险特性的;(二)不排除具有危险特性,可能对环境或者人体健康造成有害影响,需要按照危险废物进行管理的。
第三条医疗废物属于危险废物。
医疗废物分类按照《医疗废物分类目录》执行。
第四条列入《危险化学品目录》的化学品废弃后属于危险废物。
第五条列入本名录附录《危险废物豁免管理清单》中的危险—3—废物,在所列的豁免环节,且满足相应的豁免条件时,可以按照豁免内容的规定实行豁免管理。
第六条危险废物与其他固体废物的混合物,以及危险废物处理后的废物的属性判定,按照国家规定的危险废物鉴别标准执行。
第七条本名录中有关术语的含义如下:(一)废物类别,是在《控制危险废物越境转移及其处置巴塞尔公约》划定的类别基础上,结合我国实际情况对危险废物进行的分类。
(二)行业来源,是指危险废物的产生行业。
(三)废物代码,是指危险废物的唯一代码,为8位数字。
其中,第1-3位为危险废物产生行业代码(依据《国民经济行业分类(GB/T 4754-2011)》确定),第4-6位为危险废物顺序代码,第7-8位为危险废物类别代码。
(四)危险特性,包括腐蚀性(Corrosivity, C)、毒性(Toxicity, T)、易燃性(Ignitability, I)、反应性(Reactivity, R)和感染性(Infectivity, In)。
—4—第八条对不明确是否具有危险特性的固体废物,应当按照国家规定的危险废物鉴别标准和鉴别方法予以认定。
经鉴别具有危险特性的,属于危险废物,应当根据其主要有害成分和危险特性确定所属废物类别,并按代码“900-000-××”(××为危险废物类别代码)进行归类管理。
经鉴别不具有危险特性的,不属于危险废物。
国家危险废物名录——分类编号废物类别废物来源常见国际危害组分或废物名称HW01 医院临床废物从医院、医疗中心和诊所的医疗服务中产生的临床废物——手术、包扎残余物——生物培养、动物试验残余物——化验检查残余物——传染性废物——废水处理污泥手术残物,敷料、化验废物,传染性废物,动物试验废物HW02 医药废物从医用药品的生产制作过程中产生的废物,包括兽药产品(不含中药类废物)——蒸馏及反应残余物——高浓度母液及反应基或培养基废物——脱色过滤(包括载体)物——用过废弃的吸附剂、催化剂、溶剂——生产中产生的报废药品及过期原料废抗菌药、甾类药、抗组织胺类药、镇痛药、心血管药、神经系统药、杂药,基因类废物HW03 废药物、药品过期、报废的无标签的及多种混杂的药物、药品(不包括HW01,HW02类中的废药品)——生产中产生的报废药品(包括药品废原料和中间体反应物)——使用单位(科研、监测、学校、医疗单位、化验室等)积压或报废的药品(物)——经营部门过期的报废药品(物)废化学试剂,废药品,废药物HW04 农药废物来自杀虫、杀菌、除草、灭鼠和植物生长调节剂的生产、经销、配制和使用过程中产生的废物——蒸馏及反应残余物——生产过程母液及(反应罐及容器)清洗液——吸附过滤物(包括载体,吸附剂,催化剂)——废水处理污泥——生产、配制过程中的过期原料——生产、销售、使用过程中的过期和淘汰产品——沾有农药及除草剂的包装物及容器废有机磷杀虫剂、有机氯杀虫剂、有机氮杀虫剂、氨基甲酸酯类杀虫剂、拟除虫菊酯类杀虫剂、杀螨剂、有机磷杀菌剂、有机氯杀菌剂、有机硫杀菌剂、有机锡杀菌剂、有机氮杀菌剂、醌类杀菌剂、无机杀菌剂、有机胂杀菌剂、氨基甲酸酯类除草剂、醚类除草剂、酚类除草剂、酰胺类除草剂、取代脲类除草剂、苯氧羧酸类除草剂、均三氮苯类除草剂、无机除草剂HW05 木材防腐剂废从木材防腐化学品的生产、配制和使用中产生的废物(不包括与HW04类重复的废含五氯酚,苯酚,2-氯酚,甲酚,对氯间甲酚,三氯酚,屈萘,物物)——生产单位生产中产生的废水处理污泥、工艺反应残余物、吸附过滤物及载体——使用单位积压、报废或配制过剩的木材防腐化学品——销售经营部门报废的木材防腐化学品四氯酚,杂酚油,萤蒽,苯并a 芘,2,4-二甲酚,2,4-二硝基酚苯并(b)萤蒽,苯并(a)蒽,二苯并(a)蒽的废物HW06 有机溶剂废物从有机溶剂生产、配制和使用过程中产生的废物(不包括HW42类的废有机溶剂)——有机溶剂的合成、裂解、分离、脱色、催化、沉淀、精馏等过程中产生的反应残余物,吸附过滤物及载体——配制和使用过程中产生的含有机溶剂的清洗杂物废催化剂,清洗剥离物,反应残渣及滤渣,吸附物与载体废物HW07 热处理含氰废物从含有氰化物热处理和退火作业中产生的废物——金属含氰热处理——含氰热处理回火池冷却——含氰热处理炉维修——热处理渗碳炉含氰热处理钡渣,含氰污泥及冷却液,含氰热处理炉内衬,热处理渗碳氰渣HW08 废矿物油不适合原来用途的废矿物油——来自于石油开采和炼制产生的油泥和油脚——矿物油类仓储过程中产生的沉积物——机械、动力、运输等设备的更换油及清洗油(泥)——金属轧制、机械加工过程中产生的废油(渣)——含油废水处理过程中产生的废油及油泥——油加工和油再生过程中产生的油渣及过滤介质废机油、原油、液压油、真空泵油、柴油、汽油、重油、煤油、热处理油、樟脑油、润滑油(脂)、冷却油HW09 废乳化液从机械加工、设备清洗等过程中产生的废乳化液、废油水混合物——生产、配制、使用过程中产生的过剩乳化液(膏)——机械加工、金属切削和冷拔过程产生的废乳化剂——清洗油罐、油件过程中产生的油水、烃水混合物——来自于(乳化液)水压机定期更换的废皂液、乳化油/水、烃/水混合物、乳化液(膏)、切削剂、冷却剂、润滑剂、拔丝剂乳化废液HW10 含多氯联苯废物含有或沾染多氯联苯(PCBs)、多氯三联苯(PCTs)、多溴联苯(PBBs)的废物质和废物品——过剩的、废弃的、封存的、待替换的含有PCBs、PBBs和PCTs的电力设备(电容器、变压器)——从含有PCBs,PBBs或PCTs的电力设备中倾倒出的介质油、绝缘油、冷却油及传热油——来自含有PCBs,PBBs和PCTs或被这些物质污染的电力设备的拆装过程中的清洗液——被PCBs,PBBs和PCTs污染的土壤及包装物含多氯联苯(PCBs),多溴联苯(PBBs)、多氯三联苯(PCTs)废物HW11 精(蒸)馏残渣从精炼、蒸馏和任何热解处理中产生的废焦油状残留物——煤气生产过程中产生的焦油渣——原油蒸馏过程中产生的焦油残余物——原油精制过程中产生的沥青状焦油及酸焦油——化学品生产过程中产生的蒸馏残渣和蒸馏釜底物——化学品原料生产的热解过程中产生生的焦油状残余物——被工业生产过程中产生的焦油或蒸馏残余物所污染的土壤——盛装过焦油状残余物的包装和容器沥青渣,焦油渣,废酸焦油,酚渣,蒸馏釜残物,精馏釜残物,甲苯渣,液化石油气残渣(含苯并(a)芘、屈萘、萤蒽、多环芳烃类废物)HW12 染料、涂料废物从油墨、染料、颜料、油漆、真漆、罩光漆的生产配制和使用过程中产生的废物——生产过程中产生的废弃的颜料、染料、涂料和不合格产品——染料、颜料生产硝化、氧化、还原、磺化、重氮化、卤化等化学反应中产生的废母液、残渣、中间体废物——油漆、油墨生产、配制和使用过程中产生的含颜料、油墨的有机溶剂废物——使用酸、碱或有机溶剂清洗容器设备产生的污泥状剥离物——含有染料、颜料、油墨、油漆残余物的废弃包装物废酸性染料、碱性染料、媒染染料偶氮染料、直接染料、冰染染料、还原染料、硫化染料、活性染料、醇酸树脂涂料、丙烯酸树脂涂料、聚氨酯树脂涂料、聚乙烯树脂涂料、环氧树脂涂料、双组份涂料、油墨、重金属颜料——废水处理污泥HW13 有机树酯类废物从树酯、胶乳、增塑剂、胶水/胶合剂的生产、配制和使用过程中产生的废物——生产、配制、使用过程中产生的不合格产品、废副产物——在合成、酯化、缩合等反应中产生的废催化剂、高浓度废液——精馏、分离、精制过程中产生的釜残液、过滤介质和残渣——使用溶剂或酸、碱清洗容器设备剥离下的树脂状、黏稠杂物——废水处理污泥含邻苯二甲酸酯类,脂肪酸二元酸酯类,磷酸酯类,环氧化合物类,偏苯三甲酸酯类,聚酯类、氯化石蜡,二元醇和多元醇酯类,磺酸衍生物的废物HW14 新化学品废物从研究和开发或教学活动中产生的尚未鉴定的和(或)新的并对人类和(或)环境的影响未明的化学废物新化学品研制中产生的废物HW15 爆炸性废物在生产、销售、使用爆炸物品过程中产生的次品、废品及具有爆炸性质的废物——不稳定,在无爆震时容易发生剧烈变化的废物——能和水形成爆炸性混合物——经过发热、吸湿、自发的化学变化具有着火倾向的废物——在有引发源或加热时能爆震或爆炸的废物含叠氮乙酰,硝酸乙酰酯,叠氮胺,氯酸铵,六硝基高钴酸铵,硝酸铵,氮化铵,过碘酸铵,高锰酸铵,苦味酸铵,四过氧铬酸铵,叠氮羰基胍,叠氮钡,氯化重氮苯,苯并三唑,亚硝基胍,硝化甘油,四硝基戊四醇,三硝基氯苯,聚乙烯硝酸酯,硝酸钾,叠氮化银,氮化银,三硝基苯间二酚银,四氮烯银,无烟火药,叠氮化钠,苦味酸钠,四硝基甲烷,四氮化四硒,四氮化四硫,四氮烯,氮化铊,二氮化三铅,二氮化三汞,三硝基苯,氯酸钾,雷汞,雷银,三硝基甲苯,三硝基间苯二酚的废物HW16 感光材料废物从摄影化学品、感光材料的生产、配制、使用中产生的废物——生产过程中产生的不合格产品和过期产品——生产过程中产生的残渣及废水污泥——出版社、报社、印刷厂、电影厂在使用和经营活动中产生的废显(定)影液、胶片及废像纸——社会照像部、冲洗部在使用和经营活动中产生的废显(定)影液、胶片及废废显影液、定影液、正负胶片、像纸、感光原料及药品物——有色金属冶炼及农药生产——铊化合物生产及使用铊,碘化亚铊,硝酸亚铊,碳酸亚铊,硫酸亚铊,氧化亚铊,硫化亚铊,三氧化二铊,三硫化二铊,氟化亚铊,氯化(亚)铊,铬酸铊,氯酸铊,醋酸铊的废物HW31 含铅废物含铅及其化合物废物——铅冶炼及电解过程中的残渣及铅尘——铅(酸)蓄电池生产中产生的废铅渣及铅酸(污泥)——报废的铅蓄电池——铅铸造业及制品业的废铅渣及水处理污泥——铅化合物制造和使用过程中产生的废物含铅,乙酸铅,溴化铅,氢氧化铅,碘化铅,碳酸铅,硝酸铅,氧化铅,硫酸铅,铬酸铅,氯化铅,氟化铅,硫化铅,高氯酸铅,碱性硅酸铅,四烷基铅,四氧化铅,二氧化铅的废物HW32 无机氟化物废物含无机氟化物的废物(不包括氟化钙、氟化镁)含氟化铯,氟硼酸,氟硅酸锌,氢氟酸,氟硅酸,六氟化硫,氟化钠,五氟化硫,二氟磷酸,氟硫酸,氟硼酸铵,氟硅酸铵,氟化铵,氟化钾,氟化铬,五氟化碘,氟氢化钾,氟氢化钠,氟硅酸钠的废物HW33 无机氰化物废物从无机氰化物生产、使用过程中产生的含无机氰化物的废物(不包括HW07类热处理含氰废物)——金属制品业的电解除油、表面硬化化学工艺中产生的含氰废物——电镀业和电子零件制造业中电镀工艺、镀层剥除工艺中产生的含氰废物——金矿开采与筛选过程中产生的含氰废物——首饰加工的化学抛光工艺中产生的含氰废物——其它生产、实验、化验分析过程中产生的含氰废物及包装物含氢氰酸,氰化钠,氰化钾,氰化锂,氰化汞,氰化铅,氰化铜,氰化锌,氰化钡,氰化钙,氰化亚铜,氰化银,氰溶体,汞氰化钾,氰化镍,铜氰化钠,铜氰化钾,镍氰化钾,溴化氰,氰化钴的废物HW34 废酸从工艺生产、配制、使用过程中产生的废酸液、固态酸及酸渣(PH〈=2的液态酸〉——工业化学品制造——化学分析及测试——金属及其它制品的酸蚀、出光、除锈(油)及清洗——废水处理废硫酸、硝酸、盐酸、磷酸、(次)氯酸、溴酸、氢氟酸、氢溴酸、硼酸、砷酸、硒酸、氰酸、氯磺酸、碘酸、王水——纺织印染前处理HW35 废碱从工业生产、配制、使用过程中产生的废碱液、固态碱及碱渣(PH>=12.5的液态碱)——工业化学品制造——化学分析及测试——金属及其它制品的碱蚀、出光、除锈(油)及清洗——废水处理——纺织印染前处理——造纸废液废氢氧化钠、氢氧化钾、氢氧化钙、氢氧化锂、碳酸(氢)钠、碳酸(氢)钾、硼砂、(次)氯酸钠、(次)氯酸钾、(次)氯酸钙、磷酸钠HW36 石棉废物从生产和使用过程中产生的石棉废物——石棉矿开采及其石棉产品加工——石棉建材生产——含石棉设施的保养(石棉隔膜,热绝缘体等)——车辆制动器衬片的生产与更换石棉尘,石棉废纤维,废石棉绒,石棉隔热废料,石棉尾矿渣HW37 有机磷化合物废物从农药以外其他有机磷化合物生产、配制和使用过程中产生的含有机磷废物——生产过程中产生的反应残余物——生产过程中过滤物、催化剂(包括载体)及废弃的吸附剂——废水处理污泥——配制、使用过程中的过剩物、残渣及其包装物含氯硫磷,硫磷嗪,磷酰胺,丙基磷酸四乙酯,四磷酸六乙酯,硝基硫磷酯,苯腈磷,磷酸酯类化合物,苯硫磷,异丙磷,三氯氧磷,磷酸三丁酯的废物HW38 有机氰化物废物从生产、配制和使用过程中产生的含有机氰化物的废物——在合成、缩合等反应中产生的高浓度废液及反应残余物——在催化、精馏、过滤过程中产生的废催化剂、釜残及过滤介质物——生产、配制过程中产生的不合格产品——废水处理污泥含乙腈,丙烯腈,己二腈,氨丙腈,氯丙烯腈,氰基乙酸,氰基氯戊烷,乙醇腈,丙腈,四甲基琥珀腈,溴苯甲腈,苯腈,乳酸腈,丙酮腈,丁基腈,苯基异丙酸酯,氰酸酯类的废物HW39 含酚废物酚、酚化合物的废物(包括氯酚类和硝基酚类)——生产过程中产生的高浓度废液及反应残余物——生产过程中产生的吸附过滤物,废催化剂、精馏釜残液(包括石油、化工、煤气生产中产生的含酚类化合物废物含氨基苯酚,溴酚,氯甲苯酚,煤焦油,二氯酚,二硝基苯酚,对苯二酚,三羟基苯,五氯酚(钠)硝基苯酚,三氯酚,氯酚,甲酚,硝基苯甲酚,苦味酸,二硝基苯酚钠,苯酚胺的废物HW40 含醚废从生产、配制和使用过程中产生的含醚废含苯甲醚,乙二醇单丁醚,甲乙物物——生产、配制过程中产生的醚类残液、反应残余物、水处理污泥及过滤渣——配制、使用过程中产生的含醚类有机混合溶剂醚,丙烯醚,二氯乙醚,苯乙基醚,二苯醚,二氧基乙醇乙醚,乙二醇甲基醚,乙二醇醚,异丙醚,二氯二甲醚,甲基氯甲醚,丙醚,四氯丙醚,三硝基苯甲醚,乙二醇二乙醚,亚乙基二醇丁基醚,二甲醚,丙烯基苯基醚,甲基丙基醚,乙二醇异丙基醚,乙二醇苯醚,乙二醇戊基醚,氯甲基乙醚,丁醚,乙醚,二甘醇二乙基醚,乙二醇二甲基醚,乙二醇单乙醚的废物HW41 废卤化有机溶剂从卤化有机溶剂生产、配制、使用过程中产生的废溶剂——生产、配制过程中产生的高浓度残液、吸附过滤物、反应残渣、水处理污泥及废载体——生产、配制过程中产生的报废产品——生产、配制、使用过程中产生的废卤化有机溶剂。