纬地计算实例,你肯定用的着
- 格式:docx
- 大小:49.70 KB
- 文档页数:2
纬地使用大体说明1:打开纬地,我以2004为例。
界面如下图所示:2:点击上图中的项目W,点击新建项目,会出现如下图所示对话框:3:点击新建,会出现如下图所示对话框:(如果点击新建没有反应,可以点击重新指定,再按里面的取消键,就可以回到新建窗口了)对话框中,可以对新建项目名称进行改变,项目文件路径及名称是指你打算把这个项目存在哪个地方,建议在做设计的时候,单独起一个文件夹,把新建项目名称包含在内,以后所有的设计资料把包括在这个文件夹里面,不至于搞错哈!具体事例见下图所示:(设计人和设计单位可以暂时不管它)此文件夹就是项目文件路径及名称里的浏览路径。
对于新建或指定平面线文件这个不用管它,只要把项目文件路径及名称设置好,自动默认成一样的文件夹保存。
此时,点击确定键就可以了。
以上是在利用纬用时,必须的一个步骤。
4:点击设计,,主线平面设计,会出现如下对话框:点击拾取键,拾取整个线形的起点,在屏幕上随便点一点,会出现如下图所示:此时,点击图中的插入键,插入交点1,点击是,在屏幕上随便点击一点,尽量离第一点有段距离,并且掌握一定的角度,便于练习后面的曲线设置。
交点2和交点3可以直接在屏幕上点取就可以了,交点结束的时候,点击鼠标右键确认即可。
如下图所示:此时,点击确定键,表示你已经认可了你的交点。
点击上图左下角的控制键,可以对桩号等许多要素进行设置:里面可以设置字体的大小,可以把标注位置点开,选择,点击确定键,再点击计算绘图键,这样你的线形出来后,是以20米为桩号显示出来。
5:拖动左侧箭头,来回移动,移动到交点1,如下图位置:可以设置圆曲线半径RC,以及缓和曲线长度S1和S2,两者尽量设置成一样大小,如下图所示:注:在本图中只为演示说明需要,所设置的不一定符合规范要求。
同理设置交点2的上述半径和缓和曲线长度。
最后点击计算绘图键,看一下如下效果。
注:只为演示,可能曲线点直线段长度不符合要求。
在实际操作中,要考虑同向与反向曲线间的直线段距离。
第四章HintCAD辅助公路路线设计第一节设计项目的相关设计资料一、公路等级和设计速度本实例采用的项目是某公路路线的施工图设计中约5公里左右的数据。
路线所经区域属某山山系,路线分布于清水河河流阶地,两岸呈不连续阶地,一般高出常水位1.5~5.0m,宽几十米到几百米,阶面一般比较平坦。
根据工程可行性研究报告和初步设计得到该路段的远景年度交通量为26500辆/昼夜,公路等级为高速公路,设计速度80Km/h,地形为重丘区。
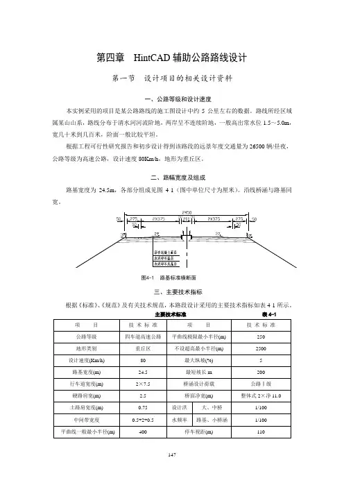
二、路幅宽度及组成路基宽度为24.5m,各部分组成见图4-1(图中单位尺寸为厘米)。
沿线桥涵与路基同宽。
三、主要技术指标根据《标准》、《规范》及有关技术规范,本路段设计采用的主要技术指标如表4-1所示。
主要技术标准表4-1第二节地形原始资料的格式及处理一、电子地形图目前采用的电子地形图格式主要为AutoCAD软件的图形文件格式,文件后缀为DWG 或者DXF。
根据电子地形图中图形实体的三维坐标中是否带有高程值将其分为二维DWG 图形格式和三维DWG图形格式两种。
(一)电子地形图的基本特征电子地图一般应该具有以下特征:1.采用的坐标系统与大地测量坐标相同,一般情况下,要求采用AutoCAD默认的“世界”坐标系统,AutoCAD图形中X坐标方向表示测量中的东(E)坐标,Y坐标方向表示测量中的北(N)坐标。
2.图中表示各种地形特征的图形二维坐标值与实测值的精度相同,高程注记准确。
3.电子地形图的绘图比例一般为1:1000(测图比例可以采用1:1000~1:5000),AutoCAD软件的图形单位一般为mm。
4.地形图中的实体信息应该分图层管理,不同的地形图信息分别放在不同的图层中,按规定应该将等高线(计曲线和首曲线)、特征线(水系线、断裂线、陡坎线或山脊线等),地形点、各种地物、管线等三维数据和图形信息分图层存放,用户通过手工或其他数字化软件(矢量化软件)所建成的三维图形信息也应分图层存放,以有利于管理。
第四章HintCAD辅助公路路线设计第一节设计项目的相关设计资料一、公路等级和设计速度本实例采用的项目是某公路路线的施工图设计中约5公里左右的数据。
路线所经区域属某山山系,路线分布于清水河河流阶地,两岸呈不连续阶地,一般高出常水位1.5~5.0m,宽几十米到几百米,阶面一般比较平坦。
根据工程可行性研究报告和初步设计得到该路段的远景年度交通量为26500辆/昼夜,公路等级为高速公路,设计速度80Km/h,地形为重丘区。
二、路幅宽度及组成路基宽度为24.5m,各部分组成见图4-1(图中单位尺寸为厘米)。
沿线桥涵与路基同宽。
三、主要技术指标根据《标准》、《规范》及有关技术规范,本路段设计采用的主要技术指标如表4-1所示。
主要技术标准表4-1第二节地形原始资料的格式及处理一、电子地形图目前采用的电子地形图格式主要为AutoCAD软件的图形文件格式,文件后缀为DWG 或者DXF。
根据电子地形图中图形实体的三维坐标中是否带有高程值将其分为二维DWG 图形格式和三维DWG图形格式两种。
(一)电子地形图的基本特征电子地图一般应该具有以下特征:1.采用的坐标系统与大地测量坐标相同,一般情况下,要求采用AutoCAD默认的“世界”坐标系统,AutoCAD图形中X坐标方向表示测量中的东(E)坐标,Y坐标方向表示测量中的北(N)坐标。
2.图中表示各种地形特征的图形二维坐标值与实测值的精度相同,高程注记准确。
3.电子地形图的绘图比例一般为1:1000(测图比例可以采用1:1000~1:5000),AutoCAD软件的图形单位一般为mm。
4.地形图中的实体信息应该分图层管理,不同的地形图信息分别放在不同的图层中,按规定应该将等高线(计曲线和首曲线)、特征线(水系线、断裂线、陡坎线或山脊线等),地形点、各种地物、管线等三维数据和图形信息分图层存放,用户通过手工或其他数字化软件(矢量化软件)所建成的三维图形信息也应分图层存放,以有利于管理。
纬地使用教程一、教程编制说明:哥一直信奉拿来主义,因此所用的软件都是D版,因此在写此教程之前,向默默奉献在D版前线的前辈们致以崇高的敬意!!!!!!!在本教程中所用到的软件为CAD2006,,纬地数模版(以上软件均为D版)。
本教程仅仅适于新手。
二、使用教程:1、启动纬地:点击桌面图标,启动纬地,如果是首次启动纬地,请先启动,点击桌面图标后,然后退出,再点击纬地图标(这一步很重要,主要是为了在纬地中启用)。
启动成功纬地窗口如下。
2、建立工作文件夹在任意一盘建立一新文件夹,并将其命名为111道路(道路名字暂定未111道路)。
如下图:如本例题是建立在E盘根目录下:3、获得地形图高程数据、方法一:用直接提取3.点文件→打开→地形图本例打开的是名为产业园总体规划的地形图。
3.1.2在需要修建道路的区域用多段线画一闭合区域:如下图:3.1.3点击工程应用→高程点生产数据文件→有编码高程点输入文件名111道路原始数据,选择保存在E盘111道路按1,点击所画的闭合多段线,完成原始数据采集,具体如下图:3.1.4用记事本打开,内容如下:方法二:直接调用测量数据并保存。
但是应该注意保存的格式,直接保存为cass格式。
如下图3.2.1用记事本打开,内容如下:4、道路设计纬地窗口下建立新项目,项目名称为111道路,保存位置为第二项建立工作文件夹。
具体如下图:点确定后,可以在项目管理器中看见一个名字为111道路.pm 的文件。
道路平面布置4.2.1点击设计→主线平面设计→弹出窗口点击拾取,拾取坐标点,如下图4.2.2点击插入,插入交点0,然后依次在屏幕上拾取交点1和交点2,具体如下图:点击存盘和确定。
这里点击控制可以对可进行主线控制参数设定。
4.3.3点击左边箭头,找到交点14.3.4点击拖动R,对道路进行弯道设计。
具体如下图在感觉适合的位置点击鼠标左键,弹出以下窗口4.3.5对半径Rc进行取整点击试算和计算绘图4.3.6再次点击设计→主线平面设计弹出窗口进行存盘。
纬地5.88路线设计基本教程1.用纬地软件打开需要设计的地形图。
2.项目---新建项目,选好要保存设计文件的路径(最好新建一个文件夹,因为设计过程中会生成很多的数据文件)3.设计---主线平面设计。
在这进行路线的平面设计,先点拾取,拾取的点为你的路线起点,然后再点插入,插入为设计路线的平面交点。
选完点之后记得要点击保存,否则系统数据不会自动更新。
4.项目---设计向导。
一直点击下一步设计你相应等级公路的参数。
(一般来说都不需要改,系统已经把相应等级的的规范数据已输入进去)最后要点击自动计算超高加宽,显示出现红色表示该标段有不符合规范。
5.快捷建立三维数模地形图。
1)先将你地形图复制一份出来,把边框和其他的都删掉,仅留下地形线即可,保存关掉该图。
2)打开纬地软件--数模---新数模。
根据设计地形图的推想出的最小高程和最大高程填进去,这样系统计算出来的三维地形图误差大大减小。
3)数模---三维数据读入---选dwg文件结尾的----打开刚才复制的地形图出现下面的对话框----选择所有地面线的图层,数据类型都为地形点。
然后开始读入---4)数模---数据预检把最小、大高程改为刚才修改的一样。
确定。
5)数模—三角构网保存。
数模文件已建成,把复制的地形图关掉即可。
6.设计纵断面图。
数模---数模应用---纵断面插值----设计----纵断面设计。
(由于纵断面地形图它在固定的位置,说个快捷键快速找到该图:re回车z回车a回车)拾点—插入(注意:终点桩号要根据平面终点桩号输入进去)7.设计----纵断面绘图。
把绘图栏目那里全部取消,然后再从新逐一按顺序点击。
再点击搜索全线看三个终点桩号是否一样。
再点击批量绘图8.横断面绘图。
数模---数模应用----横断面插值----设计----路基计算(选择好路基设计文件保存的路径,最后点击搜索全线)9.设计----横断面设计绘图(划红线位置需要点击)10.所需要的表格在表格的工具栏里,直接按输出即可。
首先,我是一个软件菜鸟,对于纬地道路也是听说了很久却不会用,待到真要使用的时候按照网上搜来的步骤总是运行不下去,苦苦钻研几天,也询问了一些同学,好在最终可以完成路线的平、纵、横断面布置及相关图表的输出。
先将成果分析给有需求的人,赠人玫瑰,手留余香~纬地道路详细步骤:1、首先在目的硬盘新建一个文件夹,按喜好为文件夹命名,比如说abc。
2、打开纬地系统,点击左上角“项目”一新建项目,在弹出的对话框填写新建项目名称abc,点击浏览为项目文件指定存放路径,找到所建文件夹abc的位置,并为新建项目文件命名,这里为abc.prj,点击确定,完成项目新建。
3、打开电子图(CAD .dwg文件类型)。
4、搞清楚各个图层的状态需要进行什么约束{(等高线/约束线)、(地形点/地形点的)}。
5、然后关闭图形,不进行修改6数模f数模组管理f新建数模f确定f关闭。
7、数模一三维数据读入-DWG或DXF格式f找到刚打开的电子图读入将等高线设为约束线f地形点设为地形点f点击开始读入。
8、①数模f三角构网②数模f网格显示f显示所有网格f确定。
9、数模f数模组管理,弹出的对话框中选中显示的数模文件,点击保存数模,指定路径并命名为abc,文件后缀为(.dtm )f再次选中对话框中的文件,点击保存数模组,生成并保存.gtm文件,路径保持默认,即为文件夹abc,最后一次选中对话框中的文件,点击打开数模f关闭嫌细觑X10、打开地形图,设计一主线平面设计一找到自己要设计的路线起点一点击后一点插入一是一对除起终点之外的其他交点进行“拖动R'来设置平曲线一计算绘图-点存盘一是,得到“jd ”文件,并根据提示将交点文件自动转化为“.pm” 文件。
11、项目—设计向导—下一步(多次重复下一步)自动计算超高加宽—完成(根据提示自动建立:路幅宽度变化数据文件(*.wid )、超高过渡数据文件(*.sup )、设计参数控制文件(*ctr )、桩号序列文件(*sta)等数据文件。
如何计算边桩坐标
编写:路桥原创软件QQ群 74313213
一、 需要用到的功能
1、Excel程序
2、【纬地V5.88版本】—【工具】—【逐桩用地表】
二、 实现步骤
1、首先熟悉 TF 文件的格式,第 1 列为桩号,第 23、24 列分别为左侧和右
侧的用地宽
2、打开excel程序,把需要的桩号放到第1列,如下图,可添加所需桩号
3、在excel的 B 列,添加21个0,注意,不能多不能少,一定是21个
4、在 C 列填写左侧距离,不管正负,此距离为法向;D 列填写右侧距离,
不管正负,此距离为法向
5、在E列填写11个0
6、另存为txt 文件或者直接复制excel里面的内容
7、打开生成的txt 文档或者打开记事本把复制内容粘贴进去
8、在文本最前面加一行数据:HINTCAD5.83_TF_SHUJU,注意是独立行
9、把txt 文档后缀改成TF
10、 【纬地 V5.88 版本】—【项目】—【项目管理器】 ,找到最后的 TF
文件,重新指定为111.TF,保存退出
11、 【纬地 V5.88 版本】—【工具】—【逐桩用地表】即可出表,批量
的出
三、 备注
1、如果有问题可以到QQ群:74313213探讨
2、写得太快,上面弄错了,图例中桩号后面都是 22个0,有误,应该是21
个0。
纬地数模操作步骤纬地数模操作新建项目、保存好文件名及路径。
一、打开电子地图,了解地图的图层信息。
如:等高线的图层代码、标高数据的代码等信息。
二、点击设计主线平面设计拾取在地形图上定出起点和终点及路线走向。
操作:主线平面设计拾取(在地形图选取起点)插入(在地形图选择交点)插入(在地形图上选取交点)以此类推,选取至终点。
三、主线平面设计选择交点(按前进方向顺序从交点1开始)拖动(在地形图上交点附近)配置半径完成后,存盘点击计算绘图。
四、点击项目设计向导依提示完成设置。
五、关闭电子地图,打开工具栏中的数模数模组管理新建数模(弹出对话框、默认设置)点击确定关闭。
六、点击数模工具栏中数模三维数据读入DWG和DXF格式(弹出对话框)打开电子地图(弹出对话框)设置数据类型,如层名8110为地面线8310为地面标高设置为地形点等开始读入命令栏中出现“正在读取数据…,完成”“读入xxxx点”。
七、点击数模三角构网命令栏中“进行三角排序…完成”。
八、点击数模网格显示选择“显示所有网格线”确定输出网格线,电子地形图就会显示三角网。
三角构网之后的地形图与原来电子地图具有相同的三维效果。
九、点击工具栏中“视图”三维视图视点设置设为平面图就由三维视还原平面图。
(不要忘记保存数模和数模组)十、点击数模数模组管理(弹…)①点击保存数模,键入文件名保存,②保存数模组保存完后,点击左侧文件名打开数模关闭对话框。
十一、点击数模数模应用纵断面插值(程序会在数模的基础上自动读出纵断面地面线数据)。
开始插值(弹出对话框)保存文件,键入文件名。
十二、点击项目项目管理器点击纵断面地面线文件(在外业基础数据文件栏下),查看是否有数据成果。
十三、点击数据数模应用横断面插值选取绘制三维地面线开始插值保存数据命令栏中出现“桩号等数据”。
十四、点击项目项目管理器打开横断面地面线文件查看数据成果。
十五、对纵横断面成果进行设计纵断面标高设计、横断面戴帽设计。
(一)平面主线设计1.新建项目1)项目-新建项目-更改文件名和相应的保存路径即可。
2.主线平面设计1.设计-主线平面设计的优化线性)拾取完第一个点后自动弹出主线平面设计对话框,点击插入点击插入后会提示是否插入交点1,点击是,然后在地形图上开始选择交点,大致路线选择完成后点击鼠标右键或者空格或者回车便可再次回到主线平面设计对话框。
一般可把交点名称0改为BP(Begin Point:起点),最后一个交点改为EP(End Point:终点)如果中间有删除或者增加的交点,导致交点名称与焦点序号不一致的,可在交点名称上右单击,选择全部重排编号即可。
经过初步选择线型进行优化,选择到交点1-6.修改它的缓和曲线长度和半径(一般二级公路要求前后缓和曲线大于60m,半径大于200m,具体的得看设计要求)如果在选择交点的时候没有开启捕捉。
可按快捷键F11开启,并全部选择。
这是选择拖动R的效果修改完成后一定要记得将文件保存!点击项目-设计向导开始对路面,边沟,等进行设计。
项目类型选择公路主线即可,小数位数一般选择三维小数精度,其余的可以不用修改,如果终点和设计的不一样,需要改正回来。
点击下一步。
可对公路类型和设计车速进行更改,本文以二级公路,车速60Km/h 为例,完成后点击下一步。
可设置路幅形式,断面形式,尺寸,可在红色区域框中对断面简图进行缩放,待数据确认无误后后点击检查,提示检查路幅宽度正确。
点击下一步可进行填方边坡设置。
对左右幅的填方边坡机进行设计,台阶形式和左右侧边坡的具体参与设计要求相对应即可,设置完成后点击下一步,进行挖方边坡的设置。
挖方边坡设置,跟填方边坡设置类似,具体的参数和设计要求一致即可,参数设置完成后点击下一步进行边沟设置。
边沟类型有矩形边沟、梯形边沟、不设置边沟三种形式。
具体的参数根据设计要求进行设置,参数设置完成后点击下一步。
排水沟设置:排水沟类型有矩形排水沟、梯形排水沟、矩形+档水堰、梯形+档水堰、不设置排水沟。
一、平面设计(假设,平面线形在地形图上已经选好)1.1 补充(重要):项目管理菜单:项目——项目管理命令:HPM首次安装纬地系统后,第一次加载时系统会提示用户指定当前项目或新建项目。
选择新建项目后,系统提示用户输入项目名称、路径以及平面曲线数据文件名。
用户也可新建目录路径,以保证一个项目的所有数据全部存放于同一个目录下。
输入完成后,用户便可以利用“主线平面设计”或“立交平面设计”功能开始进行该项目的平面设计等工作。
一般情况下,对于一条公路的施工图设计任务,项目管理中可能需要添加以下数据文件:平面曲线数据文件(*.pm)平面交点数据文件(*.jd)纵断面地面线数据文件(*.dmx)横断面地面线数据文件(*.hdm)纵断面设计数据文件(*.zdm)超高渐变数据文件(*.sup)路幅宽度数据文件(*.wid)桩号序列数据文件(*.sta)路基设计中间数据文件(*.lj)设计参数控制文件(*.ctr)挡墙设计文件(*.dq)——设有挡土墙的情况下至少需要设置以下项目属性:项目名称及路径公路等级类别超高旋转方式加宽渐变方式断链位置(设有断链时)纬地系统的“项目管理器”对话框如图1-1所示。
在纬地“项目管理器”对话框的“项目文件”菜单中,用户可以“打开项目”,也可以在此处“新建项目”。
当点取对话框中“文件”选项后,将出现一个项目的所有数据文件列表如图1-1数据文件的添加和重新指定,如果欲删除该文件,则直接将该文件名删除即可,执行编辑菜单下的“编辑文件”命令(或直接双击该文件类型名称)可打开该文件的文本格式进行查看和编辑。
图1-1-1当用户选取对话框中“属性”选项,对话框切换到如图1-2所示本项目的属性设置页,用户可以查看本项目的名称、项目类型和设计的起终点桩号等,同时也可以修改所输出图表的“项目标识”和“桩号小数精度”。
断链的设置也在此选项中进行,使用“编辑”菜单中的“添加断链”、“删除断链”、“前移断链”和“后移断链”命令,可完成任意多级断链的添加和修改。
1 扫描地形图。
选定交点首先在拿到地形图后,将几张地形图进行电子扫描,扫描后用PHOTOSHOP软件将这几张地形图进行接图,用PHOTO-SHOP接图要比用手工接图的精确度要高很多,接图结束后将图复制粘贴到CAD里,创建一个CAD文件,名称为平面图,dwg,并保存这个文件,随后在地形图的左端选一个起点,在地形图的右端选一个终点,这两个点就是控制点,在中间再选定交点,用直线命令连起来,在选交点的方法是:尽量少占农田,选择路线避开地质不良地段,选择坡度比较低的地方通过,尽量减少大填大挖,路线近村而不进村,减少拆迁且能够方便群众生活。
2 创建项目文件选定交点后点击纬地里的项目菜单,在项目菜单里点击新建项目,在项目名称里输入项目名称如:王洼地区二级公路,在项目文件路径及名称里的浏览文件框点击将来要放项目文件的文件夹,纬地软件会在项目文件路径及名称里直接显示出文件路径及名称,新建或指定平面线文件里也会自动生成该路径,在下面的设计者信息里输入设计者、设计者、委托单位,也可以不输。
3进行主线平面设计打开平面图,dwg文件,在纬地里点击设计下拉菜单里的主线平面设计,出现一个主线平面线形设计的对话框,现在平面交点文件名后面的另存键上点击,选择交点文件要存放的位置,随后在交点数据输入的拾取键上点击,在平面图,dwg上点击路线的起点,路线起点的坐标就自动被拾取到对话框里,然后点击该对话框左下角的插入键,插入交点2,如此反复一直到把所有的交点坐标都拾取到该对话框,在拾取完所有交点坐标后,在对话框里会自动计算出交点转角,交点方位角,交点桩号,随后根据公路等级、设计要求的时速、圆曲线极限最小半径、一般最小半径、不设超高最小半径,缓和曲线最小长度、同向反向曲线间直线的最小长度等规范要求的指标在对话框中输入各个曲线的半径及前后缓和曲线的长度,在输入这些数据后对话框里会自动计算出前直线长、曲线总长、后直线长、直缓点桩号、缓圆点桩号、缓圆点桩号、曲中点桩号、圆缓点桩号、缓直点桩号,然后点击存盘,保存数据。
纬地道路无中间带公路超高旋转方式计算流程及结合工程实际算例(超详细)在纬地道路中,对于无中分带公路,超高旋转轴可选择“绕行车道中心旋转”、“绕路基边缘旋转”或“绕行车道边缘旋转”。
现以某二级山区公路为例,设计速度60km/h,路基宽2*0.75(土路肩)+2*0.75(硬路肩)+2*3.5(行车道),正常路拱横坡双向2%,土路肩3%。
k6+115处设计高程205.864m。
全线无加宽。
1)“拖行车道中心转动”极高方式比较简单明了,此处就不可知了。
2)“绕内侧路基边缘旋转”的计算过程先排序旋转轴高差(即为在展开过渡阶段前要将左侧土路肩拉到与行车道同坡,这时左侧路基边缘就是极高旋转轴):0.75*3%-0.75*2%=0.0075m【内侧路基边缘高程205.864+0.0075=205.8715m】与横断面图中205.872m相符!由旋转轴高差得路基中心高差:0.0075+5*5%=0.2575m【路基中心高程205.864+0.2575=206.1215m】与横断面图中206.122m吻合!由中心高差得外侧路基边缘高差:0.2575+4.25*5%-0.75*3%=0.4475m【外侧路基边缘高程205.864+0.4475=206.3115】与横断面图中206.312m相符!3)“拖行车道边缘转动”的排序过程。
根据纬地帮助文档p92页第6.2.2条的说明“…路基设计标高采用未超高加宽前的路基边缘标高,超高旋转轴位于未超高加宽前的行车道边缘…。
”那么,旋转轴与设计标高点不重合!!先排序获得旋转轴高差(即未加高前左侧行车道边缘高差):0.75*3%+0.75*2%=0.0375m由旋转轴高差得内侧路基边缘高差:0.0375-0.75*5%-0.75*5%=-0.0375m【内侧路基边缘高程205.864-0.0375=205.8265m】与横断面图中205.827m相符!由旋转轴高差得路基中心高差:0.0375+3.5*5%=0.2125m【路基中心高程205.864+0.2125=206.0765m】与横断面图中206.077m吻合!由中心高差得外侧路基边缘高差:0.2125+4.25*5%-0.75*3%=0.4025m【外侧路基边缘高程205.864+0.4025=206.2665m】与横断面图中206.267m相符!为更好认知本文,可以融合纬地协助文档一起写作。
纬地纵断面的比例尺
纬地纵断面的比例尺是一种用来表示地球表面上不同纬度和经度之间的距离比例的工具。
它可以帮助我们更好地理解地球的形状和大小,以及在地理研究和测量中的应用。
在纬地纵断面的比例尺中,纬度表示地球表面上的水平方向,而经度表示地球表面上的垂直方向。
比例尺通常以分数的形式表示,例如1:10000。
这意味着地球上的一个单位距离在地图上表示为1/10000个单位距离。
比例尺越大,地图的细节越清晰,但范围越小;比例尺越小,地图的范围越大,但细节越模糊。
通过纬地纵断面的比例尺,我们可以了解到地球的形状并不是完全平坦的,而是稍微扁平的。
这是因为地球是一个旋转的椭球体,而不是一个完美的球体。
纬度越高,地球越扁平;纬度越低,地球越圆。
这种形状的差异会对地球上的气候、地质和生态系统产生重要影响。
纬地纵断面的比例尺也可以用于计算地球上不同地点之间的距离。
通过知道地球的半径和纬度之间的关系,我们可以使用比例尺来计算两个地点之间的直线距离。
这对于导航、航海和航空等领域非常重要。
纬地纵断面的比例尺是一种重要的工具,可以帮助我们理解地球的形状和大小,并在地理研究和测量中提供准确的距离计算。
它不仅
在学术研究中有重要作用,也在日常生活中有实际应用。
我们应该充分利用比例尺的信息,以更好地认识和探索我们居住的这个美丽而多样化的星球。
首先,我是一个软件菜鸟,对于纬地道路也是听说了很久却不会用,待到真要使用的时候按照网上搜来的步骤总是运行不下去,苦苦钻研几天,也询问了一些同学,好在最终可以完成路线的平、纵、横断面布置及相关图表的输出。
先将成果分析给有需求的人,赠人玫瑰,手留余香~
纬地道路详细步骤:
1、首先在目的硬盘新建一个文件夹,按喜好为文件夹命名,比如说abc。
2、打开纬地系统,点击左上角“项目”→新建项目,在弹出的对话框填写新建项目名称abc,点击浏览为项目文件指定存放路径,找到所建文件夹abc的位置,并为新建项目文件命名,这里为abc.prj,点击确定,完成项目新建。
3、打开电子图(CAD .dwg文件类型)。
4、搞清楚各个图层的状态需要进行什么约束{(等高线╱约束线)、(地形点╱地形点的)}。
5、然后关闭图形,不进行修改
6、数模→数模组管理→新建数模→确定→关闭。
7、数模→三维数据读入→DWG 或 DXF 格式→找到刚打开的电子图读入将等高线设为约束线→地形点设为地形点→点击开始读入。
8、①数模→三角构网②数模→网格显示→显示所有网格→确定。
9、数模→数模组管理,弹出的对话框中选中显示的数模文件,点击保存数模,指定路径并命名为abc,文件后缀为(.dtm)→再次选中对话框中的文件,点击保存数模组,生成并保存.gtm文件,路径保持默认,即为文件夹abc,最后一次选中对话框中的文件,点击打开数模→关闭
10、打开地形图,设计→主线平面设计→找到自己要设计的路线起点→点击后→点插入→是→对除起终点之外的其他交点进行“拖动R”来设置平曲线→计算绘图→点存盘→是,得到“.jd”文件,并根据提示将交点文件自动转化为“.pm”文件。
11、项目→设计向导→下一步(多次重复下一步)自动计算超高加宽→完成(根据提示自动建立:路幅宽度变化数据文件(*.wid)、超高过渡数据文件(*.sup)、设计参数控制文件(*.ctr)、桩号序列文件(*.sta)等数据文件。
12、数模-→数模应用→纵断面插值,弹出对话框,勾选插值控制选项,点击开始插值,生成纵断面地面线文件(*.dmx)以及地面高程文件(*.zmx)。
13、数模-→数模应用→横断面插值,弹出对话框,选取绘制三维地面线及输出组数(其他默认),点击开始插值,生成横断面地面线文件(*.hdm)。
)
14、CAD 新建→选择最后一个文件夹→打开→打开acadiso. 文件(样板文件)。
15、设计→纵断面设计→计算显示→确定。
16、设计→纵断面设计→选点(此时可以打开cad的栅格显示,在最下边)→在图上选第一个高程点点(左边端点起),再接着点击插入,插入几个变坡点,最后一个右边端点→点击实时修改对纵坡顶修改(将竖曲线调整到合理)→存盘→计算显示→删除纵断面图。
17、设计→路基设计计算→点击“... ”→保存→搜索全线→确定→计算
18、设计→横断面设绘图→选中土方数据文件→点击“... ”→保存→绘图控制→(选中记录三维数据、插入图框、绘出路槽图)→计算绘图→保存,在CAD合适位置完成横断面设计图的输出。
19、点击“表格“按需要输出各种表格。