配电箱日常巡查记录表
- 格式:docx
- 大小:316.71 KB
- 文档页数:3
电工巡查记录表
单位:
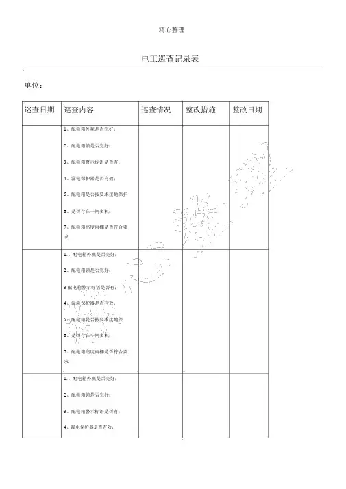
巡查日期巡查内容巡查情况整改措施整改日期
1、配电箱外观是否完好;
2、配电箱锁是否完好;
3、配电箱警示标语是否有;
4、漏电保护器是否有效;
5、配电箱是否按要求接地保护
6、是否存在一闸多机;
7、配电箱高度雨棚是否符合要
求
1.、配电箱外观是否完好;
2、配电箱锁是否完好;
3配电箱警示标语是否有;
4、漏电保护器是否有效;
5、配电箱是否按要求接地保
6、是否存在一闸多机;
7、配电箱高度雨棚是否符合要
求
1.、配电箱外观是否完好;
2、配电箱锁是否完好;
3、配电箱警示标语是否有;
4、漏电保护器是否有效;
5、配电箱是否按要求接地保
6、是否存在一闸多机;
7、配电箱高度雨棚是否符合要
求
1.、配电箱外观是否完好;
2、配电箱锁是否完好;
3、配电箱警示标语是否有;
4、漏电保护器是否有效;
5、配电箱是否按要求接地保
6、是否存在一闸多机;
7、配电箱高度雨棚是否符合要
求
注: 1、电工每日巡查必须进行详细登记;
2、电工巡查发现问题必须制定整改措施和整改日期;
3、电工根据发现的问题必须按时进行复查验收。
配电箱巡查记录表表格摘要:一、配电箱巡查记录表的概述1.配电箱巡查记录表的定义2.配电箱巡查记录表的作用二、配电箱巡查记录表的内容1.配电箱基本信息栏2.巡查日期及时间栏3.巡查人员栏4.配电箱外观检查栏5.配电箱内部设备检查栏6.安全设施检查栏7.巡查发现问题及处理栏8.巡查记录签名栏三、配电箱巡查记录表的填写要求1.填写内容的准确性2.填写时间的及时性3.巡查记录的完整性4.处理问题的有效性四、配电箱巡查记录表的意义1.确保配电箱安全运行2.提高配电箱管理水平3.预防配电箱事故发生4.保障电力供应的稳定性正文:配电箱巡查记录表是一种记录配电箱巡查情况的重要表格,对于配电箱的安全运行和管理具有重要意义。
本文将对配电箱巡查记录表的概述、内容、填写要求及意义进行详细阐述。
一、配电箱巡查记录表的概述配电箱巡查记录表是一种记录配电箱巡查情况的表格,用于详细记录配电箱的基本信息、巡查日期及时间、巡查人员、配电箱外观及内部设备检查情况、安全设施检查情况以及巡查中发现的问题及处理情况等信息。
二、配电箱巡查记录表的内容配电箱巡查记录表主要包括以下几个部分:1.配电箱基本信息栏:包括配电箱编号、位置、设备类型等信息。
2.巡查日期及时间栏:记录巡查的具体日期和时间。
3.巡查人员栏:记录负责巡查的人员姓名。
4.配电箱外观检查栏:记录配电箱外观的检查情况,如外壳、门锁、标识等。
5.配电箱内部设备检查栏:记录配电箱内部设备的检查情况,如开关、断路器、电缆等。
6.安全设施检查栏:记录配电箱周边安全设施的检查情况,如灭火器、警示标志等。
7.巡查发现问题及处理栏:记录巡查过程中发现的问题及处理情况。
8.巡查记录签名栏:巡查人员和相关负责人签名确认。
三、配电箱巡查记录表的填写要求为确保配电箱巡查记录表的质量和效果,填写时需注意以下几点:1.填写内容的准确性:各项内容需如实填写,准确反映配电箱的实际情况。
2.填写时间的及时性:巡查结束后及时填写,确保记录的时效性。
配电箱巡查记录表本表由项目部在施工时每日组织巡查并做好记录。
停工或暂停使用的,应切断供电并注明情况。
检查项目中合格的打“√”,不合格打“×”并及时进行整修或更换,消除隐患。
检查人为值守电工,须亲自亲笔签名,不得代签。
安全员及时督促并巡检记录情况及维修情况,严禁多日一检或一次多签。
每月1日时,更改本月检查记录新表,并将上月检查记录表废旧放进安全管理资料,严禁随意弃置。
项目名称:年门锁1日2日3日4日5日6日7日8日9日10日11日12日13日14日16日17日18日19日20日21日22日23日24日25日26日27日28日29日30日31日配电箱编号:检密项目需维修项是电源保险隔离中剧箱内出入防水箱内检查人签名插座开关装置开关线接线线性能杂物否已经维修①主元件记录型号规格出厂编号生产日期生产厂附注②一般检查检查项目检查结果处理方式复查结果主元件型号规格符合要求装配零部件规格符合要求导线与电缆的布置恰当、合理安装螺钉、轴销、挡卡等完整牢固电镀、涂覆层无破损开裂铭牌与标志内容正确、完整、清晰各元件机架中剧及门的中剧符合要求门、仪表板及二次元件安装平直整齐柜排序、联络恰当,各封板加装有误防护等级满足技术要求柜内洁净,并无异物,绝缘件表面经酒精冲洗③机械操作对安装在柜内的开关电器及所有手动操作部件,如主开关等,均操作5次,其机构动作应可靠,正常。
变压机构符合要求同类手车互换性好,识别装置正确有效。
④母线检查母线规格合乎技术建议母线表面处理符合要求,搭接面有防电化腐蚀措施母线相序恰当、漆色光滑、恰当、整齐母线联接正确,螺栓规格、数量、紧固力符合要求避免构成滑动磁通电路措施符合要求接地线连接部位截面、位置正确接点并无额外形变⑤绝缘检查主回路、辅助回路绝缘距离及爬距符合要求主电路对地工频耐压正常(2500v,1s)主回路每个极与接地的所有其它极之间耐压正常(2500v,1s)辅助电路对地工频耐压正常(2320v,1s)带电部件和用金属箔裹缠的绝缘操作手柄之间(3750v,1s)相对地绝缘电阻≥1kω/v⑥二次检查模拟动作试验正确导线规格符合要求铜接头牢固可靠,羊眼形接头方向、垫圈正确元件标签恰当、整齐、稳固导线穿越金属隔板有防护措施⑦维护电路有效性检查加装支架与主中剧排在间接地电阻(≤100mω)柜后门与主接地排间接地电阻(≤100mω)端子架与主中剧排在间接地电阻(≤100mω)功能单元仪表门与主接地排间接地电阻(≤100mω)⑧其它项目铭牌项目齐全,内容与技术建议一致。