合成氨碳酸氢铵工艺
- 格式:doc
- 大小:316.50 KB
- 文档页数:19
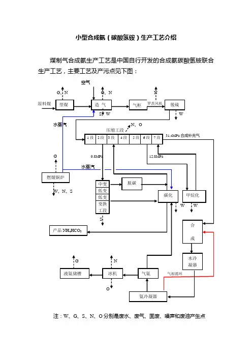
图9-2碳化塔1 一气体分布器;2—分气板; 3—冷却管;4一挡板0. 6MPa和1. 2MPa两个等级。
第九章碳化工段第一节工艺流程及主要设备—、本;段任务(一)碳化工段的任务在变换气中,除含有合成氨所需的氢及氮之外,还含有26K左右的二氧化碳、一氧化碳(3.0〜3.8%)等气体。
二氧化碳、一氧化碳等气体不仅不是合成氨所需要的,而且对合成触媒有毒害作用,所以必须清除。
碳化工段的任务就是用浓氨水吸收变换气中的二氧化碳,并制成合格的碳酸氢铵。
二氧化碳被碳化吸收后,变换气成为合格的原料气(C02<0.2%;NH3<0.lg/m3),送压缩工段进一步压缩后送精炼工段。
本工段还要保证全厂氨和二氧化碳的平衡及本工段的水平衡,确保均衡生产。
碳化工段全过程包括:浓氨水的制备、浓氨水吸收二氧化碳生产碳酸氢铵、氨的回收以及悬浮液的分离。
(二)水洗的任务碳化水洗流程的任务用压力水洗去变换气中的部分二氧化碳,解决碳铵生产过程中氨和二氧化碳的平衡,同时能增加氨水和液氨的产量。
中压联尿水洗的任务用高压水将变换气中的二氧化碳洗至18%左右,以保证联尿生产中氨与二氧化碳的平衡。
(三)等压吸收的任务用软水或稀氨水吸收氨罐弛放气及合成放空气中的氨气,制成浓氨水供碳化生产使用,其余的气体送锅炉燃烧回收热能,或送造气吹风气回收燃烧。
二、工艺流程简述(一)碳化气体流程如图9-1所示,压力为1.12MPa的变换气从塔底依次通过碳化主塔、副塔、综合塔,在塔内变换气与浓氨水鼓泡反应,二氧化碳被氨水吸收,成为合格的原料气送压缩机三段入口。
在生产甲醇的氮肥厂,为保证甲醇触媒不中毒,在综合塔后,增设活性炭脱硫塔,使原料气中H2S含量<2ppm。
液体流程稀氨水和母液用泵从贮槽打入高位吸氨器或喷射吸收器,的氨气反应,其方程式如下:NH3+HzO=NH4OH+QNH4OH+NH4HCO3=(nh4)2co3+HzO+Q制成的浓氨水再经冷却排管降温后,送浓氨水贮槽。
合成氨生产工艺合成氨生产原理:氨是一种重要的化工原料,特别是生产化肥的原料,它是由氢和氮合成。
合成氨工业是氮肥工业的基础。
为了生产氨,一般均以各种燃料为原料。
首先,制成含H2和CO等组分的煤气,然后,采用各种净化方法,除去气体中的灰尘、H2S、有机硫化物、CO、CO2等有害杂质,以获得符合氨合成要求的洁净的1:3的氮氢混合气,最后,氮氢混合气经过压缩至15Mpa以上,借助催化剂合成氨。
1、合成氨生产工艺介绍造气实质上是碳与氧气和蒸汽的反应,主要过程为吹风和制气。
具体分为吹风、上吹、下吹、二次上吹和空气吹净五个阶段。
原料煤间歇送入固定层煤气发生炉内,先鼓入空气,提高炉温,然后加入水蒸气与加氮空气进行制气。
所制的半水煤气进入洗涤塔进行除尘降温,最后送入半水煤气气柜。
造气工艺流程示意图2、脱硫工段煤中的硫在造气过程中大多以H2S的形式进入气相,它不仅会腐蚀工艺管道和设备,而且会使变换催化剂和合成催化剂中毒,因此脱硫工段的主要目的就是利用DDS脱硫剂脱出气体中的硫。
气柜中的半水煤气经过静电除焦、罗茨风机增压冷却降温后进入半水煤气脱硫塔,脱除硫化氢后经过二次除焦、清洗降温送往压缩机一段入口。
脱硫液再生后循环使用。
脱硫工艺流程图3、变换工段变换工段的主要任务是将半水煤气中的CO在催化剂的作用下与水蒸气发生放热反应,生成CO2和H2。
河南中科化工有限责任公司采用的是中变串低变工艺流程。
经过两段压缩后的半水煤气进入饱和塔升温增湿,并补充蒸汽后,经水分离器、预腐蚀器、热交换器升温后进入中变炉回收热量并降温后,进入低变炉,反应后的工艺气体经回收热量和冷却降温后作为变换气送往压缩机三段入口。
变换工艺流程图4、变换气脱硫与脱碳经变换后,气体中的有机硫转化为H2S,需要进行二次脱硫,使气体中的硫含量在25mg/m3。
脱碳的主要任务是将变换气中的CO2脱除,对气体进行净化,河南中科化工有限责任公司采用变压吸附脱碳工艺。
来自变换工段压力约为1.3MPa左右的变换气,进入水分离器,分离出来的水排到地沟。
一.合成氨的工艺过程1.概述(1)合成氨工业的重要性合成氨工业是基础化学工业的重要组成部分,有十分广泛的用途。
氨可生产多种氮肥,如尿素、硫酸铵、硝酸铵、碳酸氢铵等;还可生产多种复合肥,如磷铵复合肥等。
氨也是重要的工业原料。
基本化学工业中的硝酸、纯碱及各种含氮无机盐; 有机工业各种中间体,制药中磺胺药物,高分子中聚纤维、氨基塑料、丁腈橡胶、冷却剂等。
国防工业中三硝基甲苯、硝化甘油、硝化纤维等(2合成氨工业发展简介1784年,有学者证明氨是由氮和氢组成的。
19世纪末,在热力学、动力学和催化剂等领域取得进展后,对合成氨反应的研究有了新的进展。
1901年法国物理化学家吕·查得利提出氨合成的条件是高温、高压,并有适当催化剂存在。
1909年,德国人哈伯以锇为催化剂在17~20MPa和500~600℃温度下进行了合成氨研究,得到6%的氨。
1910年成功地建立了能生产80gh-1氨的试验装置。
1911年米塔希研究成功以铁为活性组分的合成催化剂,铁基催化剂活性好、比锇催化剂价廉、易得。
合成氨的生产需要高纯氢气和氮气。
氢气的主要来源有:气态烃类转化、固体燃料气化和重质烃类转化。
(3)合成氨的原则流程合成氨生产的原则流程如图示。
2. 氨合成的热力学基础从化学工艺的角度看其核心是反应过程工艺条件的确定,而确定反应的最佳工艺条件,需先从事反应热力学和动力学的研究。
(1氨合成反应与反应热氢气和氮气合成氨是放热,体积缩小的可逆反应,反应式如下:0.5N 2+1.5H 2==NH 3 ΔHӨ298=-46.22 kJ·mol -1其反应热不仅与温度有关,还与压力和组成有关。
(2)氨合成反应的平衡常数应用化学平衡移动原理可知,低温、高压操作有利于氨的生成。
但是温度和压力对合成氨的平衡产生影响的程度,需通过反应的化学平衡研究确定。
其平衡常数为:式中, p ,p i —分别为总压和各组分平衡分压;y i —平衡组分的摩尔分数。
合成氨工艺————————————————————————————————作者:————————————————————————————————日期:合成氨工艺流程(1)原料气制备将煤和天然气等原料制成含氢和氮的粗原料气。
对于固体原料煤和焦炭,通常采用气化的方法制取合成气;渣油可采用非催化部分氧化的方法获得合成气;对气态烃类和石脑油,工业中利用二段蒸汽转化法制取合成气。
(2)净化对粗原料气进行净化处理,除去氢气和氮气以外的杂质,主要包括变换过程、脱硫脱碳过程以及气体精制过程。
①一氧化碳变换过程在合成氨生产中,各种方法制取的原料气都含有CO,其体积分数一般为12%~40%。
合成氨需要的两种组分是H2和N2,因此需要除去合成气中的CO。
变换反应如下:CO+H2OH→2+CO2 =-41.2kJ/mol 0298HΔ由于CO变换过程是强放热过程,必须分段进行以利于回收反应热,并控制变换段出口残余CO含量。
第一步是高温变换,使大部分CO转变为CO2和H2;第二步是低温变换,将CO含量降至0.3%左右。
因此,CO变换反应既是原料气制造的继续,又是净化的过程,为后续脱碳过程创造条件。
②脱硫脱碳过程各种原料制取的粗原料气,都含有一些硫和碳的氧化物,为了防止合成氨生产过程催化剂的中毒,必须在氨合成工序前加以脱除,以天然气为原料的蒸汽转化法,第一道工序是脱硫,用以保护转化催化剂,以重油和煤为原料的部分氧化法,根据一氧化碳变换是否采用耐硫的催化剂而确定脱硫的位置。
工业脱硫方法种类很多,通常是采用物理或化学吸收的方法,常用的有低温甲醇洗法(Rectisol)、聚乙二醇二甲醚法(Selexol)等。
粗原料气经CO变换以后,变换气中除H2外,还有CO2、CO和CH4等组分,其中以CO2含量最多。
CO2既是氨合成催化剂的毒物,又是制造尿素、碳酸氢铵等氮肥的重要原料。
因此变换气中CO2的脱除必须兼顾这两方面的要求。
一般采用溶液吸收法脱除CO2。
碳酸氢铵生产工艺
碳酸氢铵(化学式:NH4HCO3),又称臭粉、食品碱,是一
种常见的无机化合物。
它广泛地应用于食品加工、医药、化工等领域。
下面给出碳酸氢铵的生产工艺。
碳酸氢铵的生产主要通过溶液反应、结晶、过滤、干燥等步骤完成。
具体工艺如下:
首先,将氨气(NH3)通过氨气管道通入反应槽内,与二氧化碳(CO2)发生反应,生成氨水(NH4OH),化学方程式为:NH3 + CO2 + H2O → NH4HCO3。
其次,将反应出来的氨水输送到结晶槽内进行结晶。
在结晶槽中,逐渐加热氨水,使其逐渐蒸发,浓缩。
适当控制结晶槽内的温度和压力,促使氨水中的氨气和二氧化碳从气相溶解到溶液中,形成碳酸氢铵晶体。
然后,将产生的碳酸氢铵晶体和溶液一同送入过滤机进行过滤。
通过过滤,将晶体和溶液分离,得到含有碳酸氢铵的滤液。
最后,将滤液进行蒸发,使水分逐渐蒸发,得到含有碳酸氢铵的固体。
将固体进行干燥,去除余留的水分,使之达到所需干燥程度。
最终,得到纯度较高的碳酸氢铵产品。
需要注意的是,生产碳酸氢铵的过程中,应注意控制反应槽内的温度、压力,以及产品的干燥程度,保证产品的质量和纯度。
此外,生产过程中产生的废水和气体应进行合理处理,以减少
对环境的影响。
以上就是碳酸氢铵的生产工艺简要介绍,希望对您有所帮助。
将无烟煤(或焦炭)由炉顶加入固定床层煤气发生炉中,并交替向炉内通入空气和水蒸汽,燃料气化所生成的半水煤气经燃烧室、废热锅炉回收热量后送入气柜。
? ???? 半水煤气由气柜进入电除尘器,除去固体颗粒后依次进入压缩机的Ⅰ、Ⅱ、Ⅲ段,加压到1.9~2.0Mpa,送入脱硫塔,用溶液或其他脱硫溶液洗涤,以除去硫化氢,随后,气体经饱和塔进入热交换器,加热升温后进入一氧化碳变换炉,用水蒸汽使气体中的一氧化碳变为氢。
变换后的气体,返回热交换器进行降温,并经热水塔的进一步降温后,进入变换器脱硫塔,以除去变换时产生的硫化氢。
然后,气体进入二氧化碳吸收塔,用水洗法除去大部分二氧化碳。
脱碳后的原料进入压缩机Ⅳ、Ⅴ段,升压到压缩机12.09~13.0Mpa后,依次进入铜洗塔和碱洗塔,使气体中残余的一氧化碳和二氧化碳含量进一步降至20(ppm)以下,以满足合成氨的要求。
????? 净化后的原料气进入压缩机的最后一段,升压到30.0~32.0?MPa进入滤油器,在此与循环压缩机来的循环气混合,经除油后,进入冷凝塔和氨冷器的管内,再进入冷凝塔的下部,分离出液氨。
分离出液氨后的气体进入冷凝塔上部的管间,与管内的气体换热升温后进入氨合成塔。
在高温高压并有催化剂存在的条件下,将氮氢气合成氨。
出合成塔的气体中,约含氨10~20%,经水冷器与氨冷器将氨液化并分离后,其气体进入循环压缩机循环使用。
分离出的液氨进入液氨贮槽。
?原料气的制备:制备氢氮比为3:1的半水煤气???? ?即造气。
将无烟煤(或焦炭)由炉顶加入固定床层煤气发生炉中,并交替向炉内通入空气和水蒸汽,燃料气化后生成氢氮比为3:1的半水煤气。
整个生产过程由煤气发生炉、燃烧室、废热锅炉、气柜等设备组成。
????? 固定床半水煤气制造过程由吹风、上吹制气、下吹制气、二次上吹、空气吹净等5个阶段构成,为了调节氢氮比,在吹风末端要将部分吹风气吹入煤气,这个过程通常称为吹风回收。
????? 吹风阶段:空气从煤气炉的底部吹入,使燃料燃烧,热量贮存于燃料中,为制气阶段碳与水蒸汽的反应提供热量。
碳酸氢铵在化工流程题的总结碳酸氢铵的生产原料是:二氧化碳和氨水。
碳酸氢铵的生产工艺流程:二氧化碳通入氨水中,饱和后结晶而得。
在碳酸氢铵肥料的生产中,用合成氨生产过程中的变换气通入浓氨水塔,吸收变换气中二氧化碳。
成为碳酸氢铵结晶,经分离而得。
从母液槽和吸氨槽来的混合液,用吸氨泵打入高位吸氨器内,经高位吸氨器的喷嘴,液体流速增加,在喷嘴出口处形成减压区域,使气体被吸入并被流体夹带,流入氨水中间槽,混合液经氨水中间泵送至母液换热器降温至35℃以下,使氨及二氧化碳充分溶解后到吸氨槽,要求吸氨槽的浓度为220-240tt,然后经倒槽泵打入氨水槽,供生产使用。
一部分稀氨水送至碳化固定副塔或母液槽;另一部分由回收塔循环泵循环吸收来自固定副塔的氨和二氧化碳。
在泵的出口循环管线上设换热器,以增加吸收效率。
回收塔制备的低浓度氨水送至固定副塔,固定副塔制备成低浓度碳化氨水送至母液槽,作为系统补水,用以吸收三聚氰胺尾气。
浓氨槽内180~190tt滴度的浓氨水经氨水泵打入碳化副塔,一方面溶解塔内的结疤,另一方面吸收主塔出塔气中的剩余二氧化碳,逐步提高浓氨水的碳化度,制成预碳化液。
副塔的预碳化液由碳化泵从底部抽出,打入主塔,在主塔内进一步吸收二氧化碳,生成碳酸氢铵悬浮液,当悬浮液固液比至40~70%时,在系统压力作用下从塔底部取出,送入稠厚器,进入离心机进行分离。
每个碳化塔内部装有14组冷却水箱,用以带走碳化反应产生的热量,冷却水由冷却水泵送至每组水箱,换热后汇集到碳化塔顶部的检水槽,再流回循环水池。
碳化主塔的碳酸氢铵悬浮液的固液比达到40%~70%时,靠主塔内压力把碳酸氢铵结晶悬浮液压入稠厚器,经进一步结晶和沉淀后,从稠厚器的底部进入离心机分离。
分离后的固体碳酸氢铵晶体即为成品,由离心机底部卸下,去成品包装。
分离后的离心母液和稠厚器上部的清液从溢流管线溢流至母液中间槽,在母液中间槽进一步晶液分离后清液溢流至母液槽,作吸氨使用。
合成氨的原料工艺流程好的,以下是为您生成的一篇关于合成氨原料工艺流程的文章:---# 【合成氨的原料工艺流程】## 一、合成氨的历史其实啊,合成氨这个事儿可不是近几年才出现的新鲜玩意儿。
早在19 世纪,科学家们就开始琢磨怎么从空气中的氮气和氢气合成氨了。
19 世纪初,人们就已经知道氮气和氢气在一定条件下能反应生成氨,但那时候这个反应效率低得可怜,根本没法大规模应用。
直到 20 世纪初,德国化学家哈伯经过无数次的实验和摸索,终于找到了一种比较有效的方法,这才让合成氨从实验室走向了工业生产。
这一突破可不得了,合成氨工业的发展就像给农业插上了翅膀。
以前种地施肥可没那么多选择,有了合成氨,化肥的产量大幅提高,粮食产量也跟着蹭蹭往上涨。
## 二、合成氨的制作过程1. 原料的准备- 氮气的获取说白了,空气中氮气多得是,差不多占了将近 80%。
所以获取氮气相对来说还比较容易,咱们通过把空气进行压缩、冷却,让它变成液态,然后利用氮气和氧气沸点的不同,把氮气分离出来就行啦。
这就好比是从一大锅杂烩汤里,把你想要的那种食材单独挑出来一样。
- 氢气的制取氢气的来源就比较多样了。
比较常见的方法是用水煤气法,就是让煤炭和水蒸气在高温下反应,生成一氧化碳和氢气。
还有一种方法是通过天然气或者石油的重整来制取氢气。
比如说,天然气中的甲烷在一定条件下和水蒸气反应,就能得到一氧化碳和氢气,然后再经过一些处理,就能得到比较纯净的氢气啦。
2. 反应条件要让氮气和氢气乖乖地合成氨,条件可不简单。
得有高温、高压,还得有催化剂。
一般来说,温度在 400 - 500℃,压力在 20 - 50MPa,再加上铁触媒这样的催化剂,这反应才能顺利进行。
想象一下,这氮气和氢气就像是两个有点害羞的小伙伴,高温高压就是给他们创造的热闹氛围,催化剂就是那个善于牵线搭桥的热心人,有了这些条件,他们才能愉快地手拉手变成氨。
3. 合成过程准备好原料,满足了反应条件,氮气和氢气就被送进合成塔里面去反应啦。
合成氨工艺的步骤
一、原料准备
首先呢,咱得把原料准备好。
合成氨主要的原料就是氮气和氢气啦。
氮气比较容易获取,空气中就有很多氮气呢。
氢气的话,制取方法有不少,不过一般工业上会用一些专门的制氢方法哦。
这一步看起来挺基础的,但可千万别小瞧它呀!要是原料没准备好,后面的工序可就麻烦喽。
我每次做这个的时候,都会仔细检查原料的量够不够呢,毕竟这是整个合成氨工艺的开端嘛。
二、气体净化
原料准备好了之后呢,就该进行气体净化啦。
因为从前面得到的气体里可能会夹杂着一些杂质,像一氧化碳之类的。
这些杂质要是不除掉,那可会影响后面合成氨的反应呢。
这个净化过程啊,说起来不难,但是得认真对待。
我就经常在这一步多花点时间,确保那些杂质都被清除得差不多了。
你想啊,如果有杂质残留,就像炒菜的时候锅里有沙子一样,多影响最后的结果呀!在这一环节,不同的工厂或者实验环境下可能会采用不同的净化方法,你可以根据自己的实际情况来选择合适的办法哦。
三、压缩气体
气体净化好了,接着就要压缩气体啦。
这一步很关键哦!为啥要压缩呢?因为合成氨的反应需要在高压下进行呀。
把氮气和氢气压缩到合适的压力可不是一件简单的事儿。
不过,现在有很多专业的压缩机可以帮助我们完成这个工作。
在压缩的时候,一定要按照规定的压力范围来操作哈。
这一点真的很重要,我通常会再检查一次,真的,确认无误是关键。
要是压力不对,反应可能就无法正常进行了呢。
你是不是觉得这个步骤有点难把握呀?其实只要按照操作规程来,一般不会出啥大问题的。
四、合成反应
五、氨的分离。
图9-2碳化塔1 一气体分布器;2—分气板; 3—冷却管;4一挡板0. 6MPa和1. 2MPa两个等级。
第九章碳化工段第一节工艺流程及主要设备—、本;段任务(一)碳化工段的任务在变换气中,除含有合成氨所需的氢及氮之外,还含有26K左右的二氧化碳、一氧化碳(3.0〜3.8%)等气体。
二氧化碳、一氧化碳等气体不仅不是合成氨所需要的,而且对合成触媒有毒害作用,所以必须清除。
碳化工段的任务就是用浓氨水吸收变换气中的二氧化碳,并制成合格的碳酸氢铵。
二氧化碳被碳化吸收后,变换气成为合格的原料气(C02<0.2%;NH3<0.lg/m3),送压缩工段进一步压缩后送精炼工段。
本工段还要保证全厂氨和二氧化碳的平衡及本工段的水平衡,确保均衡生产。
碳化工段全过程包括:浓氨水的制备、浓氨水吸收二氧化碳生产碳酸氢铵、氨的回收以及悬浮液的分离。
(二)水洗的任务碳化水洗流程的任务用压力水洗去变换气中的部分二氧化碳,解决碳铵生产过程中氨和二氧化碳的平衡,同时能增加氨水和液氨的产量。
中压联尿水洗的任务用高压水将变换气中的二氧化碳洗至18%左右,以保证联尿生产中氨与二氧化碳的平衡。
(三)等压吸收的任务用软水或稀氨水吸收氨罐弛放气及合成放空气中的氨气,制成浓氨水供碳化生产使用,其余的气体送锅炉燃烧回收热能,或送造气吹风气回收燃烧。
二、工艺流程简述(一)碳化气体流程如图9-1所示,压力为1.12MPa的变换气从塔底依次通过碳化主塔、副塔、综合塔,在塔内变换气与浓氨水鼓泡反应,二氧化碳被氨水吸收,成为合格的原料气送压缩机三段入口。
在生产甲醇的氮肥厂,为保证甲醇触媒不中毒,在综合塔后,增设活性炭脱硫塔,使原料气中H2S含量<2ppm。
液体流程稀氨水和母液用泵从贮槽打入高位吸氨器或喷射吸收器,的氨气反应,其方程式如下:NH3+HzO=NH4OH+QNH4OH+NH4HCO3=(nh4)2co3+HzO+Q制成的浓氨水再经冷却排管降温后,送浓氨水贮槽。
碳酸氢铵工艺流程碳酸氢铵工艺流程非常复杂。
The process of ammonium bicarbonate production is very complicated.首先是氨气和二氧化碳的制备。
First, ammonia gas and carbon dioxide are prepared.然后将氨气和二氧化碳混合反应制备碳酸氢铵。
Then, ammonia gas and carbon dioxide are mixed and reacted to prepare ammonium bicarbonate.接下来是结晶分离,将碳酸氢铵晶体从溶液中分离出来。
Next, crystallization and separation is performed to separate the ammonium bicarbonate crystals from the solution.接着是干燥,将湿的碳酸氢铵晶体进行干燥处理。
Then, drying is carried out to remove the moisture fromthe wet ammonium bicarbonate crystals.最后是包装,将干燥后的碳酸氢铵装入包装袋中。
Finally, packaging is done to pack the dried ammonium bicarbonate into bags.整个工艺流程需要严格控制温度、压力和pH值。
The entire process requires strict control of temperature, pressure, and pH value.碳酸氢铵工艺的主要原料是氨气和二氧化碳。
The main raw materials for the production of ammonium bicarbonate are ammonia gas and carbon dioxide.工艺流程中需要使用一定的催化剂和助剂。
碳化法合成氨制碳酸氢铵的方程式下载提示:该文档是本店铺精心编制而成的,希望大家下载后,能够帮助大家解决实际问题。
文档下载后可定制修改,请根据实际需要进行调整和使用,谢谢!本店铺为大家提供各种类型的实用资料,如教育随笔、日记赏析、句子摘抄、古诗大全、经典美文、话题作文、工作总结、词语解析、文案摘录、其他资料等等,想了解不同资料格式和写法,敬请关注!Download tips: This document is carefully compiled by this editor. I hope that after you download it, it can help you solve practical problems. The document can be customized and modified after downloading, please adjust and use it according to actual needs, thank you! In addition, this shop provides you with various types of practical materials, such as educational essays, diary appreciation, sentence excerpts, ancient poems, classic articles, topic composition, work summary, word parsing, copy excerpts, other materials and so on, want to know different data formats and writing methods, please pay attention!1. 简介碳酸氢铵是一种重要的化工原料,广泛应用于农业、医药和食品工业。
碳酸氢铵生产工艺流程
碳酸氢铵是一种重要的化学品,在农业、医药和化工等领域具有广泛的应用。
下面将介绍碳酸氢铵的生产工艺流程。
碳酸氢铵的生产通常采用氨和二氧化碳作为原料。
首先,将氨气通过压缩机进
行压缩,并与饱和水溶液反应生成氨水。
接下来,将氨水与二氧化碳进行反应,生成碳酸氢氨。
这个反应在反应釜中进行,通过控制反应温度和压力,可以调节反应速率和产物的纯度。
在反应完成后,产物会进一步进行蒸发、结晶和干燥等工艺步骤,以得到成品
的碳酸氢铵。
蒸发过程中,通过加热使溶液中的水分蒸发,使溶液浓缩。
然后,将浓缩的溶液经过结晶处理,使溶质逐渐从溶解相变为晶体,形成固态的碳酸氢铵。
最后,用干燥设备将结晶后的碳酸氢铵进行烘干,除去残留的水分,得到最终的成品。
整个生产过程中,需要注意控制反应参数,确保反应的效率和产物的质量。
同时,还需要对废水和废气进行处理,以减少对环境的影响。
总结而言,碳酸氢铵的生产工艺包括氨与二氧化碳的反应、蒸发结晶和干燥处
理等步骤。
通过合理控制反应条件,可以获得高纯度的碳酸氢铵产品,满足不同领域的需求。
同时,加强废水和废气的处理,保护环境是生产过程中需要重视的问题。
碳酸氢铵生产工艺
碳酸氢铵(NH4HCO3)是一种广泛应用于化工、食品、制药等行业的重要化工原料。
下面将介绍一种常用的碳酸氢铵生产工艺。
首先,碳酸氢铵的原料主要包括氨水(NH3·H2O)和二氧化碳(CO2)。
氨水是由氨气和水反应得到的,而氨气可以通过在氮气中通入氢气催化剂进行催化反应得到。
二氧化碳可以通过烟气或者高纯度的二氧化碳气体进行提供。
在生产碳酸氢铵的过程中,首先需要将氨水与二氧化碳进行反应。
这个反应一般是在喷嘴或者喷头中进行,将氨水和二氧化碳两者以一定流量喷入反应器中。
反应器中有一个搅拌器来保证反应物均匀混合,同时提供足够的反应表面积。
当氨水和二氧化碳反应生成碳酸氢铵后,会产生一定的热量。
为了控制反应的温度,在反应器中通入冷却水或者使用冷凝器进行冷却。
同时,在反应过程中也要控制反应的加热速率,以避免温度过高产生副反应。
反应完成后,可以用过滤器将产生的碳酸氢铵颗粒进行过滤和洗涤。
这一步可以去除反应中产生的不溶物和杂质,得到纯净的碳酸氢铵颗粒。
最后,将洗涤后的碳酸氢铵颗粒进行干燥处理。
这一步通常使用干燥机或者在低温下进行烘干,将颗粒中的水分蒸发掉,得到干燥的碳酸氢铵。
需要注意的是,在碳酸氢铵的生产过程中,要注意对环境的保护和安全措施。
氨气是一种有毒气体,要保证其在生产过程中的安全使用和储存。
同时,要严格控制反应中的温度和压力,以确保工艺安全。
以上就是碳酸氢铵的一种常用生产工艺。
随着科技的发展,也有更加先进和高效的生产工艺在不断发展中,以满足不同用途和要求的碳酸氢铵产品的生产。
碳酸氢铵的生产工艺
碳酸氢铵的生产工艺:
碳酸氢铵(化学式:NH4HCO3)是一种常见的化学品,常用
于制作面包、饼干等食品,也可用于制备其他化学品。
碳酸氢铵的生产工艺主要包括原料准备、反应过程和产物处理三个步骤。
首先是原料准备。
碳酸氢铵的原料主要是氨气和二氧化碳,两者通常是由化工厂生产或者从空气中提取得到。
此外,还需要水和石灰石作为中和剂。
然后是反应过程。
碳酸氢铵的生产一般采用氨气和二氧化碳的催化反应。
首先,氨气与二氧化碳在反应器中按一定的摩尔比例进行反应,生成氢氧化铵(NH4OH)。
然后,将氢氧化铵
经过浓缩、结晶等工艺,在适当的条件下通过加热和蒸发,使其分解为碳酸氢铵和水。
由于反应不完全,会有少量的氨气残留在产物中。
最后是产物处理。
经过反应后,产物中的氨气和水需要进行处理。
一般采用氨气稀释和洗涤的方法,将氨气稀释至一定的安全范围内,并与水反应生成氨水,再进行净化处理。
而碳酸氢铵的固体产物可以通过过滤和溶剂结晶的方式进行分离和提取。
分离后的碳酸氢铵可以进行干燥、筛分等处理,最终得到符合要求的碳酸氢铵产品。
以上就是碳酸氢铵的生产工艺的主要步骤。
在实际生产中,需
要严格控制反应条件、观察和调节反应过程中的温度、压力、pH值等参数,以确保产物质量和提高产率。
同时,需要合理设计和选用设备,确保反应系统的安全性和效率。
此外,还需要进行产物的分析和质量控制,以保证产品的质量符合国家和行业标准。
一.合成氨的工艺过程1.概述(1)合成氨工业的重要性合成氨工业是基础化学工业的重要组成部分,有十分广泛的用途。
氨可生产多种氮肥,如尿素、硫酸铵、硝酸铵、碳酸氢铵等;还可生产多种复合肥,如磷铵复合肥等。
氨也是重要的工业原料。
基本化学工业中的硝酸、纯碱及各种含氮无机盐; 有机工业各种中间体,制药中磺胺药物,高分子中聚纤维、氨基塑料、丁腈橡胶、冷却剂等。
国防工业中三硝基甲苯、硝化甘油、硝化纤维等(2合成氨工业发展简介1784年,有学者证明氨是由氮和氢组成的。
19世纪末,在热力学、动力学和催化剂等领域取得进展后,对合成氨反应的研究有了新的进展。
1901年法国物理化学家吕·查得利提出氨合成的条件是高温、高压,并有适当催化剂存在。
1909年,德国人哈伯以锇为催化剂在17~20MPa和500~600℃温度下进行了合成氨研究,得到6%的氨。
1910年成功地建立了能生产80gh-1氨的试验装置。
1911年米塔希研究成功以铁为活性组分的合成催化剂,铁基催化剂活性好、比锇催化剂价廉、易得。
合成氨的生产需要高纯氢气和氮气。
氢气的主要来源有:气态烃类转化、固体燃料气化和重质烃类转化。
(3)合成氨的原则流程合成氨生产的原则流程如图示。
2. 氨合成的热力学基础从化学工艺的角度看其核心是反应过程工艺条件的确定,而确定反应的最佳工艺条件,需先从事反应热力学和动力学的研究。
(1氨合成反应与反应热氢气和氮气合成氨是放热,体积缩小的可逆反应,反应式如下:0.5N 2+1.5H 2==NH 3 ΔHӨ298=-46.22 kJ·mol -1其反应热不仅与温度有关,还与压力和组成有关。
(2)氨合成反应的平衡常数应用化学平衡移动原理可知,低温、高压操作有利于氨的生成。
但是温度和压力对合成氨的平衡产生影响的程度,需通过反应的化学平衡研究确定。
其平衡常数为:式中, p ,p i —分别为总压和各组分平衡分压;y i —平衡组分的摩尔分数。
f ,γ分别为各平衡组分的逸度和逸度系数.pH N NH H N NH H N NH f K K p p p f f f K •=•••=•=γγγγ5.15.05.15.05.15.022*******(3)影响平衡时氨浓度的因素在氨的合成应中,设P 为总压,y 、yN2、yH2、yi 分别代表NH3、N2、H2、惰气的摩尔分数,则原始氢氮比:所以故:在0.5N2+1.5H2=NH3反应达到平衡时:由此可分析影响平衡氨含量的诸因素:a .压力和温度的影响 温度越低,压力越高,平衡常数K p 越大,平衡氨含量越高。
1322=+++i NH H N y y y y 22N H y y R =211i N y y y R --=+221H H i y y y y R=---2(1)1i H R y y y R--=+5.15.05.15.02232231H N NH H N NH p y y y p p p p K ⋅== 1.522(1)(1)p i y R p K y y R =⋅--+b.氢氮比的影响当温度、压力及惰性组分含量一定时,使yNH3为最大的条件为若不考虑R对K p的影响,解得R=3时,yNH3为最大值;高压下,气体偏离理想状态,K p将随R而变,所以具有最大yNH3时的R略小于3,约在2.68~2.90之间。
c.惰性气体的影响惰性组分的存在,降低了氢、氮气的有效分压,会使平衡氨含量降低。
3 . 氨合成动力学(1)氨合成催化剂以铁为主的催化剂(铁系催化剂)有催化活性高、寿命长、活性温度范围大、价廉易得等特点,广泛地被国内外合成氨厂家采用。
催化剂的活性成分是金属铁,而不是铁氧化物。
使用前用氢氮混合气对催化剂还原,使铁氧化物还原为具有较高活性的a型纯铁。
还原反应方程式为:FeO·Fe2O3+4H2==3Fe+4H2OA12O3在催化剂中能起到保持原结构骨架作用,从而防止活性铁的微晶长大,增加了催化剂的表面积,提高了活性。
CaO起助熔剂作用。
K2O的加入可促使催化剂的金属电子逸出功降低。
MgO除具有与Al2O3相同作用外,其主要作用是抗硫化物中毒的能力,从而延长催化剂的使用寿命。
少量CO、CO2、H2O等含氧杂质的存在将使铁被氧化,而失去活性。
但当氧化性物质清除后,活性仍可恢复,故称之为暂时中毒。
硫、磷、砷等杂质引起的中毒是不可恢复的,称作永久性中毒。
(2)氨合成反应动力学过程氨合成为气固相催化反应,它的宏观动力学过程包括以下几个步骤。
a.混合气体向催化剂表面扩散(外,内扩散过程);b.氢,氮气在催化剂表面被吸附,吸附的氮和氢发生反应,生成的氨从催化剂表面解吸(表面反应过程);c. 氨从催化剂表面向气体主流体扩散(内,外扩散过程)氮、氢气在催化剂表面反应过程的机理,可表示为:N2(g)+Cate —→2N(Cate)H2(g)+Cate —→2H(Cate)N(Cate) + H(Cate) —→NH(Cate)NH(Cate) + H(Cate) —→NH2(Cate)NH2(Cate) + H(Cate) —→NH3(Cate)NH3(Cate)—→NH3(g) + (Cate)实验结果证明,N2活性吸附是最慢的一步,即为表面反应过程的控制步骤。
对整个气固相催化反应过程,是表面反应控制还是扩散控制,取决于实际操作条件。
低温时可能是动力学控制,高温时可能是内扩散控制;大颗粒的催化剂内扩散路径长,小颗粒的路径短,所以在同样温度下大颗粒可能是内扩散控制,小颗粒可能是化学动力学控制。
当内扩散控制时,动力学方程为r NH3=kP式中r NH3为反应速率,k为扩散系数,p为反应物的总压。
当化学动力学控制时,在接近平衡时:式中:r NH3——氨合成反应的净速率:k1,k2——正、逆反应速率常数;pN2, p H2, p NH3——N2, H2, NH3的分压.4 . 氨的合成与分离(1)氨合成工艺条件的优化合成工艺参数的选择除了考虑平衡氨含量外,还要综合考虑反应速度、催化剂特性及系统的生产能力、原料和能量消耗等。
压力提高压力利于提高氨的平衡浓度,也利于总反应速率的增加。
高压法动力消耗大,对设备材料和加工制造要求高。
30MPa左右是氨合成的适宜压力。
从节省能源的观点出发,合成氨的压强应为15~20 MPa的压力。
温度温度过高,会使催化剂过早失活。
塔内温度应维持在催化剂的活性温度范围(400~520℃)内。
氨的合成反应存在一个使反应速度最大的温度,即最适宜反应温度,它除与催化剂活性有关外,还取决于反应气体组成和压力。
最适宜反应温度与平衡反应温度之间存在确定的关系。
随着反应的进行,温度逐渐升高,当接近最适宜温度后,再采取冷却措施。
空间速度空间速度指单位时间内通过单位体积催化剂的气体量(标准状态下的体积)。
单位h-1,简称空速。
空速越大,反应时间越短,转化率越小,出塔气中氨含量降低。
增大空速,催化剂床层中平衡氨浓度与混合气体中实际氨含量的差值增大,即推动力增大,反应速率增加;同时,增大空速混合气体处理量提高、生产能力增大。
氢氮比动力学指出,氮的活性吸附是控制阶段,适当增加原料气中氮含量利于提高反应速率。
为达到高的出口氨浓度、生产稳定的目的,循环气氢氮比略低于3(取2.8--2.9),新鲜原料气中的氢氮比取3:1。
惰性气体含量惰性气体在新鲜原料气中一般很低,只是在循环过程中逐渐积累增多,使平衡氨含量下降、反应速度降低。
生产中采取放掉一部分循环气的办法。
放掉的气体称为驰放气。
另行处理以回收氨和其它有用的气体。
理论上是惰性气体越少越好,但实际上这是不现实的。
要确定一个合理的惰性气体含量范围,还需大量计算。
以增产为主要目标,惰气含量,约为10%—14%,若以降低原料成本为主,约为16%~20%。
催化剂的粒径催化剂的粒径也必须优化,优化过程涉及的因素很多且难以定量描述,所以优化条件只能通过实验来确定。
在反应初期粒径小,反应后期粒径大。
(2)氨的分离除了在需要氨水的地方,要用水吸收法来得到一些浓氨水外,一般都用冷凝法来分离氨。
冷却分离过程是一个能耗较大的过程,较高温度时可用水冷,冷至较低温度一般用氨冷。
就是用液氨作冷源,经过较复杂的冷冻流程将工艺气中的氨冷凝分离出来。
分离氨之后的气体含有少量氨,同时还含有H2,要送循环系统再入合成塔循环反应。
为了维持系统浓度稳定,惰性气体浓度不至累积过高,只有少量气体被引出作进一步处理。
现在一般都要将里面所含H2分离出来循环利用,不再是简单地用作燃料。
液氨冷冻系统的传热温差一般都较小,所以流程复杂。
这是热力学上功的损失因素所决定了的。
进合成氨塔气体中的氨由循环气带入,其数量决定于氨分离的条件。
温度越低,分离效果越好。
合理的氨含量应由增产与能耗之间的经济效益来定。
在30 MPa左右,进口氨含量控制在3.2%~3.8%;15 MPa时为2.8%~3%。
(3)合成塔合成塔必须保证原料气在最佳条件下进行反应。
氨合成是在高温、高压下进行,氢、氮对碳钢有明显的腐蚀作用。
将塔设计成外筒和内件两部分。
外筒一般做成圆筒形,可用普通低合金钢或优质碳钢制造,气体的进出口设在塔的上、下两端顶盖上。
外筒只承受高压而不承受高温。
塔内件由热交换器、分气盒和催化剂筐三部分构成。
热交换器供进入气体与反应后气体换热;分气盒起分气和集气作用;催化剂筐内放置催化剂、冷却管、电热器和测温仪器。
冷却管的作用迅速移去反应热。
按从催化剂床层移热的方式不同,合成塔分连续换热式、多段间接换热式和多段冷激式三种。
(4)合成分离循环流程目前工业上使用的氨合成流程很多。
合成氨厂广泛采用两级分氨流程。
下图为常见的合成流程。
5 . 原料气的生产与净化(1)生产原料气的原料合成氨的生产需要高纯氢气和氮气。
氮气用最丰富而廉价的空气来制取。
氢气的主要来源有:气态烃类转化、固体燃料气化和重质烃类转化。
其中以天然气为原料的气态烃类转化过程经济效益最高。
其在高温下与水蒸汽的作用,制取粗原料气,都可用下式:C n H m+nH2O(g)=nCO+(n+m/2)H2或C+H2O=CO+H2原料气的生产步骤:一、造气原料与空气、水反应生成N2,H2,CO二、变换CO与水反应生成H2,实现氢氮比R=3(2)以煤焦为原料的造气过程及其优化把煤或焦炭中的可燃物质转变为H2、CO和CO2,这一过程叫做固体燃料气化,简称造气。
气化所得的气体统称煤气,进行气化的设备叫煤气发生炉。
采用间歇法造气时,空气和蒸汽交替通入煤气发生炉。
通入空气的过程称为吹风,制得的煤气叫空气煤气;通入水蒸气的过程称为制气,制得的煤气叫水煤气;空气煤气与水煤气的混合物称为半水煤气。
固体燃料气化法的化学计量方程式为:吹风2C+O2+3.76N2 = 2CO+3.76N2+248.7 kJ·mol-1制气5C+5H2O(g)= 5CO+5H2-590.5 kJ·mol-1总反应7C+O2+3.76 N2+5H2O(g)=7CO+3.76 N2+5H2-341.8 kJ·mol-1工业上采用间歇操作送风发热法,即交替进行吹风和制气。