北京某住宅小区地下车库施工组织设计(doc 142页)
- 格式:doc
- 大小:1.27 MB
- 文档页数:143
地下车库施工组织设计摘要:地下车库的施工组织设计对于项目的顺利进行至关重要。
本文将探讨地下车库施工组织设计的重要性以及其中涵盖的关键要素。
首先,我们将考虑施工过程中需要考虑的基本条件和设计原则。
其次,我们将讨论施工组织设计的步骤和流程,并介绍一些常用的技术措施和策略。
最后,我们将介绍一些实践中的案例和经验,并总结出一些关键的成功因素。
关键词:地下车库;施工组织设计;设计原则;技术措施;成功因素1. 引言随着城市化进程的加快,地下车库作为解决城市停车难题的有效手段,得到了广泛的应用。
地下车库的施工组织设计是保证项目质量和进度的重要环节。
一个合理的施工组织设计能够明确工作流程、合理分工、合理配置资源,从而提高工程效率,保证工程质量和安全。
2. 施工组织设计的基本条件和设计原则地下车库施工组织设计需要考虑以下基本条件和设计原则:- 安全性:施工过程中要确保人员和设备的安全,防止发生事故和意外。
- 经济性:要尽量降低施工成本,提高资源利用率,提高工程经济效益。
- 可行性:施工计划要符合实际情况,不能过于理想化或不切实际。
- 灵活性:要能够根据实际情况进行调整和变动,适应施工过程中的变化。
3. 施工组织设计的步骤和流程地下车库施工组织设计的步骤和流程一般包括以下几个方面:- 分析施工技术要求:根据地下车库的具体情况,分析施工技术要求,确定施工的基本原则和方法。
- 制定施工计划:根据施工技术要求,制定详细的施工计划,包括工期安排、施工工序、人力物力配置等。
- 组织施工人员:根据施工计划,合理组织施工人员,明确各个岗位的职责和任务,确保施工工程的顺利进行。
- 采购和调配材料:根据施工计划,及时采购和调配所需的材料和设备,保证施工过程的顺利进行。
- 监督和管理施工过程:对施工过程进行监督和管理,及时解决施工中的问题和难题,确保项目的质量和进度。
4. 常用的技术措施和策略地下车库施工组织设计中常用的技术措施和策略包括:- 进度计划管理:设置合理的进度计划,及时跟踪和管理施工进度,发现问题及时解决。
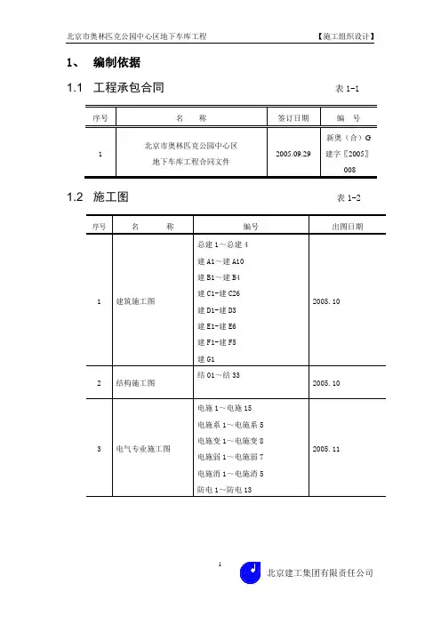
1、编制依据1.1 工程承包合同表1-11.2 施工图表1-211.3 主要图集表1-31.4 主要规程、规范表1-4341.5 主要标准表1-51.6 主要法规(国家、行业)表1-651.7 主要法规(地方)表1-71.8 其它表1-862.工程概况2.1 总体简介表2-172.2 建筑设计简介表2-282.3 结构设计简介表2-392.4 专业设计简介(参见专业施工方案)表2-4102.5 工程特点分析与措施北京奥林匹克公园中心区地下车库工程位于北京奥林匹克公园中区,建设位置和建筑性质重要,功能要求、景观要求高。
是一个高水平、高标准的、符合长11期良性运营的奥运设施。
本地下车库呈辐射状与各主干道相连,东侧可通向湖边东路,并通过地下汽车坡道与湖边东路地下交通联系通道连接,实现车库资源共享;南侧可通向成府路,并通过地下汽车坡道与湖边东路地下公共隧道连接;北侧可通向中一路。
本停车库与北部地下商业连接,为购物人群提供便捷的停车服务。
2.5.1施工场地狭小2.5.1.1根据奥林匹克公园中心区的规划,本工程北侧为现有的中一路,东邻同期施工的湖边东路,将与本工程同期进行地下交通联系通道同槽施工,西临湖边西路(待建),且紧邻奥运主体育场,南侧为成府路(待建),场地狭窄,整个用地形状接近为楔形。
如何保证在现有场地条件情况下,合理进行平面布置、材料运输和施工组织,是本工程的重点。
2.5.1.2措施:2.5.1.2.1进场后与业主及奥林匹克公园中区相关管理部门进行沟通协调,暂时借用现场西侧和南侧做为临设用地,布置材料临时加工和周转料堆场、办公用房等施工暂设,以缓解场地狭小的压力。
2.5.1.2.2地下室结构验收,地下外墙防水和保护层施工完后,及时进行肥槽回填施工,为园林绿化和装修施工创造更多的可用场地,使场内交通更加通畅。
2.5.1.2.3基坑采用部分护坡桩和土钉墙相结合的支护方式,确保周边道路和地下管线的安全,同时减少了施工场地的占用。
住宅楼地下车库施工组织设计方案1.施工组织设计方案的目标和原则:目标:确保地下车库施工顺利进行,保证质量和安全,并且尽量减少对周围环境和居民生活的影响。
原则:科学合理、安全高效、环境友好、资源合理利用。
2.施工前期工作:2.1.确定车库位置和规模:根据住宅楼的建筑规划和设计方案,确定地下车库的具体位置和总面积。
2.2.施工准备:派遣专业人员进行地质勘查和地下水位调查,为后续施工提供准确的数据和基础信息。
2.3.施工方案编制:根据勘查结果和住宅楼的特点,编制详细的施工方案,包括施工工艺、施工工序、施工时间安排等。
3.施工组织设计方案的具体内容:3.1.建立专职施工组织管理小组:由项目经理、施工工程师、安全员等专业人员组成,负责整个施工过程的管理和协调。
3.2.划定施工区域:根据车库的位置和规模,划定施工区域并进行围挡设置,确保施工区域的安全和封闭性。
3.3.施工时间安排:根据住宅楼的居民生活习惯和禁工时间,合理安排施工工期和工作时间,避免对居民生活的干扰。
3.4.施工工艺选择:根据地质条件和施工要求,选择适合的施工工艺,如开挖法、顶板法、明挖法等。
3.5.施工工序安排:将施工过程划分为若干工序,并根据工序之间的依赖关系和工期计划,合理安排施工工序的顺序和时间。
3.6.施工设备和材料准备:根据施工方案确定所需的设备和材料清单,做好采购准备和调试工作,确保施工过程的顺利进行。
3.7.施工质量和安全控制:加强施工过程中的质量和安全管理,制定相应的检查和监督措施,严格执行相关操作规程和安全操作规范。
3.8.环境保护措施:采取有效的环境保护措施,如噪音和扬尘的控制、废水处理等,减少对周边环境的影响。
4.施工组织设计方案的风险管理:4.1.风险辨识:识别和评估施工过程中存在的各类风险,如地质灾害、施工工艺风险、安全隐患等。
4.2.风险控制:采取相应的风险控制措施,如强化监控和检查、增加安全设施和装备、培训施工人员等。
我公司拥有雄厚施工技术力量和机械装备,近年来先后承建了大量的、具有一定社会影响的项目,赢得了较高的社会声誉,积累了丰富的施工经验和大量的施工技术资料,对承建****园二期生产用房地下车库工程我们具有极大的兴趣,对与建设单位的合作充满诚挚的意愿。
如我公司中标,本公司将立即委派具有同类工程施工经验的一级项目经理来组织工程的项目领导班子。
我们将依靠本公司的管理、技术、装备的优势,遵循设计,信守合同,精心组织,确保工程如期完工。
我公司各级领导和有关职能部门及项目经理部全体人员将对本工程质量高度重视,在总结类似工程施工经验之上,继续坚持“质量第一、信誉至上”的原则,运用科学的管理方法,制定严格的质量控制措施,大力采用新技术、新工艺和新材料,做到精心组织、精心施工,将本工程建成高品质工程,让业主满意。
本施工组织设计供****园二期生产用房地下车库工程投标使用,如有幸中标,亦将作为正式施工组织设计的主要编制依据,我们将在此基础上,根据施工设计图纸及建设单位的具体要求,做适当增补和修正。
本施工组织设计内容包括工程概况、施工部署、项目组织管理、施工现场总平面图布置和管理、人力及机械配置、施工进度计划和工期保证措施、质量保证体系及措施、主要工程施工方案和安全措施、文明施工及环保措施等自开工至竣工的全过程组织管理措施。
2.1.招标文件及有关技术文件 (见:图表1) 2.2施工图(见:图表2)2.3主要法规 (见:图表3)2.4主要规范、规程(见:图表4)2.5主要图集(见:图表5)2.6主要标准(见:图表6)2.7其它(见:图表7)第三章工程概况3.1工程总体概况:(见:图表8)3.2建筑设计概况:(见:图表9)3.3结构设计概况:(见:图表10)3.4专业设计概况:(见:图表11)3.5工程特点、施工难点:3.5.1施工现场位于北京****开发B区C04地块,南临****大街,北临****路,东临****路,西临****路。
地下车库施工组织设计一、施工组织设计的目的和意义:1.确定施工队伍和分工,合理调配施工人员和设备资源,保证施工进度。
2.制定合理的施工方案,对施工过程中的各项工作进行详细的安排和调度,确保施工质量和安全。
3.确定施工期间的施工现场管理措施,保证施工现场的秩序和安全。
4.设计合理的材料供应计划和装备调度计划,保证施工所需物资的供应和设备的正常运行。
二、地下车库施工组织设计内容:1.施工队伍和分工:根据地下车库施工规模和要求,确定施工队伍的数量和人员构成,包括总监理、施工总监、技术员、施工员、安全员等。
同时,清楚划分各个岗位的职责和任务,并在施工组织设计中进行详细说明。
2.施工方案:根据地下车库施工的具体情况,制定合理的施工方案,包括施工工序、施工方法、施工工艺等。
根据施工方案,确定施工进度和完成时间,并在施工组织设计中进行具体说明。
3.施工现场管理:确定施工现场的布置和管理措施,包括施工道路、施工材料和设备堆放场所、施工用电和用水等。
同时,对施工现场的管理进行详细描述,包括安全措施、消防措施、环境保护措施等。
4.材料供应计划和装备调度计划:根据施工方案和进度要求,制定材料供应计划和装备调度计划。
其中,材料供应计划包括材料种类、数量、供应时间等;装备调度计划包括各种施工设备和机械的调度安排。
三、地下车库施工组织设计实施步骤:1.分析施工任务和要求,确定施工目标和施工周期。
2.划分施工队伍和确定各个岗位的人员构成。
3.制定施工方案,确定施工工序和工艺。
4.设计施工现场的布置和管理措施。
5.制定材料供应计划和装备调度计划。
6.进行施工进度控制和现场监督。
7.对施工过程进行记录和总结,及时调整和改进施工组织设计。
四、注意事项:1.在地下车库施工组织设计中,要充分考虑施工现场的环境和安全要求,制定相应的管理措施。
2.确保施工计划的合理性和可行性,根据实际情况进行调整和改进。
3.严格按照施工组织设计的要求进行施工,及时解决施工过程中出现的问题和难题。
地下车库施工组织设计方案1. 引言地下车库是现代城市交通管理的重要组成部分,为解决城市停车难问题提供了重要的解决方案。
此地下车库施工组织设计方案旨在有效地组织和管理地下车库的施工过程,确保施工的安全、高效和顺利进行。
2. 施工组织概述2.1 目标本施工组织设计方案的目标是按时完成地下车库的施工,并保证施工质量达到设计标准要求。
2.2 组织机构•项目经理:负责项目整体的组织、协调和管理工作;•施工队长:负责指挥施工人员进行具体的施工工作;•施工作业人员:根据施工计划进行具体的施工作业。
2.3 施工流程本地下车库的施工流程将按照以下步骤进行:•地质勘察和设计方案确定;•地下车库结构施工准备;•基坑开挖和支护结构搭设;•地下车库主体结构施工;•局部装修和设备安装;•细节完善和验收。
3. 施工准备3.1 项目组织项目经理将组织一个专门的地下车库施工团队,包括施工队长、施工作业人员等。
3.2 施工资源准备根据施工计划,项目经理将组织采购所需的施工材料、设备、机械等,确保施工资源的及时供应。
3.3 安全准备地下车库施工将涉及到大量的土方开挖、混凝土浇筑等工程,项目团队应制定详细的安全操作规程,并保障施工人员的安全。
4. 基坑支护结构施工4.1 基坑开挖根据设计方案,按照施工图纸指示进行地基开挖工作。
确保基坑的尺寸、形状符合设计要求。
4.2 基坑支护结构搭设根据地质勘察报告,选择适当的基坑支护结构,包括钢支撑、混凝土搅拌桩等。
并按照设计要求进行搭设工作。
5. 地下车库主体结构施工5.1 混凝土浇筑根据施工图纸和设计要求,确定混凝土的配合比和浇筑工艺。
施工过程中注意混凝土质量的控制,确保浇筑质量。
5.2 结构防水主体结构完成后,进行结构防水工作,确保地下车库的防水性能。
6. 局部装修和设备安装6.1 局部装修根据设计要求,进行地下车库的局部装修工作,包括地面铺装、标识标线等。
6.2 设备安装安装地下车库所需的设备,包括通风系统、照明系统、消防设备等,确保设备的正常运行。
地下车库工程施工组织设计1. 引言地下车库工程施工组织设计是在车库建设前的规划阶段,对施工组织和管理进行设计和安排的过程。
一个合理的施工组织设计可以提高工程的效率和质量,减少施工风险,并确保工程按时按质完成。
本文档旨在对地下车库工程施工组织设计进行详细的描述和分析,以指导相关人员在施工前做好组织设计工作。
2. 工程概述地下车库工程是一个地下建筑工程,主要目的是提供停车位给居民和办公楼用户使用。
工程包括地下停车层的建设、通风系统的安装、消防设施的设置等。
3. 施工组织设计原则在进行地下车库工程施工组织设计时,需要遵循以下几个原则:•安全原则:施工过程中,必须确保工人的安全和施工现场的安全。
采取必要的安全措施,例如安全帽、安全绳等。
•高效原则:合理安排施工顺序和施工流程,提高施工效率。
考虑到施工材料的供应和人力资源的调配,合理安排各个施工环节的时间。
•质量原则:确保施工过程中的质量,采用适当的工艺和施工方法,严格按照相关标准和规范进行施工。
•环保原则:在施工过程中,尽量减少对环境的影响,合理利用资源,降低能源消耗。
4. 施工组织结构地下车库工程施工组织结构包括施工队伍和管理人员。
施工队伍主要包括工人和技术人员,管理人员负责对施工过程进行监督和管理。
4.1 施工队伍施工队伍是地下车库工程施工的主力军,其主要工作是根据施工图纸和工程要求进行具体施工操作。
施工队伍的组成应根据工程的规模和施工的难度确定,包括但不限于以下人员:•现场监工:负责对施工现场进行监督和管理,确保施工按照设计规定进行;•施工工人:负责具体的施工操作,包括土方、混凝土浇筑、砌筑等;•技术人员:负责对施工工艺和方法进行指导,解决施工过程中的技术问题。
4.2 管理人员管理人员是地下车库工程施工的指导者和决策者,其主要工作是对施工过程进行监督和管理,确保施工按照要求进行。
管理人员的组成包括但不限于以下人员:•项目经理:负责对地下车库工程的整体施工进行管理和协调;•施工安全员:负责对施工现场的安全进行监督和管理,制定施工安全措施;•质量工程师:负责对施工质量进行把关和检查,确保施工质量符合要求;•供应链管理人员:负责工程材料的采购和供应,确保施工过程中的材料供应充足。
地下车库编制日期:编制单位:目录第一卷编制依据 (6)第一章(一)建筑设计有限公司设计的结构、建筑、水暖、电气图纸: (6)第二章(二)主要图集、标准、规程、规范: (6)第一节 91YJ39 (6)第二节 (6)一、 91YJ39 (6)二、华北91SJ2 (7)第三节华北91SJ2 (7)第四节 (7)一、华北91SJ2 (7)二、 DBJ01-26-96 (8)三、 (8)第三章(三)主要法规: (9)第二卷工程概况 (10)第一章(一)工程简介: (10)第二章(二)建筑设计概况: (10)第三章(四)水暖专业设计概况: (12)第三卷本工程重点、难点 (15)第四卷施工部署 (16)第一章(一)工程目标: (16)第二章(二)管理组织机构: (17)第三章(三)施工部署: (19)第四章(四)施工准备工作: (20)第五章(五)施工现场平面布置: (22)第五卷主要分部分项工程施工方案 (27)第一章(一)施工测量: (27)第一节 1、工程概况: (27)第二节 2、施工测量的准备工作: (27)第三节 3、建筑物定位放线: (27)第四节 5、高程控制 (29)第五节 6、楼梯测量放线: (30)第六节 7、装饰工程测量: (30)第七节 8、质量要求 (31)第八节 9、注意事项: (32)第二章(二)土方开挖及边坡支护: (32)第一节 1、土方开挖 (32)第二节 2、边坡支护 (35)第三章(三)钢筋工程: (41)第一节 1、施工前准备: (41)第二节 2、钢筋的加工: (42)第三节 3、钢筋种类: (43)第四节 12、钢筋定位措施 (48)第五节 13、质量要求: (50)第四章(四)模板工程: (50)第一节 1、基础底板模板: (50)第二节 2、地下室外墙模板: (51)第三节 3、楼板模板: (52)第四节 4、柱模板: (53)第五节 5、梁模板: (54)第六节 6、楼梯模板: (54)第七节 7、支、拆模工艺流程: (54)第八节 8、支模质量要求: (55)第九节 9、技术措施: (56)第十节 10、模板拆除: (56)第五章(五)混凝土工程: (57)第一节1、底板混凝土: (58)第二节2、剪力墙混凝土施工: (61)第三节3、楼板混凝土施工: (61)第四节 4、混凝土试块的留置 (62)第五节 5、质量验收标准; (62)第六章(六)防水工程: (63)第一节 1、防水概况: (63)第二节 2、施工要求: (64)第三节 3、地下室防水施工: (64)第四节 4、屋面防水施工: (65)第五节 5、卫生间防水施工: (66)第七章(七)土方回填: (67)第八章(八)砌筑工程: (68)第一节1、施工准备: (68)第二节2、施工工艺: (68)第九章(九)脚手架工程: (69)第一节1、满堂红脚手架: (70)第二节2、内装修工具式脚手架: (70)第十章(十)楼地面工程: (70)第一节1、地砖地面: (70)第二节 2、水泥地面: (71)第十一章(十一)内装修工程: (72)第一节 1、砌体墙抹灰: (72)第二节2、釉面砖镶贴: (74)第三节 3、乳胶漆墙面: (75)第四节 4、顶棚: (76)第十二章(十二)外装修工程: (76)第十三章(十三)门窗工程: (77)第一节1、双玻保温塑钢窗: (77)第二节 2、铝合金平开门: (78)第三节 3、木质防火门安装: (79)第十四章(十四)电气工程: (80)第一节1、施工依据: (80)第二节2、施工范围 (81)第三节3、电源引入及供配电系统: (81)第四节4、穿墙套管: (81)第五节5、钢管敷设: (81)第六节6、管内穿线: (84)第七节7、金属线槽安装: (85)第八节 8、电缆敷设: (86)第九节9、开关、插座安装: (86)第十节 10、配电箱安装: (87)第十一节 11、灯具安装: (88)第十五章(十五)暖卫、通风工程: (89)第一节工程基本概况 (89)第二节2、劳动力配备: (90)第三节3、施工方法: (90)第四节 4、基本操作方法: (91)第五节 5、施工技术措施: (94)第六节 6、施工要点: (99)第六卷施工进度计划 (102)第一章(一)总工期控制 (102)第二章(二)主要分部工程工期安排 (102)第七卷工期保证措施 (103)第一章(一)工期目标: (103)第二章(二)工期保证措施: (103)第八卷季节施工措施 (106)第一章1、混凝土工程: (106)第二章 2、水暖工程: (107)第九卷主要材料用量计划 (108)第十卷主要机具设备配备 (109)第一章(一)设备配置说明 (109)第二章(二)本工程所采用的主要机械设备表 (109)第三章(三)拟投入本工程的试验和检测、测量仪器设备表: (110)第十一卷质量保证措施 (112)第一章(一)质量目标: (112)第二章(二)质量保证体系 (112)第三章(三)组织保证措施 (112)第四章(四)质量管理制度 (113)第五章(五)技术保证措施 (115)第六章(六)运用新技术、新工艺,确保工程质量 (122)第七章(七)加强对分包队伍的管理及质量控制 (122)第十二卷安全技术措施和保证制度 (124)第一章安全生产目标 (124)第二章(二)安全生产保证体系 (124)第三章(三)安全生产教育 (125)第四章(四)安全技术措施和保证制度 (126)第五章(五)工程安全措施 (127)第十三卷文明施工及环保措施 (130)第一章文明施工措施 (130)第二章(二)环境保护措施 (130)第三章(三)消防保卫措施 (132)第十四卷降低造价技术措施 (134)第一章(一)技术措施: (134)第二章(二)管理措施 (134)第十五卷成品保护措施 (136)第一卷编制依据(一)建筑设计有限公司设计的结构、建筑、水暖、电气图纸:(二)主要图集、标准、规程、规范:第一节 91YJ39第二节第三节华北91SJ2 第四节DBJ01-26-96(三)主要法规:第二卷工程概况(一)工程简介:(二)建筑设计概况:(三)结构设计概况:(三)水暖专业设计概况:1、暖卫系统:2、通风空调系统:(五)电气专业设计概况:第三卷本工程重点、难点1、本工程是4#、5#及7#楼施工工期控制的关键,必须优化施工工序,合理安排施工顺序,尽量缩短施工工期,以保证4#、5#及7#楼的正常施工。
施工组织设计------某住宅楼地下车库学院姓名学号一、工程概况本工程为住宅楼地下车库。
楼间绿地以下,为地下一层单建掘开式人防工程。
平时为小型汽车停车库,设停车位369个,采用倒进顺出垂直停车方式。
共设7个直通室外的人员安全出入口,两个汽车坡道出入口。
本工程平时设火灾自动报警系统、自动喷淋灭火系统、消火栓灭火系统、给排水系统、配电照明系统、机械进排风排烟系统。
本工程耐火等级为一级,设三个防火分区,为六个防烟分区,防火分类为一类。
本工程防水等级为二级,采用钢筋混凝土自防水(C30、S6),外围两层1.5厚PET湿铺专用型聚酯复合防水卷材。
本工程采用钢筋混凝土板柱结构,顶板上覆土1.5~2.2米,±0.000相当于绝对高程值3.30m。
本工程长229.75m,宽123m,总占地面积11383.6m²,总建筑面积11083.6m²(不包含坡道敞开段),坡道敞开段建筑面积300m²。
本工程内部砌体采用烧结粉煤灰砖。
车库底板厚450mm,底板顶标高-5.10m;顶板厚400mm,顶板上皮标高为-1.500m;柱截面尺寸为600×600,带柱脚、柱帽;外墙厚300mm。
垫层混凝土为C15,结构混凝土为C30(不得掺入早强剂),本工程顶板、底板、外墙及水池为防水混凝土,抗渗等级S6,其它部位为C30普通混凝土。
二、施工部署3、安全及文明施工目标:杜绝死亡、重伤及消防、机械事故。
4、方案总体安排1)、施工顺序划分:在车库开工前,将E-2、E-6楼西侧的临时道路修通,确保E-2、E-6装修材料进场。
车库施工顺序:3月15日E-7楼西北侧21#~37#线挖土→5月15日达竣工条件→5月15日E-6楼北侧车库挖土→7月15日达竣工条件→6月15日E-2楼南侧开始挖土→8月15日达竣工验收条件。
2)、模板工程:基础底板利用防水导墙做模板,所有墙体、柱采用定型组合钢模板,钢管加固;顶板模板采用竹胶板,顶板脚手架采用满堂红脚手架。
目录第一章编制说明及依据 (7)第1节编制说明 (7)第2节招标文件 (7)第3节工程施工图纸 (7)第4节工程应用的主要规程、规范 (8)第5节工程应用的主要图集 (10)第6节工程应用的主要标准 (11)第7节工程应用的主要法规 (12)第二章工程概况 (13)第1节总体简介 (13)第2节建筑设计概况 (14)第3节结构设计概况 (16)第4节专业设计概况 (18)第5节工程特点与难点: (20)1第三章施工部署 (21)第1节施工组织 (21)第2节工程任务划分 (24)第3节施工部署原则 (25)第4节工程施工总进度控制计划 (26)第5节施工组织协调 (26)1、制定图纸会审、图纸交底制度 (27)2、建立周例会制度 (27)3、制定专题讨论会议制度 (27)4、制定考察制度 (28)第6节主要项目工程量 (28)第7节主要劳动力计划 (29)第四章施工准备 (30)第1节技术准备 (31)1、审图 (31)22、管理人员培训 (31)3、劳务人员培训 (31)4、施工组织设计和专项施工方案编制计划(附表№-16) (32)5、坐标点的引入 (33)6、土方开挖施工方案 (33)第2节生产准备 (34)1、现场临电负荷(具体临电布置详见临电施工方案)(附表№—17)。
(34)2、施工临时用水设计 (37)3、现场施工平面布置 (38)4、主体结构阶段施工期间施工现场平面布置: (40)5、装修施工期间现场平面布置: (40)6、主要加工订货计划 (40)7、材料供应 (41)第五章主要施工方法及技术措施 (42)第1节施工流水段划分 (42)3第2节主要分部、分项工程施工顺序 (44)第3节主要施工方法 (45)1、测量放线 (45)2、土方和护坡施工方法 (47)3、防水施工 (48)4、钢筋工程 (50)5、模板工程 (56)6、砼浇灌工程 (62)7、底板砼施工 (66)8、泵送砼 (68)9、砌筑工程 (69)10、脚手架工程 (69)11、装修工程 (70)12、屋面、卫生间防水工程 (73)13、电气安装工程 (75)414、卫生、暖通工程安装 (79)第六章主要施工管理措施 (81)第1节经济技术指标 (81)第2节保证工期措施 (82)第3节保证质量措施 (83)1、基础工作 (83)2、物资检验规定 (84)3、过程检验及报验规定 (85)4、不合格分项(工序)处理规定 (86)5、工程质量检验评定规定 (86)6、质量保证资料管理规定 (87)7、工程质量奖罚规定 (87)8、质量控制要点 (88)第4节保证安全措施 (89)1、安全管理方针 (89)52、安全组织保证体系 (89)3、安全管理 (89)4、分析安全难点,确定安全管理难点 (90)5、临边与洞口的安全防护 (91)第5节消防保卫措施 (92)第6节环保措施、文明施工 (94)第7节成品保护 (96)第8节现场料具管理 (97)6第一章编制说明及依据第1节编制说明本施工组织设计为标前施工组织设计.重点对施工部署和计划进行了设计。
某地下车库工程施工组织设计方案某地下车库工程施工组织设计方案具体内容是什么,下面本店铺为大家解答。
注意事项:(1)施工过程中各阶段测量放线严格执行《北京市建筑工程施工测量规程》。
(2)测量仪器必须符合处发《检验、测量和试验设备控制程序》有关规定,并在全过程中保持完好状态。
(3)测量与验线人员必须为两个人,不得为一个人,并且必须持证上岗。
(4)测量时候天气过冷或者过热,要将测量仪器提前拿到室外。
使仪器与室外气温保持一致,避免产生误差。
(5)所有测量设备必须专人看管使用,发现碰撞或者读数明显不准,及时报修送检。
土方开挖及边坡支护:1、土方开挖(1)工程概况:本工程基底标高-11.250 m,地下水位埋深绝对标高为40.41-41.79m(需降水)。
"三通一平"已完,现场交通较好。
(2)施工准备:1)审查设计图纸,核对平面尺寸和坑底标高,摸清地下构筑物及地下管线分布情况,与甲方确认。
2)现场工程定位放线工作已完成,场区内的控制网点已设立,且不受土方开挖的影响。
3)开挖边线已用白灰撒好,其范围内的障碍物不影响土方开挖。
4)鉴于招标文件要求,本工程招标不考虑护坡。
施工时根据实际情况决定实施方案,建议采用土钉锚进行护坡,本方案对土钉护坡进行了设计。
(3)开挖方案:本工程土方开挖采用机械大开挖,人工配合清槽。
1)施工机械的选择:为了加快土方开挖进度,尽量避免或减少气候对土方工程的影响,拟选用WD100型反铲挖掘机挖土,自卸式汽车配合运土,基底清出的少量土方由塔吊配合进行运输。
土方施工机械数量计算:各工程土方开挖量略为:79799 m3.t=30s;q=1.2m3;ks=1.14;kc=1.1;kb=0.8p=(9×3600/30)×1.2×0.96×0.8=995.3m3 (考虑晚22:00至早7点9小时作业)假设配置4台反铲挖掘机,则P=995.3×4=3981.2 m3T=79799/3981.2≈20天,按15天开挖完考虑运土车辆计算设每台自卸汽车每台班运土方80方,则N4=79799/1600=50辆。
1.挖方车库及公寓地下室底标高均为-11.00m,实际挖深9.5m,采用W100正铲挖土机开挖,配合推土机1台、自卸汽车10辆。
挖土由市机械施工公司承包。
2.放坡土方分两层开挖,第一层由地面至地面以下5.5m,坡度1:0.6,留70cm 平台。
第二层4m左右,坡度1:0.7。
3.排水措施本工程槽底均在地下水位以上,地表水及雨水采用明沟→集水井→水泵系统排出场外。
4.护坡处理1)地下车库护坡钉铅丝网、抹5cm厚豆石混凝土。
2)雨期施工中的公寓地下室同上(非雨期施工的地下室不做护坡)。
3)坡脚易塌方的部位用土袋码垛护坡。
5.防水处理挖土至底层时,土中水分趋于饱和,可能影响挖土机械作业(主要是车库),要求准备一定量的级配砂石,必要时在机械作业范围内铺垫60cm厚级本砂石。
6.超挖处理为防止超挖或扰动老土,基底预留约20cm土用人工清理,清理后及时覆盖,以防曝晒或受冻。
7.验槽地基打钎后请设计及勘测单位共同验槽。
本工程按以下工艺流程进行:地下车库工艺流程为:挖土—垫层—底板—架空层结构—回填土—地下二层结构—回填土—地下一层结构—回填土。
回填土如不能分层进行时,可在每一库结构完成后再回填。
公寓结构阶段工艺流程为:挖槽——垫层——人防层保护墙、内贴油毡——人防层结构——回填土——地下二层结构——地下一层结构——回填土——立塔——1~7层结构——8—1 7层结构7层以下设备安装、内装修——8层以上设备安装、内装修——外装修。
装修工程工艺流程如图2-5所示。
一、基础挖方(1)挖方:车库及公寓地下室底标高均为-11.00m,实际挖深9.5m,采用Wl00正铲挖土机开挖,配合推土机1台、自卸汽车10辆。
挖土由市机械施工公司承包。
(2)放坡:土方分两层开挖,第一层由地面至地面以下5.5m,坡度1:0.6,留70cm 平台。
第二层4m左右,坡度1:0.7。
(3)排水措施:本工程槽底均在地下水位以上,地表水及雨水采用明沟→集水井→水泵系统排出场外。
某地下车库施工组织设计一、引言随着城市人口的增加和私家车辆的普及,车库的需求量越来越大。
为了满足这一需求,某地决定建设一座地下车库。
本文档将讨论某地下车库施工组织设计,包括施工组织结构、施工方案、施工进度安排等内容。
二、施工组织结构2.1 项目经理项目经理负责项目整体的策划、组织、协调和控制工作,具备全面的项目管理能力和经验。
项目经理是项目各方面工作的领导者,负责协调各个专业的施工工作,保证项目按预定要求完成。
2.2 工程师团队工程师团队由结构工程师、土建工程师、电气工程师、机电工程师等组成,负责设计、施工图纸审核、技术交底等工作。
他们需要与施工单位紧密合作,解决技术难题,并提供技术支持。
2.3 施工单位施工单位负责实施施工方案,包括土方开挖、地下结构施工、配套设施安装等。
施工单位需要有资质和经验,能够独立承担施工任务,并按照项目管理要求进行施工管理。
三、施工方案3.1 土方开挖根据地下车库的设计和相关土质勘探报告,确定土方开挖的施工工艺和方法。
施工单位应根据设计要求,采取合适的土方工程技术,包括开挖方法、支护措施等,确保施工安全、质量和进度。
3.2 地下结构施工地下结构施工包括基坑支护、地下室结构施工等。
施工单位应根据设计文件,制定相应的施工工艺和施工方案,并组织施工人员按照要求进行施工。
同时,需要对施工过程进行监控,确保施工质量和安全。
3.3 配套设施安装配套设施包括通风系统、照明系统、消防系统、排水系统等。
施工单位应按照相关规范和设计要求,进行设施的安装和调试工作。
在安装过程中,需要做好施工图纸的修改和技术交底工作。
四、施工进度安排4.1 施工总进度计划根据施工方案和相关工期要求,制定施工总进度计划。
项目经理应对施工进度进行细化和详细规划,确保施工各个阶段的工序和工程量合理分配,并合理安排资源,确保项目按时、按质量完成。
4.2 施工过程中的进度控制在施工过程中,项目经理需要根据实际情况对施工进度进行监控和控制。
安全性□对信息系统安全性的威胁任一系统,不管它是手工的还是采用计算机的,都有其弱点。
所以不但在信息系统这一级而且在计算中心这一级(如果适用,也包括远程设备)都要审定并提出安全性的问题。
靠识别系统的弱点来减少侵犯安全性的危险,以及采取必要的预防措施来提供满意的安全水平,这是用户和信息服务管理部门可做得到的。
管理部门应该特别努力地去发现那些由计算机罪犯对计算中心和信息系统的安全所造成的威胁。
白领阶层的犯罪行为是客观存在的,而且存在于某些最不可能被发觉的地方。
这是老练的罪犯所从事的需要专门技术的犯罪行为,而且这种犯罪行为之多比我们想象的还要普遍。
多数公司所存在的犯罪行为是从来不会被发觉的。
关于利用计算机进行犯罪的任何统计资料仅仅反映了那些公开报道的犯罪行为。
系统开发审查、工作审查和应用审查都能用来使这种威胁减到最小。
□计算中心的安全性计算中心在下列方面存在弱点:1.硬件。
如果硬件失效,则系统也就失效。
硬件出现一定的故障是无法避免的,但是预防性维护和提供物质上的安全预防措施,来防止未经批准人员使用机器可使这种硬件失效的威胁减到最小。
2.软件。
软件能够被修改,因而可能损害公司的利益。
严密地控制软件和软件资料将减少任何越权修改软件的可能性。
但是,信息服务管理人员必须认识到由内部工作人员进行修改软件的可能性。
银行的程序员可能通过修改程序,从自己的帐户中取款时漏记帐或者把别的帐户中的少量存款存到自己的帐户上,这已经是众所周知的了。
其它行业里的另外一些大胆的程序员同样会挖空心思去作案。
3.文件和数据库。
公司数据库是信息资源管理的原始材料。
在某些情况下,这些文件和数据库可以说是公司的命根子。
例如,有多少公司能经受得起丢失他们的收帐文件呢?大多数机构都具有后备措施,这些后备措施可以保证,如果正在工作的公司数据库被破坏,则能重新激活该数据库,使其继续工作。
某些文件具有一定的价值并能出售。
例如,政治运动的损助者名单被认为是有价值的,所以它可能被偷走,而且以后还能被出售。
4.数据通信。
只要存在数据通信网络,就会对信息系统的安全性造成威胁。
有知识的罪犯可能从远处接通系统,并为个人的利益使用该系统。
偷用一个精心设计的系统不是件容易的事,但存在这种可能性。
目前已发现许多罪犯利用数据通信设备的系统去作案。
5.人员。
用户和信息服务管理人员同样要更加注意那些租用灵敏的信息系统工作的人。
某个非常无能的人也能像一个本来不诚实的人一样破坏系统。
□信息系统的安全性信息系统的安全性可分为物质安全和逻辑安全。
物质安全指的是硬件、设施、磁带、以及其它能够被利用、被盗窃或者可能被破坏的东西的安全。
逻辑安全是嵌入在软件内部的。
一旦有人使用系统,该软件只允许对系统进行特许存取和特许处理。
物质安全是通过门上加锁、采用防火保险箱、出入标记、警报系统以及其它的普通安全设备就能达到的。
而作为联机系统的逻辑安全主要靠“口令”和核准代码来实现的。
终端用户可以使用全局口令,该口令允许利用几个信息系统及其相应的数据库;终端用户也可使用只利用一个子系统或部分数据库的口令。
□安全分析过程大多数公司的办公人员询问关于信息和计算中心的安全时,往往问“一切都行了吗?”其实他们应该问“对于信息和计算中心的安全,我们应该做什么?”。
用户管理人员应该与信息服务管理人员定期地共同研究,进行安全分析,这种安全分析为各方都愿意接受。
简言之,这种安全分析意指决定要多大的一把“挂锁”。
遗憾的是,某些公司乐意承担巨大的风险,但又侥幸地希望不要出现自然灾害或预先考虑到的祸患。
“难得出现”并不等于“永不出现”,关于这一点某些公司发现得太晚了。
北京丽泽花园菜户营住宅小区地下车库施工组织设计1. 编制依据1.1工程合同1.4主要图集:表1-31.5主要标准: 表1-41.6 主要法规:表1-51.7其它:表1-6 类别名称编号地方北京市建筑安装工程工期及概算定额2.工程概况2.1土建工程概况一览表2.2安装工程概况一览表水暖安装做法表:电气安装做法表:2.3工程特点由于本工程的主要使用功能为居民住宅,其工程性质决定了该工程具有如下的特点和质量控制重点:2.3.1结构安全性要求高。
结构质量百年大计,关系到居民的人身财产安全的大事,因此在结构施工中,我们不仅要保证结构工程外在质量,更重要的是保证结构工程的内在质量做到外美内坚。
2.3.2防水工程质量要求高,牵涉到几百家用户的消费利益,直接影响用户的生活起居,尤其是地下室,屋面、卫生间等的防水质量,我们视其为本工程控制的重点。
2.3.3户内几何尺寸要求精确,是业主和用户非常关心的敏感问题,因此在测量和放线的偏差控制是本工程的重点内容之一。
2.3.4安装系统功能要求高,尤其是上下水、电视、照明系统、通风、通信等使用功能的实现是让用户满意的关键所在。
2.3.5本工程工期紧、质量要求高,施工期内又横跨雨期和冬期,因此,要制定切实可行的施工方案和质量保证措施。
2.3.6在施工过程中,扰民和民扰是应特别处理好的现实问题。
扰民方面:我们采取特殊的防噪措施,如设防噪围挡,采取噪声小的机械设备等。
民扰方面:做好接待工作,耐心细致关心群众,取得群众的支持和谅解。
2.3.7本工程基础部分较深且标高变化较多,开挖时需严格注意标高控制,防止超挖。
2.3.8本工程基础混凝土现浇量大,底板900厚,需严格组织好商品混凝土的连续供应及对混凝土的测温,防止人为间歇冷缝及温度冷缝。
混凝土外墙较厚、较长,需严格控制施工工序,保证混凝土浇注质量。
3.施工部署管理目标3.1施工范围:图纸所示的土建工程;给排水工程;消防工程;暖通工程;动力照明工程;防雷接地工程;消防报警工程;中水系统;人防工程;电视、电话工程只作埋管穿带线及箱盒;燃气壁挂炉工程。
3.2管理目标本工程确定以下管理目标:3.2.1工程工期目标2004年9月25日开工,2006年1月30 日竣工。
工期为493日历天,承诺建设单位工期要求。
3.2.2工程质量目标消灭结构质量通病,在保证建设单位工程质量达到优良的情况下,争创结构“长城杯”;确保水、电、暖、设备安装的完善运转及消防排烟通讯线路的正常使用;建无渗漏工程,消灭内外装修细部常见质量通病,确保内外装修分部工程优良,竣工验收达到建筑长城杯标准。
3.2.3施工现场管理目标北京市安全文明工地3.2.4技术创新目标制定技术创新目标和实施计划,使技术创新建立在实用、经济、先进、合理和高效的水平上,使之成为支撑工程项目优质高效运行,完善和提高项目管理水平,实现质量和工期目标的有效手段。
3.2.5工程成本造价控制目标同业主、设计院、监理单位和工程有关各方共同努力,优化施工组织的安排,使工程各个环节衔接密切,高效顺利的向前推进,从图纸设计,材料设备的选型,承包商的选择和工程招标,现场施工组织、管理、协调与控制等各方面,提出行之有效的合理化建议方案,加强过程和程序控制,追求过程精品,避免不必要的拆改、浪费,尽最大能力减少和节约工程成本和造价。
3.3施工部署原则3.3.1本工程按项目法组织施工,在公司范围内挑选有经验、有能力的管理人员组成强有力的项目经理部,对本项目的人、财、物按照项目法施工管理的要求实行统一组织、统一布置、统一计划、统一协调、统一管理,并认真执行ISO9001质量标准、ISO14001环保标准及GB/T28001职业健康安全标准,充分发挥各职能部门、各岗位人员的职能作用,认真履行管理职责,确保本项目质量体系持续有效的运行,通过我们的科学严谨的工作质量和项目管理经验,确保实现对建设单位承诺的工期目标、质量目标和施工现场管理目标。
3.3.2本工程工作量大,结构质量要求高,工期紧(总工期493天)。
施工顺序:遵循先地下后地上、先结构后装修、先无压管后有压管的顺序,土建为设备安装优先创造条件,设备安装为装修创造条件,在交叉作业的条件下,保证工程按期,保优质竣工交验。
3. 3.3根据本工程特点分为三个施工阶段,即基础施工阶段,主体结构施工阶段,二次结构和装修施工阶段,其中暖卫、电气工程等与以上施工阶段交叉进行作业。
1.基础施工:基础开挖,采用机械挖土,汽车外运人工清槽,底板采用整体浇筑,在后浇带处断开,地下室墙体采用小钢模施工,楼板模板采用12mm竹编模板,采用钢管上下加油托支撑系统。
2.主体结构施工:主体结构施工,采用清水混凝土施工技术,墙体采用钢制大模板体系,楼板采用竹胶合板清水模板,楼梯、阳台、门窗洞口采用定型模板一次成型技术,混凝土采用商品混凝土泵送浇筑。
3.装修施工:分四个阶段组织施工,第一阶段在地下室结构验收完,组织地下室装修施工;第二阶段结构施工到10层,验收1—5层,组织5层以下装修施工;第三阶段结构施工到20层,验收5—15层,组织15层以下装修施工;第四阶段为20层以上到结构封顶后,组织外檐装修和屋面工程施工。
在每个施工阶段内装修的插入施工项目,由下向上组织按层流水施工,细装修由上向下,组织按层流水施工,水电工程配合穿插作业。
3.3.4外线工程:待结构完成后,安排外线配套工程与室内装修同步进行。
3.3.5 由于6#地下车库距离1#楼主体工程较近,为了防止高层倾斜,所以车库与1#楼地下室同时施工,并保证车库顶板完成前,B座施工不得高于6层,A、C座施工不得高于12层。
3.4施工组织安排和工艺流程3.4.1施工组织安排遵循先地下后地上,先结构后装修,先土建后设备,先外檐后内檐,先样板后整体的施工程序,地下部分A、B、C座的地下二层完成后,做完防水,砌完防水保护墙,再进行地下车库的墙体施工(地下车库的外墙是单面支模)。
在专业施工上遵循先大截面后小截面,先无压管后有压管的程序。
土建为设备安装优先创造先决条件,在交叉作业的情况下,保证工程提前交工。
3.4.2工艺流程施工准备→定位放线→机械挖槽(预留30cm原土由人工清至设计标高)→基础施工→回填土→主体结构施工(水电穿插施工)→屋面工程施工、地面工程施工→内外墙喷涂料→设备安装→竣工清理。
3.5施工流水段的划分3.5.1基础:基础施工分四个流水段,流水段由两条后浇带及一条沉降缝分开。
A、B、C座及地下车库各为一个流水段。
3.5.2地上结构:结构施工分十段流水,A、C楼为两栋塔楼,每栋塔楼划分为四段。
B楼为板楼,划分为两个流水段。
(见附图)第一段:2轴——10轴,Y轴——Q轴;第二段:10轴——16轴,Y轴——Q轴;第三段:4轴——9轴,Q轴——A轴;第四段:9轴——13轴,Q轴——A轴;第五段:16轴——23轴;第六段:23轴——33轴;第七段:33轴——42轴,Y轴——Q轴;第八段:42轴——48轴,Y轴——Q轴;第九段:33轴——42轴,Q轴——A轴;第十段:42轴——48轴,Q轴——A轴;地下车库施工分两段流水:第一段1-2轴——1-5轴;第二段1-5轴——1-8轴3.6施工组织协调一个工程产品是参与工程的业主单位、设计单位、施工单位、监理单位、等协作单位等多方共同合作的结晶,因此,在施工过程中协调处理好各方面的工作关系是关系工程产品质量的关键环节,因此我项目部在争得各方认可的前提下,制定了如下管理制度。