优质结构工程质量评价表样本
- 格式:doc
- 大小:235.00 KB
- 文档页数:18
上海市房建工程优质结构检查评分表(现场质保条件)建筑表一
工程名称:检查部位:
施工单位:检查人员(签名):检查日期:
工程名称:检查部位:
施工单位:检查人员(签名):检查日期:
工程名称:检查部位:
施工单位:检查人员(签名):检查日期:
上海市房建工程优质结构检查评分表(目测观感)建筑表四
工程名称:检查部位:
施工单位:检查人员(签名):检查日期:
续表
上海市房建工程优质结构检查评分表(质控资料)建筑表五
工程名称:检查部位:
施工单位:检查人员(签名):检查日期:
工程名称:检查部位:
施工单位:检查人员(签名):检查日期:
工程名称:检查部位:
施工单位:检查人员(签名):检查日期:。
附表1山东省建设工程优良结构质量综合评审表工程名称肥城建兴桃园之家7#楼施工单位山东泰安建筑工程企业有限企业结构/层数剪力墙/26建筑面积㎡建设单位泰安市建兴房地产开发有限责监理单位肥城博远工程监理有限公任企业司序评论项目实得分备注号1质量保证条件2模板工程3钢筋工程4现场实测5仪器检测126观感质量7质量控制资料8安装工程工程总得分评审组组长署名该工程质量保证系统和创优计划健全,举措有效合理,落实到位。
质量保证资料齐备有效,记录真切,内容全面。
现场检测,各项指标切合要求。
模板和钢筋工程施工切合规范和设计要求。
现场实测实量数据达到合格率90%以上的分数。
观感质量优秀,达到表面平坦、几何尺寸正确,无影响结省、市质量监察机构综合评审建议构和使用功能的现象。
安装工程预留预埋质量较好,拥有技术创新性。
经评审组评审,一致以为该工程质量和技术达到市级当先水平,赞同介绍该工程参加评比“山东省优良结构”。
(公章)年月日附表2山东省建设工程优良结构质量保证条件评论打分表工程名称肥城建兴桃园之家7#楼结构/层数剪力墙/26建筑面积㎡施工单位山东泰安建筑工程企业有限公工程施工阶段填补墙砌筑司建设单位泰安市建兴房地产开发有限责监理单位肥城博远工程监理有限企业任企业序检查项目应得分检查评论实得分备注号好一般差1现场质量管理及质量责任制度10√10 2主要专业工种操作上岗证书10√10 3施工组织设计、施工方案及审批10√84施工现场施工操作技术规程及国5√5家相关规范、标准的配置5施工现场物料寄存条件状况20√16 6检查工具5√5 7现场标养室及试块的标明15√15 8搅拌站、计量设置、配比标记15√15 9创优规划及举措10√10权重值:5分应得分共计:100实得分共计:94检现场质保条件评论得分=实得分和5查应得分和结果检查人员:年月日工程名称肥城建兴桃园之家7#楼结构/层数剪力墙/26建筑面积㎡施工单位山东泰安建筑工程企业有限公工程施工阶段填补墙砌筑司建设单位泰安市建兴房地产开发有限责监理单位肥城博远工程监理有限企业任企业序检查项目应得分检查评论实得分备注号好一般差1模板工程的基本要求10√10 2模板的设计20√15 3模板制作质量15√15 4模板安装质量20√18 5模板安装观感质量20√20 6模板的拆掉质量15√10 7权重值:10分应得分共计:100实得分共计:88模板工程评论得分==实得分和检10应得分和查结果检查人员:年月日工程名称肥城建兴桃园之家7#楼结构/层数剪力墙/26建筑面积㎡施工单位山东泰安建筑工程企业有限公工程施工阶段填补墙砌筑司建设单位泰安市建兴房地产开发有限责监理单位肥城博远工程监理有限企业任企业序检查项目应得分检查评论实得分备注号好一般差1受力钢筋的弯钩和弯折20√20 2箍筋的弯钩形式15√12 3钢筋的接头设置地点15√154钢筋机械连结接头、焊接20√20接头的观感质量5同一连结区段受力钢筋接头数目15√15 6钢筋网片、骨架的绑扎质量15√1278权重值:10分应得分共计:100实得分共计:94钢筋工程评论得分=实得分和检10应得分和查结果检查人员:年月日附表5山东省建设工程优良结构现场实测评论打分表工程名称肥城建兴桃园之家7#楼施工单位山东泰安建筑工程企业有限公司建设单位泰安市建兴房地产开发有限责任企业项目赞同误差(mm)轴线地点偏移10垂每层5直全≤10m10砖度高>10m20混基础顶面和楼面标高±15结表面平清水墙、柱5构整度混水墙、柱88门窗洞口高、宽(后塞口)±5分外墙上下窗口偏移20水平灰缝平清水墙7直度混水墙10地下室进口和基层楼梯入+15,-5口高度外窗台和露台栏板高度+15,-5基础15轴线独立基础10混地点墙、柱、梁85凝剪力墙土≤5m8层高垂直10结>5m度构全高(H)H/1000且≤308层高±10标高分全高±30截面尺寸+8,-5表面平坦度8权重值:8分现场实测评论得分检查结果结构/层数剪力墙/26建筑面积㎡工程施工阶段填补墙砌筑监理单位肥城博远工程监理有限企业实测值应得分实得分3共点合格点合格率:超倍误差情况:5得分:2736894162共90点634264错误6!32合格86点4125错误3!2521合格率:25731422错误2!超倍误差情况:无8 15211827231925222423+5+8-3+4-6+2-3+5+2-5得分:+16-14+22+18-19+27-19+22-18+20+3-2+6+4-3+2+6+2+5-443576247△29检查人员:年月日附表6山东省建设工程优良结构仪器检测评论打分表工程名称肥城建兴桃园之家7#楼结构/层数剪力墙/26建筑面积㎡施工单位山东泰安建筑工程企业有限公工程施工阶段填补墙砌筑司建设单位泰安市建兴房地产开发有限责监理单位肥城博远工程监理有限企业任企业序检查项目应得分检查评论实得分备注号不切合切合混凝土强度3*砖沙浆强度4*混1结钢筋保护层厚度3*构12现浇板厚度2分混混凝土强度5√5*凝土钢筋保护层厚度4√4*2结构现浇板厚度3√312分权重值:12分检仪器检测评论得分=12查结果检查人员:年月日注:表中备注栏内带*号的检查项目为“一票反对”项目,若不切合要求则不得评为市优良结构工程。
附件河北省创建优质结构工程质量评价表(初审)工程项目所在地:河北省唐山市凤凰新城工程项目名称:凤凰新城唐山工人医院项目申报单位:河北建设集团有限公司申报时间:河北省工程建设质量监督检测管理总站表1(初审)河北省创建优质结构工程计划目标书注:1.本表中项目经理及项目管理组成员姓名必须为本人签字。
2《创建优质结构工程施工方案》可另附文字材料。
表2(初审)河北省(唐山市)创建优质结构工程复查申请表申报单位(章)填报日期表3 (初审)优质结构工程质量管理及控制资料核查评价表注:1)资料完整、数据齐全并能满足设计及规范要求,真实、有效、内容填写正确,分类整理规范,审签手续完备的得标准分;2)资料完整、数据齐全并能满足设计及规范要求,真实、有效,整理基本规范,审签手续基本完备的得85%标准分;3)资料基本完整并能满足设计及规范要求,真实、有效、内容审签手续基本完备的70%标准分;4)资料不完整的项目得0分。
表4-1 (初审)注:凡实得分出现0分检查项时,工程不得评优。
表4-2 (初审)注:1、凡实得分出现0分项时,工程不得评优。
2、高强螺栓连接副紧固质量、涂装漆膜厚度检测点好的点按国家《建筑工程施工质量评价标准》(GB/T50375-2006)规定。
表5 (初审)施工现场质量保证条件评价表表6-1 (初审)优质结构工程实体质量实测实量检查记录表优质结构工程评价时, 应符合本表规定,且实测实量合格率≥90%,总合格率=各实测项目合格率的平均值。
表7 (初审)优质结构工程观感质量检查验收记录表注:1、观感质量得分率=其中评为好的项/检查项;在检查过程中,如发现差的项目,应按施工规范进行整改,整改完成后进行复查,如达到要求按一般评定,如仍达不到要求,不能参加结构评优; 2、观感质量好、一般、差评价参见河北省《建筑工程技术资料管理规定》解释与答疑。
表8(初审)成功是失败之母,一切都是努力的结果优质结构工程质量综合评定表页脚内容11表9 (初审) NO:唐山市创建优质结构工程审核登记表页脚内容12页脚内容13。
建设工程优质结构实体质量评审表工程名称:通世新城109#住宅楼项目检查内容检查方式评分标准评价备注一、混凝土工程1、柱梁板等构件砼外观实体抽测构件随机提取3处柱、2处梁进行实测,允许偏差这+8~-5mm,超出一处扣1分。
目测外形(表)平整度,垂直度,棱角随机抽取10个点,砼柱墙每层垂直度允许偏差为5mm,砼表面平整度允许偏差为8mm,超过一处扣1分;楼梯踏步不够平整,有缺棱掉角现象,或装饰预留未考虑,扣2分。
露筋、孔洞、夹渣发现即可否决。
蜂窝每梁柱上蜂窝一处不大于100cm2,累计不大于200cm2,超出否决;每墙板上蜂窝一处不大于200cm2,累计不大于400cm2,超出否决。
裂缝卫生间、屋面等有防水要求的部位不允许有裂缝;其他部位的裂缝应在规范许可的范围内,超出可以否决。
漏浆模板拼缝处,包括阴阳角等处有漏浆现象,发现一处扣1分。
爆模有一次性不大于1cm2爆模现象,扣1分;超过1cm2,否决。
2、施工缝设置正确、接缝平顺无夹渣施工缝位置不正确,发现一处扣2分。
3、强度实体抽测梁板各取一处测区实测不符合设计要求,否决。
资料检查所有标养试块、同条件养护试块进行数理统计1、检测报告上应明确标养和同养,有一处未标明扣1分;2、检查现场是否具备标养条件或将标养进行委托的资料,没有扣5分;3、同条件养护试块的台帐(成型日期、取样部位、养护日期温度记录、监理确认标记),没有扣3分,不全扣1分;4、数理统计不合格可以否决。
4、预留洞实体抽测中心位移和截面尺寸随机抽取3个点测量中心位移允许偏差:+10,超出否决;截面尺寸无偏差,超出否决。
5、预埋管(孔)实体抽测中心位移随机抽取3个点测量,中心位移允许偏差:+5,超出否决。
6、钢筋保护层资料检查检测机构出具的保护层厚度实测报告没有可否决二、砌体工程1、砌体目测砌筑方法正确,观感好。
清水墙、窗间墙无通缝。
混水墙中长度大于等于300mm的通缝不越过2处,且不得位于同一墙体上。
附件:河北省创立优质构造工程质量评价表工程项目所在地:工程项目名称:申报单位:申报时间:河北省工程建设质量监督检测管理总站表1河北省创立优质构造工程计划目旳书工程项目名称创优目旳工程所在地建筑面积(m2)工程造价机构类型/层数动工日期计划主体竣工日期项目经理总承包企业联络 /姓名职责姓名职责姓名职责姓名职责项目管理组组员名单姓名职责姓名职责总监理工程师监理单位联络 /项目负责人建设单位联络 /质量创优措施(拟采用旳新材料、新工艺、新技术等措施及《创立优质构造工程施工方案》):建设单位意见:建设单位(章)年月日监理单位意见:监理单位(章)年月日注:1.本表中项目经理及项目管理组组员姓名必须为本人签字。
2《创立优质构造工程施工方案》可另附文字材料。
表2河北省创立优质构造工程复查申请表申报单位(章)填报日期工程项目名称建筑面积(m2)构造类型/层数工程动工日期构造主体竣工日期总承包企业项目经理监理单位总监理工程师建设单位项目负责人勘察单位意见(章)年月日设计单位意见(章)年月日监理单位意见:年月日建设单位意见(章)年月日质量监督机构核查意见:核查人:年月日表3 优质构造工程质量管理及控制资料核查评价表工程名称施工单位项目技术负责人检查项资料名称应得分实得分备注1施工图会审、设计变更、洽商记录10 2施工组织设计(施工方案)及技术交底记录10 3工程定位测量、放线记录10 4地基验槽记录105原材料、半成品出厂质量证明文献及进场验收记录及复试汇报306预制构件构造性能检查汇报10 7建筑物沉降观测记录10 8钢筋连接性能试验汇报10 9隐蔽工程验收记录10 10砂浆、混凝土配合比告知及现场混凝土开盘鉴定记录10 11混凝土强度、抗渗试验汇报20 12砂浆强度试验汇报10 13大体积混凝土专题施工方案及控制记录10 14装配式构造预制构件合格证及进场验收记录10 15装配式构造预制构件吊装记录1016预应力构造用锚夹具、连接器合格证及进场验收记录、复验汇报1017预应力筋安装、张拉及灌浆记录10 18钢构造用钢材、焊条(剂)出厂合格证及进场复验汇报10 19焊工合格证10 20高强螺栓终拧扭矩、梅花头检查汇报20 21检查批、分项、分部(子分部)工程验收记录20合计核查得分率实得分核查得分率= ———— ×100%应得分施工单位:项目经理:年 月 日 监理(建设)单位核查意见:总监理工程师: (建设单位项目负责人):年 月日质量监督机构核查意见:核查人:年 月日注:1)资料完整、数据齐全并能满足设计及规范规定,真实、有效、内容填写对旳,分类整顿规范,审签手续完备旳得原则分;2)资料完整、数据齐全并能满足设计及规范规定,真实、有效,整顿基本规范,审签手续基本完备旳得85%原则分;3)资料基本完整并能满足设计及规范规定,真实、有效、内容审签手续基本完备旳70%原则分;4)资料不完整旳项目得0分。
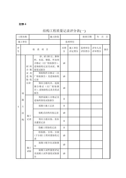
精品文档结构工程质量评价表(年度)申报类别:市结构优质奖□市结构丁香杯□工程名称(全称):申报单位(全称):地基与基础工程性能检测项目评分表1工程名称施工阶段检查日期年月日施工单位评价单位判定结果序号检查项目应得分实得分备注100%70%地基承载力1复合地基承载力60桩基单桩承载力及桩身质量检验2地下渗漏水检验203地基沉降观测20合计得分性能检测项目分值40 分应得分合计:实得分合计:地基与基础工程性能检测得分=实得分合计 / 应得分合计× 40=检查结果施工项目负责人:监理工程师:施工项目技术负责人:总监理工程师:年月日注: 1. 此套表格(表1- 表 9)由建设、施工、监理单位按照国家评优标准《建筑工程施工质量评价标准》(GB/T50375-2016)规定进行评价。
2. 按实际结构形式填写, 评价结果应符合《哈尔滨市建筑工程结构优质奖检查评价管理办法》(哈建协发【2017】6号)规定。
结构优质奖评分需达到85 分(含)以上90 分以下,结构丁香杯评分需达到90 分(含)以上。
地基与基础工程质量记录项目评分表2工程名称施工单位序号材料合格证、进1场验收记录及复试报告2施工施工阶段检查日期年月日评价单位判定结果检查项目应得分实得分备注100%70%钢筋、水泥、外加剂合格证、进场验收记录及复试报告,混凝土进场坍落度测试记录预制桩合格证及进场验收记30录、桩强度试验报告防水材料合格证、进场验收记录及复试报告地基处理、验槽、钎探施工记录30预制桩接头施工记录,打(压)桩及试桩施工记录记录灌注桩成孔、钢筋笼、混凝土灌注桩浇筑施工记录防水层施工记录及隐蔽工程验收记录有关地基材料配合比试验报告压实系数、桩体及桩间土干密度试验报告3施工钢筋连接试验报告试验40混凝土试件强度评定报告预制桩龄期及试件强度试验报告防水材料配合比试验报告合计得分权重值 40 分应得分合计:实得分合计:检地基及桩基工程质量记录得分=实得分 / 应得分× 40=查结果施工项目负责人:监理工程师:施工项目技术负责人:总监理工程师:年月日地基与基础工程允许偏差项目实测评分表3工程名称施工阶段检查日期年月日施工单位评价单位判定结果序号检查项目应得分实得分备注100%70%天然地基标高及基槽尺寸偏差180复合地基桩位偏差打 ( 压) 桩桩位偏差灌注桩桩位偏差2防水卷材、塑料板搭接宽度20偏差合计得分允许偏差项目分值10 分应得分合计:实得分合计:地基与基础工程允许偏差得分=实得分合计 / 应得分合计×10=核查结果施工项目负责人:监理工程师:施工项目技术负责人:总监理工程师:年月日地基与基础工程观感质量项目评分表4工程名称施工阶段检查日期年月日施工单位评价单位序判定结果检查项目应得分实得分备注号100%70%地基、复标高、表面平整、合地基边坡180桩头、桩顶标高、桩基场地平整表面质量、细部处2 地下防水理(施工缝、变形20缝、穿墙管、预埋件、孔口、坑池等)合计得分观感质量项目分值10 分应得分合计:实得分合计:地基与基础工程观感质量得分=实得分合计 / 应得分合计×10=检查结果施工项目负责人:监理工程师:施工项目技术负责人:总监理工程师:年月日主体结构工程性能检测项目评分表5工程名称施工阶段检查日期年月日施工单位评价单位序应得分判定结果实得分备注检测项目1 2 3检查结果精品文档混结构实体混凝土强度40凝土结构实体钢筋保护层厚度40结构结构实体位置与尺寸偏差20合计得分焊缝内部质量60钢高强度螺栓连接副紧固质量结防腐20构钢结构涂装20防火合计得分砌砂浆强度30体混凝土强度30结构砌体垂≤10m全高40直度>10m合计得分权重值 40 分应得分合计: 1.混凝土结构性能检测得分=实得分 / 应得分× 40=实得分合计: 2.钢结构结构性能检测得分=实得分 / 应得分× 40=3.砌体结构性能检测得分=实得分 / 应得分× 40=施工项目负责人:监理工程师:施工项目技术负责人:总监理工程师:年月日主体结构工程质量记录项目评分表6-1工程名称施工阶段检查日期年月日施工单位序号材料合格证、进场验收记录及复试报告施工记录混凝1土结构施工试验精品文档评价单位判定结果检测项目应得分实得分备注100%70%钢筋、混凝土拌合物合格证、进场坍落度测试记录、进场验收记录,钢筋复试报告,钢筋连接材料合格证及复试报告预制构件合格证、出厂检验报告30及进场验收记录预应力锚夹具、连接器合格证、出厂检验报告、进场验收记录及复试报告预拌混凝土进场工作性能测试记录混凝土施工记录装配式结构安装施工记录30预应力筋安装、张拉及灌浆封锚施工记录隐蔽工程验收记录混凝土配合比试验报告开盘鉴定报告混凝土试件强度试验报告及强度评定报告钢筋连接试验报告40无粘结预应力筋防水检测记录,预应力筋断丝检测记录装配式构件安装连接检验报告合计得分主体结构工程质量记录项目评分表6-2工程名称施工单位序号材料合格证、进场验收记录及复试报告钢施工2结记录构施工试验施工阶段检查日期年月日评价单位判定结果检测项目应得分实得分备注100%70%钢材、焊材、紧固连接件出厂合格证,进场验收记录,复试报告加工件出厂合格证( 出厂检验报告 ) 及进场验收记录30防火、防腐涂装材料出厂合格证、出厂检验报告、进场验收记录,耐火极限、涂层附着力试验报告焊接施工记录预拼装及构件吊装记录网架结构屋面施工记录30高强度螺栓连接副施工记录焊接外观及焊缝尺寸检查记录隐蔽工程验收记录高强度螺栓预拉力复验报告及螺栓最小荷载试验报告、高强度大六角头螺栓连接副扭矩系数复试报告、摩擦面抗滑移系数检验报告网架结构节点承载力试验记录40焊接工艺评定报告金属屋面系统抗风能力试验报合计得分主体结构工程质量记录项目评分表6-3工程名称施工阶段检查日期年月日施工单位评价单位序判定结果检测项目应得分实得分备注号100%70%材料合格证、水泥、砌块、预拌砌筑砂浆合格进场验证,进场验收记录;水泥、砌块30收记录复试报告及复试报告构造柱、圈梁施工记录砌施工砌筑砂浆使用施工记录30体记录3结构隐蔽工程验收记录砂浆、混凝土配合比试验报告施工砂浆、混凝土试件强度试验报告40试验及强度评定水平灰缝砂浆饱满度检测记录合计得分权重值 30 分应得分合计: 1. 混凝土结构质量记录得分 =实得分 / 应得分× 30= 实得分合计:2. 钢结构工程质量记录得分 =实得分 / 应得分× 30=3.砌体结构工程质量记录得分=实得分 / 应得分× 30=检 查 结 果施工项目负责人:监理工程师:施工项目技术负责人:总监理工程师:年月日主体结构工程允许偏差项目实测评分表7工程名称施工阶段 检查日期 年 月 日施工单位 评价单位序判定结果检测项目应得分实得分备注号100%70%轴线位置墙、柱、梁 8 ㎜40混 标高层高± 10 ㎜,全高± 30 ㎜凝H ≤300m土H/30000+20mm现 全高垂直度40混 浇 H >300m结凝H/10000 且≤ 80mm1构土8mm20表面平整度结构装 轴线位置柱、墙 8mm 40配 梁、板 5mm式 标高柱、梁、墙板、楼板底面± 5mm40结构构件搁置长度梁、板± 10mm20合计得分柱脚底座中心线对定位轴线偏移或支座锚栓偏移5mm 10 2钢 结 单层结构整体垂直度H/1000, 且≤ 25 ㎜25结构(H/2500 + 10), 且≤ 50 ㎜构多层结构整体垂直度尺寸主体结构整体平面弯曲 L/1500 ,且≤ 25 ㎜ 25钢总拼完成后挠度值≤ 1.15 倍设计值管40结屋面工程完成后挠度值≤ 1.15 倍设计值构合计得分砌轴线位移10 ㎜403体层高垂直度 5 ㎜40结构上下窗口偏移20mm20合计得分权重值 20 分应得分合计: 1.混凝土结构工程允许偏差得分=实得分 / 应得分× 20=实得分合计: 2.钢结构工程允许偏差得分=实得分 / 应得分× 20=检3.砌体结构工程允许偏差得分=实得分 / 应得分× 20=查结果施工项目负责人:监理工程师:施工项目技术负责人:总监理工程师:年月日工程名称施工单位序号混凝1土结构钢2结构主体结构工程观感质量项目评分表8施工阶段检查日期年月日评价单位检测项目判定结果实得分备注应得分100%70%露筋15蜂窝10孔洞10夹渣10疏松10裂缝15连接部位缺陷15外形缺陷10外表缺陷5合计得分焊缝外观质量10普通紧固件连接外观质量10高强度螺栓连接外观质量10主体钢结构构件表面质量10钢网架结构表面质量10普通涂层表面质量 15防火涂层表面质量 15压型金属板安装质量10钢平台、钢梯、钢栏杆安装外观质量10合计得分砌筑留槎 20过梁、压顶10砌 构造柱、圈梁1010体 砌体表面质量310结 网状配筋及位置构组合砌体及马牙槎拉结筋10预留孔洞、预埋件10细部质量20合计得分权重值 10 分 应得分合计: 1. 混凝土结构工程观感质量得分 =实得分 / 应得分× 10= 2. 钢结构工程观感质量得分 =实得分 / 应得分× 10=实得分合计:3. 砌体结构工程观感质量得分 =实得分 / 应得分× 10=检 查结 施工项目负责人: 监理工程师:果施工项目技术负责人: 总监理工程师:年月日结构工程核查评分汇总表 9分部工程项目地基基础工程主体结构工程(权重40%)备注(权重 10%)评价项目混凝土结构砌体结构钢结构性能检测 工 质量记录程 允许偏差评价 观感质量情 小计 况合计∑结 =各部位权重值实得分A=地基基础评分 x0.1= B=主体结构工程评分 x0.4=结构工程质量评价结果项目名称:建设单位勘察单位施工单位设计单位监理单位工程概况工程评价评价结论1.综合评价得分: Ps=( A+B)/0.5=2.综合评价结果:市结构优质奖□市结构丁香杯□建设单位意见施工单位意见监理单位意见项目负责人:项目负责人:总监理工程师:(公章)(公章)(公章)年月日年月日年月日注: 1. 此表格由建设、施工、监理单位按照国家评优标准《建筑工程施工质量评价标准》(GB/T50375-2016)规定进行评价。
优质结构工程质量评价表目录说明----------------------------------------------------------------------------------------------- 3 优质结构工程质量评价表-------------------------------------------------------------------- 5 混凝土现浇结构实体质量实测实量检查表 ------------------------------ 6 砌体结构实体质量实测实量检查表 ----------------------------------------- 7 优质结构工程质量控制资料核查表 ------------------------------------ 8 优质结构工程观感质量检查表----------------------------------------------------------------- 9 附录:建筑新技术目录 ----------------------------------------------- 10附录:上海市建筑工程优质结构评审办法的若干补充规定(试行) --------- 11说明1、单位(子单位)工程、分部工程(子分部工程)、分项工程、分项工程检验批的划分应符合《建筑工程施工质量验收统一标准》(GB50300-2001)的规定及设计要求。
2、分项工程检验批的优质标准(1)主控项目的质量符合设计要求和现行国家验收规范要求。
(2)一般项目按现行验收规范要求应全数检查的项目和本标准规定的项目应100%符合要求,现行验收规范要求抽样检查的允许偏差一般项目应有90%以上(含90%)的检查点(处)符合质量验收规范规定允许偏差的要求,其它检查点(处)不得有影响使用功能的缺陷,测点最大偏差值不得大于允许偏差值的1.5倍并不得大于国家现行验收规范的规定。
优质结构工程质量评价表
目录
说明----------------------------------------------------------------------------------------------- 3
优质结构工程质量评价表-------------------------------------------------------------------- 5
混凝土现浇结构实体质量实测实量检查表 ------------------------------ 6
砌体结构实体质量实测实量检查表 ----------------------------------------- 7
优质结构工程质量控制资料核查表 ------------------------------------ 8
优质结构工程观感质量检查表
----------------------------------------------------------------- 9
附录: 建筑新技术目录 ----------------------------------------------- 10
附录: 上海市建筑工程优质结构评审办法的若干补充规定( 试行) --------- 11
说明
1、单位( 子单位) 工程、分部工程( 子分部工程) 、分项工程、分项工程检验批的划分应符合《建筑工程施工质量验收统一标准》( GB50300- ) 的规定及设计要求。
2、分项工程检验批的优质标准
( 1) 主控项目的质量符合设计要求和现行国家验收规范要求。
( 2) 一般项目按现行验收规范要求应全数检查的项目和本标准规定的项目应100%符合要求, 现行验收规范要求抽样检查的允许偏差一般项目应有90%以上( 含90%) 的检查点( 处) 符合质量验收规范规定允许偏差的要求, 其它检查点( 处) 不得有影响使用功能的缺陷, 测点最大偏差值不得大于允许偏差值的1.5倍并不得大于国家现行验收规范的规定。
3、结构工程的优质标准
( 1) 责任主体的行为符合国家和地方有关规定。
( 2) 所含分部工程( 地基与基础、主体均应符合施工质量验收规范的规定。
( 3) 质量控制资料应完整。
( 4) 观感质量综合评定为”好”。
( 5) 综合评分90分。
4.优质结构工程不能出现下列问题:
( 1) 使用国家和地方明文规定淘汰的建筑材料及设备、构配件的工程不得评为优质结构工程。
①框架结构及高层建筑墙体禁止使用粘土实心砖, 内隔填充墙体禁止使用空洞率
底于35%的非承重空心砖。
②各类建筑±0.000以上墙体禁止使用粘土实心砖做为砌体。
③建筑外墙禁止使用( 建筑内墙限制使用) 水泥炉渣三排孔空心砌块。
④禁止使用氯盐类、高碱类混凝土外加剂。
( 2) 混凝土标养强度、混凝土结构实体强度、砂浆强度评定不合格。
( 3) 将质量不合格或产品等级不合要求的砌体材料用于砌体工程, 或将有裂缝的砌块面砌于外墙的墙面。
( 4) 按要求应设置窗台反圈梁而未设置。
( 5) 发现厨房、卫生间止水带砼( 砼导墙) 遗漏或高度≤200mm的。
( 6) 墙身或钢筋砼梁、板、柱出现荷载裂缝。
( 7) 发现表箱洞口(宽度≥30公分)上部未设钢筋砼过梁五处以上。
( 8) 砌体: 砌筑中, 清水墙、窗间墙通缝的; 混水墙中长度≥300mm的通缝每间超过2处的; 外墙留直槎、透亮、构造柱无马牙槎的; 门窗、施工洞、脚手洞、表箱留洞堵洞一处不符合要求的; 外墙面有裂缝的块材超过6处; 混凝土空心小砌块承重墙体使用断裂小砌块; 混砌超过3处; 承重墙转角或混凝土小砌块承重墙留直搓; 错缝 ; 通缝超过 6 处; 拉结筋长度不足或竖向间距正偏差超过 10cm或拉结筋被拔出或自由转动累计超过 6 处 ; 水平、竖向灰缝厚( 宽) 度小于 5mm ( 粘结剂砌筑时为 2 mm ) 的瞎缝, 透亮缝、假缝, 累计超过 10 处 ; 梁( 板) 下嵌缝不严密、厚度超过 5cm 或小于 2cm , 填充墙底部处理不符要求1 .累计超过 10 处。
砌体因干缩、支模、开槽、振捣混凝土等造成砌体裂缝或填充墙周边开裂, 累计超过 6 处。
( 9) 对应力集中部位的墙身段( 如, 墙体大角处、纵横墙交汇处、门窗洞口两侧) 应使用整砖而未使用超过五处以上的。
( 10) 发现门窗洞口木砖或水泥砖埋设不规范五处以上的。
( 11) 拉结筋留置间距偏差超过一皮砖五处以上的、或发现阳台栏板拉结筋及压顶钢筋未预先埋入构造柱中五处以上的。
( 12) 框架柱与填充墙之间的拉结筋未按设计规范施工五处以上或拉结筋采用膨胀螺丝生根的。
( 13) 混凝土结构露筋: ①非主筋外露超过 6 处 ; ②主筋露筋
( 14) 蜂窝 : 混凝土表面无水泥浆, 露出石子深度大于 5mm 而未超过保护层厚度的缺陷, 面积超过 200cm , 累计超过 6 处
( 15) 孔洞①孔穴深度超过保护层厚度, 但不超过截面尺寸 1/3 的孔洞超过 3 处 , ②任一处孔洞深度超过截面尺寸 1/3
( 16) 缝隙夹渣层 : ①施工缝处有缝隙或夹渣层深度超过保护层厚度、长度超过 2cm 缝隙、夹渣层超过 3 处。
②柱、梁上任一处缝隙、夹渣层深度或长度超过 5cm ; 墙、板等构件上任一处缝隙、夹渣层深度超过 5cm 或长度超过 20cm 。
( 17) 裂缝超过 6 处或设计不允许有裂缝的结构构件出现裂缝。
( 18) 缺棱掉角, 线角不直, 缺陷超过 10 处; 构件表面麻面、掉皮、起砂面积超过0.5m2缺陷超过 10 处 ;
( 19) 构件连接部位、预留孔洞、预埋件的尺寸不准、偏位、变形等累计超过 6 处( 20) 批嵌面积大于 200 CM2; 剁凿、打磨面积大于 600CM2累计超过 10 处; 批嵌面一处超过 1M2或剁凿、打磨面一处超过 2 M2 。
( 21) 楼面层高及混凝土结构轴线位置、混凝土结构每层垂直度实测偏差大于允许偏差1.5倍。
( 22) 变形缝设置不当或未按图施工的或积垃圾的。
( 23) Ⅰ级防水等级的地下工程, 有渗水, 结构表面有湿渍。
( 24) 地下防水工程的混凝土结构有明显裂缝, 裂缝宽度大于0.2mm, 有渗水。
( 25) 单桩承载力检测达不到设计要求。
( 26) 混凝土小砌块、多孔砖、空心砖墙体表面凿留水平槽。
优质结构工程质量评价表表1
注: 优质结构工程的综合评分应≥90分。
检查人员: 得分总计: 检查日期:
混凝土现浇结构实体质量实测实量检查表
表2.1。