石油化工企业安全检查表
- 格式:pdf
- 大小:97.09 KB
- 文档页数:5
石油化工工艺安全检查表
石油化工设备安全检查表
表03-2:
表03-3:石油化工生产装置安全检查表
表03-4:石油化工安全管理基础工作安全检查表
表03-5:石油化工装置检修现场安全检查表
表03-6:石油化工储运系统安全检查表
表03-7:石油化工仪表安全检查表
表03-8:石油化工变配电系统安全检查表
表03-9:化工生产区域现场安全检查表
表03-10:加油站重点部位安全检查表
表03-11:工业气体充装企业安全检查表
表03-12:空压站安全检查表
表03-13:易燃、易爆场所安全检查表
表03-14:油漆油墨类危化品生产企业安全检查表
表03-15:重大危险源罐区监控装备安全检查表
表03-16:酸碱储存现场安全检查表。
化工行业通用安全检查表1. 简介化工行业是一个高风险的行业,涉及到各种化学物品的生产、储存和处理。
为了保障工作场所的安全,必须定期进行安全检查。
本文档旨在提供一个通用的安全检查表,以帮助化工企业进行全面的安全检查,确保工人和环境的安全。
2. 安全检查内容2.1. 工作场所安全检查•[ ] 确保所有逃生通道和出口通畅,并有明确的标识。
•[ ] 安装并保持有效的紧急照明和报警设备。
•[ ] 检查并清理化学品泄漏和溢出物。
•[ ] 确保所有电气设备和线路符合安全标准。
•[ ] 检查并保养压力容器和管道系统。
•[ ] 验证和更新消防设备和系统。
•[ ] 确保设施内的温度、湿度和通风符合安全要求。
2.2. 操作安全检查•[ ] 提供并推广安全操作流程和程序。
•[ ] 确保员工接受适当的培训,并持有相关证书。
•[ ] 检查并维护所有生产设备和机器的安全性能。
•[ ] 验证并更新化学品储存和处理的安全操作指南。
•[ ] 实施清洁程序和卫生要求。
•[ ] 确保操作人员佩戴适当的个人防护装备。
•[ ] 检查并保养危险废物处理设备和系统。
2.3. 应急响应检查•[ ] 确保设施内的紧急联系人和电话号码清单的准确性和完整性。
•[ ] 组织和实施紧急演练和撤离程序。
•[ ] 提供适当的急救设备,并确保员工知晓其位置和使用方法。
•[ ] 检查并保养应急喷淋装置、毒气报警和洗眼器等设备。
•[ ] 确定和标识紧急出口和避难场所。
3. 检查步骤1.填写检查日期和检查人员信息。
2.按照检查内容逐项进行检查,并记录检查结果。
3.对于存在问题的项,记录问题描述并建议相应的改进措施。
4.根据检查结果和改进措施,制定并执行修复计划。
5.定期复查检查结果并追踪问题的解决情况。
4. 注意事项•所有检查人员必须具备相关的化学品安全知识和培训。
•检查过程中,确保与工作人员沟通,并记录发现的问题和意见。
•对于需要立即处理的安全问题,立即采取措施解决。
化工行业安全检查表1. 引言化工行业是一个高危行业,涉及到很多危险品和危险工艺。
为了确保化工企业安全稳定地运营,化工企业需要定期进行安全检查。
本文档旨在提供一个标准的化工行业安全检查表,用于化工企业进行自我检查和评估,及时发现并解决潜在的安全隐患,确保员工和设施的安全。
2. 安全管理•[ ] 2.1. 是否建立了完善的安全管理制度和工作规程,并且能够有效地推行和执行?•[ ] 2.2. 是否制定了安全培训和教育计划,确保员工对相关安全规程和操作流程的理解和掌握?•[ ] 2.3. 是否建立了健全的事故报告和处置机制,能够及时处理各类安全事故和突发事件?•[ ] 2.4. 是否建立了紧急救援预案和演练计划,并且能够随时应对各类紧急情况?3. 设备安全•[ ] 3.1. 是否进行了设备的全面检查和维护,包括安全阀、压力表、温度计等关键部件的功能和性能?•[ ] 3.2. 是否定期对设备进行校准和检测,确保其可靠性和准确性?•[ ] 3.3. 是否制定了设备操作规程,并且对操作人员进行了培训和考核?•[ ] 3.4. 是否对设备进行了防火、防爆等特殊安全措施的设计和实施?•[ ] 3.5. 是否建立了设备维修和更换制度,及时修复或更换老化和损坏的设备?4. 储存与运输安全•[ ] 4.1. 是否建立了储存物品的分类和分区管理制度,对不同类别的化学品进行单独储存?•[ ] 4.2. 是否定期检查储存区域,确保存放的化学品符合相关安全要求,并进行标识和分类?•[ ] 4.3. 是否对储存区域进行了防火、防爆等安全措施的实施和检查?•[ ] 4.4. 是否对化学品的运输过程进行了安全筹划和管理,包括选择合适的运输工具和包装方法?•[ ] 4.5. 是否建立了应急响应机制,能够及时应对储存和运输中出现的问题和事故?5. 环境保护•[ ] 5.1. 是否制定了污染物排放的限值标准和监测措施,并进行了定期的检测和报告?•[ ] 5.2. 是否建立了废物分类和管理制度,能够有效地进行废物的收集、储存和处理?•[ ] 5.3. 是否对环境保护设施进行了维护和检查,确保其正常运行和有效性?•[ ] 5.4. 是否建立了环境管理责任制,明确各级管理人员的环境保护责任和任务?6. 特种作业安全•[ ] 6.1. 是否对特种作业人员进行了专门的培训和考核,确保其具备相关操作技能和安全意识?•[ ] 6.2. 是否制定了特种作业操作规程,并且能够进行有效的监督和管理?•[ ] 6.3. 是否配备了必要的特种作业装备和防护用品,确保特种作业人员的安全和健康?•[ ] 6.4. 是否制定了特种作业的安全标准和控制措施,避免事故和伤害的发生?7. 周边环境安全•[ ] 7.1. 是否对企业周边的环境进行了评估和风险分析,建立了周边环境安全管理制度?•[ ] 7.2. 是否投入足够的资源,进行环境保护和污染治理工作,减少对周边环境的影响?•[ ] 7.3. 是否与周边居民和单位建立了良好的沟通和协作机制,共同维护周边环境的安全和稳定?•[ ] 7.4. 是否建立了应急预案和演练计划,能够及时应对周边环境事故和突发事件?8. 总结化工行业安全检查表是一个化工企业进行自我检查和评估的重要工具,通过对各项安全管理方面的检查和评估,能够及时发现并解决潜在的安全隐患,确保员工和设施的安全。
1.2.3.4.5. 在生产或者使用可燃气体及有毒气体的生产设施及储运设施的区域内,泄漏气体中可燃气体浓度可能达到报警设定值时,应设置可燃气体探测器;泄涌气体中有毒气体浓度可能达到报警设定值时,应设置有毒气体探测器;既属于可燃气体又属于有毒气体的单组分气体介质,应设有毒气体探测器;可燃气体与有毒气体同时存在的多组分混合气体,泄漏时可燃气体浓度和有毒气体浓度有可能同时达到报警设定值,应分别设置可燃气体探测器和有毒气体探测器。
可燃气体和有毒气体的检测报警应采用两级报警。
同级别的有毒气体和可燃气体同时报警时,有毒气体的报警级别应优先。
可燃气体和有毒气体检测报警信号应送至有人值守的现场控制室、中心控制室等进行显示报警;可燃气体二级报警信号、可燃气体和有毒气体检测报警系统报警控制单元的故障信号应送至消防控制室。
控制室操作区应设置可燃气体和有毒气体声、光报警;现场区域警报器宜根据装置占地的面积、设备及建构筑物的布置、释放源的理化性质和现场空气流动特点进行设置,现场区域警报器应有声、光报警功能。
可燃气体探测器必须取得国家指定机构或者其授权检验单位的计量器具型式批准证书、防爆合格证和消防产品型式检验报告;参预消防联动的报警控制单元应采用按专用可燃气体报警控制器产品标准创造并取得检测报告的专用可燃气体报警控制器;国家法规有要求的有毒气体探测器必须取得国GB/T50493-2022 第3.0.1 条GB/T50493-2022 第3.0.2 条GB/T50493-2022 第3.0.3 条GB/T50493-2022 第3.0.4 条GB/T50493-2022 第3.0.5 条6.7.8.9.10.11.12.13. 攒器具型式批准证书。
安装在爆炸危险场所的有详气体探测器还应取得国家指定机构或者其授权检验单位的防爆合格证。
需要设置可燃气体、有毒气体探测器的场所,宜采用固定式探测器;需要暂时检测可燃气体、有毒气体的场所,宜配备挪移式气体探测器。
加油站季度安全生产检查表加油站季度安全生产检查表一、检查目的加油站作为一个涉及石油化工品的企业,安全生产是保障员工和客户生命财产安全的重要工作。
本检查表旨在对加油站的安全生产情况进行全面检查,发现问题并及时进行整改,确保加油站的安全运营。
二、检查内容1. 设备检查1.1 油罐、油枪、油泵、油管等加油设备是否完好无损,有无漏油、漏气等情况。
1.2 液化石油气罐、管道等设备是否符合安全规范,有无泄漏、管道阻塞等情况。
1.3 消防设备是否可用,灭火器、消防栓是否定期保养维修。
1.4 油气回收系统是否正常运行,有无异常泄漏等情况。
2. 工作人员培训与备案2.1 工作人员是否参加过安全培训,是否具备相关岗位的操作技能。
2.2 是否建立了工作人员的安全技能培训档案,档案内容是否齐全。
3. 应急预案与演练3.1 是否制定了加油站的应急预案,内容是否齐全、合理。
3.2 是否进行了应急演练,演练的频率和内容是否符合要求,是否记录了演练情况。
4. 安全制度执行4.1 加油站是否建立了安全生产制度,内容是否完善、合理。
4.2 制度的执行情况如何,是否存在违章违规行为。
5. 环境卫生与消防安全5.1 加油站周围是否存在易燃易爆物品,是否存在消防隐患。
5.2 加油站周围是否保持干净整洁,是否存在垃圾堆放等问题。
6. 客户服务与安全提示6.1 加油站是否设有合理的客户服务区域,服务员是否热情周到。
6.2 是否设有安全提示标志,并进行有效宣传,提醒客户注意安全事项。
7. 审查和整改情况7.1 上次安全生产检查的整改情况。
7.2 本次检查发现的问题是否及时整改,整改情况如何。
三、检查方法1. 定期巡查检查人员定期对加油站的各项设备、场所进行巡查,查看是否存在异常情况。
2. 抽查检查随机抽查加油站的部分工作人员,核实其参加过的安全培训情况和安全技能情况。
3. 检查记录检查人员应制作详细的检查记录,包括检查时间、地点、检查内容、发现问题等。
化工企业节前安全检查表一、设备设施安全1. 设备运行情况:检查各类设备是否正常运转,有无异常声音、泄漏、振动等。
2. 阀门状态:确保阀门开关灵活,无泄漏、卡涩等现象。
3. 压力容器:检查压力容器压力是否正常,有无异常声音、泄漏等现象。
4. 管道系统:检查管道连接处是否紧固,有无泄漏、腐蚀等现象。
5. 电气设备:检查电气设备是否正常工作,有无过热、短路、接地不良等现象。
6. 安全附件:检查安全附件是否完好、准确,如压力表、温度计、液位计等。
二、消防安全1. 消防设施:检查消防设施是否完好,如灭火器、消防栓、烟雾探测器等。
2. 消防通道:确保消防通道畅通无阻,无杂物堆放。
3. 应急预案:检查应急预案是否完善,员工是否熟悉应急疏散流程。
三、作业安全1. 操作规程:检查操作规程是否完善,员工是否熟悉操作规程。
2. 劳保用品:检查员工是否正确佩戴劳保用品,如防护眼镜、手套、耳塞等。
3. 作业环境:检查作业环境是否符合安全要求,如照明、通风等。
4. 危险作业:对于高处作业、动火作业等危险作业,检查相关审批手续和安全措施是否完备。
四、危险化学品管理1. 储存管理:检查危险化学品储存是否符合规范,如分类存放、标识清晰等。
2. 运输管理:检查危险化学品运输是否符合规范,如车辆资质、押运人员等。
3. 使用管理:检查危险化学品使用是否符合规范,如操作规程、废弃物处理等。
4. 应急处理:检查危险化学品泄漏、火灾等事故应急处理措施是否完备。
五、其他安全事项1. 卫生状况:检查生产现场卫生状况,防止因卫生问题引发的安全事故。
2. 安全标识:检查现场安全标识是否齐全、清晰,便于员工识别。
3. 安全培训:检查员工安全培训记录,确保员工接受过必要的安全培训。
化工行业通用安全检查表范本一、安全管理制度方面1. 安全生产责任制是否明确,责任人是否明确、到位并做好履职?2. 安全管理人员是否具备相应的资质和经验?3. 是否建立了健全的安全管理制度和规章制度,是否能够有效地指导和管理生产活动?4. 是否制定了各类应急预案,是否进行过演练和评估?二、生产设备方面1. 生产设备是否经过定期的检修和维护,是否具备必要的安全设备?2. 生产设备操作人员是否进行过专业的培训,是否熟悉使用操作规程?3. 生产设备是否有定期的检查记录和维护保养记录?三、物料储存和使用方面1. 物料储存区域是否符合相关标准和规范,是否有防火、防爆等安全设施?2. 物料的储存方式是否合理,是否有分类储存和划定储存区域?3. 物料的使用是否按照安全规程进行,是否有防护装置和设施?4. 是否进行过危险化学品的分类、标识和包装?四、作业环境方面1. 作业场所是否保持整洁、干燥,并具备必要的通风和照明设施?2. 是否定期进行作业场所的安全巡查,是否及时处理安全隐患?3. 是否对作业人员进行安全教育和培训,是否提供必要的个人防护用具?五、火灾防控方面1. 是否制定了消防安全管理制度和消防预案,是否定期进行演练和检查?2. 是否配置有必要的消防设备和器材,是否定期检查和维护?3. 是否进行了火灾隐患排查,是否对潜在的火灾隐患采取了措施?六、职业卫生方面1. 是否制定了职业卫生管理制度和相关操作规程,是否进行了监测和评估?2. 是否对职工进行了职业卫生培训,是否提供了必要的个人防护用具?3. 是否进行了职业病危害因素的排查和控制,是否制定了相关措施?七、事故应急方面1. 是否建立了事故应急救援组织体系,是否进行了应急演练和评估?2. 是否配备了必要的应急救援装备和器材,是否进行了定期维护和检查?3. 是否制定了事故应急预案和处理流程,是否进行了培训和熟悉运用?以上是化工行业通用安全检查表的范本,以供参考。
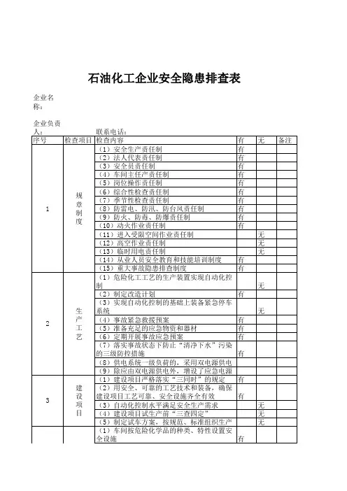
石油化工企业安全检查表
企业名称:检查人员:日期:2015年月日
检查要求
检查内容
检查标准
检查情况
备注
石油化工企业安全隐患专项排查整治
危险化学品安全生产相关法律法规和规章标准的落实情况。
《安全生产法》等相关法律法规的宣贯情况以及企业主要负责人、分管负责人、安全管理人员、全体员工对《化工(危险化学品)企业保障生产安全十条规定》(国家安全监管总局令第64号)的掌握落实情况。
企业安全生产责任体系“五落实五到位”情况。
“五落实五到位”规定挂图,是否按要求悬挂张贴在宣传栏、警示栏、公告(公示)栏、会议室、培训室、车间或其他办公、工作场所的显著、醒目位置。
企业和单位领导班子安全生产责任制,是否按照《安全生产法》的要求进一步修改、明确主要负责人和分管负责人的安全生产责任制,职责是否存在交叉、不清的情况,是否做到了一岗一责,安全生产责任制落实情况是否纳入了日常考核。
安全生产管理制度制定和落实情况,特别是动火、进入受限空间、检维修等作业环节安全管理情况。
1、重点是安全管理规章制度定期修订完善情况,动火、进入受限空间等特殊作业环节的风
险辨识、票证审批、安全措施的落实等情况。
2、省安监局《关于进一步加强危险化学品企业安全生产工作的通知》(鲁安监发[2015]53号)提出的检维修以及动火、进入受限空间等特殊作业环节的安全管理8条硬措施落实情况。
3、市安监局关于主要负责人组织检查审批票证的要求。
安全管理人员配置和教育培训情况。
重点是是否配置专职安全管理人员。
安全管理人员专业素质和培训取证情况(取证情况不再作为强制项,但应当检查资格证书上2014年的培训情况),培训是否存在走过场的现象等。
规划设计总图布置合理规范,安全风险可控情况。
建设项目是否经过审批。
周边的安全距离与法规、标准规范的符合性情况,企业内部各装置、罐区之间是否存在距离不足、布局不合理的情况。
是否开展了全面的风险评估以及风险的管控情况。
项目工程建设期是否在设计、采购、施工等方面留下隐蔽性事故隐患。
执行《国家安全监管总局住房城乡建设部关于进一步加强危险化学品建设项目安全设计管理的通知》(安监总管三〔2013〕76号)情况。
设计单位的资质情况。
采购物资入库检验等相关制度的执行情况。
施工过程中隐蔽性工程的验收情况。
投料开工前的“三查四定”(三查:查设计漏项、查工程质量、查工程隐患;四定:整改工作定任务、定人员、定时间、定措施)情况及存在问题的整改情况等。
按照《危险化学品企业事故隐患排查治理实施导则》(安监总管三〔2012〕103号)开展隐患排查治理工作情况。
是否按照《导则》制定相关的安全检查表。
是否开展安全检查。
工艺运行和工艺纪律执行情况,巡回检查等制度落实情况。
工艺操作规程的修订及执行情况。
工艺指标的控制情况(随机查看2天的操作记录,查看是否有工艺超标情况)。
日常巡检是否存在走过场、应付检查等情况。
装置停、开工的安全条件确认和风险防控措施落实情况。
是否制定装置停、开工的安全条件确认制度。
是否逐项进行安全条件的确认,是否对装置停、开工进行了全面的风险识别。
操作人员是否清楚存在的安全风险以及应采取的措施等。
重大机组、压力容器和压力管道等关键装置和部件的选型、材质与相关标准规范的符合情况及定期检测情况。
重大机组、压力容器和压力管道等关键装置和部件的选型、材质与相关标准规范的符合情况及定期检测情况。
安全设施的完好与运行情况。
可燃和有毒有害气体泄漏报警系统投用运行情况。
操作人员对检测报警系统的了解和掌握情况
紧急停车系统和联锁等系统的有效投用情况
现场视频监控设备的完好情况。
对重大危险源尤其是化学品罐区采取安全管理措施情况。
重大危险源是否配备了压力、液位、流量、组份等信息的不间断采集和监测系统以及可燃和有毒有害气体泄漏检测报警装置。
一级或者二级重大危险源是否具备紧急停车功能。
化学品罐区是否实现了单罐单堤(隔堤)的要求。
变更管理情况。
发生变更时是否进行了风险分析并制定了有效的防范措施,变更程序的履行情况等。
承包商管理情况。
对承包商的资质和安全生产业绩的审核情况。
承包商入厂前的安全教育情况以及对承包商的现场监督检查情况。
事故应急预案制定和演练情况,应急救援器材、设备、物资配备使用情况。
事故应急预案制定和演练情况。
应急救援器材、设备、物资配备使用情况。
吸取同行业事故教训及整改措施落实情况。
福建漳州“4.6”爆炸事故和扬子石化“4.21”火灾爆炸事故。
采取的安全措施。
2013年石油化工企业、石油库和油气装卸码头安全专项检查查出问题和隐患的整改及长效机制建立情况。
2013年石油化工企业、石油库和油气装卸码头安全专项检查查出问题和隐患的整改及长效机制建立情况。