级配碎石指导书
- 格式:docx
- 大小:53.83 KB
- 文档页数:13
四川路桥成都二绕西段项目LM1合同段水泥稳定碎石路面测量控制作业指导书级配碎石垫层测量控制作业指导书
1、目的
保证在测量控制过程中按正确方法操作,从而达到保证质量的要求。
2、适用范围
适用于内威荣高速公路项目LM1合同段级配碎石垫层测量控制。
3、措施与方法
3.1 认真负责,一丝不苟。
3.2 恢复每10米中桩及边桩。
3.3 前场技术人员严格按相应级配碎石垫层试验路得出的松铺系数进行精确测量控制,确保标高控制准确。
3.4 根据施工图设计宽度,准确放线,并用灰线标定平地机铺筑宽度。
第1页共1页。
级配碎石场拌生产作业指导书1.适用范围适用京沈京冀客专基床表层、过渡段基床表层及以下级配碎石场拌作业。
2.作业准备2.1内业技术准备组织技术人员认真学习、领会实施性施工组织设计,阅读、审核、新建铁路北京至沈阳铁路客运专线施工图,澄清有关技术要求问题,熟悉规范和技术标准。
对参加施工人员进行基床表层、过渡段基床表层及以下级配碎石场拌施工技术交底、安全交底,告知危险源以及相应的应急措施,并进行岗前技术、安全培训,安质员考核合格后持证上岗。
2.2外业技术准备2.2.1施工作业层中所涉及的各种外部技术数据收集,对所选择的填料进行核对确认并经试验鉴定,使其能够确保路基级配碎石的质量检测、压实标准等指标达到设计要求。
2.2.2已完成现场踏勘,对妨碍施工和安全操作有影响的既有架空管线、地下管线等设施,已采取清除、改移、保护措施妥善处理。
2.2.3施工便道已完成,能满足各种施工机械的通行、施工的条件。
3.技术要求3.1级配碎石生产料源直接采购不同规格粒径的碎石及石屑粉,不得有强风化材料或泥块。
3.2级配碎石粒径、级配须符合规范要求。
3.3级配碎石施工前须进行室内试验确定配合比。
3.4级配碎石大面积施工前须进行现场碾压工艺试验,确定工艺参数,并报监理单位审批。
3.5场内要备足相应规格材料并分类堆放。
储存集料时用装载机及时转运,分层堆放,防止形成自然坡角的料堆,避免颗粒发生离析。
4.施工程序与工艺流程4.1施工程序每盘料的拌和为一个完整的作业过程,包括材料准备-计量配料-加水拌和-检验-出料。
4.2级配碎石场拌施工工艺流程见图1级配碎石场拌施工工艺流程图图1 级配碎石场拌施工工艺流程图5.施工要求5.1级配碎石的拌合全部在拌和场集中场拌。
碎石与石屑由装载机进料,铲斗铲料时离地面20cm左右。
拌和过程中始终保持料仓内有石料,不得中途停料。
料仓贮满料后,立即开动拌和机上料搅拌。
上料、拌和、卸料均由一名控制员进行控制操作拌。
公路工程水泥稳定碎石配合比设计作业指导书无机结合料稳定材料组成设计包括以下步骤:1、原材料试验;2、目标配合比设计;3、生产配合比设计;4、施工参数确定。
一、原材料试验1、本配合比使用的原材料如下:(1)粗集料:15~25mm、10~20mm、5~10mm碎石,产地***。
(2)细集料:0~5mm石屑,产地***。
(3)水泥:P.O42.5水泥,厂家****水泥有限公司。
条款规定:《公路路面基层施工技术细则实施手册》JTG F20-2015 附录B.2.1条,按照2倍标准差的标准确定级配的上下限控制范围,每档材料需要不少于8次的矿料筛分。
2、筛分结果统计平均筛分曲线及变异系数,按2倍标准差计算各档材料筛分级配的波动范围如下表1~4。
表1:15~25mm碎石筛分结果统计表2:10~20mm碎石筛分结果统计表3:5~10mm碎石筛分结果统计表4:0~5mm石屑筛分结果统计二、目标配合比设计1、选择级配范围(采用细则P19中C-B-3级配)。
2、以集料筛分平均结果构造4条合成级配曲线。
表5:集料组成比例表《公路路面基层施工技术细则实施手册》JTG F20-2015 第4.6.7条,特征曲线一般有三条,上限曲线、下限曲线和中线曲线。
表6:合成级配表3、根据JTG/T F20-2015《公路路面基层施工技术细则》中表4.6.4所推荐的5个水泥剂量,对上述4条级配曲线分别进行击实试验,得到共20组最大干密度及最佳含水率,结果见表7。
4、以2.2.3步骤所得到的20组最大干密度及最佳含水率分别成型标准无侧限抗压强度试件,经试验得到对应的7d无侧限抗压强度,结果见表7。
5、根据上述试验结果,考虑设计强度要求与经济合理问题后,确定目标级配为3号级配曲线,其相应矿料组成为(15~25)mm碎石:(10~20)mm碎石:(5~10)mm碎石:石屑=34:22:17:27;同时确定最佳水泥剂量为3.0%,最大干密度2.220g/cm³,最佳含水率5.6%。
中国中铁股份有限公司遵义市正安县国省干线工程项目经理部级配碎石作业指导书编制:复核:审核:2017 年 3 月 5 日级配碎石(路拌法)作业指导书一、目的明确级配碎石填筑作业的工艺流程、操作要点和相应的工艺标准,指导、规范级配碎石现场施工。
二、编制依据1、《公路工程质量检验评定标准》(JTGF80/1-2004)2、《公路路面基层施工工艺规范》(JTG034/2000)3、《公路工程施工安全技术规程》(JTG076/95)4、《公路工程施工工艺标准》FHEC-LM-19-1-20075、《公路土工试验规程》(JTG E40-2007)6、本项目《两阶段施工设计图》、我公司相关工程施工技术经验。
三、使用范围S102青龙水至谢坝、S303市坪至谢坝国省干线改扩建工程级配碎石施工。
线路总体线宽8.5m,含左右路边石各0.4m,含路面铺设宽度7.7m;青龙水至谢坝k0+700-k1+000地段总体线宽10m,含左右路边石各0.4m,含路面铺设宽度9.2m。
路边石内侧区域铺设级配碎石底基层,新建道路级配碎石底基层厚度18cm,老路改建段级配碎石底基层厚度30cm。
四、材料要求级配碎石可作为高速公路、二级公路的底基层使用,本项目采用级配碎石做道路底基层。
级配碎石含沙子40%,含碎石(5-16mm)30%,含碎石(16-31.5mm)30% ,对应最大干密度2.48t/m3,最佳含水量5% 。
五、作业条件1、施工人员熟悉图纸及现场施工情况,上路床按照《公路工程质量检验评定标准》(JTGF80/1-2004)完成验收。
1、施工前现场完成三通一平工作,材料或工具堆放整齐,运输道路畅通,施工前场地清理干净,上路床标高及横坡满足设计要求。
2、现场排除安全隐患,现场配置专门的清理人员,保障工完料清。
3、测量工作完毕,经测量线路中线、高程、上路床宽度、横坡满足设计要求。
4、备料完毕且运输条件具备。
5、施工机械准备完毕,含以下机械配置:1)、运料掺和设备:ZL装载机2台,自卸车满足现场用料。
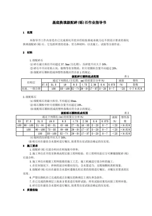
基底换填级配碎(砾)石作业指导书1 范围本指导书工作内容是在已完成基坑开挖并经检验基底承载力达不到设计要求的基坑换填级配碎(砾)石。
它包括所需的设备、劳力和材料,以及施工、试验等全部作业。
2 材料1.级配碎石(1)碎石最大粒径不应超过37.5mm(方孔筛),压碎值不应大于30%。
(2)碎石中不应有粘土块、植物等有害物质,针片状颗粒含量不应超过20%。
(3)级配碎石颗粒组成和塑性指数应符合表1的规定。
2.级配砾石(1)级配砾石的最大粒径,不应超过53mm。
(2)砾石颗粒中针片状颗粒含量不应超过20%。
(3)级配砾石颗粒组成的塑性指数应符合表2的规定。
(4)集料的压碎值不应大于30%。
(5)砾石应在最佳含水量时进行碾压,按重型击实试验法确定的压实度。
3 施工要求1.级配碎(砾)石混合料应在料场集中拌和。
2.施工单位在开挖至换填高程后报工程师检验,经工程师同意后方可摊铺级配碎(砾)石混合料。
3.施工单位应根据工程师批准的施工工艺、施工机械进行混合料的施工。
4.在任何情况下,拌和的混合料都应均匀,含水量适当,无粗细颗粒离析现象。
5.级配碎(砾)石应在最佳含水量时遵循先轻后重的原则进行碾压,并碾压至要求的压实度。
6.严禁压路机在已完成的或正在碾压的换填层上调头和急刹车。
7.在已完成的换填层上按表3要求进行取样试验,所有试验结果均应报工程师审批。
8.碎石层在最佳含水量时进行碾压,按重型击实试验法确定的压实度。
4 质量检验1.基本要求(1)石料质地坚韧、无杂质,颗粒级配符合要求。
(2)配料必须准确,塑性指数应符合规定。
(3)混合料拌和均匀,无粗细颗粒离析现象。
(4)碾压达到要求的密实度。
2.检查项目级配碎(砾)石检查项目及检验标准见表3。
3.外观鉴定表面平整密实,边线整齐,无松散现象。
铁路级配碎石试验作业指导书一、目的和适用范围本试验用于测定级配碎石或级配砂砾石的性能指标。
本试验适用于铁路基床表层用级配碎石、过渡段用级配碎石以及普通铁路用级配砂砾石。
二、试验依据《铁路工程土工试验规程》 TB 10102-2010三、检验人员检验人员均为持证上岗人员。
四、试验参数1筛分试验1.1试验设备(1)分析筛:级配碎石方孔筛、过渡段级配碎石筛。
(2)天平:电子天平。
(3)电热鼓风干燥箱。
(4)震击式标准振摆仪。
(5)瓷盘、研钵、带橡皮头的杵、钢丝刷等。
1.2试验步骤(1)根据试样颗粒大小,用四分对角线法取样,取代表性风干试样。
称量小于500g时,应准确至0.1g,称量大于500g时,应精确至1g。
(2)根据试样的种类,将试样过1.7mm或2mm或2.5mm筛,秤筛上或筛下试样质量。
筛上试样过粗筛,筛下试样过细筛。
筛毕,秤取各筛上及底盘试样质量,准确至0.1g。
所有各筛的分计筛余量和底盘中剩余量的总量与筛分前的试样总量,相差不得超过后者的1%。
1.3结果整理(1)小于某粒径的试样质量占试样总质量的百分数X=[m A/m B]×d x式中 X—小于某粒径的试样质量占试样总质量的百分数(%)。
m A—小于某粒径的试样质量(g)。
m B—细筛分析时为所取试样质量,粗筛分析时为所取试样总质量(g)。
d x—粒径小于2mm的试样质量占试样总质量的百分数(%)。
(2)不均匀系数C u=d60/d10式中 C u—不均匀系数,计算至0.01。
d60—限制粒径。
d10—有效粒径。
(3)曲率系数C c=d230/(d10×d60)式中 C c—曲率系数,计算至0.01。
d30—小于该粒径的试样质量占试样总质量的30%的粒径。
2黏土团及其他杂质含量2.1试验设备(1)电热鼓风干燥箱。
(2)电子台秤。
(3)浅盘、容器、铁锹、竹筐、尼龙袋、塑料布。
2.2试验步骤(1)按规定取试样,将试样烘干至恒量,将试样拌和均匀,用四分对角线法取两份备用,每份约20kg。
基床表层级配碎石施工作业指导书1.目的明确基床表层级配碎石作业的工艺流程、操作要点和相应的工艺标准,指导、规范基床表层级配碎石施工。
2.编制依据(1)《客运专线铁路路基工程施工质量验收暂行标准》(2)《客运专线铁路路基工程施工技术指南》(3)《新建铁路成渝客运专线站前施工图等设计文件》3.适用范围适用于中建铁路建设有限公司成渝客运专线CYSG-2标段路基基床表层级配碎石施工。
其中级配碎石采用卵石制作。
4.施工工艺及方法4.1施工工艺流程基床表层级配碎石施工工艺流程见下页图:基床表层级配碎石施工工艺流程图4.2施工方法4.2.1施工准备4.2.1.1验收路基本体路基本体测试结果符合设计要求后,对路基本体表面进行整修,测定平整度、横坡、中线、边线,检查几何尺寸,核对压实标准;不符合标准的基床底层进行修整,使其达到基床底层标准要求。
4.2.1.2 试验段施工路基基床表层采用级配碎石填筑,填筑前选取不小于100m路基段为试验工点,确定最佳施工工艺、机械组合、压实参数和最佳含水量,用以指导全标段路基表层级配碎石施工。
4.2.2施工总体安排(1)施工前应做好级配碎石备料工作,拌和场内不同粒径的卵石、砂砾等集料应分别堆放。
(2)基床表层级配碎石必须采用厂拌法施工。
拌和设备应计量准确,混合料必须进行材质及级配试验,材质及级配均要符合设计和规范的要求。
正式拌和前,调试厂拌设备。
基床表层级配碎石施工工艺流程图(3)基床表层填筑前应检查基床底层几何尺寸,核对压实标准,不符合标准的基床底层应进行修整,达到基床底层验收标准。
(4)在大面积填筑前,应根据初选的摊铺、碾压机械及试生产出的填料,进行现场填筑压实工艺试验,确定填料级配、施工含水率、混合料颗粒密度、松铺厚度和碾压遍数、机械配套方案、施工组织等工艺参数。
(5)基床表层的填筑宜按验收基床底层、搅拌运输、摊铺碾压、检测修整“四区段”和拌和、运输、摊铺、碾压、检测试验、修整养护“六流程”的施工工艺组织施工。
水泥稳定级配碎石作业指导书一、施工准备1)人员、设备配置现场管理由一名副经理负责,设专业工程师1人、质检工程师1人、技术员2人、试验检测人员3人,配置平地机1台、压路机1台、推土机1台、自卸车5台、洒水车1台等施工设备。
2)施工材料准备施工用的水泥、级配碎石等材料,必须试验合格。
材料进场前,必须检测合格。
3)水泥级配碎石配合比经试验室检测合格报监理工程师批准后才可以实用。
4)施工现场准备水泥级配碎石过渡段施工前先挖至设计标高,用平地机整平场地,做成4%的横向排水坡,压路机碾压,K30检测≥60MPa/M。
5)过渡段填料要求⑴过渡段填料符合设计文件和验标的要求。
⑵过渡段级配碎石采用的碎石粒径、级配及材料性符合铁道部现行《客运专线基层表层级配碎石暂行技术条件的规定》。
级配碎石和级配砂砾石严格控制0.5mm 以下细集料的含量及其液限和塑性指数。
选用品质优良的原材料是确保级配碎石质量的基础。
确保筛选并按比例混合组成的级配碎石混合料的粒径、级配及品质指标符合规定的要求。
⑶过渡段采用级配碎石掺5%水泥倒梯形过渡。
混合料采用大型自动计量拌合站拌制,自卸汽车集中运输。
加入水泥的级配碎石混合料要在水泥初凝前(一般不超过2h)使用完毕。
⑷施工前对所选择的填料进行核对确认并经试验鉴定,使其能够确保路堤各相部位填料的质量检测、压实标准等指标达到设计要求。
二、施工工艺流程1)施工顺序施工准备→基底平整、碾压密室→台背渗水墙砌筑填筑(横向结构物基坑回填)→填筑路基表层以下水泥级配碎石→填筑路基表层水泥级配碎石。
2)施工工艺流程图(见下页)3)施工工艺说明(1)施工测量场地平整完毕后,在施工现场准确标出级配碎石填筑的范围,撒上白灰线。
在横向结构物上用红油漆标记出每层填筑的厚度,结构物以外1m范围内每层15cm (人工夯实),1m范围以外每层30cm。
路堤与桥台、横向结构物过渡段施工工艺框图(2)基底处理地基处理完成后,将原地面开挖成距0#台五米纵向平坡,后在五米位置向小里程开挖成1:3的纵坡并挖成台阶形势,做K30试验合格后通知监理工程师检验。
水泥稳定级配碎石作业指导书一、施工准备1、人员、设备配臵现场管理由一名副经理负责,设专业工程师1人、质检工程师1人、技术员2人、试验检测人员3人,配臵平地机1台、压路机1台、推土机1台、自卸车5台、洒水车1台等施工设备。
2、施工材料准备施工用的水泥、级配碎石等材料,必须试验合格。
材料进场前,必须检测合格。
3、水泥级配碎石配合比经实验室检测合格后报监理工程师批准后才可以实用。
4、施工现场准备水泥级配碎石过渡段施工前先挖至设计标高,用平地机整平场地,做成4%的横向排水坡,压路机碾压, K30检测≥60MPa/M。
5、过渡段填料要求⑴过渡段填料符合设计文件和验标的要求。
⑵过渡段级配碎石采用的碎石粒径、级配及材料性符合铁道部现行《客运专线基层表层级配碎石暂行技术条件的规定》。
级配碎石和级配砂砾石严格控制0.5mm以下细集料的含量及其液限和塑性指数。
选用品质优良的原材料是确保级配碎石质量的基础。
确保筛选并按比例混合组成的级配碎石混合料的粒径、级配及品质指标符合规定的要求。
⑶过渡段采用级配碎石掺5%水泥梯形过渡。
混合料采用大型自动计量拌合站拌制,自卸汽车集中运输。
加入水泥的级配碎石混合料要在水泥初凝前(一般不超过2h)使用完毕。
⑷施工前对所选择的填料进行核对确认并经试验鉴定,使其能够确保路堤各相部位填料的质量检测、压实标准等指标达到设计要求。
二、施工工艺流程1、施工顺序施工准备→基底平整、碾压密室→台背渗水墙砌筑填筑(横向结构物基坑回填)→填筑路基表层以下水泥级配碎石→填筑路基表层水泥级配碎石。
2、施工工艺流程图(见下页)3、施工工艺说明1)施工测量场地平整完毕后,在施工现场准确标出级配碎石填筑的范围,撒上白灰线。
在横向结构物上用红油漆标记出每层填筑的厚度,结构物以外1m范围内每层15cm(人工夯实),1m范围以外每层30cm。
路堤与桥台、横向结构物过渡段施工工艺框图2)基底处理地基处理完成后,将原地面开挖成距0#台五米纵向平坡,后在五米位臵向小里程开挖成1:3的纵坡并挖成台阶形势,做K30试验合格后通知监理工程师检验。
路基基层表层级配碎石填筑作业指导书一、基床厚度及要求基床由基床底层和基床表层组成,它是铁路路基的关键部位,要具有较大的刚度和强度,以承受列车产生长期重复作用动荷载。
时速200km/n 铁路路基设计基床表层厚为0.6m,底层厚为1.9m,总厚度为2.5 。
基床的主要技术要求有:1、强度和刚度。
基床必须能够承受列车荷载的反复作用,不产生过多的残存变形,更不许产生剪切破坏,并且能够防止道碴沉陷等病害形成,同时与道床的刚度匹配,能满足列车高速行驶的安全性和舒适性的要求。
2、有足够的水稳定性和冰冻稳定性。
3、各层填料之间有良好的结合性,可以防止由于列车荷载引起的拉应力和拉应变,而使层间发生滑动或者推移。
4、有足够的平整度,便于基床排水。
二、基床底层施工基床底层用A、B 组填料填筑,当用C 组填料时,必须按照设计要求对土质进行改良。
基床底层填筑压实工艺按照基床以下路堤填筑压实工艺流程组织进行。
在施工准备阶段,要做好对基床底层下承层的质量检查与验收,确保达到设计和验标的要求。
三、基床表层施工基床表层采用级配碎石填筑。
1、材料及级配设计(1) 材料① 碎石单一尺寸碎石是从碎石机中出来的碎石通过几个不同筛孔的分筛,得出的不同粒径的碎石,如20~40mm,10~20mm,和5~10mm 的碎石,级配碎石必须采用几个不同规格单一尺寸碎石进行组配。
② 石屑石屑可以使用普通碎石场细筛余料。
最好使用专门轧制筛分的细碎石集料。
(2) 级配组成设计① 级配碎石材料的粒径、级配及材料性能必须符合《铁路碎石道床底碴》(TB/T2897)的有关规定。
必须要对原材料进行试验室内级配掺配检验, 使掺配后的混合料符 合规定范围。
② 碎石的扁平、长条颗粒的含量不得超过 20%,其塑性指数小于 6,黏粒不得超 过 2%,有机质含量不得超过 0.5%。
③级配碎石所用石料的集料压碎值不大于 26%。
④ 级配碎石与下部填土之间的颗粒级配应满足 D <4d 的要求。
基床表层级配碎石施工作业指导书1.基床表层填料采用级配碎石,其规格应符合下列要求:(1)粒径大于1.7mm的集料的洛杉矶磨损率不大于30%。
(2)粒径大于1.7mm的集料的硫酸钠溶液浸泡损失率不大于6%。
(3)粒径小于0.5mm的细集料的液限应小于25%,塑性指数小于6。
(4)级配碎石的粒径级配应符合下表中规定基床表层级配碎石粒径级配范围表2.基床表层填料级配必须经室内试验及现场填筑压实工艺试验,保证其孔隙率、地基系数、变形模量及动态变形模量符合设计要求.3.基床表层级配碎石必须采用厂拌法施工。
拌和设备应计量准确,4.基床表层的填筑按验收基床底层、搅拌运输、摊铺碾压、检测修整“四区段”和拌合、运输、摊铺、碾压、检测试验、修整养护“六流程”的施工工艺组织施工。
5.基床表层的填筑按试验段总结的施工工艺流程组织施工,同时在施工中,根据实际情况不断完善施工工艺和质量控制措施,确保路基压实质量。
6.测量放样:在施工现场附近引临时水准点,报监理审批,严格控制标高;按10m放中线和边线,设置钢丝绳基准线。
7.采用大对吨位自卸车运输。
保证足够的运输车辆,确保摊铺机能够不间断的连续摊铺。
车辆运输过程中用防水蓬布覆盖。
运料汽车在摊铺机前10-30cm处停住,不得撞击摊铺机。
卸料过程中汽车挂空挡,靠摊铺机推动前进。
8.采用振动压路机进行碾压,按实验段确定的碾压遍数和程序进行压实,达到设计压实度,且表面须平整。
碾压遵循先轻后重、先慢后快的原则。
各区段交接处应相互重叠压实,纵向搭接压实长度不小于2.0m,纵向行与行之间的轮迹重叠不小于40cm,上下两层填筑接头应错开不小于3.0m。
9.要特别重视路基内预埋管线、设施及结构物等周围的填料摊铺整形和碾压,采用小型压实机具压实。
电缆槽、声屏障与接触网等基础的施工与路基工程同步实施,路基成型一段,基础成型一段。
10.基床表层级配碎石或级配砂砾石应分层填筑,每层的最大填筑压实厚度不得大于30cm,最小填筑压实厚度不得小15cm.11.在摊铺机摊铺后由人工及时消除粗细集料离析现象。
目录第一章级配碎石施工工艺和技术要求 (1)一、施工工艺 (1)二、技术要求 (1)第二章水泥稳定碎石基层施工工艺和技术要求 (2)一、施工工艺 (2)二、技术要求 (2)1.摊铺 (2)2.碾压 (2)3.养生 (2)4.接头处理 (3)5.要点提示 (3)第三章沥青路面施工工艺和技术要求 (4)一、施工工艺 (4)二、技术要求 (4)1. 摊铺 (4)2. 碾压 (5)3. 接缝 (6)第四章安全生产文明施工管理 (7)第一章级配碎石施工工艺和技术要求一、施工工艺准备下承层----拌和----铺筑试验段----摊铺----碾压----接缝处理二、技术要求2.1 级配碎石应采用重型振动压路机和轮胎压路机碾压。
振动压路机的自重应大于等于22吨,数量不少于3台;轮胎压路机的自重应大于等于26吨,数量不少于1台。
所有机械设备保证九成新。
2.2 级配碎石施工前下承层必须满足相应的质量指标,表面应平整、坚实,具有合适的路拱,没有任何松散和软弱地点。
摊铺前应对下承层洒水润湿,且不得有积水。
2.3 摊铺宽度应宽于设计宽度至少10cm。
2.4 高程要有专人随时检测调控。
中线、边线桩布设符合设计要求,白灰撒线。
2.5摊铺时混合料的含水量应高于最佳含水量1%,以补偿摊铺碾压时的含水量损失。
当混合料含水量较小时,应人工补充洒水,使其含水量达到规定的要求。
2.6摊铺后,设专人负责消除离析部位,铲除集料“窝”后,用新拌合的混合料换填。
2.7碾压遵循“先轻后重、先慢后快、从低到高”的原则。
压路机碾压不到的部位必须使用小型碾压夯实设备压实。
2.8直线和不设超高的平曲线段,由两侧路肩向路中心碾压;在超高的平曲线段,由内侧向外侧路肩进行碾压。
2.9碾压时压路机的后轮应重叠1/2轮宽,碾压速度第1—2遍控制在1.6km/h左右,以后各遍控制在2km/h左右。
要根据试验路段确定的碾压设备型号、碾压速度、遍数等参数进行碾压。
碾压至表面无明显轮迹。
基床表层级配碎石施工作业指导书1.基床表层填料采纳级配碎石,其规格应切合以下要求:(1)粒径大于 1.7mm的集料的洛杉矶磨损率不大于30%。
(2)粒径大于 1.7mm的集料的硫酸钠溶液浸泡损失率不大于 6%。
(3)粒径小于 0.5mm 的细集料的液限应小于 25%,塑性指数小于 6。
(4)级配碎石的粒径级配应切合下表中规定基床表层级配碎石粒径级配范围表方孔筛孔边0.10.5 1.77.122.431.545长( mm)过筛质量百0~117~3213~4641~7567~9182~100100分率( %)2.基床表层填料级配一定经室内试验及现场填筑压实工艺试验,保证其孔隙率、地基系数、变形模量及动向变形模量切合设计要求.3.基床表层级配碎石一定采纳厂拌法施工。
拌和设备应计量正确,4.基床表层的填筑按查收基床基层、搅拌运输、摊铺碾压、检测修整“四区段”和拌合、运输、摊铺、碾压、检测试验、修整保养“六流程”的施工工艺组织施工。
5.基床表层的填筑按试验段总结的施工工艺流程组织施工,同时在施工中,依据本质状况不停完美施工工艺和质量控制举措,保证路基压本质量。
6.丈量放样:在施工现场邻近引暂时水平点,报监理审批,严格控制标高;按10m放中线和边线,设置钢丝绳基准线。
7.采纳大对吨位自卸车运输。
保证足够的运输车辆,保证摊铺机可以不中断的连续摊铺。
车辆运输过程顶用防水蓬布覆盖。
运料汽车在摊铺机前10-30cm 处停住,不得撞击摊铺机。
卸料过程中汽车挂空挡,靠摊铺机推进行进。
8.采纳振动压路机进行碾压,按实验段确立的碾压遍数和程序进行压实,达到设计压实度,且表面须平坦。
碾压按照先轻后重、先慢后快的原则。
各区段交接处应互相重叠压实,纵向搭接压实长度不小于 2.0m,纵向行与行之间的轮迹重叠不小于 40cm,上下两层填筑接头应错开不小于3.0m。
9.要特别重视路基内预埋管线、设备及构造物等四周的填料摊铺整形和碾压 , 采纳小型压实机具压实。
级配碎石底基施工作业指导书一、适用范围:适用于公路路面的级配碎石基层施工。
2. 作业准备:2.1 内部技术准备:作业指导书编制完成后,应组织有关技术人员研究施工组织设计,阅读和审查施工图纸,明确有关技术问题,熟悉规范和施工标准,方可开工施工。
制定施工安全措施,提出应急预案,对施工人员进行技术交底,对参与施工人员进行岗前技术培训,考核合格后持证上岗。
2.2 现场技术准备收集施工作业所涉及的各种外部技术参数,建造生活用房,配备生活办公设施,满足主要管理和施工人员进场生活办公的需要。
三、技术要求:3.1级配碎石混合料可采用强制搅拌机、卧式双轴桨式搅拌机、普通水泥混凝土搅拌机等多种机械进行搅拌。
3.2 施工前进行配合比试验,确定施工配合比。
3.3 大规模施工前,根据试生产的摊铺、搅拌、碾压机械和级配碎石底基填料,选择200m长度不小于摊铺压实工艺试验长度的断面,确定工艺参数,并报监理单位确认。
3.4 碾压宜用12t以上的三轮压路机进行,每层压实厚度不超过15~ 18cm。
使用重型振动压路机和轮胎压路机进行碾压时,每层可压实至 100% 的厚度20cm。
四、施工程序及工艺流程:4.1 每个施工单元为一个完整的作业区,包括以下四段:填土段、平整段、轧制段、检验段。
施工程序为:施工准备→试验段施工→工艺确定→下承重层验收→搅拌碎石→运输→找平→碾压→检验验收。
4.2级配碎石中心站集中厂拌法施工工艺图失败的五、施工要求:5.1 施工准备施工前对基层填料进行抽样检验,在铺装过程中对运至现场的基层填料进行抽样检验。
确保使用的各种材料符合设计要求。
5.1.1底基试验段铺装大规模施工前,根据试制的摊铺、搅拌、碾压机械和级配碎石基层填料,选择200m不少于长度的断面进行摊铺压实。
工艺测试,收集施工数据和测试工艺参数。
,并报监理工程师批准,指导子基地的大规模建设。
5.2 施工技术5.2.1铺设底基层前,应按《公路工程质量检验评价标准》的相关要求对路基(密实度、几何尺寸、挠度等)进行验收,不符合标准的应处理,使之符合验收标准。
级配碎石指导书(总16页)--本页仅作为文档封面,使用时请直接删除即可----内页可以根据需求调整合适字体及大小--一、项目简介北京至霸州铁路地处华北地区的北京市、河北省。
本线途径北京市大兴区和河北省廊坊市广阳区、固安县、永清县和霸州市,线路全长(不含新机场站),北京市范围(不含新机场站),河北省范围。
京霸五标段正线里程范围为DK80+~DK93+。
二分部承担施工范围:DK88+006~DK90+700段内区间、站场正线和站线、联络线、粮库专用线、工区走行线(其中京保上行联络线至JBSLDK95+、改京九联络线GHLDIK94+000-GHLDK94+600)的全部道路改移、路基、框构桥和涵洞、明洞及其他运营及生产建筑物等工程。
根据设计要求在临近既有线附近施工及地面电力线未拆迁高施工机械无法施工地段,采用高压旋喷桩进行路基基础加固。
二、材料要求1、级配碎石,级配碎石填筑压实后的渗水系数应大于5×10的负5次方m/s,用开山石块、天然卵石或砂砾石经破碎筛选而成。
级配碎石和级配砂砾石必须严格控制以下细集料的含量及其液限和塑性指数,不应含有黏土及其他杂质。
选用品质优良的原材料是确保级配碎石质量的基础。
要确保筛选并按比例混合组成的级配碎石混合料的粒径、级配及品质指标符合规定的要求。
基床表层填料采用级配碎石,其规格应符合下列要求:粒径大于的粗颗粒中带有破碎面的颗粒所占的质量百分率不小于30%。
粒径大于的集料的洛杉矶磨损率不大于30%。
粒径大于的集料的硫酸钠溶液浸泡损失率不大于6%。
粒径小于的细集料的液限不大于25%,其塑性指数小于6。
级配碎石的粒径级配应符合下表中规定基床表层级配碎石粒径级配范围表基床表层填料材质、级配必须经室内试验及现场填筑压实工艺试验,保证其孔隙率、地基系数、压实系数及动态变形模量符合设计要求并确定填筑工艺参数,方可正式填筑。
三、施工用主要设备根据本工程工期要求、场地条件和公司设备能力投入主要设备有:挖掘机、装载机、推土机、碎石设备、平地机、压路机、自卸汽车、级配碎石拌和设备、级配碎石摊铺机。
一、项目简介北京至霸州铁路地处华北地区的北京市、河北省。
本线途径北京市大兴区和河北省廊坊市广阳区、固安县、永清县和霸州市,线路全长76.58km(不含新机场站),北京市范围33.43km(不含新机场站),河北省范围43.15km。
京霸五标段正线里程范围为DK80+007.56~DK93+032.71。
二分部承担施工范围:DK88+006~DK90+700段内区间、站场正线和站线、联络线、粮库专用线、工区走行线(其中京保上行联络线至JBSLDK95+059.24、改京九联络线GHLDIK94+000-GHLDK94+600)的全部道路改移、路基、框构桥和涵洞、明洞及其他运营及生产建筑物等工程。
根据设计要求在临近既有线附近施工及地面电力线未拆迁高施工机械无法施工地段,采用高压旋喷桩进行路基基础加固。
二、材料要求1、级配碎石,级配碎石填筑压实后的渗水系数应大于5×10的负5次方m/s,用开山石块、天然卵石或砂砾石经破碎筛选而成。
级配碎石和级配砂砾石必须严格控制0.5mm以下细集料的含量及其液限和塑性指数,不应含有黏土及其他杂质。
选用品质优良的原材料是确保级配碎石质量的基础。
要确保筛选并按比例混合组成的级配碎石混合料的粒径、级配及品质指标符合规定的要求。
基床表层填料采用级配碎石,其规格应符合下列要求:粒径大于22.4mm的粗颗粒中带有破碎面的颗粒所占的质量百分率不小于30%。
粒径大于1.7mm的集料的洛杉矶磨损率不大于30%。
粒径大于1.7mm的集料的硫酸钠溶液浸泡损失率不大于6%。
粒径小于0.5mm的细集料的液限不大于25%,其塑性指数小于6。
级配碎石的粒径级配应符合下表中规定基床表层级配碎石粒径级配范围表基床表层填料材质、级配必须经室内试验及现场填筑压实工艺试验,保证其孔隙率、地基系数、压实系数及动态变形模量符合设计要求并确定填筑工艺参数,方可正式填筑。
三、施工用主要设备根据本工程工期要求、场地条件和公司设备能力投入主要设备有:挖掘机、装载机、推土机、碎石设备、平地机、压路机、自卸汽车、级配碎石拌和设备、级配碎石摊铺机。
四、施工方法⑴施工前应做好级配碎石备料工作,拌合场内不同粒径的碎石、砂砾等集料应分别堆放。
⑵基床表层级配碎石必须采用厂拌法施工。
拌和设备应计量准确,混合料必须进行材质及级配试验,材质及级配均要符合设计和规范的要求。
正式拌合前,调试厂拌设备。
⑶基床表层填筑前应检查基床底层几何尺寸,核对压实标准,不符合标准的基床底层应进行修整,达到基床底层验收标准。
⑷在大面积填筑前,应根据初选的摊铺、碾压机械及试生产出的填料,进行现场填筑压实工艺试验,确定填料级配、施工含水率、混合料颗粒密度、松铺厚度和碾压遍数、机械配套方案、施工组织等工艺参数。
⑸基床表层的填筑宜按验收基床底层、搅拌运输、摊铺碾压、检测修整“四区段”和拌合、运输、摊铺、碾压、检测试验、修整养护“六流程”的施工工艺组织施工。
摊铺碾压区段的长度应根据使用机械的能力、数量确定。
区段的长度一般宜在100m以上。
各区段或流程只能进行该区段和流程的作业,严禁几种作业交叉进行。
⑹基床表层的填筑按试验段总结的施工工艺流程组织施工,同时在施工中,根据实际情况不断完善施工工艺和质量控制措施,确保路基压实质量。
五、施工工艺及流程⑴填筑前对所需的材料作全面的检查,并提前作好储料的一切准备工作,并有足够的储料场和储料设备,保证基床表层的正常铺筑。
⑵验收基床底层:基床表层填筑前应检查基床底层几何尺寸,核对压实标准,不符合标准的基床底层应进行修整,达到基床底层验收标准。
⑶测量放样:在施工现场附近引临时水准点,报监理审批,严格控制标高;按10m一桩,放中线和边线,设置钢丝绳基准线。
⑷拌和:级配碎石混合料用级配碎石拌和设备在拌和厂集中进行拌和,混合料需拌和均匀,采用不同粒径的碎石和石屑,按预定配合比在拌和设备内拌制级配碎石混合料。
在正式拌制级配碎石混合料之前,必须先调试所用的厂拌设备,使混合料的颗粒组成、级配和含水量都能达到规定的要求,并通过试验段的试拌、试铺总结的各种施工参数进一步合理的调整和确定拌和需要各种级配的碎石数量,以使基床表层的级配碎石填层具有更好的强度和刚度。
⑸运输:装料时,车要有规律的移动,使混合料在装车时不致产生离析。
采用大对吨位自卸车运输。
并保证足够的运输车辆,确保摊铺机能够不间断的连续摊铺。
车辆运输过程中用防水蓬布覆盖。
运料汽车在摊铺机前10-30cm处停住,不得撞击摊铺机。
卸料过程中汽车挂空挡,靠摊铺机推动前进,以确保摊铺层的平整度。
⑹摊铺:摊铺时以日进度需要量和拌和设备的产量为度,合理计算卸料需要量。
基床表层下层的级配碎石的摊铺可采用摊铺机或平地机进行,顶层必须用摊铺机摊铺。
每层的摊铺厚度应按工艺试验确定的参数严格控制。
用平地机摊铺时,必须在路基上采用方格网控制填料量,方格网纵向桩距不宜大于10m,横向应分别在路基两侧及路基中心设方格网桩。
用摊铺机摊铺时,应根据摊铺机的摊铺能力及拌和厂的拌和能力配置运输车辆,使摊铺机的摊铺作业能够不间断的连续进行。
⑺碾压:采用三轮压路机、重型光轮振动压路机进行碾压,按实验段确定的碾压遍数和程序进行压实,使其达到规定压实度,且表面须平整,各项指标符合设计要求。
直线地段,应由两侧路肩开始向路中心碾压;曲线地段,应由内侧路肩向外侧路肩进行碾压。
碾压遵循先轻后重、先慢后快的原则。
各区段交接处应相互重叠压实,纵向搭接压实长度不小于2.0m,纵向行与行之间的轮迹重叠不小于40cm,上下两层填筑接头应错开不小于3.0m。
⑻检测:每层施工完成后进行自检,合格后报验监理工程师抽检的质量检测系统,严格按照规范要求的试验方法、试验点数、检验频次,逐层分段、分部进行试验检测。
各类填料及压实标准应符合规定,凡检验不合格者,不得进行下一道工序施工。
施工工艺流程框图见下页:基床表层级配碎石或级配砂砾石施工工艺框图六、主要技术措施⑴基层表层级配碎石采用的碎石粒径、级配及材料性能应符合铁道部现行《客运专线基层表层级配碎石暂行技术条件的规定》。
级配碎石和级配砂砾石必须严格控制0.5mm以下细集料的含量及其液限和塑性指数。
选用品质优良的原材料是确保级配碎石质量的基础。
要确保筛选并按比例混合组成的级配碎石混合料的粒径、级配及品质指标符合规定的要求。
⑵每一压实层全宽应采用同一种类的填料。
采用重型振动压路机严格按照试验段确定的压实参数控制压实速度和压实遍数。
分层的压实厚度按试验段确定的方案控制。
⑶通过质量检测了解施工过程的质量情况,对达不到质量要求的检验项目,进行分析和研究,查明原因,制定改进措施和工艺,加强施工质量管理,确保基床表层路基质量满足设计要求。
⑷要特别重视对路基内,预埋管线、设施及结构物等周围的填料摊铺整形和碾压。
压路机在构造物接头处、拐角、预埋管线等基础周围部分不能靠近压实时,采用小型压实机具或振动夯板压实,并采取相应的加固措施。
电缆槽、声屏障与接触网等基础的施工与路基工程同步实施,路基成型一段,基础成型一段。
并对各类与路基同步施工的预埋管线及设施,在施工前根据设计图纸和相关文件要求制订有针对性和详细的作业指导书或技术交底,并加强检查与监测。
确保路基表层和与路基同步施工的预埋管线、设施及结构物的施工质量和安全。
⑸基床表层级配碎石(或级配砂砾石)填筑压实标准采用地基系数K30、压实系数K、动态变形模量Evd三项指标控制。
压实标准及检验数量应符合规定。
对填筑压实质量可疑地段,应根据工程质量控制的需要,增加检验的点数。
七、不同专业之间的衔接及接口管理技术措施客运专线路基内及各附属构筑物(如电缆槽、接触网、声屏障、综合接地线、预埋设施、信号电缆过轨钢管、防灾安全监控等设备)多,相关专业之间的衔接质量控制要细化到施工工序及施工过程中,确保不得因各种设施的施工而损坏和危及各接口工程的稳固和安全。
接口管理中协调好与各相关专业的衔接,并提前确定接口界面问题和解决方案。
按照接口管理程序既:“识别→确认→定义→分配→解决→测试”进行接口管理。
同时和各相关专业间的接口管理互相勾通和交流,了解接口间有那些要求,使接口管理工作贯穿于整个项目工作中。
八、注意事项⑴集料配合比应经过反复试验比选,既要按颗粒级配要求和是否易于达到压实质量标准两方面验证,还要兼顾各种集料的生产比例,以保证施工质量,降低工程成本。
⑵基层表层级配碎石与上部道床及下部填土之间应满足D15<4d85的要求。
当与下部填土之间不能满足此项要求时,基层表层应采用颗粒级配不同的双层结构,或在基床底层表面铺设土工合成材料(当下部填土为改良土时,可不受此项规定限制)。
⑶基床表层级配碎石或级配砂砾石应分层填筑,每层的最大填筑压实厚度不得大于30cm,最小填筑压实厚度不得小15cm,具体的摊铺厚度及碾压遍数按工艺试验确定并经监理工程师批准的参数进行控制。
⑷横向接缝处填料应翻挖并与新铺的填料混合均匀后再进行碾压,并注意调整其含水率,纵向应避免工作缝。
⑸在摊铺机或平地机摊铺后应由人工及时消除粗细集料离析现象。
⑹局部表面不平整应进行补平,碾压后的基床表层质量应符合设计要求。
对构造物等基础周围采用人工及小型机具摊铺整形,小型振动夯实机具夯实。
⑺整形后,当表面尚处湿润状态时应立即进行碾压。
如表面水分蒸发较多,明显干燥失水,应在其表面喷洒适量水分,再进行碾压。
用平地机摊铺的地段,应用轮胎压路机快速碾压一遍,暴露的潜在不平整再用平地机整平和整形。
⑻已完成的基床表层应采取措施控制车辆通行,并做好基床表面的保护工作,防止表层扰动破坏。
严禁在已完成的或正在碾压的路段上调头或急刹车。
九、基床表层级配碎石质量控制与检测1、基床表层质量控制⑴路基基床表层质量控制要点主要抓好三个方面:填料与原材料控制;施工过程控制;试验与检测控制。
⑵严格控制填料及原材料质量,制定原材料的进货检验和进场前检查验收制度,杜绝不合格的材料进场。
级配碎石选料标准应满足材料的规格、材质和级配的有关规定。
路堤填料种类及原材料质量应符合设计要求。
⑶严格按试验段总结的施工工艺流程组织施工,同时在施工中,根据实际情况不断完善施工质量控制措施,确保路基工程质量。
6.2基床表层质量检测按《铁路工程土工试验规程》(TB10102))《高数铁路路基工程施工质量验收标准》和铁路客运专线有关规定的试验方法检验。
⑴各种集料进场过程中,每5000m3进行一次颗粒级配检验,并进行试配混合料的颗粒级配、颗粒密度、重型击实的最大干密度、最优含水率试验,基床表层级配碎石同时进行黏土团和其他杂质含量的检验(其他项目每料场抽样检验不少于3次),过渡段级配碎石同时进行针状和片状颗粒含量、质软易碎颗粒含量、黏土团及其他杂质含量检验,其检测指标符合设计要求。