烧结配料计算(自动计算白灰配比)
- 格式:xls
- 大小:43.50 KB
- 文档页数:2
烧结配料计算第一步估算烧结矿预想成分范围值一、初步范围值:想要估算烧结矿预想成分必须以炼铁对烧结矿的总体要求和含铁原料库存状况入手。
根据炼铁对烧结矿全铁含量、二元碱度和氧化镁等成分的要求下制定最大范围的烧结矿成分含量,然后分析含铁物料组合是否能满足炼铁要求。
注意原料中的总体全铁含量必须高于烧结矿要求的全铁含量,其他原料满足烧结矿其他成分和质量指标。
二、精确范围值:根据优先定硅原则,进一步预算烧结矿成分范围值。
优先定硅原则:计算烧结矿配比时从确定烧结矿二氧化硅含量开始,以二氧化硅为中心进行配料计算,得到预想烧结矿的具体成分范围值。
据高硅低碱、低硅高碱和二元碱度的要求确定烧结矿中二氧化硅含量,高碱度烧结矿的二氧化硅含量 4.7-5.7(4.5-6)为最佳范围值(高碱度烧结矿的二氧化硅含量不宜超过5.5、超高碱度烧结矿的二氧化硅含量不宜超过 5.2、2.5以上碱度的烧结矿二氧化硅含量不宜超过5);氧化钙根据二元碱度和二氧化硅范围求得;三氧化二铝不超过二氧化硅量的一半;氧化镁的配入量需要使烧结矿的二元碱度与四元碱度的比值为1.1-1.2之间,其他金属(轻金属:比铁轻的金属,相对密度小于5)、重金属(比铁重的金属,相对密度大于5)和碱金属(能与氧气直接发生反应的金属)及脉石成分≤1%;其余成分为铁的氧化物(三氧化二铁、氧化亚铁、四氧化三铁)三、验算验算烧结预想成分的合理性1、烧结矿全量:全铁/0.7-0.11氧化亚铁+二氧化硅+氧化钙+氧化镁+三氧化二铝+0.5~1(杂质和残碳)=100(杂质的量根据配加原料的成分做具体分析;残碳结合烧结过程确定,范围值0.1-0.3)2、验算原料亚铁值:结合烧结原料成分校对后数据,有亚铁的物料成分乘以各自配比然后求和,求和值除以总残存既得出烧结矿中的原料带入亚铁值。
这是在没有氧化还原反应时烧结矿理论含亚铁量,应是烧结矿中亚铁含量的1~1.1倍。
它是确定烧结矿亚铁含量的数据标量,也是烧结总体过程是否为弱氧化反应的衡量点。
2.配料2.1概述烧结配料是按烧结矿的质量指标要求和原料成分,将各种原料(含铁料、溶剂、燃料等)按一定的比例配合在一起的工艺过程,适宜的原料配比可以生产出数量足够的性能良好的液相,适宜的燃料用量可以获得强度高还原性好的烧结矿。
对配料的基本要求是准确。
即按照计算所确定的配比,连续稳定配料,把实际下料量的波动值控制在允许的范围内,不发生大的偏差。
实践表明,当配料发生偏差,会影响烧结过程的进行和烧结矿的质量。
生产中,当烧结机所需的上料量发生变化时,须按配比准确计算各种料在每米皮带或单位时间内的下料量;当料种或原料成分发生变化时,则应按规定要求,重新计算配比,并准确预计烧结矿的化学成分。
2.2配料方法——质量配料法此法是按原料的质量进行配料的一种方法。
其主要装置是皮带电子称——自动控制调节系统——调速圆盘给料机,配料时,每个料仓配料圆盘下的皮带电子称发出瞬时送料量信号,此信号输入调速圆盘自动调节系统,调节部分即根据给定值信号与电子皮带秤测量值信号的偏差,自动调节圆盘转速,达到所要求的给料量,质量配料系统如图1所示质量配料法可实现配料的自动化,便于电子计算机集中控制与管理,配料的动态精度可高达0.5%-1%,为稳定烧结作业和产品成分创造了良好条件,也是劳动条件得到改善。
2.3配料室(本厂)配料室采用单列布置,15个矿槽,混匀矿槽上采用移动B=1000卸料车向各配料槽给料;无烟煤、焦粉、冷返矿矿槽上采用B=650固定可逆胶带机向各配料槽给料。
生石灰用外设压缩空气将汽车罐车送来的生石灰送至配料槽。
混匀矿采用¢2500圆盘给料机排料,配料电子称称重;燃料和溶剂及冷返矿直接用配料电子称拖出;生石灰的排料、称量及消化通过叶轮给料机、电子称及消化器完成。
以上几种原料按设定比例经称量后给到混合料的B=800胶带机上。
料槽侧壁安装振动电机,防止料槽闭塞。
2.3.1配料主要设备A圆盘给料机a特点:给料粒度范围大(0-50mm),给料均匀准确,调整容易、运转平稳可靠,管理方便。
烧结配料碱度现场快速调整法:(1)两种物料配比发生变化:生石灰配比差(%)=配比调整值×(ΣSiO2差值×R2-ΣCaO差值)÷CaO有效生石灰(2)碱度变化调整:生石灰配比差(%)=(新R2×SiO2矿-CaO 矿)÷CaO有效新(3)生石灰成分变化:生石灰配比差(%)=原配比×CaO有效原÷CaO有效新-原配比例1:已知铁精粉SiO2为5.5%、CaO为0%,配比为20%,高返SiO2为5.3%、CaO为9.01%,配比为12%,原烧结矿碱度为1.9倍,生石灰中有效钙74%,现将铁精粉配比上调3%,高返配比下调3%,如碱度不变情况下,生石灰应调整多少?解:根据公式推出:生石灰配比差(%)=3×{(5.5-5.3)×1.9+(9.01-0)}÷74=0.38则在碱度不变情况下,生石灰配比应上调0.38%,给定物料配比找齐。
例2:已知原烧结矿碱度为2.0倍,SiO2为5.5%、CaO为11%,生石灰成分SiO2为2.5%、CaO为78%,根据生产需求现将碱度上调到2.1倍,问生石灰应调整多少?解:根据公式推出:生石灰配比差(%)=(2.1×5.5-11)÷(78-2.1×2.5)=0.75%则在碱度不变情况下,生石灰配比应上调0.38%,给定物料配比找齐。
则碱度上调到2.1倍后,生石灰配比应上调0.75%,给定物料配比找齐。
例3:已知原烧结矿碱度为2.0倍,生石灰成分SiO2为2.5%、CaO为78%,配比7%,外购生石灰成分SiO2为1.5%、CaO为85%,问碱度不变情况下,生石灰应调整多少?解:根据公式推出:生石灰配比差(%)={7×(78-2.0×2.5)÷(85-2.0×1.5)}-7=-0.76%则在碱度不变情况下,生石灰配比应下调0.69%,给定物料配比找齐。
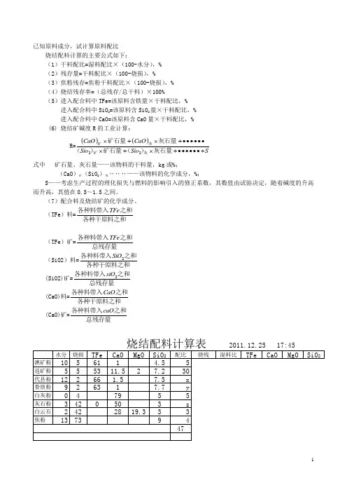
已知原料成分,试计算原料配比烧结配料计算的主要公式如下:(1)干料配比=湿料配比×(100-水分),% (2)残存量=干料配比×(100-烧损),% (3)焦粉残存=焦粉干料配比×(100-烧损),% (4)烧结残存率=(总残存/总干料)×100%(5)进入配合料中TFe=该原料含铁量×干料配比,% 进入配合料中SiO 2=该原料含SiO 2量×干料配比,% 进入配合料中CaO=该原料含CaO 量×干料配比,% (6) 烧结矿碱度R 的工业计算:R=()()S Sio Sio CaOCaO +∙∙∙∙∙∙+⨯+⨯∙∙∙∙∙∙+⨯+⨯灰石量)(矿石量)(灰石量矿石量灰矿灰矿22式中 矿石量、灰石量——该物料的干料量,kg 或%;(CaO )矿(SiO 2)灰‥‥‥——该物料的化学成分,%;S ——考虑生产过程的理化损失与燃料的影响引入的修正系数,其数值由试验决定,随着碱度的升高而升高,其值在0.5~1.5之间。
(7)配合料及烧结矿的化学成分。
(TFe )料=各种干原料之和之和各种料带入TFe(TFe )矿=总残存量之和各种料带入TFe (SiO2)料=各种干原料之和之和各种料带入2SiO(SiO2)矿=总残存量之和各种料带入2siO (CaO)料=各种干原料之和之和各种料带入CaO(CaO)矿=总残存量之和各种料带入caO根据上述原料成分,设配合料中代县矿粉配比为x ,娄烦矿粉为y ,石灰石粉配比为z ,其他原料配比根据情况事前确定,如澳矿粉为5%,(库存不多)返矿粉为30%,(冷返矿参加配料,这个配比基本可以保持返料的平衡)白灰5%,白云石3%,焦粉4%。
要求碱度为1.8±0.1;全铁为54%,总的烧残估算为90% 根据已知的公式,列出方程组:TFe 方程: 54=9.063.066.053.03061.05yx ++⨯+⨯ (1)碱度方程 1.8=09.0403.0303.0505.0077.0075.0072.030045.0528.035.079.0501.0015.0115.03001.05⨯+⨯++⨯+++⨯+⨯⨯++⨯+++⨯+⨯z y x z y x (2)配比方程X+y+z+5+30+5+3+4=100 (3)化简上述各式:54×0.9=3.05+15.9+0.66x+0.63y48.6-3.05-15.9=0.66x+0.63y0.66x+0.63y= 29.65 ………… 4 1.8=36.009.003.025.0077.0075.016.2225.084.05.095.301.0015.045.305.0+++++++++++++z y x z y x1.8=zy x z y x 03.0077.0075.0085.35.001.0015.029.8++++++1.8×(3.085+0.075x+0.077y+0.03z )=8.29+0.015x+0.01y+0.5z5.553+0.135x+0.1386y+0.054z=8.29+0.015x+0.01y+0.5z0.135x+0.1386y+0.054z-(0.015x+0.01y+0.5z )=8.29-5.5530.12x+0.1286y-0.446z=2.737 (5)X+y+z=100-47X+y+z=53 (6)6式乘以0.4460.446x+0.446y+0.446z=23.6386式加5式0.446x+0.446y+0.446z=23.6380.12x+0.1286y-0.446z=2.7370.566x+0.5746y=26.375 (7)0.66x+0.63y=29.65 (4)7式乘以0.634式乘以0.57467式减4式0.35658x+0.361998y=16.616250.379236x+0.361998y=17.03689-0.022656x=-0.42064X=18.57将x代入4式0.66×18.57+0.63y=29.6512.2562+0.63y=29.650.63y=29.65-12.25620.63y=17.3938Y=27.61将x、y代入6式18.57+27.61+z=53Z=53-18.57-27.61Z=6.82将X、Y、Z代入下表,得到计算结果:。
烧结原料配比计算公式烧结是一种重要的冶金工艺,通过将粉煤灰、矿石和其他原料混合在一起,然后在高温下加热,使它们结合成块状物,以便在高炉中使用。
在烧结过程中,原料的配比非常重要,它直接影响到烧结矿的质量和性能。
因此,烧结原料配比的计算是烧结工艺中的一个关键步骤。
烧结原料配比的计算公式可以帮助冶金工程师确定不同原料的比例,以便获得最佳的烧结效果。
在实际生产中,烧结原料通常包括铁矿石、焦炭、石灰石和其他添加剂。
这些原料的配比需要根据烧结矿的成分要求、烧结矿的性能要求和工艺条件等因素进行计算。
一般来说,烧结原料的配比计算可以采用以下公式:\[ X_i = \frac{m_i}{M_i} \times 100\% \]其中,\( X_i \) 表示原料 \( i \) 的配比,\( m_i \) 表示原料 \( i \) 的质量,\( M_i \) 表示所有原料的总质量。
在实际应用中,烧结原料的配比计算需要根据具体的原料性质和工艺要求进行调整。
下面以铁矿石、焦炭和石灰石为例,介绍烧结原料配比的计算方法。
1. 铁矿石配比的计算。
铁矿石是烧结原料中的主要成分,其配比计算通常是根据铁含量来进行的。
假设一种铁矿石的铁含量为 \( Fe_2O_3 \),则其配比计算公式为:\[ X_{Fe_2O_3} = \frac{m_{Fe_2O_3}}{M_{Fe_2O_3}} \times 100\% \]其中,\( X_{Fe_2O_3} \) 表示铁矿石的配比,\( m_{Fe_2O_3} \) 表示铁矿石的质量,\( M_{Fe_2O_3} \) 表示所有原料的总质量。
2. 焦炭配比的计算。
焦炭是烧结原料中的还原剂,其配比计算通常是根据固定碳含量来进行的。
假设一种焦炭的固定碳含量为 \( FC \),则其配比计算公式为:\[ X_{FC} = \frac{m_{FC}}{M_{FC}} \times 100\% \]其中,\( X_{FC} \) 表示焦炭的配比,\( m_{FC} \) 表示焦炭的质量,\( M_{FC} \) 表示所有原料的总质量。
烧结配料计算方法及公式The manuscript was revised on the evening of 2021烧结配料计算的方法烧结过程是一个非常复杂的氧化还原过程,氧的得失很难确定,原料成分的波动和水分的大小均会对最终结果产生影响,而要精确进行烧结配料的理论计算,在烧结生产中显得尤为麻烦,并且要占用大量的时间,所以,现场配料计算一般多采用简易计算方法,即:反推算法。
所谓反推算法是先假定一个配料比,并根据各种原料的水分、烧损、化学成分等原始数据,计算出烧结矿的化学成分,当计算结果符合生产要求,即可按此料比进行组织生产,如果不否,再重新进行调整计算,直至满足生产要求为止。
如果在实际生产中,所计算的配比和实际有误差,可分析其产生误差的原因,并再次进行调整计算。
生产中如何确定配料比,也是大家所关心的一个问题,实际上配料比的确定常常是根据炼铁生产对烧结矿的质量指标的要求和原料供应状况以及原料成分等,并结合生产成本进行合理的搭配,反复计算,得出最终使用的配料比。
一、在进行反推算法计算时,首先要了解有关配料方面需要掌握的一些术语。
1、烧损:物料的烧损是指(干料)在烧结状态的高温下(1200—1400摄氏度)灼烧后失去重量对于物料试样重量的百分比。
2、烧残:物料的残存量即物料经过烧结,排出水分和烧损后的残存物量。
3、水分:烧结原料的水分含量是指原料中物理水含量的百分数,即一定的原料(100g—200g)加热至150摄氏度,恒温1h,已蒸发的水分重量占试样重量的百分比。
4、化学成分:原料的化学成分是指某元素或化合物含量占该种干原料试样重量的百分比。
二、具体计算公式1、烧残量=干料配比×(1—烧损)2、进入配合料中的TFe=该种原料含TFe 量×该种原料配比3、进入配合料中的SiO2=该种原料含SiO2量×该种原料配比4、进入配合料中的CaO=该种原料含CaO量×该种原料配比5、进入配合料中的MgO=该种原料含MgO量×该种原料配比6、进入配合料中的Mn=该种原料含Mn量×该种原料配比7、烧结矿的化学成分烧结矿TFe=各种原料带入的TFe之和÷总的烧残量烧结矿SiO2=各种原料带入的SiO2之和÷总的烧残量烧结矿CaO=各种原料带入的CaO之和÷总的烧残量烧结矿MgO=各种原料带入的MgO之和÷总的烧残量烧结矿Mn=各种原料带入的Mn之和÷总的烧残量如果还有其他指标要求,其计算公式同上。
烧结计算公式产量台时台时=利用系数=作业时间 210作业时间作业率=%(取参数报表中时间)日历时间作业时间扣外作业率=%(取参数报表中时间、影响因素)日历时间-外因时间产量成品率=%(返矿取配料配比变更)产量+返矿某物料干料量干料量=该原料湿料量×(1-H2O%)单耗=×1000 (kg)产量铁料原料消耗(单耗)=1吨消耗多少公斤该物料。
匀矿×印粉配加百分比×(1-H2O%)例:印粉=━━━━━━━━━━━━━━━━━×1000 (kg)烧结矿产量一次配料:某料下料量=某料的百分比×总下料量∕100 (t)某料总配比表中配比一次配料某物料配比=━━━━━━━━━━━━━━━━━一次配料物料在总配比表配比之和某物料下料量=某物料下料量(吨/小时)×运行时间段产量返矿出矿率=%返矿率=%混合料总量×0.92 产量+返矿反推产量=高返×0.97+落地量-上落地量+高炉入炉烧结矿量其它计算公式黑料合量公式(FeO×0.777-TFe)×1.43-FeO-SiO2-CaO-MgO=98-99 白料合量公式CaO×1.784+MgO×2.09+SiO2=96-99有效CaO石=CaO石-SiO2石×R基(R烧-R基)×SiO2石∕有效CaO石=需加减灰石量(混合料SiO2总-SiO2石)×R基-(混合料CaO总-CaO石)=R基需要CaO R基需要CaO灰石湿配比=÷(1-H2O%)有效CaO石CaOR=SiO2反推产量=高炉入炉烧结矿+高返×0.97+落地量-上落地量铺底料使用量计算公式:铺底料用量=台车宽度×铺底料厚度×烧结矿堆比重×机速×运行时间例:3.5×0.04×1.7×720×1.05(机速)=180T残存=干料*(1-烧损%)各物料残留成份计算:TFe=干料×TFe%SiO2=干料×SiO2% CaO=干料×CaO%MgO=干料×MgO% Al2O3=干料×Al2O3%烧结矿成份计算:TFe=各物料残留TFe之和×100∕各物料残存之和SiO2=各物料残留SiO2之和×100∕各物料残存之和CaO=各物料残留CaO之和×100∕各物料残存之和MgO=各物料残留MgO之和×100∕各物料残存之和Al2O3=各物料残留Al2O3之和×100∕各物料残存之和。
烧结原料现场采用的配料计算方法有哪几种?以及具体的计算方法有哪几种?1,现场配料计算方法,归纳起来大致有如下几种:(1)反推计算法首先应根据实际生产经验假定配料比,并根据各种物料的水分、烧损、化学成分等项原始数据,计算烧结矿的化学成分,看其是否满足规定指标要求,如不适应,再进一步进行调整验算,直到满足要求为止。
该法一是要根据实际生产经验假定配料比,二是要进行多次调整验算,因此也很麻烦。
(2)分析计算法该种方法是通过已知数据列出数个方程联立求解,虽然能满足配料要求,但运算仍较麻烦。
(3)行列式计算法该计算方法在解方程组时比较方便,但对行列式不太熟练的人计算仍较麻烦。
(4)单烧计算法单烧法是首先将各种矿粉进行单烧法计算列成表,然后进行综合计算.该种方法计算较为简便,但原料化学成分波动较大时不宜采用该方法。
(5)图解计算法图解计算法又分三元图解法和单烧图解法.图解法的优点是简捷。
三元图解法用于一次配料最为合适,但超过三元就不行了。
单烧图解法仍然不适于用在原料成分波动较大的场合。
(6)快速调整计算法)计算法和影响系数计算法。
快速调整计算法又分为有效CaO(SiO2目前在这几种方法中,快速调整计算方法是较好的方法,尤其是影响系数计算法更好。
2,何谓影响系数计算法?其计算公式如下:(1)原料配比波动±1%,影响烧结矿TFe的计算公式:)())()((残存))(()()外外011111()(TFe w I W P W TFe w P TFe w TFe w gi i i i i i i i ---±+-±+=∆∑∑ 式中 )(TFe w ∆—烧结矿TFe 含量的波动值,%; )(外∑i TFe w —除i 种原料外各种矿粉带入的铁量之和,%;i P -i 种原料湿配比,%;)(i TFe w -i 种原料的含铁量,%;i W —i 种原料的水分,%;∑外残存i —除i 种原料外各种原料的残存量之和,%; gi I —i 种原料的烧损,%;)(0TFe w —计算的烧结矿TFe 含量,%.(2)原料配比波动±1%,影响烧结矿碱度的计算公式: 0221111(R W SiO w P SiO w W CaO w P CaOw R i i i i i i i i --±+-±+=∆∑∑))(()()())(()()外外 式中:R ∆—烧结矿R 的波动值,%;()∑∑外外)、i i SiO w CaO w 2(-配比中除i 种原料外各种原料带入的CaO 、SiO 2之和,%;i P —i 种原料湿配比,%;)(、i i SiO w CaO w 2)(—i 种原料含CaO 、SiO 2之和,%; i W —i 种原料的水分,%; 0R -计算的烧结矿碱度值,%.(3)铁料含铁波动±1%,影响烧结矿TFe 的计算公式:)())((残存))()(()(外外01111)(TFe w I W P TFe w W P TFe w TFe w gii i i ii i i ---+±-+=∆∑∑ 式中 )(TFe w ∆—烧结矿TFe 含量的波动值,%; )(外∑i TFe w —配比中除i 种矿粉外各种矿粉带入的铁量之和(干基),%;i P —i 种原料湿配比,%;)(i TFe w —i 种原料的含铁量,%;i W —i 种原料的水分,%;∑外残存i —除i 种原料外各种原料的残存量之和,%;gi I —i 种原料的烧损,%;)(0TFe w —计算的烧结矿TFe 含量,%。
配料计算第四步烧结配料表的计算一、使用配料计算表的注意点:1、烧结一次配料表计算表是针对有一次配料的厂矿计算混匀矿成分而设,如果没有一次配料则直接使用二次配料配比表(综合配比表)。
使用一次配料表计算表按一次配料原则预想的混匀矿成分计算一次配料配比;使用二次配料表按烧结矿成分计算二次配料配比或综合配料配比。
2、把各种所需配入的物料成分通过全量分析校验后输入成分分析表格。
对校验全量值不在99-100%内的物料必须找出偏差原因,对其进行分析、修正后,方可带入(需要大量应用全量公式的实际工作经验方可准确)。
3、严格按照配料原则和预想烧结矿成分计算各种物料配入量,铁料配比值宜取整数,熔剂和燃料配比值宜取1位小数,因返矿需要和燃料、熔剂做临时逆向调整,故返矿也取一位小数。
配比栏配比值右侧计算过程数据、预想混匀矿成分和预想烧结矿成分至少保留3位小数。
4、配比基本确定后用全量公式验算表中烧结矿成分,烧结矿全量值应保持在99-100%,其值不在此范围内说明某一种或几种原料全量值存在偏差或者计算过程存在错误,必须逐项进行检查,找出错误点(经验足够的话可以直接找到错误点),并加以改正,重新计算配比。
5、因在同样烧结矿成分要求和同样原料条件下可以计算出无数的配比,所以无论计算烧结一次配料配比还是烧结综合配比时必须遵守各项配料原则,而且计算人都必须具有相当丰富的烧结生产理论知识和实践经验,能够实现生产顺行的基础上完成制定配比,以保证烧结矿的优质、高产、低耗。
(如开机时的燃料配比除了理论上按热平衡计算配入外就只能根据经验值配入,所以燃料配加量的确定是开机时尽量减少物料种类的主要原因之一)。
绝对不能只是为了求得满足烧结成分要求的配比而忽视各种规则进行简单的凑数。
6、如果实际原料条件达不到配比优化要求时可以适当放宽配料原则,但必须根据烧结理论和经验做出相应的技术和操作调整。
二、一次配料配比计算表内计算公式说明(一次配料计算表见表1)表1干料量计算公式说明:每种物料的干料量(J4-J16)由每种物料的配比乘以(1-水分%)获得。
烧结配料的计算调整一、现场简易计算调整1、干料配比=湿料配比×(100—水分)%2、残存量 =干料配比×(100—烧损)%3、焦粉残存=焦粉干料配比×(100—烧损)%=焦粉干料配比×灰分4、烧结矿残存率=(总残存量÷总干料量)×%5、进入配合料中TFe=原料含铁量×干料配比SiO2=原料SiO2含量×干料配比CaO=原料CaO含量×干料配比6、烧结矿碱度R的工业计算R2=(CaO矿×矿石量+ CaO灰×灰石量) ÷(SiO2矿×矿石量+ SiO2灰×灰石量﹍+S(0。
5—1.5))7、配合料及烧结矿的化学成分TFe料=各种物料带入TFe之和÷各种干原料之和TFe矿=各种物料带入TFe之和÷总残存量SiO2料=各种物料带入SiO2之和÷各种干原料之和SiO2矿=各种物料带入SiO2之和÷总残存量CaO料=各种物料带入CaO之和÷各种干原料之和CaO矿=各种物料带入CaO之和÷总残存量二、配用石灰石的计算公式(阿尔希波夫公式)100×(k×a—b)/【k×(a-c)+(d—b)】=加入量%K——-—规定的碱度a-——-料中SiO2+AI2O3的含量(石灰石中的除外)b——-—料中CaO+MgO的含量(石灰石中的除外)c———-石灰石中SiO2+AI2O3的含量%d—---石灰石中CaO+MgO的含量%三、燃料配用量和配比的计算公式Q燃=C混×(Q配+Q返)—C返×Q返/C煤 kgB燃=Q燃÷Q配%式中:Q燃、Q配、 Q返分别为燃料配用量、配料室总流量、返矿流量C混、C返、C煤—-—-分别为混合料固定碳、返矿残碳、煤粉固定碳%B燃--—-为燃料配比%四、白云石配加量(干)的简易计算公式白云石配比=(MgO A- MgO A‵)%×A/(1—H2O白%)×MgO白%式中:MgO A—-—-烧结矿要求的MgO A%MgO A‵--未加白云石烧结矿的MgO A%H2O白——-—白云石中含H2O%五、已知高炉渣中MgO含量,求烧结矿MgO含量。
烧结配料计算第二步校准化验成分现场各种物料的化验数据代入烧结矿原料全量公式里进行校准。
各种物料成分带入配比前必须进行化验。
化验后用每种物料的全量公式校验主要成分,校验无误后方可带入配比表进行计算。
校验精度范围:99-100%。
烧结的物料种类:铁料中的澳洲矿粉、巴西矿粉、印度矿粉和国内铁精粉;燃料中的焦粉和白煤;熔剂中的石灰石、生石灰和白云石;辅料中的高炉灰、铁皮、钢渣。
最后讲解返矿。
一、全量公式澳粉全量公式(%):全铁/0.7+二氧化硅+氧化钙+氧化镁+三氧化二铝+化验烧损(结晶水)+1(烧结过程中三氧化二铁转化成氧化亚铁失重)+0.5~1(杂质)=100;巴西粉全量公式(%):全铁/0.7-0.11氧化亚铁+二氧化硅+氧化钙+氧化镁+三氧化二铝+化验烧损(结晶水)+1(烧结过程中三氧化二铁转化成氧化亚铁失重)+0.5~1(杂质)=100;印粉全量公式(%):全铁/0.7+二氧化硅+氧化钙+氧化镁+三氧化二铝+化验烧损(结晶水)+1(烧结过程中三氧化二铁转化成氧化亚铁失重)+1~1.5(杂质)=100;国内铁精粉全量公式(%):全铁/0.7-0.11氧化亚铁+二氧化硅+氧化钙+氧化镁+三氧化二铝+1(烧结过程中三氧化二铁转化成氧化亚铁失重)+0.5(杂质)=100;铁料全量普遍规律:前两项数值之和与结晶水及杂质成反比。
白煤全量公式(%):全铁/0.7+二氧化硅+氧化钙+氧化镁+三氧化二铝+烧损+2(挥发分)+1(结晶水)+1(杂质)=100;焦粉全量公式%:全铁/0.7+二氧化硅+氧化钙+氧化镁+三氧化二铝+烧损+1(挥发分)+0.5(杂质)=100;生石灰全量公式(%):氧化钙+氧化镁+二氧化硅+三氧化二铝+烧损+1(杂质)=100;石灰石全量公式(%):氧化钙+氧化镁+二氧化硅+三氧化二铝+烧损+1~1.5(杂质)=100;白云石全量公式(%):氧化钙+氧化镁+二氧化硅+三氧化二铝+烧损+1~1.5(杂质)=100;高炉重力除尘灰全量公式(%):全铁/0.7-0.11亚铁+固定炭+二氧化硅+氧化钙+氧化镁+三氧化二铝+1(杂质)+0.5(烧结过程中三氧化二铁转化成氧化亚铁失重)=100;高炉布袋除尘灰全量公式(%):全铁/0.7-0.11亚铁+固定碳+二氧化硅+氧化钙+氧化镁+三氧化二铝+1(杂质)+0.5(烧结过程中三氧化二铁转化成氧化亚铁失重)=100;钢渣全量公式(%):全铁/0.7-0.11亚铁+二氧化硅+氧化钙+氧化镁+1(烧结过程中三氧化二铁转化成氧化亚铁失重)+烧损(残炭)+0.5(杂质)=100;氧化铁皮全量公式(%):全铁/0.7-0.11亚铁=100;纯净氧化铁皮,不含杂质和粉尘。