潜油电泵振动故障原因及分析
- 格式:doc
- 大小:24.00 KB
- 文档页数:5
潜油电泵井异常各种因素及应对措施摘要:分析了造成潜油电泵井异常的各种因素,并提出了相应的技术对策。
应用表明,只有将提高机组质量、优化选井选泵与强化生产管理有机地结合起来,提高潜油电泵的使用寿命,才能延长检泵周期。
关键词:潜油电泵因素分析对策检泵周期潜油电泵采油已成为某油田的重要采油手段之一。
潜油电泵以其排量大、设备简单、安装使用方便等特点,已成为提高排液量、保持稳产的重要采油方式。
但由于潜油电泵在井下的工作环境恶劣,加上各种因素的影响,容易机组损坏,造成检泵周期短,而潜油电泵机组一次性投入费用高,作业维护费用高,这样就会使采油成本上升,从而影响潜油电泵采油的经济效益。
为此,经常不断地分析影响潜油电泵井检泵周期的因素,及时采取对策,最大限度地减少机组损坏,延长潜油电泵井的免修期,提高潜油电泵井的利用率和、采油时率和经济效益,降低采油成本,具有十分重要的意义。
1 影响检泵周期因素主要有地质因素、工程施工及管理因素、机组质量因素、电力因素等。
1.1地质因素(1)供液不足。
由于供采不协调,油井的供液能力低于潜油电泵机组的采液能力,造成供液不足对潜油电泵寿命的影响。
①由于供液不足,通过电机周围的液量少,流速低,②由于供液不足,泵排出液量少,不能工作在最佳排量区内,一旦泵的流量低于最低界限条件,下推力磨损增加,会加快泵的损坏。
③长期的供液不足,会造成频繁停机。
频繁启、停电泵,会使电机内部温度频繁交替上升和下降,从而造成保护器呼吸的次数增加;其次,每启动电泵一次,井下电机会受到电机正常运转时额定电流2~8倍的冲击,对电机、电缆绝缘造成很大伤害;再次,对泵的机械冲击损害较大,容易造成机组的轴被拧断,或花键套脱销、断脱。
(2)油井出砂。
潜油电泵对油井井液的含砂量要求是不超过0 5%,否则将会严重影响潜油电泵的运转寿命。
(3)油井结垢。
一般发生在井温较高的井中,垢容易沉积在泵的花键套、泵轴及叶导轮等部位,随温的升高,流体流速的降低,结垢速度加快。
2021年12期科技创新与应用Technology Innovation and Application方法创新潜油电泵运行故障分析及处理实践杜圣道(中海石油(中国)有限公司深圳分公司,广东深圳518000)潜油电泵是在井口下工作的多级离心泵,同油管下入井内,地面电源通过潜油电泵专用电缆输入井下电机,使电机驱动多级离心泵旋转,将井下液体输送至地面。
潜油电泵由三大部分组成,其中井下部分为:多级离心泵、电机、保护器、分离器,中间部分为电缆,地面部分包括控制屏、变压器、接线盒,详见图1。
因此,熟悉潜油电泵井故障的一般分析方法,掌握常见故障分析及重点处理内容,理解故障原因验证方法的关键点,是现场管理人员必备的技能。
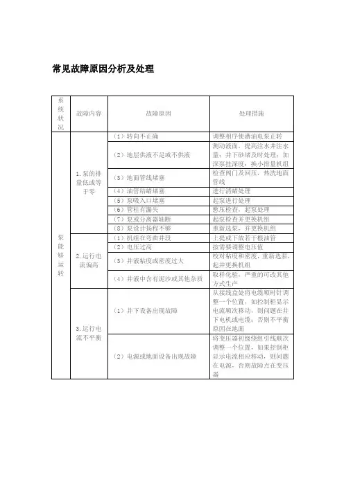
1常见故障现象分析及处理潜油电泵故障分析,首先从故障现象剖析可能产生的原因,再进行检查试验验证分析,确定了故障原因后可采取针对性措施,有效解决故障。
1.1机组无法启动机组不能启动故障通常为电气类故障,一般发生在钻完井后开井,或运行中突然停机,启动电泵时机组不能启动的情况下。
如果是电源、变压器、控制线路故障或参数设置不正确,可通过检查电气故障及参数设置来验证故障原因,检修或更换故障元件即可解决故障。
如果因电缆或电机绝缘破坏或短路,则可通过测量三相直阻和对地绝缘电阻来验证,更换电缆、电机即可解决故障。
1.2运行电流偏高或过载运行电流偏高一般是电机负载增大,严重时可能过载停机。
在生产实践中,造成电机负载的原因较多。
(1)可能机组在弯曲井段,需要查阅钻完井档案资料,重点关注狗腿度,可通过修井,调整泵挂深度来降低电机负荷。
(2)可能井液粘度或密度过大,或井液中含有泥沙等杂质,可通过取样化验井液组分参数及含砂情况,或可尝试压井或反转,或可改用其它方式生产。
(3)如果死油过多,压井液未替喷干净或长时间停井、钻完井后开井时,也可能发生;可通过热洗或柴油替喷。
(4)井下单流阀漏失,油管中产生真空;可通过往油管灌液试压验证;修井维修单流阀,测试单流阀密封面的密封性满足要求即可。
油井电泵常见故障原因分析及维修方法油井电泵常见故障原因分析及维修方法油井电泵常见故障原因分析及维修方法摘要:电泵在油井的应用十分广泛,作用重要。
担负着石油开采的重任。
特别是油田的采油处于高含水期之时,加大对油井电泵的检测和维修、维护是保证石油开采顺利进行的前提。
本文结合笔者工作经验,主要分析了油井电泵特别是潜油电泵的特点,在此基础上谈了如何进行检测以及相关故障的维修。
关键词:油井电泵检测故障维修电泵在油井的应用十分广泛,作用重要。
担负着石油开采的重任。
特别是油田的采油处于高含水期之时,加大对油井电泵的检测和维修、维护是保证石油开采顺利进行的前提。
本文结合笔者工作经验,主要分析油井电泵特别是潜油电泵的特点,在此基础上谈了如何进行检测以及相关故障的维修。
下面具体谈一谈:一、油井电泵的组成和工作原理分析要想对油井电泵进行检测维修,势必要对其组成结构和工作原理搞清楚,这是检测维修的前提。
下面以潜油电泵为例谈谈组成结构。
潜油电泵的结构比较复杂,部件众多,因此它的失效形式也多种多样。
为了研究潜油电泵系统的失效形式就必须先了解潜油电泵的基本结构组成。
潜油电泵是一种机械采油设备,其作用就是将井下的液体抽送到地面。
潜油电泵机组主要由三个部分组成。
井下部分主要包括:潜油电泵、潜油电机、电机保护器、油气分离器、潜油电缆;地面设备主要包括:变压器、控制柜、接线盒;辅助设备主要包括:单流阀、泄油器、扶正器、泵出口接头、测温测压装置、井口穿越器、接线盒。
潜油电泵的工作原理是通过电能驱动,电网电压首先经过变压器改变电压后输入到控制柜,通过潜油电缆将电能传给潜油电机,潜油电动机再为气液分离器和潜油电泵提供动力。
液体在进入泵之前首先要通过分离器,这是因为在液体中混有大量的气体,如果这些气体随液体一起进入泵中就会形成气锁,导致液体无法被正常抽出。
分离器就是一种防止泵气锁的设备,它能将游离气体引导到远离吸入口的位置。
分离器通过叶轮的带动将液体送至潜油电泵。
潜水电泵为什么会出现振动?
我们在使用潜水电泵在使用的时候会经常出现振动的现象,出现这种情况很多人都会紧张害怕,以为电泵要坏了,其实我们完全不用去紧张,下面我们淄博博电泵业有限公司为大家介绍一下是什么原因导致了这种情况。
1、水位下降,电泵露出水面,导致抽水的时候不仅抽水,还抽入大量的空气。
2、水位超高,泵站需要扬程加大,电泵工作在拐点附近的马鞍形不稳定区域。
3、吸上的水挟带的异物,被堵塞吸附在旋转叶轮上,除了会引起前述的流场不对称水力振动外,还将会破坏转子的静和动平衡,出现由机械不平衡干扰力引发机械振动的现象。
4、泵的半轴出现了否弯曲或单边摩擦,我们需要将轴校直或更换新的。
5、泵轴与电机轴不同心,就需要我们重新组装调整,将两者调整到同心。
6、转轴出现弯曲,使得电动机的气隙不均匀,轴承受力恶化,甚至会使电动机的定子与转子相擦,使潜水泵运行时产生剧烈振动。
7、连接法兰与螺栓出现松动,我们可以拧紧松动的螺栓,使法兰连接牢固。
8、水流的流速方向都发生了改变,水流撞击叶轮导致电泵发生剧烈的振动。
以上的8条基本生就涵盖了所有潜水电泵出现剧烈振动的因素,希望对大家有所帮助。
简述潜油电泵井常见故障和改进方法潜油电泵在油田的利用率很高,因其设备简单,安装方便,排量大,是保持稳产的一种有效采油方式,也日益成为油田开采的重要手段之一。
但是由于潜油电泵面临的井下工作环境复杂恶劣,一旦发生损坏,就要投入高昂的维修费用,给企业也带来巨大的经济损失。
如何最大限度减少机组损坏,延长潜油电泵的使用时间,提高潜油电泵井的利用率,是油田企业节约成本,增加经济效益的首要解决问题。
1、潜油电泵故障分析方法潜油电泵系统由多个既相互独立,又相互影响的子系统组成,我们可以从系统的角度,对各子系统进行故障分析,抓住重点故障部位进行观察检测。
采用故障分析法,把整个潜油电泵系统中最不希望发生的故障作为首要分析目标,模拟故障状态并查找相关因素,可以用图形演绎的方法建立故障模型,定量的计算出故障发生概率,得出潜油电泵系统的危险程度,为系统的安全性提供一定的依据。
2、潜油电泵井出现的常见故障潜油电泵机组由多级离心泵组成,同油管一起放入井内工作,通过变压器、控制屏、电源、电缆等连接多级离心泵、油气分离器、潜油电机和保护器等部件,通过将电能输送给潜油电机来带动多级离心泵旋转,将电能转化为机械能,将井内的井液举升到地面。
潜油电泵机组具有扬程高、排量范围大的特点,速度和频率还可以根据开采需要进行调整变化,地面设备占地面积小,在海上平台也方便使用,便于管理,在斜井和水平井上使用较多。
根据日常使用经验,总结出潜油电泵井常见的故障,具体分析如下。
2.1 潜油泵故障分析潜油泵是由多级叶轮组成,连接成多级离心泵,外形细长,结构特殊,位于潜油电泵系统的最顶端,是整个潜油电泵系统的核心部件,支撑了整套电泵系统的重量。
工作原理与普通离心泵相同,电机带动叶轮高速旋转,将叶轮内的液体通过叶片间的流道甩向叶轮四周,液体受到的压力和速度不断增加,逐级流经所有的叶轮和导轮,液体压能逐次增加,最终获得一定扬程,完成将井液输送至地面的过程。
导致潜油泵出现故障的原因通常为:①油井内出砂或结蜡、结垢使泵头和油管官腔堵塞,导致泵排量下降。
潜油电泵常见故障原因及改进措施【摘要】潜油电泵机组作为一种重要的机械采油设备,在油田内部应用较为广泛,主要用于二次和三次采油中,其举升扬程高、采液排量大,是其他人工举升装备无法替代的。
潜油电泵机组的检修周期是油井生产中重要的技术经济指标之一,在生产过程城中任何一个部件发生故障都可能导致油井停机。
本文主要分析了潜油电泵在使用中常见的故障及故障的改进措施。
【关键词】潜油电泵故障措施1 故障原因分析1.1 潜油电泵故障1.1.1磨损问题潜油电泵所处的井液含有大量杂质,而潜油电泵工作时要完全浸入井液并作高速的旋转。
因此,潜油电泵肯定会因为发生磨损而发生故障。
磨损的形式有磨薄、局部磨穿、磨没等。
泵头、泵座处的扶正轴承、叶轮和导壳配合处、泵轴也常会产生严重的磨损。
具体故障的原因有:①叶轮与导壳接触面存在接触摩擦力,同时叶轮与导壳之间又存在配合间隙,井液中的杂质会混进配合间隙中,使摩擦力进一步增大,加剧了叶轮和导壳的磨损。
更糟的是,磨损后叶轮与导壳间隙又变大,其结果又会进一步加速叶轮的磨损和失效;②由于叶轮随泵轴做高速旋转运动,叶轮与导壳相接触会发生磨擦损伤;1.1.2地质因素地质原因最主要的就是井液中含砂量过多,并且伴随着结垢。
含沙量过大会导致砂卡。
砂卡就是沙埋管柱,造成管柱堵塞的实效现象。
砂卡可使机组过载停机、断轴、机组落井。
而结垢可导致电动机载荷增大,温度升高、甚至烧毁。
具体故障原因有:①由于叶轮与导壳的过流表面长期暴漏在在含有砂粒的液体中,并被不断地冲刷、摩擦,过早的产生严重的磨损。
②如果地层供液不足,不仅会造成机组不能正常运转,甚至还会导致泵磨损加剧和机组的冷却液得不到补充,造成局部高温现象。
1.2 分离器故障油气分离器位于保护器和离心泵之间,其主要作用是将混合气液进行气、液两相分离,而后使分离出的液体进入离心泵,使分离出的气体进入油管和套管的环形空间排出。
这样就可以避免气体对泵产生气蚀或者发生气锁,减少气体对泵工作性能的影响,提高了泵的生产效率并延长泵的使用寿命。
4.1 潜油电泵井的常见故障及处理方法油井是井口平台的核心,油井管理也是平台操作人员的工作重点。
潜油电泵井的常见故障如下:4.1.1 欠载导致欠载的可能原因和相应的处理措施:●地层供液不足。
若地层暂时供液不足,此时电泵运行电流下降,油压下降,温度降低,产液量也下降,若电流比欠载电流设定值高出较多,此时应当适当缩小油嘴,控制产液量,当油压恢复正常后,再逐渐放大油嘴至原来刻度正常生产。
若电流已接近欠载值,则应立即环空挤水,当油压恢复正常后停,在补水的过程中,应注意过载停机的可能。
若地层长久性供液不足,则应采取酸化等措施,清除油层污染物,提高油层的渗透率。
●套压过高。
由于套压过高,动液面就下降,当动液面接近泵的吸入口时,就容易导致欠载停机。
此时应当缓慢释放套压气,并密切注意观察电流的变化。
●气体影响。
根据油气分离的部位可分为:(1)油层脱气。
随着油田的开发,地层的压力逐渐下降,于是在油井附近的油层开始出现脱气现象,若脱气轻微,气体随着液体流动和地层压差,逐渐向井筒运移,在运移的过程中,气体不但聚集和膨胀,当到达井筒时,易形成泡流和段塞流的形式,在这种情况下,电泵极易突然欠载。
若脱气严重,此时油层易形成气阻现象,导致地层不能正常供液而停止生产。
当地层出现脱气现象,应采取给地层增压措施,如注水等。
(2)井底脱气。
当生产压差过大,则井底流压过低,此时易形成井底脱气。
当脱气轻微,井筒液体流动以泡流形式,此时电泵能正常生产;当脱气严重时,井筒液体流动以段塞流的形式,电泵易突然欠载,此时应适当控制产量,减小生产压差。
(3)泵的吸入口处脱气。
在生产的过程中,泵的吸入口处压力较低,此时极易造成油气分离,但在泵的吸入口周围的气油比是相对稳定的。
若此时泵的沉没度够以及油气分离器的效果好,电泵正常生产;若泵的沉没度不够以及油气分离器的效果不太好,电泵的运行电流波动较大,泵易产生气蚀,严重时导致欠载。
此时可采取加深泵挂深度以提高泵的沉没度或控制产量以提高动液面或加多油气分离器的级数以提高油气分离的效果。
变压器潜油泵故障原因变压器潜油泵是变压器油箱中的一种特殊泵,作用是将变压器油从油箱底部抽出,并通过油管输送到变压器的各个部位。
然而,在使用过程中,潜油泵有时会出现故障,影响变压器的正常运行。
本文将从不同的角度探讨变压器潜油泵故障的原因。
变压器潜油泵故障的原因之一是电机故障。
潜油泵通常由电机驱动,电机的正常运行对潜油泵的工作起着至关重要的作用。
电机故障可能包括绝缘损坏、轴承磨损、线圈短路等情况。
这些故障会导致电机无法正常运转,从而使潜油泵停止工作。
潜油泵内部零部件的损坏也是潜油泵故障的常见原因之一。
潜油泵由多个零部件组成,包括叶轮、轴承、机械密封等。
这些零部件在长时间运行或使用不当的情况下会出现磨损、裂纹、老化等问题,导致潜油泵无法正常工作。
例如,叶轮磨损会导致泵的效率降低,轴承损坏会导致泵的噪音增加,机械密封失效会导致泵的泄漏等。
潜油泵的进口阻力也可能引起故障。
潜油泵吸入油的过程中,如果进口管道存在堵塞、弯曲或过长等问题,会导致泵的进口阻力增大,从而使泵的吸油能力下降。
进口阻力过大可能导致潜油泵无法正常吸入油,甚至引起泵的过热和损坏。
变压器油的质量问题也可能导致潜油泵故障。
变压器油在使用过程中可能会受到污染、氧化、水分等因素的影响,导致油的质量下降。
当变压器油中存在大量杂质或水分时,会增加潜油泵的磨损和堵塞的风险,最终导致潜油泵无法正常工作。
操作不当也是潜油泵故障的原因之一。
在潜油泵的安装、维护和运行过程中,如果操作不当,会增加潜油泵故障的风险。
例如,错误的安装方式可能导致泵的振动增大;不定期进行维护和保养可能导致泵的零部件损坏;过高或过低的电压和频率可能影响泵的正常运行。
变压器潜油泵故障的原因多种多样,包括电机故障、内部零部件损坏、进口阻力、油的质量问题和操作不当等。
为了减少故障发生的可能性,我们应该定期检查和维护潜油泵,确保其正常运行。
此外,正确的操作和保养方法也是预防潜油泵故障的重要措施。
潜油电泵振动故障原因及分析
【摘要】潜油电泵是重要采油设备中的一种,随着油田进入高含水期,越来越被广泛的应用,出现的故障类型也越来越多,比较常见的有过载停机、欠载停机等故障,本文主要重点分析了引起潜油电泵振动故障的主要原因,并指出了引起振动的主要振动源及预防措施。
【关键词】潜油电泵振动故障分析
潜油电泵采油技术由于其具有排量大、功率高、地面设备和井下传递能量方式简单等优点而得到广泛应用。
近年来,随着各油田开发过程中含水的不断升高,潜油电泵已成为国内外人工举升采油的第二大设备。
由于潜油电泵的结构较为复杂,工作环境恶劣,在使用过程中综合故障率较高,严重时会出现整个机组落井的重大事故,造成重大经济损失。
对现场监控设备采集来的数据和实际检泵情况分析表明,振动过大往往是引发潜油电泵其他故障的根源之一,它会使潜油电泵使用寿命大幅度降低。
1 潜油电泵的基本结构
为适应经济有效地开采地下石油而逐渐发展起来日趋成熟的一种人工采油方式。
它具有排量扬程范围大、功率大、生产压差大、适应性强、地面工艺流程简单、机组工作寿命长、管理方便、经济效益显著的特点。
潜油电泵采油原理是潜油电泵机组下入油井内一定深度,在一定的沉没压力下,电动机带动离心泵高速旋转;与此同时,井内油流经过分离器分离出部分游离的气体后,进入多级
离心泵,油流在多级离心泵多级增压形成足够的压头,并被举升至地面。
潜油电泵系统由三部分组成:潜油电泵机组、地面电气设备和动力电缆,如图1所示。
人们习惯上所说的潜油电泵其实是指潜油电泵系统的核心部分,即井下潜油电泵机组。
潜油电泵的全称为沉没式潜油电动离心泵,它是一种无杆式抽油泵,主要由电动机、保护器、分离器和离心泵四个部件组成。
2 振动对潜油电泵产生的危害
从实际工作的资料上看,潜油电泵井停机的常见原因是泵的损坏,造成泵损坏的主要原因是机组的振动。
潜油电泵的振动容易造成机组各部件壳体之间的联接螺栓变形与断裂,也致使泵内各零件的磨损,例如泵轴磨损、导轮及叶轮磨损和积垢,严重时会导致卡泵和零件损坏,还会导致保护器失效,井液进入电机内,烧毁电机。
导致机组产生振动有必然因素,也有人为因素。
各种的人为因素引起的振动导致了动载荷,也加剧了零部件的磨损,磨损和变形也加剧了振动,而振动必然导致了机组上各零部件的早起破坏和整机事故的发生。
3 潜油电泵振动原因分析
潜油电泵为一细长的离心泵,其级数高达几百级,每级都由一个“浮套”在轴上的叶轮组成,叶轮与导轮配对用于级与级之间的导流。
叶轮导轮总成装在一个直径很小的泵壳内。
电泵主轴上下两瑞由扶正套扶正,扶正套与轴的间隙远比导轮和叶轮的间隙小。
工作
时,主轴带动叶轮在导轮所形成的环形空间内转动。
当潜油电泵的压力、排量出现波动时;电泵主轴弯曲产生交变载荷时;叶轮旋转不平衡时;井口管线回压出现波动时;泵壳弯曲时;当电机起动时转子在电磁力作用下与定子对形成冲击力或由于装配不当时,都会引起电泵主轴产生振动。
事实上,潜油电泵在工作过程中运行情况更复杂。
由于叶轮与主轴一起在导轮形成的很小的环形空间内转动,当激发力施加在主轴上引起振动时,主轴横向振幅即最大挠度不可能超出叶轮与导轮间的最大间隙。
随着振动的加剧,振幅受导轮内壁限制,形成叶轮外圆面与导轮内孔面的带冲击的强烈摩擦,从而形成电泵机组的振动,导致各级泵的不平衡和电泵主轴的微小弯曲,并通过金属金属接触面传给保护器、电机,加速了电泵机组的损坏,引起电泵机组的失效。
以上分析是机组下到垂直井里的情况。
实际上很少有真正垂直的井筒,每口井都有一定的偏斜度,电泵在泵挂深度处也可能有少许弯曲,这些都会对电泵机组的振动造成较大影响。
4 预防潜油电泵振动的主要措施
4.1 提高油井状况分析的准确性
如果对井况的分析不准确,容易导致选泵匹配不合理或使用管理不当,在潜油电泵使用过程中容易产生机组振动,所以必须通过加强设计管理,从源头上避免出现选泵偏差较大,机组选型不合理造成机组振动。
同时要加强潜油电泵井的管理,减少由于使用管理上的疏忽,造成机组损坏。
4.2 提高制造和安装质量
制造和安装质量容易造成泵系统本身的不平衡,所以应该提高产品制造和安装时的工艺技术,加强技术管理,提高产品质量,在潜油电泵系统中,从结构和工作条件分析,分离器和保护器的尺寸小,刚性好,运动主要是轴,运转比较平稳,而电动机是一个封闭的而系统,内部零件不受井液侵蚀和冲击,无垢现象,并且零件少,刚性好,制造中经过了严格的平衡试验,因此运转也较平稳。
5 结语
潜油电泵的振动与设计、制造和应用方法有很大关系。
实际上潜油电泵系统内所具有的挠曲性对输送产出液和提高系统在油井内
的适应能力都是非常有利的。
但同时要求它所具有的抗振能力比其他工业设备要大。
潜油电泵失效的多数原因应归咎于密封总成和推力腔的失效。
而产生失效的主要原因与泵的振动以及泵的密封总成和轴承无力承受强烈的径向振动密切相关。
提高潜油电泵系统工作寿命的方法是,改进设计推力腔以便安装径向轴承,这种轴承比常用的常规轴承更为抗振;选用耐磨和低脆性的密封材料。
参考文献
[1] 李洪周,朱法银,邹积举.潜油电泵振动故障分析及振动模型[j]. 石油机械,1997(12)
[2] 彭惠芬,刘巨保.潜油电泵轴断裂失效分析[j].油气田地面工程,2006(02)
[3] 吴瑞坤,刘启智,张鸣宇.潜油电泵优化设计及功效分析[j].
中外能源, 2006(02)。