公务员体能测试技巧M折返跑M纵跳摸高
- 格式:pdf
- 大小:116.81 KB
- 文档页数:6
考研数学基础差的考生如何复习考研数学基础差考生复习建议从近十年考研数学真题来看,试卷中80%的题目都是基础题目,真正需要冥思苦想的偏题、难题只是少数。
这就要求同学们结合考研辅导书和大纲,先吃透基本概念、基本方法和基本定理,只有对基本概念深入理解,对基本定理和公式牢牢记住,才能找到解题的突破口和切入点。
数学最需要强调的是基础而不是技巧,很多同学往往不重视基础的学习,反而只是忙着做题,想通过题海战术取得考研数学高分。
这就像是不会走路的孩子总想着直接跑步一样,即便是投入再大的精力,当然也无法起到预期的效果。
很多同学学习数学时就喜欢看例题,看别人做好的题目,看别人分析、总结好的解题方法、步骤。
只是一味的被动的接受别人的东西,就永远也变不成自己的东西。
在做题时,一定要自己先思考,不管做到什么程度,最起码你思考了。
只有这样,才能对知识有更深入的理解和掌握,才会具有独立的解题能力。
学好数学需要多做题,但并不是让同学们搞题海战术,而是提倡精练,即反复做一些典型的题,做到一题多解,一题多变。
有一点要注意,做题一定要写出详细的步骤。
如果忽略了这点,很容易造成同学们的眼高手低,遇到题目不能够细心对待。
而且很可能在考试的过程中即使遇到再简单的大题,也不能拿到全分。
每学完一个知识点要进行总结,把知识点的精华部分提炼出来,写在笔记本上,对不太懂的知识点以及考试常考的知识点要进行详细的记录,在以后复习过程中,直接看笔记本即可。
对知识点的整理、总结,可帮助考生进一步加深对知识点的理解、掌握。
学数学,做题是必不可少的。
大家做每一道题都要认真对待,将题目从头看一遍,分析该题考查了哪些知识,检查自己在解题中的缺陷,找到简便的解题方法。
对于做错的题目要做重点标记,并抄到错题本上,总结一下自己在哪些方面出错了,原因是什么,找到问题解决问题,才能在今后遇到同类型的题目不再犯相同的错误。
对于大题来说,不再考查单一知识点,而是同时考查多个不同章节的知识点,通过练习掌握这些知识点间的联系,从而使自己所掌握的知识系统化,达到融会贯通。
招警体能测试纵跳摸高的一些训练方法一、弹跳力是全身力量、跑动速度、反应速度、身体协调性、柔韧性、灵活性的综合体现。
所以我们不可以认为提高弹跳就成天的跳跳的就行了。
你必须坚持每天拉伸自己全身各部位的肌腱、韧带、肌肉,扩大关节的活动范围,同时,做各种复杂的有利于提高身体协调性的体操。
动作要准确、优美、既有力又放松。
二、力量训练最好由身体训练教练安排和辅导。
如自己进行训练,最好每周进行2到4次的大力量训练,训练时必须注意安全,以免发生意外伤害。
所谓大力量训练就是利用杠铃进行大负荷的练习。
最典型常用的有三种:负重蹲起,提铃,抓举。
总之,这几项练习的成绩越高,你的弹跳力就越好。
至于每次练习的重量、组数、次数、动作规格等问题,原则是:1、大力量训练每周至少二次,不多于四次,要给身体超量恢复的时间,但要长年进行,不可间断。
2、每次课最好安排以上所述三项练习方法。
3、要讲究大力量训练的技术动作规格,切不可乱来。
4、小力量训练是指使用各种综合训练器械和哑铃等进行训练。
重量较轻,组数和次数较多。
目的是提高肌肉耐力,增粗肌纤维,减少脂肪,小力量训练可以变化着花园天天练,但最好不要和大力量训练同时进行。
无论大力量还是小力量训练,一次课的时间不要拖的太长,1.5小时至2小时为宜。
有强度还要有密度。
三、速度训练也是提高弹跳力的一个重要方面。
反复冲刺训练还是有必要的。
30次,50次,也许80次,那就要看你的吃苦精神了。
所谓冲刺,要求你自己在准备活动后全速往前冲,而不是中速。
专项速度训练同大力量训练相同,不必天天练,每周三小时即可。
还要特别注意运用小;力量训练手段增强大腿后侧肌肉群的力量。
四、各种专门的弹跳练习手段非常多,诸如跳绳、跳栏、摸篮圈、摸小黑框上沿,甚至摸篮板上沿。
最后,我要提一提神经系统和弹跳力的关系。
我们已经知道速度、力量、协调性、柔韧性、灵活性这些素质在瞬间综合向下作用于地面时就产生弹跳力,那么什么东西是这些素质在瞬间同时爆发呢?就是动机和运动神经系统。
公安体能测试标准公司内部编号:(GOOD-TMMT-MMUT-UUPTY-UUYY-DTTI-附件2:公安机关录用人民警察体能测评实施规则一、10米×4往返跑场地器材:10米长的直线跑道若干,在跑道的两端线(S1和S2)外30厘米处各划一条线(图1)。
木块(5厘米×10厘米)每道3块,其中2块放在S2线外的横线上,一块放在S1线外的横线上。
秒表若干块,使用前应进行校正。
测试方法:受测试者用站立式起跑,听到发令后从S1线外起跑,当跑到S2线前面,用一只手拿起一木块随即往回跑,跑到S1线前时交换木块,再跑回S2图1二、男子1000米跑、女子800米跑场地器材:400米田径跑道。
地面平坦,地质不限。
秒表若干块,使用前应进行校正。
测试方法:受测者分组测,每组不得少于2人,用站立式起跑。
当听到口令或哨音后开始起跑。
当受测者到达终点时停表,终点记录员负责登记每人成绩,登记成绩以分、秒为单位,不计小数。
三、纵跳摸高场地要求:通常在室内场地测试。
如选择室外场地测试,需在天气状况许可的情况下进行,当天平均气温应在15~35摄氏度之间,无太阳直射、风力不超过3级。
测试方法:准备测试阶段,受测者双脚自然分开,呈站立姿势。
接到指令后,受测者屈腿半蹲,双臂尽力后摆,然后向前上方快速摆臂,双腿同时发力,尽力垂直向上起跳,同时单手举起触摸固定的高度线或者自动摸高器的测试条,触摸到高度线或者测试条的视为合格。
测试不超过三次。
注意事项:(1)起跳时,受测者双腿不能移动或有垫步动作;(2)受测者指甲不得超过指尖0.3厘米;(3)受测者徒手触摸,不得带手套等其他物品;(4)受测者统一采用赤脚(可穿袜子)起跳,起跳处铺垫不超过2厘米的硬质无弹性垫子。
公安机关录用人民警察体能测评项目和标准(暂行)公安机关录用人民警察体能测评实施规则一、10米×4往返跑场地器材:10米长的直线跑道若干,在跑道的两端线(S1和S2)外30厘米处各划一条线(图1)。
木块(5厘米×10厘米)每道3块,其中2块放在S2线外的横线上,一块放在S1线外的横线上。
秒表若干块,使用前应进行校正。
测试方法:受测试者用站立式起跑,听到发令后从S1线外起跑,当跑到S2线前面,用一只手拿起一木块随即往回跑,跑到S1线前时交换木块,再跑回S2交换另一木块,比较后持木块冲出S1线,记录跑完全程的时间。
记录以秒为单位,取一位小数,第二位小数非“0”时则进1。
注意事项:当受测者取放木块时,脚不要越过S1和S2线。
二、男子1000米跑、女子800米跑场地器材:400米田径跑道。
地面平坦,地质不限。
秒表若干块,使用前应进行校正。
测试方法:受测者分组测,每组不得少于2人,用站立式起跑。
当听到口令或哨音后开始起跑。
当受测者到达终点时停表,终点记录员负责登记每人成绩,登记成绩以分、秒为单位,不计小数。
三、纵跳摸高场地要求:通常在室内场地测试。
如选择室外场地测试,需在天气状况许可的情况下进行,当天平均气温应在15~35摄氏度之间,无太阳直射、风力不超过3级。
测试方法:准备测试阶段,受测者双脚自然分开,呈站立姿势。
接到指令后,受测者屈腿半蹲,双臂尽力后摆,然后向前上方快速摆臂,双腿同时发力,尽力垂直向上起跳,同时单手举起触摸固定的高度线或者自动摸高器的测试条,触摸到高度线或者测试条的视为合格。
测试不超过三次。
注意事项:(1)起跳时,受测者双腿不能移动或有垫步动作;(2)受测者指甲不得超过指尖0.3厘米;(3)受测者徒手触摸,不得带手套等其他物品;(4)受测者统一采用赤脚(可穿袜子)起跳,起跳处铺垫不超过2厘米的硬质无弹性垫子。
公务员录用体检特殊标准(试行)公安机关、国家安全机关、监狱、劳动教养管理机关的人民警察和人民法院、人民检察院的司法警察职位,以及外交、海关、海事、检验检疫、安监等部门对身体条件有特殊要求的职位录用公务员,应按照《特殊标准》的规定检查有关体检项目。
公务员体能测试技巧(4×10M折返跑1000M 纵跳摸高) (1)纵跳摸高的一些训练方法 (4)一千米跑步、4乘10折返跑和立定跳远训练方法 (8)如何在一个星期内快速提高1000M和800M成绩 (14)公务员体能测试之体能训练计划(10米折返跑_摸高和1000米) 标准及训练方法 (19)公务员体能测试技巧(4×10M折返跑1000M 纵跳摸高)首先恭喜各位考生进入体能测试阶段!一、4×10M折返跑要学会转身时降低重心,转身后,快速摆臂蹬地加速,开始三到五步不要迈大步,身体由前倾逐渐抬起.提高反应加速跑练习如下:(1)半蹲踞式姿势,听到枪声迅速向上跳起并角及高物。
(2)直立姿势开始,逐渐各前倾斜接着快速跑出。
(3)在2—3度的斜跑道上,快速完成上坡或下坡加速跑练习,距离40—50米。
认真做好运动前的准备活动。
田径运动很容易造成肌肉、关节和韧带损伤,尤其下肢受伤的机会更多。
防止的唯一办法是赛前的准备活动。
准备活动越充分越不容易受伤。
可在慢跑的基础上对肩关节、肘关节、背腰肌肉、腿膝踝关节等部位进行活动,强化肌肉韧带的力量,提高机体的灵敏性和协调性,从而防止受伤,就可提高运动成绩。
二、女子800M,男子1000M短跑和中长跑跑的方法不太一样,短跑是无氧能力,中长跑是有氧能力. 你需要每天跑5000米.前3--5天用25分钟跑完.逐渐提高跑的速度. 最后到比赛前2--3天可以跑2000-3000米,关键要有强度,应该在8--10分钟跑完.要有信心和恒心.一定能成功跑进前三名. 一般情况下中长跑都是匀速跑成绩最好.除起跑后加速跑和最后冲刺跑外,途中基本上采用较高速度的匀速跑。
匀速跑的节奏和呼吸的节奏稳定,能保证需氧量和供氧量的平衡,能源物质不断地输入组织,可使机体营养处于良好的工作状态,对于节省体力和推迟疲劳的到来十分有利。
在比赛中,好的战术是成功的关键.应根据运动员的自身能力去争取胜利.在中长跑比赛中,跟随跑技术的使用是人们要求更好的比赛成绩的一种措施。
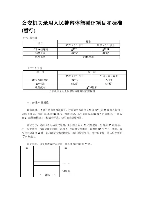
公安机关录用人民警察体能测评项目和标准(暂行)(一)男子组项目标准30岁(含)以下31岁(含)以上10米×4往返跑≤13″1≤13″41000米跑≤4′25″≤4′35″纵跳摸高≥265厘米(二)女子组项目标准30岁(含)以下31岁(含)以上10米X4往返跑≤14″1≤14″4 800米跑≤4′20″≤4′30″纵跳摸高≥230厘米公安机关录用人民警察体能测评实施规则一、10米×4往返跑场地器材:10米长的直线跑道若干,在跑道的两端线(S1和S2)外30厘米处各划一条线(图1)。
木块(5厘米×10厘米)每道3块,其中2块放在S2线外的横线上,一块放在S1线外的横线上。
秒表若干块,使用前应进行校正。
测试方法:受测试者用站立式起跑,听到发令后从S1线外起跑,当跑到S2线前面,用一只手拿起一木块随即往回跑,跑到S1线前时交换木块,再跑回S2交换另一木块,最后持木块冲出S1线,记录跑完全程的时间。
记录以秒为单位,取一位小数,第二位小数非“0”时则进1。
注意事项:当受测者取放木块时,脚不要越过S1和S2线。
S1 S2←→←10米→30厘米图1二、男子1000米跑、女子800米跑场地器材:400米田径跑道。
地面平坦,地质不限。
秒表若干块,使用前应进行校正。
测试方法:受测者分组测,每组不得少于2人,用站立式起跑。
当听到口令或哨音后开始起跑。
当受测者到达终点时停表,终点记录员负责登记每人成绩,登记成绩以分、秒为单位,不计小数。
三、纵跳摸高场地要求:通常在室内场地测试。
如选择室外场地测试,需在天气状况许可的情况下进行,当天平均气温应在15~35摄氏度之间,无太阳直射、风力不超过3级。
测试方法:准备测试阶段,受测者双脚自然分开,呈站立姿势。
接到指令后,受测者屈腿半蹲,双臂尽力后摆,然后向前上方快速摆臂,双腿同时发力,尽力垂直向上起跳,同时单手举起触摸固定的高度线或者自动摸高器的测试条,触摸到高度线或者测试条的视为合格。
体能测试办法
一、纵跳摸高注意事项:
1、起跳时,受测者双腿不能移动或有垫步动作;
2、受测者指甲不得超过指尖0.3厘米;
3、受测者徒手触摸,不得带手套等其他物品;
4、受测者统一采用赤脚(可穿袜子)起跳,起跳处铺垫不
超过2厘米的硬质无弹性垫子。
二、男子1000米跑、女子800米跑说明与注意事项:
1.测试中,受测者如因自身或他人原因摔倒,裁判不得停表,该受测者应立即站起来,继续完成该项目的测试。
2. 三名裁判员同时计时,计时结果如其中二人相同者,以相同值为受测者成绩,三人计时均不相同时,取三人计时结果的中间值为受测者成绩。
如一块表出现停表等技术问题,取其余两块表的平均值为受测者成绩。
公安机关录用人民警察体能测评项目和标准(暂行)(一)男子组(二)女子组附件2公安机关录用人民警察体能测评实施规则一、10米×4往返跑场地器材:10米长的直线跑道若干,在跑道的两端线(S1和S2)外30厘米处各划一条线(图1)。
木块(5厘米×10厘米)每道3块,其中2块放在S2线外的横线上,一块放在S1线外的横线上。
秒表若干块,使用前应进行校正。
测试方法:受测者用站立式起跑,听到发令后从S1线外起跑,当跑到S2线前面,用一只手拿起一木块随即往回跑,跑到S1线前时交换木块,再跑回S2交换另一木块,最后持木块冲出S1线,记录跑完全程的时间。
记录以秒为单位,取一位小数,第二位小数非“0”时则进1。
注意事项:当受测者取放木块时,脚不要越过S1和S2线。
图1二、男子1000米跑、女子800米跑场地器材:400米田径跑道。
地面平坦,地质不限。
秒表若干块,使用前应进行校正。
测试方法:受测者分组测,每组不得少于2人,用站立式起跑。
当听到口令或哨音后开始起跑。
当受测者到达终点时停表,终点记录员负责登记每人成绩,登记成绩以分、秒为单位,不计小数。
三、纵跳摸高场地要求:通常在室内场地测试。
如选择室外场地测试,需要在天气状况许可的情况下进行测试,当天平均气温应在15~35摄氏度之间,无太阳直射、风力不超过3级。
测试方法:准备测试阶段,受测者双脚自然分开,呈站立姿势。
接到指令后,受测者屈腿半蹲,双臂尽力后摆,然后向前上方快速摆臂,双腿同时发力,尽力垂直向上起跳,同时单手举起触摸固定的高度线或者自动摸高器的测试条,触摸到高度线或者测试条的视为合格。
测试不超过三次。
注意事项:(1)起跳时,受测者双腿不能移动或有垫步动作;(2)受测者指甲不得超过指尖0.3厘米;(3)受测者徒手触摸,不得带手套等其他物品;(4)受测者统一采用赤脚(可穿袜子)起跳,起跳处铺垫不超过2厘米的硬质无弹性垫子。
公务员体能(tǐ nénɡ)测试之体能训练方案(fāng àn)(10米折返跑,摸高和1000米)公务员体能(tǐ nénɡ)测试之体能训练方案(fāng àn)(10米折返跑,摸高和1000米)标准(biāozhǔn)及训练方法热身运动:1慢跑一圈2活动一下脖子,手腕,膝关节,踝关键,弓步压腿〔拉韧带〕3进行三遍遍10米×4往返跑≤13″1的流程摸高2.65m训练方法:1纵跳40秒一组,间隔15秒,共3组2深蹲20个一组,间隔20秒,共3组1000米跑≤4′25″训练方法:跑1000米技巧:在跑的过程中要保持匀速,最后要冲一下。
但不要慌乱,冲几十米后慢下来,让自己有个好的位置,然后,保持自己的速度,最好是跟随跑,就是跟上一个与自己水平差不多的人。
注意呼吸,自己的速度,最好是跟随跑,就是跟上一个与自己水平差不多的人。
在最后200米时,要用尽全身力气向前冲,这时可以大口呼吸直到冲过终点线,在训练的时候,需要注意以下几点:1、比赛前〔到赛前三天为止〕少吃或不吃含糖食物,到赛前三天开始多吃高2、认真做好运动前的准备活动。
肌肉、关节和韧带,认真做好运动前的准备活动。
可在慢跑的根底上对肩关节、肘关节、背腰肌肉、腿膝踝关分越不容易受伤。
3、运动或比赛前,学生应注意保持良好的睡眠和体力的积蓄,过多的饮食和饮水,更不得饮酒。
4、运动或比赛后,应做好放松活动,以尽快恢复体力和肌肉的力量。
是对身体各局部进行放松性的抖动、拍打,双人合作互相按摩等。
5、等全身发热时才脱外衣,跑结束后应立即披上外衣,以防伤风感冒。
所穿的鞋袜应柔软和脚。
1000米跑步技巧先从呼吸开始!呼吸要匀,要有节奏,不能忽快忽慢,否那么会打乱你的节奏,消耗很多体能.外除了呼吸还得注意比赛前的慢跑热身,准备活动,赛前心理调整,跑步姿势,身体重心,摆臂姿势,坚强的意志等.赛前30分钟之内不要吃任何食物。
不要喝其他饮料,口渴可喝白水,分钟之内不要吃任何食物。
公安机关录用人民警察体能测评项目和标准公安机关录用人民警察时,通常会进行一系列的考核,其中包括体能测评项目和标准。
体能是人民警察工作的基本要求之一,对警察的体能进行评估不仅能够筛选出适合的人才,还能够保证人民警察在执行任务过程中的稳定性和可靠性。
下面将介绍一些常见的体能测评项目和标准。
1.爬绳爬绳是一项常见的体能测评项目之一、该项目主要考核人民警察的上肢力量和协调性。
标准通常要求进行10米高度40mm垂直上爬绳,完成时间不超过30秒。
2.折返跑折返跑是一项常见的体能测评项目之一、该项目主要考核人民警察的速度和耐力。
标准通常要求在15米的距离上进行来回奔跑,完成时间不超过6.5秒。
3.指压板指压板是一项常见的体能测评项目之一、该项目主要考核人民警察的手臂肌力和耐力。
标准通常要求进行30次的指尖负荷指压,完成时间不超过30秒。
4.仰卧起坐仰卧起坐是一项常见的体能测评项目之一、该项目主要考核人民警察的腹肌力量和核心稳定性。
标准通常要求进行30次的仰卧起坐,完成时间不超过30秒。
5.平衡测试平衡测试是一项常见的体能测评项目之一、该项目主要考核人民警察的协调性和稳定性。
标准通常要求在平衡板上保持平衡,完成时间不超过30秒。
以上仅是一些常见的体能测评项目和标准,不同地区和不同公安机关可能会有一些差异。
此外,在体能测评过程中还会包括血压、肺活量、柔韧性等项目,以评估人民警察的整体体能状况。
总之,体能测评是公安机关录用人民警察的重要环节之一,通过对人民警察的体能进行评估,能够筛选出适合的人才,为公安工作提供有力支持。
人民警察应当注重锻炼身体,保持良好的体能状态,以提高工作的效率和质量。
公安体能测试标准 This manuscript was revised on November 28, 2020
附件2:
公安机关录用人民警察体能测评实施规则
一、10米×4往返跑
场地器材:10米长的直线跑道若干,在跑道的两端线(S1和S2)外30厘米处各划一条线(图1)。
木块(5厘米×10厘米)每道3块,其中2块放在S2线外的横线上,一块放在S1线外的横线上。
秒表若干块,使用前应进行校正。
图1
二、男子1000米跑、女子800米跑
场地器材:400米田径跑道。
地面平坦,地质不限。
秒表若干块,使用前应进行校正。
测试方法:受测者分组测,每组不得少于2人,用站立式起跑。
当听到口令或哨音后开始起跑。
当受测者到达终点时停表,终点记录员负责登记每人成绩,登记成绩以分、秒为单位,不计小数。
三、纵跳摸高
场地要求:通常在室内场地测试。
如选择室外场地测试,需在天气状况许可的情况下进行,当天平均气温应在15~35摄氏度之间,无太阳直射、风力不超过3级。
测试方法:准备测试阶段,受测者双脚自然分开,呈站立姿势。
接到指令后,受测者屈腿半蹲,双臂尽力后摆,然后向前上方快速摆臂,双腿同时发力,尽力垂直向上起跳,同时单手举起触摸固定的高度线或者自动摸高器的测试条,触摸到高度线或者测试条的视为合格。
测试不超过三次。
注意事项:(1)起跳时,受测者双腿不能移动或有垫步动作;(2)受测者指甲不得超过指尖0.3厘米;(3)受测者徒手触摸,不得带手套等其他
物品;(4)受测者统一采用赤脚(可穿袜子)起跳,起跳处铺垫不超过2厘米的硬质无弹性垫子。
纵跳摸高标准
高度:男子:≥265厘米,女子≥230厘米
场地要求:通常在室内场地测试。
如选择室外场地测试,需在天气状况许可的情况下进行,当天平均气温应在15~35摄氏度之间,无太阳直射、风力不超过3级。
测试方法:准备测试阶段,受测者双脚自然分开,呈站立姿势。
接到指令后,受测者屈腿半蹲,双臂尽力后摆,然后向前上方快速摆臂,双腿同时发力,尽力垂直向上起跳,同时单手举起触摸固定的高度线或者自动摸高器的测试条,触摸到高度线或者测试条的视为合格。
测试不超过三次。
注意事项:(1)起跳时,受测者双腿不能移动或有垫步动作;(2)受测者指甲不得超过指尖0.3厘米;(3)受测者徒手触摸,不得带手套等其他物品;(4)受测者统一采用赤脚(可穿袜子)起跳,起跳处铺垫不超过2厘米的硬质无弹性垫子。
2003云南省考体能
一、纵跳摸高
测试标准为男子2.65米,女子2.3米,指尖能碰触标的物。
纵跳摸高测试方法:准备测试阶段,受测者双脚自然分开,呈站立姿势。
接到指令后,受测者屈腿半蹲,双臂尽力后摆,然后向前上方快速摆臂,双腿同时发力,尽力垂直向上起跳。
同时单手举起触摸固定的高度线或高度标识,触摸到高度线或者高度标识的视为合格。
二、4*10往返跑
先从起跑线跑到对面拿起1号木块,转身向起点跑,跑到起点放下1号木块,拿起2号木块再转身跑向对面,放下2号木块,拿起3号木块转身跑回起点并越过起点即可。
当受测者取放木块时,脚不要越过线,切记发力过猛滑出跑道。
测试标准为男子≤13″1,女子≤14″1。
三、1000/800米
测试标准:男子1000米跑≤4′25″,女子800米跑≤4′20″。
长跑如果跑800米平时应练1000,跑1000米平时练1500米,
留出余量,可以让家长或朋友带着你跑,或者给你计时,只要坚持下去一个月肯定可以练出来。
跑步时心态放平稳,不要害怕不及格心理有包袱,通过几年测试来看,只要不是最后一两名或者与大部队离的较远的都可以通过,毕竟测试的标准是个大众值。
不要一个人跑到最前头,知道蓄力发力,尽量跟住先头大部队进行跟跑,有能力最后200米再冲刺。
平时练习记录单圈时间和整体时间,最好匀速跑,不要先快后慢。
国考铁路公安体测标准
国考铁路公安体测标准主要包括以下几个方面:
1. 纵跳摸高:男子组需达到 265 厘米以上,女子组需达到 230 厘米以上。
2. 男子 1000 米跑:30 岁以下男子应在 4 分 25 秒内完成,31 岁及以上男子应在 4 分 35 秒内完成。
3. 女子 800 米跑:30 岁以下女子应在 4 分 20 秒内完成,31 岁及以上女子应在 4 分 30 秒内完成。
4. 10 米 x4 往返跑:男子组 30 岁以下应在 13 秒 1 内完成,31 岁及以上应在 13 秒 4 内完成;女子组 30 岁以下应在 14 秒 1 内完成,31 岁及以上应在 14 秒 4 内完成。
总之,这些体能测试标准旨在选拔具备一定身体素质和体能条件的铁路公安人员,确保他们在工作中能够应对各种困难和挑战。
需要注意的是,具体标准可能会因招聘年份和单位的不同而略有调整,以招聘公告为准。
此外,报考铁路公安岗位的考生还需注意面试、体检等考情。
公务员体能测试技巧(×M折返跑M纵跳摸高)
公务员体能测试技巧(4×10M折返跑1000M 纵跳摸高)
2011-06-2401:01:19|分类:默认分类|标签:公务员体能测试4*10m1000m纵跳摸高技巧|字号订阅
首先恭喜各位考生进入体能测试阶段!
一、4×10M折返跑
要学会转身时降低重心,转身后,快速摆臂蹬地加速,开始三到五步不要迈大步,身体由前倾逐渐抬起.提高反应加速跑练习如下:(1)半蹲踞式姿势,听到枪声迅速向上跳起并角及高物。
(2)直立姿势开始,逐渐各前倾斜接着快速跑出。
(3)在2—3度的斜跑道上,快速完成上坡或下坡加速跑练习,距离40—50米。
认真做好运动前的准备活动。
田径运动很容易造成肌肉、关节和韧带损伤,尤其下肢受伤的机会更多。
防止的唯一办法是赛前的准备活动。
准备活动越充分越不容易受伤。
可在慢跑的基础上对肩关节、肘关节、背腰肌肉、腿膝踝关节等部位进行活动,强化肌肉韧带的力量,提高机体的灵敏性和协调性,从而防止受伤,就可提高运动成绩。
二、女子800M,男子1000M
短跑和中长跑跑的方法不太一样,短跑是无氧能力,中长跑是有氧能力.你需要每天跑5000米.前3--5天用25分钟跑完.逐渐提高跑的速度.最
后到比赛前2--3天可以跑2000-3000米,关键要有强度,应该在8--10分钟跑完.要有信心和恒心.一定能成功跑进前三名.一般情况下中长跑都是匀速跑成绩最好.除起跑后加速跑和最后冲刺跑外,途中基本上采用较高速度的匀速跑。
匀速跑的节奏和呼吸的节奏稳定,能保证需氧量和供氧量的平衡,能源物质不断地输入组织,可使机体营养处于良好的工作状态,对于节省体力和推迟疲劳的到来十分有利。
在比赛中,好的战术是成功的关键.应根据运动员的自身能力去争取胜利.在中长跑比赛中,跟随跑技术的使用是人们要求更好的比赛成绩的一种措施。
比赛时耐力好的运动员可采取领先跑的战术,速度好的运动员可采取跟随跑的战术,这是因为耐力好最后的冲刺很难采用高速度,若采取跟随跑,势必影响成绩、速度好若采取领先跑会消耗大量能量,影响最后冲刺,也会影响成绩。
另一方面,跟随跑和领先跑也可交替进行,中长跑运动员应采取这种战术。
总之,应根据个人的水平来确定何时跟随、何时领先。
采用跟随跑战术:起跑出发后,始终跟随在领先者或小集团后面(一般跟着第一或者第二名)。
如果需要超人,一定要在直道上进行,避免弯道超人多跑冤枉路。
力争在最后200米冲刺阶段超过对手,率先通过终点.比赛中应注意以下几种情况:(1)跑步的动作:要注意的就是跑步时一定要放松、协调。
这就要求建立在正确动作
的基础上,脚的着地应用全脚掌着地,屈膝缓冲过渡到前脚掌蹬地。
跑时头要正、肩部肌肉要放松、适当加大摆臂、维持出色的前倾角、脚着地反冲合理、腿部的后蹬和前摆要充分合理,腾空动
作协调放松、上体姿势正确、摆臂动作舒展有力维持好上体平衡。
呼吸方法中长跑过程中,人体消耗能量大,对氧气的需要量也大,因此,掌握正确的呼吸方法是很重要的。
中长跑途中,为了加大肺通气量,呼吸时采用口鼻同时进行呼吸的方法。
呼吸节奏应和跑步节奏相配合,一般采用两步一呼、两步一吸,或三步一呼、三步一吸。
呼吸时要注意加大呼吸深度。
七、极点”和”第二次呼吸”中长跑时,由于氧气的供应落后于身体的需要,跑到一定距离时,会出现胸部发闷,呼吸节奏被破坏,呼吸困难,四肢无力和难以再跑下去的感受。
这种现象称之为极点”。
这是中长跑中的正常现象。
当,“极点”出现后,要以顽强的意志继续跑下去,同时加强呼吸,调整步速。
这样,经过一段距离后,呼吸变得均匀,动作重又感到轻松,一切不适感觉消失,这就是所谓的第二次呼吸状态。
在中长跑运动中,多因准备活动不充分,容易发生腹痛情况,主要是由胃肠痉挛引起,此时学生切不可紧张,可用手按住痛的部位,减慢跑速,多做几次深呼吸,坚持一段时间,疼痛就会消失。
或者采用跟随跑战术:出发后,始终跟随在领先者或小集团后面,力争在最后冲刺阶段超过对手,率先通过终点。
还有跑步的动作:要注意的就是跑步时一定要放松、协调。
这就要求建立在正确动作的基础上,脚的着地应用全脚掌着地,屈膝缓冲过渡到前脚掌蹬地。
上体正直放松,两臂自然有力的摆动。
另外在提几点建议:1、首先,比赛前从今天到赛前三天少吃或不吃含糖食物,到赛前三天开始多吃高塘食物,比赛当天吃饭八成饱,要好消化,比赛前30--40分钟可以饮100ML葡萄糖水浓度30-40%。
另外吃三片维生素C。
不要吃巧克力。
2、认真做好运动前的准备活动。
田径运动
很容易造成肌肉、关节和韧带损伤,尤其下肢受伤的机会更多。
防止的唯一办法是赛前的准备活动。
准备活动越充分越不容易受伤。
可在慢跑的基础上对肩关节、肘关节、背腰肌肉、腿膝踝关节等部位进行活动,强化肌肉韧带的力量,提高机体的灵敏性和协调性,从而防止受伤,就可提高运动成绩。
4、运动或比赛前,学生应注意保持良好的睡眠和体力的积蓄,赛前应控制过多的饮食和饮水,更不得饮酒。
5、运动或比赛后,应做好放松活动,以尽快恢复体力和肌肉的力量。
其方法是对身体各部分进
行放松性的抖动、拍打,双人合作互相按摩等。
6。
等全身发热时才脱外衣,长跑结束后应立即披上外衣,以防伤风感冒。
长跑时所穿的鞋袜应柔软和脚.
三、原地纵跳摸高
A、完整的技术动作分析:
双脚自然开立,与肩同宽,脚前脚掌内扣(注意脚前脚掌要踩稳地面)。
在做动作之前,先深呼吸几次,双臂打开自然举高,然后身体向后仰(身体做的外展动作)并充分的将身体打开,开始做预摆动作。
随着上肢充分的摆动节奏,身体的重心、呼吸的节奏(上摆时吸气,下摆时呼气)腿部肌肉群、腰腹背部肌肉群的协调收缩与舒张的转换等都觉成熟后,瞬间发力,注意力主要是从地面开始,并整个发力过程是快而有序。
在身体的上升过程中,要充分的利用腰腹肌,在空中做第二次的伸展,以求再高,达到最高点时,用提前准备好的手中指触墙体标尺的最高点,等到落地时,一定要前脚掌先着地,并顺势屈腿,做好缓冲和身体平稳的动作。
B、训练方法:
1、挺身跳:原地屈膝开始跳,空中做直腿挺身动作,髋关节完全打开,做出背弓动作,落地时屈膝缓冲。
2、蹲跳起双脚左右开立,脚尖平行,屈膝向下深蹲或半蹲,两臂自然后摆。
然后两腿迅速蹬伸,使髋、膝、踝三个关节充分伸直,同时两臂迅速有力向前上摆,最后用脚尖蹬离地面向上跳起,落地时用前脚掌着地屈膝缓冲,接着再跳起。
3、纵跳摸高两脚自然开立成半蹲预备姿势,一臂或两臂向上伸直,接着两腿用力蹬伸向上跳起,用单手或双手摸高。
4、蹲跳起这是主要发展腿部肌肉力量和踝关节力量的练习。
跳的方法:双脚左右开立,脚尖平行,屈膝向下深蹲或半蹲,两臂自然后摆。
然后两腿迅速蹬伸,使髋、膝、踝三个关节充分伸直,同时两臂迅速有力向前上摆,最后用脚尖蹬离地面向上跳起,落地时用前脚掌着地屈膝缓冲,接着再跳起。
5、蛙跳是发展大腿肌肉和髋关节力量的练习。
动作方法:两脚分开成半蹲,上体稍前倾,两臂在体后成预备姿势。
两腿用力蹬伸,充分伸直髋、膝、踝三个关节,同时两臂迅速前摆,身体向前上方跳起,然后用全脚掌落地屈膝缓冲,两臂摆成预备姿势。
6、提踵找一个台阶两脚前半部分踩在上面手找一个地方保持平衡然后大腿保持直立抬起脚尖
7、脚尖跳最好有一个沙地尽量保持大腿绷直膝盖不要弯曲然后跳起
C、技术动作:
摆:两脚左右开立,与肩同宽,两臂前后摆动,前摆时,两腿伸直,后摆时,屈膝降低重心,上体稍前倾,手尽量往后摆。
要点:上下肢动作协调配合,摆动时一伸二屈降重心,上体稍前倾。
D、起跳腾空:
两脚快速用力蹬地,同时两臂稍曲由后往前上方摆动,向前上方跳起腾空,并充分展体。
要点:蹬地快速有力,腿蹬和手摆要协调,空中展体要充分,强调离地前的前脚掌瞬间蹬地动作。
落地缓冲:收腹举腿,小腿往前伸,同时双臂用力往后摆动,并屈膝落地缓冲。
要点:小腿前伸的时机把握好,曲腿前伸臂后摆,落地后往前不往后。
立定跳远的辅助练习挺身跳:原地屈膝开始跳,空中做直腿挺身动作,髋关节完全打开,做出背弓动作,落地时屈膝缓冲。