设备现场调试记录表
- 格式:doc
- 大小:25.04 KB
- 文档页数:10
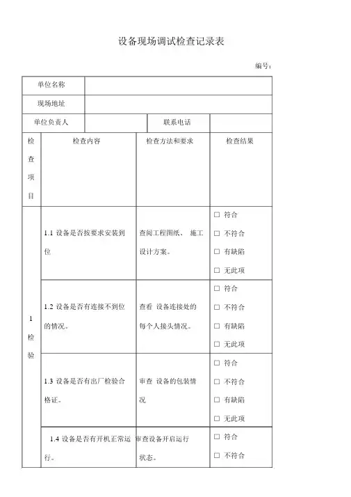
设备现场调试检查记录表单位名称现场地址单位负责人联系电话检检查内容检查方法和要求查项目1.1 设备是否按要求安装到查阅工程图纸、施工位设计方案。
1.2 设备是否有连接不到位查看设备连接处的1的情况。
每个人接头情况。
检验1.3 设备是否有出厂检验合审查设备的包装情格证。
况1.4 设备是否有开机正常运审查设备开启运行行。
状态。
编号:检查结果□ 符合□ 不符合□ 有缺陷□ 无此项□ 符合□ 不符合□ 有缺陷□ 无此项□ 符合□ 不符合□ 有缺陷□ 无此项□ 符合□ 不符合□ 有缺陷□ 无此项□ 符合2.1 整体联合试验是否合审查工程项目的设□ 不符合格。
计方案。
□ 有缺陷□ 无此项□ 符合22.2 每项设备设计是否达到□ 不符合调查阅图纸设计。
合格。
□ 有缺陷试□ 无此项□ 符合2.3 设备连续运行是否合查阅设备连续运行□ 不符合格。
状况。
□ 有缺陷□ 无此项检查检查内容检查方法和要求检查结果项目□ 符合2 2.4 设备试运行试验是否满检查设备的每项参□ 不符合调足要求数。
□ 有缺陷试□ 无此项2.5 设备紧急情况是否达到检查设备在紧急状□ 符合要求。
况下的反应。
□ 不符合□ 有缺陷□ 无此项□ 符合3运3.1 设备产品在大负荷的情况下连续运行是否合格询问客户在连续使用的情况。
□ 不符合□ 有缺陷行问题记录(包括未在“检查内容”栏目中列出的其他问题)□ 无此项:处理意见:安全监察员:单位负责人员:日期:日期:。
现场临时用电设备调试记录调试背景在项目现场施工期间,由于施工进度较快、电力设备未能全部安装好之前,需要使用临时用电设备来供电使用。
为保证现场设备正常运行,需要对现场临时用电设备进行调试,确保其能够满足现场施工需要。
调试设备1. 发电机通过由租赁公司提供的发电机进行供电。
该发电机型号为YHDG-1000,额定功率为1000kW,电压为380V/220V。
发电机使用柴油发动机作为动力源,通过变压器将电压升高到电力设备所需的380V或220V。
2. 绞车现场需要使用绞车进行拆卸钢结构的工作。
该绞车型号为JM-5T,额定承载力为5吨,电压为380V。
绞车需要接入到临时用电设备中,确保电压稳定。
3. 照明灯具现场需要使用照明灯具进行照明。
该灯具型号为SG03-500,额定功率为500W,电压为220V。
照明灯具需要接入到临时用电设备中,确保电压稳定。
调试过程1. 发电机调试1.1 检查发电机内部线路是否接好,检查冷却水是否充足。
1.2 启动发电机,观察仪表盘指示是否正常。
1.3 调节油门,调节输出电压。
发电机电压输出应该保持在常值范围内,电压波动范围在合理范围内,并记录下相应的电压值。
2. 绞车调试2.1 检查绞车线路是否接好。
2.2 连接绞车的电源线到通电插座上。
2.3 开启绞车,观察绞车是否正常运行。
3. 照明灯具调试3.1 检查照明灯具线路是否接好。
3.2 连接照明灯具的电源线到通电插座上。
3.3 开启照明灯具,观察灯具是否正常工作,电压是否稳定。
调试结果通过对现场临时用电设备进行调试,发现发电机、绞车、照明灯具均能正常工作,并且电压稳定,满足现场施工需要。
通过本次现场临时用电设备调试,加深了对临时用电设备的了解,同时也提高了对临时用电设备的操作技能,为项目安全顺利进行提供了保障。
同时,也需要加强对临时用电设备使用和维护的管理,确保设备能够长期稳定、可靠地运行。
设备安装调试记录模板一、安装前准备。
1. 确认设备型号和规格,确保所需的安装工具和材料齐全。
2. 检查安装位置,确认设备安装的空间和支撑条件。
3. 确认设备的电源接入位置和电源线路,做好相应的电气连接准备工作。
二、设备安装。
1. 将设备搬运至安装位置,注意搬运过程中避免碰撞和损坏。
2. 根据设备安装图纸和说明书,进行设备的组装和安装。
3. 调整设备位置,确保设备安装平稳和垂直。
三、设备电气连接。
1. 根据设备的电气图纸,进行电气线路的连接。
2. 确认电源线路的接线正确,保证设备的电气安全。
四、设备调试。
1. 接通设备电源,确认设备的各项指示灯和显示屏正常。
2. 进行设备的功能测试,确保设备各项功能正常。
3. 对设备进行调试和调整,使设备达到最佳工作状态。
五、设备安装调试记录。
日期:安装人员:设备型号:安装位置:安装过程记录,。
1. 安装准备工作。
2. 设备安装过程。
3. 电气连接过程。
4. 设备调试过程。
六、安全交底。
1. 对设备的安全操作和维护进行交底,确保操作人员的安全意识。
2. 提供设备的操作手册和维护手册,让操作人员熟悉设备的使用和维护方法。
七、安装验收。
1. 进行设备安装的验收工作,确保设备安装符合规范和要求。
2. 对设备的各项功能进行再次测试,确认设备安装调试完成。
八、安装总结。
1. 对设备的安装调试过程进行总结,总结安装调试过程中的经验和教训。
2. 提出设备安装调试过程中存在的问题和改进意见,为今后的设备安装调试工作提供参考。
以上为设备安装调试记录模板,希望能够对设备安装调试工作提供一定的参考和指导。
碰焊机调试记录表一、调试目的本次调试的目的是对碰焊机进行调试,确保其正常工作。
通过检查和测试,寻找潜在问题并解决,以保证设备的稳定性和可靠性。
二、调试时间本次调试工作于XX年XX月XX日开始,调试过程历时XX天,于XX 年XX月XX日结束。
三、调试人员本次调试工作由以下人员组成:1. 主调试人员:XXX2. 辅助调试人员:XXX四、调试步骤及结果1. 现场查看在开始调试前,调试人员首先对碰焊机进行了现场查看,确认了设备的基本状况和安装情况。
检查包括设备的外观、电源连接、线缆连接等。
经过查看,设备外观完好,电源和线缆连接良好,无明显故障。
2. 电气检测接下来,调试人员对碰焊机进行了电气检测,包括电源电压、电流、接地情况等方面的测试。
测试结果显示,电源电压稳定,电流正常,接地良好,符合要求。
3. 功能测试为了确保碰焊机的各项功能正常工作,调试人员进行了功能测试。
测试包括碰焊机的自动/手动切换、气缸动作、加热温度控制等功能。
经过测试,所有功能均正常,无异常情况。
4. 焊接效果测试为了验证碰焊机的焊接效果,调试人员进行了焊接效果测试。
测试包括焊接点的牢固程度、焊接接头的质量等方面的评估。
测试结果显示,焊接点牢固可靠,焊接接头质量良好,符合要求。
5. 故障排除在调试过程中,调试人员发现了一些小问题,并进行了相应的故障排除。
问题主要包括线缆接触不良、控制面板故障等。
通过认真检查和修复,所有问题得到了解决,并确保设备的正常运行。
6. 调试总结经过以上步骤的调试,碰焊机经过检查和测试,各项指标均符合要求。
设备正常工作,各项功能正常,焊接效果良好。
调试人员对调试过程进行了总结,并记录了相关的调试参数和结果。
五、调试结论经过本次调试,碰焊机经过检查和测试,各项指标均符合要求。
设备能够正常工作,各项功能正常,焊接效果良好。
调试结果显示,碰焊机达到了预期的调试目标。
调试人员对调试过程进行了总结,并提出了一些建议和改进措施,以进一步提高设备的性能和稳定性。
设备调试过程表
设备名称设备型号使用部门合同编号
配备位置进厂日期供应厂商生产厂家
1.供应厂商调试人员:
2.使用部门具体负责人:
3.设备管理部门具体负责人:机电修人员:
4.调试日期:培训日期:
5.参加培训人员(含机电修):
注:在设备调试期间,规定使用部门和设备管理部门必须指定专人现场全程跟踪,负责协调解决调试过程中的问题。
调试和培训内容:
调试人员:跟踪人员:
生产辅助材料、试机原材料名称:
设备试运转记录:
1.电气运转是否正常,□是□否
2.机械运转是否正常,□是□否
3.水气运转是否正常,□是□否
结果评价:
调试人员设备使用部门设备管理部门
注:100万元(含100万元)以上设备必须填写, 100万元以下设备可视具体情况而定。