第3章 实验1 集成触发器功能测试及转换
- 格式:doc
- 大小:198.50 KB
- 文档页数:5
触发器功能实验报告触发器功能实验报告引言:触发器是数字电路中常见的重要元件,它能够在特定的输入条件下产生稳定的输出信号。
本实验旨在通过构建不同类型的触发器电路,探究触发器的基本原理和功能。
实验一:RS触发器RS触发器是最简单的一种触发器,由两个交叉连接的非门组成。
实验中我们使用了两个与非门来构建RS触发器电路,其中一个与非门的输出连接到另一个与非门的输入,反之亦然。
通过设置不同的输入状态,我们可以观察到RS触发器的两种稳定状态:置位和复位。
实验二:D触发器D触发器是一种常用的触发器,它具有单一输入和双输出。
实验中我们使用了两个与非门和一个或非门来构建D触发器电路。
通过输入信号的变化,我们可以观察到D触发器的工作原理:当输入信号为高电平时,输出保持之前的状态,当输入信号为低电平时,输出根据之前的状态进行切换。
实验三:JK触发器JK触发器是一种多功能的触发器,它具有两个输入和两个输出。
实验中我们使用了两个与非门和一个或非门来构建JK触发器电路。
通过设置不同的输入状态,我们可以观察到JK触发器的四种工作模式:置位、复位、切换和禁用。
实验四:T触发器T触发器是一种特殊的JK触发器,它只有一个输入和两个输出。
实验中我们使用了两个与非门和一个或非门来构建T触发器电路。
通过输入信号的变化,我们可以观察到T触发器的工作原理:当输入信号为高电平时,输出状态翻转,当输入信号为低电平时,输出保持不变。
实验五:应用实例在实验的最后,我们通过一个简单的应用实例来展示触发器的实际应用。
我们构建了一个二进制计数器电路,使用了多个D触发器和与非门。
通过输入脉冲信号,我们可以观察到计数器的工作原理:每次接收到脉冲信号,计数器的输出状态按照二进制规律进行变化。
结论:通过本次实验,我们深入了解了不同类型的触发器的功能和工作原理。
触发器在数字电路中具有重要的应用价值,能够实现各种逻辑功能和时序控制。
进一步的研究和实践将有助于我们更好地理解和应用触发器,提高数字电路设计的能力。
实验三集成触发器的逻辑功能测试一实验目的1.熟悉JK触发器的基本原理及逻辑功能。
2.熟悉D触发器的基本原理及逻辑功能,并掌握其寄存器移位功能。
3.触发器应用。
二、实验仪器及器件仪器:逻辑箱,数字万用表器材:74LS74、74LS76三、实验基本原理JK触发器有J输入端和K输入端,而其R D端和S D端则具有置“0”置“1”功能,逻辑功能如下:Q当J=K=1时,CP脉冲作用下,触发器状态翻转,写成Q n+1=n当J=K=0时,CP脉冲作用下,触发器保持原状态,写成O n+1=Q n。
当J=1,K=0时,在CP脉冲作用下,触发器置“1”,写成Q n+1=1。
当J=0,K=1时,在CP脉冲作用下,触发器置“0”,写成Q n+1=0。
四、触发器的逻辑功能测试:1.JK触发器(选择74LS76)(1)触发器置“0”“1”的功能测试:将S D、R D分别接开关K i+1、K i,Q、Q分别接发光二极管L i+1,L i,按表5—1要求改变S D,R D(J,K,CP处于任意状态),并在S D R D作用期间,任意改变J、K、CP的状态,观察Q和Q的状态,将结果记录于表5—1。
表5—1JK触发器菜单将J、K分别接开关,而上述实验中的S D、R D所接开关保持,并置于S D=1,R D=1的状态,时钟CP接单脉冲信号源的输出P+,按表5—2要求,将结果记录于表5—2。
2.D 触发器:(选择74LS74)(1) 触发器置“0”置“1”功能的测试:将S D 、R D 分别接开关,Q 、Q 分别接发光二极管,按表5—3要求改变S D 、R D (D 及CP 处于任意状态)并在S D 、R D 作用期间,任意改变D 与CP 的状态,测试S D 、RD 的功能,并将测试结果记录于表5—3。
表5—3D 触发器S D 、R D 菜单(2) 对D 触发器逻辑功能的测试,结果记录于表5—4。
表5—触发器逻辑菜单五、触发器应用:1. 用JK 触发器(74LS76)组成三位串行累加计数器如下图。
专业班次 18 组别题目实验三触发器功能测试——预习报告姓名(学号)(2018 )日期 19.4.5一、实验目的1.掌握常用触发器的逻辑功能和测试方法二、实验仪器与元器件1.数字实验箱2.四2输入与非门(74LS00)双D触发器(74LS74)双JK触器(74LS107)三、实验注意事项1.运用数字逻辑的基本原理,选用相应材料连接各芯片功能测试原理图和应用电路设计的原理图.2.参照设计好的电路图,完成电路接线.3.根据设计要求完成电路逻辑功能与数据的验证.四、实验项目及原理实验步骤:1.基本RS触发器逻辑功能测试四2输入与非门集成块(74LS00)的管教引线如下图5-1所示,按图5-2接线,按表5-1要求测试,并把结果填入表中(电平指示灯亮时,输出为“1”,否则输出为“0”)专业班次 18 组别题目实验三触发器功能测试——预习报告姓名(学号)(2018 )日期 19.4.52.集成D触发器逻辑功能测试双D触发器74LS74的接线引脚编号如图5-3所示,按图5-4接线。
在D为“1”或“0”状态下,CP端输入首次正脉冲(接数字实验箱中的A或A’),观察CP作用前后,触发器Q端状态和D端输入信号之间的关系,把实验结果填入表5-2中,并注意CP是上升沿还是下降沿触发。
3.将D触发器转换为T触发器将D触发器的D端和Q’端相联,按图5-5所示,就转换为T触发器,它的逻辑功能是每来一个时钟脉冲,翻转一次,即Qn+1=Qn’,具有计数功能。
按表5-3操作,并填入结果专业班次 18 组别题目实验三触发器功能测试——预习报告姓名(学号)(2018 )日期 19.4.54.集成J-K触发器逻辑功能测试双JK触发器74LS107的接线引脚编号如图5-6所示,参考图5-7接线,按表5-4要求测试及记录,并注意JK 触发器的CP是上升沿还是下降沿触发。
5.将J-K触发器转为T触发器将J、K端联在一起为T端,如图5-8所示,构成为T触发器。
数字电子技术(第2版)
– 138 –
实践技能训练
实训项目触发器的功能测试与应用
1.训练目的
(1)读懂常用集成触发器产品的型号,明确各引脚功能。
(2)掌握集成触发器的逻辑功能。
(3)掌握集成触发器的逻辑功能测试方法和使用方法。
(4)理解触发器之间相互转换的方法。
(5)能完成电灯控制电路的制作。
2.训练器材
电子技术实验装置 一台;
万用表、导线;
与非门74LS00、JK触发器74LS76、D触发器74LS74、CC4013各1片;
电阻100KΩ 2只、10kΩ、5.1kΩ各1只;电容0.01μ、0.02μ各1只;
三极管9013 1只;二极管1N4001 1只;
开关1只;继电器1只;40W/220V灯1只。
3.训练内容
(1)基本RS触发器逻辑功能的测试。
(2)JK触发器和D触发器逻辑功能的测试。
(3)JK触发器转换成T触发器及功能测试。
(4)触发器应用电路制作。
4.实训步骤
(1)基本RS触发器逻辑功能的测试。
①选用1片与非门74LS00构成基本RS触发器。
②按技训图4-1连接电路。
③电源电压接5V,按技训表4.1要求进行置0、置1操作,记录结果,与表4.1相比较。
特别注意对不定状态的测试要反复几次。
(2)JK触发器逻辑功能的测试。
①选74LS76芯片。
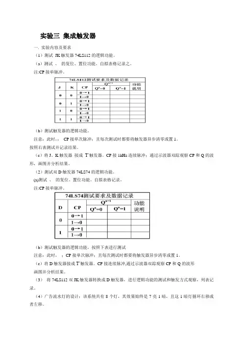
实验三集成触发器一. 实验内容及要求(1)测试JK触发器74LS112的逻辑功能。
(a)测试、的复位、置位功能。
自拟表格记录之。
注:CP接单脉冲。
(b)测试触发器的逻辑功能。
注意:此时,;CP接单次脉冲;且每次测试时都要将触发器异步清零或置1。
按照右表测试并记录结果。
(c)将J、K触发器接成T’触发器。
CP接1kHz连续脉冲;通过示波器双踪观察CP和Q的波形,画图并分析结果。
(2)测试双D触发器74LS74的逻辑功能。
(a)测试、的复位、置位功能。
自拟表格记录。
注:CP接单脉冲。
(b)测试触发器的逻辑功能。
按照下表进行测试注意:此时,;CP接单次脉冲;且每次测试时都要将触发器异步清零或置1。
(c)将D触发器接成T’触发器。
CP接连续脉冲,通过示波器双踪观察CP和Q的波形画图并分析结果。
(3)将74LS112双JK触发器转换成D触发器,进行逻辑功能的测试和触发方式观察,列表记录。
(4)广告流水灯的设计:该系统共有8个灯,其效果始终是7亮1暗,且这1暗灯循环右移或者左移。
提示:先应用74LS112和74LS74中三个触发器构成异步八进制加法和减法计数器;再将输出Q2Q1Q0分别与74LS138(3-8译码器)的码端A2A1A0相连,使译码器相继译码。
画出设计图,接电路,观察并分析结果,画出状态转移真值表,以及译码器的功能表。
(5)单脉冲发生器实验(选做)用74LS74双D型触发器,设计一个单发脉冲发生器的实验线路。
要求将频率为1Hz的信号脉冲和手控触发脉冲分别作为两个触发器的CP脉冲输入。
只要手控脉冲送出一个脉冲,该脉冲与手控触发脉冲的时间长短无关。
试问:能实现单发脉冲输出的原理是什么?画出电路的输出时序波形图.下图是用双JK触发器组成的单发脉冲发生器,以供设计时参考。
单发脉冲输出电路(1)测试74LS112的逻辑功能。
将J、K触发器接成T’触发器;将D 触发器接成T’触发器,并用示波器双踪观察,记录波形。
实验名称:触发器的功能测试及其应用
一、实验目的:
1.熟悉基本R-S触发器、J-K触发器和D触发器的逻辑功能。
2.熟悉触发器的应用。
二、实验原理:
依据J-K触发器、D触发器的逻辑功能测试。
三、实验内容
1.测试基本R-S触发器的逻辑功能。
在实验箱上用74LS00组成下图所示电路,对基本R—S触发器的逻辑功能进行测试。
电路图如下:
逻辑功能如右表所示:
Rd Sd Q
0 0 不定
0 1 0
1 0 1
1 1 保持
2.测试J-K触发器的逻辑功能。
74LS112是双J-K触发器,利用试验箱上的0-1电平,高低电平指示和单脉冲测试74LS112中的一个J-K触发器的逻辑功能。
并构成2分频电路,实现2分频功能。
3.测试D触发器的逻辑功能。
74LS74是双D触发器,利用试验箱上的0-1电平,高低电平指示和单脉冲测试74LS74中的一个D触发器的逻辑功能。
用74LS74和74LS138译码器实现彩灯的循环电路,要求8只彩灯,7亮1暗,且这一暗灯可以循环移动。
四、实验总结
(学生根据自己实验情况,简要总结实验中遇到的问题及其解决办法)。
广东海洋大学学生实验报告书(学生用表)实验名称课程名称课程号学院(系)专业班级学生姓名学号实验地点实验日期实验3:触发器逻辑功能测试及应用一、实验目的1、掌握集成触发器的逻辑功能及使用方法2、熟悉触发器之间相互转换的方法 二、实验内容及步骤1、测试双JK 触发器74LS112逻辑功能。
在输入信号为双端的情况下,JK 触发器是功能完善、使用灵活和通用性较强的一种触发器。
本实验采用74LS112双JK 触发器,是下降边沿触发的边沿触发器。
JK 触发器的状态方程为Q * =J Q +K Q (1)JK 触发器74LS112逻辑电路引脚图如下:图1(2)测试复位、置位功能,将测试结果填入表1。
表1(3)触发功能测试,按表2要求测试JK 触发器逻辑功能。
表2GDOU-B-11-112(4)根据图2逻辑图将JK 触发器分别连接成T 触发器和T ′触发器,并通过做实验进行验证。
注释:T 触发器的逻辑功能:当T =0时,时钟脉冲作用后,其状态保持不变;当T =1时,时钟脉冲作用后,触发器状态翻转。
如果将T 触发器的T 端置“1”,即得T'触发器。
在T'触发器的CP 端每来一个CP 脉冲信号,触发器的状态就翻转一次,故称之为反转触发器,广泛用于计数电路中。
图22、测试双D 触发器74LS74的逻辑功能在输入信号为单端的情况下,D 触发器用起来最为方便,其状态方程为 Q *=D ,其输出状态的更新发生在CP 脉冲的上升沿,故又称为上升沿触发的边沿触发器,触发器的状态只取决于时钟到来前D 端的状态,D 触发器的应用很广,可用作数字信号的寄存,移位寄存,分频和波形发生等。
(1)D 触发器74LS74逻辑电路引脚图3所示。
图3(2)测试复位、置位功能,将测试结果填入表3。
表3(3)D 触发器的功能测试,按表4要求测试D 触发器逻辑功能,填入表4。
表4(4)、根据图4所示逻辑图,将D 触发器连接成计数单元(即T ′触发器)。
深圳大学实验报告课程名称:数字电路实验项目名称:集成触发器功能测试及转换学院:专业:指导教师:报告人:学号:班级:实验时间:实验报告提交时间:教务处制一、实验目的:1.熟悉并掌握RS、D、JK触发器的构成,工作原理和功能测试方法;2.掌握不同逻辑功能触发器的相互转换;3.常我三态触发器和锁存器的功能及使用方法;4.学会触发器、三态触发器、锁存器的应用。
二、实验仪器:1.双踪示波器2.RXS-1B数字逻辑电路实验箱3.器件74LS74 双上升沿D触发器74LS76 双下降沿JK触发器三、实验任务:任务一:维持-阻塞型D触发器功能测试双上升沿触发维持-阻塞D触发器74LS74的引脚排列图如图3-19所示。
图中SD,RD端异步置1端,置0端(或称异步位置,复位端)。
CP为时钟脉冲端。
试按下面步骤做实验:1.分别在SD,RD端加低电平,观察并记录Q,Q端的状态。
注意:当SD,RD端同时加低电平时,输出将为高电平,但是此事如果SD,RD端再同时加高电平,对应的输出状态是不确定的。
2.令SD,RD端为高电平,D端分别接入高、低电平,用手动脉冲作为CP,观察并记录当CP为0-1时Q端状态。
3.当SD=RD=1,CP=0(或CP=1),改变D端信号,观察Q端的状态是否变化?整理上述实验室据,将结果填入表3-5中。
4.令SD=RD=1,将D和Q端相恋,CP加入连续脉冲,用双踪示波器观察并记录Q相对于CP的波形。
表3-5D触发器74LS74功能表SD RD CP D Q Q0 1 X X 011 0 X X 011 1 0 011 1 1 01任务二:下降沿J-K触发器功能测试双J-K下降沿触发器74LS76芯片的引脚排列图如图3-20所示。
自拟实验步骤,测试器功能并将结果填入表3-6中。
表3-6 双J-K触发器功能测试SD RD CP J K Q Q0 1 X X X X1 0 X X X X1 1 0 X 01 1 1 X 01 1 X 0 11 1 X 1 1若令J=K=1时,CP端加入连续脉冲,用双踪示波器观察Q-CP波形,并于D触发器D和Q 端相连时观察到的Q端波形相比较,有何异同点?任务三:触发器功能转换1.将D触发器和J-K触发器转换成T触发器,列出表达式,画出实验连接图;2.接入连续脉冲,观察各触发器CP及Q端波形,比较两者关系;3.自拟实验数据表并填写之。
触发器功能测试实验报告触发器功能测试实验报告一、引言触发器是数字电路中常见的重要元件之一,其具有存储和放大信号的功能。
触发器的功能测试是电子工程师在设计和制造数字电路时必不可少的一项工作。
本实验旨在通过对不同类型的触发器进行功能测试,验证其在不同工作模式下的正确性和稳定性。
二、实验目的1. 了解触发器的基本原理和工作模式;2. 掌握触发器的功能测试方法;3. 验证不同类型触发器的工作特性。
三、实验器材和材料1. 实验板;2. 电源供应器;3. 逻辑分析仪;4. 电压表;5. 连接线。
四、实验步骤1. 准备工作:将实验板连接好电源供应器和逻辑分析仪,并确保连接正确;2. 功能测试:依次测试RS触发器、D触发器、JK触发器和T触发器的工作特性。
五、实验结果与分析1. RS触发器测试:a. 将RS触发器的S端和R端分别接入逻辑分析仪的输入端,CLK端接入逻辑分析仪的时钟信号输出端;b. 通过逻辑分析仪观察输入信号和输出信号的波形,并记录下来;c. 分析波形,验证RS触发器在不同输入情况下的工作特性。
2. D触发器测试:a. 将D触发器的D端接入逻辑分析仪的输入端,CLK端接入逻辑分析仪的时钟信号输出端;b. 通过逻辑分析仪观察输入信号和输出信号的波形,并记录下来;c. 分析波形,验证D触发器在不同输入情况下的工作特性。
3. JK触发器测试:a. 将JK触发器的J端和K端分别接入逻辑分析仪的输入端,CLK端接入逻辑分析仪的时钟信号输出端;b. 通过逻辑分析仪观察输入信号和输出信号的波形,并记录下来;c. 分析波形,验证JK触发器在不同输入情况下的工作特性。
4. T触发器测试:a. 将T触发器的T端接入逻辑分析仪的输入端,CLK端接入逻辑分析仪的时钟信号输出端;b. 通过逻辑分析仪观察输入信号和输出信号的波形,并记录下来;c. 分析波形,验证T触发器在不同输入情况下的工作特性。
六、实验结论通过对RS触发器、D触发器、JK触发器和T触发器的功能测试,我们可以得出以下结论:1. RS触发器具有存储和放大信号的功能,可以用于实现简单的存储器和时序电路;2. D触发器可以将输入信号在时钟脉冲到来时存储,并在下一个时钟脉冲到来时输出;3. JK触发器是一种带有异步清零和置位功能的触发器,可以用于实现频率分割和计数器等电路;4. T触发器是一种特殊的JK触发器,其输入端和输出端相连,可以实现频率分割和频率加倍等功能。
3-1(a)3-1(b)实验三 RS 触发器与集成触发器一、实验目的1、掌握触发器的逻辑功能及其测试方法;2、学习触发器简单的典型应用。
二、实验器材1、直流稳压电源、数字逻辑电路实验箱、万用表、示波器;2、74LS00、74LS02、74LS04、74LS74、74LS76(或74LS112)。
三、实验原理1、基本RS 触发器用与非门(74LS00)构成的基本RS 触发器 如图3-1(a )所示,S R 、端为低电平有效; 用或非门(74LS02)构成的基本RS 触发器 如图3-1(b )所示,R 、S 端为高电平有效。
2、集成D 触发器触发器的复位和置位功能:只要L R =,不论其他输入是何种状态, 触发 器的输出立即强制变成H Q =,同时L Q =;只 要L S =,不论其他输入是何种状态触发器的输 出立即强制变成H Q =,同时L Q =。
复位和 置位完成后,必须使H R =和H S =。
3、JK 触发器当CP=0时,R=S=1,触发器维持原状态不变; 当CP=1时,Q K Q J Q n +=+1,即为 J=0,Q=0,Q Q n =+1; J=0,K=1,01=+n Q ; J=1,K=0,11=+n Q ; J=1,K=1,Q Q n =+1;四、实验内容和步骤根据电路图建立实验电路,利用RS 触发器产生脉冲信号接CP 端,分别将二分频电路 的Q0端和四分频电路的Q2端接LED ,每送入一个脉冲,记录下脉冲的序号和Q0端 和Q2端对应的状态变化。
二分频电路至少送入5个脉冲后停止,四分频电路至少送入 9个脉冲后停止。
整理结果,画出CP 脉冲信号和Q0输出信号的波形图。
1、二分频电路 a).PR ——置1端 b).CLR ——置0端c).0100Q D Q Q D n ===+;d).上升沿有效2、四分频电路a). 1111111111Q Q K Q J Q K J n =+===+;b).2121222212122Q Q Q Q Q K Q J Q Q K J n +=+===+;c).下降沿有效五、实验结果 1、二分频电路真值表 波形图2、四分频电路真值表波形图六、思考题1、基本RS 触发器的另一个典型应用是用来消除机械开关的抖动现象,如图所示,在不接入RS 触发器时,开关在ON/OFF 时由于触点的震动会产生信号的扰乱现象。
实验题目集成触发器及其应用小组合作否一、实验目的1.掌握基本RS、D和JK触发器的逻辑功能及测试方法。
2.熟悉D和JK触发器的触发方法。
3.了解触发器之间的相互转换。
二.实验环境1.数字电路实验箱1个2.集成电路与非门74LS00 1片双D触发器74LS74 1片双JK触发器74LS112 1片三、实验内容与步骤1.验证RS触发器的了解功能:按图4.1用74LS00组成基本RS触发器,并在Q端和Q’端接两只发光二极管,输入端S和R分别接了解开关。
接通+5V电源,按表4.1的要求改变S和R的状态,观察输出端的状态,并将结果填入表4.1中。
图4.1 RS触发器电路图如下:S R Q Q*0 0 0 00 0 1 10 1 0 00 1 1 01 0 0 11 0 1 11 - 0 不定1 1 1 不定表4.1 RS触发器逻辑功能2.验证D触发器的了逻辑功能将74LS74的Rd、Sd、D连接到逻辑开关,CP端接单次脉冲,Q 端和Q’端分别接两只发光二极管,接通电源,按表4.2的要求,改变Rd、Sd、D和CP的状态。
在CP从0到1跳变时,观察输出端Q*的状态,将测试结果填入表4.2中。
电路图如下:D Q Q*0 0 00 1 01 0 11 1 1表4.2 D触发器的逻辑功能3.验证JK触发器的逻辑功能将74LS112的Rd、Sd、J和K连接到逻辑开关,Q和Q’端分别接两只发光二极管,CP端接单次脉冲接通电源,按表4.3的要求,改变Rd、Sd、J和K的状态。
在CP从0到1跳变时,观察输出端Q*的状态,将测试结果填入表4.3中。
电路图如下:J K Q Q*0 0 0 00 0 1 10 1 0 00 1 1 01 0 0 11 0 1 11 1 0 11 1 1 0表4.3 JK触发器的逻辑功能四、实验过程与分析触发器是基本的逻辑单元,它具有两个稳定状态,在一定的外加信号作用下可以由一种稳定状态转换为另一种稳定状态;无外加作用信号时,将维持原状态不变。
深圳大学实验报告课程名称:
实验项目名称:集成触发器功能测试及转换学院:信息工程
专业:
指导教师:
报告人:学号:班级:实验时间:
实验报告提交时间:
教务处制
实验仪器:
1.双踪示波器
2.RXS-1B数字逻辑电路实验箱
3.器件
74LS74 双上升沿D触发器74LS86 四2输入异或门
74LS76 双下降沿JK触发器
实验集成元件:
实验任务:
任务一:维持—阻塞型D触发器功能测试
1-1.分别在D S、D R端加低电平,观察并记录Q、Q端的状态
1-2.令D S、D R端为高电平,D端分别接入高、低电平,用手动脉冲作为CP,观察并记录当CP为↑0、↓1时Q端状态。
1-3.令D S=D R=1、CP=0(或CP=1),改变D端信号,观察Q端的状态是否变化?整理上述实验数据,将结果填入表3.1.1中
1-4.令D S=D R=1,将D和Q端相连,CP加入连接脉冲,用双踪示波器观察并记录Q相对
与CP 的波形。
任务二:下降沿J —K 触发器功能测试
2-1. 分别在D S 、D R 端加低电平,观察并记录Q 、Q 端的状态
2-2. 令D S 、D R 端为高电平,J 端和K 端信号分别接入高、低电平,用手动脉冲作为CP , 观察并记录当CP 为↑0、↓1时Q 端状态。
2-3. 令D S =D R =1、CP=0(或CP=1),改变J 端和K 端信号,观察Q 端的状态是否变化? 整理上述实验数据,将结果填入表3.1.2中 2-4. 令D S =D R =1,将J 和Q 端相连,K 和Q 端相连,CP 加入连续脉冲,用双踪示波器观 察并记录Q 相对于CP 的波形。
任务三:触发器功能转换
3-1. 将D 触发器和J —K 触发器转换成T 触发器,列出表达式,画出试验接线图 3-2. 接入连续脉冲,观察各触发器CP 及Q 端波形。
比较两者关系。
数据处理分析:
任务一:维持—阻塞型D 触发器功能测试
D 触发器接线图
表3.1.1(本实验用74LS74中编号为1的D 触发器)
___
1D S
___
1D R
1CP 1D 1Q n 1Q n+1 0 1 × × 0 1 1 0 ×
× 0 1 1 1
0 1 1
1
1
0 1
波形见坐标纸图1-1 D 触发器在连续脉冲下输出波形与当前连续脉冲比较图
任务二:下降沿J —K 触发器功能测试
JK 触发器接线图
表3.1.2(本实验用74LS76中编号为1的JK 触发器)
1S D1R D1CP 1J 1K 1Q n1Q n+1
0 1 ××××
1 0 ××××
1 1 0 ×0
1 1 1 ×0
1 1 ×0 1
1 1 × 1 1
波形见坐标纸图1-2 JK触发器在连续脉冲下输出波形与当前连续脉冲比较图
任务三:触发器功能转换
1.将D触发器转换为T触发器
(1)按图1接线
(2)波形见坐标纸图1-3 D触发器改装为T触发器后在连续脉冲下输出波形与当前连续脉冲比较图
2.将JK触发器转换为T触发器
(1)按图2接线
(2)波形见坐标纸图1-4 JK触发器改装为T触发器后在连续脉冲下输出波形与当前连续脉冲比较图
实验结论:
指导教师批阅意见:
成绩评定:
指导教师签字:
年月日备注:
注:1、报告内的项目或内容设置,可根据实际情况加以调整和补充。
2、教师批改学生实验报告时间应在学生提交实验报告时间后10日内。