北师大版八年级物理下册章节知识点
- 格式:doc
- 大小:160.57 KB
- 文档页数:9
第七章⼒7.1⼒(F)1、定义:注意(1)⼀个⼒的产⽣⼀定有施⼒物体和受⼒物体,且同时存在。
(2)单独⼀个物体不能产⽣⼒的作⽤。
(3)⼒的作⽤可发⽣在相互接触的物体间,也可以发⽣在不直接接触的物体间。
2、判断⼒的存在可通过⼒的作⽤效果来判断。
⼒的作⽤效果有两个:(1) ⼒可以改变物体的运动状态。
(运动状态的改变是指物体由静⽌开始运动或由运动变为静⽌、物体运动的快慢或⽅向发⽣改变,都叫做运动状态发⽣变化。
)举例:⽤⼒推⼩车,⼩车由静⽌变为运动;守门员接住飞来的⾜球。
(2)举例:⽤⼒压弹簧,弹簧变形;⽤⼒拉⼸⼸变形。
3、⼒的单位:4、。
它们都能影响⼒的作⽤效果。
5、⼒的表⽰⽅法:画⼒的⽰意图。
在受⼒物体上沿着⼒的⽅向画⼀条线段,在线段的末端画⼀个箭头表⽰⼒的⽅向,线段的起点或终点表⽰⼒的作⽤点,线段的长表⽰⼒的⼤⼩,这种图⽰法叫⼒的⽰意图。
7.2、弹⼒(1)弹性:塑性:物体受⼒发⽣形变不受⼒不能⾃动恢复原来形状的特性。
(2)弹⼒的定义:物体由于发⽣弹性形变⽽产⽣的⼒。
(如压⼒,⽀持⼒,拉⼒)(3)产⽣条件:。
⼆、弹簧测⼒计(4)测量⼒的⼤⼩的⼯具叫做弹簧测⼒计。
弹簧测⼒计(弹簧秤)的⼯作原理:在弹性限度内,弹簧受到的拉⼒越⼤,弹簧的伸长量就越⼤。
(5) 使⽤弹簧测⼒计的注意事项:A、观察弹簧测⼒计的量程和分度值,不能超过它的(否则会损坏测⼒计)B、使⽤前指针要如果不能调节归零,应该在读数后减去起始末测量⼒时的⽰数,才得到被测⼒的⼤⼩。
C、测量前,沿弹簧的轴线⽅向轻轻来回拉动挂钩⼏次,放⼿后观察指针是否能回到原来指针的位置,以检查指针、弹簧和外壳之间是否有过⼤的摩擦;D、被测⼒的⽅向要与弹簧的E、指针稳定后再读数,视线要与刻度线。
7.3重⼒(G)1产⽣原因:由于地球与物体间存在吸引⼒。
2定义:由于地球吸引⽽使物体受到的⼒;⽤字母3重⼒的⼤⼩:①⼜叫重量(物重)②物体受到的重⼒与它的质量成正⽐。
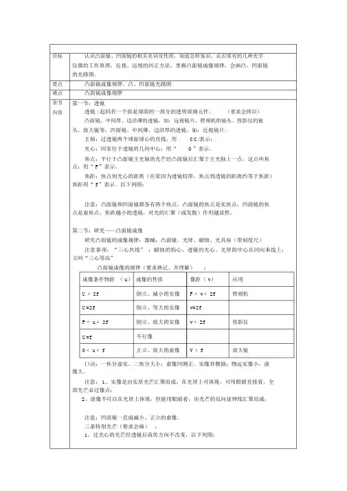
目标要点难点章节内容认识凸面镜、凹面镜的相关名词及性质,知道怎样鉴识,认识常有的几种光学仪器的工作原理,近视、远视的纠正方法,掌握凸面镜成像规律,会画凸、凹面镜的光路图。
凸面镜成像规律,凸、凹面镜光路图凸面镜成像规律第一节:透镜透镜 : 起码有一个面是球面的一部分的透明玻璃元件。
(要求会辨识)凸面镜、中间厚、边沿薄的透镜,如:远视镜片,照相机的镜头、投影仪的镜头、放大镜等;凹面镜、中间薄、边沿厚的透镜,如:近视镜片。
主轴:过透镜两个球面球心的直线,用CC/表示;光心:同常位于透镜的几何中心;用“O”表示。
焦点:平行于凸面镜主光轴的光芒经凸面镜后汇聚于主光轴上一点,这点叫焦点;用“ F”表示。
焦距:焦点到光心的距离(往常因为透镜较厚,焦点到透镜的距离约等于焦距)焦距用“ f ”表示。
以下列图:注意:凸面镜和凹面镜都各有两个焦点,凸面镜的焦点是实焦点,凹面镜的焦点是虚焦点。
焦距越小的透镜,对光的汇聚(或发散)作用越显然。
第二节:研究——凸面镜成像研究凸面镜的成像规律:器械:凸面镜、光屏、蜡烛、光具座(带刻度尺)注意事项:“三心共线” :蜡烛的焰心、透镜的光心、光屏的中心在同向来线上;又叫“三心等高”凸面镜成像的规律(要求熟记、并理解):成像条件物距( u)成像的性质像距( v)应用U﹥ 2f倒立、减小的实像F﹤ v﹤ 2f照相机U=2f倒立、等大的实像v=2fF﹤ u﹤ 2f倒立、放大的实像v﹥ 2f投影仪U=f不行像0﹤ u﹤ f正立、放大的虚像V﹥ f放大镜口诀:一焦分虚实、二焦分大小;虚像同侧正,实像异侧倒;物远实像小,虚像大。
注意: 1、实像是由实质光芒汇聚而成,在光屏上可体现,可用眼睛直接看,全部光芒必过像点;2、虚像不可以在光屏上体现,但能用眼睛看,由光芒的反向延伸线汇聚而成;注意:凹面镜一直成减小、正立的虚像。
三条特别光芒(要求会画):1、过光心的光芒经透镜后流传方向不改变,以下列图:2、平行于主光轴的光芒,经凸面镜后经过焦点;经凹面镜后向外发散,但其反向延伸线必过焦点(所以凸面镜对光芒有汇聚作用,凹面镜对光有发散作用)以下列图:3、经过凸面镜焦点的光芒经凸面镜后平行于主光轴;射向异侧焦点的光芒经凹面镜后平行于主光轴;以下列图:大略丈量凸面镜焦距的方法:使凸面镜正对太阳光(太阳光是平行光,使太阳光平行于凸面镜的主光轴),下边放一张白纸,调理凸面镜到白纸的距离,直到白纸上光斑最小、最亮为止,而后用刻度尺量出凸面镜到白纸上光斑中心的距离就是凸面镜的焦距。
八年级下册物理知识点总结北师大版电磁继电器扬声器1、继电器是利用低电压、弱电流电路的通断,来间接地控制高电压、强电流电路的装置。
实质上它就是利用电磁铁来控制工作电路的一种开关。
2、电磁继电器由电磁铁、衔铁、簧片、触点组成;其工作电路由低压控制电路和高压工作电路两部分组成。
3、扬声器是把电信号转换成声信号的一种装置。
它主要由固定的永久磁体、线圈和锥形纸盆构成。
电动机1、通电导体在磁场中会受到力的作用。
它的受力方向跟电流方向、磁感线方向有关。
2、电动机由转子和定子两部分组成。
能够转动的部分叫转子;固定不动的部分叫定子。
3、当直流电动机的线圈转动到平衡位置时,线圈就不再转动,只有改变线圈中的电流方向,线圈才能继续转动下去。
这一功能是由换向器实现的。
换向器是由一对半圆形铁片构成的,它通过与电刷的接触,在平衡位置时改变电流的方向。
实际生活中电动机的电刷有很多对,而且会用电磁场来产生强磁场。
4、电动机构造简单、控制方便、体积小、效率高、功率可大可小,被广泛应用在日常生活和各种产业中。
它在电路图中用M表示。
电动机工作时是把电能转化为机械能。
牛顿第一定律1、伽利略斜面实验:⑴三次实验小车都从斜面顶端(同一位置)滑下的目的是:保证小车开始沿着平面运动的速度相同。
⑵实验得出得结论:在同样条件下,平面越光滑,小车前进地距离越远。
⑶伽利略的推论是:在理想情况下,如果表面绝对光滑,物体将以恒定不变的速度永远运动下去。
⑷伽科略斜面实验的卓越之处不是实验本身,而是实验所使用的独特方法在实验的基础上,进行理想化推理。
(也称作理想化实验)它标志着物理学的真正开端。
2、牛顿第一定律:⑴牛顿总结了伽利略等人的研究成果,得出了牛顿第一定律,其内容是:一切物体在没有受到力的作用的时候,总保持静止状态或匀速直线运动状态。
⑵说明:A、牛顿第一定律是在大量经验事实的基础上,通过进一步推理而概括出来的,且经受住了实践的检验所以已成为大家公认的力学基本定律之一。
北师大版初二物理重点知识归纳下册The document was prepared on January 2, 2021第六章:常见的光学仪器一.基本知识点归纳:1.凸透镜:有两个虚焦点。
1)外观:表面是球面的一部分,中间厚,边缘薄,由透明材料制成。
2)光学特点:对光线具有会聚作用①正确看待凸透镜对光线的会聚作用:光线经透镜折射后,折射光线相对于入射光线原来的传播方向,更靠近主轴。
②凸透镜越厚,它表面的弯曲程度越大,折光能力越强,其焦距越短。
3)成像规律及应用:①U>2f: f<V<2f,成倒立缩小的实像应用:照相机②U=2f: V=2f,成倒立等大的实像应用:——③2f>U>f:V>2f,成倒立放大的实像应用:幻灯机,投影仪④U<f:成正立放大的虚像应用:放大镜规律简化总结:①一倍焦距分虚实,两倍焦距分大小。
②成实像时:物远像近,物近像远,像近像小,像远像大。
③成虚像时:物远像远,物近像近,像近像小,像远像大。
④成实像时,像与物比较:上下,左右均相反;而成虚像时,像与物上下,左右均相同。
这点与平面镜有所区别!2.光学仪器的操作1)照相机的操作:①若要扩大照相范围,就要让像变小,具体操作方法是:增大照相机与被拍照物体的距离以增大物距,同时缩短暗箱长度以减小相距.②照相机镜头上沾有少量灰尘对成像效果影响不大, 灰尘由于距离镜头太近,故它不会通过凸透镜成实像呈现在底片上。
但它会遮挡住部分射到镜头上的光,使像的亮度受到一定的影响。
2)幻灯机的操作:①由于物体通过幻灯机的镜头成的是倒立的像,故幻灯片要倒插。
②若觉得屏幕上的图像太小,则应该减小幻灯片到镜头的距离,同时增大镜头到屏幕的距离。
3)放大镜的操作:①要利用放大镜看到物体正立放大的虚像,必须保证物体到放大镜的距离小于一倍焦距。
若物体到放大镜的距离大于一倍焦距,则我们看到的就是倒立的实像了。
②如果要想将物体的像放大得更多一些,则应该稍稍增大物体到放大镜的距离,但要保证这个距离不能超过一倍焦距。
北师大版八年级物理下册知识总结北师大版八年级物理下册知识总结〔6-8章〕第六章常有得光学仪器一、透镜1、凸面镜与凹面镜:中间厚边沿薄得透镜叫凸面镜,中间薄边沿厚得透镜叫凹面镜。
主轴:经过透镜两个球面球心得直线叫透镜得主光轴。
光心:薄透镜得中心点叫做透镜得光心。
经过光心得光芒流传方向不变。
2、凸面镜对光有汇聚作用,凹面镜对光有发散作用。
平行于凸面镜主光轴得光芒汇聚于主光轴上一点,这点叫做凸面镜得焦点,焦点到光心得距离叫做焦距。
经过凸面镜焦点得光芒平行于主光轴射出。
平行于凹面镜主光轴得光芒经过凹面镜后形成发散光,这些发散光得反向延伸线汇聚一点,这点叫做凹面镜得虚焦点,虚焦点到凹面镜光心得距离叫做凹面镜得焦距。
焦距越小得透镜,汇聚〔或发散〕作用越明显。
3、透镜得分辨方法手摸法:中间厚边沿薄得为凸面镜。
聚焦法:用太阳光对着透镜照能获得渺小亮斑得就是凸面镜。
放大法:瞧书上得字放大得就是凸面镜。
二、凸面镜成像1、当物距大于2倍焦距时,成倒立减小得实像,像距在1倍焦距与2倍焦距之间。
2、当物距等于2倍焦距时,成倒立等大得实像,像距等于2倍焦距。
3、当物距在1倍焦距与2倍焦距之间时,成倒立放大得实像,像距大于2倍焦距。
4、当物距小于焦距时,成正立放大得虚像,像距大于1倍焦距。
5、放大镜得使用:放大镜成正立、放大得虚像,物像同侧。
使用时应使物体尽量远离透镜,但物距不得超出一倍焦距。
6、物距越小,像越大,像距越大。
像与像距成正比。
7、焦点处就是成实像与虚像得分界点。
二倍焦距处就是成放大像与减小像得分界点。
8、研究凸面镜成像规律实验中,要调理烛焰、凸面镜、光屏得中心,使它们得中心大概在同一条直线上,这样做得目得就是使像成在光屏得中央。
三、生活中得透镜1、幻灯机与投影仪:幻灯片或投电影到凸面镜得距离为物距,镜头到屏幕得距离为像距。
原理:当物距在1倍焦距与2倍焦距之间时,成倒立放大得实像,像距大于物距。
屏幕上要成正立得像,幻灯片一定倒放。
北师大版八年级物理知识要点第一章物态及其变化一、物态1物质存在的状态:固态、液态和气态。
2、物态变化:物质由一种状态变为另一种状态的过程。
物态变化跟温度有关:物质是由分子组成的,分子之间存在着相互作用的引力和斥力,同时分子之间有一定的空隙。
当物质处于固态时,引力作用较强,分子排列紧密,分子之间空隙很小,每个分子只能在原位置附近振动,所以固态物质有一定的体积和形状。
固体的温度升高,分子的运动加剧,当温度升高到一定程度时,分子的运动足以使它们离开原来的位置,而在其他分子之间运动,这时物质便以液态的形式存在。
如果温度再升高,分子运动更加剧烈,当温度升高到一定程度时,分子会摆脱其他分子的作用而自由地运动,这时物质便以气态的形式存在。
二、温度的测量1、温度:物体的冷热程度用温度表示。
2、温度计的原理:是根据液体的热胀冷缩的性质制成的。
3、摄氏温度的规定:在大气压为1.01x105Pa时,把冰水混合物的温度规定为0度,而把水的沸腾温度规定为100度,把0度到100度之间分成100等份,每一等份称为1摄氏度,用符号℃表示。
4、温度计的使用:(1让温度计与被测物长时间充分接触,直到温度计液面稳定时再读数。
(2读数时,不能将温度计拿离被测物体。
(3读数时,视线应与温度计标尺垂直,与液面相平,不能仰视也不能俯视。
(4测量液体时,玻璃泡不要碰到容器壁或容器底。
5、体温计:量程一般为35~42℃,分度值为0.1℃。
三、熔化和凝固1、熔化:物质由固态变成液态的过程。
凝固:物质由液态变成固态的过程。
2、固体分为晶体和非晶体。
晶体:有固定熔点。
熔化过程中吸热,但温度不变。
如:金属、食盐、明矾、石英、冰等。
非晶体:没有一定的熔化温度。
变软、变稀变为液体。
如:沥青、松香、玻璃。
四、汽化和液化1、汽化:物质由液态变成气态的过程。
汽化有两种方式:蒸发和沸腾2、蒸发是只在液体表面发生的一种缓慢的汽化现象。
蒸发在任何温度下都可以发生。
3、影响蒸发的因素:液体的温度、液体的表面积、液面的空气流通速度。
第六章:常见的光学仪器一.基本知识点归纳:1.凸透镜:有两个虚焦点。
1)外观:表面是球面的一部分,中间厚,边缘薄,由透明材料制成。
2)光学特点:对光线具有会聚作用①正确看待凸透镜对光线的会聚作用:光线经透镜折射后,折射光线相对于入射光线原来的传播方向,更靠近主轴。
3①②③④U这点与21①②2①由于物体通过幻灯机的镜头成的是倒立的像,故幻灯片要倒插。
②若觉得屏幕上的图像太小,则应该减小幻灯片到镜头的距离,同时增大镜头到屏幕的距离。
3)放大镜的操作:①要利用放大镜看到物体正立放大的虚像,必须保证物体到放大镜的距离小于一倍焦距。
若物体到放大镜的距离大于一倍焦距,则我们看到的就是倒立的实像了。
②如果要想将物体的像放大得更多一些,则应该稍稍增大物体到放大镜的距离,但要保证这个距离不能超过一倍焦距。
3.眼睛1)原理:U>2f,成倒立缩小的实像(与照相机相同)眼睛的晶状体相当于照相机的镜头,瞳孔相当于照相机的光圈,眼睑相当于照相机的快门,视网膜相当于照相机的底片。
2)眼睛的“调焦”与照相机的“调焦”的不同之处:为了让远近不同的物体的像都能被底片或视网膜承接到,照相机是通过改变暗箱长度(即改变像距)来实现的;而眼睛是通过改变晶状体的形状(即改变焦距)来实现的。
故眼睛的“调焦”是真正的调焦,而照相机的“调焦”就显得名不符实了,它实际上调的是像距。
3)眼睛的远点,近点,明视距离,正常眼的4②A.B.度,5A.B.度,678)培养健康用眼的好习惯不在光线过强或过弱的环境下看书,不要长时间看书,勤做眼保健操,看书写字时要与书本保持合适距离等。
4.凹透镜1)外形特点:表面是球面的一部分;中间薄,边缘厚;由透明材料制成。
2)光学特点:对光线具有发散作用光线经凹透镜折射后,折射光线相对于入射光线原来的传播方向,更偏离主轴。
3)成像特点:成正立缩小的虚像。
像和物在透镜的同侧。
二.常见题型及其解法归纳1.光路作图 经验总结:1)在透镜的折射光路的两条光线中,若有一条光线与透镜的主轴有关,则另一条光线一定与透镜的焦点有关。
2024八年级下册物理知识点总结北师大版八年级下册物理知识点总结(北师大版)本文旨在总结2024年北师大版八年级下册物理课程的重要知识点,帮助同学们对这一学期的学习内容进行复习和回顾。
第一章:光的传播1. 光的反射- 光的反射定律:入射角等于反射角。
- 光的法线:垂直于反射面的直线。
- 镜面反射和 diffused reflection(漫反射)。
2. 光的折射- 光的折射定律:入射角的正弦比等于折射角的正弦比。
- 折射率和光的速度。
- 反光定律:光线从光疏介质入射到光密介质时,入射角大于临界角时发生反射,否则发生折射。
3. 凸透镜和凹透镜- 焦距和光的折射规律。
- 光的成像规律:凸透镜和凹透镜的成像位置和大小关系。
第二章:声音和电磁波的传播1. 声音的特点与传播规律- 声音的特点:音调、音量和音色。
- 声音的传播:波动模型和机械波的传播规律。
2. 视频发声过程- 声带的原理和结构。
- 声音的调节:共鸣腔的作用。
3. 电磁波的特点和分类- 电磁波的特点:速度、频率和波长。
- 电磁波的分类:射线、无线电波、红外线、可见光、紫外线、X 射线和γ射线。
第三章:机械运动1. 速度和加速度- 平均速度和瞬时速度的计算。
- 平均加速度和瞬时加速度的计算。
2. 运动图像- 图像的含义和分析。
- 运动图像的加速度与速度的关系。
3. 牛顿运动定律和重力- 牛顿第一定律(惯性定律)、第二定律(力=质量×加速度)和第三定律(作用力与反作用力)。
- 重力和地球上物体的运动。
第四章:力的合成与分解1. 力的合成和分解- 力的合成:平行力和不平行力的合成。
- 力的分解:平行力和不平行力的分解。
2. 弹力和向心力- 弹簧的弹性力和拉力。
- 向心力和离心力。
第五章:物质的三态变化1. 物质的三态变化- 物质的三态:固态、液态和气态。
- 具体相变过程:熔化、凝固、沸腾和凝结。
2. 气体的压力和压强- 压力和压强的概念。
八年级下册物理知识点总结北师大版本文主要总结八年级下册北师大版物理课程中的重要知识点,包括物理量与物理单位、能源与能量转化、电流与电阻、电能的利用、光的传播和成像等内容。
一、物理量与物理单位1. 物理量:用来描述物体或现象的性质和规律的量称为物理量,如长度、质量、时间等。
2. 物理单位:用来表示物理量大小的基本单位和导出单位,如米、千克、秒等。
二、能源与能量转化1. 能量:物体的能力做功的大小称为能量,常用单位为焦耳(J)。
2. 功率:单位时间内做功的大小称为功率,常用单位为瓦特(W)。
3. 能量转化与守恒:能量可以在不同形式之间相互转化,能量守恒定律指出能量不会凭空产生或消失,只能在不同物体之间相互转化。
三、电流与电阻1. 电流:电荷通过导体的数量和单位时间内通过导体截面的电量之比称为电流强度,常用单位为安培(A)。
2. 电阻:电流通过导体时,导体对电流的阻碍程度称为电阻,常用单位为欧姆(Ω)。
3. 欧姆定律:电流强度与电压成正比,与电阻成反比,符合欧姆定律:I = U/R。
四、电能的利用1. 电能与功率:电器利用电能进行工作时,电能转化为其他形式的能量,功率越大,转化效率越高。
2. 电流与电能的关系:电流强度大、电压高的电路中,每单位时间通过的电量多,电能消耗快。
3. 安全用电:应正确使用电器,保持插头和插座接触良好,避免短路等危险情况。
五、光的传播1. 光的直线传播:光在各向同性介质中直线传播,当光线遇到界面时,会发生折射、反射和透射。
2. 光的反射:光线从一种介质射向另一种介质时,一部分光线会被反射,遵循反射定律,入射角等于反射角。
3. 光的折射:光线从一种介质射向另一种介质时,一部分光线会发生折射,遵循折射定律,入射角的正弦与折射角的正弦成正比。
4. 光的透射:光线从一种介质射向另一种介质时,一部分光线会穿过介质,透射光线垂直于界面。
六、光的成像1. 凸透镜:光线通过凸透镜时,根据光线的折射规律,可以确定物体的像的位置和性质。
初中物理八年级下册知识点总结第六章常见的光学仪器一、透镜1.凸透镜和凹透镜:中间厚边缘薄的透镜叫凸透镜,中间薄边缘厚的透镜叫凹透镜。
主轴:通过透镜两个球面球心的直线叫透镜的主光轴。
光心:薄透镜的中心点叫做透镜的光心。
通过光心的光线传播方向不变。
2.凸透镜对光有会聚作用,凹透镜对光有发散作用。
平行于凸透镜主光轴的光线会聚于主光轴上一点,这点叫做凸透镜的焦点,焦点到光心的距离叫做焦距。
通过凸透镜焦点的光线平行于主光轴射出。
平行于凹透镜主光轴的光线经过凹透镜后形成发散光,这些发散光的反向延长线会聚一点,这点叫做凹透镜的虚焦点,虚焦点到凹透镜光心的距离叫做凹透镜的焦距。
焦距越小的透镜,会聚(或发散)作用越明显。
3.透镜的分辨方法(1)手摸法:中间厚边缘薄的为凸透镜。
(2)聚焦法:用太阳光对着透镜照能得到细小亮斑的是凸透镜。
(3)放大法:看书上的字放大的是凸透镜。
二、凸透镜成像1.当物距大于2倍焦距时,成倒立缩小的实像,像距在1倍焦距和2倍焦距之间。
2.当物距等于2倍焦距时,成倒立等大的实像,像距等于2倍焦距。
3.当物距在1倍焦距和2倍焦距之间时,成倒立放大的实像,像距大于2倍焦距。
4.当物距小于焦距时,成正立放大的虚像,像距大于1倍焦距。
5.放大镜的使用:放大镜成正立、放大的虚像,物像同侧。
使用时应使物体尽量远离透镜,但物距不得超过一倍焦距。
三、生活中的透镜1.幻灯机与投影仪:幻灯片或投影片到凸透镜的距离为物距,镜头到屏幕的距离为像距。
原理:当物距在1倍焦距和2倍焦距之间时,成倒立放大的实像,像距大于物距。
屏幕上要成正立的像,幻灯片必须倒放。
要使屏幕上得到的像更大,应当使凸透镜与幻灯片或投影片的距离减小,同时使屏幕远离透镜,即应把幻灯机或投影仪远离屏幕。
投影仪中平面镜的作用是改变光的传播方向。
2.照相机:照相机的镜头相当于凸透镜,景物到镜头的距离为物距,镜头到底片的距离为像距。
原理:当物距大于2倍焦距时,成倒立缩小的实像,像距在1倍焦距和2倍焦距之间。
第一章:物质的变化1.物质的三态及其变化:固态、液态、气态;相变:熔化、凝固、汽化、凝结、升华、凝华。
2.密度和比重:密度的概念、计算方法;比重的概念及计算方法。
3.物质的量:物质的量的概念、计算方法;相对分子质量和相对分子质量的计算方法。
第二章:机械的简单机械原理1.力的作用效果:力的概念、力的表示方法;力对物体的作用效果:使物体运动、使物体变形、使物体改变方向等。
2.杠杆的原理:杠杆的定义、杠杆的原理及分类;力的条件与杠杆平衡的条件。
3.滑轮的原理:滑轮的定义、滑轮的原理以及作用;复式滑轮的效果。
第三章:声音及其探测1.声音的产生和传播:声音的产生原因;声音的传播方式、传播速度以及传播条件。
2.声音的特征:声音的高低、响度、音色以及频率和振动数之间的关系。
3.声音的探测:声音的探测方法;超声波和声纳的应用。
第四章:光的传播与反射1.光的传播:光的传播方式、传播速度、传播的直线性。
2.光的反射:光的反射定律、反射光的性质和规律;镜子的种类及其应用。
3.光的图象:实物与虚物、凸透镜和凹透镜的成像规律及图象特点。
第五章:光的折射1.光的折射定律:光的折射定律的描述和应用;折射率的定义及计算。
2.光的全反射:全反射的意义、条件;光纤的原理及应用。
3.凸透镜的成像规律:凸透镜的成像规律;留意点、留意物、留意尺、菲涅耳原理的应用。
第六章:光的色散与复制1.光的色散:光的色散现象及成因;光的折射角与色散角的关系。
2.彩色复制:细网版的原理、应用;光学玻璃的原理、应用。
第七章:电知识和电路1.电的概念和性质:电荷、电流、电压、电阻等电学基本概念;导体、绝缘体、半导体的特点。
2.电路的基本元件:电源、电阻、导线和开关等基本元件;并联电路和串联电路的基本概念及特点。
3.电流和电压的关系:欧姆定律的基本概念;电阻和电流之间的关联。
第八章:用电及其防护1.功率和能量:功率和能量的概念;计算功率和能量的方法。
2.电能的利用:电能的损耗和节约;电能的安全用电。
六、惯性和惯性定律1.伽利略斜面实验:⑴三次实验小车都从斜面顶端滑下的目的是:保证小车开始沿着平面运动的速度相同。
⑵实验得出得结论:在同样条件下,平面越光滑,小车前进地越远。
⑶伽利略的推论是:在理想情况下,如果表面绝对光滑,物体将以恒定不变的速度永远运动下去。
⑷伽利略斜面实验的卓越之处不是实验本身,而是实验所使用的独特方法──在实验的基础上,进行理想化推理。
(也称作理想化实验)它标志着物理学的真正开端。
2.牛顿第一定律:⑴牛顿总结了伽利略、笛卡儿等人的研究成果,得出了牛顿第一定律,其内容是:一切物体在没有受到力的作用的时候,总保持静止状态或匀速直线运动状态。
⑵说明 A、牛顿第一定律是在大量经验事实的基础上,通过进一步推理而概括出来的,且经受住了实践的检验所以已成为大家公认的力学基本定律之一。
但是,我们周围不受力是不可能的,因此不可能用实验来直接证明牛顿第一定律。
B、牛顿第一定律的内涵:物体不受力,原来静止的物体将保持静止状态,原来运动的物体,不管原来做什么运动,物体都将做匀速直线运动。
C、牛顿第一定律告诉我们:物体做匀速直线运动可以不需要力,即力与运动状态无关,所以力不是产生或维持运动的原因。
判断;1.力是使物体运动的原因(错)。
2.力是改变物体动动状态的原因(对)3.惯性:⑴定义:物体保持运动状态不变的性质叫惯性。
⑵说明:惯性是物体的一种属性。
一切物体在任何情况下都有惯性,惯性大小只与物体的质量有关,与物体是否受力、受力大小、是否运动、运动速度等皆无关。
4.惯性与惯性定律的区别:A、惯性是物体本身的一种属性,而惯性定律是物体不受力时遵循的运动规律。
B、任何物体在任何情况下都有惯性,(即不管物体受不受力、受平衡力还是非平衡力),物体受非平衡力时,惯性表现为“阻碍”运动状态的变化;惯性定律成立是有条件的。
☆人们有时要利用惯性,有时要防止惯性带来的危害,请就以上两点各举两例(不要求解释)。
答:利用:跳远运动员的助跑;用力可以将石头甩出很远;骑自行车蹬几下后可以让它滑行。
f f 北师大版八年级物理下知识点精细版第六章 透镜及其应用一、透镜、至少有一个面是球面的一部分的透明元件(要求会辨认)1、凸透镜、中间厚、边缘薄的透镜,如:远视镜片,照相机的镜头、投影仪的镜头、放大镜等等;2、凹透镜、中间薄、边缘厚的透镜,如:近视镜片,门上的猫眼; 二、基本概念:1、主光轴:过透镜两个球面球心的直线,用CC /表示;2、光心:通常位于透镜的几何中心;用“O ”表示。
3、焦点:平行于凸透镜主光轴的光线经凸透镜后会聚于主光轴上一点,这点叫焦点;用“F ”表示。
4、焦距:焦点到光心的距离(通常由于透镜较厚,焦点到透镜的距离约等于焦距)焦距用“f ”表示。
如下图:注意:凸透镜和凹透镜都各有两个焦点,凸透镜的焦点是实焦点,凹透镜的焦点是虚焦点; 三、三条特殊光线(要求会画):经过光心的光线经透镜后传播方向不改变,平行于主光轴的光线,经凸透镜后经过焦点;经凹透镜后向外发散,但其反向延长线必过焦点(所以凸透镜对光线有会聚作用,凹透镜对光有发散作用);经过凸透镜焦点的光线经凸透镜后平行于主光轴;射向异侧焦点的光线经凹透镜后平行于主光轴。
1、过光心的光线经透镜后传播方向不改变,如下图:2、平行于主光轴的光线,经凸透镜后经过焦点;经凹透镜后向外发散,但其反向延长线必过焦点(所以凸透镜对光线有会聚作用,凹透镜对光有发散作用)如下图:3、经过凸透镜焦点的光线经凸透镜后平行于主光轴;射向异侧焦点的光线经凹透镜后平行于主光轴;如下图:粗略测量凸透镜焦距的方法:使凸透镜正对太阳光(太阳光是平行光,使太阳光平行于凸透镜的主光轴),下面放一张白纸,调节凸透镜到白纸的距离,直到白纸上光斑最小、最亮为止,然后用刻度尺量出凸透镜到白纸上光斑中心的距离就是凸透镜的焦距。
四、粗略测量凸透镜焦距的方法:使凸透镜正对太阳光(太阳光是平行光,使太阳光平行于凸透镜的主光轴),下面放一张白纸,调节凸透镜到白纸的距离,直到白纸上光斑最小、最亮为止,然后用刻度尺量出凸透镜到白纸上光斑中心的距离就是凸透镜的焦距。
八年级下册物理北大师版知识点总结一、力的概念与分类力是物体之间相互作用的结果,可以使物体发生位移或改变形状。
力分为接触力和非接触力两种。
1.接触力:指物体直接接触后产生的力,如摩擦力、弹力等。
2.非接触力:指物体不直接接触而产生的力,如重力、电磁力等。
二、力的作用效果力的作用效果可以使物体发生以下变化:1.平衡:物体受力平衡时,合力为零,物体保持静止或匀速直线运动。
2.运动:物体受到合力作用,会产生加速度,使物体发生运动。
3.形状:某些力会改变物体的形状,如弹力可以使物体发生弹性形变。
三、牛顿第一定律-惯性定律牛顿第一定律指出:物体如果受力平衡,将保持静止或匀速直线运动的状态。
即物体的惯性使得它们保持原有状态,只有受到外力才能改变运动状态。
四、牛顿第二定律-力的作用导致加速度牛顿第二定律描述了力和加速度之间的关系,即当物体受力F 时,加速度a与力的大小成正比,与物体的质量m成反比。
数学表达式为F=ma。
五、牛顿第三定律-作用力与反作用力牛顿第三定律指出:任何一个力的作用都必然伴随着一个大小相等、方向相反的反作用力。
这两个力作用在不同的物体上,分别称为作用力和反作用力。
重力是地球或其他天体对物体的吸引力。
在地球表面上,物体的重量等于质量乘以重力加速度,即W=mg,其中g为重力加速度。
弹力是物体恢复原状的力。
当物体发生形变时,弹簧、绳子等会产生弹性力,使物体恢复原来的形状。
弹力的大小与形变程度成正比。
摩擦力是两个物体相对运动或相互接触时产生的阻碍其相对运动的力。
摩擦力可以分为静摩擦力和动摩擦力两种。
九、波的传播与特性波是能量传播的方式,可以分为机械波和电磁波两种。
1.机械波:需要介质传播,如水波、声波等。
2.电磁波:可以在真空中传播,如光波、无线电波等。
十、声音的产生和传播声音是物体振动产生的机械波。
声音的产生需要有振动源,通过介质传播。
声音的传播速度取决于介质的性质。
十一、光的反射与折射光的反射是光线遇到界面发生反射现象,光线的入射角和反射角相等。
北师大版八年级物理下册知识总结〔 6 - 8 章〕第六章常有的光学仪器一、透镜1、凸面镜和凹面镜:中间厚边沿薄的透镜叫凸面镜,中间薄边沿厚的透镜叫凹面镜。
主轴:经过透镜两个球面球心的直线叫透镜的主光轴。
光心:薄透镜的中心点叫做透镜的光心。
经过光心的光芒流传方向不变。
2、凸面镜对光有汇聚作用,凹面镜对光有发散作用。
平行于凸面镜主光轴的光芒汇聚于主光轴上一点,这点叫做凸面镜的焦点,焦点到光心的距离叫做焦距。
经过凸面镜焦点的光芒平行于主光轴射出。
平行于凹面镜主光轴的光芒经过凹面镜后形成发散光,这些发散光的反向延伸线汇聚一点,这点叫做凹面镜的虚焦点,虚焦点到凹透镜光心的距离叫做凹面镜的焦距。
焦距越小的透镜,汇聚〔或发散〕作用越明显。
3、透镜的分辨方法(1) 手摸法:中间厚边沿薄的为凸面镜。
(2) 聚焦法:用太阳光对着透镜照能获得渺小亮斑的是凸面镜。
(3) 放大法:看书上的字放大的是凸面镜。
二、凸面镜成像1、当物距大于 2 倍焦距时,成倒立减小的实像,像距在 1 倍焦距和 2 倍焦距之间。
2、当物距等于 2 倍焦距时,成倒立等大的实像,像距等于 2 倍焦距。
3、当物距在 1 倍焦距和 2 倍焦距之间时,成倒立放大的实像,像距大于 2 倍焦距。
4、当物距小于焦距时,成正立放大的虚像,像距大于 1 倍焦距。
5、放大镜的使用:放大镜成正立、放大的虚像,物像同侧。
使用时应使物体尽量远离透镜,但物距不得超出一倍焦距。
6. 物距越小,像越大,像距越大。
物与物距成正比,像与像距成正比。
7. 焦点处是成实像与虚像的分界点。
二倍焦距处是成放大像与减小像的分界点。
8. 研究凸面镜成像规律实验中,要调理烛焰、凸面镜、光屏的中心,使它们的中心大概在同一条直线上,这样做的目的是使像成在光屏的中央。
三、生活中的透镜1、幻灯机与投影仪:幻灯片或投电影到凸面镜的距离为物距,镜头到屏幕的距离为像距。
原理:当物距在 1 倍焦距和 2 倍焦距之间时,成倒立放大的实像,像距大于物距。
第六章常见的光学仪器
目标了解凸透镜、凹透镜的有关名词及性质,知道如何鉴别,了解常见的几种光学仪器的工作原理,近视、远视的纠正方法,掌握凸透镜成像规律,会画凸、凹透镜的光路图。
重点凸透镜成像规律,凸、凹透镜光路图
难点凸透镜成像规律
章节内容第一节:透镜
透镜:至少有一个面是球面的一部分的透明玻璃元件。
(要求会辨认)
凸透镜、中间厚、边缘薄的透镜,如:远视镜片,照相机的镜头、投影仪的镜头、放大镜等;凹透镜、中间薄、边缘厚的透镜,如:近视镜片。
主轴:过透镜两个球面球心的直线,用CC/表示;
光心:同常位于透镜的几何中心;用“O”表示。
焦点:平行于凸透镜主光轴的光线经凸透镜后会聚于主光轴上一点,这点叫焦点;用“F”表示。
焦距:焦点到光心的距离(通常由于透镜较厚,焦点到透镜的距离约等于焦距)焦距用“f”表示。
如下图:
注意:凸透镜和凹透镜都各有两个焦点,凸透镜的焦点是实焦点,凹透镜的焦点是虚焦点。
焦距越小的透镜,对光的会聚(或发散)作用越明显。
第二节:探究——凸透镜成像
探究凸透镜的成像规律:器材:凸透镜、光屏、蜡烛、光具座(带刻度尺)
注意事项:“三心共线”:蜡烛的焰心、透镜的光心、光屏的中心在同一直线上;又叫“三心等高”
凸透镜成像的规律(要求熟记、并理解):
成像条件物距(u)成像的性质像距(v)应用
U﹥2f 倒立、缩小的实像f﹤v﹤2f 照相机
U=2f 倒立、等大的实像v=2f
f﹤u﹤2f 倒立、放大的实像v﹥2f 投影仪
U=f 不成像
0﹤u﹤f 正立、放大的虚像v﹥f 放大镜
口诀:一焦分虚实、二焦分大小;虚像同侧正,实像异侧倒;物远实像小,虚像大。
注意:1、实像是由实际光线会聚而成,在光屏上可呈现,可用眼睛直接看,所有光线必过像点;
2、虚像不能在光屏上呈现,但能用眼睛看,由光线的反向延长线会聚而成;
注意:凹透镜始终成缩小、正立的虚像。
三条特殊光线(要求会画):
1、过光心的光线经透镜后传播方向不改变,如下图:
2、平行于主光轴的光线,经凸透镜后经过焦点;经凹透镜后向外发散,但其反向延长线必过焦点(所以凸透镜对光线有会聚作用,凹透镜对光有发散作用)如下图:
3、经过凸透镜焦点的光线经凸透镜后平行于主光轴;射向异侧焦点的光线经凹透镜后平行于主光轴;如下图:
粗略测量凸透镜焦距的方法:
使凸透镜正对太阳光(太阳光是平行光,使太阳光平行于凸透镜的主光轴),下面放一张白纸,调节凸透镜到白纸的距离,直到白纸上光斑最小、最亮为止,然后用刻度尺量出凸透镜到白纸上光斑中心的距离就是凸透镜的焦距。
第三节:生活中的透镜
照相机:1、镜头是凸透镜; 2、物体到透镜的距离(物距)大于二倍焦距,成的是倒立、缩小的实像。
投影仪:1、投影仪的镜头是凸透镜; 2、投影仪的平面镜的作用是改变光的传播方向(注意:照相机、投影仪要使像变大,应该让透镜靠近物体,远离胶卷、屏幕。
);
3、物体到透镜的距离(物距)小于二倍焦距,大于一倍焦距,成的是倒立、放大的实像。
放大镜:1、放大镜是凸透镜;2、放大镜到物体的距离(物距)小于一倍焦距,成的是放大、正立的虚像;注:要让物体更大,应该让放大镜远离物体。
显微镜:由目镜和物镜组成,物镜、目镜都是凸透镜,它们使物体两次放大。
望远镜:由目镜和物镜组成,物镜使物体成缩小、倒立的实像,目镜相当于放大镜,成放大的像。