屋面坡向观感质量等级评定表
- 格式:doc
- 大小:33.50 KB
- 文档页数:2
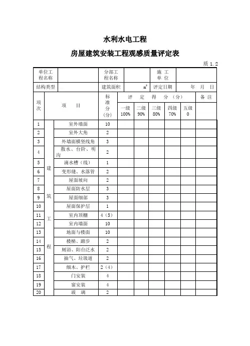
水利水电工程
房屋建筑安装工程观感质量评定表
湖北省水利水电工程建设监理中心制
湖北省水利水电工程建设监理中心制
说明:
(1)检查数量室外和屋面全数检查。
室内按有代表性的自然间抽查10%,且应包括附属房间及厅道等。
(2)评定等级标准抽查或全数检查的点(房间)均符合相应质量检验评定合格标准的,评为四级;其中:有20%~49%的点(房间)达到优良标准者,评为三级;有50%~79%的点(房间)达到优良标准者,评为二级;有80%及其以上点(房间)达到优良标准者,评为一级。
有不符合标准规定的点(房间)者,评为五级,并应处理。
(3)表中带括号的标准分,表示工作量大时的标准分。
(4)表中电梯的标准,是按一台列的分,当为两台时,总分为10分,三台以上时总
分为15分。
湖北省水利水电工程建设监理中心制
(注:文件素材和资料部分来自网络,供参考。
请预览后才下载,期待你的好评与关注。
)。
变形缝、管
道、基座
防水做法正确
横平竖直
女儿墙
无裂缝无空鼓 水落口排水顺畅
3
板屋
面安装平整顺直压条
牢固排水
直线段顺直曲
线段流畅
2
瓦面
屋安装均匀一致
排水搭接正确泛水
顺直平整,无空鼓、裂缝坡向
符合设计要求排气孔位置正确数量满足 年 月 日 年 月 日
1
平屋
面步级高、宽平整,无空鼓、裂缝栏杆高度评定汇总的施工单位: 施工单位项目负责人签名:
总监理工程师(建设单位项目负责人)签名:
部观感质量综合评定为:0好/
0一般/
0差。
%;“一般”的共
项,占总项数的
%;“差”的共
项,占总项数的%。
根据观感质量评价的判定规则,本分
共检查评定个项目;其中评价为“好”的共项,占总项数的
点,差
点
分部观感质量汇总统计及其综合评定结论:4
细部
水沟坡向正确无积
水 点,差点共抽查点;其中:好
点,一般
点,差点共抽查
点;其中:好点,一般点,差点共抽查点;其中:好点,一般点,差点共抽查点;其中:好点,一般点,差点共抽查点;其中:好点,一般点,差点共抽查点;其中:好点,一般点,差点共抽查点;其中:好点,一般点,差点共抽查
点;其中:好点,一般点,差点共抽查点;其中:好点,一般点,差点共抽查点;其中:好点,一般点,差点共抽查点;其中:好点,一般序号
项 目质量要求抽查观感质量状况单项汇总统计质量评价共抽查点;其中:好点,一般单位(子单位)工程名称商住楼(和平碧桂园二标段)检查评定日期 年 月 日至
年 月 日
建筑屋面分部工程观感质量检验记录汇总表。
屋面坡向观感质量等级评定表
检查人:屋面坡向观感质量等级评定表使用说明
(1)适用范围。
本表用于各种屋面及天沟坡向观感项目检查。
(2)检验方法。
观察检查。
(3)检查数量。
全数检查。
按屋面面积每100m2抽查1处,每处10m2,但不少于3处。
(4)空格填写。
1)分项检查点(房间)质量等级:列24个空格,按表列分项工程(或其子项)质量标准,确定每个检查点(房间)的质量等级,合格用“○”,优良用“√”,不合格且不能返工重做的用“×”表示。
实际检查点(房间)超过24格时,每空格一分为二,增为48格。
2)分项检查点(房间)优良率:填写实际检查总点(房间)数及其中优良点(房间)数,计算优良率。
3)评定实得分:标准分或再分配的分值如实填写,根据上项优良率确定质量等级,并同时将其百分率填在其后括号内。
按标准分或再分配分值与质量等级百分率的乘积确定实得分。
表03 房屋建筑安装工程观感质量评定表填表说明填表时必须遵守“填表基本规定”,并符合以下要求。
1. 本表是水利水电工程房屋建筑安装工程观感质量评定表。
表中各项质量标准确定方法与表01同。
2. 观感质量等级评定工作是在单位工程完工后,由项目法人(建设单位)组织,质量监督机构主持,有项目法人(建设单位)、监理、设计、施工等单位参加的工程质量外观评定组进行现场检验评定。
3. 检测数量。
室外和屋面全数检查。
室内按有代表性的自然间抽查10%,且应包括附属房间及厅道等。
4. 评定等级标准。
抽查或全数检查的点(房间)均符合相应质量检验评定合格标准的,评为四级;其中:有20%~49%的点(房间)达到优良标准者,评为三级;有50%~79%的点(房间)达到优良标准者,评为二级;有80%及其以上点(房间)达到优良标准者,评为一级。
有不符合标准规定的点(房间)者,评为五级,并应处理。
5. 表中带括号的标准分,表示工作量大时的标准分。
填表时,须将不执行的数据用“/”划掉。
6. 各项评定得分=该项标准分×该项得分百分数,计算结果小数点后保留一位,各项得分写在相应级别栏内。
填写方法与表01相同。
7. 合计应得分是实际评定各项标准分之和,实得分是各项实际得分之和,得分率=实得分/应得分×100%,小数点后保留一位。
8.表尾由各单位参加外观质量评定的人员签名。
水利水电工程表03 房屋建筑安装工程观感质量评定表单位工程名称分部工程名称施工单位结构类型建筑面积评定日期年月日项次项目标准分(分)评定得分(分)备注一级100%二级90%三级80%四级70%五级1建筑工程室外墙面102 室外大角 23 外墙面横竖线角 34 散水、台阶、明沟 25 滴水槽(线) 16 变形缝、水落管 27 屋面坡向 28 屋面防水层 39 屋面细部 310 屋面保护层 111 室内顶棚4(5)12 室内墙面1013 地面与楼面1014 楼梯、踏步 215 厕浴、阳台泛水 216 抽气、垃圾道 217 细木、护栏2(4)18 门安装 419 窗安装 420 玻璃 221 油漆4(6)22 室内给排水管道坡度、接口、支架、管件323卫生器具、支架、阀门、配件3 24 检查口、扫除口、地漏 225 室内采暖管道坡度、支架、接口、弯道326 散热器及支架 227 伸缩器、膨胀水箱 2项次项目标准分(分)评定得分(分)备注一级100%二级90%三级80%四级70%五级28室内煤气管道坡度、接口、支架 229 煤气管与其他管距离 130 煤气表、阀门 131室内电气安装线路敷设 232 配电箱(盘、板) 233 照明器具 234 开关、插座 235 防雷、动力 236通风风管、支架 237 风口、风阀、罩 238 风机 139空调风管、支架 240 风口、风阀 241 空气处理室、机组 142电梯运行、平层、开关门 343 层门、信号系统44 机房合计应得分,实得分,得分率 %施工单位设计单位监理单位项目法人(建设单位)质量监督机构年月日年月日年月日年月日年月日出师表两汉:诸葛亮先帝创业未半而中道崩殂,今天下三分,益州疲弊,此诚危急存亡之秋也。
屋面坡向观感质量等级评定表
检查人:屋面坡向观感质量等级评定表使用说明(1)适用范围。
本表用于各种屋面及天沟坡向观感项目检查。
(2)检验方法。
观察检查。
(3)检查数量。
全数检查。
按屋面面积每100m2抽查1处,每处10m2,但不少于3处。
(4)空格填写。
1)分项检查点(房间)质量等级:列24个空格,按表列分项工程(或其子项)质量标准,确定每个检查点(房间)的质量等级,合格用“○”,优良用“√”,不合格且不能返工重做的用“×”表示。
实际检查点(房间)超过24格时,每空格一分为二,增为48格。
2)分项检查点(房间)优良率:填写实际检查总点(房间)数及其中优良点(房间)数,计算优良率。
3)评定实得分:标准分或再分配的分值如实填写,根据上项优良率确定质量等级,并同时将其百分率填在其后括号内。
按标准分或再分配分值与质量等级百分率的乘积确定实得分。