2013-2014第一学期钳工期末试题
- 格式:doc
- 大小:33.00 KB
- 文档页数:2
洗选中心劳务工选拔考试笔试试卷答案(2013年钳工)注意事项: 1.答卷前将密封线内的项目填写清楚;2.填写答案时必须用指定黑色笔;3、本份试卷共6道大题, 满分100分, 考试时间120分钟。
一、填空题(40个空, 每空0.5分, 共计20分)1.1英寸等于(25.4)mm;1道等于(0.01)mm。
2、在设备的安装和检修中, 塞尺常用于测量结合面的(间隙)。
3.推力轴承主要用于承受(轴向)载荷。
4.强制润滑类型的减速器必须装设(压力)保护。
5.锯弓安装锯条时要保证齿尖向(前)。
6、常用的热处理方法有: 淬火、回火、(正火)、退火。
7、钳工现用的计量单位有(公制)和英制两种。
8、手工电弧焊焊条有焊芯和(药皮)组成。
9、齿轮轮齿的失效形式有齿面点蚀、(齿面磨损)、齿面胶合、齿轮折断、齿面塑性变形。
10、(回火防止器)是防止火焰回火时, 倒流的火焰进入乙炔发生器而发生爆炸的安全装置。
11.按焊缝在空间的位置不同, 有平焊、(立焊)、横焊、仰焊。
12.液压传动系统的组成由动力部分、控制部分、(执行部分)、辅助部分。
13、手工电弧焊焊接接头形式可分为: (对接接头)、角接接头、丁字接头及搭接接头。
14.限矩型液力偶合器由泵轮、(涡轮)、及外壳组成。
15.直线振动筛弹簧的主要作用有缓冲、隔振、(支撑)。
16、过盈连接的装配方法有: 压入发、(温差法)、液压套合法。
17、用扳牙在工件上加工外螺纹的操作叫(套丝)。
18、割炬是使(乙炔)和氧气按一定比例混合并获得气割火焰的工具。
19、振动筛筛面与水平面的夹角为筛面倾角, 倾角越大, 生产能力越(大), 筛分效率越(低)。
20、直线振动筛由筛箱、(激振器)、支撑三个主要部分组成。
21.三视图包括主视图、(俯视图)、左视图。
22.形位公差分为形状公差和(位置)公差。
23.手工电弧焊焊接规范主要是选择焊条的直径、(焊接电流)、焊接速度。
24.五不漏: 不漏油、不漏汽、不漏水、不漏电、(不漏煤)。
2014年青工技能竞赛应知(钳工)Array考试试卷(120分钟)一、填空题(10×2′)1、机械设备使用全过程分为:磨合期、正常使用期、耗损期。
2、在拧紧方形或圆形布置的成组螺栓时,必须对称进行;在拧紧长方形布置的成组螺栓时,应从中间开始,逐渐向两边对称地扩展。
3、氧、乙炔瓶使用安全间距不少于5米,距明火点不少于10米。
4、螺栓联接防松方法主要使用弹簧垫圈、双螺母、止动垫圈、螺纹防松胶等,可根据螺栓的工况条件选用。
5、采用双螺母防松时,先用薄螺母以80%的拧紧力矩拧紧,再用厚螺母以100%的拧紧力矩拧紧。
6、设备点检可定义为:按照五定定点、定法、定标、定期、定人的方法对设备实施全面的管理7、维修标准包括维修技术标准、点检(给油脂)标准、维修作业标准。
8、相互旋合的内外螺纹,其旋向相同,公称直径相等。
9、向心推力轴承,能承受径向和轴向载荷的联合作用。
10、滚动轴承的装配方法有:敲入法、压入法、温差法。
二、选择题(10×2′)1、职业道德的内容包括( B )。
A、从业者的工作计划B、职业道德行为规范C、从业者享有的权利D、从业者的工资收入2、液压传动不能( C )。
A、实现无级调速B、传递较大的转矩C、保证严格传动比D、实现自动化3、为保证带轮在轴上安装的正确性,带轮装载轴上需检查其(C)是否符合要求。
A径向圆跳动量 B断面圆跳动量C径向和端面跳动量 D径向或端面跳动量4、蜗轮、蜗杆传动中通常涡轮、蜗杆两轴线在空间(D)A相交成90° B相互平行 C相交成任意角度 D交错成90°5. 部件( C )的基本原则为先上后下、先内后外、由主动到被动。
A、加工工艺B、加工工序C、装配程序D、制造程序6、采用热装法装配轴承时,将轴承放入机油槽中加热,温度不超过( A ).A.100°CB. 150 °CC. 200°C7. 销主要用来固定零件之间的( B )。
钳工期末测试题答案一、选择题1. 钳工操作中,常用的测量工具包括()。
A. 游标卡尺B. 千分尺C. 钢尺D. 所有以上答案:D2. 金属材料的硬度检测通常使用()。
A. 布氏硬度计B. 洛氏硬度计C. 维氏硬度计D. 所有以上答案:D3. 下列哪种材料不适合用于制作高温环境下的零件?()。
A. 不锈钢B. 铝合金C. 黄铜D. 聚四氟乙烯答案:D4. 钳工在制作零件时,通常需要进行()以保证尺寸精度。
A. 划线B. 锯削C. 锉削D. 钻孔答案:A5. 为了提高工作效率,钳工在操作时应()。
A. 忽视安全规则B. 使用合适的工具和设备C. 随意改变操作顺序D. 减少必要的测量步骤答案:B二、判断题1. 钳工工作只需要手工操作,不需要使用机械设备。
(错)2. 金属材料的韧性是指材料在受到冲击负荷作用时抵抗破坏的能力。
(对)3. 在进行金属切削时,为了保护刀具和工件,应选择尽可能高的切削速度。
(错)4. 钳工在制作零件时,可以通过热处理工艺来改善材料的机械性能。
(对)5. 为了确保零件的加工质量,钳工在操作过程中应避免使用润滑剂。
(错)三、简答题1. 请简述钳工在制作零件时,为什么要进行划线操作?答:划线操作是为了在原材料上清晰地标出加工线和尺寸线,确保后续加工的准确性。
通过划线,钳工可以更准确地进行锯削、钻孔、锉削等操作,避免加工误差,提高零件的加工质量。
2. 描述一下金属切削加工中,切削液的作用。
答:切削液在金属切削加工中起到润滑、冷却和清洗的作用。
它能够减少刀具与工件之间的摩擦,降低切削温度,提高刀具的耐用度。
同时,切削液还能帮助清除切屑,保持工件表面的清洁,提高加工精度。
3. 什么是金属材料的弹性模量,它对零件设计有何影响?答:弹性模量是材料在受到力的作用下,单位应变(变形量与原始尺寸之比)所承受的应力。
它反映了材料抵抗形变的能力。
在零件设计中,弹性模量是一个重要的参数,它影响到零件在受力时的变形程度,进而影响到零件的使用性能和寿命。
钳工期末试题及答案第一部分:选择题1. 钳工使用的标准进制计量工具是:A. 英制尺B. 公制尺C. 厘米尺D. 公制尺和厘米尺答案:B. 公制尺2. 加工螺纹孔时,下列哪种钳工工具是必需的?A. 螺纹规B. 手柄计C. 压顶器D. 攻丝刀答案:D. 攻丝刀3. 下列哪种螺纹标准符合ISO标准?A. UNC螺纹B. UNF螺纹C. BSP螺纹D. NPT螺纹答案:C. BSP螺纹4. 用于金属切割的常用手工工具是:A. 锉刀B. 手锯C. 铣刀D. 铰刀答案:B. 手锯5. 下列哪个概念不属于钳工测量的基本原理?A. 规矩不相交B. 角度相等C. 直线平行D. 直线垂直答案:A. 规矩不相交第二部分:填空题1. 钳工使用的主要手工工具是__________。
答案:锤子、扳手、螺丝刀等。
2. 用于加工大孔径的工具是__________。
答案:铰刀。
3. 螺纹直径的标准计量单位是__________。
答案:毫米。
4. 钳工测量常用的工具有__________。
答案:卡尺、千分尺、角度尺等。
5. 钳工最基本的操作工艺是__________。
答案:锻造。
第三部分:问答题1. 请简要说明钳工职业的主要工作内容。
答:钳工主要负责使用手工和机械工具对金属和其他材料进行加工和修整,制造和修理金属零部件,进行组装和调试工作。
他们还负责测量、标记和校对工件尺寸,进行加工螺纹孔和金属切割等工作。
2. 请列举出钳工常用的安全措施。
答:戴上眼镜和手套以保护视觉和手部安全,正确使用和保养手工工具,遵循操作规程和安全操作规范,保持工作区干净整洁,避免滑倒和事故发生。
3. 解释什么是螺纹标准?答:螺纹标准是用于螺纹连接的标准规范,它规定了螺纹的尺寸、牙距、螺线角、螺纹锥度等参数。
螺纹标准的使用可以确保螺纹的互换性和连接的质量。
4. 为什么钳工需要进行测量和校对工件尺寸?答:测量和校对工件尺寸是为了确保加工精度和工件质量。
钳工需要使用测量工具对工件的尺寸进行检查,以确保符合要求的尺寸范围,并及时调整工艺参数或重新加工。
钳工期末考试题及答案一、选择题(每题2分,共20分)1. 钳工常用的量具不包括以下哪一项?A. 钢尺B. 卡尺C. 千分尺D. 游标卡尺答案:A2. 钳工在进行工件加工时,以下哪项操作是错误的?A. 测量工件尺寸B. 进行工件划线C. 使用手锤直接敲击工件D. 进行工件修整答案:C3. 钳工在进行钻孔操作时,应使用哪种工具?A. 手锯B. 锉刀C. 钻头D. 砂轮答案:C4. 钳工在进行工件的平面加工时,通常使用哪种工具?A. 车床B. 铣床C. 刨床D. 锉刀答案:D5. 钳工在进行工件的弯曲操作时,应使用哪种工具?A. 锉刀B. 手锯C. 弯管器D. 砂轮答案:C6. 钳工在进行工件的焊接操作时,应使用哪种保护措施?A. 护目镜B. 手套C. 口罩D. 以上都是答案:D7. 钳工在进行工件的装配操作时,以下哪项操作是正确的?A. 使用蛮力强行装配B. 检查各部件尺寸是否符合要求C. 忽略部件的清洁度D. 忽略部件的配合精度答案:B8. 钳工在进行工件的拆卸操作时,以下哪项操作是错误的?A. 使用合适的工具B. 按照拆卸顺序进行C. 用力过猛D. 保持部件清洁答案:C9. 钳工在进行工件的测量时,以下哪项操作是正确的?A. 使用磨损的量具B. 测量时手部抖动C. 测量后记录数据D. 忽略环境温度对测量的影响答案:C10. 钳工在进行工件的加工时,以下哪项操作是必要的?A. 忽略工件的材质B. 忽略工件的硬度C. 选择合适的加工方法D. 忽略工件的尺寸答案:C二、判断题(每题1分,共10分)1. 钳工在加工工件时,可以忽略工件的材质和硬度。
(×)2. 使用手锤敲击工件时,应确保工件固定牢固。
(√)3. 钳工在进行钻孔操作时,可以不使用钻头。
(×)4. 钳工在进行工件的平面加工时,可以使用车床。
(×)5. 钳工在进行工件的弯曲操作时,可以使用手锯。
(×)6. 钳工在进行焊接操作时,不需要任何保护措施。
钳工期末测试题答案及解析导言:钳工是一种重要的技术岗位,需要具备精密测量、加工和装配等技能。
在进行期末测试之前,我们希望为学生们提供一个参考答案及解析,帮助他们更好地理解和掌握钳工的相关知识。
第一部分:选择题1. 选B解析:根据题干“下列选项中,哪个不是钳工常用的测量工具?”可知答案为游标卡尺不是常用的测量工具。
2. 选C解析:根据题干“下列选项中,哪种不是常见的工件夹持方式?”可知答案为机械夹具不是常见的工件夹持方式。
3. 选A解析:根据题干“下列选项中,哪个不是常见的锉刀类型?”可知答案为六方锉不是常见的锉刀类型。
4. 选D解析:根据题干“下列选项中,哪种不是常见的螺纹连接方式?”可知答案为焊接不是常见的螺纹连接方式。
5. 选B解析:根据题干“下列选项中,哪个工装不是常见的钳工工具?”可知答案为机械手不是常见的钳工工具。
第二部分:填空题1. 坡口解析:根据题干“钳工常用的零件加工工艺中,用于提高零件连接强度的方法是______。
”可知答案为坡口。
2. 百分表解析:根据题干“钳工常用的测量工具中,用于测量零件的内外径的工具是______。
”可知答案为百分表。
3. 钳工锤解析:根据题干“钳工常用的敲打工具是______。
”可知答案为钳工锤。
4. 螺旋副解析:根据题干“钳工常用的传动方式中,用于将旋转运动转化为直线运动的方式是______。
”可知答案为螺旋副。
5. 不会增加解析:根据题干“加工工序中,使用自动进给会对切削速度产生什么影响?”可知答案为不会增加。
第三部分:简答题1. 数字符号程控机床的特点及应用范围:答:数字符号程控机床是利用数字计算机进行控制的一种机床,其特点包括灵活性高、重复性好、生产效率高等。
它广泛应用于零件加工、模具制造、航空航天等领域。
2. 钳工常见的五金连接件有哪些?答:钳工常见的五金连接件包括螺栓、螺母、垫圈、销钉、沉头铆钉等。
3. 请简要介绍钳工常见的三种数控机床:答:钳工常见的三种数控机床包括数控铣床、数控车床和数控钻床。
钳工工艺期末试题及答案一、选择题1. 下列哪种材料适合用于制作钳子的夹口?A. 铝合金B. 不锈钢C. 塑料D. 铁材料答案:B. 不锈钢2. 钳工夹具主要用于固定和加工哪些工件?A. 金属工件B. 木材工件C. 石材工件D. 塑料工件答案:A. 金属工件3. 在装配钳工夹具时,以下哪个步骤是正确的?A. 先调整夹紧压力,再固定零件B. 先固定零件,再调整夹紧压力C. 先拆解零件,再进行清洗D. 先试用夹紧压力,再确认零件答案:A. 先调整夹紧压力,再固定零件4. 下列哪种工具适合用于对钳子进行修整和打磨?A. 铣床B. 钻床C. 磨床D. 刨床答案:C. 磨床5. 在使用电动工具时,以下哪种安全措施是正确的?A. 使用带护目镜和手套的装备B. 操作时戴着手表和戒指C. 不需要保持工作区域整洁D. 在操作时穿着松散的衣物答案:A. 使用带护目镜和手套的装备二、填空题1. 钳工夹具的夹紧力通常由(可调节/不可调节)的机构提供。
答案:可调节2. 钳工常用的打磨工具有钢丝刷和(砂轮/锉刀)。
答案:砂轮3. 钳工使用的主要测量工具是(游标卡尺/螺纹规)。
答案:游标卡尺4. 钳工夹具的主要分类包括机械夹具、(手动夹具/自动夹具)和液压夹具。
答案:手动夹具5. 钳工工艺中常用的连接方式有焊接、(螺纹连接/粘接)和铆接。
答案:螺纹连接三、简答题1. 请简要介绍钳工工艺的基本流程。
答:钳工工艺的基本流程包括设计方案的确定、制定加工工艺和方案、准备钳工夹具和工具、进行加工和检验,最后完成和修整。
2. 钳工夹具的选择因素有哪些?请列举至少三个。
答:钳工夹具的选择因素包括工件材料、夹紧力需求、加工方式和精度要求等。
3. 钳工工艺中常用的安全措施有哪些?请列举至少三个。
答:钳工工艺中常用的安全措施包括佩戴个人防护装备(如护目镜、手套等)、保持工作区域整洁、确保设备正常运行和操作规范等。
四、综合题某工件的加工要求为制作一个L形孔洞及其配合表面,要求精确度高,不得有毛刺和残余金属。
2012——2013学年第一学期钳工期末考试复习题一、 填空1、钳工是使用钳工工具或设备,主要从事工件的(划线与加工)、机器的(装配与调试)、设备的(安装与维修)及工具的(制造与修理)等工作的工种。
2、《国家职业标准》将钳工划分为(装配钳工)、(机修钳工)和(工具钳工)三类。
3、车削时,工件的旋转称为(主)运动;刀具的纵向或横向移动称为(进给)运动。
4、切削过程中,工件形成的三个表面是(待加工表面)、(已加工表面)和(过渡表面)。
5、切削用量是切削过程中(切削速度)、(进给量)和(背吃刀量)三者的总称。
6、常用的刀具材料有(碳素工具钢)、(合金工具钢)、(高速钢)和(硬质合金)等。
7、用来测量检验零件及产品(尺寸)和(形状)的工具称为量具。
8、量具按用途和特点,可分为(万能量具)、(标准量具)和(专用量具)三种类型。
9、常用的万能量具有(游标卡尺)、(千分尺)、(万能角度尺)和(百分表)等。
10、常用游标卡尺的测量精度,按读数值可分为(0.02)mm 和(0.05)mm 两种。
11、1/20mm 游标卡尺的尺身每小格为(1)mm ,测量精度为(0.05)mm 。
12、游标高度尺用来测量零件的(高度)尺寸和进行(划线)。
13、千分尺是一种(精密)量具,测量尺寸精度要比游标卡尺高。
14、百分表主要用来测量工件的(尺寸)、( 形状)和(位置)误差,也可用于检验机床的(几何精度)或调整工件的(装夹位置)偏差。
15、选用量块时,应尽可能选用(最少)的块数,一般情况下块数不超过(5)块,块数越多,其(累积误差)就越大。
16、塞规是用来检验工件内径尺寸的量规,其小端在测量内孔时应能通过,称为(通规);大端在测量内孔时不通过工件,称为(止规)。
17、塞尺是用来检验(两个贴合面)之间(间隙)大小的片状定值量具。
18、平面划线要选择(2)个划线基准,立体划线要选择(3)个划线基准。
19、常用的划线涂料有(石灰水)、(蓝油)和(硫酸铜溶液)等。
(完整)钳工考试题库及参考答案一、选择题1. 钳工的主要工作范围不包括以下哪项?A. 零件的加工B. 装配与调试C. 零件测绘D. 销售与售后服务答案:D2. 以下哪种工具不是钳工常用的工具?A. 钳子B. 锤子C. 钻头D. 钢尺答案:C3. 钳工在加工过程中,应遵循以下哪个原则?A. 先粗后精B. 先精后粗C. 先主后次D. 先次后主答案:A4. 以下哪个工具用于测量长度?A. 钢尺B. 游标卡尺C. 千分尺D. 角度尺答案:A5. 以下哪个工具用于测量直径?A. 钢尺B. 游标卡尺C. 千分尺D. 角度尺答案:C二、判断题1. 钳工在加工过程中,可以任意改变加工顺序,不影响加工质量。
答案:错误2. 钳工加工过程中,使用游标卡尺测量长度时,应将游标卡尺平放在被测物体上。
答案:正确3. 钳工在加工过程中,必须保证加工精度,否则会影响零件的使用寿命。
答案:正确4. 钳工加工过程中,可以使用普通钢尺测量直径。
答案:错误5. 钳工在加工过程中,可以不佩戴防护眼镜。
答案:错误三、填空题1. 钳工在加工过程中,应遵循的原则是_________。
答案:先粗后精2. 以下工具中,用于测量直径的是_________。
答案:千分尺3. 钳工在加工过程中,必须保证的精度包括_________、_________、_________。
答案:尺寸精度、形状精度、位置精度4. 钳工加工过程中,常用的测量工具包括_________、_________、_________。
答案:钢尺、游标卡尺、千分尺四、简答题1. 简述钳工加工过程中,如何保证加工精度?答案:钳工加工过程中,为了保证加工精度,应遵循以下原则:(1)合理选择加工方法,确保加工顺序正确;(2)选用合适的加工工具,提高加工效率;(3)严格遵循加工工艺,确保加工过程稳定;(4)加强测量和检查,及时发现并纠正误差。
2. 简述钳工在加工过程中,如何正确使用游标卡尺?答案:钳工在加工过程中,正确使用游标卡尺的方法如下:(1)将被测物体放置在平稳的工作台上;(2)将游标卡尺平放在被测物体上,使测量面与被测面紧密接触;(3)轻轻推动游标卡尺,使其沿着被测面移动,观察游标上的刻度;(4)读取游标卡尺上的数值,记录下来;(5)重复以上步骤,进行多次测量,以提高测量精度。
钳工期末考试理论试卷及答案钳工期末考试理论试卷及答案一、选择题1、在加工零件时,我们经常使用到钳工工具。
下列哪种工具是用于划线的?() A. 锤子 B. 锯子 C. 游标卡尺 D. 螺丝刀2、在钳工工作中,哪种切削方法是用来切断金属材料的?() A. 钻削 B. 铣削 C. 锯削 D. 刨削3、要想提高钳工工作的精度,以下哪个因素最重要?() A. 工作环境 B. 工具的选择和使用 C. 技能和经验 D. 工件的材质和硬度二、判断题1、钳工工作中的锉削就是利用锉刀在工件表面上切削的一种方法。
()2、在钳工工作中,钻削和铰削常用来加工孔,它们的加工精度相同。
()3、钳工使用的扳手分为管扳手和套筒扳手,其中套筒扳手的特点是可以快速转换不同规格的附件。
()4、在钳工工作中,攻丝和套丝都是为了使螺钉和螺栓能够紧密地固定在工件上。
()5、钳工工作中的锯削是利用锯条在工件上切出槽或孔的一种方法。
()三、填空题1、钳工工作中的划线是指在工件的表面上 ___________ ,以此作为后续加工的依据。
2、在钳工工作中,研磨剂是一种 ___________ 剂,可以增加锉削表面的粗糙度。
3、钳工工作中的攻丝和套丝都是为了使螺钉和螺栓能够紧密地固定在工件上,其中攻丝是指将螺钉或螺栓的 ___________ 加工成螺纹的过程。
4、在钳工工作中,钻削是一种利用 ___________ 在工件表面上切削孔的方法。
5、钳工工作中的砂轮是一种磨料,它可以用来磨削钳工工具和工件,其中最常使用的砂轮是 ___________ 砂轮。
四、简答题1、请简述钳工工作中的研磨方法及其作用。
2、请解释攻丝和套丝的区别及其在钳工工作中的应用。
3、请说明钳工工作中如何选择和使用研磨剂。
4、请介绍钻削在钳工工作中的优缺点。
5、请简述钳工工作中砂轮的选择和使用方法。
五、分析题请分析在钳工工作中,哪些因素会影响钻削的精度,并提出相应的解决方法。
六、论述题请论述在钳工工作中,攻丝和套丝的操作要点及其注意事项。
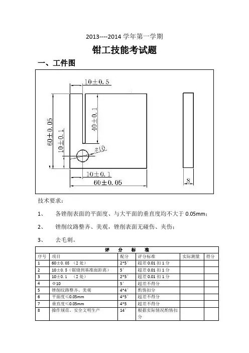
2013----2014学年第一学期
钳工技能考试题
一、工件图
技术要求:
1、各锉削表面的平面度、与大平面的垂直度均不大于0.05mm;
2、锉削纹路整齐、美观,锉削表面无碰伤、夹伤;
3、去毛刺。
2013----2014学年第一学期
钳工技能考试题
一、工件图
技术要求:
1、各锉削表面的平面度、与大平面的垂直度均不大于0.05mm;
2、锉削纹路整齐、美观,锉削表面无碰伤、夹伤;
3、去毛刺。
2013----2014学年第一学期
钳工技能考试题
一、工件图
技术要求:
4、各锉削表面的平面度、与大平面的垂直度均不大于0.05mm;
5、锉削纹路整齐、美观,锉削表面无碰伤、夹伤;
6、去毛刺。
《钳工》期末测试题及答案三套《钳工》期末测试题及答案一一、单项选择题(每题1分,共15分)1.钳工是用手工工具并经常在()上进行手工操作的一种工种。
A.工作台B.台虎钳C.砂轮机D.钻床2.以下说法中正确的是()A.开动设备,应先检查防护装置,检查电、油、气等动力开关是否完好,并空载运行,待确认完好后方可正常投入工作B.钳工工作台必须安装牢固,必要时可以当做铁砧用C.钳工工作台上使用的照明电压不得超过220 VD.夹紧工件时要松紧适当,可借助其他工具加力扳紧手柄。
3.划线的要求划线除要求划出的线条清晰均匀外,最重要的是保证()准确。
A. 精度B. 形状C. 尺寸D. 位置4. 以下关于样冲的说法错误的是()A.样冲用工具钢制成,并经淬硬热处理,其尖角磨成40°~60°。
B.冲眼时样冲外倾,使尖端对准线的正中C.曲线冲点距离要小些,小于20的圆周线应有4个冲点;大于20的圆周线应有8个冲点D.在直线上的冲点距离可小些,但短直线至少有三个冲点5.为了使所划线条比较清晰、准确,划线前一般要对毛坯、工件进行()A.清理B.除锈D.加工6. 以下哪项不属于四种常用划线操作的方法 ( )A.普通划线法B.立体划线法C.样板划线法D.精密划线法7.()是用砂轮高速旋转来磨削工件的电动工具,用于切割不锈钢、合金钢、普通碳素钢的型材、管材,或修磨工件的飞边、毛刺、焊缝及用等离子切割后的大直径不锈钢、合金钢管的切口。
A.钻床B.角向磨光机C.电磨头D.砂轮机8. 以下哪项不是常用的曲面线轮廓度的检查方法()A.用半径规检测B.用曲面样板检测C.用外径千分尺检测D.用检验棒检测9.以下说法错误的是()A.工作前,对所用钻床和工具、夹具、量具进行全面检查,确认无误后方可操作B.钻削时,必须用夹具夹持工件,且夹持牢固可靠,不准用手拿着钻C.钻头上绕有长铁屑时,要停车用棉纱或铁钩清除D.装卸钻头时应用专用钥匙扳手,不可用手锤和其他工具或物件敲打10.用()在工件孔中切削出内螺纹的加工方法称为攻螺纹A.手电钻B.钻床C.铰杠11.安装钻头时,直径在() mm以下的直柄钻头一般用钻夹头安装。
钳工期末考试理论试卷一、填充题(40×)1、选择锉刀时,锉刀断面形状要和相适应,锉刀粗细取决于工件的。
2、钻孔一般属于粗加工,尺寸精度可达到,表面粗糙度可达。
3、工件的安装包括和两个过程。
4、麻花钻头后角磨的过大,会减少角,而使长度增长。
5、螺纹按旋向分为旋螺纹和旋螺纹。
6、研磨的基本原理是和的综合作用。
7、攻丝时,丝锥切削刃对材料产生挤压,因此攻丝前直径必须大于的尺寸。
8、标准麻花钻的顶角为度,横刃斜角为度。
9、铆接时,铆钉大小和被连接的有关。
10、平键装配时,它的两侧必须有一定的,而顶面与轮毂键槽底必须留有一定的。
11、螺纹联接是一种联接、分为螺纹联接和螺纹联接。
12、立体划线一般要在、、三个方向上进行。
13、找正就是利用使工件上有关的处于合适的位置。
14、钻深孔易产生的主要问题是和困难。
15、磨短横刃并增大钻心处前角,以减少和现象。
16、工具圆锥一般包括圆锥和圆锥两种。
17、工件定位误差是由两部分组成。
一部分是误差,另一部分是误差。
18、齿轮传动从传递运动和动力方面,应满足,两个基本要求。
19、磨削区域的瞬时高温会使工件表层产生,二引起工件。
20、用来表达部件和机器的图样叫。
二、判断题(20×1=20分)1、精刮时,显示剂可调得稀些,便于涂抹,显示的研点也大,也便于刮削。
()2、研磨后的尺寸精度可达到~。
()3、工件置于夹具中,相对于机床和刀具占有一个预定的正确位置,称为工件的定位。
()4、活动联接指零件之间在工作中可按规定的要求作相对运动。
()5、螺纹防松的目的就是防止摩擦力矩减小和螺母回转。
()6、滚动轴承的优点很多,无论在什么情况下,使用滚动轴承比使用滑动轴承好。
()7、划高度方向的所有线条,划线基准是水平线或水平中心线。
()8、群钻主切削刃分成几段的作用是:利于分屑、断屑和排屑。
()9、具有独立的定位作用,能限制工件的自由度的支承称为辅助支承。
()10、有槽的研磨平板用于精研磨。
钳工期末考试题13春机械班钳工期末考试题(二册)姓名:学号:得分:一、填空题(每空1分,共25 分)1、钳工是使用.、等,按技术要求对工件进行加工、修整、装配的工种。
2、钳工常用的钻床有、、等。
3、只需要在工件的的表面上划线后,即能明确表示加工界限的称为划线。
4、砂轮机是用来磨削各种刀具或工具的,砂轮机由、、及等组成。
5、划线除要求划出的线条均匀外,最重要的是要。
6、常用的划规有、、、等7、当錾削靠近工件尽头约10mm时,必须錾掉剩余部分,以免工件棱角损坏。
8、锯削的作用是锯断各种材料或,锯掉工件上多余部分或在工件上锯槽。
9、在制造锯条时,使锯条按一定规律左右错开排列成一定形状称为,以防锯削时和锯条。
10、起锯方法有、两种,一般采用较好。
二、选择题(每小题2分,共30分)1、在磨削过程中,操作者应站在砂轮的()A、正对面B、斜对面C、正对面或侧面2、液压传动的工作介质是具有一定压力的()A、气体B、液体C、机械能3、一般划线精度能达到()A、0.025 0.05mmB、0.25 0.5mmC、0.25mm左右4、当各个表面都需加工时,为保证各表面都有足够的余量,应选()为划线基准。
A、不加工表面B、重要表面C、余量小的表面5、下列()情况不需要打样冲眼。
A、薄工件B、钻孔C、软材料6、在工件上錾削沟槽和分割曲线形板料时,应选用()A、尖錾B、扁錾C、油槽錾7、锯齿崩断的原因是()A、锯条安装不当B、起锯方法不正确C、锯削速度太快8、起锯时工件表面被拉毛的原因是(0A、起锯方法不正确B、划线不正确C、锯条装得过松9、锯削管子和薄料时,应选择()锯条A、粗齿B、中齿C、细齿10、锯齿过早磨损的原因是()A、锯条安装不当B、锯削速度太快C、起锯方法不正确11、切削工件过程中,当切削速度越高时,刀具寿面()A、越长B、越短C、不变12、.工作时()穿工作服和鞋子。
A、可根据具体情况B、必须C、可以不13、.工作完毕后,所用过的工具要()A、检修B、堆放C、清理、涂油14、两组导轨在水平面内的平行度误差应用()检查A、水平仪B、百分表C、测微仪15、用划线盘进行划线时,划针应尽量处于()位置A、垂直B、倾斜C、水平三、判断题(每小题1分,共10分)1、锯削硬度较高的材料应选粗齿锯条,以提高工作效率。
《钳工》期末测试题及答案三套《钳工》期末测试题及答案一一、单项选择题(每题1分,共15分)L钳工是用手工工具并经常在()上进行手工操作的一种工种。
A.工作台B.台虎钳C.砂轮机D.钻床2.以下说法中正确的是()A.开动设备,应先检查防护装置,检查电、油、气等动力开关是否完好,并空载运行,待确认完好后方可正常投入工作B.钳工工作台必须安装牢固,必要时可以当做铁砧用C.钳工工作台上使用的照明电压不得超过220 VD.夹紧工件时要松紧适当,可借助其他工具加力扳紧手柄。
3.划线的要求划线除要求划出的线条清晰均匀外,最重要的是保证()准确。
A.精度B.形状C.尺寸D.位置4.以下关于样冲的说法错误的是()A.样冲用工具钢制成,并经淬硬热处理,其尖角磨成40°〜60°。
B.冲眼时样冲外倾,使尖端对准线的正中C.曲线冲点距离要小些,小于20的圆周线应有4个冲点;大于20的圆周线应有8个冲点D.在直线上的冲点距离可小些,但短直线至少有三个冲点5.为了使所划线条比较清晰、准确,划线前一般要对毛坯、工件进行()A.清理B.除锈A. 10B.20C.30D.407.游标卡尺不能测量零件的()。
A.外径B.内径C.位置误差D.深度8.以下哪项是锂削内圆弧面的方法()A.顺着圆弧面铿削B.横着圆弧面锂削C.直铿法D.横铿法9.在铝合金材料上钻孔时,应选用()作为切削液。
A.不用或乳化液B.不用或煤油C.乳化液或煤油D.硫化切削液10.方樟属于丝锥中的哪个部分?()A.切削部分B.校准部分C.工作部分D.柄部11.在塑性材料(钢、紫铜等)的底孔直径选择公式:D=d-p中,d表示的含义是()A.钻孔的直径B.内螺纹大径C.内螺纹小径D.螺距12.套螺纹时使用的工具是()A.板牙B.螺纹塞规C钱杠D.丝锥13.板类零件装夹时,零件最高处一般超过钳口()mmA.10B.15C.20D.2514.主要用于较削标准系列的孔的较刀类型是()A.整体圆柱较刀B.螺旋槽手动钱刀C.圆锥较刀D.可调节手用钱刀15.万用角度尺读数时,通过读取游标与主尺上每格之差可以确定的是()A.度数B.分数C.秒数D.精度二、不定项选择题(每题2分,共10分)1.钳工的主要特点有()A.加工灵活B.投资小C.劳动强度大,生产率低D.工作时间长E.加工质量不稳定2.划线前能使用在工件已加工表面上的涂料有()A.石灰水B.硫酸铜溶液C.锌钢白D.蓝油E.无水涂料3.使用直径为lOmni的钻头钻孔时,可选择的给进量为()mm/rA.0. 05B.0. 1C.0. 15D.0.2E.0. 254.关于车忽孔操作,以下说法正确的是()5.钩孔时的切削速度应比钻孔低,一般为钻孔切削速度的1/2〜1/3,手进给压力不宜过大,进给量为钻孔的2〜3倍,并要均匀。
三、选择题(每小题1分,共10分)1.錾削钢等硬材料时,楔角取( C )。
A.30°~50°B.50°~60°C.60°~70°D. 70°~80°2.硬头手锤由碳素工具钢制成,并经淬硬处理,其规格用( B )表示。
A.长度B.重量C.体积D.面积3.锉刀主要工作面指的是( A )。
A.锉齿的上、下两面B.两个侧面C.全部表面C.前后表面4.钻头直径大于13mm时,夹持部分一般做成(B)。
A.柱柄B.莫氏锥柄C.柱柄或锥柄D.套柄5.当孔的精度要求较高且表面粗糙度值要求较小时,加工中应取(D)。
A.较大的进给量和较小的切削速度B.较大的进给量和较小的切削速度C.较大的切削深度D.较小的进给量和较大的切削速度6、变形不严重的材料弯形后,外层因受拉力而( A )。
A.伸长B.缩短C.长度不变 D断裂7、活动铆接的结合部分( C )。
A.固定不动B.可以相互转动和移动C.可以相互转动 B.可以相互移动8、用半圆头铆钉铆接时,留作铆合头的伸出部分长度应为铆钉直径的( B )倍。
A.0.8~1.2B.1.25~1.5C.0.8~1.5D.1.5~1.759、轴承装配前,其表面的防锈油可用汽油或煤油清洗,若轴承用厚油和防锈油脂防锈,可用轻质矿物油加热溶解清洗,油温不超过( A )℃,冷却后再用汽油、煤油清洗。
A100 B.110 C.130 D.14010、齿轮的接触斑点在齿高和齿宽方向应不少于( C )(视精度不同而定)。
A.30%~60%B.40%~70%C.40%~60%D.50%~80%四、名词解释(每小题3分,共9分)1、划线基准:在工件上划线时所选用的,用来确定工件上各部分尺寸、几何形状和相对位置的点、线、面称为划线基准。
2、找正:找正就是利用划线工具(如划线盘、90°角尺、单脚规等)使工件上有关的毛坯表面处于合适的位置。
钳工期末考试题及答案一、选择题(每题2分,共20分)1. 钳工常用的量具不包括以下哪一项?A. 钢尺B. 卡尺C. 游标卡尺D. 千分尺答案:A2. 钳工在进行锉削时,正确的姿势是?A. 身体前倾B. 身体后仰C. 身体直立D. 身体侧倾答案:C3. 钳工在钻孔时,为了确保孔的精度,通常采用什么方法?A. 直接钻孔B. 先钻孔后扩孔C. 先扩孔后钻孔D. 先钻孔后铰孔答案:D4. 钳工在进行平面磨削时,应使用什么工具?A. 锉刀B. 砂轮C. 磨床D. 钻头答案:C5. 钳工在进行螺纹加工时,通常使用的工具是?A. 锉刀B. 丝锥C. 钻头D. 车刀答案:B6. 钳工在进行工件的装配时,需要考虑哪些因素?A. 工件的重量B. 工件的尺寸C. 工件的材质D. 所有以上因素答案:D7. 钳工在进行工件的校正时,通常采用什么方法?A. 敲打B. 弯曲C. 拉伸D. 以上都是答案:D8. 钳工在进行工件的焊接时,需要使用什么保护措施?A. 安全帽B. 防护眼镜C. 手套D. 所有以上措施答案:D9. 钳工在进行工件的切割时,通常使用什么工具?A. 锉刀B. 锯条C. 钻头D. 车刀答案:B10. 钳工在进行工件的抛光时,通常使用什么工具?A. 锉刀B. 砂轮C. 抛光轮D. 钻头答案:C二、简答题(每题10分,共30分)1. 简述钳工在进行工件的装配时应注意哪些事项?答案:在进行工件的装配时,钳工应注意以下事项:确保所有部件清洁无杂质;检查各部件的尺寸是否符合设计要求;确保配合面平整无损伤;使用适当的工具进行装配;注意装配顺序,避免强行装配;装配后进行必要的检查和调整。
2. 钳工在进行工件的校正时,应遵循哪些原则?答案:在进行工件的校正时,钳工应遵循以下原则:首先,了解工件的材质和结构,选择合适的校正方法;其次,校正过程中要逐步进行,避免一次性施加过大的力量;再次,校正后要检查工件的尺寸和形状,确保达到设计要求;最后,记录校正过程和结果,以备后续参考。
2013-2014学年度第一学期期末考试
《钳工实训》试题
时间:90分钟
一、填空题(每空1分,共36分)
1.钳工工作场地是指钳工的__________地点。
2.划线有__________划线和__________划线两种。
3.平面划线一般选择__________个划线基准,立体划线一般要选择________个划线基准。
4.在钻床上可以进行钻孔、________、________、________,还可以进行研磨、攻螺纹和套螺纹等。
5.钻削用量包括__________、__________和__________。
6.在零件图样上,用来确定其他点、线、面位置的基准,称为__________基准。
7.铰刀最容易磨损的部位是__________部分与__________部分的过渡处。
8.内径百分表是一种__________量仪,只有和__________千分尺配合使用才能测出孔径的实际尺寸。
9.修磨麻花钻主切削刃时,要将主切削刃置于__________位置,在略高于砂轮__________面上进行刃磨。
10.锉削的精度可达__________mm,表面粗糙度值可达__________。
11.在钻床上钻孔,钻头的旋转运动是__________运动,钻头沿轴向的移动是__________运动。
12.锯削薄管子时,薄管子要用__________形木夹持,以防夹扁或夹坏管子表面。
13.内径百分表是用来测量__________和孔的__________误差的测量工具。
14.加工不通孔螺纹时,钻孔深度要大于螺纹有效的深度,一般H有效深=_____________。
15.铰刀按铰孔形状分为___________铰刀和___________铰刀。
16.锯割管子和薄板时,必须用_________锯条,且截面上至少要有________个以上的锯齿同时参加锯割。
17.锯条的长度以__________________________来表示,常用的为_____________。
18.平面划线要选择_______个划线基准,立体划线要选择_________个划线基准。
19.钻头的柄部有工种,一般直径小于13mm的做成_________柄,直径大于13mm 的做成________柄。
二、选择题(每空1分,共20分)
1.台虎钳是夹持工件的夹具。
A专用B、通用C、组合
2.用百分表测量平面,其测量头应与平面。
A平行B、垂直C、倾斜
3.划线应从__________开始进行。
A工件中间B、工件边缘C、划线基准
4.钻孔过程中需要测量时,应__________。
A、先测量后停车
B、边测量边停车
C、先停车后测量
5.直柄钻头应用装夹后再安装在钻床上。
A、钻头套
B、钻夹头
C、专用夹具
6.经过划线确定的加工尺寸,在加工过程中可通过__________来保证尺寸的精度。
A测量B、找正C、借料
7.平锉刀的主要工作面指的是__________。
A锉刀上下两面B、两侧面C、全部有锉齿的表面
8.铰刀磨损后继续使用,会造成___________。
A孔径扩大B、表面粗糙度值小C、孔径减小
9.麻花钻后角增大时其横刃斜角_________。
A.增大B、减小C、不变
10.对小型工件进行钻、扩、铰小孔,最好在钻床上进行。
A.立式B、台式C、摇臂
11.0.02mm游标卡尺,当两下量爪合拢时,游标尺上的第50格与尺身上的mm 对齐。
A.50 B、49 C、39
12.适用于最后锉光和锉削不大平面的锉削方法是__________。
A、交叉
B、顺向
C、推锉
13.扩孔的切削速度应__________于钻孔速度。
A.高B、低C、等
14.平锉、方锉、半圆锉和三角锉属__________类锉刀。
A.异形B、什锦C、普通
15.划规两脚的长度要磨得__________,才能保证合拢时划规脚尖靠紧。
A.完全相等B、稍有不等C、相差较大
16.麻花钻后角磨的过大,钻孔时易造成__________。
A.孔呈多角形B、孔表面粗糙度值较大C、孔表面粗糙度值较小
17.单齿纹锉刀适用于__________材料的锉削。
A.硬B、软C、最硬
18.千分尺的制造精度分为0级和1级两种,0级精度________
A、稍差B、一般C、最高
19.经过划线确定加工时的最后尺寸,在加工中,应通过________来保证尺寸准确度。
A测量B划线C加工
20.钻头一般是用___________制成的。
A、45#B、T10AC、W18Cr4vD、9siCr
三、判断题(每空1分,共24分)
1.()用千分尺测量工件,首先应将千分尺砧座和测微螺杆端面擦拭干净,并校准零位后才能使用。
2.()锯削时,锯弓的运动可以取直线运动,也可以取小幅度上下摆动。
3. ()划线广泛应用于成批或大量生产。
4.()起锯有远起锯和近起锯两种,一般情况下采用近起锯比较适宜。
5.()钻孔进给量若太大,会造成孔壁粗糙。
6.()用内径表测量孔径时,只要沿轴向或径向摆动,即能测得准确的尺寸。
7.()2'精度的万能角度尺,游标尺有30格,并等分29份;,尺身和游标尺1格之差为2'。
8.()
9.()铰孔选用乳化液比选用切削油可使被铰工件的表面粗糙度值小。
10.()钳工应具备对机器及其部件进行装配、调试、维修等操作技能。
11.()为减少切削热的产生,应选择较小的前角和后角。
12.()划线精度一般要求达到0.25~0.5mm。
13.()工件将要锯断时锯力要减小,以防断落的工件砸伤脚部。
14.()研磨狭长平面工件时,应用金属块作导靠,以保证研磨精度。
15.()麻花钻主切削刃上各点的前角大小相等。
16.()Z525型立式钻床主轴的进给运动,可采用机动进给,也可采用手动进给。
17.()定位误差是由工件和定位元件的制造误差造成的。
18.()套类工件在长圆柱心轴上定位能限制四个自由度,在短心轴上只能限制两个自由度。
19.()锯削推进时的速度应称慢,并保持匀速;锯削回程时的速度应稍快,且不加压力。
20.()为观察锉削情况,应不断地用嘴吹去或用手擦去工件表面的锉屑。
21.()攻螺纹应在工件的孔中倒角,套螺纹应在工件的端部倒角。
22.()圆锉刀和方锉刀的尺寸规格,都是以锉身长度来表示的。
23.()在使用时,工具与量具不能放在一起,以免损坏。
24.()钻孔时,冷却润滑的目的应以润滑为主。
四、简答题(每题5分,共20分)
1.简述游标卡尺的读数方法?
2. 什么是借料,借料要点有哪些
3.什么是锯路,它的作用是什么?
4.钻孔时,切削用量的基本选择原则是什么?。