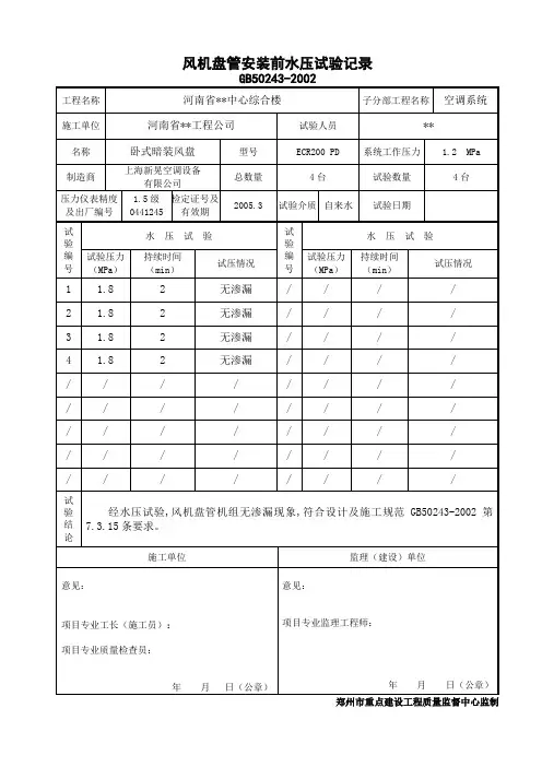
风机盘管机组安装前测试记录(二)
- 格式:xls
- 大小:32.00 KB
- 文档页数:1
2023年质量员之设备安装质量专业管理实务通关提分题库及完整答案单选题(共30题)1、检测智能化集成系统集中监视、储存和统计功能时,每个被集成系统的抽检数量宜为该系统信息点数的(),且抽检点数不应少于20点,当信息点数少于20点时应全部检测;能化集成系统抽检总点数不宜超过1000点;抽检结果全部符合设计要求的,应为检测合格。
A.5%B.10%C.20%D.100%【答案】 A2、以下选项不属于工业工程常用垫料的是()。
A.橡胶板B.石棉橡胶板C.石棉板D.软聚氯乙烯板【答案】 A3、不属于试运行中使用的仪器、仪表的要求()A.符合试运行中检测工作要求B.精度等级、量程等技术指标符合被测量的需要C.试运行所需的电力、供水、供气均接入到位D.显示部分如指针或数字清晰可辨【答案】 C4、检验批应由专业监理工程师组织()等进行验收。
A.施工员B.项目专业质量检查员C.专业工长D.资料员【答案】 B5、排烟支管上应设有当烟气温度超过()℃时,能自动关闭的防火阀。
A.150B.200C.250D.280【答案】 D6、吊扇挂钩安装时,挂钩直径不小于吊扇挂销直径,且不小于()mm。
A.6B.8C.10D.12【答案】 B7、排水通气管不得与()连接。
A.污水管B.风道C.烟道D.风道或烟道【答案】 D8、暖通空调监控系统的功能检测时,冷热源的监测参数应()检测;空调、新风机组的监测参数应按总数的()抽检,且不应少于5台,不足5台时应全部检测;各种类型传感器、执行器应按()抽检,且不应少于5只,不足5只时应全部检测。
A.50%10%10%B.100%20%10%C.50%20%10%D.100%10%20%【答案】 B9、空调系统试压:在各分区管道与系统主、干管全部连通后,对整个系统的管道进行系统的试压。
试验压力以最低点的压力为准,但最低点的压力不得超过管道与组成件的承受压力。
压力试验升至试验压力后,稳压10min,压力下降不得大于()MPa,再将系统压力降至工作压力,外观检查无渗漏为合格。
风机盘管机组在安装和使用方面应当注意的几点1、风机盘管机组现场安装前应对其进行试压检查盘管及各阀是否有泄漏拨动风机叶轮检查有无异物和卡壳现象。
2、与风机盘管机组连接的风管与水管的重量不得由机组承受。
3、排水管应保证有一定的坡度保证排水畅通。
4、在安装风机盘管机组进出/水管时应加保温层以免夏季使用时产生凝结水。
螺纹连接处应采取密封措施最好选用聚四氟乙烯生料带。
进出/水管与外接管路连接时必须对准建议采用软管连接连接时切忌不要用力过猛避免造成盘管弯扭或漏水。
5、冬季制热时供给风机盘管的热水温度应不高于80℃要求供给清洁的软化水夏季制冷时供给的冷水不应低于6℃。
6、风机盘管机组安装时应使凝水盘略向出水接头方向倾斜保证排水畅通。
7、风机盘管机组回水管应备有一个手动放气阀运行前需将放气阀打开待盘管及管路内空气排净后再关闭放气阀。
8、风机盘管的电机轴承建议采用双面防尘自润滑轴承轴承已加好润滑油脂不用定期加注润滑油脂。
9、风机盘管换热器应定期吹扫保持清洁保证良好的传热性能装有过滤网的机组应定期清洗过滤网以保证回风畅通一般情况个月左右清洗一次。
10、风机盘管机组外壳必须可靠接地。
11、风机盘管系统不用时应把盘管水放干净在冬季水管可能会冻结的地方应做好防冻措施。
12、机组的电气接线应按随机附带的接线图正确进行禁止一个开关控制二台或多台机组。
13、风机盘管机组搬运时要轻拿轻放切勿将手伸入风机蜗壳中搬抬以免造成叶轮变形增加噪声影响使用效果。
一、风机盘管安装注意事项1、当吊顶高度超过3米时,不宜选用天花式机型。
为什么:吊顶太高选用天花机,暖风吹不下来,影响制热效果。
2、冷凝水管与机组之间应用软管连接。
为什么:不使用软管连接机组运行时产生的振动将导致水管脱落漏水,管路振裂及噪音等故障。
3、当房间高度超过3米时,不宜采用顶吹风散流器风口,应采用双层百叶风口下吹风口。
为什么:冬季暖风吹不下来,影响制热效果。
4、室内气流组织要合理,避免气流短路、断路。
风机盘管复检报告1. 引言本报告为风机盘管复检报告,旨在对风机盘管进行再次检测与评估,以确保其正常运行和安全性。
本文档将详细介绍复检过程、实验结果以及相应的建议和措施。
2. 复检过程2.1 复检目的风机盘管的复检目的是确保其在运行过程中的可靠性、安全性和稳定性,减少设备故障和事故的发生。
2.2 复检方法本次复检主要采用以下方法:•视觉检查:通过外观检查来评估风机盘管的整体状况,包括设备表面是否有明显损伤、腐蚀或异物等。
•功能测试:测试风机盘管的各个功能模块,包括风机运行状态、温度控制、空气流量控制等。
•性能测试:使用专业设备对风机盘管的性能进行测试,包括风机风量、压力差、热效率等。
2.3 复检结果根据复检过程中的各项测试和评估,得出以下复检结果:•风机盘管的外观状况良好,没有明显的损伤、腐蚀或异物。
•功能测试显示风机盘管的各项功能正常运行,温度和空气流量控制稳定。
•性能测试结果表明风机盘管的风量、压力差和热效率符合设计要求。
3. 建议和措施根据风机盘管的复检结果,我们提出以下建议和措施:3.1 定期维护和保养为确保风机盘管的正常运行,建议定期进行维护和保养工作。
这包括清洁设备表面、更换过滤器、检查电气连接等工作。
同时,还需要定期对风机盘管进行功能测试和性能测试,及时发现并修复潜在问题。
3.2 注意安全问题在风机盘管的使用过程中,要注意安全问题。
确保风机盘管的安装位置合理,通风良好,避免积灰和堵塞。
定期检查电气线路是否接地良好,避免发生电气故障。
3.3 增加监测手段和仪器设备为了更好地监测风机盘管的运行状态,建议增加适当的仪器设备和监测手段。
例如,安装温度传感器、湿度传感器和压力传感器,通过数据监测和分析来判断风机盘管的运行状况,并及时采取相应的措施。
4. 结论风机盘管的复检结果显示其在外观、功能和性能方面均符合要求。
根据复检结果,我们提出了维护保养、安全注意事项和增加监测手段等建议和措施。
通过采取相应的措施,能够确保风机盘管的长期稳定运行,并提高其使用寿命和安全性。