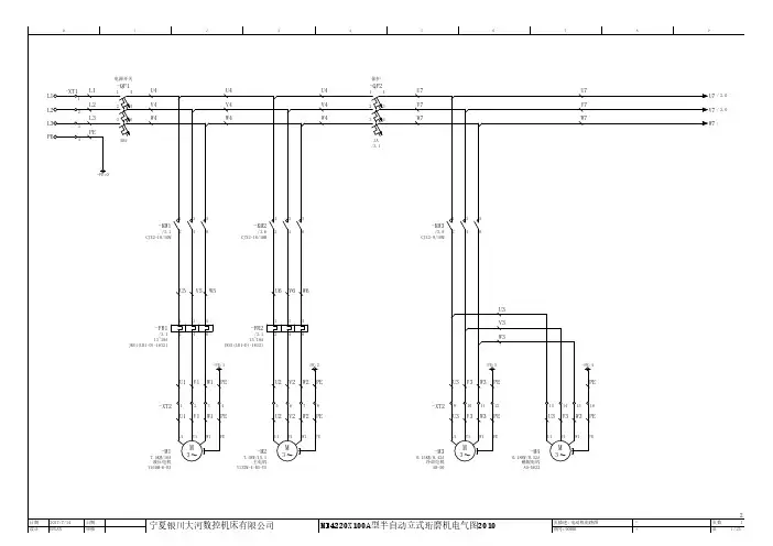
M4220珩磨机电气原理图
- 格式:pdf
- 大小:88.24 KB
- 文档页数:1
电仪通讯安装、调试施工1.1 工程概况1.1.1简述炼钢厂增设一套4#修磨机组、增设一套除尘设备所对应的供配电、控制系统以及对3#修磨机原控制系统进行局部修改,以满足3#及4#修磨机组的工艺控制要求;所涉及的电气、仪表、通信系统的盘柜、操作箱安装、照明安装、电气配管、电缆敷设、接地系统等施工。
1)供配电供电电源分两路,分别取自炼钢厂2#不锈钢连铸电气室(高压室高压配电柜):3GG6(630A 备用仓)及3GG10(630A 备用仓)。
3GG6高压配电柜电源引入箱式变电所供4#修磨机、4#机组杂用电源(包括照明空调及辅助用电)及除尘系统电源; 3GG10高压配电柜电源引入除尘风机高压配电室专供除尘风机用。
2)控制系统(1)4#修磨机组电控装置4#修磨机组控制系统要求与原3#修磨机组控制系统类同,对3#修磨机原控制系统进行局部修改,以满足3#及4#修磨机组的工艺控制要求。
在1号及2 号板坯输送区域现场,各设置1 个操作箱,分别控制这二区域的板坯对中、翻坯和输送等操作;并与3#修磨机组的板坯翻坯、输送等操作控制相互连锁。
(2)除尘设备控制装置新增1 套除尘器、高压除尘风机设备,包括控制系统装置由专业供应商成套提供;除尘控制为PLC 控制系统,现场设置1 个工程师站,便于调试及现场操作。
新建的除尘风机高压室近高压除尘风机旁,室内安装3 面高压配电柜,在现场风机旁设置1 机旁操作箱,采用机旁/远程操作控制方式,与修磨机组有连锁控制,即除尘风机启动运行后,3#、4#修磨机组才能正常运行。
3)照明与检修照明电源采用380/220V三相四线制,灯具电压为220V。
按生产要求分片控制,在各个区域共设置照明配电箱4只。
电气室照明采用荧光灯并考虑应急照明及疏散标志灯,照明照度为150-200lx;其它建筑物内、外采用投光灯或立竿灯(金卤灯),照度按50~100lx。
设备隔音间照明灯具的选型暂不确定。
设备附近根据工艺需要设2只检修电源箱。
4控制系统设计4.1珩磨机控制系统概述通过设计要求我们可以知道,我们所需要设计的珩磨机属于高度自动化的机械,在操作过程中人工操作的部分必须要尽可能的压缩,将更多的控制通过PLC 来实现自动化操作。
在本次设计的珩磨机,主要工作过程可以简述为启动液压工作站--夹紧缸到位并保压--磨头启动--伸缩缸快进--伸缩缸匀速珩磨--伸缩缸快退--夹紧缸退回--结束珩磨。
在控制系统中,我们需要实现液压站的启停、液压缸的伸缩、液压马达驱动磨头旋转等动作,其中液压缸的伸缩还分为快进-工进-快退三个环节,夹紧缸需要在到达工作位置后保持压力,液压马达的转速也需要进行设计。
珩磨过程也有要求,珩磨是否达到要求,如果未达标还需要进行二次珩磨等等问题,都需要在控制系统的设计中一一解决。
4.2硬件系统的设计4.2.1PLC的选型设计由于控制系统中涉及多个按钮,包括电机的启停、液压缸的伸缩和磨头的旋转等,需要占用12个输入端点。
输出控制换向阀换向、电机接触器和指示灯等,需要占用7个输出端点。
根据设计所需I/O点数,查询各型号PLC的相关参数,在进行多次对比后,我们最终决定选择西门子S7-200 CPU224可编程控制器,其本机拥有14个数字量输入,10个输出,可满足珩磨机电气控制系统的各项控制要求。
SIMATIC S7-200 Micro 自成一体:特别紧凑但是具有惊人的能力,特别是有关它的实时性能,它速度快,功能强大的通讯方案,并且具有操作简便的硬件和软件。
这一切都使得SIMATIC S7-200 Micro PLC在一个紧凑的性能范围内为自动化控制提供一个非常有效和经济的解决方案。
其一般性能如下表:4.2.2PLC控制系统的I/O点分配输入/输出接口是可编程控制器与外界交流的门户,输入端点接收外界向PLC传递的信号,如操作按钮、选择开关以及其他一些信息,通过输入接口电路将这些外部信号转换为可以供中央处理器进行接收和处理的信号。
本科毕业设计(论文) 题目:立式内孔表面珩磨机的总体设计系别:机电信息系专业:机械设计制造及其自动化班级:学生:学号:指导教师:2013年05月立式内孔表面珩磨机的总体设计摘要随着科学技术的迅速发展,国民经济各部门所需求的多品种、多功能、高精度、高品质、高度自动化的技术装备的开发和制造,促进了先进制造技术的发展。
珩磨加工是一种最常用的内孔表面加工方式,近年来随着对油缸等产品市场需求量的大幅提升,如何找到经济高效的内孔精密加工方法,成为许多厂家面临的课题。
磨削加工技术是先进制造技术中大的重要领域,是现代机械制造业中实现精密加工、超紧密加工最有效、应用最有效的基本工艺技术。
本次设计从分析机械系统设计的任务和目标开始,介绍机械系统的组成,各组成部分之间的配置,选择和结构匹配性设计,以及进行机械系统整体设计时应该考虑哪些问题,目的是培养学生结构设计创新和整体设计的能力,培养自己的综合分析和解决本专业的一般工程技术问题的独立工作能力,以加强对理论知识的理解。
本次设计首先是珩磨机的总体设计,主要包括主轴箱,珩磨头,主轴以及带传动、液压系统传动等部分的设计。
对珩磨机做了简单介绍,接着对珩磨机的主要部件进行了尺寸计算和校核。
该设计代表了珩磨机设计的一般过程。
关键词:珩磨机;主轴;珩磨;液压系统AbstractWith the rapid development of science and technology, the demand of national economic sectors more varieties, multi-function, high precision, high quality, high automation technology and equipment development and manufacturing, to promote the development of advanced manufacturing technology. Honing processing is one of the most commonly used way of inner hole surface treatment, in recent years, along with the market demand for oil cylinder and other products, how to find a economic and efficient inner hole precision machining method, many manufacturers are faced with the task. Grinding technology is one of the important areas, cuhk advanced manufacturing technology is implemented in modern mechanical manufacturing precision machining, the super close the most effective, the application of the most effective technology.This design from the analysis of mechanical systems design tasks and goals, the composition of the mechanical system is introduced in this paper, configuration, between each component matching selection and structure design, and what issues should be considered when the overall design of mechanical system, the purpose is to cultivate students innovative structural design and the overall design ability, cultivating their comprehensive analysis and solve this major general engineering technical problem of ability to work independently, to strengthen the understanding of theoretical knowledge. First is the overall design of honing machine, the design mainly includes the main spindle box, honing head, shaft and belt transmission, hydraulic system and other parts of the design. For honing machine to do a simple introduction, and then for a major part of the honing machine to calculate and check the size. This design represents the general process of honing machine design.Key Words:honing ;machine headstock ;honing;hydraulic system目录1 绪论 (1)1.1 普通珩磨加工 (1)1.2 珩磨加工原理 (1)1.3 珩磨加工特点 (2)1.4 课题来源及组织架构 (3)2总体方案设计 (4)2.1 整体布局设计要求 (4)2.2 珩磨机床结构特点 (4)2.3 珩磨机床传动部分设计 (4)2.3.1 立式珩磨机特点 (4)2.3.2 设计传动部件 (5)2.3.3 珩磨前工序要求 (5)2.4 珩磨液的选择 (6)3 立式珩磨机结构计算 (7)3.1 珩磨头工艺参数的计算 (7)3.1.1 选择珩磨油石 (7)3.1.2 加工余量 (7)3.1.3 珩磨油石的越程 (8)3.2 设计计算珩磨速度 (8)3.3 珩磨机主运动参数 (9)3.3.1 主运动参数 (9)3.3.2电机的选择 (10)3.3.3 传动比分配 (11)3.4 减速器的设计 (12)3.4.1 减速器的类型 (12)3.4.2 减速器选用 (12)3.4.3 ZDY100型减速器特点 (13)3.5 带传动的设计 (13)3.5.1 确定计算功率 (13)3.5.2 选取V带带型 (13)3.5.3 确定带轮基准直径并验算带速 (14)3.5.4 带速验算 (14)3.5.5 V 带基准长度和传动中心距的确定 (14)3.5.6 验算小带轮包角 (14)3.5.7 计算V 带根数 (15)3.5.8 计算单根V 带预紧力min 0)(F (15)3.5.9 计算轴压力F (15)3.5.10 带轮结构 (15)3.6 直齿锥齿轮的设计计算 ................................................................................... 15 4 轴的结构设计 .. (19)4.1 轴结构设计基本要求 (19)4.2 改善轴装配及加工工艺一些措施 (19)4.3 轴刚度校核 (19)4.3.1 轴Ⅰ结构 (20)4.3.2 轴强度验算 (23)4.3.3 轴材料及热处理........................................................................................ 27 5 轴承选用及校核 (28)5.1 轴承选用及校核 (28)5.2 滚动轴承预紧和游隙....................................................................................... 28 6 液压油缸的设计计算 (31)6.1 确定液压缸内径 (31)6.2 确定缸筒厚度 (32)6.3 缸筒底部厚度计算 (32)6.3.1 缸筒加工要求 (32)6.3.2 活塞杆结构 (32)6.4 活塞杆校核 (32)6.5 活塞杆加工要求 (33)6.6 机架设计........................................................................................................... 33 7 总结........................................................................................................................ 35 参考文献 ................................................................................................................... 36 致谢 ............................................................................................................................ 37 毕业设计(论文)知识产权声明 ....................................错误!未定义书签。
M A型万能外圆磨床控制电路详细分析SANY标准化小组 #QS8QHH-HHGX8Q8-GNHHJ8-HHMHGN#M1432A型万能外圆磨床控制电路详细分析控制电路分析:合上电源总开关QS,380V 交流电压加在9 区控制变压器TC 的初级绕组的两端,经降压后输出 110V 交流电压作为控制电路的电源,24V 交流电压作为机床工作照明灯电源,6V 交流电压作为交流电压的信号灯电源。
在区中,熔断器FU6 作为控制电路的总保护,熔断器FU4 作为机床工作照明的短路电流,熔断器 FU5 为指示灯的短路保护。
12 区中热继电器KR1、KR2、RR3、KR4、KR5 点组成了机床的过载保护电路,当任何一电动机过载时,它们中间的动合触点断开,切断控制电路的电源,使机床停止运行。
(1)油泵电动机M1 控制电路。
13 区中按钮SB2 为油泵电动机M1 的起动按钮,按钮SB1 为停止按钮。
13 区中接触器KM1 在15 号线与17 触点不仅为KM1的自锁触点,而且还控制着后面电路的电源断开与接通。
所以,只有当接触器KM1 闭合,油泵电动机运转后,其他电动机才能起动运转。
(2)头架电动机M2 的控制电路。
14 区和15 区头架电动机M2 的控制电路中,按钮SB3 为头架起动机M2 的点动按钮,其作用是点动控制头架电动机M2 运动,以便对加工工件进行校对和调试。
SA1 为头架电动机M2 的高、低速转换开关,它又有“高速”、“低速”和“停止“三档。
具体控制如下:当需要头架电动机低速运动时,将头架电动机M2 的高低速转换开关SA1 扳至“低速”档位置,然后按下油泵电动机的起动按钮SB2,油泵电动机M2 起动运转,供给液压系统压油。
扳动砂轮架快速移动操作手柄至“快进”位置,此时液压油通过砂轮架快速移动操作手柄控制的液压阀进入砂轮架快进移动油缸,驱动砂轮架快速移动。
当砂轮架接近工件时,压合行程开关SQ1,行程开关SQ1 在14 区的17 号线与23 号线间动合触电被压下闭合,接通接触器 KM2 线圈的电源,接触器KM2 通电闭合,其在3 区的主触点将头架电动机M2 定子绕组接成接法低速起动运转。
日星定型机电气原理图(MVR 巡环风扇NFBCT(2P)10AMV3 40WRTT控制风扇临时电源STT MSE SE1 NFBE(2P5A)SE2 FU2(5A)EL1 同意FU3(5A)EL217。
5KW 右1烘房R1210000F11TO:SH。
NO A/1F12ICOM500Ω RPMR3FBS3VR11/12/13VR14/15/16 速度设定5KΩ VR1METERR3F VRC1/C2/C3VRC1RC SCVRCIRVRC3/VRC2TO:PG。
NO 6A/7G R S T210001F21TO:SH。
NO A/1F22ICOM500ΩR3FVR21/22/23 VR24/25/26 速度设定5KΩ VR2VRC3/VRC2RC SCTO:PG。
NO 6A/4R S TG3SC/RCSH。
NO A/2U6/V6/W6R31M67。
5KW 右3烘房R3210002F31TO:SH。
NO A/1F32ICOM500ΩR3FVR31/32/33VR34/35/36 速度设定5KΩ VR3VRC3/VRC2RC SCTO:PG。
NO 6A/4R S TG410003F41TO:SH。
NO A/2F42ICOM500ΩR3FVR41/42/43VR44/45/46 速度设定5KΩ VR4VRC3/VRC2RC SCTO:PG。
NO 6A/4R S TG5U9/V9/W9 M97。
5KMEOCR10 10004/ICOMSC/RCSH。
NO A/2U10/V10/W10R51M107。
5KW 右5烘房R5210004F51TO:SH。
NO A/2F52ICOM500ΩR3FVR51/52/53VR54/55/56 速度设定5KΩ VR5VRC3/VRC2RC SCTO:PG。
NO 6A/4R S TG610005F61TO:SH。
NO A/2F62ICOM500ΩR3FVR61/62/63VR64/65/66 速度设定5KΩ VR6VRC3/VRC2RC SCTO:PG。