高温螺旋输送机技术要求
- 格式:doc
- 大小:24.00 KB
- 文档页数:1
螺旋输送机技术参数以下是螺旋输送机的一些常见技术参数:1.输送量:螺旋输送机的输送量是指单位时间内输送的物料重量或体积。
通常以吨/小时或立方米/小时表示。
该参数会根据实际需要进行配置和调整。
2.输送速度:螺旋输送机的输送速度是指螺旋轴的转速。
可以通过输送量和螺旋直径来计算。
3.输送距离:螺旋输送机的输送距离是指物料从入料口到出料口的距离。
根据实际需要,可以设计不同长度的输送机。
4.输送角度:螺旋输送机的输送角度是指螺旋轴与水平面之间的夹角。
通常情况下,输送角度在0-45度之间。
5.输送高度:螺旋输送机的输送高度是指物料从输送机的入料口到出料口的垂直距离。
6.输送方式:螺旋输送机可以根据需要进行水平输送、倾斜输送或立式输送。
水平输送主要用于短距离输送,而倾斜输送和立式输送适用于远距离和大高度输送。
7.输送物料:螺旋输送机可以输送一些松散的或粉状的物料,如粉煤灰、水泥、麦片等。
根据物料的不同特性,可以选择不同的螺旋刀片和内衬材料。
8.传动方式:螺旋输送机的传动方式通常有直接驱动和间接驱动两种。
直接驱动是指电机直接连接在螺旋轴上,而间接驱动是通过传动装置将电机的转矩传递给螺旋轴。
9.功率:螺旋输送机的功率是指输送机所需的电动机功率。
根据输送量、输送距离和物料性质等参数,可以选择适当的功率。
10.结构材料:螺旋输送机的主要结构材料通常为碳钢或不锈钢。
对于需要防腐的场合,可以选择耐腐蚀的材料。
11.控制方式:螺旋输送机可以通过手动操作或自动化控制来实现启停和调速。
在自动化控制中,可以采用压力传感器、流量计等设备来监控和控制物料的输送。
总的来说,螺旋输送机的技术参数需要根据具体的应用需求和物料性质来确定。
不同的工况和场合,可能会有不同的要求和配置。
以上只是一些常见的技术参数,具体的参数配置需要根据实际情况进行设计和调整。
螺旋输送机设计技术参数手册网站首页>>业界动态>>输送机械常识>>螺旋输送机设计技术参数手册我要投稿时间:2010-9-11 17:05:07 文章来自于:(输送机械网)2螺旋输送机主要设计参数分析2.1输送量输送量是衡量螺旋输送机生产能力的一个重要指标,一般根据生产需要给定,但它与其他参数密切相关。
在输送物料时,螺旋轴径所占据的截面虽然对输送能力有一定的影响,但对于整机而言所占比例不大,因此,螺旋输送机的物料输送量可粗略按下式计算:2.2螺旋轴转速螺旋轴的转速对输送量有较大的影响。
一般说来,螺旋轴转速加快,输送机的生产能力提高,转速过小则使输送机的输送量下降。
但转速也不宜过高,因为当转速超过一定的极限值时,物料会因为离心力过大而向外抛,以致无法输送。
所以还需要对转速n进行一定的限定,不能超过某一极限值。
当位于螺旋外径处的物料颗粒不产生垂直于输送方向的径向运动时,则它所受惯性离心力的最大值与其自身重力之间应有如下关系:物料综合特性系数为经验数值。
一般说来,根据物料性质,可将物料分成4类。
第1类为流动性好、较轻且无磨琢性的物料;第2类为无磨琢性但流动性较第1类差的物料;第3类为粒度尺寸及流动性同第2类接近,但磨琢性较大的物料;第4类为流动性差且磨琢强烈的物料。
各种物料的K值见表2。
螺旋叶片的直径通常制成标准系列,D=100,120,150,200,250,300,400,500和600 mm,目前发展到D=1000 mm,最大可达1250 mm。
为限制规格过多过乱.国际标准化组织在系统研究、试验的基础上制订了螺旋输送机标准草案,规定螺旋直经采用R10基本系列优先数系。
根据式(5)计算出来的D值应尽量圆整成标准直径(mm)。
2.4螺距螺距不仅决定着螺旋的升角,还决定着在一定填充系数下物料运行的滑移面,所以螺距的大小直接影响着物料输送过程。
输送量Q和直径D一定时,螺距改变,物料运动的滑移面随着改变,这将导致物料运动速度分布的变化。
螺旋输送机的技术要求
1、螺旋输送机的速度和承载能力应能满足用户的需求;
2、螺旋输送
机的驱动部件外壳应采用优质钢板经焊接而成,驱动部件的外壳应采用优
质铸铁焊接而成,表面应采用涂装技术;3、螺旋输送机的减速机应采用
优质传动设备,同时具备安全保护功能,有效防止设备意外发生故障;4、螺旋输送机的无级调速功能应采用电磁调速技术,以确保其运行噪音低;5、螺旋输送机的控制系统应采用最新的智能型电气技术,具备智能指示、自动诊断、安全保护等功能;6、螺旋输送机的传动轴系统采用优质钢材,表面经热处理,以确保设备的耐用性;7、螺旋输送机的支撑架技术应采
用优质的焊接钢结构,并经过多项检测,以确保安全性;8、螺旋输送机
的电气部件应采用绝缘性能优良的材料,具备良好的电气安全性;9、螺
旋输送机的螺旋应采用优质材料,具备良好的耐磨、耐腐蚀性能;10、螺
旋输送机应具备良好的气密性能,确保物料不会从螺旋输送机体外流失;。
螺旋输送机设计技术参数手册一、概述螺旋输送机是一种常见的物料输送设备,广泛应用于建筑、化工、冶金、冶金、粮食、水泥等行业。
本手册提供了有关螺旋输送机设计所需的技术参数,旨在帮助工程师和设计人员正确设计和选择适当的螺旋输送机。
二、基本原理螺旋输送机通过螺旋叶片将物料推动到输送管道中,以实现物料的输送功能。
其基本原理是螺旋转动,带动物料的移动。
螺旋输送机可以根据物料的特性和输送要求进行不同的设计和配置。
三、技术参数1. 输送能力:螺旋输送机的输送能力是指单位时间内输送物料的量,常用单位为吨/小时或立方米/小时。
输送能力与输送机的直径、转速、螺旋叶片的尺寸和螺距等参数有关。
2. 输送长度:螺旋输送机的输送长度是指整个输送机系统的长度,包括水平段和斜段。
输送长度与物料输送距离、高度差等因素相关。
3. 输送速度:螺旋输送机的输送速度是指螺旋叶片的转速,常用单位为转/分钟。
输送速度与输送能力、物料性质和输送距离等因素相关。
4. 输送角度:螺旋输送机的输送角度是指输送机的斜度。
输送机的斜度对于物料的输送效率和输送能力有重要影响。
5. 输送功率:螺旋输送机的输送功率是指推动物料所需的功率。
输送功率与输送机的输送能力、输送距离、物料性质和输送角度等因素有关。
6. 输送物料:螺旋输送机可以输送各种物料,包括颗粒状、粉状、半流态和粘性物料等。
对于不同的物料,螺旋输送机的设计和选型可能会有所不同。
7. 输送机尺寸:螺旋输送机的尺寸包括直径、螺距、螺旋叶片的宽度和高度等。
输送机的尺寸会影响到输送能力、输送功率和输送效率。
8. 输送机材质:螺旋输送机的常见材质包括碳钢、不锈钢和特殊合金等。
根据输送物料的特性和工作条件,选择合适的材质是确保螺旋输送机正常运行的关键。
9. 输送机附件:螺旋输送机的附件包括进料口、出料口、传感器和控制系统等。
不同的附件可以实现不同的功能,满足特定的工艺要求。
四、设计要求1. 安全性:螺旋输送机的设计应考虑到安全性,在设计过程中需遵循相关规范和标准,确保输送机的安全运行。
螺旋输送机标准螺旋输送机是一种常见的物料输送设备,广泛应用于化工、建材、冶金、食品等行业。
为了确保螺旋输送机的安全运行和输送效率,制定了一系列的螺旋输送机标准,以下将对螺旋输送机标准进行详细介绍。
首先,螺旋输送机的设计和制造应符合国家相关标准,如《螺旋输送机通用技术条件》(GB/T 7894-2001)、《螺旋输送机安全规范》(GB/T 10595-2009)等。
这些标准规定了螺旋输送机的技术参数、安全要求、设计制造要求等内容,对螺旋输送机的设计和制造起着指导作用。
其次,螺旋输送机的安装和调试应符合相关标准要求。
在安装螺旋输送机时,应按照《螺旋输送机安装与使用规范》(JB/T 7679-1995)进行操作,确保螺旋输送机的安装质量和使用效果。
同时,在螺旋输送机的调试过程中,应按照《螺旋输送机安装与使用规范》的要求进行,确保螺旋输送机的正常运行。
另外,螺旋输送机的维护和保养也是非常重要的。
根据《螺旋输送机维护与保养规范》(JB/T 7680-1995)的规定,对螺旋输送机进行定期的维护和保养,包括清洁、润滑、紧固等工作,以确保螺旋输送机的正常运行和延长使用寿命。
此外,螺旋输送机在使用过程中还需要注意相关的安全规范。
根据《螺旋输送机安全规范》(GB/T 10595-2009)的规定,螺旋输送机的使用单位应制定相应的安全操作规程,对螺旋输送机进行定期的安全检查和维护,确保螺旋输送机的安全运行。
总的来说,螺旋输送机标准的制定和执行,对于保障螺旋输送机的安全运行、提高输送效率具有重要意义。
各相关单位在使用螺旋输送机时,应严格按照相关标准要求进行操作,确保螺旋输送机的正常运行和使用效果。
同时,相关部门也应加强对螺旋输送机标准的宣传和推广,提高广大用户对螺旋输送机标准的认识和执行力度,共同维护螺旋输送机的安全运行和使用效果。
螺旋输送机国家标准螺旋输送机是一种常用的物料输送设备,广泛应用于煤炭、化工、建材、粮食加工等行业。
为了规范螺旋输送机的设计、制造和使用,我国制定了一系列的国家标准,以确保螺旋输送机的安全性、可靠性和经济性。
首先,螺旋输送机的国家标准明确了其基本参数和技术要求。
例如,标准规定了螺旋输送机的型号、规格、工作能力、输送距离、输送角度、电动机功率等参数,以及螺旋输送机的结构、材料、制造工艺、安全防护装置等技术要求。
这些规定为螺旋输送机的设计和制造提供了具体的依据,确保了设备的性能符合国家标准。
其次,螺旋输送机的国家标准规定了其安装、使用和维护的要求。
标准明确了螺旋输送机的安装位置、基础支承、传动装置、导向装置、润滑装置等方面的要求,以及设备的启动、停车、运行、维护等操作规程。
这些规定为螺旋输送机的使用和维护提供了指导,确保了设备的安全运行和延长了设备的使用寿命。
另外,螺旋输送机的国家标准还规定了其检验、验收和使用单位的责任。
标准明确了螺旋输送机出厂前的检验项目和方法,以及设备交付使用单位后的验收标准和程序。
同时,标准还规定了设备制造单位、使用单位和监督检验单位的责任和义务,明确了各方在螺旋输送机设计、制造、使用和监督检验过程中的职责分工,保障了设备的质量和安全。
综上所述,螺旋输送机国家标准的制定对于规范螺旋输送机的设计、制造和使用具有重要意义。
遵循国家标准,可以确保螺旋输送机的性能符合要求,安装、使用和维护符合规程,最大程度地保障了设备的安全性、可靠性和经济性。
因此,制造、使用和监督检验单位都应严格按照国家标准执行,共同维护螺旋输送机行业的良好秩序,推动行业的健康发展。
螺旋输送机的国家标准
螺旋输送机是一种常见的输送设备,广泛应用于建筑材料、化工、电力、冶金、煤炭等行业。
为了规范螺旋输送机的设计、制造和使用,我国制定了一系列的国家标准,以确保螺旋输送机在生产和使用过程中的安全性和可靠性。
首先,螺旋输送机的国家标准对其结构和工艺进行了详细的规定。
例如,标准
规定了螺旋输送机的外形尺寸、承载能力、输送速度、安全防护等方面的要求,确保了螺旋输送机在设计和制造过程中符合国家的安全标准,能够正常、稳定地进行物料输送。
其次,国家标准对螺旋输送机的安装、使用和维护提出了具体要求。
螺旋输送
机在安装过程中需要符合一定的倾斜角度和固定要求,以确保输送效果和安全运行。
同时,标准还规定了螺旋输送机的使用和维护要求,包括定期检查、润滑、紧固件的检查等,以确保螺旋输送机在使用过程中能够保持良好的工作状态。
此外,国家标准还对螺旋输送机的安全保护和应急措施进行了规定。
螺旋输送
机在运行过程中需要配备安全防护装置,以防止物料的溢出或工作人员的意外伤害。
同时,标准还要求在螺旋输送机附近设置应急停车装置,以便在发生故障或意外情况时及时停止设备的运行,确保人员和设备的安全。
总的来说,螺旋输送机的国家标准为螺旋输送机的设计、制造、安装、使用和
维护提供了明确的规范和要求,有利于提高螺旋输送机的安全性和可靠性,保障生产过程中的安全和稳定。
因此,生产、使用单位应严格按照国家标准的要求进行操作,确保螺旋输送机在生产过程中能够发挥其应有的作用,为各行业的发展做出贡献。
螺旋输送机设计技术参数
1.输送能力:也称为输送量,指单位时间内输送的物料量,通常以吨/小时(t/h)或立方米/小时(m3/h)表示。
螺旋输送机的输送能力与螺旋直径、转速、螺旋叶片形状等有关。
2.输送距离和高度:输送距离指螺旋输送机的长度,可以根据实际需要进行设计,一般以米(m)为单位。
输送高度指物料从输送机进料口到出料口的垂直高度,也以米(m)为单位。
3. 螺旋直径和螺距:螺旋直径指螺旋管的直径,一般以毫米(mm)表示。
螺距指螺旋叶片之间的距离,同样以毫米(mm)表示。
螺旋直径和螺距的选择需要考虑物料的性质、输送能力等因素。
4. 转速:螺旋输送机的转速是指输送机螺旋轴的转速,一般以转/分钟(r/min)表示。
转速的选择需要考虑物料的粘性、湿度等因素。
5.功率:螺旋输送机的驱动功率是指输送机所需的电动机功率,一般以千瓦(kW)表示。
功率的选择需要根据输送能力、物料的特性、输送距离和高度等因素进行计算。
6. 输送机身长度和管道直径:输送机身长度指螺旋输送机的整体长度,一般以米(m)表示。
管道直径指输送机的管道直径,一般以毫米(mm)表示。
输送机身长度和管道直径的选择需要考虑物料的输送量和流动性能。
7.输送材料:螺旋输送机通常使用的材料有不锈钢、碳钢等,根据物料的性质选择合适的输送机材料。
以上是螺旋输送机设计技术参数的一些常见内容,具体的参数选择需
要根据实际情况进行设计和计算。
此外,还应考虑螺旋输送机的结构设计、支撑方式、防堵料措施、安全保护装置等方面的技术要求,以确保螺旋输
送机的正常运行和安全使用。
螺旋输送机说明书螺旋输送机适用范围:螺旋机一直被广泛用于国民经济各部门,如建材、冶金、化工、电力、煤炭、机械、轻工、粮食及食品行业,适宜输送粉状、颗粒状、小块状物料,如水泥、煤粉、粮食、化肥、灰渣、沙子、焦炭等。
不宜输送易变质、粘性大、易结块的物料,LS螺旋输送机工作环境温度通常为-20~40℃,输送物料的温度般为-20~80℃,LS螺旋输送机适宜水平和小倾角布置,倾角以不超过15°为宜,如有特殊要求,可与制造厂协商,进行特殊设计制造。
螺旋输送机技术参数:螺旋输送机特点:1.承载能力大、安全可靠。
2.适应性强、安装维修方便、寿命长。
3.整机体积小、转速高、确保快速均匀输送。
4.密封性好、外壳采用无缝钢管制作,端部采用法兰互相连接成一体,刚性好5.螺旋输送机应用范围很广,适用于输送粉状物料。
6.结构简单、成本低、尺寸小,操作安全方便,在使用过程中能密封。
是一种理想的输送设备。
7.本机具有结构简单,外形尺寸小,成本低,操作安全,能按工艺要求满足多点进料和排料。
8. 结构新颖,技术指标先进,密封装置阻力小,耐磨性能好,整机噪声低,密封性好。
结构简单、横截面尺寸小、密封性好、工作可靠、制造成本低,便于中间装料和卸料,输送方向可逆向,也可同时向相反两个方向输送。
输送过程中还可对物料进行搅拌、混合、加热和冷却等作业。
通过装卸闸门可调节物料流量。
但不宜输送易变质的、粘性大的、易结块的及大块的物料。
输送过程中物料易破碎,螺旋及料槽易磨损。
单位功率较大。
使用中要保持料槽的密封性及螺旋与料槽间有适当的间隙。
广泛用于化工、建材、电力、煤炭、冶金、粮食等部门,在倾角β< 20 °的情况下,输送粘度不大、不易变质、不易结块的粉状、颗粒状和小块物料。
在混凝土搅拌站中,螺旋输送机的作用及优势得到了最大的体现。
螺旋输送机螺旋输送机工作原理:螺旋输送机是利用螺旋转动而推移物料的连续输送设备。
宜于输送各种粉状,粒状及小块状的物料。
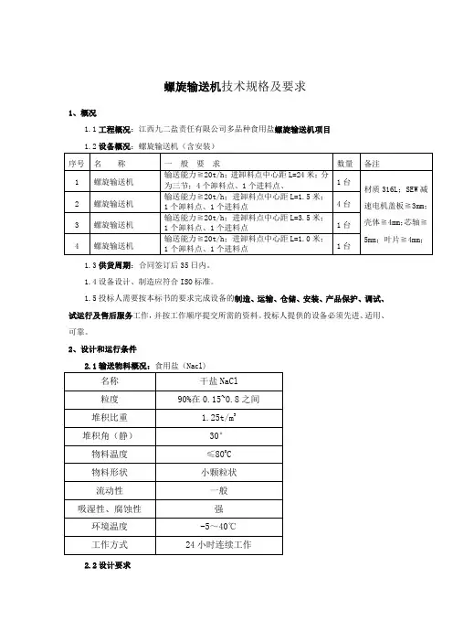
螺旋输送机技术规格及要求1、概况1.1工程概况:江西九二盐责任有限公司多品种食用盐螺旋输送机项目1.2设备概况:螺旋输送机(含安装)1.3供货周期:合同签订后35日内。
1.4设备设计、制造应符合ISO标准。
1.5投标人需要按本标书的要求完成设备的制造、运输、仓储、安装、产品保护、调试、试运行及售后服务工作,并按工作顺序提交所需的资料。
投标人提供的设备必须先进、适用、可靠。
2、设计和运行条件2.1输送物料概况:食用盐(Nacl)2.2设计要求2.2.1如投标人没有以书面形式对本招标书的所有条文提出异议,那么招标人可以认为投标人提供的产品已完全满足本招标书的要求。
如有异议投标人应在投标书中以“对招标书的意见和对招标书的差异标题的专门章节中加以详细叙述。
投标书要求采用中文书写,计量单位采用国际单位制。
招标人拥有对本招标书的解释权,投标人如对本招标书内容有疑议的条款均有责任向招标人询问,由于理解的偏差所引起的责任由投标人自行承担。
投标人需说明保证产品质量的手段和措施。
2.3.2完整的螺旋输送机7台套,进出料阀由招标方提供,投标方进卸料点法兰需与招标方阀门配对。
2.3.3螺旋输送机安置在+14米楼面的料仓上方,设备底标高约为14米。
各卸料口下方对应一台料仓。
螺旋输送机设备、支架由中标方提供并安装(支架316L材料)。
3、技术要求3.1 螺旋输送机设备要求3.1.1 投标人所供应的设备必须在设计上和制造上保证设计寿命5年安全、连续和有效的运行,不发生任何变形、振动、腐蚀。
并在运行条件发生变化时不出现其他问题,所有设备必须技术先进且经过实践检验。
在此期间如发生缺陷,投标人应无偿提供配件并免费更换。
3.1.2投标人必须保证满足招标人提出的螺旋输送机性能设计参数,并在给定的运行条件下长期安全运行。
3.1.3保证在离螺旋输送机1米处噪声≤70dB(A)。
3.1.4螺旋输送机必须能适应-10~70℃的环境温度。
3.1.5 材料为316L不锈钢,与物料非接触部分为304不锈钢。
螺旋输送机设计技术参数手册引言:螺旋输送机是一种常用的物料输送设备,广泛应用于许多工业领域。
本手册旨在提供螺旋输送机的设计技术参数,以帮助工程师和技术人员进行正确的设备选择和设计计算。
通过合理的设计和选型,可以提高输送效率,降低能耗,确保设备的可靠性和安全性。
一、基本原理:螺旋输送机通过螺旋叶片将物料从一个地点输送到另一个地点。
当螺旋叶片旋转时,物料被推动向前移动,并沿着管道进行输送。
螺旋输送机可用于输送粉状、颗粒状、块状等各种不同的物料。
其输送能力与螺旋叶片的直径、转速、倾角、螺距等参数密切相关。
二、技术参数:1. 输送能力:螺旋输送机的输送能力指的是单位时间内输送物料的体积或质量。
设计中需要考虑物料的种类、密度、粒度、输送距离等因素。
通常使用单位时间内输送物料的质量(或体积)来衡量输送能力,常用单位包括吨/小时、立方米/小时等。
2. 螺旋叶片直径:螺旋叶片直径决定了输送机的尺寸和输送能力,一般根据设计要求和具体物料的特性来确定。
叶片直径较大可以提高输送能力,但也会增加设备的体积和成本。
3. 螺距:螺距是指螺旋叶片上相邻两个螺旋起始点之间的距离。
螺距的选择影响了物料的输送速度和输送效率。
对于易流动的物料,可以选择较大的螺距以提高输送速度;对于黏性较大的物料,应选择较小的螺距以避免堵塞。
4. 螺旋叶片转速:螺旋叶片的转速也是设计中需要考虑的重要参数。
转速的选择需要满足物料的输送要求,太高或太低的转速都会影响输送效果。
通常转速较高可以提高输送能力,但也会增加设备的噪音和磨损。
5. 输送倾角:。
螺旋输送机设计技术参数1. 输送能力(conveying capacity):螺旋输送机的设计技术参数之一是其输送能力,即单位时间内输送的物料量。
输送能力与螺旋直径、螺杆转速、物料的密度以及物料的流动性等参数有关。
2. 输送长度(conveying length):螺旋输送机的设计需要考虑输送的长度,即物料从进料口到出料口的距离。
输送长度会影响到输送过程中的功率消耗,因此需要通过设计合理的传动方式来减小能量损耗。
3. 输送角度(conveying angle):螺旋输送机能够在不同的角度下进行物料的输送,输送角度的选取会影响到输送速度和能量消耗。
较大的输送角度需要考虑物料的流动特性,以及对螺旋机械的加强支撑和防护措施。
4. 螺旋直径(screw diameter):螺旋输送机的螺杆直径是设计中的重要参数。
直径会影响到输送能力和输送能耗,较大的螺杆直径可以增加输送能力,但同时也会增加力的消耗。
5. 螺旋转速(screw speed):螺旋输送机的螺杆转速是决定物料输送速度的重要参数。
转速与输送能力和功率消耗有关。
当输送物料的流动性较好时,较高的螺杆转速可以提高输送能力,减少输送时间。
6. 输送物料的性质(material properties):螺旋输送机的设计还需考虑输送物料的性质,包括物料的密度、湿度、颗粒粒径等。
这些物料性质会影响到输送过程中的摩擦、磨损和粘附等情况,需要在设计中进行考虑。
7. 输送机的结构材料(structural material):螺旋输送机的结构材料需要具有足够的强度和耐磨性,以确保其长时间的稳定运行。
常见的结构材料包括碳钢、不锈钢等。
根据输送物料性质的不同,可能还需要考虑涂层、内衬等增强材料的应用。
8. 输送机的传动形式(transmission form):螺旋输送机的传动方式有直联(通过电机直接驱动)和间接联动(通过减速机或链传动等)两种形式。
选取合理的传动形式可以提高传动效率、减少能耗和维护成本。
螺旋输送机技术要求二、技术要求2.1 设计制造的螺旋输送机符合提供的订货附图的要求。
2.2 螺旋叶片材料采用高强度耐磨钢16M∩o在制作时要保证叶片的一致性,焊缝密实可靠,避免夹渣、气孔等缺陷,保证焊接质量。
2.3 螺旋轴两端同轴度允许偏差≤6LOmm,螺旋轴不允许有弯曲、扭曲等各种缺陷。
2.4 装配后联轴器端面间隙在L0~1.5mm;联轴器径向允许偏差W0.05mm;联轴器端面跳动值允许误差为0∙4mm∕mo2.5 整机运转应平稳,用手拨动螺旋轴应能旋转,并无卡壳摩擦现象。
整机在运转过程中,不能出现强烈振动、高噪声和其他不正常现象。
2.6 无负荷运转大于2小时,轴承温度不超过40℃;负荷运转时,轴承温度不超过60℃。
轴承选用瓦、哈、洛产品。
2.7 螺旋输送机的驱动装置采用电机直联型减速机,减速机选用国茂减速机厂的产品,其电机为皖南品牌变频电机,电机功率由卖方根据输送距离、输送量、物料比重等参数计算选定。
电机必须符合最新国家规定的电机节能等级规范要求,电机绝缘等级F级,防护等级IP54。
2.8 联轴器等暴露的转动件应设置安全防护罩,且应便于拆卸。
2.9 机轴密封装置采用机械及填料双密封装置,保证无泄漏密封性良好。
三、技术资料3.1 卖方在技术协议签订后5日内提供所有螺旋输送机图纸电子版,经买方及买方设计院调整确定后反馈给卖方,卖方根据调整的图纸制作蓝图并按图进行加Io3.2 详细的电气系统图和控制原理图技术参数和接线图纸3.3 交货验收时提供产品合格证、安装说明书、螺旋主要零部件、备件型号规格:包括备件一览表,必须包括减速机、螺旋体、轴承、密封等部件。
四、供货范围4.1 螺旋输送机,包括主体设备、随机备件、专用工具等。
4.2 到买方指定的交货地点的运输。
4.3 相关技术资料。
4.4 指导安装及调试(指导安装调试期间食宿自理)。
五、质量保证和售后服务质量保证期为设备正式投运起12个月。
质保期内实行“三包〃,免费更换配件(非正常使用除外)。
武汉明博机电设备有限公司螺旋输送机招标技术规范书武汉明博机电设备有限公司年月日1、总则1.1、本技术要求的使用范围主要是饲料加工行业的加工设备。
1.2、本技术要求适用于螺旋输送机。
1.3、本技术要求提出的是最低的技术要求,并未对一些技术细节作出规定,也未充分分述有关标准和规定的条文,制造厂应保证提供符合本技术要求和工业标准的优质产品。
1.4、如果中标方没有以书面形式对本技术要求的条文提出异议,则认为供方可以提供完全满足技术要求的产品。
1.5、本技术要求作为订货合同的附件。
2、工作环境2.1、工作温度:工作时物料温度不超过60℃。
2.2、环境温度:-20℃~40℃。
2.2、相对空气湿度:30%~95%。
2.3、工作制度:每天24小时连续工作。
3、设备主要技术参数3.1、运输能力:根据本公司的要求设计。
3.2、设计长度:根据本公司的要求设计。
3.3、驱动功率:根据本公司的要求设计。
3.4、整机质保期:在工作地验收合格使用后1年。
4、技术要求4.1基本要求4.1.1、本公司提供的生产样图中明确了螺旋输送机的功率、设计长度、减速机安装方式、叶片规格及旋向等各项技术要求或说明时,必须按照本公司的各项技术要求或说明进行。
4.1.2、若本公司提供螺旋输送机的生产制造图纸时,应按照本公司提供的图纸生产制造;本公司提供的生产样图或图纸中,中标方认为有异议或有错误时,应及时与本公司取得联系,沟通协商解决,并做好相关记录,记录最后交由本公司。
4.1.3、若非本公司提供的生产样图或图纸生产时,中标方应提供样图及配件等图纸和清单,并提供产品安装使用说明书,具体要求见第6部分说明。
4.1.4、螺旋输送机应符合本规定的要求,并按照经规定程序批准的图样和技术文件制造。
同一型号螺旋输送机的安装尺寸、连接尺寸应保证相同,同类零部件应保证通用互换。
4.1.5、螺旋输送机各部件应便于拆装,便于运输,并在设计规定的性能范围内,能改变机身数量来适应工作面长度的变化。
螺旋输送机检验标准每台产品经制造厂技术检验合格后方可出厂,出厂时应附有证明产品质量合格的文件。
1.出厂检验1.1一般技术要求1.1.1螺旋输送机应符合本标准的要求,并应按经规定程序批准的图样和技术文件制造。
1.1.2铸件应符合GB 9439和GB 11352中的技术要求。
1.1.3焊铸件应符合GB/T 12469中的缺陷分级Ⅲ级的要求。
1.1.4凡外协件、外购件应有合格证,并经检验部门检验合格后方可进行装配。
1.1.5涂漆前,钢材表面应进行除锈处理并应达到GB8923中Sa2或St3级的要求。
1.1.6涂漆部分应涂底漆一层,面漆两层。
漆膜总厚度为50~100µm,漆膜附着力应达到GB 9286中的2级要求。
1.2整机技术要求1.2.1螺旋输送机的结构应保证:a.拆卸螺旋时,不用移动或拆卸驱动装置;b.拆卸中间轴承时,不用移动或拆卸螺旋;c.在不拆卸料槽和盖板的状态下可以润滑中间轴承。
1.2.2螺旋输送机料槽内的螺旋槽几何轴线下的中间轴承截面积,不超过螺旋几何轴线下料槽有效面积的25%。
1.2.3螺旋外径公差应符合表2的规定。
1.2.4螺旋螺距公差应符合表3的规定。
1.2.5螺旋外径与料槽间的间隙不得超过表4的规定,其最小间隙不得小于名义间隙的50%。
1.2.6螺旋输送机空运转时,输送机长度为20m时,其输送机主轴转矩应不超过表5的规定。
1.2.7螺旋输送机空运转2h后,轴承温升应小于20℃。
1.2.8螺旋输送机空运转噪声应小于85dB。
1.3按产品批量的5%抽试,但至少不少于1台,如抽试不合格,则加倍抽试,如有一台不合格,则视为一批不合格。
2.标志、包装和贮运2.1螺旋输送机应在头部的明显位置上固定标牌,标牌应符合GB/T13306的规定。
标牌内容如下:a.产品名称;b.产品型号;c.主轴转数、整机重量;d.出厂日期及编号;e.制造厂名称。
2.2螺旋输送机零部件的包装、加固、防雨、防潮要求应符合GB/T13384的要求。
螺旋输送机技术要求螺旋输送机是一种将物料从一个地方输送到另一个地方的设备。
它具有结构简单、可靠性高、成本低、使用寿命长等特点,广泛应用于煤矿、化工、冶金、建筑材料、粮食加工等行业。
为了确保螺旋输送机的正常运行和安全性,有一些技术要求需要注意。
首先,螺旋输送机的设计要合理。
设计应根据物料特性、工艺要求、输送长度、输送能力等因素进行合理布置。
螺旋输送机的输送口和卸料口应设置在适当位置,以保证出料的均匀和准确。
其次,螺旋输送机的选材要合适。
对于常见的输送物料,各构件的选材可以依据使用条件和物料特性进行选择,例如输送带的材质应具有耐磨、耐高温、耐冲击等特性。
再次,螺旋输送机的安装要规范。
安装工作应按照制造商提供的安装说明进行进行,确保设备的安装位置准确、支撑牢固、传动装置合理、连接紧固等。
其次,螺旋输送机的维护要及时。
定期进行设备的维护保养,对于易损件要及时更换,保持设备的良好状态。
此外,螺旋输送机的操作要规范。
操作人员应熟悉设备的使用方法和工作原理,严格按照操作规程进行操作。
在操作过程中,要注意观察设备运行情况,特别是传动装置的工作状态和油润滑情况。
最后,螺旋输送机的安全要求要达标。
安全防护装置是保证设备安全运行的重要措施,例如安全开关、防护罩、防滑装置等。
操作人员应接受安全培训,并严格遵守操作规程和安全操作程序。
总之,正确使用和维护螺旋输送机,能够提高设备的使用寿命,保障工作效率,并确保工作环境的安全。
因此,对螺旋输送机的技术要求应引起我们的重视。
螺旋输送机技术要求一、螺旋输送机介绍:⑴、螺旋输送机俗称绞龙,适用于短距离水平或垂直输送粉状、粒状和小块状物料,不适于输送易变质、粘性大、易结块的物料,使用环境温度通常为-20~50℃。
⑵、螺旋输送机具有结构简单,造价低,密封性好等优点,但输送距离短,叶片和机壳易磨损,能耗高,且物料易被压碎。
⑶、螺旋输送机常用型号有:GX型、LS型和LC型。
1、GX型螺旋输送机:螺旋直径共有150、200、250、300、400、500、600mm等七种规格,机身最短为3m,最长可达70m,级差为0.5m,根据不同现场需要可组成相应输送系统,用于水平或倾角小于20°的单向输送。
2、LS型螺旋输送机:LS型螺旋输送机是GX型螺旋输送机的换代产品,螺旋直径为100~1250mm,计有十一种规格,驱动方式有单端驱动和双端驱动两种形式;LS型螺旋输送机身长度每0.5m一档,根据不同现场需要可组成相应输送系统,与GX型螺旋输送机一样,用于水平或倾角小于20°的单向输送。
3、LC型垂直螺旋输送机:适宜于垂直或有较大倾角地输送粉状或粒状、粘性不大、松散密度在0.5~1.3的干燥物料。
LC型垂直螺旋输送机螺旋直径有200、250、315等几种定型规格,最大提升高度一般不超过8m,机身高度每0.5m一档,根据不同现场需要可组成相应提升输送系统。
⑷、螺旋输送机按安装形式分:固定式螺旋输送机和移动式螺旋输送机。
⑸、螺旋输送机按输送方向或工作转速分:水平慢速螺旋输送机、垂直快速螺旋输送机和可弯曲螺旋输送机。
1、水平慢速螺旋输送机:其输送物料温度小于200℃,输送机倾角β小于20°,输送距离一般小于40m,最大不超过70m。
2、垂直快速螺旋输送机:其输送物料温度小于80℃,垂直提升高度不超过8m。
3、可弯曲螺旋输送机:螺旋体由挠性轴和合成橡胶叶片组成,易弯曲,可根据现场或工艺要求任意布置,进行空间输送。
⑹、螺旋输送机机座安装形式有:地面支承安装、悬吊支承安装、通廊或地沟支承安装。
高温螺旋输送机技术要求
降温螺旋输送现在应用在建材,冶金,化工,机械制造,粮食等多个行业都在用,冷却水由入端空管流经螺旋板空腔后,由出端空管流出,形成内冷却水道,物料在输送过程中冷却较均匀,冷却效果好。
输送技术要求:
1、冷却方式:循环水冷却,
2、冷却系统:内部冷却(旋转轴)、外部冷却(夹套),
3、循环冷却水走向:从半焦螺旋出口端进入,半焦螺旋入口端流出,
4、材质:与物料接触部分为304不锈钢(轴直径159mm,叶片厚度10mm,螺旋套管径377mm,厚度8mm),外夹套材质:Q235,管径460mm、壁厚10mm,
5、螺旋轴和叶片必须经过调直及热处理,
6、螺旋套管长度不能大于:7000mm,
7、雾化喷嘴(材质304):在输送螺旋出口端,螺旋叶片上部开始安装,依次往输送螺旋入口端每隔200mm安装一个,共安装三个雾化喷嘴,可单独调控水量,也可单独简易拆卸便于清理喷嘴,
8、螺旋轴驱动方式:连接轴驱动,配备变频调速电机(需注明电机功率),
9、要求:输送量每小时大于6m³,输送物料进入螺旋入口时温度为450℃,出料时温度需降至100℃以内。