平床身数控车床精度几何检验表
- 格式:doc
- 大小:21.92 MB
- 文档页数:2
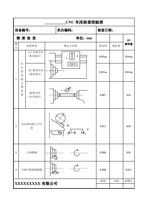
欢迎阅读数控车床几何精度检测1.床身导轨的直线度和平行度☆纵向导轨调平后,床身导轨在垂直平面内的直线度检验工具:精密水平仪检验方法:如0001 所示,水平仪沿Z 轴向放在溜板上,沿导轨全长等距离地在各位置上检验,记录水平仪的读数,并记入“报告要求”中的表1 中,并用作图法计算出床身导轨在垂直平面内的☆3.4.☆5.☆溜板,移动,隔在图中☆☆主轴的轴肩支承面的跳动检验工具:百分表和专用装置检验方法:如0005 所示,用专用装置在主轴线上加力F (F 的值为消除轴向间隙的最小值),把百分表安装在机床固定部件上,然后使百分表测头沿主轴轴线分别触及专用装置的钢球和主轴轴肩支承面;旋转主轴,百分表读数最大差值即为主轴的轴向窜动误差和主轴轴肩支承面的跳动误差5.主轴定心轴颈的径向跳动检验工具:百分表检验方法:如0006 所示,把百分表安装在机床固定部件上,使百分表测头垂直于主轴定心轴颈并6.6.8.溜板移动的平行度误差;(2)使百分表测头在水平平面内垂直触及被测表面(验棒),按上述(1)的方法重复测量一次,即得水平平面内主轴轴线对溜板移动的平行度误差8主轴顶尖的跳动检验工具;百分表和专用顶尖检验方法:如0009 所示,将专用顶尖插在主轴锥孔内,把百分表安装在机床固定部件上,使百分表测头垂直触及被测表面,旋转主轴,记录百分表的最大得数差值。
8.尾座套筒轴线(对溜板移动)的平行度9.检验工具:百分表10.检验方法;如0010 所示,将尾座套筒伸出有效长度后,按正常工作状态锁紧。
百分表安装在溜板板,10检验工具:百分表和验棒检验方法:如0011 所示,尾座套筒不伸出并按正常工作状态锁紧;将检验棒插在尾座套筒锥孔内,10.11.检验工具:百分表和验棒12.检验方法:如0012 所示,将检验棒顶在床头和尾座两顶尖上,把百分表安装在溜板(或刀架)上,11检验工具:百分表、圆盘、平尺检验方法:如0013 所示,将圆盘安装在主轴锥孔内,百分表安装在刀架上,使百分表测头在水平13.14.检验工具:百分表和验棒15.16.重复定位精度、反向差值、定位精度17.检验工具:激光干涉仪或步距规,如0015 所示k 为各目标位置时取不同的值,以获得全测量行程上各目标位置的不均匀间隔,从而保证周期误差被充分采样18.工作精度检验19.☆精车圆柱试件的圆度(靠近主轴轴端,检验试件的半径变化)20.检测工具:千分尺21.检验方法:精车试件(试件材料为45 钢,正火处理,刀具材料为YT30 )外圆D,试件如所示,用☆如0017为精车端面的平面度误差;数值为正,则平面是凹的☆螺距精度检测工具:丝杠螺距测量仪检验方法:可取外径为50mm ,长度为75mm ,螺距为3mm 的丝杠作为试件进行检测(加工完☆。
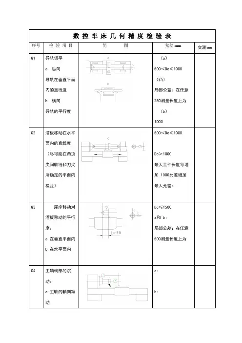
数控车床几何精度检验表序号检验项目简图允差mm 实测mmG1导轨调平a. 纵向导轨在垂直平面内的直线度b. 横向导轨的平行度(a)500<Dc≤1000(凸)局部公差:在任意250测量长度上为(b)1000G2溜板移动在水平面内的直线度(尽可能在两顶尖间轴线和刀尖所确定的平面内检验)500<Dc≤1000Dc>1000最大工件长度每增加 1000允差增加最大允差:G3尾座移动对溜板移动的平行度:a.在垂直平面内b.在水平面内Dc≤1500a和 b:局部公差:在任意500测量长度上为G4主轴端部的跳动:a.主轴的轴向窜动a:b:b.主轴轴肩支承面的跳动(包括轴向窜动)G5主轴定心轴径的径向跳动G6主轴锥孔轴线的径向跳动a.靠近主轴端部;b.距主轴端面300处a:b:在 300测量长度上为:序号检验项目简图允差mm实测mmG7主轴轴线对溜板移动的平行度a.在垂直平面内;b.在水平面内a:在 300测量长度上为: (只许向上偏)冷检:~b:在 300测量长度为: (只许向前偏)G8主轴顶尖的跳动G9尾座套筒轴线对溜板移动的平行度a.在垂直平面内b.在水平面内a:在 100测量长度上为: (只许向上偏)b:在 100测量长度为: (只许向前偏)G10尾座套筒锥孔轴线对溜板移动的平行度a.在垂直平面内;b.在水平面内a:在 300测量长度为: (只许向上偏)b:在 300测量长度为: (只许向前偏)G11床头和尾座两顶尖的等高度(只许尾座高)冷检:~G12横刀架横向移动对主轴轴线的垂直度300(偏差方向α≥ 90°)操作学员(签字):指导教师(签字):年月日年月日。
数控机床的几何精度检验数控机床的几何精度是综合反映机床主要零部件组装后线和面的形状误差、位置或位移误差。
根据GB/T17421.1-1998《机床检验通则第1部分在无负荷或精加工条件下机床的几何精度》国家标准的说明有如下几类:(一)、直线度1、一条线在一个平面或空间内的直线度,如数控卧式车床床身导轨的直线度;2、部件的直线度,如数控升降台铣床工作台纵向基准T形槽的直线度;3、运动的直线度,如立式加工中心X轴轴线运动的直线度。
长度测量方法有:平尺和指示器法,钢丝和显微镜法,准直望远镜法和激光干涉仪法。
角度测量方法有:精密水平仪法,自准直仪法和激光干涉仪法。
(二)、平面度(如立式加工中心工作台面的平面度)测量方法有:平板法、平板和指示器法、平尺法、密水平仪法和光学法。
(三)、平行度、等距度、重合度线和面的平行度,如数控卧式车床顶尖轴线对主刀架溜板移动的平行度;运动的平行度,如立式加工中心工作台面和X轴轴线间的平行度;等距度,如立式加工中心定位孔与工作台回转轴线的等距度;同轴度或重合度,如数控卧式车床工具孔轴线与主轴轴线的重合度。
测量方法有:平尺和指示器法,精密水平仪法,指示器和检验棒法。
(四)、垂直度直线和平面的垂直度,如立式加工中心主轴轴线和X轴轴线运动间的垂直度;运动的垂直度,如立式加工中心Z轴轴线和X轴轴线运动间的垂直度。
测量方法有:平尺和指示器法,角尺和指示器法,光学法(如自准直仪、光学角尺、放射器)。
(五)、旋转径向跳动,如数控卧式车床主轴轴端的卡盘定位锥面的径向跳动,或主轴定位孔的径向跳动;周期性轴向窜动,如数控卧式车床主轴的周期性轴向窜动;端面跳动,如数控卧式车床主轴的卡判定位端面的跳动。
测量方法有:指示器法,检验棒和指示器法,钢球和指示法。
1 大理石动态水平调试≦400 :0.040 工作台平面九点调试2 X轴线轨直线度X≦700:0.010 主线轨:副线轨:3 线轨平行度X≦700:0.0104 线轨平面度X≦700:0.0155 丝杆侧母线X≦600:0.0106 丝杆上母线X≦600:0.0107 丝杆轴端跳动X≦600:0.0088 Y轴线轨直线度X≦700:0.010 主线轨:副线轨:9 线轨平行度X≦700:0.01010 线轨平面度X≦700:0.01511 丝杆侧母线X≦600:0.01012 丝杆上母线X≦600:0.01013 丝杆轴端跳动X≦600:0.00814 Z轴线轨直线度X≦300:0.006 主线轨:副线轨:15 线轨平行度X≦300:0.00616 线轨平面度X≦300:0.01017 丝杆侧母线X≦300:0.00618 丝杆上母线X≦300:0.00619 丝杆轴端跳动X≦300:0.008机型:机床编号:检验日期:总检或主管审核:制表:技术组版号:2013.2.181 X轴X轴在XY面的直线度X≦300:0.0102 X轴在XZ面的直线度X≦300:0.0103 丝杆支撑端跳动X≦300:0.010 侧母线:上母线:4 丝杆电机端跳动X≦300:0.010 侧母线:上母线:5 Y轴X轴在XY面的直线度X≦300:0.0106 X轴在YZ面的直线度X≦300:0.0107 丝杆支撑端跳动X≦300:0.010 侧母线:上母线:8 丝杆电机端跳动X≦300:0.010 侧母线:上母线:9 Z 轴X轴在XZ面的直线度X≦120:0.00710 X轴在YZ面的直线度X≦120:0.00711 丝杆支撑端跳动X≦120:0.007 侧母线:上母线:12 丝杆电机端跳动X≦120:0.007 侧母线:上母线:13 主轴主轴端部360度的径向跳动300≦0.01514 X、Y、Z三轴垂直度Z轴轴线运动与X轴垂直度X≦300:0.01015 Z轴轴线运动和Y轴垂直度X≦300:0.01016 Y轴轴线运动和X轴垂直度X≦300:0.01017 工作台主轴轴线与XY面的垂直度:圆的直径≦300:0.010 主轴360*检查18 工作台侧边校准400≦0.020机型:机床编号:检验日期:总检或主管审核:制表:技术组版号:2013.2.18。
数控铣床精度检验表
a (允差)b(允差)
在300测量长度上在300测量长度上普通级精密级
允差
a b
d~d
允差mm
六、小结
本堂课主要针对了数控铣床在新机装配时并且在无负荷或精加工条件下对机床进行精度检验的检验项目做了介绍并对有些项目进行实操;通过各个项目的检验得出的数据进行对比可以体现出机床的精度有没有达到精度要求,如果没达到精度要求的就要对机械进行调整,所以说检验出来的数据就是整台机床的机械装配的体现。
我们要重点要掌握的就是机床的检验的前所要准备工工具检验时仪器和量具的正确摆放方法,数据的读取;及误差的计算方法。
数控机床精度检验(根据国家数控机床检验标准制定)☆数控双柱立式车床☆数控落地铣镗床☆数控龙门式铣床中 华 人 民 共 和 国武汉毅恒重工有限公司1123 2 60595958 435 458575756 657656555554879 8535210共27页 TK69 系列精 度 检 验 单第1 页预调检验 精度(mm) 序号 检验项目 检 验 示 意 图允 差 值 实测值G01床身导轨在垂直平面内的直线度在1000mm 长度内为:0.02 长度每增加1000mm 允差值增加0.005 最大允差:10000mm 长度内为:0.05 长度超过10000mm 为0.08局部允差:在任意500mm 测量长度上为:0.01911共27页 TK69 系列精 度 检 验 单第2 页预调检验 精度(mm) 序号 检验项目 检 验 示 意 图允 差 值 实测值G02床身导轨在垂直平面内的平行度0.02/10001052515150121113共27页 TK69 系列精 度 检 验 单第4页几何精度 精度(mm) 序号 检验项目 检 验 示 意 图允 差 值 实测值G1立柱移动在垂直平面内的直线度。
在1000mm 长度内为:0.02 长度每增加1000mm 允差值增加0.005 最大允差:10000mm 长度内为:0.05 长度超过10000mm 为0.12局部允差:在任意500mm 测量长度上为:0.015125049494814131514484747461615171646454544181719184443434220192120424141402221232240393938242325243837373626252726363535342827292834333332302931303231。
卧式车床精度检验《普通车床精度标准》是原机械工业部为保证机床生产的质量和使用要求所颁布的一些技术文件。
它是机床生产中进行全面质量考核的一个主要依据。
车床精度标准是以表格形式列出的,内容包括:精度要求项目(18项)、名称、检验方法和允许值。
还附有补充说明条文,使普通车床精度标准更加具体化。
《普通车床精度标准》精度要求项目由几何精度检验和工作精度检验组成。
1.几何精度检验序号检验项目允差检验工具实测值Da≤800800<Da≤1250G1A—床身导轨调平a.纵向:导轨在垂直平面内的直线度DC≤5000.01(凸)0.015(凸)精密水平仪或光学仪器500<DC≤10000.02(凸)0.025(凸)局部公差**在任意250测量长度上为:0.00750.01DC>1000最大工件长度每增加1000允差增加:0.010.015局部公差在任意500测量长度上为:0.0150.02b.横向:导轨的平行度0.04/1000精密水平仪G2溜板移动在水平面内的直线度DC≤5000.0150.02a.指示器和检验棒b.钢丝和显微镜或光学仪器500<DC≤10000.020.025DC>1000最大工件长度每增加1000允差增加0.005最大允差:0.030.05G3尾座移动对溜板移动的平行度:a.在铅垂平面内b.在水平面内DC≤1500a和b0.03a和b0.04局部公差在任意500测量长度上为:0.02指示器DC>1500a和b0.04局部公差在任意500测量长度上为:0.03G4 a.主轴的轴向窜动 a.0.01 a.0.01b.0.02 b.0.02(包括轴向窜动)指示器和专用检具b.主轴轴肩支承面的跳动注:DC表示最大工件长度,Da表示最大工件回转直径。
**在导轨两端DC/4测量长度上局部公差可以加倍。
序号检验项目允差检验工具实测值Da≤800800<Da≤1250G5主轴定心轴颈的径向跳动0.010.015指示器G6主轴锥孔轴线的径向跳动a.靠近主轴端面;b.距主轴端面L处(L等于Da/2或不超过300mm。
数控机床精度检测数控机床的高精度最终是要靠机床本身的精度来保证,数控机床精度包括几何精度和切削精度。
另一方面,数控机床各项性能的好坏及数控功能能否正常发挥将直接影响到机床的正常使用。
因此,数控机床精度检验对初始使用的数控机床及维修调整后机床的技术指标恢复是很重要的。
1、检验所用的工具1.1、水平仪水平:0.04mm/1000mm扭曲:0.02mm/1000mm水平仪的使用和读数水平仪是用于检查各种机床及其它机械设备导轨的直线度、平面度和设备安装的水平性、垂直性。
使用方法:测量时使水平仪工作面紧贴在被测表面,待气泡完全静止后方可读数。
水平仪的分度值是以一米为基长的倾斜值,如需测量长度为L的实际倾斜值可以通过下式进行计算:实际倾斜值=分度值×L×偏差格数水平仪的读数:水平仪读数的符号,习惯上规定:气泡移动方向和水平移动方向相同时读数为正值,相反时为负值。
1.2、千分表1.3、莫氏检验棒2、检验内容2.1、相关标准(例)加工中心检验条件第2部分:立式加工中心几何精度检验JB/T8771.2-1998加工中心检验条件第7部分:精加工试件精度检验JB/T8771.7-1998加工中心检验条件第4部分:线性和回转轴线的定位精度和重复定位精度检验JB/T8771.4-1998机床检验通则第2部分:数控轴线的定位精度和重复定位精度的确定JB/T17421.2-2000加工中心技术条件JB/T8801-19982.2、检验内容精度检验内容主要包括数控机床的几何精度、定位精度和切削精度。
2.2.1、数控机床几何精度的检测机床的几何精度是指机床某些基础零件本身的几何形状精度、相互位置的几何精度及其相对运动的几何精度。
机床的几何精度是综合反映该设备的关键机械零部件和组装后几何形状误差。
数控机床的基本性能检验与普通机床的检验方法差不多,使用的检测工具和方法也相似,每一项要独立检验,但要求更高。
所使用的检测工具精度必须比所检测的精度高一级。
序号简图检验项目允差检验工具检验方法G1 a)b)床身导轨的直线度和平行度a)床身导轨在垂直平面内的直线度b)床身导轨的平行度斜导轨0.03/1000水平导轨0.04/1000a)b)精密水平仪如a)所示,水平仪沿Z 轴向放在溜板上,沿导轨全长等距离地在各位置上检验,记录水平仪的读数,并记入“报告要求”中的表 1 中,并用作图法计算出床身导轨在垂直平面内的直线度误差。
如b)所示,水平仪沿X 轴向放在溜板上,在导轨上移动溜板,记录水平仪读数,其读数最大值即为床身导轨的平行度误差。
序号简图检验项目允差检验工具检验方法G2 溜板在水平面内移动的直线度DC≤500:0.015DC<500~1000:0.02指示器和检验棒,百分表和如图所示,将直验棒顶在主轴和尾座顶尖上;再将百分表固定在溜板上,百分表水平触及验棒母线;全最大允差:0.03 平尺程移动溜板,调整尾座,使百分表在行程两端读数相等,检测溜板移动在水平面内的直线度误差。
G3 尾座移动对溜板移动的平行度a)垂直平面内尾座移动对溜板移动的平行度b)水平面内尾座移动对溜板移动的平行度a)0.015/300b)0.02/300百分表如图所示,将尾座套筒伸出后,按正常工作状态锁紧,同时使尾座尽可能的靠近溜板,把安装在溜板上的第二个百分表相对于尾座套筒的端面调整为零;溜板移动时也要手动移动尾座直至第二个百分表的读数为零,使尾座与溜板相对距离保持不变。
按此法使溜板和尾座全行程移动,只要第二个百分表的读数始终为零,则第一个百分表相应指示出平行度误差。
或沿行程在每隔300mm 处记录第一个百分表读数,百分表读数的最大差值即为平行度误差。
第一个指示器分别在图中ab 位置测量,误差单独计算。
序号简图检验项目允差检验工具检验方法G4 主轴跳动a)主轴的轴向窜动b)主轴的轴肩支承面的跳动a:0.01b:0.02百分表和专用装置如图所示,用专用装置在主轴线上加力 F ( F 的值为消除轴向间隙的最小值),把百2分表安装在机床固定部件上,然后使百分表测头沿主轴轴线分别触及专用装置的钢球和主轴轴肩支承面;旋转主轴,百分表读数最大差值即为主轴的轴向窜动误差和主轴轴肩支承面的跳动误差G5 主轴定心轴颈的径向跳动0.01 百分表如图所示,把百分表安装在机床固定部件上,使百分表测头垂直于主轴定心轴颈并触及主轴定心轴颈;旋转主轴,百分表读数最大差值即为主轴定心轴颈的径向跳动误差序号简图检验项目允差检验工具检验方法G6 主轴锥孔轴线的径向跳动a)靠近主轴端部b)距主轴端部300mm处a)0.01b)0.02百分表和检验棒如图所示,将检验棒插在主轴锥孔内,把百分表安装在机床固定部件上,使百分表测头垂直触及被测表面,旋转主轴,记录百分表的最大读数差值,在a、 b 处分别测量。
数控车床几何精度检测1•床身导轨的直线度和平行度☆纵向导轨调平后,床身导轨在垂直平面内的直线度检验工具:精密水平仪检验方法:如0001所示,水平仪沿Z轴向放在溜板上,沿导轨全长等距离地在各位置上检验,记录水平仪的读数,并记入报告要求”中的表1中,并用作图法计算出床身导轨在垂直平面内的直线度误差。
☆横向导轨调平后,床身导轨的平行度检验工具:精密水平仪检验方法:如0002所示,水平仪沿X轴向放在溜板上,在导轨上移动溜板,记录水平仪读数,其读数最大值即为床身导轨的平行度误差。
2 .溜板在水平面内移动的直线度检验工具:指示器和检验棒,百分表和平尺带表:座百分表检验方法:如0003所示,将直验棒顶在主轴和尾座顶尖上;再将百分表固定在溜板上,百分表水平触及验棒母线;全程移动溜板,调整尾座,使百分表在行程两端读数相等,检测溜板移动在水平面内的直线度误差。
3.尾座移动对溜板移动的平行度☆垂直平面内尾座移动对溜板移动的平行度☆水平面内尾座移动对溜板移动的平行度检验工具:百分表使用两个百分表"一『百务表作为曲匪保持憎板和是•空的相对g检验方法:如0004所示,将尾座套筒伸出后,按正常工作状态锁紧,同时使尾座尽可能的靠近溜板,把安装在溜板上的第二个百分表相对于尾座套筒的端面调整为零;溜板移动时也要手动移动尾座直至第二个百分表的读数为零,使尾座与溜板相对距离保持不变。
按此法使溜板和尾座全行程移动,只要第二个百分表的读数始终为零,则第一个百分表相应指示出平行度误差。
或沿行程在每隔300mm处记录第一个百分表读数,百分表读数的最大差值即为平行度误差。
第一个指示器分别在图中ab位置测量,误差单独计算。
4.主轴跳动☆主轴的轴向窜动☆主轴的轴肩支承面的跳动检验工具:百分表和专用装置检验方法:如0005所示,用专用装置在主轴线上加力 F (F的值为消除轴向间隙的最小值),把百分表安装在机床固定部件上,然后使百分表测头沿主轴轴线分别触及专用装置的钢球和主轴轴肩支承面;旋转主轴,百分表读数最大差值即为主轴的轴向窜动误差和主轴轴肩支承面的跳动误差5 .主轴定心轴颈的径向跳动检验工具:百分表检验方法:如0006所示,把百分表安装在机床固定部件上,使百分表测头垂直于主轴定心轴颈并触及主轴定心轴颈;旋转主轴,百分表读数最大差值即为主轴定心轴颈的径向跳动误差6•主轴锥孔轴线的径向跳动检验工具:百分表和验棒检验方法:如0007所示,将检验棒插在主轴锥孔内,把百分表安装在机床固定部件上,使百分表测头垂直触及被测表面,旋转主轴,记录百分表的最大读数差值,在a、b处分别测量。
北京广宇大成数控机床有限公司2. Z轴导轨直线度
北京广宇大成数控机床有限公司
北京广宇大成数控机床有限公司
北京广宇大成数控机床有限公司
北京广宇大成数控机床有限公司
北京广宇大成数控机床有限公司
北京广宇大成数控机床有限公司
北京广宇大成数控机床有限公司
北京广宇大成数控机床有限公司
北京广宇大成数控机床有限公司
北京广宇大成数控机床有限公司
北京广宇大成数控机床有限公司
北京广宇大成数控机床有限公司
北京广宇大成数控机床有限公司
北京广宇大成数控机床有限公司
北京广宇大成数控机床有限公司
北京广宇大成数控机床有限公司
北京广宇大成数控机床有限公司
北京广宇大成数控机床有限公司
北京广宇大成数控机床有限公司
北京广宇大成数控机床有限公司
北京广宇大成数控机床有限公司。
数控车床几何精度检验表序号检验项目简图允差mm 实测mmG1 导轨调平a. 纵向导轨在垂直平面内的直线度b. 横向导轨的平行度(a)500<Dc≤1000 0.02(凸)局部公差:在任意250测量长度上为0.0075(b)0.04/1000G2 溜板移动在水平面内的直线度(尽可能在两顶尖间轴线和刀尖所确定的平面内检验)500<Dc≤1000 0.02Dc>1000最大工件长度每增加 1000允差增加0.005最大允差: 0.03G3 尾座移动对溜板移动的平行度:a.在垂直平面内b.在水平面内Dc≤1500a和 b:0.03局部公差:在任意500测量长度上为0.02G4 主轴端部的跳动:a.主轴的轴向窜动b.主轴轴肩支承面的跳动a:0.01b:0.02(包括轴向窜动)G5 主轴定心轴径的径向跳动0.01G6 主轴锥孔轴线的径向跳动a.靠近主轴端部;b.距主轴端面300处a:0.01b:在 300测量长度上为: 0.02序号检验项目简图允差mm 实测mmG7 主轴轴线对溜板移动的平行度a.在垂直平面内;b.在水平面内a:在 300测量长度上为: 0.02(只许向上偏)冷检:-0.01~-0.02 b:在 300测量长度为: 0.015(只许向前偏)G8 主轴顶尖的跳动0.015G9 尾座套筒轴线对溜板移动的平行度a.在垂直平面内b.在水平面内a:在 100测量长度上为: 0.015(只许向上偏)b:在 100测量长度为: 0.01(只许向前偏)G10 尾座套筒锥孔轴线对溜板移动的平行度a.在垂直平面内;b.在水平面内a:在 300测量长度为: 0.03(只许向上偏)b:在 300测量长度为: 0.03(只许向前偏)G11 床头和尾座两顶尖的等高度0.040(只许尾座高)冷检:0.05~0.07G12 横刀架横向移动对主轴轴线的垂直度0.02/300 (偏差方向α≥ 90°)操作学员(签字):指导教师(签字):年月日年月日。
数控车床几何精度检验表
序号检验项目简图允差mm 实测mm
G1 导轨调平
a. 纵向
导轨在垂直平面
内的直线度
b. 横向
导轨的平行度(a)
500<Dc≤1000 0.02(凸)
局部公差:在任意250测量长度上为0.0075
(b)
0.04/1000
G2 溜板移动在水平
面内的直线度
(尽可能在两顶
尖间轴线和刀尖
所确定的平面内
检验)500<Dc≤1000 0.02
Dc>1000
最大工件长度每增加 1000允差增加0.005
最大允差: 0.03
G3 尾座移动对溜板
移动的平行度:
a.在垂直平面内
b.在水平面内Dc≤1500
a和 b:0.03
局部公差:在任意500测量长度上为0.02
G4 主轴端部的跳
动:
a.主轴的轴向窜
动
b.主轴轴肩支承
面的跳动a:
0.01
b:
0.02
(包括轴向窜动)
G5 主轴定心轴径的
径向跳动
0.01
G6 主轴锥孔轴线的
径向跳动
a.靠近主轴端
部;
b.距主轴端面
300处a:
0.01
b:
在 300测量长度上为: 0.02
序号检验项目简图允差mm 实测mm
G7 主轴轴线对溜板
移动的平行度
a.在垂直平面
内;
b.在水平面内a:
在 300测量长度上为: 0.02(只许向上偏)
冷检:-0.01~-0.02 b:
在 300测量长度为: 0.015(只许向前偏)
G8 主轴顶尖的跳动0.015
G9 尾座套筒轴线对
溜板移动的平行
度
a.在垂直平面内
b.在水平面内a:
在 100测量长度上为: 0.015(只许向上偏)
b:
在 100测量长度为: 0.01(只许向前偏)
G10 尾座套筒锥
孔轴线对溜板移
动的平行度
a.在垂直平面
内;
b.在水平面内a:
在 300测量长度为: 0.03(只许向上偏)b:
在 300测量长度为: 0.03(只许向前偏)
G11 床头和尾座两顶
尖的等高度0.040
(只许尾座高)
冷检:0.05~0.07
G12 横刀架横向移动
对主轴轴线的垂
直度0.02/300 (偏差方向α≥ 90°)
操作学员(签字):指导教师(签字):年月日年月日。