初二物理期中考试试卷
- 格式:doc
- 大小:1001.00 KB
- 文档页数:8
初二物理期中考试试卷一、选择题(共20题,每题2分,共40分)1.下列哪个是物理学研究的对象? A.花卉 B.动物 C.物质 D.语言2.下列哪个是物理学的基本量? A.压力 B.速度 C.力 D.电流3.下面哪一项是正确的? A.物质可被永久地消失 B.物体的质量决定其体积 C.物体的形状不会因重力的作用而改变 D.物体的重量与质量相等4.有一物体A在地球表面从高处自由落下,下面哪个选项是正确的? A.物体A的速度越来越小 B.物体A与地球之间有弹簧 C.物体A的速度保持不变 D.物体A的速度越来越大5.质量和重力是量度物体重量的两个重要因素。
哪个是质量的单位? A.N B.Kg C.g D.J6.力的单位是: A.牛 B.度 C.克 D.元7.在农田中,我们用拖拉机把农作物搬运到垃圾场。
对于这个过程,下面哪个说法是正确的? A.力的方向与移动方向一致 B.力单位的选项与重力的方向一致 C.我们对拖拉机产生的力 D.我们对农作物产生的力8.下列哪一个是单位力的缩写? A.N B.Kg C.g D.J9.一个铁块在两个方向上施加力,一个为10N的力向右,另一个为5N的力向左。
则作用在铁块上的合力为: A.10NB.5NC.15ND.0N10.向上给物体施加5N的力,物体处于静止状态。
则物体的摩擦力为: A.5N B.大于5N C.小于5N D.无法确定11.下列哪个是个人用来测量长度的常用工具? A.称重器 B.计时器 C.尺 D.天平12.在我们的日常生活中,下列哪个量纲是用“克”来表示的?A.重力B.速度C.质量D.力13.下列哪个是正确的? A.动摩擦力比静摩擦力大 B.静摩擦力比动摩擦力小 C.动摩擦力与静摩擦力相等 D.动摩擦力与静摩擦力不存在14.在我们的日常生活中,下列哪个现象没有动力学的因素?A.飞机在空中飞行B.人类走路C.电视机播放D.汽车行驶15.动能的单位是: A.焦 B.克 C.秒 D.牛16.在我们的日常生活中,哪个别名或单位常用来量度力的大小? A.克 B.兆 C.焦 D.牛17.力的作用与什么有关? A.对象的位置 B.对象的大小 C.对象的形状 D.对象的质量18.下列哪个是你用来量度体积的常用工具? A.尺 B.称 B.杯子 D.天平19.下列哪个是国际上通用的能量单位? A.焦 B.公斤 C.元 D.度20.光和声都是引发许多有趣现象的形式。
初二物理期中试卷(答题时间:80分钟)一、单项选择题1. 若四次测量一本书的宽度记录为:12.38cm,12.36cm,12.38cm,12.34cm,则这本书宽度平均值是()A、12.38cmB、12.365cmC、12.36cmD、12.37cm2、一支铜棒,在下列各种情况下,它的质量会发生变化的是()A、钳工使用锉刀对它进行加工B、放在火炉上加热C、把铜棒轧成一张铜板D、宇航员把铜棒带到太空中3、在拍摄房屋倒塌伤人的特技镜头时,总要用泡沫塑料制作房屋构件的道具,这主要是因为泡沫塑料的()A、价格便宜B、体积很小C、密度很小D、质量很小4、下列自然现象中,属于熔化现象的是()A、春天,河里的冰化成水B、夏天清晨,植物上常有露珠C、深秋的早晨,有时地面上会有一层霜D、冬天有时没见雪化成水,雪却不见了5、烧开水时从壶嘴里喷出“白气”,形成“白气”的物态变化过程是()A、液化过程B、汽化过程C、先汽化后液化D、先升华后汽化6、关于误差的概念,下列哪句话正确?()A、误差就是测量中的错误B、认真测量可以避免误差C、采用精密仪器,改进实验方法可以避免误差D、误差只能尽量减小,不能绝对避免7. 海波的熔点是48℃,那么温度为48℃的海波的状态一定是()A. 液态B. 固态C. 固液共存状态D. 三种情况都可能8、下列物态变化中属于放热的是()A、雪在阳光下化成了水B、对碘加热,生成紫色气体C、一杯水放在房间里,日久变少D、春天,早晨出现大雾9、能够降低室内温度的做法是()A、打开电风扇B、关闭门窗C、向地面洒些水D、打开房间内电冰箱的门10、在体育课上小明要测投铅球的距离应选用()A、最小分度为1米的测绳B、最小分度为1厘米的皮尺C、最小分度为1分米的刻度尺D、教师上课用的三角板11、下列物质中,质量为0.2千克的可能是()A、一只老母鸡B、一个梨子C、一个鸡蛋D、一只蚂蚁12、冰的密度是0.9g/cm3,把质量为360g的冰完全熔化成水时,下列关于它们的质量和体积变化的说法正确的是()A、质量减小了40g,体积减小了40cm3B、质量增加了40g,体积不变C、质量不变,体积减小了40cm3D 、质量不变,体积增加了40cm 313、下列长度中最接近10厘米的是 ( )A 、手掌的宽度B 、物理课本的宽度C 、普通钢笔的长度D 、篮球的直径二、填空题 14、水的密度为 kg/m 3,物理意义是 。
选择题下列数值最接近实际情况的是()A.教学楼每层教室的高度约为10mB.三楼教室内的大气压强约为3×105PaC.餐后的一个苹果重约为2ND.同学们的正常体温约为42℃【答案】C【解析】A.教学楼每层教室的高度约为3m,不符合题意;B.大气压随高度的增加而减小,1标准大气压大约1×105Pa,三楼教室内的大气压强小于1×105Pa,不符合题意;C.一个苹果的质量在200g左右,它的重力约G=mg=0.2kg×10N/kg=2N符合题意;D.同学们的正常体温约为37℃,不符合题意。
故选C。
选择题下列实例中,为了增大摩擦的是()A.旱冰鞋下装有滚轮B.给自行车的轮轴上加润滑油C.气垫船底部跟水面之间有一层空气垫D.刹车时,用力捏紧自行车的车闸【答案】D【解析】A.旱冰鞋下装有滚轮,即通过变滑动为滚动的方法减小摩擦,不符合题意;B.给自行车的轮轴上加润滑油,通过使接触面分离的方法减小摩擦,不符合题意;C.气垫船的船底跟水面之间有一层空气垫,即通过使接触面彼此分离的方法减小摩擦力,不符合题意;D.刹车时,用力捏紧自行车的车闸,通过增大压力增大摩擦力,符合题意。
故选D。
选择题如图所示的四个实例中,与大气压作用无关的是()A.图中用纸片盖住装满水的杯口,倒立后纸片不下落B.图中用注射器给病人注射药液C.图中吸盘式手套在开动抽气机抽出吸盘中的空气后使人能够在竖直墙面上爬D. 图中小明用吸管喝饮料【答案】B【解析】A.覆杯实验,水排出了杯子内的空气,在大气压的作用下纸片掉不下来,说明了大气压强的存在,不符合题意;B.用注射器给病人注射药液,利用的是人的推力,与大气压无关,符合题意;C.使用塑料吸盘时,先开动抽气机抽出吸盘中的空气,使其内部近似真空,内部气体压强非常小,吸盘外的大气压远大于吸盘内的气体压强,在外界大气压的作用下,吸盘压在了墙面上,不符合题意;D.用吸管喝饮料时,吸管内压强减小,饮料在大气压的作用下把饮料压入嘴里,所以用吸管吸饮料是大气压作用的结果,不符合题意。
初二物理期中试卷带答案本文为初二物理期中试卷带答案。
第一部分:选择题1. 选出下列物理量中,属于矢量的是()A. 速度B. 质量C. 时间D. 面积【答案】A. 速度解析:速度是矢量,它具有大小、方向和单位。
2. 雷电为什么会先发出闪电,然后才有雷声?()【答案】闪电的光传播速度比声波的传播速度快,当闪电发生时,光会立即传播到观察者的眼睛,而声音需要更长的时间传播到耳朵,所以人们先看到闪电,后听到雷声。
3. 下列哪个选项中的物理量是单位时间内通过某一截面的热量或功率?()A. 能量B. 力C. 功D. 功率【答案】D. 功率解析:功率是单位时间内完成的功,单位是瓦特(W)。
4. 直流电与交流电的主要区别在于()【答案】交流电的电流方向和大小随时间变化,而直流电的电流方向不变。
解析:直流电的电流方向和大小都不变,而交流电的电流方向和大小随时间周期性变化。
5. 下列哪种材料是良导体?()A. 橡胶B. 木材C. 铝D. 石油【答案】C. 铝解析:良导体是指电阻较小的材料,铝是一种良导体。
第二部分:填空题1. 牛顿第一定律又称为【答案】惯性定律。
2. 牛顿第二定律的数学表达式为【答案】F=ma。
3. 加速度的单位为【答案】m/s²。
4. 一个物体质量为2kg,受到2N的合力作用后,它的加速度为【答案】1 m/s²。
5. 零摄氏度对应的华氏温度为【答案】32°F。
第三部分:解答题1. 简答题(10分)问:为什么太阳能电池在室内效果不好?答:太阳能电池主要利用太阳光的能量来产生电能。
室内的光线相对较暗,而且室内的光线不是来自太阳,所以太阳能电池在室内效果不好。
2. 计算题(15分)已知一个物体质量为5kg,受到一个20N的水平合力作用,通过一段10m的距离后速度由5m/s增加到15m/s,求物体所受摩擦力的大小。
答:物体的初速度 v₁ = 5m/s物体的末速度 v₂ = 15m/s物体所受合力 F = 20N物体通过的距离 d = 10m根据牛顿第二定律 F = ma,可得物体的加速度 a = (v₂ - v₁) / t = (15-5) / t = 10 / t物体所受摩擦力的大小 Ff = F - ma = 20 - 5 * (10/t) = 20 - 50/t所以物体所受摩擦力的大小为 20 - 50/t N以上就是初二物理期中试卷的答案,希望对你有帮助!。
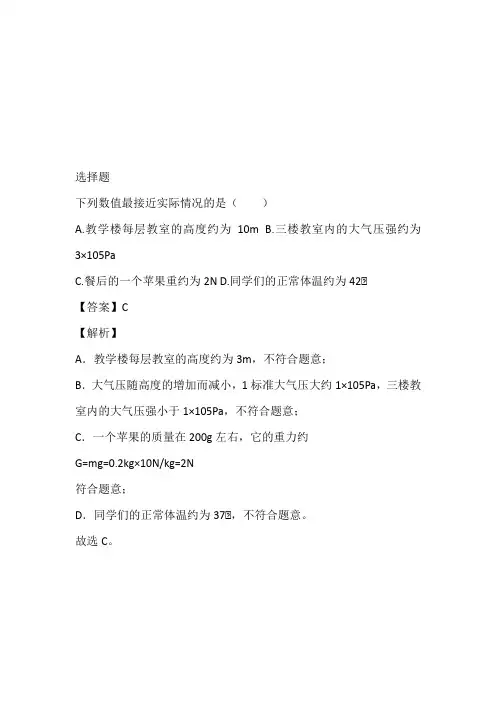
八年级物理期中精选试卷试卷(word版含答案)一、初二物理声现象实验易错压轴题(难)1.大海同学为了探究琴弦的音调与音弦的材料、张紧程度、横截面积、长短的关系,设计了如图所示的实验,采用了表一所列各种规格的琴弦、几个钩码和一个能够测量振动频率的仪器.编号材料长度/cm 横截面积/mm2A 铜60 0.76B 铜60 0.89C 铜60 1.02D 铜80 0.76E 铜F 铜100 0.76G 钢80 1.02H 尼龙80 1.02I 尼龙100 1.02实验步骤:(1)在大木板的两边立起两块小木板,在大木板的一端牢牢钉人一根大钉子,把弦的一端绑在钉子上,另一端垂在桌边,把钩码绑在垂下的弦上.(如图)(2)为了验证“琴弦发出声音的音调高低,可能与琴弦的粗细有关”这一猜想,应选用编号为A、____ 、____ 的琴弦进行实验.(如表)(3)为了验证“琴弦发出声音的音调高低,可能与琴弦的长短有关”这一猜想,应选用编号为____ 、____ 、____ 的琴弦进行实验.(如表)(4)表一中有的材料规格还没填全,为了验证“琴弦发出声音的音调高低.可能与琴弦的材料有关”这一猜想,必须知道该项内容.请在表中填上所缺数据.(如表)______、______【答案】B C A D F80 1.02【解析】【详解】(2)在探究“琴弦发出声音的音调高低,可能与琴弦的粗细有关”时,要控制琴弦的材料和长度相同,故选A. B. C的琴弦进行实验;(3)探究“琴弦发出声音的音调高低,可能与琴弦的长短有关”时,应控制琴弦的材料和横截面积相同,所以选A. D. F的琴弦进行实验;(4)为了验证“琴弦发出声音的音调高低。
可能与琴弦的材料有关”时,应控制琴弦的长度和横截面积相同,材料不同,符合条件的只有G、H,所以D项中应是:80;1.02.2.(1)把正在发声的手机放在玻璃罩内(如图甲所示),逐渐抽出其中的空气听到的声音越来越小,最后几乎听不到铃声,这说明______.(2)图乙是探究“”的实验装置图,把平面镜放在水平桌面上,再把一张可以沿ON 向前或向后折的纸板竖直地立在平面镜上,纸板上的ON垂直于镜面。
深圳市高级中学2024-2025 学年第一学期期中测试初二物理试卷注意事项:1.答题前,考生务必将在答题卡写上姓名、班级,准考证号用2B 铅笔涂写在答题卡上。
2.每小题选出答案后,用2B 铅笔把答题卡上对应题目的答案标号涂黑。
如需改动用橡皮擦干净后,再涂其它答案,不能答在试题卷上。
3.考试结束,监考人员将答题卡收回。
第一部分选择题一.单项选择题:(每小题只有一个正确选项,每小题2分,共计14分)“二十四节气”是我国古代农耕文明伟大成就之一。
它是古人通过观测天体运行,总结出的一年中时令、气候、物候等变化的规律。
关于二十四节气的谚语,下列分析正确的是()A.“惊蛰云不停,寒到五月中”,云的形成是汽化现象,汽化吸热B.“白露种高山,寒露种河边”,露的形成是液化现象,液化放热C.“霜降有霜,米谷满仓”,霜的形成是凝华现象,凝华吸热D.“伏天三场雨,薄地长好麻”,雨的形成是熔化现象,熔化放热如图为《梦溪笔谈》中的一段话。
意思是:为了找到甲、乙两琴中音调相同的弦,可在乙琴弦上放纸人。
当弹甲琴中的某一弦时,乙琴中与其音调相同的弦上的纸人就会跳动。
以下说法正确的是()A.弹琴时发出的声音,是由于手指振动产生的B.琴弦越长弹奏时发出的声音的音调就越高C.弹甲琴弦,乙琴弦上的纸人跳动,说明声音可以传递能量D.音调相同的两根弦发声时振动的振幅一定相同....三辆小车沿平直公路由南向北行驶的过程中,先后出现了如图所示的两种情形。
下列分析正确的是( )A .相对乙车,甲车向北运动B .相对乙车,丙车向北运动C .相对丙车,乙车向北运动D .相对丙车,甲车是静止的如图甲所示,把一把钢尺紧压在桌面上,一部分伸出桌面,用手拨动使钢尺振动发声, 图乙是其声波图,其中横轴 x 表示振动时间,纵轴 y 表示振动幅度的大小,现将钢尺伸出桌外的长度变短,再用手拨动发声,则此声波图可能是下列哪一幅图( )A B C D 在科学兴趣班开展温度测量探究的实验时,小顾同学用体温计分别测量了 3 位同学的体温,由于操作疏忽,每次测量完都没有甩就继续测量下一位同学的体温。
2024-2025 学年度第一学期期中考试初二年级物理试卷考试时间:60 分钟试卷满分:100 分第一卷选择题(请将选择题答案填涂在答题卡上)一、选择题:(每小题2分,共40分,只有一个答案是正确的,多选或不选不给分)1.如图是国旗护卫队在天安门广场正步走的情景,从金水桥走到国旗杆下的正步数刚好为138 步,则这段距离约为()A.100cm B.100dm C.100m D.1000m2.下列几项描述中,属于机械运动的是()A.春天,百花齐放,万物生长B.夏夜,深南大道旁霓虹灯闪烁C.秋天,校园里桂花香气袭人D.冬天,枯黄的树叶落向地面3.下列关于运动和静止的说法正确的是()A.“嫦娥一号”从地球奔向月球,以地面为参照物,“嫦娥一号”是静止的B.小船顺流而下,以河岸为参照物,小船是静止的C.汽车在马路上行驶,以司机为参照物,汽车是运动的D.飞机在空中加油,以受油机为参照物,加油机是静止的4.在生活中经常需要估测一些物理量,下列估测比较接近实际的是()A.人的脉搏正常跳动一次用时约1minB.人正常步行的平均速度大约是4km/hC.人体的正常体温为26℃D.让人感觉舒适的环境声音强弱为90dB~100dB5.图中的A、B、C、D 分别是用频闪照相机拍摄(每0.1s 拍摄一次)的小球在不同运动状态下的照片,其中小球做匀速直线运动的是()A.B.C.D.6.如图为小组同学学习长度测量后讨论交流的情景,下列关于误差的说法正确的是()A.估读可以减小误差,整刻度时不需要估读B.用皮尺测量时不能拽太紧,否则会使测量结果偏大C.测铅笔长度时通过多次测量求平均值的方法可以减小误差D.测量时多估读几位数可以减小误差7.如图所示,沿同一条直线向东运动的物体A、B,其运动相对同一参考点0 的距离s 随时间t 变化的图象,以下说法正确的是()A.两物体由同一位置0 点开始运动,但物体A 比B 迟3s才开始运动B.t = 0 时刻,A 在点0,B 在距离0 点5m 处C.从第3s 开始,v A < v B,5s 末A、B 相遇D.5s 内,A、B 的平均速度相等8.机场周围不允许有鸟类飞行,以免撞毁飞机。
八年级物理期中试卷(100分钟 100分)第一部分基础知识(共80分)一、选择题(每小题2分,共30分。
下列各小题中只有一个选项适合题意,请你将适合题意的选项字母填入下表中相应的空格内。
)1. 声音在空气、水、酒精、钢管这几种介质中传播时,传播速度最大的是A. 空气 B.水 C.酒精D.钢管2.我们教室里使用的40瓦日光灯管的长度最接近于下列数据中的哪一个?A. 1.8mB. 1.2mC. 0.5mD. 2m3. 钓鱼时不能大声喧哗,因为鱼听到人声就会被吓走,这是因为A.只有空气能传播声音 B.空气和水都能传播声音C.水不能传播声音 D.声音在任何条件下都能传播4. 要使水的沸点超过100℃,要A.将水量减少 B.将火烧旺C.给容器加密封盖子 D.将容器移到高山上加热5. 古诗:“少小离家老大回,乡音无改鬓毛衰”中的“乡音无改”主要是指没有改变A.音调 B.方言、土语C.音色 D.响度6. 饺子在水中煮,怎么煮也不会发黄变焦,而在油中炸,过一会儿就会发黄变焦,这是因为A.饺子在水中煮,温度不到100℃,饺子中的水分被蒸发B.饺子在水中煮,温度超过100℃,饺子中的水分被蒸发C.饺子在油中炸,温度超过100℃,饺子中的水分被蒸发D. 饺子在油中炸,温度不到100℃,饺子中的水分被蒸发7. 医生给病人检查时使用听诊器的目的是A.保持声音的音调B.保持声音的音色C.保持声音的频率D.减小声音的分散增大响度8. 战斗机在空中加油时的情景如图(1)所示,已知加油机的速度为800km/h,则此战斗机的速度是A.0B.等于800 km/hC.大于800 km/hD.小于800 km/h9. 纳米技术在研制电学材料、光学材料等方面有广泛的应用前景.纳米是下列哪一个量的计量单位?A.长度 B.体积 C.密度 D.速度10. 某同学在l00m赛跑中,用16s钟跑完全程,描述他赛跑快慢的正确叙述是A.他每秒跑的路程都是6.25m B.他跑到终点时的速度为6.25m/sC.他跑完50米所花时间为8s D.他在全程中的平均速度为6.25m/s11. 利用“干冰”可实现“人工降雨”,“干冰”撒到空中后它随即会发生的物态变化是A.熔化 B.液化 C.升华 D.汽化12. 冬天我们常看见嘴里呼出的“白汽”,这实际上是 ( )A.水蒸气 B.二氧化碳气体C.小水滴 D.液态的二氧化碳13. 三个完全相同的量杯中盛有水,将质量相同的铝块、铁块、铜块( )分别放入三个量杯中,液面恰好相平,原来盛水最少的量杯是A.放铝块的量杯 B.放铁块的量杯C.放铜块的量杯 D.原来盛水一样多14. 使用已调好的托盘天平来称量物体的质量时,若指针偏右,这时应A. 在盘中加砝码B. 在盘中减砝码C. 向右移游码D. 向左调平衡螺母15.vA B 图2 C D二、填空题(每空1分,共20分)16. 一头牛和一只羊的声音比较,音调高的是,响度大的是。
初二物理期中试卷附答案解析考试范围:xxx ;考试时间:xxx 分钟;出题人:xxx 姓名:___________班级:___________考号:___________1.答题前填写好自己的姓名、班级、考号等信息 2.请将答案正确填写在答题卡上一、选择题1.如图所示,是一种指甲刀的结构示意图,下列说法正确的是( )A .OBD 是一个省力杠杆B .ABC 是一个省力杠杆C .杠杆ABC 上有粗糙的花纹,可以减小摩擦D .D 处刀刃较薄,可以增大压力2.对静电现象的认识,下列说法正确的是:( )A .摩擦起电创造了电荷B .自然界只存在正、负两种电荷C .两个物体靠近时相互吸引,则一定一个物体带正电,另一个物体带负电D .一个物体没有带电,说明该物体内部没有电子3.晚上,在桌上铺一张白纸,把一块小平面镜放在纸上(镜面朝上),让手电筒的光对着平面镜照射,如图所示,从侧面看去( )。
A .镜子比较亮,它发生了镜面反射B .镜子比较暗,它发生了镜面反射C .白纸比较亮,它发生了镜面反射D .白纸比较暗,它发生了漫反射 \4.古典名著《三国演义》中,猛将张飞单枪立马在长坂坡当阳桥头,一声大喝,吓退十万曹操大军.这个典故形容张飞声音()A.频率高 B.音色差 C.音调高 D.响度大5.作匀速直线运动的物体8秒内通过的路程是20米它在第4秒内的速度一定是()A.2.5米/秒 B.20米/秒 C.5米/秒 D.8米/秒6.端午节赛龙舟时,全体划桨手在指挥员的统一号令下有节奏的齐心向后划水,龙舟快速前进。
则使龙舟前进的力是()A.人手作用在浆上的力B.浆作用在手上的力C.水作用在浆上的力D.浆向后作用在水上的力7.如图所示,以下做法中属于增大摩擦力的是A.磁悬浮列车被轨道上的强磁场微微托起B.气垫船的船底与水面之间有一层空气垫C.在轴承中加滚珠D.汽车轮胎上制有花纹8.用t1表示太阳表面的温度,用t2表示点亮的白炽灯泡灯丝能达到的温度,用t3表示火柴火焰温度,(温度)从高到低正确的排列顺序应是()A.t1>t2>t3B.t2>t3>t1C.t1>t3>t2D.t3>t1>t29.“广场舞”是中国大妈非常喜欢的一种健身活动,但同时广场舞的音响却给周边住宅楼休息的居民造成了一定的影响,为了使双方的利益得到尊重,和谐相处,你认为采取下面哪种方法是有效合理的()A.跳舞的大妈跳舞时都戴一个播放音乐的耳机B.完全禁止广场舞活动C.住宅楼的居民都戴着一个防噪声的耳罩D.住宅楼内安装噪声监控装置10.我国已制造出世界上快的高速列车,运行速度可达380km/h。
初二物理期中试卷及答案不断努力学习才能丰富自己的知识,初二物理期中考试即将到来,同学们要如何准备复习呢?接下来是店铺为大家带来的初二物理的期中试卷及答案,供大家参考。
初二物理期中试卷题目一、单项选择题(本题共12小题,每题2分,共24分)1. 小明同学一次在家看妈妈做油炸薯条时,发现有些薯条炸焦了,他联想到平时在水中煮食物时,只要水不干,食物就不会焦,他是一个爱动脑筋的人,他认为可能是油沸腾时的温度比水高,所以容易把食物炸焦.从科学探究的角度分析,小明的认为这个步骤是科学探究中的哪个步骤A.提出问题B.作出猜想C.设计实验D.分析实验,得出结论2. 如图所示,宇航员在空间站内可直接对话,但是,在空间站外面工作时,必须借助无线电通讯设备才能进行通话,原因是A.太空中噪声太大B.用通讯设备对话方便C.空间站外是真空,不能传声D.声音只能在地面附近传播3. 一场大雪过后,人们会感到外面万籁俱寂,究其原因你认为正确的是A.可能是大雪后,行驶的车辆减少,噪声减小B.可能是大雪蓬松且多孔,对噪声有吸收作用C.可能是大雪后,大地银装素裹,噪声被反射D.可能是大雪后气温很低,噪声传播速度变慢4. 如图所示,小明将悬挂的轻质小球紧靠音叉,用小锤轻敲和重敲音叉时,小球弹开的角度不同.比较角度的大小是为了探究A.声音产生的原因B.响度和振幅的关系C.音调和频率的关系D.声音的传播是否需要时间5. 如图所示是我们经常看到的禁鸣标志,请你在下列方法中,选出与这种控制噪声的方法相同的是A.在摩托车上安装消声器B.在道路旁设置隔声板C.工人戴上防噪声耳罩D.上课时关闭教室的门窗6.2015年6月1日晚,“东方之星”客轮在长江水域监利段发生翻沉,客轮倒扣在江面上.为了尽快救出被困者,搜救队员用铁锤敲击露在水面的船体并将耳朵贴在船体上听.下列有关说法正确的是A.敲击船体是为了使铁锤振动发声B.敲击船体是因为声音只能在固体中传播C.贴在船体上听是为了听到求救的超声波信号D.贴在船体上听是利用固体传声效果比气体好7. 为改变过度依赖激素促进植物生长的种植状态,江南农科所着手研究利用夜间光照促进植物生长的技术.对于绿色植物而言,下列颜色的灯光照明中,效能最低的是A.绿光B. 红光C.蓝光D.黄光8. 下图所示四个实例中,与“雾凇”形成的物态变化相同的是9. 在亚丁湾海域,我国海军护航编队使用“金嗓子”(又名“声波炮”)震慑海盗.它的声波定向发射器外观类似喇叭,能发出145dB以上的高频声波,甚至比喷气式飞机引擎的噪声还要刺耳.根据以上信息,下列说法中错误的是A.声波具有能量B.声波定向发射器喇叭状外观可以减少声音的分散,从而增大响度C.使用“金嗓子”时,护航官兵佩戴耳罩是在人耳处减弱噪声D.“金嗓子”发出的声波是次声波10. 医院杀菌用的紫外线灯,看起来发着淡紫色的光,其原因是A.灯管在发出紫外线的同时,还发出少量的紫光和蓝光B.其实那灯不是紫外线灯,因为紫外线灯是看不见的C.该灯管发出的紫外线和太阳中的紫外线不同,前者是紫色的,后者是看不见的D.上述说法都是错误的11. 夏天小丽将冰水和热水分别注入常温下的两只透明烧杯中,如图所示,一会儿发现两只烧杯的杯壁上都有一部分出现小水珠,变得模糊了.针对这一现象,下列说法正确的是A.甲、乙两杯都在内壁出现了水珠B.甲、乙两杯都在外壁出现了水珠C.甲杯的内壁出现了水珠,乙杯的外壁出现了水珠D.甲杯的外壁出现了水珠,乙杯的内壁出现了水珠12. 制取合金常用的方法是将两种或多种金属(或非金属)加热到某一定温度,使其全部熔化,再冷却成为合金.根据表中的数据判断(其他条件均满足),下列合金不宜采用上述方法制取的是A.铁——铜合金B.钠——铝合金C.镁——铁合金D.铁——铝合金二、填空题(本题共10小题,每空1分,共28分)13. 温度一定时,声波在不同介质中的传播速度是▲ 的(选填“相同”或“不同”).图中蒙住双眼的小王能辨别周围同学的声音,这是因为不同人声音的▲ 不同,同时还可以根据声音的▲ 来大致判断周围同学离他的远近.(均选填“响度”、“音调”、“音色”)14. 点燃的蜡烛、发光的水母、太阳、月亮,其中不是光源的有▲ .太阳能热水器在阳光照射下能使水温升高,说明光具有▲ .15. 2015年5月9日我国多地出现日晕奇观,如图所示为日晕的景象.这种天象形成的重要原因是阳光通过无数小冰晶后发生了色散,其中各色光按红、橙、黄、▲ 、蓝、靛、紫的顺序依次排列,说明了太阳光是▲ (填“单色光”或“复色光”).16. “做一做”:对着手背吹气、哈气,你的感觉是吹气时手背较▲ (选填“冷”或“热”),这是因为吹气加快了手背表面空气的流动,使手背上的水分▲ 加快,且需▲ (填“吸热”或“放热”),所以出现了刚才的感觉;而哈气是因为哈出的热气温度高于手背的温度,水蒸气遇冷▲ 成小水珠,并且▲ (填“吸热”或“放热”),所以产生了不同的感觉.17. 如图为色光三原色的示意图,图中区域1应标▲ 色,区域2应标▲ 色.18. 发生地震、台风时,常伴随有▲ (超声波/次声波)的产生.频率高于▲ Hz的声音叫做超声波.19. 深秋,为避免树上的桔子在夜间气温骤降时被冻伤,果农经常在傍晚给桔子树喷水,这是利用了水在▲ 时(填物态变化名称),放出热量,使桔子不被冻伤. 此外,果农家中使用的液化气是用▲ 方法使气体液化的.20. 海洋动物质量越大,其叫声越是有力而低沉,即响度较▲ ,音调较▲ .甲、乙两曲线为科考船声纳系统收录的500kg的海豚和100t的蓝鲸叫声的波形图,其中,▲ (填“甲”或“乙”)是海豚发出的.21. 如图所示,相同的瓶子里装入了不同的水量,用棒敲击瓶子时,可发出不同的音调.那么发声体是▲ ,发出的声音音调从左至右是依次▲ (填“升高”或“降低”)的.向保温瓶注水时,听到的声音是通过▲ 传播到人耳的;随着注水增多,听到声音的音调会▲ (选填“变高”、“变低”或“不变”).22. 有一种能反映空气水蒸气含量的装置叫做干湿泡温度计,它是由两个相同的温度计并列制成的,其中一个温度计被湿布包起来了,两个温度计的读数不一样,湿泡温度计的读数较▲ (填“高”或“低”),这是由于湿布中的水在▲ 时要吸热,在一定温度下,两个温度计读数的差别越小,表示空气中的水蒸气含量越▲ (填“多”或“少”).三、解答题(本题共8小题,共48分.)23.(4分)为了探究声音产生的原因,小明和小丽一起做了几个实验:小明把手放在喉咙处,大声讲话,感觉喉头振动了;小丽把发声的音叉放在水中,可以激起水花.(1)通过对上面实验现象的分析,你能得到的结论是:▲ .(2)小华同学用手敲鼓,鼓面发出响声,但是他看到鼓面几乎没有什么变化.于是他将碎纸屑放在鼓上,通过碎纸屑的振动反映鼓面的振动,这种研究方法叫做▲ .(填“转换法”或“控制变量法”)(3)小明、小丽等同学在探究上述问题之后,又提出这样一个问题:声音是怎样从发声物体传播到远处的?针对这一问题,他们经过认真地思考,提出了两种猜想:①声音要传播出去,需要别的物质做媒介;②声音要传播出去,不需要什么物质做媒介.究竟哪一种猜想是正确的呢?小明他们进行了如图的实验:接通瓶中的手机,随着向外不断抽气,发现手机铃声越来越▲ (填“大”或“小”).由此现象可以推得猜想▲ 是正确的.24.(4分)为了探究水蒸发快慢与哪些因素有关,小明同学在3块相同的玻璃板上各滴一滴质量和面积相同的水,放在同一地方.第一块自然蒸发,如图a所示;对第二块玻璃板进行加热以提高水滴的温度,如图b所示;对第三块用风扇吹风以加快水滴上方空气流动速度,如图c 所示.三次水滴蒸发所用的时间分别为t1、t2、t3,且t1>t2、t1>t3.(1)比较图a和b可知:质量、面积和▲相同的水,▲ ,水蒸发越快.(2)比较图a和c可知:质量、面积和▲ 相同的水,▲ ,水蒸发越快.25.(5分)如图太阳光通过三棱镜后,在光屏上会形成一条彩色光带,这种现象叫光的色散.(1)在该实验中,小明在测量不同色光区域的温度时,发现温度计放在▲ (选填“A”或“B”)的外侧时温度计示数上升得较快,说明在这一区域有一种看不见的光,这种光叫▲ ,其主要特性是▲ 效应.(2)如果在暗室进行该实验,并在三棱镜与白屏之间放置一块红玻璃片,则白屏上将见到▲ 色光.若移走红玻璃片,在白屏上贴满绿纸,则屏上将呈绿色和▲ .26.(6分)温度计的使用:(1)按照温度计的使用步骤,下面的操作次序依次为▲ .a. 取适当的温度计b. 估测被测物体的温度c. 让其与被测液体接触一定的时间d. 让温度计玻璃泡全部浸入被测液体中e. 观察温度计的示数(2)上图为某同学用温度计测量温水的温度时的情景,指出他操作中的两处错误:① ▲ ;② ▲ .(3)图甲温度计的分度值为▲ ℃,那么甲的示数是▲ ℃,乙的示数是▲ ℃.27.(9 分)以下各图是我们在课堂上完成的一些实验.(1)钢锯条以如图甲所示方式紧压在桌面上,拨动伸出桌面的一端,锯条会发出声音.改变锯条伸出桌面的长度,用相同的力再次拨动,发出声音的▲ 会改变(选填“响度”或“音调”).如果钢锯条发声的频率是40Hz,则它在1min的时间里振动了▲ 次.(2)如图乙所示,用酒精灯对烧瓶加热一段时间后,瓶中水量减少,这是由于水▲ 造成的(填物态变化名称);而上方金属上出现水滴,这是由于金属盘的温度▲ ,使水蒸气发生▲ 而形成的.(3)如图丙对碘锤缓慢加热,会看到碘锤内充满▲ ,停止加热,会看到锤内壁和顶部出现▲ .依据▲ 现象,判断这种物态变化是固态和气态之间的直接变化.停止加热,温度降低,碘蒸气才能凝华,说明凝华时需要▲ 热.28.(5分)小华利用图甲所示装置对 100g冰加热,他每隔相同时间记录一次温度计的示数,并观察物质的状态.图乙是他根据记录的数据绘制的温度—时间图像,根据图像可知:(1)冰属于▲ (选填“晶体”或“非晶体”);(2)在BC阶段物质处于▲ 状态(选填“固体”、“液体”或“固液共存”);此过程中要吸热,温度▲ .(3)回忆在夏日做上述实验,装有碎冰的烧杯直接放置在空气中,不用酒精灯加热.这样做,好处是▲ (该空2分).29.(6分)微风吹过,金属管风铃发出悦耳的声音.小明想探究管子发出声音振动的频率与长度、直径的关系.他选取了材料与管壁厚度都相同、长度和直径都不同的三根直管,将它们用细线悬挂,敲击后,测出各自发出声音的频率,数据如下表:编号长度/cm 直径/cm 频率/Hz1 20 1.5 21312 30 2.0 12843 50 2.5 656(1)敲击金属管时,声音是由金属管▲ 产生的,用大小不同的力敲击金属管,则金属管发出声音的▲ 将不同.(2)三根管中音调最低的是▲ 号管.(3)根据表中数据,能否得出“管子发出声音的频率随长度、直径的增大都会减小”的结论?请说明你的理由.答:▲ (能/不能); 理由:▲ .(4)如果想得出管子发出声音振动的频率与长度、直径的关系,则需再增加一根长度和直径分别为▲ cm的金属管.30.(9分)在“探究水沸腾时温度变化的特点”实验中(1)为完成本次实验,由表中的数据表明,他们选用的温度计的测温物质应为▲ .(2)当他们将温度计刚插入热水中时,温度计的管壁模糊,很难看清示数,原因是▲ .测温物质凝固点/℃ 沸点/℃水银 -39 357酒精 -117 78(3)小明在帮助老师准备实验时,发现开水倒入烧杯后,温度很快就降到了如图甲所示.于是他先点燃了酒精灯给水加热,待同学们到来时再熄灭一会儿,他的做法是为了▲ .(4)小明用图乙所示的装置给水加热,在安装此装置时,应先固定▲ (铁圈M或铁夹N)位置;确定当温度达到90℃时开始记录数据.在看到水沸腾现象后,小明就立即熄灭酒精灯停止实验.在评估与交流环节,同学们认为小明的实验仍存在不足,并对水沸腾后小明还应进行的实验操作提出了一些建议,其中正确的是( ▲ )(该空2分)A.调大酒精灯火焰,继续加热直到水温达到100℃B.撤掉烧杯上的纸板,继续加热直到水温达到100℃C.撤去酒精灯,继续观察温度计的示数,记录数据D.继续用酒精灯加热几分钟,观察温度计的示数,记录数据(5)小明用图乙所示的装置给水加热直至水沸腾,所作“温度---时间”图象如图丙a,由图象可知,水沸腾时需要▲ ,温度▲ .(6)小强实验时去掉图乙烧杯上方的盖子,在水的质量、加热条件不变时,他所作的实验图象应该是图丙中的▲ (选填“a”、“b”或“c”).初二物理期中试卷答案一、单项选择题(本题共12小题,每题2分,共24分)1 2 3 4 5 6 7 8 9 10 11 12B C B B A D A B D A D C二、填空题(本题共10小题,每空1分,共28分)13. 不同音色响度 14. 月亮能量15. 绿复色光 16. 冷蒸发吸热液化放热17. 白蓝 18. 次声波 2000019. 凝固压缩体积 20. 大低乙21. 瓶子降低空气变高 22. 低蒸发多三、解答题(本题共8小题,共48分.)23.(4分)(1)声音是由物体振动产生的 (2)转换法 (3)小①24.(4分)(1)水面上方空气流动速度温度越高(2)温度水面上方空气流动速度越快25.(5分)(1)A 红外线热 (2)红黑26.(6分)(1) badce (2)温度计玻璃泡碰杯底了读数时眼睛斜视了(3)0.1 36.7 -327.(9分)(1)音调 2400 (2)汽化低液化(3)紫色碘蒸气固态碘整个过程没有液态碘出现放28.(5分)(1)晶体 (2)固液共存不变(3)升温慢(1分),便于记录温度(1分)29.(6分)(1)振动响度 (2)3 (3)不能长度和直径都不相同没有控制变量(4)(20,2)或(20,2.5)或(30,1.5)或(30,2.5)或(50,2)或(50,1.5)30.(9分)(1)水银 (2)热的水蒸气遇到冷温度计玻璃管液化成水珠附着在上面(3)提高水的初温 (4)M D(2分) (5)吸热不变 (6)b。
北京二中教育集团2023-2024学年度第一学期初二物理期中考试试卷考查目标知识目标:声音产生和传播条件;声音特性;声学知识应用;噪声危害和控制方法;会使用温度计测量温度;物质状态描述;物态变化过程、特点;物态变化过程中的吸热和放热现象及生活中的应用;光的直线传播特点、反射定律、折射现象及其特点;平面镜成像的特点及应用;透镜成像规律及应用;会测量物体长度。
能力目标:能够正确读数和作图;运用所学规律简单分析问题并获得结论;了解常见的科学方法;能够分析数据得出实验结论;能够表述实验过程和结果;计算能力;能够关心我国古代和现代科技成就并为此感到自豪;有环保意识。
考生须知:1.本试卷分为第I卷、第II卷和答题卡,共10页;其中第I卷4页,第I卷4页,答题卡2页。
全卷共五大题,24道小题。
2.本试卷满分70分,考试时间70分钟。
3.在第I卷、第I卷指定位置和答题卡的密封线内准确填写班级、姓名考号、座位号。
4.考试结束,将答题卡交回。
第I卷(选择题共30分)一、单项选择题(以下每题只有一个正确的选项,每小题2分,共24分)1.《春秋繁露·楚庄王第一》载有“虽有察耳,不吹六律,不能定五音”,其中记载的“五音”即中国古乐的五个基本音阶,亦称五音,相当于现代7个音阶中的do、re、mi、sol、la。
五音实际上是指声音的()A.响度B.音色C.音调D.声速2.下列数据,最接近实际情况的是()A.北京冬季的平均气温约为-40℃B.课桌的高度约是1.5mC.人体的正常体温约为36.5℃D.智能手机的厚度约是1mm3.下列措施中,为了减慢蒸发的是()A.将新鲜蔬菜装入保鲜袋B.将湿手放在干手器下吹干C.将湿衣服晾在通风的地方D.将地面上的积水向周围扫开4.如图所示的光现象中,由于光的反射形成的是()A.桥在水中形成倒影B.皮影在幕布上形成影子C.笔在水面处折断D.人透过水球所成的像5.如图所示的物态变化过程中,属于汽化的是()A.冰化成水B.水正在沸腾C.雾的形成D.雪人逐渐变小6.如图所示的是“辽宁号”航母上起飞引导员,他们在工作时都佩戴有耳罩的头盔,目的是()A.改变飞机发动机噪声在空气中的传播速度B.在人耳处减弱噪声C.降低飞机发动机噪声的频率D.避免飞机发动机噪声的产生7.如图是来自近处某点的光经晶状体到达视网膜的示意图。
初二物理期中试卷带答案解析考试范围:xxx ;考试时间:xxx 分钟;出题人:xxx 姓名:___________班级:___________考号:___________1.答题前填写好自己的姓名、班级、考号等信息 2.请将答案正确填写在答题卡上一、选择题1.如图为“测量物体运动的平均速度”的实验,图中停表的示意图分别表示小车通过斜面A 、B 、C 三点的时刻,B 点是全程AC 的中点.小车从A 点运动到C 点的过程中,以下说法正确的是()A. 以木块为参照物,小车是静止的B. 小车对斜面的压力就是小车的重力C. 小车AB 段运动所用时间与BC 段运动所用时间相等D. 小车AC 段的平均速度大于AB 段的平均速度 2.下列现象属于光的折射现象的是( )A .路灯下行走的人,出现人影相随B .清澈的游泳池底,看起来变浅了C .在碧波荡漾的湖面上,可以看到湖上游船的“倒影”D .饭店墙壁上装一面大镜子,使人有增大空间的感觉3.“海上联合──2012”中俄海上联合演习,4月22日在青岛举行.水陆两栖登陆舰在海面上匀速直线航行过程中,下列说法正确的是( )A .舰艇的运动状态是改变的B .坐在舰艇中的战士相对于舰艇是运动的C .舰艇的运动状态保持不变D .坐在舰艇中的战士相对于海岸是静止的4.为了检验人躺着和站立时身高长度是否有差异,选用下列哪种刻度尺最合适()A .量程3m ,分度值1mmB .量程10m ,分度值1dmC.量程30cm,分度值1mmD.量程15cm,分度值0.5mm5.小明同学在做“探究凸透镜成像规律”实验时,蜡烛、凸透镜、光屏的位置如图所示,点燃蜡烛后,光屏上得到了清晰的像。
由此可知,下列说法正确的是()A.得到的像是正立缩小的实像B.得到的像是倒立放大的实像C.把蜡烛向左移动,调整光屏的位置,得到的清晰像变小D.把蜡烛向右移动少许,要得到清晰的像,应向左移动光屏6.图是某种物质物态变化过程中温度随时间变化的图象,该图象反映的可能是()A.蜡的熔化过程B.蜡的凝固过程C.海波的熔化过程D.海波的凝固过程7.学习、生活中所涉及到的下列数值最接近实际情况的是()A.人体正常体温约为40℃B.八年级物理课本的长度约为26cmC.人步行的速度约为10m/sD.正常人10次脉搏的时间约为1min8.假如地球上的物体所受的重力突然消失,我们的生活将会怎样?四位同学做了下列猜想,其中可能发生的是()A.人能将水喝入肚中B.人就没有了质量C.发射“天宫二号”不需要大推力的火箭D.悬在空中的人会落下来9.如图所示,A为信号源,B为接收器,A、B间有一真空区域.当信号源A分别发射出次声波、可见光、红外线和紫外线信号时,接收器B不能接收到的信号是A.次声波 B.红外线C.可见光 D.紫外线10.下列现象中,不可能发生的是()A.水的沸点低于或高于100℃B.湿衣服放在温度低的地方比放在温度高的地方干得快C.物体吸收热量温度保持不变D.一小块-5℃的冰块放在一大盆0℃的水中吸热熔化二、填空题11.(2012衡阳)在水平地面上,用50N的水平拉力拉重力为100N的小车,使小车沿水平方向前进5m,则在此过程中,拉力所做的功等于________J,重力所做的功等于________.12.闪电后3秒听到雷声云层距离地面 m.13.通电螺线管附近小磁针静止时,N极指向如图所示,则螺线管的a端是___ 极,电源的d端是_______极。
初二物理期中试卷附答案解析考试范围:xxx ;考试时间:xxx 分钟;出题人:xxx 姓名:___________班级:___________考号:___________1.答题前填写好自己的姓名、班级、考号等信息 2.请将答案正确填写在答题卡上一、选择题1.在日常生活中,常用“高声大叫”、“低声细语” 来形容人说话的声音,这里的“高”、“低”是指声音的 ( ) A .音调 B .音色 C .响度 D .频率 2.下列实例中,为了增大摩擦的是:( ) A .单杠运动员上杠前在手上涂镁粉 B .移动重物时,在它下面垫上钢管C .向自行车的转轴处加润滑油D .在气垫船底和水之间形成一层空气垫3.下列各事物中,不属于声源的是 ( ) A .“声纳”探测敌方潜艇B .编幅在黑夜中飞行C .挂在胸前的哨子D .手臂振动4.海上发生风暴时会产生次声波,次声波在空气和海水中传播的速度比风暴移动的速度大.次声波接收处理设备就是利用这一特点提前感知,预报海上风暴,从而为渔业、航海等服务.下列说法正确的是() A .次声波不能传递信息B .次声波是由物体振动产生的C .次声波在海水中比空气中传播慢D .次声波的频率太高,人耳听不见5.如图所示是甲、乙、丙三种固体的熔化图象,由此图象可以判断( )A .丙是晶体,甲、乙是非晶体B .乙是晶体,甲、丙是非晶体C .乙是非晶体,甲的熔点比丙低D .乙是非晶体,甲的熔点比丙高6.如图,下列关于F1的力臂的作图中,正确的是( )7.如下图,一个小丑在平面镜前欣赏自己的像,他看到的像应该是( )8.F 1、F 2是物体受到的方向相反的两个力,这两个力是一对平衡力的是 ( )A .B .C .D .9.关于声现象的描述,下列说法正确的是( ) A .声音的强弱由声源振动的频率决定 B .声音在真空中传播速度是340m/s C .人耳听觉频率范围是20Hz ﹣2000HzD .深夜跳广场舞时将音量调小是在声源处减弱噪声10.人的身体密度接近于水的密度。
2024-2025学年广东省惠州市八年级上学期物理期中考试试卷1.学习物理时经常要进行估测,下面是小英同学对自己身体相关物理量的估测,明显不合理的是()A.初二男生的身高约是1.6m B.脉搏跳动约60次/minC.人步行的速度约为5m/s D.手指甲的厚度约为1.0mm2.下列关于声音的说法中不正确的是A.“震耳欲聋”主要说明声音的音调高B.“隔墙有耳”说明固体也能传声C.“闻其声而知其人”主要根据音色来判断的D.用超声波检查身体,说明声能传递信息3.关于运动和静止,下列说法正确的是()A.加油机在空中给受油机加油时,它们是相对运动的B.卡车和联合收割机收割庄稼时,它们是相对运动的C.两辆赛车在赛道上行驶时,它们是相对静止的D.“天宫一号”与“神舟八号”对接成功时,它们是相对静止的4.有关误差,下列说法中正确的是()A.误差就是测量中产生的失误B.误差在测量中是可避免的C.多次测量取平均值能减小误差D.不断地改进实验可以消除误差5.我们生活在声音的海洋中,风声、雨声、读书声、声声入耳.我们能区别出风声、雨声、读书声,是依据声音的A.音调B.响度C.音色D.频率6.有一种电子牙刷,如图所示,它能发出超声波,直达牙刷棕毛刷不到的地方,这样刷牙既干净又舒服。
关于电子牙刷,下列说法中正确的是()A.刷牙时,人听不到超声波,是因为超声波不能在空气中传播B.刷牙时,人听不到超声波,是因为超声波的音调很低C.超声波能传递能量D.超声波不是由物体的振动产生的7.诗人李白在《望天门山》中写道:“两岸青山相对出,孤帆一片日边来”。
其中“青山”与“孤帆”的运动,选择的参照物是()A.帆船、河岸B.河岸、帆船C.青山、太阳D.青山、划船的人8.如图所示,发声的喇叭使烛焰晃动,说明:①声音具有能量;②声音能传播信息:③声音能够在空气中传播;④声音是由物体振动产生的。
其中正确的说法()A.只有①③B.只有①③④C.只有②③④D.只有①④9.如图为某物体做直线运动时路程随时间变化的图象,由图象可知该物体A.在0~20s时间内的速度比在30~40s时间内的速度大B.在整个40s时间内都做匀速直线运动C.在整个40s时间内的平均速度为2m/sD.在20~30s内物体的速度为40m/s10.中华文化博大精深,很多诗句中蕴含着科学知识。
正定县2024—2025学年度第一学期期中质量检测八年级物理试卷(考试时间 70分钟,满分100分,本试卷共6页)题号一二三四总分得分一、单项选择题(每小题3分,共39分)1.下列估测值最接近实际的是A.人步行的速度约为 1.4m/ minB.初中教室里课桌的高度约为80cmC.初二女生跑800m正常需要30minD.人体感觉舒适的环境温度约为40℃2.下列说法正确的是A.刻度尺的零刻度线磨损了就不能再使用这把刻度尺了B.测量时,误差产生的主要原因是读数时视线与刻度尺歪斜所致C.一位同学测量黑板长度,四次测量结果完全一样,这说明他的测量结果没有误差D.记录的测量结果只写了数字而未标明单位是无用的、错误的3.2024年1月 17日22时27分,天舟七号货运飞船成功发射至预定轨道,首次采用快速交会对接方案,形成如图所示的“三舱+载人飞船+货运飞船”的组合体形态。
下列说法正确的是A. “货运飞船”发射至预定轨道的过程中,相对于地球是静止的B. “货运飞船”发射至预定轨道的过程中,相对于“三舱”是静止的C.以组合体形态运行时,“货运飞船”相对于“载人飞船”是运动的D.以组合体形态运行时,“货运飞船”相对于地球是运动的4.如图所示,甲、乙、丙三辆小车同时同地同方向运动,那么下列说法错误的是A.甲的速度为4m/sB.以甲车为参照物,丙车静止C.若乙、丙的路程之比为2:3,则乙和丙所用的时间之比为1:6D.若乙、丙所用的时间之比为2:3,则乙和丙的路程之比为1:6八年级物理试卷,第1页,共6页5.如图所示,记录了甲乙两辆汽车在平直公路上行驶时,相同时间内通过的路程。
根据图片信息,下列说法正确的是A.甲乙两车都在做匀速直线运动B.甲乙两车都在做变速直线运动C.10~20s内,甲乙两车平均速度相等D.0~40s内,甲乙两车平均速度相等6.下列关于声的说法中正确的是A.只要物体振动就一定能听到声音B.赫兹是响度的单位C.巴黎奥运会上,花样游泳的运动员在水下也能听到岸上传来的音乐声,说明水能传声D.因为次声波响度很低,所以人耳听不到7.下列措施中,属于在声源处控制噪声的是A.禁止燃放烟花爆竹B.用手捂住耳朵C.马路上建造隔声板D.在居民楼靠近马路的一面植树造林8.下列声现象中,主要利用声传递能量的是9.下列关于声现象的描述和分析,正确的是A.图甲:刻度尺振动得越快,发出声音的响度越大B.图乙:用相同的力从左向右敲击水瓶琴,发出声音的音调逐渐升高C.图丙:逐渐抽取玻璃罩中的空气,听到铃声逐渐变小,可以推理得出真空不能传声D.图丁:用大小不同的力敲击鼓面,纸屑跳动的幅度不同,说明音调与频率有关八年级物理试卷,第2页,共6页10.水是人类生存环境重要组成部分。
北京一零一中2006—2007学年度第一学期期中考试初二物理试卷一、单项选择题:下列小题的四个选项中,只有一个符合题意,请将该选项前的字母填在括号里。
(每小题2分,共30分。
错选、多选、不选该小题不得分)1、下列物质中,具有一定形状的是()A、氧气B、冰块C、纯净水D、天然气2、0o C的冰和0o C的水相比较,它们的冷热程度是()A、冰比水冷B、水比冰冷C、冷热程度一样D、无法比较3、在北方的冬季,常见的几种物态变化现象中,属于凝华的是()A、室外冰冻的衣服变干B、房间窗户玻璃的内表面出现冰花C、湖面结了厚厚的一层冰D、正在跑步的人,口中呼出“白气”4、在图中,表示非晶体...凝固的图像是()5、下列物态变化中属于放热的是()A、雪在阳光下化成了水B、对碘加热,生成紫色气体C、一杯水放在房间里,日久变少D、春天,早晨出现大雾6、关于误差的概念,下列说法正确的是()A、误差只能尽量减小,不能绝对避免B、认真测量可以避免误差C、采用精密仪器,改进实验方法可以避免误差D、误差就是测量中的错误7、下列物体的质量最接近2kg的是()A、一个苹果B、一只公鸡C、一本物理书D、一张课桌8、一瓶纯净水喝掉一半后,剩下的半瓶水与原来的一瓶水比较()A、质量减小,密度不变B、质量不变,密度不变C、体积减小,密度减小D、体积不变,密度减小9、使用托盘天平时,下列做法中正确的是()A、用手拿取砝码B、把食盐倒在左盘里C、用量程为200g的天平称量质量为205g的物体D、用镊子轻轻拨动游码10、工业上把石油炼成汽油、煤油等,采用的是把石油逐渐升温的方法来炼取的,它的主要依据是汽油、煤油的()A、熔点不同B、沸点不同C、凝固点不同D、密度不同11、用一个卷尺来测量某学生立定跳远的成绩,正确的记录为2.736米,则这个卷尺的最小刻度值是()A、1厘米B、1米C、1毫米D、1分米12、冰的密度为0.9克/厘米3,一块1米3的冰熔化成水后,下列结论正确的是()A、质量不变,密度变大,体积是1米3B、质量变小,密度不变,体积是0.9米3C、质量变小,密度不变,体积是1米3D、质量不变,密度变大,体积是0.9米313、一间普通教室长10米,宽6米,高3米,教室内空气的质量大约是(空气密度约为1.29kg/m3)()A、2.3kgB、23kgC、230kgD、2300kg14、甲、乙两个物体质量之比为3∶2,体积之比为1∶3,那么它们的密度之比为()A、1∶2B、2∶1C、2∶9D、9∶215、用等质量的铜、铁、铝,分别制成体积相等的空心球(ρ铜> ρ铁>ρ铝),则空心部分最大的是()A、铜球B、铁球C、铝球D、一样大二、多项选择题:下列各题的四个选项中,符合题义的选项均多于一个,请将正确选项的代号填在括号里。
(每题3分,共6分。
错选、多选、不选,该题不得分。
选对但不全得2分。
)16、下列措施中,能使蒸发变慢的是()A、给盛有水的杯子加盖B、把新鲜的蔬菜装入塑料袋中C、把湿衣服放在通风的地方D、把蔬菜用保鲜膜包好后放入冰箱17、小妍同学在研究物体密度时,对四种固体的密度与体积的关系做出的图象,如图所示,根据图象可知下列说法中正确的是()A、ρ1>ρ2>ρ3>ρ4B、ρ4>ρ3>ρ2>ρ1C、体积相同时固体4的质量最大D、体积相同时固体1的质量最大三、填空题(每空1分,共16分)18、人们在日常生活中使用的温度计,是根据液体____ 的规律来测量温度的。
19、冬天,戴眼镜的人从外面进入暖和的房间里,镜片上出现小水珠,这是房间里空气中的遇冷而成的。
20、水跟我们的生活息息相关。
通常情况下,水在结冰时温度为℃;水在沸腾时温度将_ (选填:升高、降低或不变);水汽化时需要热量(选填:吸收或放出)。
21、水的密度为kg/m3,物理意义是22、课桌的高度大约是780____,一元硬币的质量最接近6 ,地球的半径是6.4×106米,合千米。
23、同一物体长度的五次测量结果记录是:17.82cm、17.83cm、17.81cm、17.28cm、17.81cm,这五次测量记录中肯定错误的是,该物体的长度为cm。
24、人体的密度与水的密度差不多,一个正常成年人的质量约为60kg,其体积约为m3。
25、如图所示,盒装纯牛奶的体积为________m3,若该牛奶的密度是1.2×103kg/m3,则牛奶的质量为_________kg。
四、简答题:(每题4分,共12分)26、有一副热学对联,上联是“杯中冰水,水结冰冰温未降”;下联是“盘内水冰,冰化水水温不升”。
对联中包含哪些物态变化?它们反映的一个共性是什么?27、夏天,小亮从冰箱室中取出一支冰糕,发现包装纸上附有一些小冰晶;随后又发现它在冒“白气”,请解释“小冰晶”和“白气”是如何形成的?28、小明同学说:“煮鸡蛋时让水多沸腾一些时间,可以提高水的温度。
”这种说法对吗?为什么?五、实验题:(29至35题每空1分,36题4分,共22分)29、图中木块长度测量结果:甲为厘米,乙为厘米甲乙30、如图是使用体温计测某人的体温,读数是℃31、放在水平桌面上的托盘天平,将游码放在标尺的零刻线处后,发现天平的指针静止在图所示位置,要使天平平衡,应将平衡螺母向(选填“左”或“右”)旋动。
32、如图所示,为锡熔化和凝固的图象,根据图象可知:(1)锡的熔点是_________℃。
(2)锡熔化过程经过_______________分钟,在3—6分钟的时间内锡所处的状态为_________________,9—12分钟内锡处于_________过程,锡在3—6分钟内与9—11分钟内的不同点在于__________。
(3)处于232℃的锡的状态是______________________33、用天平和量筒测定矿石的密度,把矿石放在调节好的托盘天平的左盘中,当天平平衡时,右盘中的砝码以及游码在标尺上的位置如图甲所示。
矿石的质量是________g;矿石放入量筒前、后,量筒中水面位置如图乙所示。
矿石的体积是________ cm3,密度是________g/cm3。
34、保留水分是蔬菜和水果保鲜的一个方面,为了研究影响蔬菜和水果水分散失快慢的因素,有A、B、C三组同学各自做了实验。
图中为实验的部分情景示意图(实验材料是均匀削开的胡萝卜。
A组的两条胡萝卜,分别在阳光下和阴影中)。
观察下图,回答下列问题:(1)这三组实验中,A组是研究蒸发快慢与的关系,实验中保持和不.变.。
(2)这三组实验中,不正确的研究方法是,原因是。
35、小明同学用一个天平和一个瓶子测出了花生油的密度,主要操作过程如下:(1)瓶内装满水,测出瓶与水的总质量m1(2)倒出水装满油,测出瓶与油的总质量m2(3)测得空瓶子质量m3他正确的操作过程顺序应该是_____________________若除上述器材,再提供一个相同的空瓶子,且只有半瓶左右的花生油,该怎样测它的密度?写出实验步骤和密度的表达式。
六、计算题:(共14分)36、一件标称纯金的工艺品,其质量100g ,体积为6cm 3,请你通过计算判断它是否由纯金制成的?(33kg/m 103.19⨯=金ρ)37、一瓷碗装满500g 水后,总质量为700g ,若碗内水的体积是瓷碗体积的5倍,则瓷碗的密度为多少?38、一水桶内结满了冰,且冰面正好与桶口相平,此时,桶与冰的总质量是22千克,当冰全部熔化成水后,需再向桶中倒入2升水,水面才正好与桶口相平。
试求桶的容积及桶的质量。
(ρ冰=0.9×103kg /m 3)【试题答案】二、多项选择题:(每题3分,共6分。
错选、多选、不选,该题不得分。
选对但不全得2三、填空题(每空1分,共16分) 18、热胀冷缩19、水蒸气 液化 20、0 不变 吸收 21、1.0 ×103 1m 3 水的质量为1.0×103kg 22、mm g 6.4×103 23、17.28cm 17.82 24、6.0 ×10-2 25、2.5 ×10-4 0.3 四、简答题:(每题4分,共12分) 26、凝固、熔化熔化和凝固过程中温度保持不变27、冰晶:空气中的水蒸气遇冷凝华成小冰晶 白气:空气中的水蒸气遇冷液化成小冰晶 28、不对 水沸腾后吸热但温度保持不变 五、实验题:(29至35题每空1分,36题4分,共22分 ) 29、2.6 2.12 30、37.3 31、左 32、(1)232(2)3 固液共存 凝固 熔化吸热,凝固放热 (3)固态、液态、固液共存态 33、53.4 20 2.67 34、(1)液体温度 液体表面积 液面上方空气流动快慢 (2)B 没有控制变量 35、(3)、(1)、(2) 实验步骤:(1)用天平测出空瓶的质量m 1(2)将两瓶内装高度相等(或体积相等)的水和油(3)用天平分别测出瓶和水的总质量m 2,瓶和油的总质量m 3 表达式:水油ρρ1213m m m m --=六、计算题(共14分) 36、解:3367.166100V cm cm gm ===物物物ρ该工艺品不是纯金的金物∴≠ρρ答:该工艺品不是纯金的 37、解:3333515133/2100200100500V 500/1500200500700cm g cm g V m cmcm V cm m g g mV V m g g g m m m ===∴=⨯=====∴==-=-=碗碗碗水碗水水水水总碗ρρρ答:碗的密度为3/2cm g38、解:设桶的容积为V 桶,桶的质量为m 桶水桶冰水冰水水水ρρ=ρ=ρ=∴=ρV V m m Vm桶水桶冰桶水又V 2L V V 2L V =+ρρ∴=+22kg 20LV V 2L 100.1V 109.033=+==+⨯⨯冰桶桶桶桶由题意可知:解得即m m 桶冰冰冰冰V V ρ=ρ=m 22kg V =ρ+∴桶冰桶m22kg 20/k 109.033=⨯⨯+L m g m 桶即g m 4k =桶解得:答:桶的质量为4kg ,桶的容积为20L 。
谢谢大家。