材料构配件进场检验记录表填写范例
- 格式:docx
- 大小:9.18 KB
- 文档页数:1
材料、构配件进场检验记录
工程名称办公商务楼室外幕墙室内装饰工程编号
检验日期2014年月日
序号名称
规格
型号
进场
数量
生产厂家外观检验项目试件编号
备注
质量证明书编号检验结果复验结果
1 幕墙玻
璃
6.0mm
钢化玻
璃
河南宏达玻璃厂
CSGC-20081254 合格/
2 铝合金
百叶
100套
/ 合格/
/
3
4
检查意见(施工单位):合格
附件:
验收意见(监理/建设单位):
□同意□重新检验□退场验收日期:
签字栏
施工单位河南省吉锐节能建材有限公司
专职质检员检验员监理或建设单位河南聚龙置业有限公司专业工程师。
材料、构配件进场检验记录
GG-017-001
(了解后可自行删除,为方便后期资料装订,已设置格式为左宽右窄) ***监制
说 明
1.材料、构配件进场后,应由建设、监理单位会同施工单位、供应商对进场材料、构配件进行检查验收,填写《材料、构配件进场检验记录》。
主要检验内容包括:
(1)材料、构配件出厂质量证明文件及检测报告是否齐全;
(2)实际进场材料和构配件数量、规格型号等是否满足设计和施工计划要求;
(3)材料、构配件外观质量是否满足设计要求或规范规定;
(4)按规定须抽检的材料、构配件是否及时抽检等。
2.按规定应进场复试的工程材料、构配件,必须在进场检查验收合格后取样复试。
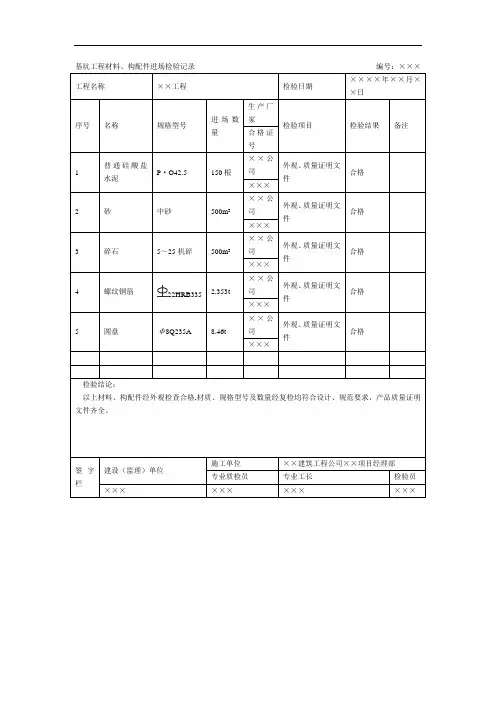
基坑工程材料、构配件进场检验记录编号:×××工程名称××工程检验日期××××年××月××日序号名称规格型号进场数量生产厂家检验项目检验结果备注合格证号1 普通硅酸盐水泥P·O42.5 150根××公司外观、质量证明文件合格×××2 砂中砂500m3××公司外观、质量证明文件合格×××3 碎石5~25机碎500m3××公司外观、质量证明文件合格×××4 螺纹钢筋22HRB335 2.353t ××公司外观、质量证明文件合格×××5 圆盘φ8Q235A 8.46t ××公司外观、质量证明文件合格×××检验结论:以上材料、构配件经外观检查合格,材质、规格型号及数量经复检均符合设计、规范要求,产品质量证明文件齐全。
签字栏建设(监理)单位施工单位××建筑工程公司××项目经理部专业质检员专业工长检验员××××××××××××。
材料、构配件进场检验记录表(01#地块)材料、构配件进场检验记录表(01#地块)材料、构配件进场检验记录表(02#地块)材料、构配件进场检验记录表(03#地块)材料、构配件进场检验记录表(01#地块)材料、构配件进场检验记录表(02#地块)材料、构配件进场检验记录表(03#地块)材料、构配件进场检验记录表(01#地块)材料、构配件进场检验记录表(02#地块)材料、构配件进场检验记录表(03#地块)材料、构配件进场检验记录表(01#地块)材料、构配件进场检验记录表(02#地块)材料、构配件进场检验记录表(03#地块)材料、构配件进场检验记录表(01#地块)材料、构配件进场检验记录表(02#地块)材料、构配件进场检验记录表(03#地块)材料、构配件进场检验记录表(03#地块)材料、构配件进场检验记录表(02#地块)材料、构配件进场检验记录表(01#地块)材料、构配件进场检验记录表(01#地块)材料、构配件进场检验记录表(02#地块)材料、构配件进场检验记录表(03#地块)材料、构配件进场检验记录表(01#地块)材料、构配件进场检验记录表(02#地块)材料、构配件进场检验记录表(03#地块)材料、构配件进场检验记录表(02#地块)材料、构配件进场检验记录表(01#地块)材料、构配件进场检验记录表(02#地块)材料、构配件进场检验记录表(03#地块)材料、构配件进场检验记录表(01#地块)材料、构配件进场检验记录表(02#地块)材料、构配件进场检验记录表(03#地块)材料、构配件进场检验记录表(01#地块)材料、构配件进场检验记录表(02#地块)材料、构配件进场检验记录表(03#地块)材料、构配件进场检验记录表(01#地块)材料、构配件进场检验记录表(02#地块)材料、构配件进场检验记录表(03#地块)材料、构配件进场检验记录表(02#地块)。