路基土石方工程施工安全技术要求标准范本
- 格式:docx
- 大小:46.72 KB
- 文档页数:3
土方工程安全技术操作规程范本一、前言土方工程是指在建设项目中进行土壤或岩石的开挖、填筑、平整等作业。
由于土方工程作业涉及到大量的土方移动和机械设备操作,存在一定的安全风险。
为了确保土方工程作业的安全进行,制定本《土方工程安全技术操作规程》。
二、工作准备1. 指定专人负责土方工程安全管理,在施工前组织召开安全教育会议。
2. 制定土方工程安全作业方案,明确施工方法和流程,包括作业范围、作业时间、设备选择和防护措施等。
3. 配置必要的安全防护设施,包括施工现场警示标志、防护栏杆等。
三、基本要求1. 所有参与土方工程作业的人员必须经过专门的安全培训,具备必要的岗位操作技能和安全意识。
2. 作业现场必须设立专门的施工指挥部,并设置专门的安全监督岗位。
3. 严禁无证人员进入施工现场,必须佩戴好工作证件,并按规定穿戴个人防护装备。
四、施工准备1. 在施工现场进行必要的地质勘探,了解地质情况,并编制相应的施工方案。
2. 配备适用的土方机械设备,确保设备良好运行和安全使用。
3. 检查施工现场的安全状况,确保无危险隐患。
五、作业安全措施1. 在进行土方作业之前,必须对土质进行良好的控制,确保土质的稳定性,防止土体坍塌引起事故。
2. 操作人员必须熟悉土方机械设备的操作规程,并遵循设备的使用说明书进行操作。
3. 作业现场必须设置合理的施工标志和信号灯,以确保施工现场的安全通畅。
4. 作业现场必须设置合理的交通组织措施,确保机动车辆和行人的安全通行。
5. 作业现场必须进行定期的安全检查,发现问题及时整改,确保施工现场的安全。
六、事故应急预案1. 制定土方工程事故应急救援预案,明确各级责任和救援措施。
2. 作业现场应配备必要的急救设备,熟悉急救知识和技能的人员,并及时组织急救演练。
3. 发生事故时,要及时报警并启动应急预案。
七、安全验收1. 完成土方工程后,必须对施工现场进行安全验收,确保施工现场的安全。
2. 安全验收合格后,方可启用土方工程。
路基土方开挖安全技术交底一、安全生产专业1.进入现场必须戴好安全帽,正确使用个人劳动防护用品。
2.高处作业时,不允许向下或向上投掷材料、工具和其他物体。
3. 各种机电设备必须有可靠有效的安全接地和防雷装置,方能开动使用。
4.不懂电气和机械的人员,严禁使用和操作机电设备。
二、进入施工现场须知1.进入现场时必须正确佩戴安全帽,扣好帽带。
2.进入现场时穿戴整齐,不得赤膊裸背,不得穿背心、短袖上衣、短裤、拖鞋。
3.场内车辆司机、爆破员、安全员和其他特殊工种及安全管理人员必须携带相应证件的复印件。
4.路堑开挖前应先检查坡顶、坡面,并对危石、应妥善处理裂缝或其他不稳定性。
5.施工中做好防排水工程成品的保护。
雨季应加大防排水工程的检查频次,发现隐患及时整改。
6.暴雨,大风等气候条件下,提前对现场机械采取防护措施。
7.现场车辆运行速度不得超过5km/小时。
施工车辆不得载人行驶。
三、路基土方开挖的主要风险因素1、从高处坠落人工边坡施工(清石、坡面防护施工)造成高空坠落。
2、物体打击爆破作业中落石引起的物体打击;人工边坡施工(清石、坡面防护施工)时落石造成的物体打击。
3、崩溃基脚开挖导致路肩开裂,发生崩溃、垮方、滑坡事故;路堑坍陷发生翻车,行人坠落等。
4、触电线路铺设不规范,不按要求设置一机一漏;电线磨损破损、老化,绝缘不好;电器设备、材料使用不规范;手持电动工具无绝缘;设备未按要求接地或接零保护;进行作业电工无证作业,作业安全用电意识不强等。
5、爆炸违反爆破安全操作规程、超装药量施爆、未按规定防护、保护和警戒、不合格产品、未按规范储存、运输、加工和使用火工品,无证上岗、违章操作、明火。
6、机械损伤机械施工时造成机械损伤。
7、火施工中由易燃易爆物所引发的火,及周边环境等其它因素所造成的火。
8、洪水、泥石流等自然地质灾害路基土方开挖过程中台风、暴雨等自然天气条件引起的高边坡局部洪水、泥石流等自然地质灾害。
四、基本规定(一)、土方开挖安全操作规程:1、开挖前,应完成路堑顶部的截水沟和排水沟。
路基施工安全规定模版一、施工人员管理1. 施工人员必须具备相应的资质和技能,并按照规定佩戴相关的安全防护装备;2. 施工人员应通过相关培训,具备必要的安全意识和应急处置能力;3. 施工人员在作业前应进行必要的检查,确保施工设备的正常运行;4. 施工人员在作业现场必须保持警觉,及时发现并报告安全隐患。
二、现场设施管理1. 施工现场应设置明显的安全警示标志,确保施工区域的辨识度和安全性;2. 施工现场应保持整洁,有序,道路清扫,避免杂物和障碍物的存在;3. 施工现场应设置安全通道和紧急疏散通道,确保人员和物资的安全流动;4. 施工现场应设置应急设备和灭火器材,以应对可能发生的火灾或其他事故。
三、建筑设备管理1. 施工现场的设备必须符合相关的安全监管要求,经过合格检测并保持正常运行;2. 施工设备的操作人员必须熟悉设备的使用规程,严禁未经培训或未经授权的人员操作;3. 施工设备应定期检查和维护,确保设备的安全性和可靠性;4. 施工现场应设置设备操作区域,对于非操作人员禁止进入,并保持安全距离。
四、交通安全管理1. 施工现场的交通路线应按照规定进行划分,并设置明显的提示标志,指示施工人员和车辆的行进方向;2. 施工现场应设置安全警示带和道路隔离设施,确保施工区域的安全性和通行畅通;3. 施工车辆必须符合相关的交通规定和标准,严禁超速行驶和违反交通信号;4. 施工人员和车辆进入施工现场前应接受必要的安全培训,了解施工现场的交通安全规定。
五、爆破作业安全管理1. 爆破作业必须由具备相关资质和经验的人员进行,严禁未经批准的个人或机构进行爆破活动;2. 爆破作业前应制定详细的作业方案,并采取必要的安全措施;3. 爆破作业现场应设立安全警戒区域,并限制非作业人员进入;4. 爆破后应进行及时清理和检查,确保现场安全,防止可能的次生灾害。
六、应急处置和事故调查1. 施工现场应制定应急处置预案,并组织人员进行模拟演练;2. 发生事故后,应迅速组织有关人员进行救援和处置,同时及时报告主管部门;3. 对施工事故进行认真调查和分析,总结教训,提出改进措施,并及时更正存在的安全隐患。
土方工程安全作业规定范本一、总则1. 为确保土方工程施工过程中的安全,保障工人的生命财产安全,制定本规定。
2. 本规定适用于所有土方工程项目,施工单位及所有施工人员必须严格遵守。
3. 施工单位应对工人进行安全教育和培训,提高工人的安全意识和技能。
4. 施工单位应建立健全安全管理制度和机构,形成安全管理体系。
二、施工前准备1. 施工前必须进行土方工程的详细调查和勘测,确保施工区域的地质情况和土方工程的设计参数。
2. 施工前应制定详细的施工方案,并向相关部门提出工程施工许可申请。
3. 施工前应对土方机械设备进行检查和维护,确保其安全可靠。
4. 施工前应耐心教育工人,告知工人相关安全注意事项和操作规范。
三、施工作业1. 施工过程中,工人必须按照施工方案和操作规范进行作业,严禁擅自修改或更改。
2. 在进行土方开挖作业前,必须对周围环境进行检查,确保安全。
3. 施工过程中要保持良好的工地秩序,严禁乱堆乱放杂物。
4. 施工地点要设置合理的交通指示标志及安全警示标志,确保施工地点的安全通行。
5. 施工现场应设立专门的监测点,监测土方工程的变形和下沉情况。
6. 施工中,工人必须穿戴符合安全要求的防护装备,并正确使用工具。
四、施工安全管理1. 施工单位应设立专职安全员,负责施工现场的安全管理和监督。
2. 施工现场应定期组织安全培训,提高工人的安全意识和紧急处理能力。
3. 施工现场要保持清洁整齐,定期进行安全巡查和检查。
4. 施工单位要落实安全责任制度,做好安全奖惩制度的执行。
五、事故应急处理1. 如果发生事故,应立即采取紧急救援措施,并及时报告相关部门。
2. 施工单位要成立事故调查小组,彻底调查事故原因,制定相应的整改措施。
3. 事故调查后,要及时总结经验教训,加强管理和安全工作。
4. 施工单位要做好事故的统计和报告工作,为相似工程的安全提供参考。
六、附则1. 本规定自颁布之日起执行,有效期为一年,届满后需要根据实际情况进行修订。
土方工程安全总体要求范文土方工程是指在土壤、岩石或其他自然地质物体上进行的挖掘、填筑、平整等工程。
土方工程安全是指在土方工程施工过程中保障工人人身安全、设备设施安全以及周边环境安全的一套综合性要求。
本文将从工程组织管理、人员安全教育培训、施工设备安全防护以及环境保护等方面,对土方工程安全总体要求进行详细阐述。
一、工程组织管理方面的要求1. 施工组织设计:施工方应组织专业人员进行土方工程的施工组织设计。
施工组织设计应明确施工顺序、方法和施工工艺,并考虑周边环境及其他工程的安全要求。
2. 施工方案编制:施工方应根据施工组织设计编制详细的施工方案。
施工方案要包括土方工程的施工步骤、施工方法、用人用机、设备材料等方面的内容,并明确施工过程中的各项安全措施。
3. 施工人员配备:施工方应严格按照工程规模和施工任务配备足够数量和合格的施工人员,施工人员应按照工程要求持有相关证件并接受相应的安全培训。
4. 施工现场管理:施工方应设立施工现场,并设置明显的安全警示标志。
施工现场应保持通畅,杜绝杂物堆放和设备乱摆。
同时,施工方应制定并执行现场管理制度,对施工人员的行为进行监督和管理。
二、人员安全教育培训方面的要求1. 安全教育培训内容:施工方应对参与土方工程施工的人员进行安全教育培训。
培训内容包括但不限于土方工程安全操作规程、作业风险及应急处理、人员防护装备使用等。
2. 安全教育培训周期:施工方应根据参与施工人员的不同情况,确定安全教育培训的周期。
新进人员应在进场前进行安全教育培训,同时施工方应定期进行安全教育培训的更新和补充。
3. 安全教育培训记录:施工方应建立完善的培训档案,对参与施工的人员进行培训记录。
培训记录应包括培训人员、培训时间、培训内容和培训效果等信息。
三、施工设备安全防护方面的要求1. 设备选择与检查:施工方应选择符合国家标准和相关安全要求的设备,并定期对设备进行检查和维护。
设备使用前应进行试运行和安全检查,确保设备的正常运转和安全性能。
一、交底对象施工单位:__________项目名称:__________分部工程名称:路基工程分项工程/工种名称:土石方班组二、交底日期____年____月____日三、交底内容一、施工前的准备工作1. 施工人员安全教育:所有施工人员必须参加三级安全教育培训,培训合格后方可上岗。
培训内容包括安全生产法规、施工安全操作规程、事故案例分析等。
2. 施工现场布置:施工现场应设置明显的安全警示标志,并配备必要的安全防护设施。
3. 施工方案及安全技术措施:施工前应编制详细的施工方案,包括施工工艺、施工顺序、施工方法、安全措施等。
二、路基土石方施工安全技术措施1. 土方开挖:(1)严格按照设计图纸进行开挖,确保开挖深度、宽度、边坡坡度等符合要求。
(2)开挖过程中,应保持边坡稳定,防止坍塌。
当发现边坡不稳定时,应立即采取措施进行处理。
(3)挖掘机、装载机等施工机械操作人员应遵守操作规程,确保施工安全。
2. 土石方运输:(1)运输车辆应按照规定路线行驶,保持速度均匀,不得超速、超载。
(2)运输过程中,应注意车辆之间的安全距离,避免发生碰撞。
(3)土石方运输车辆应使用封闭式车辆,防止遗洒。
3. 土方填筑:(1)填筑材料应符合设计要求,保证填筑质量。
(2)填筑过程中,应分层填筑,每层厚度应均匀,压实度达到设计要求。
(3)填筑过程中,应注意排水,防止路基积水。
三、施工过程中的安全注意事项1. 施工人员应遵守施工现场安全规章制度,穿戴好劳动保护用品。
2. 施工现场应设置专人负责指挥交通,确保施工车辆及行人安全。
3. 施工过程中,如发现异常情况,应立即停止施工,并向上级报告。
4. 施工现场应定期进行安全检查,及时发现并消除安全隐患。
四、应急处置措施1. 遇到突发情况,应立即启动应急预案,采取有效措施进行处置。
2. 确保施工人员生命安全,及时疏散现场人员。
3. 及时联系相关部门,协助处理事故。
五、总结路基土石方施工是一项高风险作业,施工过程中必须高度重视安全工作。
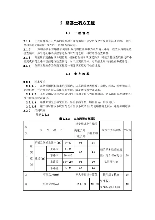
2路基土石方工程2.1 一般情况2.1.1 土方路基和石方路基的实测项目技术指标的规定值或允许编差按高速公路、一级公路和其他公路(指二级及以下公路)两档设定。
2.1.2 土方路基和石方路基实测项目规定的检查频率为双车道公路每一检查段内的最低检查频率,多车道公路必须按车道数与双车道之比,相应增加检查数量。
2.1.3 路基压实度指标须分层检测,确保符合附录B规定要求。
路基其他检查项目均在路基完成后对上路床顶面进行检查测定。
对于压实度指标,可只按上路床的检查数据计分。
2.1.4 路肩工程应作为路面工程的一项分项工程时行检查评定。
2.2 土方路基2.2.1基本要求2.2.1.1在路基用地和取土坑范围内,认真清除地表植被、杂物、积水、淤泥和表土,处理坑塘,并对基底进行认真压实和处理,满足规范和设计要求。
2.2.1.2 不得采用设计或规范规定的不适用土料作为路基填料。
路基填料强度(CBR)应符合规范和设计规定。
2.2.1.3路基必须分层填筑压实,每层表面平整,路拱合适,排水良好。
2.2.1.4施工临时排水系统应与设计排水系统结合,勿使路基附近积水,避免冲刷过坡。
2.2.2实测项目见表2.2.2表2.2.2 土方路基实测项目注:①压实度检查深度从路床顶面算起。
桥台、涵洞、锥坡、挡土墙等背后填土及其他关键部位应增加压实度的检查频率。
②采用核子仪检验压实度时应进行标定试验,确认其可靠性。
③表列压实度以重型击实试验法为准,评定路段内的压实度下置信界限不得小地规定标准,单个测定值不得小于极值(表列规定值减5个百分点)。
小于表列规定值2~5个百分点的测点,按其数量占总检查点的百分率计算扣分值。
④特殊干旱、特殊潮湿地区或过湿土,以及铺筑中、低级路面的三、四级公路路基,可按交通部颁发的路基设计、施工规范所规定的压实度标准进行评定。
2.2.3 外观鉴定2.2.3.1路基表面平整,边线直顺。
不符合要求时,单向累计长度每50m减1~2分。
路基施工一般安全规定范文路基施工是道路工程建设的重要环节之一,也是与行车安全直接相关的工作。
为了确保施工过程中的安全,保障工人和交通参与者的生命财产安全,制定路基施工一般安全规定是必要的。
下面将介绍一些常见的路基施工安全规定。
1. 工地出入口管理施工现场的出入口应设立明显的标识,并设立专人负责管理。
凡非施工人员不得擅自进入工地,进入工地的人员应佩戴好安全帽,并严禁携带易燃、易爆、腐蚀性物品进入施工现场。
2. 安全防护用具的使用施工现场应配备必要的安全防护用具,并确保施工人员正确佩戴和使用。
包括安全帽、防护眼镜、耳塞或耳罩、防护手套、防护鞋等。
同时,应定期对这些防护用具进行检查和维护,如发现破损或失效应及时更换。
3. 机械设备的操作和维护机械设备的操作人员必须持有效证件,并经过专业的培训和考核。
在使用机械设备前,应仔细检查设备的工作状态,确保所有的安全装置齐全有效,并保持机械设备的清洁和良好的运行状况。
在操作过程中,要注意机械设备周围的人员和其他设备的安全。
4. 施工现场的标识和警示在施工现场的危险区域,应明确标识并设置警示标志和警示灯,提醒施工人员和交通参与者注意安全。
例如,在挖掘路基的区域应设置明显的禁止施工标志,同时划定安全警戒线,并设置警示灯进行明示。
5. 暂时交通组织措施在施工过程中,应根据实际需要制定暂时交通组织措施。
例如,设置交通标志、交通标线等,以提醒交通参与者遵守交通规则,保持车辆和行人的安全通行。
同时,施工现场周边应设置合理的警示标志和警示灯,避免驾驶员盲目驾驶,降低交通事故的概率。
6. 施工过程的看守和检查施工现场应设立专人负责看守和检查,确保施工过程中的安全。
其中,看守员应熟悉施工现场的工作内容和施工计划,并及时发现和排除施工过程中的安全隐患。
检查员应定期进行安全检查,对不符合安全规定的情况及时予以纠正并做好记录。
7. 紧急情况应急措施施工现场应配备必要的急救设施和急救药品,并设立专人负责紧急情况的处理。
路基施工安全规定1翻挖路面应注意来往行人、商店橱窗,避免石块弹伤行人或橱窗玻璃。
2使用撬棒时,撬棒另一头应套橡皮管,防止击伤头部、肩部。
严禁用脚踩方法撬挖,防止跌伤。
撬棒不用时应放平摆稳,防止倾倒伤人。
3榔头木柄安装必须牢固,凿子应经常检查,凿子顶面出现毛边应及时更换。
4敲榔头与挾钳者不得面对面作业,应成垂直角度,严禁一手单敲或左右乱挥,严禁使用三把榔头一把凿子的作业方法。
5搬运旧沥青块时应注意裂缝,大块沥青应敲小后再搬,防止断裂落下砸伤脚。
铁钎入土深度不得超过0.3m,防止碰坏地下管线。
6空压机、榔头机应有专人管理,经常检查,不得带病使用。
空压机枪头螺丝应拧紧,防止皮管脱落伤人。
榔头机应摆放平稳,不得将其它工具搁放在榔头机上,以防震动落下,弹起伤人。
7高压泵与千斤顶联动工作时,必须经常观察压力表指针读数,严禁压力超过允许限值。
8各种机具仪器必须由具有操作资格的人员操作。
9顶伸和退镐的油门应严格区分,以免发生事故。
10钢板桩、铁撑柱、撑板等设备保持完好,每天操作前检查铁撑柱是否松动。
11卸管子、工具、升降土斗时必须垂直,转向要控制慢速,坑内操作人员不许在吊钩下站立。
卸下物件,在离地0.5m以下时才许操作人员扶物就位。
起吊物件要有专人指挥。
12操作人员必须了解内燃打夯机的性能、原理及操作方法,并经常进行检修保养。
13操作人员不得离开机器,防止他人误操作,离开时应关闭油门、电源。
14操作时不得将头和胸部应远离内燃夯机的上方,操作姿势正确。
15不得在斜坡、坚硬场地、软硬不匀或高低不平的场地进行夯实,以防内燃夯侧倒翻,造成事故。
16操作人员精神应集中,扶推机柄,两人操作要互相配合好,要注意行夯路线,前后照应。
路基施工安全规定(2)路基施工是道路建设中的重要环节,也是施工过程中最基础的工程之一。
为了确保路基施工的安全性,保护施工人员的生命财产安全,我国制定了一系列的路基施工安全规定。
下面,我将详细介绍这些规定,总计____字。
土方工程安全要求模版1. 引言- 土方工程是指通过挖掘、填筑和平整地表,改变地形地貌的工程活动。
土方工程的安全意识和安全要求是确保施工过程中人员和财产安全的重要环节。
2. 工程前期准备安全要求- 在土方工程施工前,必须进行充分的前期准备工作。
以下是土方工程前期准备工作的安全要求:a. 确定土方工程的施工范围和施工方法,并绘制详细的施工方案和施工图纸。
b. 评估土方工程可能存在的安全风险,并制定相应的控制措施。
c. 确定土方工程施工现场的安全警示标志和提示标志,并进行明确标示。
d. 保证施工现场的通风良好,提供充足的安全防护设备。
3. 土方开挖安全要求- 在土方开挖过程中,存在一定的风险,因此需要遵守以下安全要求:a. 根据土方工程的施工方案确定开挖的起点和终点,并采取适当的开挖顺序。
b. 确保挖掘机等土方机械设备操作人员持有相关证书,并严格按照操作规程进行操作。
c. 在开挖边坡和挖坑时,应采取相应的防坍措施,确保边坡和挖坑的稳定和安全。
d. 确保开挖现场周围道路的交通疏导,防止行人和车辆误入施工区域。
4. 土方填筑安全要求- 土方填筑是将挖掘的土方材料填回原挖方或其他指定位置的工程过程,需要注意以下安全要求:a. 确保填筑土方材料的质量和稳定性,避免使用有害或不合格的土方材料。
b. 在填筑过程中,必须严格控制填筑层的厚度和均匀性,确保填筑层的稳定性。
c. 使用振动机械设备进行土方压实时,操作人员必须经过专门培训,并遵循操作规程。
d. 确保填筑现场周围的交通和施工区域的安全,防止人员和设备受到困扰或伤害。
5. 土方平整安全要求- 土方平整是土方工程的最后一道工序,需要注意以下安全要求:a. 在进行土方平整工作前,必须清理施工现场,清除杂物和危险物品。
b. 确保土方平整机械设备的安全使用和操作,对设备进行定期检查和维护。
c. 在土方平整过程中,应注意避免对周围环境和设施造成损害或污染。
d. 当土方平整时,应指定专人负责监督和指挥,确保施工过程的安全和有序进行。
土石方工程安全要求规程引言土石方工程在现代化建设中占据着重要的地位,而其中的安全问题也是不容忽视的。
为了确保土石方工程的安全建设,制定本规程。
一、安全管理制度1.项目部门要组织专人负责安全管理,强化安全管理责任制,及时发布安全管理制度,积极动员全员参与和推进安全工作,确保工作的全面性、系统性和有效性。
2.施工现场的安全管理必须严格按照法律、法规和规范要求执行,确保施工现场的人身安全和设备稳定运行。
3.施工现场的安全管理人员应具备相关专业知识,持有相应的证书或执照,且必须通过专业培训和考试合格。
二、现场管理1.工程区域应该划分成统一的管理区域。
工程区域的出入口必须存在安全标志、控制措施、防护对策和管理制度。
2.设计和施工必须按照设计文件,根据不同地质条件、斜坡稳定性、土石方平衡等原则,进行土石方开挖和边坡护理等工作。
3.在施工现场,必须遵守各类现场安全保护规范和防护措施。
三、设备保障1.工程设备必须保证处于正常运转状态,必须经过相应的调试和试验。
2.严格执行设备维修保养制度,做到按时、定期检查和保养机械设备、安全防护设备和其他设备,并记录相关信息。
3.机电设备进场前必须进行检测和验收,不合格设备不得进入现场使用。
四、作业工艺1.确保土石方施工中的安全规范。
2.在施工过程中,严格控制地质环境变化和自然灾害,实施相应的防范措施,避免出现因地质环境变化而引起的事故。
3.土石方工程必须根据不同的工程环境特点,合理地选择与使用各种施工工艺和设备,并采取措施降低施工风险。
五、安全防护1.根据不同施工条件,需要采取相应的安全防护措施。
2.工程现场必须设立警示标识,如施工区域的控制线、围栏、安全标志、安全警示灯和安全警示牌等。
3.在特殊工程部位如斜坡边坡、裂缝、岩石等,应设置监控装置和安全保护措施,防止土石质量变化、滑坡、倒塌等事故发生。
六、安全检查1.按照施工安全管理制度中的规定,对进入施工现场的人员和设备进行安全检查。
土方工程安全技术范本一、施工前的安全准备工作1. 土方工程安全管理机构的建立在土方工程施工前,必须成立土方工程安全管理机构,明确负责土方工程安全管理的责任,并制定相应的工作计划和安全技术措施。
2. 施工现场的规划与布置在施工前,需要对施工现场进行详细的规划和布置。
确定施工场地的范围,并在场地周边设置合适的围挡和提示标识,确保施工现场的安全。
3. 沟通与协调在施工开始之前,必须与相关的部门进行沟通与协调,明确施工过程中可能存在的风险和安全隐患,并采取相应措施进行预防和控制。
二、施工中的安全措施1. 现场警示标识的设置在施工现场的显眼位置,设置必要的安全警示标识,包括禁止通行、安全注意等标识,提醒人员注意施工现场的安全。
2. 土方工程机械的安全操作在使用土方工程机械时,必须按照操作规程进行操作,并经过专门的培训和资质认证。
同时,机械设备要保持良好的工作状态,定期进行检修和维护,确保其安全可靠。
3. 施工现场的通风与防尘土方工程施工过程中会产生大量的粉尘和废气,对施工现场及周边环境造成污染和危害。
因此,在施工中需要采取适当的通风和防尘措施,保障施工现场和周边环境的空气质量。
4. 施工现场的防火安全土方工程施工现场存在着明火、电火花等可能引发火灾的因素。
为防止火灾的发生,应当设置灭火器材,并监控火源的使用情况。
同时,要定期进行灭火器材的检查和维修,确保其可靠性。
5. 施工现场的交通安全在施工现场周围设置明确的车辆和行人通行区域,并设置警示标志。
同时,对进入施工现场的车辆和人员进行严格的核查和登记,确保施工现场的交通安全。
6. 施工现场的排水与渗水控制土方工程施工过程中,会产生大量的水,需要及时进行排水和渗水控制。
对于雨季施工,要采取相应的措施防止因暴雨而造成的水患。
7. 施工现场的坍塌与崩塌防护土方工程施工中,存在坍塌和崩塌的风险。
为防止坍塌和崩塌的发生,要根据土地与地质条件,采取适当的防护措施,如设置钢支撑、加固土方等。
路基土方工程安全施工技术措施
一、本工程路基施工的安全技术措施是:
1>路基开挖施工应自上而下进行,防止开挖不当造成坍塌,严禁局部挖深坑后向四周掏土的方法进行施工开挖。
2、开挖作业应与装、运作业面相互错开,严禁上下重叠作业。
3、人机混合作业应设专人负责指挥。
4、进入施工现场的施工人员必须戴安全帽。
5、施工运输便道及交叉路口应设置安全标志标牌,车流量大的交叉路口应安排专人指挥交通,或者实施交通管制,车辆行走路线安排合理避免交通拥堵,杜绝交通安全事故的发生。
二、路基填筑施工时应严格遵守如下安全技术措施:
1、路基填筑应自下而上分层填筑,装、运、卸于填筑压实工作应错开避免互相干扰。
2、路基填筑机械化施工作业时,为确保机械运行的安全填土边缘应设安全标杆。
3、在泥沼低洼地段施工,应先做好排水防水工作,在施工时要进行沉降和位移观测,控制填土速度并使左右对称以防不均匀沉降。
4、路基填筑施工时要有良好的排水系统,以确保路基边坡和基地稳定。
5、人机混和作业,应设专人负责制挥工作。
6、进入施工现场的人员必须戴安全帽、穿防滑鞋。
7、各种施工机械设备操作人员应有特种作业证书,并严格按照设备的操作规程操作。
土石方工程施工技术安全要求模版一、总则1.1 施工单位应具备相应的土石方工程施工资质,并严格按照行业相关法律法规的要求进行施工。
1.2 施工单位应派遣具备相关资质和经验的技术人员负责土石方工程施工,确保施工的安全和质量。
1.3 施工单位应制定详细的施工方案,包括施工计划、施工工艺、施工方法等,并向相关监管部门备案。
二、施工准备2.1 施工单位应对现场进行详细的勘测,了解地质情况、地下管线等情况,以便制定合理的施工方案。
2.2 施工单位应清理施工现场,确保施工区域的平整和无障碍物。
2.3 施工单位应按照相关要求设置合理的施工标志和警示标识,明确施工区域和非施工区域。
三、施工过程安全要求3.1 施工单位应合理安排施工人员,并提供相应的劳动保护措施,包括佩戴安全帽、防护鞋、防护眼镜等。
3.2 在土石方开挖过程中,施工单位应按照施工方案确定土方开挖的范围和高度,并采取相应的安全措施,如设置坡道、护坡等。
3.3 施工单位在土石方开挖过程中应设立专人负责监督和指导,确保施工的安全和质量。
3.4 施工单位应对施工现场进行定期巡查,及时发现和排除安全隐患。
四、工器具管理4.1 施工单位应定期检查和维修施工工器具,确保其正常运行并具备安全性。
4.2 施工单位应对工器具进行合理的存放和管理,确保工器具不被盗失或损坏。
4.3 施工单位应提供适当的劳动保护用具,如手套、防尘口罩等,确保施工人员的安全。
五、施工材料和设备管理5.1 施工单位应严格按照相关标准和规范选择和采购施工材料和设备,确保其质量和安全性。
5.2 施工单位应保证施工材料和设备的正常运行和使用,避免因设备故障导致的安全事故。
5.3 施工单位应合理安排施工材料和设备的存放和使用,避免材料和设备的交叉污染和损坏。
六、安全教育和培训6.1 施工单位应定期进行安全教育和培训,提高施工人员的安全意识和技能。
6.2 安全教育和培训内容应包括施工技术要求、安全操作规程、事故应急处理等。
路基施工安全规定范文在路基施工过程中,为保证工作的顺利进行和员工的安全,在施工现场必须遵守一系列安全规定。
下面将从施工人员的个人防护、施工设备的安全使用、施工现场的警示标识和施工过程的安全操作四个方面,详细阐述路基施工的安全规定。
一、施工人员的个人防护1. 监督全员佩戴安全帽:在施工现场,所有人员必须佩戴合格的安全帽,以防止高空坠物或其他物体对头部造成伤害。
2. 穿戴防护鞋:所有施工人员应穿戴防护鞋,以保护双脚不受到尖锐物质或坚硬物体的伤害。
3. 统一着装要求:施工人员应穿戴统一的施工服装,并注意确保服装整洁、干净,并避免穿戴过于宽松的衣物,防止其被卷入施工设备中。
4. 佩戴护目镜和口罩:在施工现场,需要进行机械挖掘或其它可能产生粉尘、飞溅物的作业时,施工人员应佩戴护目镜和口罩,以保护眼部和呼吸道的安全。
二、施工设备的安全使用1. 设备检查和维护:施工人员在使用施工设备之前,必须进行设备的检查和维护,确保设备完好无损,并确保关键零部件的正常运行。
2. 正确操作设备:施工人员应熟悉并按照设备操作手册的要求正确操作施工设备,遵守设备的使用规定,以降低操作过程中的事故风险。
3. 设备配备安全装置:施工设备应配备相应的安全装置,如防止设备倾覆的支撑架、自动停机装置等,施工人员在使用设备时要确保这些安全装置的正常运行。
4. 放置机械设备警示标志:每个施工设备在使用过程中应显著地标识警示标志,提醒施工人员注意设备的危险部位和安全操作要求。
三、施工现场的警示标识1. 明确施工区域:施工现场应设置醒目的警示标识,界定施工区域,防止无关人员闯入施工现场。
2. 设置安全通道:在施工现场合理设置安全通道,确保人员和设备的安全出入。
3. 标示危险区域:在施工现场中存在危险因素的区域,应设置明确的标志和警示标识,提醒人员注意该区域的危险性。
4. 设置临时标线:在进行临时施工或修复工作时,应设置临时标线,明确施工区域的范围,以确保施工过程中的安全性。
土石方工程施工施工标准土石方工程是指在土石材料上进行的各种工程,包括挖掘、填筑、边坡、路基等。
土石方工程施工的质量直接影响到工程的安全和使用寿命,因此,制定土石方工程施工标准是非常必要的。
一、施工前准备1.施工前必须进行现场勘察,了解地质情况和土石方工程的施工条件。
2.施工前必须进行土石方工程的设计,包括路基、边坡、挖方、填方等。
3.施工前必须进行土石方工程的施工方案编制,明确施工的步骤、方法和要求。
二、施工要求1.挖方施工要求(1)挖方施工必须按照设计要求进行,不得超挖或欠挖。
(2)挖方施工必须按照设计要求进行坡度和坡高的控制。
(3)挖方施工必须按照设计要求进行边坡的处理,确保边坡的稳定性。
2.填方施工要求(1)填方施工必须按照设计要求进行,不得超填或欠填。
(2)填方施工必须按照设计要求进行压实,确保填方的密实度。
(3)填方施工必须按照设计要求进行边坡的处理,确保边坡的稳定性。
3.边坡施工要求(1)边坡施工必须按照设计要求进行,不得超高或欠高。
(2)边坡施工必须按照设计要求进行坡度和坡高的控制。
(3)边坡施工必须按照设计要求进行排水,确保边坡的稳定性。
4.路基施工要求(1)路基施工必须按照设计要求进行,不得超高或欠高。
(2)路基施工必须按照设计要求进行坡度和坡高的控制。
(3)路基施工必须按照设计要求进行排水,确保路基的稳定性。
三、施工质量检验1.施工过程中必须进行质量检验,确保施工质量符合设计要求。
2.施工结束后必须进行验收,确保土石方工程的质量符合相关标准和规范。
四、安全要求1.施工过程中必须严格遵守安全规定,确保施工人员的安全。
2.施工过程中必须进行安全检查,及时发现和排除安全隐患。
3.施工结束后必须进行安全验收,确保土石方工程的安全性。
总之,土石方工程施工标准是土石方工程施工的基础和保障,必须严格执行,确保土石方工程的质量和安全。
土石方工程安全技术规
《土石方工程安全技术规范》是一份对土石方工程施工过程中的安全要求进行规范的文件。
以下是一些可能包含在这份规范中的内容:
1. 施工前的安全措施要求:针对施工现场的地质、气候、环境等因素,制定相应的安全措施,如排水、防风、防尘等。
2. 土方施工过程中的安全要求:对挖掘、卸载、运输等土方施工过程中的安全要求进行规范,包括施工人员的安全防护、设备的安全操作、防止滑坡等。
3. 石方施工过程中的安全要求:对石方施工过程中的爆破、钻孔、打砂等作业进行安全规范,包括爆破的安全距离、石方爆炸物的储存和使用等。
4. 施工现场安全管理要求:包括现场人员的安全教育培训、应急预案建立、安全保障设施等要求。
5. 安全监测要求:对土石方工程的安全监测进行要求,包括监测设备安装、数据采集与分析等。
6. 交底和验收要求:对土石方工程安全工作的交底和验收进行规范,确保施工过程中的安全防范措施的有效执行和安全检查的及时反馈。
需要注意的是,具体的内容会根据不同的地区、工程类型和工程规模而有所差异。
因此,有关方面在制定《土石方工程安全技术规范》时需要结合具体的情况进行制定。
第 1 页共 1 页。
操作规程编号:LX-FS-A72507
路基土石方工程施工安全技术要求
标准范本
In The Daily Work Environment, The Operation Standards Are Restricted, And Relevant Personnel Are Required To Abide By The Corresponding Procedures And Codes Of Conduct, So That The Overall Behavior
Can Reach The Specified Standards
编写:_________________________
审批:_________________________
时间:________年_____月_____日
A4打印/ 新修订/ 完整/ 内容可编辑
路基土石方工程施工安全技术要求
标准范本
使用说明:本操作规程资料适用于日常工作环境中对既定操作标准、规范进行约束,并要求相关人员共同遵守对应的办事规程与行动准则,使整体行为或活动达到或超越规定的标准。
资料内容可按真实状况进行条款调整,套用时请仔细阅读。
1、参加施工的人员,必须进行岗前安全技术教育,达到应知应会,并经过考核合格者方可上岗操作。
2、对于从事电气、起重、焊接、车辆驾驶等特殊工种的人员,应经过专业培训,获得合格证后,持证上岗。
3、施工现场有足够的消防设备,施工人员应熟悉消防设备的性能和使用方法。
4、施工中所用的各种机具设备和劳保用品,应定期进行检查和检验,保证其完好状态,不合格的严
禁使用。
5、应加强气象、水文等部门的联系,及时掌握气温、雨雪、风暴和汛情等的预报。
做好防范工作。
6、重要的安全设施必须与主体工程“三同时”的原则,即:同时设计、审批,同时施工,同时验收、投入使用。
请在该处输入组织/单位名称
Please Enter The Name Of Organization / Organization Here。