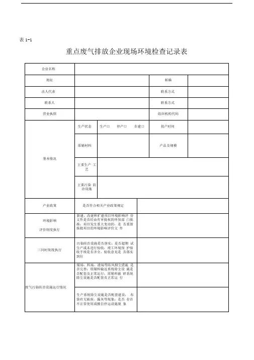
废气治理设施检查表
- 格式:xlsx
- 大小:11.81 KB
- 文档页数:1
《环保设施检查表》一、基本信息检查日期:具体日期被检查单位名称:单位地址:联系人及联系方式:二、大气污染防治设施检查1.除尘设施o检查除尘器的类型(如布袋除尘器、电除尘器等)是否符合设计要求。
o查看除尘器的运行状态,是否有异常噪音、震动等情况。
o检查除尘器的进出口压力差,判断是否存在堵塞现象。
o检查除尘器的清灰系统是否正常运行,清灰周期是否合理。
o查看除尘器的维护保养记录,包括定期清理、更换滤袋等情况。
2.脱硫设施o检查脱硫工艺(如湿法脱硫、干法脱硫等)是否符合环保要求。
o查看脱硫剂的添加情况,是否按照规定的比例添加。
o检查脱硫设施的运行参数,如液气比、脱硫效率等是否在正常范围内。
o检查脱硫设施的排放口,是否有明显的二氧化硫排放迹象。
o查看脱硫设施的维护保养记录,包括设备检修、管道清理等情况。
3.脱硝设施o检查脱硝工艺(如选择性催化还原法、选择性非催化还原法等)是否符合环保要求。
o查看脱硝剂的添加情况,是否按照规定的比例添加。
o检查脱硝设施的运行参数,如氨氮比、脱硝效率等是否在正常范围内。
o检查脱硝设施的排放口,是否有明显的氮氧化物排放迹象。
o查看脱硝设施的维护保养记录,包括设备检修、催化剂更换等情况。
三、水污染防治设施检查1.污水处理设施o检查污水处理工艺(如物理处理、化学处理、生物处理等)是否符合设计要求。
o查看污水处理设施的运行状态,是否有异常噪音、震动等情况。
o检查污水处理设施的进出水水质,判断处理效果是否达到排放标准。
o检查污水处理设施的污泥处理情况,是否按照规定进行脱水、干化、处置等。
o查看污水处理设施的维护保养记录,包括设备检修、管道清理等情况。
2.中水回用设施o检查中水回用设施的工艺流程是否合理,是否能够满足回用要求。
o查看中水回用设施的运行状态,是否有异常噪音、震动等情况。
o检查中水回用设施的出水水质,判断是否符合回用标准。
o检查中水回用设施的计量装置是否准确,是否能够统计回用水量。
德信诚培训网
更多免费资料下载请进: 好好学习社区
废气处理系统运行检查记录表
班次
设备检查情况记录
运行操作情况记录
操作人 签 名
班组长 确认签名
检查项目 检查时间 检查情况
检查人签 名
项目
操作情况
甲 班
1、吸收液 液位和PH 值
2、喷淋泵
3、引风机
4、管道和阀门 接班时 pH 值 测试
测试时间
运行中 pH 值数据
运行中
吸收液
更换吸收液
交班前
加水、加液碱
乙 班
1、吸收液 液位和PH 值
2、喷淋泵
3、引风机
4、管道和阀门
接班时 pH 值 测试
测试时间
运行中 pH 值数据
运行中
吸收液
更换吸收液
交班前
加水、加液碱。
废气处理系统点检表
核准:审核:
说明:1.点检时设备正常打“√”异常打“ⅹ”停机打“o”
2.如遇节假日休息请在点检栏写休息字样
3.电镀、表面处理类废气处理系统:需要添加氢氧化纳,需填写第6项,填写实际显示数值,其它此项可不填写
4.粉尘类废气处理系统:每月5日前清理1次,依据生产负荷各部门按需增加次数。
严禁向循环水槽扔杂物,以免堵塞水泵。
5.有机废气处理系统: ①喷涂水帘柜每周更换1次水; ②往复机每周更换1次水;③空气净化系统每月5日前更换1次水。
6.设备异常、维修、检修等请在备注栏注明详细情况。
编号:Xxx有限公司尾气处理设施点检表建档:环保治理部尾气处理设施点检表序号设备编号设备名称所在部门点检部位点检内容点检方法频次日期(20年月)123456789101112131415161718192021222324252627282930311电机及风机运行时声音是否有异常听1/日是否有渗漏油现象看1/日是否按规定加油看1/日2喷淋泵运行时声音是否异常听1/日是否渗漏看1/日3各积液口各止回阀是否正常看1/日各法兰静密封点是否有漏点看1/日塔壁是否干净无腐蚀点看1/日4测样口、平是否牢固无腐蚀点看1/日台5爬梯是否牢固无腐蚀点看1/日6吸收液液位液位是否正常,浓度是否达标看|测1/日7喷淋器及填料是否畅通无堵塞看1/日8风口吸力是否正常试1/日9周围环境有无灰尘泄露现象看1/日是否整洁看1/日完好:“√”维修:“×”异常:“△”修好:“㊣”交接班人签字交班人接班人说明1.点检在交换班前进行;2.交接班记录由接班人填写,发现异常,不能接班的,应立即通知班长;3.车间停车检修或设备备用的可不用点检,但应在表中备注;4.设备编号按照排气筒编号填写,要求一塔一表问题记录及备注。