施工现场质量管理检查记录表等通用表
- 格式:doc
- 大小:246.50 KB
- 文档页数:10
施工现场安全生产文明与质量施工检查记录表
1. 检查时间及地点
检查时间: 20XX年XX月XX日
检查地点: XX施工现场
2. 检查人员
检查人员:XXX
3. 检查内容
3.1 安全生产文明检查
检查内容检查结果备注
施工现场是否设置安全警示标识√
工人是否佩戴安全帽、安全鞋等安全防护用品√
是否设置防护栏杆、网兜等安全设施× 应加强设置施工现场是否保持整洁,是否存在垃圾堆放等行为× 应加强管理
3.2 质量施工检查
检查内容检查结果备注
施工图纸是否与实际施工一致√
施工质量是否符合设计要求√
是否存在施工材料损坏、少配等现象× 应加强材料管理
施工现场工具和设备是否保持干净、完整√
4. 处理结果
4.1 安全生产文明处理结果
处理内容处理结果备注
要求设置额外的安全设施△暂未处理完全
通知施工方加强现场管理√
4.2 质量施工处理结果
处理内容处理结果备注
要求立即更换损坏的材料√
对施工人员进行培训和提高质量意识√
5. 检查
根据施工现场安全生产文明和质量施工检查记录,认为在本次检查中存在一些问题,需要加强现场管理和施工质量控制。
同时,对发现的问题已采取相应措施进行处理,希望施工方继续加强管理和质量控制,确保施工质量和工程安全。
附表A。
0。
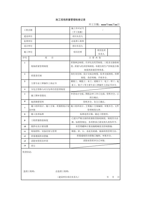
1施工现场质量管理检查记录施工现场质量技术管理制度本制度主要内容为:1、质量例会制度;2、月评比及奖惩制度;3、工程质量三检及交接检制度;4、质量与经济挂钩制度;5、岗位责任制;6、图纸会审制度;7技术交底制度、;8、挂牌制度; 9、技术复核制度;10、见证取样制度;11、工程质量检验制度;12、材料、设备存放与管理制度;13、科技开发和推广应用管理制度;14、施工技术总结。
一、质量例会制度项目部应建立质量例会制度,固定每旬召开一次质量例会,即每月的10号、20号和30号为质量例会日。
由项目经理或项目技术负责人主持,由专职质量检查员负责记录,参加人员有各专业工长(施工员)、各工种班组长以及班组的主要骨干等人员参加的会议。
召开质量例会的主要内容是:针对现阶段存在的质量问题和通病进行分析,并制订改正措施和防范措施.会议要求每人均要发言,并做到畅所欲言,以采集众人的智惠和才学.会议形式应力求活泼、和谐,不要拘于一格,可召开成座谈会、分析会、研讨会和碰头会等形式进行。
现场质量例会应以一种制度固定下来,不管问题多少、是否闲忙,均应按期按时召开,并将会议成果整理打印出来。
无故不参加者应进行处分和制裁。
二、月评比及奖罚制度(一)、月评比办法为了确保工程(产品)质量,提高企业信誉,促使管理水平再上新台阶、质量超高国家标准,特对工程(产品)质量和技术管理进行每月的质量评比及建立质量奖罚制度.项目部每月组织一次全工地性的综合质量评比活动,总分第一名的选手(施工管理人员或员工),项目部给予物质奖励(价值约500元);总分第二名的选手(施工管理人员或员工),项目部给予物质奖励(价值约300元);总分第三名的选手(施工管理人员或员工),项目部给予物质奖励(价值约100元)。
(二)奖励1。
单位工程质量经工程相关各方共同验收一致认为达优良等级的,则按该工程合同价款0.5%奖励给管理人员和班组;2。
单位工程质量被市工程质量协会评为“水仙花杯"奖的,则按该工程合同价款1%奖励给管理人员和班组;3。
施工现场质量管理检查记录
开工日期:年月日
程用表
A2
编号:
施工组织设计报审表
本表一式三份,经监理单位审批后,建设单位、监理单位、承包单位各存一份。
园林工
程用表
A3
编号:
进场设备报验单
本表一式二份,监理单位,承包单位各存一份。
园林工程用表
A4
编号:
施工技术方案报审表
园林工程用表
A5
编号:
施工测量放线报验单
工程名称:
本表一式二份,经监理单位审批后,监理单位、承包单位各存一份。
园林工程用表
A6
编号:
施工进度计划报审表
份。
2、施工总进度计划由总临理工程师签字,阶段进度计划由现场监理工程师签字。
园林工程用表
A7 编号:施工单位现场施工管理技术人员报审表。
施工现场质量管理检查记录表
附表C分项工程质量验收记录
分部(子分部)工程质量验收记录表
填表说明:
1、分部(子分部)工程的名称填写要具体,并注明是分部还是子分部;
2、分项工程填写要是全部分项工程,并写明检验批的数量;
3、资料审查要按子分部工程分别检查,要按层次进行,并判断其能否达到完整的要求;判
定达到3、4项要求施工单位填写“合格”,监理单位填写“同意验收”,并将资料附在后边;
4、安全和功能抽查,每项检测有单项报告,其结果能达到设计要求;
5、观感质量验收按单位工程的程序和要求进行,并附评价表;
6、各单位的项目经理、项目负责人及总监理工程师签字确认。
单位(子单位)工程质量竣工验收记录表
填表说明:
1、单位(子单位)工程的名称要填写全称,即批准项目的名称,并注明是单位工程或子单
位工程。
2、安全和主要使用功能核查及抽查结果栏,包括两个方面,一个是在分部、子分部工程抽
查过的项目检查检测报告的结论;另一方面是单位工程抽查的项目要检查其全部的检查方法程序和结论。
3、综合验收结论,填写通过或同意验收。
不同意验收就不一定形成表格,待返修完善后,
再形成表格。
4、验收单位签认人表上要求人员签名,对勘察单位在地基分部中签字。
5、表G.0.1-1验收记录由施工单位填写,验收结论由监理(建设)单位填写。
综合验收结
论由参加验收各方共同商定,建设单位填写,应对工程质量是否符合设计和规范要求及总体质量水平做出评价。
表G.0.1—2单位(子单位)工程质量控制资料核查录
1、对质量控制资料核查,应按项目分别进行,这样方便,施工单位应先将资料分项目整理
成册,项目顺序按本表顺序。
每个项目按层次核查,并判断其能否满足规定要求;
2、核查由总监理工程师组织,有关专业监理工程师参加;
3、由施工(总包)单位项目经理和总监理工程师签字;
4、具体资料项目按专业验收规范的项目进行核查。
表G.0.1-3单位(子单位)工程安全和功能检验
填表说明:
1、按项目分别进行核查和检查,对在分部、子分部已抽查的项目,核查其结论是否符合设
计要求;对在单位(子单位)工程抽查的项目,应进行全面检查,并核实其结论是否符合设计要求;
2、总监理工程师组织有关监理工程师核查、检查,有关施工单位项目经理、技术负责人参
加;
3、由施工(总包)单位项目经理和总监理工程师签字。
注:质量评价为差的项目,应进行返修。
填表说明,重点注意:
1、其他表都是施工单位先验收合格填写好,监理再验收;
2、由总监理工程师组织有关监理工程师,会同参加验收的人员共同进行,通过现场全面检
查,在听取有关人员的意见后,由总监理工程师为主与监理工程师共同确定质量评价:评价分为好、一般、差。
只要不影响安全和使用功能,都可通过验收,评为差时,能修的尽量修,不能修的按5.0.6条第四款处理;
由施工(总包)单位项目经理和总监理工程师签字。
3、。