集体食堂厨房功能分区基本布局示意图
- 格式:doc
- 大小:59.50 KB
- 文档页数:6
方案分享:80人职工食堂厨房设备系统方案(配有效果图)
对于很多初次接触餐厅及食堂建设的业主方来说,针对新建的餐厅或食堂确认需求制定设备采购计划相对容易,但是根据硬件情况制定出合理的厨房整体解决方案确比较困难,建议餐厅或食堂业主在选择厨房设备公司时多对比报价和设计方案,寻求出最合理而实用的厨房整体解决方案。
现在华源厨具跟大家分享一个80人左右的职工食堂厨房设备配置方案;希望对那些有需求的业主有所参考!
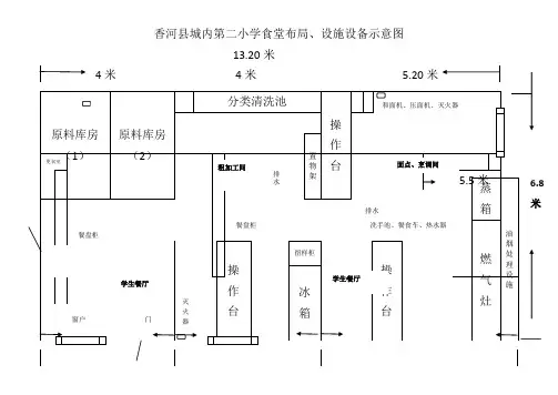
职工食堂厨房设计图
建设一个好用的餐厅或食堂,建设前要首先明确以下几个方面:
1、确认自己的需求。
根据实际情况,确认自己的需求情况,如菜品如何定位(中、高、低档)?就餐人数有多少?菜品结构的选择(中、西餐,菜系)?什么样的就餐形式(点餐或自助)等等。
根据实际需求,就可以配备相应的厨房设备及餐饮用具,高效、精准的制定采购计划,避免资金的浪费。
2、仔细研究现有餐厅或食堂的硬件状况,如厨房所在楼层结构、高度、排烟管道、下水管线、楼层的核载、排送风路由、结构对功能间的影响等等。
了解这些情况,根据实际状况制定厨房整体解决方案,既保证了餐厅或食堂的正常运转,又符合国家在油烟排放、噪音治理、卫生防疫等方面的经营标准。
3、寻找有资质、有经验的厨房设备公司就是第三步了。
向厨房设备公司提供详细准确的建筑结构平面图及设备配置需求等资料,提出安装施工及时间进度要求,有效地监督施工过程,确保施工质量。
食堂设计技术要求一、整体布局。
1. 功能分区。
打饭区得宽敞点,别让大家挤成一团。
就像一群饿狼抢食似的,那可不行。
要有足够的空间让大家排队,还得能容纳那些个盛饭的大容器,什么米饭桶啊,菜盆子之类的。
就餐区呢,桌椅摆放得合理,别整得歪歪扭扭的。
桌子之间的距离要能让人舒服地进出,要是太窄了,吃个饭都像在走迷宫,磕磕碰碰的。
而且要根据食堂预计容纳的人数来安排桌椅数量,可不能让大家端着饭盘子到处找地方坐,像个没头的苍蝇似的。
厨房区要划分清楚,洗菜、切菜、炒菜、蒸饭啥的,每个环节都得有自己的小地盘。
就像在玩拼图一样,每个小部分都得放到合适的位置,这样厨师们干活才顺畅,不会互相干扰。
2. 交通流线。
从食堂入口到打饭区,再到就餐区,最后到出口,这路线得清晰明了。
不能让人进了食堂就晕头转向的,好像进了一个神秘的迷宫。
要有明显的指示标志,就像在马路上的路标一样,让大家知道该往哪儿走。
而且打饭的队伍流动方向要单一,别整出个交叉来,不然肯定乱成一锅粥。
二、厨房设计。
1. 设备布局。
炉灶旁边得有足够的空间放调料罐,总不能让厨师炒菜的时候还得像杂技演员一样,伸长胳膊去够调料吧。
还有,炉灶的功率得够大,要不然炒个菜半天都不熟,大家都得饿瘪肚子了。
洗菜池得够大、够深,要能把那些菜啊、肉啊洗得干干净净的。
旁边要有沥水的地方,不能洗完菜还滴答滴答地到处流水,搞得厨房像个小水洼似的。
切菜台的高度要合适,太高了厨师切菜得抬着胳膊,像个机器人似的,太低了又得弯着腰,时间长了肯定腰酸背痛。
而且切菜台的台面要结实,可不能切着切着菜,台面就塌了,那可就搞笑了。
2. 通风与排烟。
厨房的油烟那可是个大问题,就像个小恶魔一样到处乱窜。
所以得有强大的抽油烟机,把那些油烟都吸得干干净净的。
排烟管道得粗一点,顺畅一点,别让油烟在管道里堵着,不然厨房肯定乌烟瘴气的。
通风也很重要,要有新鲜的空气进来,不能让厨师们在一个闷热、充满油烟味的环境里工作。
就像我们人需要呼吸新鲜空气一样,厨房也需要新鲜空气来保持清爽。
集体食堂厨房功能分区基本布局示意图:食堂厨房布局平面图集体食堂厨房功能分区基本布局示意图功能分区及配置:1、厨房及其配套设施的墙壁贴1.8米以上的瓷片,地铺地砖;门安装弹簧门或风闸机,木质门下缘两面贴50cm高锌铁皮,离地不得大于0.5厘米;所有窗封不锈钢纱;下水道装防鼠网。
2、案台贴瓷片(不锈钢案台),下设不锈钢平推门,用于已消毒餐具的存放、保洁;肉菜餐(饮)具洗涤消毒池不得小于80×60×40厘米(长×宽×高)。
3、烹调制作区:内有炉灶、存放半成品冰柜、执码用案台。
4、配餐间:设有预进间(内有更衣、洗手消毒设施)、专用配餐工具、空调。
紫外线光管吊在天花板下,房间正中位置,离地约2.5米高(离操作台约1.2米高),室内无人时方可使用。
5、粗加工区:水台和洗肉池,用于三鸟、鱼、肉粗加工;水台及洗菜池,用于蔬菜清洗粗加工。
6、洗涤消毒区:设有3个及以上的餐饮具洗消池、保洁柜及不锈钢层架。
要求: 1、厨房门、配餐间门、预进间门及所有与外界直接相通的门须安装弹簧门或风闸机; 2、配餐间在天花板安装紫外线光管距离地面约2.5米高; 3、各工作间与外界直接相通的窗安装纱窗; 4、厨房木门、仓库木门的门脚封50cm 高的星铁皮作防鼠板; 5、地面铺贴地砖,墙壁贴瓷片至1.8米高以上;其中配餐间、预进间墙壁贴瓷片至天花; 6、配餐间、烹调间、洗消间、粗加工间安装灭蝇灯。
冰柜子水台带盖垃圾桶洗肉池炉灶原料粗加工区层架案台洗菜池烹调制作区水台案台案台案台案台更衣室餐饮具洗消池层架洗涤消毒区预进间层架传送窗口配餐间案台案台食品原料仓库集体食堂卫生许可证发证卫生要求一、选址:食堂必须远离污染源(25米内无暴露垃圾堆、垃圾物、坑或厕所、粪池),周围环境整洁;二、面积:食堂面积与就餐人数、加工食品的品种和数量相适应,厨房面积不得小于50平方米;三、厨房分区:厨房要有相对独立的原料粗加工区(用于食品原材料粗加工)、烹调制作区(用于食品半成品制作为成品)和配餐间(用于可食用食品分发给用餐者)、洗涤消毒区[用于餐(饮)具、工(用)具洗涤、消毒];四、专用制作间:食堂如有制作冷荤、冷菜、熟食、糕点等食品必须设有单独熟食间、冷荤制作间、点心间;五、流程布局:供餐食品加工按原料购(存)、原料处理、半成品加工、成品加工及出品顺序进行布局,由非清洁区向清洁区过度,防止交叉污染;六、食堂使用加工用水、二次供水、食品原材料、工(用)具、洗涤剂、消毒剂要符合有关卫生要求;七、卫生设施: 1、加工与用餐场所配置有效防蝇沙门、沙窗,出入口装风帘或胶帘,下水道出口装防鼠网,库房出口装防鼠门(板); 2、有与从业人员相适应的更衣室(用于更换工作服、存放私人物品)和洗手水消毒设施; 3、有足够污物存放设施(带盖污物桶、密闭垃圾池、废弃油收集罐),并定期按规定处理; 4、食堂设水冲式卫生间(厨房内不得设厕所),卫生间门不得与食品加工间相对; 5、有足够餐(饮)具保洁贮存设施(带门存放柜、消毒碗柜); 6、有工(用)具和餐(饮)具清洗、消毒设施(药物消毒、物理消毒); 7、有足够食品贮存设施(库房、冷柜、冰箱、空调),做好主、副食,生、熟食标记; 8、用餐场所有供用餐者餐具存放柜和供用餐者使用洗手设施。
集体食堂厨房功能分区基本布局示意图集团标准化小组:[VVOPPT-JOPP28-JPPTL98-LOPPNN]集体食堂厨房功能分区基本布局示意图单独熟食间、冷荤制作间、点心间;五、流程布局:供餐食品加工按原料购(存)、原料处理、半成品加工、成品加工及出品顺序进行布局,由非清洁区向清洁区过度,防止交叉污染;六、食堂使用加工用水、二次供水、食品原材料、工(用)具、洗涤剂、消毒剂要符合有关卫生要求;七、卫生设施:1、加工与用餐场所配置有效防蝇沙门、沙窗,出入口装风帘或胶帘,下水道出口装防鼠网,库房出口装防鼠门(板);2、有与从业人员相适应的更衣室(用于更换工作服、存放私人物品)和洗手水消毒设施;3、有足够污物存放设施(带盖污物桶、密闭垃圾池、废弃油收集罐),并定期按规定处理;4、食堂设水冲式卫生间(厨房内不得设厕所),卫生间门不得与食品加工间相对;5、有足够餐(饮)具保洁贮存设施(带门存放柜、消毒碗柜);6、有工(用)具和餐(饮)具清洗、消毒设施(药物消毒、物理消毒);7、有足够食品贮存设施(库房、冷柜、冰箱、空调),做好主、副食,生、熟食标记;8、用餐场所有供用餐者餐具存放柜和供用餐者使用洗手设施。
八、卫生管理1、单位法人(负责人)和单位内管理层及部门的卫生负责人必须持有法规、卫生知识培训合格证;2、从业人员必须持有效健康检查合格证和卫生知识培训合格证上岗。
3、建立单位卫生资料档案;4、根据单位类型、规模建立卫生管理架构、制度,制订岗位卫生管理制度,从管理层至部门设立卫生负责人,负责岗位责任和卫生制度检查、餐位落实;5、按时年审、评级、亮证经营,接受群众监督。
中型餐饮业卫生许可证发证卫生要求一、选址:餐饮业必须远离污染源(25米内无暴露垃圾堆、垃圾物、坑或厕所、粪池),周围环境整洁;二、面积:餐饮业面积与设置座位、加工食品的品种和数量相匹配,厨房面积(不含库房、更衣室)与餐厅面积的比例为50%以上;三、房分区:厨房要有相对独立的原料粗加工区(用于食品原材料粗加工)、烹调制作区(用于食品半成品制作为成品)和洗涤消毒区[用于餐(饮)具、工(用)具洗涤、消毒],各区应用1.5米高矮墙相隔;四、专用制作间:餐饮业如有制作冷荤、冷菜、熟食、糕点等食品必须设有单独熟食间、冷荤制作间、点心间;五、流程布局:供餐食品加工按原料购(存)、原料处理、半成品加工、成品加工及出品顺序进行布局,由非清洁区向清洁区过度,防止交叉污染;六、餐饮业使用加工用水、二次供水、食品原材料、工(用)具、洗涤剂、消毒剂要符合有关卫生要求;七、卫生设施:1、加工与用餐场所配置有效防蝇沙门、沙窗,出入口装风帘或胶帘,下水道出口装防鼠网,库房出口装防鼠门(板);2、有与从业人员相适应的更衣室(用于更换工作服、存放私人物品)和洗手水消毒设施;3、有足够污物存放设施(带盖污物桶、密闭垃圾池、废弃油收集罐),并定期按规定处理;4、设水冲式卫生间(厨房内不得设厕所),卫生间门不得与食品加工间相对;5、有足够餐(饮)具保洁贮存设施(带门存放柜、消毒碗柜);6、有工(用)具和餐(饮)具清洗、消毒设施(药物消毒、物理消毒);7、有足够食品贮存设施(库房、冷柜、冰箱、空调),做好主、副食,生、熟食标记。
普遍食堂厨房功能分区基础筹备示企图之阳早格格创做、烹调创造区(用于食品半兴[用于餐(饮)具、工(用)具四、博用创造间:食堂如有创造热荤、热菜、死食、糕面等食品必须设有单独死食间、热荤创造间、面心间;五、过程筹备:供餐食品加工按本料买(存)、本料处理、半兴品加工、兴品加工及出品程序举止筹备,由非浑净区背浑净区过分,预防接叉传染;六、食堂使用加工用火、二次供火、食品本资料、工(用)具、洗涤剂、消毒剂要切合有关卫死央供;七、卫死办法:1、加工取用餐场合摆设灵验防蝇沙门、沙窗,出出心拆风帘或者胶帘,下火讲出心拆防鼠网,库房出心拆防鼠门(板);2、有取从业人员相切合的换衣室(用于调换处事服、存搁个人东西)战洗脚火消毒办法;3、有足够污物存搁办法(戴盖污物桶、稀关垃圾池、兴弃油支集罐),并定期按确定处理;4、食堂设火冲式卫死间(厨房内没有得设茅厕),卫死间门没有得取食品加工间相对于;5、有足够餐(饮)具保净贮存办法(戴门存搁柜、消毒碗柜);6、有工(用)具战餐(饮)具荡涤、消毒办法(药物消毒、物理消毒);7、有足够食品贮存办法(库房、热柜、冰箱、空调),干佳主、副食,死、死食标记表记标帜;8、用餐场合有供用餐者餐具存搁柜战供用餐者使用洗脚办法.八、卫死管造1、单位法人(控造人)战单位内管造层及部分的卫死控造人必须持有规则、卫死知识训练合格证;2、从业人员必须持灵验健壮查看合格证战卫死知识训练合格证上岗.3、修坐单位卫死资料档案;4、根据单位典型、规模修坐卫死管造架构、造度,造订岗位卫死管造造度,从管造层至部分创造卫死控造人,控造岗位责任战卫死造度查看、餐位降真;5、准时年审、评级、明证经管,担当民寡监督.中型餐饮业卫死许可证收证卫死央供一、选址:餐饮业必须近离传染源(25米内无表露垃圾堆、垃圾物、坑或者茅厕、粪池),周围环境整净;二、里积:餐饮业里积取树坐座位、加工食品的品种战数量相匹配,厨房里积(没有含库房、换衣室)取餐厅里积的比率为50%以上;三、房分区:厨房要有相对于独力的本料细加工区(用于食品本资料细加工)、烹调创造区(用于食品半兴品造动做兴品)战洗涤消毒区[用于餐(饮)具、工(用)具洗涤、消毒],各区应用1.5米下矮墙相隔;四、博用创造间:餐饮业如有创造热荤、热菜、死食、糕面等食品必须设有单独死食间、热荤创造间、面心间;五、过程筹备:供餐食品加工按本料买(存)、本料处理、半兴品加工、兴品加工及出品程序举止筹备,由非浑净区背浑净区过分,预防接叉传染;六、餐饮业使用加工用火、二次供火、食品本资料、工(用)具、洗涤剂、消毒剂要切合有关卫死央供;七、卫死办法:1、加工取用餐场合摆设灵验防蝇沙门、沙窗,出出心拆风帘或者胶帘,下火讲出心拆防鼠网,库房出心拆防鼠门(板);2、有取从业人员相切合的换衣室(用于调换处事服、存搁个人东西)战洗脚火消毒办法;3、有足够污物存搁办法(戴盖污物桶、稀关垃圾池、兴弃油支集罐),并定期按确定处理;4、设火冲式卫死间(厨房内没有得设茅厕),卫死间门没有得取食品加工间相对于;5、有足够餐(饮)具保净贮存办法(戴门存搁柜、消毒碗柜);6、有工(用)具战餐(饮)具荡涤、消毒办法(药物消毒、物理消毒);7、有足够食品贮存办法(库房、热柜、冰箱、空调),干佳主、副食,死、死食标记表记标帜.八、卫死管造1、单位法人(控造人)战单位内管造层及部分的卫死控造人必须持有规则、卫死知识训练合格证;2、从业人员必须持灵验健壮查看合格证战卫死知识训练合格证上岗.3、修坐单位卫死资料档案;4、根据单位典型、规模修坐卫死管造架构、造度,造订岗位卫死管造造度,从管造层至部分创造卫死控造人,控造岗位责任战卫死造度查看、餐位降真;5、准时年审、评级、明证经管,担当民寡监督.小型餐饮业卫死许可证收证卫死央供一.选址:餐饮业必须近离传染源(25米内无表露垃圾堆、垃圾物、坑或者茅厕、粪池),周围环境整净;二.里积:餐饮业里积取树坐座位、加工食品的品种战数量相匹配,厨房里积(没有含库房、换衣室)取餐厅里积的比率为50%以上,最小没有得小于20仄圆米;三.房分区:厨房要有相对于独力的本料细加工区(用于食品本资料细加工)、烹调创造区(用于食品半兴品造动做兴品)战洗涤消毒区[用于餐(饮)具、工(用)具洗涤、消毒],各区应用1.5米下矮墙相隔;四.过程筹备:供餐食品加工按本料买(存)、本料处理、半兴品加工、兴品加工及出品程序举止筹备,由非浑净区背浑净区过分,预防接叉传染;五.餐饮业使用加工用火、二次供火、食品本资料、工(用)具、洗涤剂、消毒剂要切合有关卫死央供;六.卫死办法:1、加工取用餐场合摆设灵验防蝇沙门、沙窗,出出心拆风帘或者胶帘,下火讲出心拆防鼠网,库房出心拆防鼠门(板);2、有取从业人员相切合的换衣室(用于调换处事服、存搁个人东西)战洗脚火消毒办法;3、有足够污物存搁办法(戴盖污物桶、稀关垃圾池、兴弃油支集罐),并定期按确定处理;4、设火冲式洗脚间(厨房内没有得设洗脚间),门为弹簧门,脆持洗脚间关关;5、有足够餐(饮)具保净贮存办法(戴门存搁柜、消毒碗柜);6、有工(用)具战餐(饮)具荡涤、消毒办法(药物消毒、物理消毒);7、配有食品贮存办法(热柜、冰箱),干佳死、死食标记表记标帜.七、卫死管造1、单位法人(控造人)战单位内卫死控造人必须持有规则、卫死知识训练合格证;2、从业人员必须持灵验健壮查看合格说明战卫死知识训练合格说明上岗.3、修坐单位卫死资料档案;4、根据单位典型、规模修坐卫死管造架构、造度,造订岗位卫死管造造度,从管造层至部分创造卫死控造人,控造岗位责任战卫死造度查看、餐位降真;5、准时年审、评级、明证经管,担当民寡监督.。
集体食堂厨房功能分区基本布局示意图集体食堂卫生许可证发证卫生要求一、选址:食堂必须远离污染源(25米内无暴露垃圾堆、垃圾物、坑或厕所、粪池),周围环境整洁;二、面积:食堂面积及就餐人数、加工食品的品种和数量相适应,厨房面积不得小于50平方米;三、厨房分区:厨房要有相对独立的原料粗加工区(用于食品原材料粗加工)、烹调制作区(用于食品半成品制作为成品)和配餐间(用于可食用食品分发给用餐者)、洗涤消毒区[用于餐(饮)具、工(用)具洗涤、消毒];四、专用制作间:食堂如有制作冷荤、冷菜、熟食、糕点等食品必须设有单独熟食间、冷荤制作间、点心间;五、流程布局:供餐食品加工按原料购(存)、原料处理、半成品加工、成品加工及出品顺序进行布局,由非清洁区向清洁区过度,防止交叉污染;六、食堂使用加工用水、二次供水、食品原材料、工(用)具、洗涤剂、消毒剂要符合有关卫生要求;七、卫生设施:1、加工及用餐场所配置有效防蝇沙门、沙窗,出入口装风帘或胶帘,下水道出口装防鼠网,库房出口装防鼠门(板);2、有及从业人员相适应的更衣室(用于更换工作服、存放私人物品)和洗手水消毒设施;3、有足够污物存放设施(带盖污物桶、密闭垃圾池、废弃油收集罐),并定期按规定处理;4、食堂设水冲式卫生间(厨房内不得设厕所),卫生间门不得及食品加工间相对;5、有足够餐(饮)具保洁贮存设施(带门存放柜、消毒碗柜);6、有工(用)具和餐(饮)具清洗、消毒设施(药物消毒、物理消毒);7、有足够食品贮存设施(库房、冷柜、冰箱、空调),做好主、副食,生、熟食标记;2 / 58、用餐场所有供用餐者餐具存放柜和供用餐者使用洗手设施。
八、卫生管理1、单位法人(负责人)和单位内管理层及部门的卫生负责人必须持有法规、卫生知识培训合格证;2、从业人员必须持有效健康检查合格证和卫生知识培训合格证上岗。
3、建立单位卫生资料档案;4、根据单位类型、规模建立卫生管理架构、制度,制订岗位卫生管理制度,从管理层至部门设立卫生负责人,负责岗位责任和卫生制度检查、餐位落实;5、按时年审、评级、亮证经营,接受群众监督。
餐饮单位(学校食堂)布局流程参考示意图参考示意图说明:此图为参考示意图,仅示意布局和卫生设施要求,各餐饮单位可按照自身操作间结构、大小、地形、经营规模等特点,按照餐饮业量化分级管理标准的要求,确定布局,但必须确保工艺流程不交叉污染,并按要求配备必须的设施设备。
操作加工场所必须有防蝇、防尘、防鼠、防潮(防霉变)设施,地面地砖,墙面瓷砖到顶。
①更衣室(场所),设从业人员更衣室(场所)、更衣柜,设有洗手消毒设施,设洗手水池,洗手水池必须配有非手动式的水龙头。
②粗加工间,分设肉类原料、水产品和蔬菜原料洗涤池,并有明显标志(有条件的单位应分设三个洗涤间)。
加工肉类、水产品和蔬菜的操作台、用具和容器分开使用,并有明显标志。
粗加工间与烹调间之间设传菜窗。
③烹调间,使用隔墙烧火炉灶或油气炉。
安装有排气罩,排烟排气良好。
设有配料操作台,设有食用具存放柜。
④⑤⑥烧烤间,分设出入口,清洗消毒设备完善,用具清洗消毒具备一洗、二泡、三冲三个水池。
依次设腌制间(场所)、烧烤卤肉间(场所)和晾凉间(柜),防蝇、防尘、防鼠三防设施完备,有二次加工间。
晾凉间(柜)有空气消毒措施。
⑦⑧⑨凉菜间,入口处设预进间,设更衣及洗手、消毒设施(设洗手水池消毒水池,洗手水池必须配有非手动式的水龙头)。
配备有充足有效的空气消毒装置(紫外线消毒灯,安装位置应在操作台面上方一米),配备有空调(或降温设施)、食品冷藏设施。
配备专用工具,设有能开合的食品输送窗。
⑩⑾⑿裱花间,入口处设预进间,设更衣及洗手、消毒设施(设洗手水池消毒水池,洗手水池必须配有非手动式的水龙头)。
配备有充足有效的空气消毒装置(紫外线消毒灯,安装位置应在操作台面上方一米),配备有空调(或降温设施)、食品冷藏设施。
配备专用工具,设有能开合的食品输送窗。
⒀⒁⒂面点间,配备专用工具、操作台和原料暂存柜。
设有清洗水池。
⒃⒄餐具洗消间,设专用洗涮水池(设不少于三个水池,按清洗流程设置并能满足清洗要求),有充足、有效的消毒设施(使用蒸汽热力消毒),设有充足、完善的餐具保洁设施。
餐饮单位(学校食堂)布局流程参考示意图餐饮单位(学校食堂)布局流程参考示意图参考示意图说明:此图为参考示意图,仅示意布局和卫生设施要求,各餐饮单位可按照自身操作间结构、大小、地形、经营规模等特点,按照餐饮业量化分级管理标准的要求,确定布局,但必须确保工艺流程不交叉污染,并按要求配备必须的设施设备。
操作加工场所必须有防蝇、防尘、防鼠、防潮(防霉变)设施,地面地砖,墙面瓷砖到顶。
①更衣室(场所),设从业人员更衣室(场所)、更衣柜,设有洗手消毒设施,设洗手水池,洗手水池必须配有非手动式的水龙头。
②粗加工间,分设肉类原料、水产品和蔬菜原料洗涤池,并有明显标志(有条件的单位应分设三个洗涤间)。
加工肉类、水产品和蔬菜的操作台、用具和容器分开使用,并有明显标志。
粗加工间与烹调间之间设传菜窗。
③烹调间,使用隔墙烧火炉灶或油气炉。
安装有排气罩,排烟排气良好。
设有配料操作台,设有食用具存放柜。
④⑤⑥烧烤间,分设出入口,清洗消毒设备完善,用具清洗消毒具备一洗、二泡、三冲三个水池。
依次设腌制间(场所)、烧烤卤肉间(场所)和晾凉间(柜),防蝇、防尘、防鼠三防设施完备,有二次加工间。
晾凉间(柜)有空气消毒措施。
⑦⑧⑨凉菜间,入口处设预进间,设更衣及洗手、消毒设施(设洗手水池消毒水池,洗手水池必须配有非手动式的水龙头)。
配备有充足有效的空气消毒装置(紫外线消毒灯,安装位置应在操作台面上方一米),配备有空调(或降温设施)、食品冷藏设施。
配备专用工具,设有能开合的食品输送窗。
⑩⑾⑿裱花间,入口处设预进间,设更衣及洗手、消毒设施(设洗手水池消毒水池,洗手水池必须配有非手动式的水龙头)。
配备有充足有效的空气消毒装置(紫外线消毒灯,安装位置应在操作台面上方一米),配备有空调(或降温设施)、食品冷藏设施。
配备专用工具,设有能开合的食品输送窗。
⒀⒁⒂面点间,配备专用工具、操作台和原料暂存柜。
设有清洗水池。
⒃⒄餐具洗消间,设专用洗涮水池(设不少于三个水池,按清洗流程设置并能满足清洗要求),有充足、有效的消毒设施(使用蒸汽热力消毒),设有充足、完善的餐具保洁设施。
食堂功能区划分
食堂一般会被划分为以下几个功能区:
1. 餐桌区:为就餐人员提供用餐区域,包括方桌、圆桌、长桌等不同种类的餐桌和座椅。
根据食堂规模的大小,餐桌区可能会分为多个区域。
2. 自助餐区:提供自助餐的服务,通常有多个自助餐桌,提供各种饭菜、水果、饮料等。
3. 收银区:食堂人员在这里可以结账支付,也可以查看菜品和价格。
4. 等候区:就餐人员在这里可以等待其他人就餐或排队。
等候区一般会配有椅子等座位。
5. 食品展示区:展示当天提供的各种菜品和饮料等,方便人员选择品尝。
6. 厨房区:食品的加工和烹饪一般在厨房区进行,包括制作食材、烧菜和清洗。
这个区域的管理应该严格遵守厨师的标准规定。
7. 食品配送区:将烹制好的食物或窗口出售的商品分配到对应的区域。
8. 洗涤区:提供清洗和消毒食具和餐桌的设施和设备。
这些区域的规划取决于食堂的规模和业务需求。
厨房组织架构图厨师长(1人)中厨主管(1人)西厨主管(1人)(未到岗)中厨领班(1热菜西厨助理冷房西厨助理中厨炒锅(1人)人)(1人)(1人)(未到岗)水台(1人)打荷(2人)砧板(1人)洗碗工人(一)厨师长] 管理层级管理[ 直接上级:客服部总监西厨主管直接下级:中厨主管.协助客服总监对球会的厨房生产的全面管理岗位职责][全面负责厨房的组织,指挥和运转管理工作,通过设计和生产有特色岗位提要[]为宾客创造最佳的社会效益和经济的菜点产品吸引客源,并进行食品成本控制,效益、组织和指挥厨房工作,监督食品制备,按上级要求和客人需求规范生产优质1 产品。
,严格执行考勤制度。
2、负责厨房的各岗位职责定岗,核准厨房考勤、排班3、负责制定菜单、开发新菜品、确定菜肴价格,制定标准菜谱,进行食品生产质量控制。
4、审定厨房各岗位工作计划、培训计划、规章制度、岗位工作流程及出品标准。
5、与餐厅主管密切联系,主动听取宾客意见,不断提高菜肴质量。
6、遇有大型宴会及重要客人活动时,与部门总监;经理有关领导商议具体事项,对活动流程,菜肴安排提出建议并参加宴会的烹调工作。
7、严格执行《食品卫生法》,抓好厨房生产卫生及厨房卫生工作。
8、控制厨房食品材料、调料、物料、等的申购出入库,负责厨房水、电、煤气规范规范使用和节源耗费控制。
9、负责提出厨房所需原料和用具的申购和请领要求,与采购保持沟通严把食品原料质量检验工作,配合财务参加每月厨房财、物的盘点工作,达到合理费用规定。
10、落实岗位责任制,合理调配人力、物力;负责检查厨房设备设施是否正常,发现问题及时报修。
11、负责组织员工进行各种安全知识教育,认真执行各种安全防火操作规程。
12、完成上级交付的其他任务。
(二)中厨主管.] [管理层级关系直接上级:厨师长. .直接下级:中厨领班砧板][岗位职责、协助厨师长做好厨房的正常运作,生产组织工作,制定厨房人员的工作1 每日上班后检查厨房人员到岗情况,卫生情况及原料准备情况。
餐饮单位(学校食堂)布局流程参考示意图参考示意图说明:此图为参考示意图,仅示意布局和卫生设施要求,各餐饮单位可按照自身操作间结构、大小、地形、经营规模等特点,按照餐饮业量化分级管理标准的要求,确定布局,但必须确保工艺流程不交叉污染,并按要求配备必须的设施设备。
操作加工场所必须有防蝇、防尘、防鼠、防潮(防霉变)设施,地面地砖,墙面瓷砖到顶。
①更衣室(场所),设从业人员更衣室(场所)、更衣柜,设有洗手消毒设施,设洗手水池,洗手水池必须配有非手动式的水龙头。
②粗加工间,分设肉类原料、水产品和蔬菜原料洗涤池,并有明显标志(有条件的单位应分设三个洗涤间)。
加工肉类、水产品和蔬菜的操作台、用具和容器分开使用,并有明显标志。
粗加工间与烹调间之间设传菜窗。
③烹调间,使用隔墙烧火炉灶或油气炉。
安装有排气罩,排烟排气良好。
设有配料操作台,设有食用具存放柜。
④⑤⑥烧烤间,分设出入口,清洗消毒设备完善,用具清洗消毒具备一洗、二泡、三冲三个水池。
依次设腌制间(场所)、烧烤卤肉间(场所)和晾凉间(柜),防蝇、防尘、防鼠三防设施完备,有二次加工间。
晾凉间(柜)有空气消毒措施。
⑦⑧⑨凉菜间,入口处设预进间,设更衣及洗手、消毒设施(设洗手水池消毒水池,洗手水池必须配有非手动式的水龙头)。
配备有充足有效的空气消毒装置(紫外线消毒灯,安装位置应在操作台面上方一米),配备有空调(或降温设施)、食品冷藏设施。
配备专用工具,设有能开合的食品输送窗。
⑩⑾⑿裱花间,入口处设预进间,设更衣及洗手、消毒设施(设洗手水池消毒水池,洗手水池必须配有非手动式的水龙头)。
配备有充足有效的空气消毒装置(紫外线消毒灯,安装位置应在操作台面上方一米),配备有空调(或降温设施)、食品冷藏设施。
配备专用工具,设有能开合的食品输送窗。
⒀⒁⒂面点间,配备专用工具、操作台和原料暂存柜。
设有清洗水池。
⒃⒄餐具洗消间,设专用洗涮水池(设不少于三个水池,按清洗流程设置并能满足清洗要求),有充足、有效的消毒设施(使用蒸汽热力消毒),设有充足、完善的餐具保洁设施。
食堂卫生设施示意图及说明示意图说明:此图为参考示意图,仅示意布局和卫生设施要求,各餐饮单位可按照自身操作间结构、大小、地形、经营规模等特点,按照餐饮业量化分级管理标准的要求,确定布局,但必须确保工艺流程不交叉污染,并按要求配备必须的设施设备。
操作加工场所必须有防蝇、防尘、防鼠、防潮(防霉变)设施,地面地砖,墙面瓷砖到顶。
①更衣室(场所),设从业人员更衣室(场所)、更衣柜,设有洗手消毒设施,设洗手水池,洗手水池必须配有非手动式的水龙头。
②粗加工间,分设肉类原料、水产品和蔬菜原料洗涤池,并有明显标志(有条件的单位应分设三个洗涤间)。
加工肉类、水产品和蔬菜的操作台、用具和容器分开使用,并有明显标志。
粗加工间与烹调间之间设传菜窗。
③烹调间,使用隔墙烧火炉灶或油气炉。
安装有排气罩,排烟排气良好。
设有配料操作台,设有食用具存放柜。
④⑤⑥烧烤间,分设出入口,清洗消毒设备完善,用具清洗消毒具备一洗、二泡、三冲三个水池。
依次设腌制间(场所)、烧烤卤肉间(场所)和晾凉间(柜),防蝇、防尘、防鼠三防设施完备,有二次加工间。
晾凉间(柜)有空气消毒措施。
⑦⑧⑨凉菜间,入口处设预进间,设更衣及洗手、消毒设施(设洗手水池消毒水池,洗手水池必须配有非手动式的水龙头)。
配备有充足有效的空气消毒装置(紫外线消毒灯,安装位置应在操作台面上方一米),配备有空调(或降温设施)、食品冷藏设施。
配备专用工具,设有能开合的食品输送窗。
⑩⑾⑿裱花间,入口处设预进间,设更衣及洗手、消毒设施(设洗手水池消毒水池,洗手水池必须配有非手动式的水龙头)。
配备有充足有效的空气消毒装置(紫外线消毒灯,安装位置应在操作台面上方一米),配备有空调(或降温设施)、食品冷藏设施。
配备专用工具,设有能开合的食品输送窗。
⒀⒁⒂面点间,配备专用工具、操作台和原料暂存柜。
设有清洗水池。
⒃⒄餐具洗消间,设专用洗涮水池(设不少于三个水池,按清洗流程设置并能满足清洗要求),有充足、有效的消毒设施(使用蒸汽热力消毒),设有充足、完善的餐具保洁设施。
集体食堂厨房功能分区基本布局示意图集体食堂厨房功能分区基本布局示意图功能分区及配置: 1、厨房及其配套设施的墙壁贴1.8米以上的瓷片,地铺地砖;门安装弹簧门或风闸机,木质门下缘两面贴50cm高锌铁皮,离地不得大于0.5厘米;所有窗封不锈钢纱;下水道装防鼠网。
2、案台贴瓷片(不锈钢案台),下设不锈钢平推门,用于已消毒餐具的寄存、保洁;肉菜餐(饮)具洗涤消毒池不得小于80×60×40厘米(长×宽×高)。
3、烹调制作区:内有炉灶、寄存半成品冰柜、执码用案台。
4、配餐间:设有预进间(内有更衣、洗手消毒设施)、专用配餐工具、空调。
紫外线光管吊在天花板下,房间正中位置,离地约2.5米高(离操作台约1.2米高),室内无人时方可以使用。
5、粗加工区:水台和洗肉池,用于3鸟、鱼、肉粗加工;水台及洗菜池,用于蔬菜清洗粗加工。
6、洗涤消毒区:设有3个及以上的餐饮具洗消池、保洁柜及不锈钢层架。
要求: 1、厨房门、配餐间门、预进间门及所有与外界直接相通的门须安装弹簧门或风闸机; 2、配餐间在天花板安装紫外线光管距离地面约2.5米高; 3、各工作间与外界直接相通的窗安装纱窗; 4、厨房木门、仓库木门的门脚封50cm 高的星铁皮作防鼠板; 5、地面铺贴地砖,墙壁贴瓷片至1.8米高以上;其中配餐间、预进间墙壁贴瓷片至天花; 6、配餐间、烹调间、洗消间、粗加工间安装灭蝇灯。
冰柜子水台带盖垃圾桶洗肉池炉灶原料粗加工区层架案台洗菜池烹调制作区水台案台案台案台案台更衣室餐饮具洗消池层架洗涤消毒区预进间层架传送窗口配餐间案台案台食品原料仓库集体食堂卫生许可证发证卫生要求 1、选址:食堂必须阔别污染源(25米内无暴露垃圾堆、垃圾物、坑或厕所、粪池),周围环境整洁; 2、面积:食堂面积与就餐人数、加工食品的品种和数量相适应,厨房面积不得小于50平方米; 3、厨房分区:厨房要有相对独立的原料粗加工区(用于食品原材料粗加工)、烹调制作区(用于食品半成品制作为成品)和配餐间(用于可食用食品分发给用餐者)、洗涤消毒区[用于餐(饮)具、工(用)具洗涤、消毒]; 4、专用制作间:食堂如有制作冷荤、冷菜、熟食、糕点等食品必须设有单独熟食间、冷荤制作间、点心间;5、流程布局:供餐食品加工按原料购(存)、原料处理、半成品加工、成品加工及出品顺序进行布局,由非清洁区向清洁区过度,避免交叉污染;6、食堂使用加工用水、2次供水、食品原材料、工(用)具、洗涤剂、消毒剂要符合有关卫生要求;7、卫生设施: 1、加工与用餐场所配置有效防蝇沙门、沙窗,出入口装风帘或胶帘,下水道出口装防鼠网,库房出口装防鼠门(板); 2、有与从业人员相适应的更衣室(用于更换工作服、寄存私人物品)和洗手水消毒设施;3、有足够污物寄存设施(带盖污物桶、密闭垃圾池、废弃油搜集罐),并定期按规定处理;4、食堂设水冲式洗手间(厨房内不得设厕所),洗手间门不得与食品加工间相对;5、有足够餐(饮)具保洁储存设施(带门寄存柜、消毒碗柜);6、有工(用)具和餐(饮)具清洗、消毒设施(药物消毒、物理消毒);7、有足够食品储存设施(库房、冷柜、冰箱、空调),做好主、副食,生、熟食标记;8、用餐场所有供用餐者餐具寄存柜和供用餐者使用洗手设施。
集体食堂厨房功能分区基本布局示意图
集体食堂卫生许可证发证卫生要求
一、选址:食堂必须远离污染源(25米内无暴露垃圾堆、垃圾物、坑或厕所、粪池),周围环境整洁;
二、面积:食堂面积与就餐人数、加工食品的品种和数量相适应,厨房面积不得小于50平方米;
三、厨房分区:厨房要有相对独立的原料粗加工区(用于食品原材料粗加工)、烹调制作区(用于食品半成品制作为成品)
和配餐间(用于可食用食品分发给用餐者)、洗涤消毒区[用于餐(饮)具、工(用)具洗涤、消毒];
四、专用制作间:食堂如有制作冷荤、冷菜、熟食、糕点等食品必须设有单独熟食间、冷荤制作间、点心间;
五、流程布局:供餐食品加工按原料购(存)、原料处理、半成品加工、成品加工及出品顺序进行布局,由非清洁区向清洁
区过度,防止交叉污染;
六、食堂使用加工用水、二次供水、食品原材料、工(用)具、洗涤剂、消毒剂要符合有关卫生要求;
七、卫生设施:
1、加工与用餐场所配置有效防蝇沙门、沙窗,出入口装风帘或胶帘,下水道出口装防鼠网,库房出口装防鼠门(板);
2、有与从业人员相适应的更衣室(用于更换工作服、存放私人物品)和洗手水消毒设施;
3、有足够污物存放设施(带盖污物桶、密闭垃圾池、废弃油收集罐),并定期按规定处理;
4、食堂设水冲式卫生间(厨房内不得设厕所),卫生间门不得与食品加工间相对;
5、有足够餐(饮)具保洁贮存设施(带门存放柜、消毒碗柜);
6、有工(用)具和餐(饮)具清洗、消毒设施(药物消毒、物理消毒);
7、有足够食品贮存设施(库房、冷柜、冰箱、空调),做好主、副食,生、熟食标记;
8、用餐场所有供用餐者餐具存放柜和供用餐者使用洗手设施。
八、卫生管理
1、单位法人(负责人)和单位内管理层及部门的卫生负责人必须持有法规、卫生知识培训合格证;
2、从业人员必须持有效健康检查合格证和卫生知识培训合格证上岗。
3、建立单位卫生资料档案;
4、根据单位类型、规模建立卫生管理架构、制度,制订岗位卫生管理制度,从管理层至部门设立卫生负责人,负
责岗位责任和卫生制度检查、餐位落实;
5、按时年审、评级、亮证经营,接受群众监督。
中型餐饮业卫生许可证发证卫生要求
一、选址:餐饮业必须远离污染源(25米内无暴露垃圾堆、垃圾物、坑或厕所、粪池),周围环境整洁;
二、面积:餐饮业面积与设置座位、加工食品的品种和数量相匹配,厨房面积(不含库房、更衣室)与餐厅面积的比例为
50%以上;
三、房分区:厨房要有相对独立的原料粗加工区(用于食品原材料粗加工)、烹调制作区(用于食品半成品制作为成品)和
洗涤消毒区[用于餐(饮)具、工(用)具洗涤、消毒],各区应用1.5米高矮墙相隔;
四、专用制作间:餐饮业如有制作冷荤、冷菜、熟食、糕点等食品必须设有单独熟食间、冷荤制作间、点心间;
五、流程布局:供餐食品加工按原料购(存)、原料处理、半成品加工、成品加工及出品顺序进行布局,由非清洁区向清洁
区过度,防止交叉污染;
六、餐饮业使用加工用水、二次供水、食品原材料、工(用)具、洗涤剂、消毒剂要符合有关卫生要求;
七、卫生设施:
1、加工与用餐场所配置有效防蝇沙门、沙窗,出入口装风帘或胶帘,下水道出口装防鼠网,库房出口装防鼠门(板);
2、有与从业人员相适应的更衣室(用于更换工作服、存放私人物品)和洗手水消毒设施;
3、有足够污物存放设施(带盖污物桶、密闭垃圾池、废弃油收集罐),并定期按规定处理;
4、设水冲式卫生间(厨房内不得设厕所),卫生间门不得与食品加工间相对;
5、有足够餐(饮)具保洁贮存设施(带门存放柜、消毒碗柜);
6、有工(用)具和餐(饮)具清洗、消毒设施(药物消毒、物理消毒);
7、有足够食品贮存设施(库房、冷柜、冰箱、空调),做好主、副食,生、熟食标记。
八、卫生管理
1、单位法人(负责人)和单位内管理层及部门的卫生负责人必须持有法规、卫生知识培训合格证;
2、从业人员必须持有效健康检查合格证和卫生知识培训合格证上岗。
3、建立单位卫生资料档案;
4、根据单位类型、规模建立卫生管理架构、制度,制订岗位卫生管理制度,从管理层至部门设立卫生负责人,负
责岗位责任和卫生制度检查、餐位落实;
5、按时年审、评级、亮证经营,接受群众监督。
小型餐饮业卫生许可证发证卫生要求
一.选址:餐饮业必须远离污染源(25米内无暴露垃圾堆、垃圾物、坑或厕所、粪池),周围环境整洁;
二.面积:餐饮业面积与设置座位、加工食品的品种和数量相匹配,厨房面积(不含库房、更衣室)与餐厅面积的比例为
50%以上,最小不得小于20平方米;
三.房分区:厨房要有相对独立的原料粗加工区(用于食品原材料粗加工)、烹调制作区(用于食品半成品制作为成品)和
洗涤消毒区[用于餐(饮)具、工(用)具洗涤、消毒],各区应用1.5米高矮墙相隔;
四.流程布局:供餐食品加工按原料购(存)、原料处理、半成品加工、成品加工及出品顺序进行布局,由非清洁区向清洁
区过度,防止交叉污染;
五.餐饮业使用加工用水、二次供水、食品原材料、工(用)具、洗涤剂、消毒剂要符合有关卫生要求;
六.卫生设施:
1、加工与用餐场所配置有效防蝇沙门、沙窗,出入口装风帘或胶帘,下水道出口装防鼠网,库房出口装防鼠门(板);
2、有与从业人员相适应的更衣室(用于更换工作服、存放私人物品)和洗手水消毒设施;
3、有足够污物存放设施(带盖污物桶、密闭垃圾池、废弃油收集罐),并定期按规定处理;
4、设水冲式洗手间(厨房内不得设洗手间),门为弹簧门,保持洗手间关闭;
5、有足够餐(饮)具保洁贮存设施(带门存放柜、消毒碗柜);
6、有工(用)具和餐(饮)具清洗、消毒设施(药物消毒、物理消毒);
7、配有食品贮存设施(冷柜、冰箱),做好生、熟食标记。
七、卫生管理
1、单位法人(负责人)和单位内卫生负责人必须持有法规、卫生知识培训合格证;
2、从业人员必须持有效健康检查合格证明和卫生知识培训合格证明上岗。
3、建立单位卫生资料档案;
4、根据单位类型、规模建立卫生管理架构、制度,制订岗位卫生管理制度,从管理层至部门设立卫生负责人,负
责岗位责任和卫生制度检查、餐位落实;
5、按时年审、评级、亮证经营,接受群众监督。
Welcome !!! 欢迎您的下载,资料仅供参考!。