钢化玻璃亚克力之比较
- 格式:doc
- 大小:23.00 KB
- 文档页数:2
4mm厚钢化玻璃ik10等级测试标准钢化玻璃是一种经过特殊处理的玻璃,具有较高的强度和耐冲击性。
在建筑、汽车、家电等领域得到广泛应用。
而IK10等级则是对钢化玻璃的耐冲击性能进行评估的标准。
本文将介绍4mm厚钢化玻璃IK10等级测试标准及其重要性。
首先,我们需要了解什么是IK等级。
IK等级是根据EN 62262标准制定的,用于评估电气设备外壳的抗冲击能力。
IK等级共分为10个等级,从IK01到IK10,等级越高,抗冲击能力越强。
IK10等级是最高等级,表示能够承受20焦耳的冲击能量,相当于一个5千克的物体从1米高度自由落下所产生的冲击力。
对于4mm厚钢化玻璃来说,达到IK10等级的要求并不容易。
因为钢化玻璃的厚度较薄,相对来说强度较低,容易受到外力的影响而破裂。
因此,测试4mm厚钢化玻璃的IK10等级是非常重要的。
测试4mm厚钢化玻璃的IK10等级需要进行冲击试验。
试验时,使用一个标准的冲击器,将20焦耳的冲击能量施加在玻璃表面上。
如果玻璃能够承受住冲击而不破裂,那么它就符合IK10等级的要求。
否则,就需要重新设计或选择更厚的玻璃。
冲击试验只是测试4mm厚钢化玻璃IK10等级的一种方法,还有其他的测试方法可以评估玻璃的耐冲击性能。
例如,可以使用球冲击试验仪,将不同直径和重量的钢球从不同高度自由落下,观察玻璃的破裂情况。
还可以进行冲击振动试验,模拟真实环境中的冲击力,评估玻璃的耐久性。
为什么测试4mm厚钢化玻璃的IK10等级如此重要呢?首先,钢化玻璃在建筑领域广泛应用,如幕墙、阳台栏杆等。
这些玻璃制品需要具备较高的安全性能,能够承受外力的冲击,保护人身安全。
如果使用的玻璃不符合IK10等级的要求,可能会导致玻璃破裂,造成人员伤亡。
其次,汽车领域也需要测试4mm厚钢化玻璃的IK10等级。
汽车玻璃需要具备较高的耐冲击性能,能够承受高速行驶中的风压和碰撞力。
如果汽车玻璃不符合IK10等级的要求,可能会在事故中破裂,增加乘客的伤害风险。
玻璃的种类和作用特点玻璃作为一种重要的建筑材料,在我们日常生活中应用广泛。
下面是玻璃的种类和作用特点:一、按用途分类:1.建筑玻璃建筑玻璃是一种定义为用于建筑物中外玻璃部分的玻璃。
其特点是透明,质地坚硬,易清洁,表面平整等。
常见的有普通平板玻璃、夹丝玻璃、夹层玻璃、半透明玻璃等。
2.装饰玻璃装饰玻璃广泛地应用于室内装修中,可以起到美化装饰的作用。
装饰玻璃可以分为彩色玻璃、丝印玻璃、磨砂玻璃、艺术玻璃等。
3.光学玻璃光学玻璃可以分为透明光学玻璃和非透明光学玻璃。
透明光学玻璃一般用于光学仪器、光学仪表、镜头、准直器等的制造。
非透明光学玻璃主要用于显微镜、望远镜、摄像头等的制造。
4.工艺玻璃工艺玻璃具有良好的装饰效果,主要用于装饰建筑墙面、门窗、天花板等。
工艺玻璃有热熔玻璃、镶嵌玻璃、油剪玻璃等。
二、按组成分类:1.普通玻璃普通玻璃是最常见的一种玻璃,由硅砂、碳酸钠、石灰等原材料熔化后制成,透光度高,显著优点是透明,易于切割和加工。
2.特种玻璃特种玻璃分为多种,如钢化玻璃、夹层玻璃等,透光度、力学性能、化学稳定性和耐温性能等方面要求更高,适用于较为严苛的实际用途。
3.高温玻璃高温玻璃属于特种玻璃,它具有高温抗热性能,可广泛用于化学工业、冶金工业等对温度要求较高的领域。
三、按特点分类:1.钢化玻璃钢化玻璃属于特种玻璃,具有很高的机械强度和安全性,即在强度条件下,当发生碎裂时会成为细小颗粒不易损害人体的性质。
2.夹层玻璃夹层玻璃是由两层玻璃中间加层有特定粘结剂的中层制成,有抗冲击、抗紫外线等特点,常用于建筑、机器、汽车等领域。
3.亚克力玻璃亚克力玻璃具有较好的韧性和耐冲击度,从而减少不必要的损失。
具有透光性高、质地轻、平滑度好、绝缘性好等特点。
总之,玻璃的种类和特点非常多样,应用范围非常广泛。
我们可以根据具体需求选择不同种类的玻璃来满足不同的需求。
玻璃的种类及特点玻璃是一种常见的透明材料,它是由不同种类的无机物质熔融后,经冷却和固化而成的。
玻璃主要由SiO2为主要成分,以及其他元素为辅助成分,不同的成分配比和生产工艺会影响到玻璃的性能和特点。
以下是一些常见的玻璃种类及其特点。
1. 强化玻璃强化玻璃是一种通过加热玻璃然后吹气来拉细玻璃,从而提高其强度和耐久性。
强化玻璃的特点包括高强度、高耐力、硬度强、韧性好、不易破裂。
因此,它常用于车辆、建筑、家具和电子设备等领域。
2. 钢化玻璃钢化玻璃是一种强化玻璃,它是用高温钢化而成的。
钢化玻璃的特点包括高强度、耐冲击、抗扭曲能力强、重量轻、安全耐用等。
它通常用于建筑门窗、楼梯、办公室隔断以及汽车玻璃等领域。
3. 低铁玻璃低铁玻璃是一种在玻璃制造过程中减少铁含量的玻璃。
它的特点是表面透明光滑、色泽均匀,光线通过率高,反射率低,适合用于室内和外部建筑的玻璃。
低铁玻璃在电子设备、太阳能能源和无尘房的应用也十分广泛。
4. 夹层玻璃夹层玻璃通常是由两层玻璃中间一层塑料膜所组成的,这个过程又称为玻璃隔热处理。
夹层玻璃的特点是能够防止玻璃被摔碎、耐震、隔热、保暖和隔音。
因此,它广泛应用于建筑中的窗户、门、地板、电梯和立面等。
5. 真空玻璃真空玻璃也被称为真空绝热玻璃。
它是由双层或多层玻璃板之间的真空空间组成的。
真空玻璃的特点是隔热性能好、防雾性能好、保温性强、透光性强、冷热效果显著。
它通常用于建筑中的玻璃幕墙、门窗、车辆中的车窗和冷藏机械设备,以及太空船、飞机和科学实验设备等高科技领域。
6. 智能玻璃智能玻璃是由一种特殊的玻璃制成,它能够通过电流的控制来改变透明度。
智能玻璃的特点是调整透明度迅速、隔音、控制室内温度、抗紫外线、隐私性好等。
它广泛应用于车辆、建筑、办公室、展馆和酒店等领域。
有机玻璃与普通的玻璃有哪些方面的区别概述玻璃是一种常用的材料,广泛应用于建筑、家具、电子、汽车等领域。
根据制造材料的不同,玻璃可以分为有机玻璃和普通玻璃。
虽然两者都被称为玻璃,但它们在制作原料、物理性质、化学性质、耐性、透明度等方面存在巨大的差异。
本文将介绍有机玻璃与普通玻璃的区别。
制造材料普通玻璃是由石英砂、碳酸钠和石灰石等天然材料熔炼制成的。
有机玻璃(又称为聚甲基丙烯酸甲酯PMMA)则是由甲基丙烯酸甲酯制成的。
这些材料在加工前都需要经过粉碎、混合、熔化和成型等步骤,但它们的成分是完全不同的。
物理性质在硬度方面,普通玻璃是一种硬度较高的材料,通常被称为“钢化玻璃”。
有机玻璃的硬度要低于普通玻璃,但比大多数塑料硬度要高。
在韧性方面,有机玻璃比普通玻璃具有更好的韧性,可以承受更大的冲击力。
而普通玻璃要比有机玻璃更加脆弱。
化学性质有机玻璃具有很强的耐腐蚀性,可以抵抗很多化学物质的侵蚀,如酸、碱、油和盐等。
这使得有机玻璃在制造化学仪器和实验器具时被广泛应用。
普通玻璃则不具备这种特点,在面对化学性质变化时易受到损坏。
耐性有机玻璃具有较好的耐热性,在应用过程中可以承受较高的温度。
而普通玻璃的耐热性较弱,超过700℃的高温会导致普通玻璃变形。
透明度虽然普通玻璃在透明度方面表现得更好,但有机玻璃透明度也经过特殊的处理有一定的提升。
在采光方面,有机玻璃能够过滤掉紫外线,具有较好的光学性能,这意味着它可用于光学仪器和观看艺术品等场景。
结论可以看出,有机玻璃与普通玻璃在物理性质、化学性质、耐性和透明度等方面存在较大的差异。
这些特性决定了它们在不同领域的应用,例如,有机玻璃更适合用于制作高品质的化学器具和建筑材料,而普通玻璃则适用于制作镜子、车窗和手机屏幕等场景。
当然,两者也有自己的优缺点,具体应用还需根据实际需求进行选择。
普通玻璃和钢化玻璃的强度
普通玻璃和钢化玻璃在强度方面有明显的区别。
首先,让我们
来看看普通玻璃的强度。
普通玻璃,也称为钠钙玻璃,是最常见的
玻璃类型之一。
它的强度主要取决于厚度,一般来说,普通玻璃的
抗弯强度较低,易碎,不具备抗冲击性。
因此,在一些特定场合下,普通玻璃需要加强支撑以确保安全性。
而钢化玻璃则是一种经过特殊处理的玻璃,它的强度要比普通
玻璃高得多。
钢化玻璃是通过在加热后迅速冷却表面,使得玻璃表
面和内部的压缩应力增强,从而提高其强度。
相比之下,钢化玻璃
的抗弯强度是普通玻璃的数倍,而且它具有较强的抗冲击性和耐热性,即使受到冲击或者温度变化,也不容易破裂。
因此,钢化玻璃
被广泛应用于需要更高安全性能的场合,比如建筑立面、车辆玻璃等。
总的来说,普通玻璃的强度较低,容易破碎,而钢化玻璃经过
特殊处理,具有更高的抗弯强度和抗冲击性,因此在安全性能上更
为可靠。
在选择玻璃材料时,需要根据具体使用场合和安全要求来
进行考虑和选择。
了解淋浴房的几种材质淋浴房是现代家居装修中不可缺少的一个元素。
随着人们对生活品质的要求越来越高,淋浴房的材质也越来越多样化。
本文将介绍几种常见的淋浴房材质及其特点。
1. 钢化玻璃钢化玻璃是最为常见的淋浴房材质之一。
它的主要特点是耐用、透光、易清洁。
钢化玻璃经过特殊处理,硬度增强,强度更高,能够承受较大的压力和冲击。
同时,钢化玻璃的透光性也很好,可以使整个浴室显得更加明亮。
另外,钢化玻璃表面光滑平整,很容易清洗,不易残留水渍和污垢。
但是,钢化玻璃也有其缺点。
例如,由于其硬度较高,在剧烈碰撞或是受到较大的外部力量时,钢化玻璃可能会破裂,并且破碎的玻璃碎片比较锐利,可能会对人体构成一定的危险。
因此,在选择钢化玻璃淋浴房时,一定要注意质量。
2. 亚克力板亚克力板也被广泛应用于淋浴房的制作中。
亚克力板材质柔韧,易加工,不易破裂。
与钢化玻璃相比,亚克力板的崩裂程度较小,碎片也不易造成人体伤害。
亚克力板淋浴房表面光滑平整,易清洗,但是与钢化玻璃相比,易发生刮痕。
与钢化玻璃相比,亚克力板的透光性较弱,不如玻璃明亮,并且在长时间使用之后,亚克力板表面可能会发黄。
此外,亚克力板的硬度较低,容易被尖锐的物体划伤或者刮花,因此在平时使用过程中应注意。
3. 石材近年来,越来越多的淋浴房开始采用天然石材制作,例如大理石、花岗岩等。
石材淋浴房的材质坚硬、美观、质感好,经久耐用。
与玻璃、亚克力板淋浴房相比,石材淋浴房具有更好的保温性能,使人在沐浴时更加舒适。
但是,石材淋浴房制作成本较高,需要特殊的制造工艺和技术。
另外,石材淋浴房材料结构较为复杂,需要更加深入的维护和保养。
4. 不锈钢不锈钢材质淋浴房也是一种常见的淋浴房材质。
不锈钢淋浴房防腐性好,不易生锈,整体性能稳定。
另外,不锈钢淋浴房具有一定的加工弹性,可以根据个人喜好和需求制作出更多新颖的设计和样式。
但是,不锈钢淋浴房表面易留下指纹、水渍和污垢,在日常使用中更加需要注意清洁和保养。
游泳馆顶棚材料产品介绍参数对比表1、PC耐力板:(又称聚碳酸酯实心板、PC防弹玻璃、PC实心板,聚碳酸脂板)是以高性能的工程塑料-----聚碳酸酯(PC)加工而成。
用耐力平板压成波浪型就变成实心耐力瓦。
2、PC阳光板:(又称聚碳酸酯中空板、玻璃卡普隆板、PC单层或多层中空板,聚碳酸脂板)是以高性能的工程塑料-----聚碳酸酯(PC)树脂加工而成,具有透明度高、质轻、抗冲击、隔音、隔热、难燃、抗老化等特点,但不耐酸,不耐碱,是一种高科技、综合性能极其卓越、节能环保型塑料板材,是目前国际上普遍采用的塑料建筑材料,有其他建筑装饰材料(如玻璃、有机玻璃等)无法比拟的优点,有“不碎玻璃”之称。
广泛应用于温室/工业厂房、装潢、广告招牌、停车棚、通道采光雨披住宅、商厦采光天幕、展览采光、体育场馆、游泳池、仓库采光顶商业、工厂、体育场馆的采光天棚和遮阳雨棚、农业温室、养殖业和花卉大棚、以及电话亭、书报亭、车站等公用设施、高速公路隔音、广告装饰领域。
3、亚克力板:又叫PMMA或亚加力,源自英文Organic Glass(有机玻璃)。
化学名称为聚甲基丙烯酸甲酯,是一种开发较早的重要可塑性高分子材料,具有较好的透明性、化学稳定性和耐候性,易染色,易加工,外观优美,在建筑业中有着广泛的应用。
有机玻璃产品通常可以分为浇注板、挤出板和模塑料。
亚克力板按生产工艺分浇铸板和挤出板两大类。
亚克力浇铸板:分子量高,具有出色的刚度、强度以及优异的抗化学品性能。
这种板材的特点是小批量加工,在颜色体系和表面纹理效果方面有无法比拟的灵活性,且产品规格齐全,适用于各种特殊用途。
亚克力挤出板:与浇铸板相比,挤出板分子量较低,机械性能稍弱。
然而,这一特点有利于折弯和热成型加工,在处理尺寸较大的板材时,有利于快速真空吸塑成型。
同时,挤出板的厚度公差比浇铸板小。
由于挤板是大批量自动化生产,颜色和规格不便调整,所以产品规格多样性受到一定的限制。
亚克力板按材质分类在国内主要分为三大类:一是进口板;二是台资板;三是国产板。
玻璃钢与亚克力的区别
一玻璃缸定义
玻璃钢,是以玻璃纤维或其制品作增强材料的增强塑料,由于所使用的树脂品种不同,因此有聚酯玻璃钢、环氧玻璃钢、酚醛玻璃钢之称。
玻璃钢无磁性,不阻挡电磁波通过。
根据玻璃钢的良好的透波性,广泛被应用于制造2G和3G天线外罩。
二亚克力定义
亚克力,化学名:聚甲基丙烯酸甲酯(PMMA), 俗名特殊处理有机玻璃。
亚克力具有高透明度,透光率达92%,有"塑胶水晶"之美誉,兼具良好的表面硬度与光泽。
三玻璃钢与亚克力性能特点比较。
有机玻璃和亚克力板的区别有机玻璃和亚克力板区别如下:1透光率不同。
亚克力的透光性高达92%,紫外线透过性73%,玻璃仅有0.6%o而且韧性相对较高,抗击打性能为玻璃的7倍。
2、重量不同。
亚克力的重量较轻,为玻璃的二分之一。
而且具备优艮的绝缘、耐燃、耐候以及可塑等性能,加工成的产品既亮又通透,并且还不易泛黄。
3、适用范围不同。
由于亚克力具备优良的性能,比如:飞机窗、战斗机舱盖以及防弹玻璃都是亚克力的杰作。
甚至一些陶瓷品也被亚克力替代了,比如:浴缸、坐便器。
在生活中部分相对廉价的亚克力制品就极有可能是有机玻璃制品,比如:灯箱、资料盒以及工作栏。
亚克力的优点:透明度较佳:无色、透明的有机玻璃板材,透光性高达百分之九十二以上。
良好的耐候性:对自然的适应能力很强,就算长期在日光直射、风吹雨淋也不会让它的性能出现转变,抗老化性佳。
良好的加工性:能不但适合机械加工,而且又易热成型。
良好的综合性能:亚克力板类型众多,色泽丰富,并且具备极其优良的综合性能。
有机坡璃和亚克力板有什么不同1亚克力板的原材料为MMA,而有机玻璃不仅有MMA,还有PS、PC材料。
2、亚克力板的透光率比较高,可以达到92%,而有机玻璃仅有0.6%o3、亚克力板的韧性比较强,可以达到玻璃的七倍左右。
有机玻璃的优缺点是什么优点:有机玻璃的透光度非常高,压根不比普通玻璃差,同时具有良好的稳定性。
有机玻璃的塑造性比较强,比较容易在机械中加工,能够用在车床中实行切割,钻床进行穿孔,同时能够凹出各种不同的造型。
缺点:有机玻璃的生产难度非常大,造价很高,因此在市场上很多都会用质量不好的替代品来取代有机玻璃。
但这些替代品也被叫作有机玻璃,所以想要购买到真正的有机玻璃,大家应当前往品牌店进行购买,更加有保障。
有机玻璃用细纱摩擦后的抛光效果并不是很理想,在市面上特别容易制造假冒产品,有很多复合板只是外表上有非常薄的一层有机玻璃,也都被叫做是有机玻璃,因此真假有机玻璃还是要消费者认真的去辨别。
水下透明材料应用技术探讨摘要:随着建筑技术的不断发展,目前国内好多工程将主体结构至于水下,采用透明材料,已期达到建筑在水下更好的视觉观赏效果。
水下透明材料主要有玻璃和亚克力板,玻璃多为钢化夹层复合玻璃,压克力板材为压克力聚甲基丙烯酸甲酯是mma的均聚物或共聚物。
本文就水下透明材料的技术进行讨论。
关键词:水下、透明材料、技术中图分类号:k826.16 文献标识码:a 文章编号:一、水下玻璃技术性能分析(一)关于水下玻璃相关规范:jgj 113-2009《建筑玻璃应用技术技程》、11j508 《建筑玻璃应用构造》。
(二)水下玻璃相关技术参数、力学性能。
1、水下玻璃承受荷载分析计算根据《建筑结构荷载规范》gb50009-2006的要求,水下玻璃上面的主要荷载有均布水荷载10kn/m2(按水深1m计算),水下玻璃顶按不上人屋面考虑均布活荷载标准值0.5kn/m2,雪压值取0.4kn/m2。
由此可见玻璃上方的均布水荷载是主要荷载。
永久荷载效应控制组合s=γgsgk+γqiψcisqikγg—永久荷载的分项系数,取1.35sgk—永久荷载标准值gk计算的荷载效应值γqi—第i个可变荷载分项系数,取1.4ψci—可变荷载qi的组合值系数,取0.7sqik—按可变荷载标准值qik计算的荷载效应值将上述荷载代入公式计算,因屋面均布活荷载不应与雪荷载同时组合,取较大值。
s=1.35×10kn/m2+1.4×0.7×0.5kn/m2=14kn/m2=0.014mpa2、水下玻璃设计计算根据《建筑玻璃应用技术规程》jgj113-2009的要求:水下用玻璃的设计应满足下式的要求:σ≤fg式中σ—水压作用产生的玻璃界面最大弯曲应力设计值,n/mm2;fg—长期荷载作用下玻璃的强度设计值,按下表采用。
承受水压时,水下用玻璃般的挠度最大值不得大于其跨度的1/200;安装框架的挠度最大值不得超过其跨度的1/500。
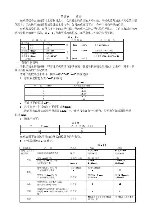
第五节玻璃玻璃是铝合金玻璃幕墙主要材料之一,它直接制约幕墙的各项性能,同时也是幕墙艺术风格的主要体现者,因此选用玻璃是幕墙设计的重要内容,如果玻璃选用不当,会产生相当严重的后果。
玻璃要承受荷载,必须具备一定的力学性能,但玻璃产品的力学性能差异很大,目前尚未制定出玻璃力学性能的统一标准,表2—81列出平板玻璃机械、光学及热工性能的参考数据。
一.普通平板玻璃平板玻璃主要有两种,即普通平板玻璃与浮法玻璃。
普通平板玻璃是指用拉引法生产,用于一般筑和其他方面的平板状玻璃。
普通平板玻璃技术条件,国家标准GB4871—85的规定如下:1、厚度偏差应符合表2—82的规定。
23、尺寸偏差(包括偏斜)不得超过±3mm。
4、边部凸出或残缺部分不得超过3mm,一片玻璃只允许有一个缺角,沿原角等分线测量不得超过5mm。
5、透光率如下:表2-83玻璃表面不许有擦不掉的白雾状或棕黄色的附着物。
6、外观等级按表2-84确定。
注:1.集中气泡是指100mm直径圆面积内超过6个。
2.砂粒的延续部分,90度角能看出者当线道论。
7、二等品玻璃板边部15mm内允许有表2—84所列任何缺陷。
8、玻璃不许有裂子、压口和破坏性的耐火材料结石、疵点存在。
二.浮法玻璃浮法玻璃是以溶化的玻璃浮在锡床上,靠自重和表面张力的作用而形成平滑表面。
幕墙用的无色、灰色、茶色玻璃都是浮法玻璃,其特点是表面平整、无波纹、“不走像”。
浮法玻璃的技术要求,国家标准GB11614—1999规定如下:1、浮法玻璃按厚度分为以下种类:2mm、3mm、4mm、5mm、6mm、8mm、10mm、12mm、15mm、19mm。
2、要求(1)浮法玻璃应为正方形或长方形。
其长度和宽度尺寸允许偏差应符合表2-85规定。
表2-85 尺寸允许偏差mm(2mm、3mm为0.2mm;厚度4mm、5mm、6mm、8mm、10mm为0.3mm。
⑶浮法玻璃的外观质量分为制镜级、汽车级、建筑级。
玻璃亚克力透光率玻璃和亚克力是两种常见的透光材料,它们在各自的领域中有着广泛的应用。
玻璃是一种无机非晶体,由二氧化硅和其他氧化物组成;亚克力是一种有机高分子材料,主要由甲基丙烯酸甲酯组成。
在透光率方面,两者都有一定的特点和优势。
先来说说玻璃的透光率。
玻璃是一种透明的材料,具有较高的透光率。
它通常可以达到90%以上的透光率,也有一部分特殊的玻璃材料可以达到更高的透光率,如光纤等。
这使得玻璃在建筑、汽车、家具等领域中得到广泛应用。
在建筑领域,玻璃可以作为窗户、天窗等建筑材料,使阳光能够透过窗户进入室内,提供自然光线,造成舒适的室内环境。
在汽车领域,玻璃可以作为前风挡、车窗等,保护车内的人员不受外部环境影响,同时提供良好的视觉体验。
在家具领域,玻璃可以作为桌面、柜门等,起到美观、透明的作用。
此外,玻璃还有一些特殊的功能,如隔热、防火等,能够满足不同领域的需求。
亚克力的透光率相对较高,一般可以达到92%以上。
这主要是由于亚克力本身结构的特点决定的。
亚克力是一种聚合物材料,其分子链比较长且有规律,使得它的透光性能优于其他塑料材料。
亚克力的透明度非常好,使得它在广告、展览、灯饰等领域中得到广泛应用。
在广告领域,亚克力可以制作各种形状、大小的招牌,使得广告内容更加清晰明了。
在展览领域,亚克力可以制作展览版面、展示盒等,使得展览品更加清晰可见。
在灯饰领域,亚克力可以制作灯罩、灯座等,使得灯光可以更好地透过亚克力散发出来,起到更好的照明效果。
除了透光率的差异之外,玻璃和亚克力在其他方面也有一些不同的特点。
首先是透明度的差异。
由于玻璃是一种无机材料,其透明度相对比较好,几乎不会变色。
而亚克力由有机高分子组成,其透明度受到周围环境、温度等因素的影响,如果长时间暴露在阳光下,会逐渐变黄变褐,影响其透光率。
其次是硬度的差异。
玻璃的硬度相对较高,不易被刮花或划伤,而亚克力的硬度相对较低,容易被划伤,所以需要特别注意保养。
此外,玻璃的抗冲击性和耐热性较好,亚克力的抗冲击性和耐热性较差。
亚克力基础知识简介压克力是从深海石油中提炼的一种副产品。
其实,仔细了解压克力这种材质,会发现并没有那么神奇,它也是有机玻璃的一种,常见的透明手机展示架就是由它制作而成的。
虽然也是玻璃的一种,但压克力却没有玻璃那么“脆弱”,抗冲击能力比普通玻璃强200倍,几乎不会断裂。
它的承重性随厚度的变化而变化,越厚越坚固。
记者在采访的过程中就发现一款压克力餐桌透明得极为彻底,一改通常玻璃家具在支撑点上选择不锈钢等承重性较好的材质,从头到脚运用的全是压克力,可见它的承受能力不一般。
压克力有坚硬的一面,却也有柔性的特征,它非常适合造型,弯角弧度均能通过技术得到实现。
它的保温性能也比玻璃好,不像玻璃“冷酷到底”,但这也导致了它的散热能力比较差。
这种材质最怕锐物划伤,但这种划伤也很容易修复,普通的白牙膏擦拭即可。
一、性能透明度优良,有突出的耐老化性;它的比重不到普通玻璃的一半,抗碎裂能力却高出几倍;它有良好的绝缘性和机械强度;对酸、碱、盐有较强的耐腐蚀性能;且又易加工;可进行粘接、锯、刨、钻、刻、磨、丝网印刷、喷砂等手工和机械加工,加热后可弯曲压模成各种亚克力制品。
物理性能聚甲基丙烯酸甲酯(Polymethylmethacrylate,简称PMMA,英文Acrylic),又称做压克力或有机玻璃,在香港多称做阿加力胶,它的铸板聚合物的数均分子量一般为2.2×104,相对密度为1.19~1.20,折射率为1.482~1.521,吸湿度在0.5%以下,玻璃化温度为105℃。
具有高透明度,低价格,易于机械加工等优点,是平常经常使用的玻璃替代材料。
设计新颖、工艺先进、色调高雅、造型美观。
1.PMMA的重量轻,密度比玻璃低:PMMA的密度大约在1150-1190 kg/m3,是玻璃(2400-2800 kg/m3)的一半。
同样大小的材料,其重量只有普通玻璃的一半,金属铝(属于轻金属)的43%。
2.PMMA的机械强度较高:有机玻璃的相对分子质量大约为200万,是长链的高分子化合物,而且形成分子的链很柔软,因此,有机玻璃的强度比较高,抗拉伸和抗冲击的能力比普通玻璃高7~18倍。
钢化玻璃的分类与特点钢化玻璃是一种安全性能更好的玻璃制品。
它不仅有更高的强度和韧性,而且在碎裂时会分裂成小颗粒,减少了切割伤的风险。
钢化玻璃的使用范围非常广泛,包括建筑、汽车、电子产品、家居等多个领域。
本文将对钢化玻璃的分类和特点进行详细介绍。
1. 钢化玻璃的分类根据不同的制造方法和用途,钢化玻璃可以分为以下几类:(1)钢化平板玻璃:它是将平板玻璃进行钢化处理而成,广泛用于建筑和家居领域,如玻璃幕墙、玻璃门、玻璃桌面等。
(2)钢化弯曲玻璃:它是将平板玻璃加热至软化状态后,通过机械或真空吸附技术,在钢化炉中进行弯曲而成,常见于汽车和电子产品领域,如汽车前挡风玻璃、数码相机镜头等。
(3)夹层钢化玻璃:它是将两层普通玻璃之间夹入一层PVB或EVA薄膜后经过钢化工艺加工而成,被广泛应用于安全门窗、玻璃墙等场合。
(4)半钢化玻璃:它是将普通玻璃通过半钢化工艺(即半钢化炉)处理而成,其强度约为普通玻璃的2倍,常见用于家电产品玻璃面板、LCD屏幕等领域。
(5)化学钢化玻璃:它是将普通玻璃浸入盐浴中,使其表面受到离子交换而形成压应力层,从而提高其强度和抗冲击性能,常被广泛应用于家电产品和电子产品领域。
2. 钢化玻璃的特点(1)高强度:钢化玻璃的强度是普通玻璃的5-10倍,耐冲击性能也更优秀。
既能承受外在的力量,也更不容易破碎,减小了安全隐患。
(2)安全性:当钢化玻璃碎裂时,会形成大量的小颗粒,减少了划伤和切伤的风险。
这也是为什么它在安全门窗、汽车挡风玻璃、玻璃幕墙等领域被广泛使用的原因。
(3)耐温性:钢化玻璃的耐温性能一般比普通玻璃更好,在加热和制冷过程中不易开裂或变形。
(4)光学性能:钢化玻璃在透光性能、色彩还原度和视角等方面都较优秀。
(5)耐腐蚀性:钢化玻璃表面采用处理技术,能够有效防止污染和腐蚀,使其能够在恶劣环境下使用。
(6)加工性能:钢化玻璃可以进行切割、打孔、磨边等多种加工,使其适用性更广泛。
综上所述,钢化玻璃的分类和特点主要是由不同的制造方法和用途所决定的。
亚克力板是一种常见的塑料制品,由甲基丙烯酸甲酯(Methyl Methacrylate,简称MMA)作为主要原料制成。
它具有优异的透明度、抗冲击性、耐候性和加工性能,因此被广泛应用于建筑、家居、广告牌、展览、装饰等领域。
下面我将详细介绍亚克力板的种类和参数。
一、根据颜色分类:1. 透明亚克力板:透明亚克力板是最常见的类型,具有高透明度,可达到95%以上的光透过率。
它适用于各种需要透明效果的场合,如展览展示柜、灯箱、托盘等。
2. 色彩亚克力板:色彩亚克力板可以通过添加颜料在制造过程中赋予不同的颜色。
常见的颜色包括红色、蓝色、绿色、黄色等。
这些彩色板适用于装饰、广告牌、指示牌等场合。
3. 钢化亚克力板:钢化亚克力板是在制造过程中通过对板材进行热处理而得到的一种增强型亚克力板。
它具有更高的抗冲击性和耐磨性,适用于需要更高安全性能的场合,如车站候车室、体育场馆等。
二、根据表面处理分类:1. 高光亚克力板:高光亚克力板表面经过抛光处理,呈现出光亮平滑的效果。
它适用于需要高质感表面的场合,如家居装饰、高档展示柜等。
2. 哑光亚克力板:哑光亚克力板表面经过喷砂处理,呈现出磨砂效果。
它适用于需要减少反射光的场合,如灯罩、显示器外壳等。
三、根据厚度分类:亚克力板的厚度通常在1mm至20mm之间,不同厚度的板材适用于不同的应用领域。
1. 薄型亚克力板(1mm-3mm):薄型亚克力板主要用于电子产品、手机屏幕保护板、广告牌等领域,由于其柔韧性较好,易于加工和弯曲。
2. 中厚亚克力板(4mm-10mm):中厚亚克力板广泛应用于家居装饰、家具、灯箱、展示柜等领域。
它具有较好的强度和稳定性。
3. 厚型亚克力板(11mm-20mm):厚型亚克力板常用于建筑领域,如室内隔断、阳光房、游泳池覆盖等。
它具有更高的抗冲击性和耐候性。
四、其他参数:1. 密度:亚克力板的密度通常在1.17g/cm³至1.20g/cm³之间,具有较轻的重量。
认识钢化玻璃知识点总结1. 钢化玻璃的制造工艺钢化玻璃的制造工艺主要包括玻璃切割、打磨、去毛刺、清洗、钢化处理等环节。
首先,对原料玻璃进行切割,然后通过打磨和去毛刺处理,保证玻璃的边缘光滑。
接下来,将玻璃清洗干净,然后放入钢化炉中进行加热处理。
在加热过程中,玻璃表面会形成张力,使得玻璃表面更加坚硬,抗冲击性能增强。
最后,冷却玻璃并进行严格检验,确保产品符合相关的标准和质量要求。
2. 钢化玻璃的特点钢化玻璃具有以下几个主要特点:(1) 较高的强度:钢化玻璃的抗压、抗冲击强度是普通玻璃的4~5倍,能够承受较大的挤压、冲击;(2) 安全性能高:一旦发生破损,钢化玻璃会以颗粒状小碎片脱落,减少了对人体的伤害;(3) 耐热性好:能够承受较高温度的影响,抗热冲击能力好;(4) 具有较好的透光性和平面度;(5) 抗风压能力强,适用于建筑幕墙、天窗等。
3. 钢化玻璃的应用领域(1) 建筑领域:钢化玻璃广泛应用于建筑幕墙、门窗、玻璃墙、天窗等,提高了建筑物的安全性和美观性。
(2) 家具领域:钢化玻璃制作的桌面、餐桌、茶几、橱柜门板等,具有耐磨、易清洁、美观等优点。
(3) 电子产品领域:手机、平板、显示屏等电子产品的玻璃面板大多采用钢化玻璃材料,提高了产品的抗摔击性能。
(4) 汽车领域:汽车前挡风玻璃、侧窗玻璃等部位采用了钢化玻璃,提高了汽车的安全性能。
4. 钢化玻璃的维护保养(1) 钢化玻璃的维护保养相对简单,平时只需用湿抹布擦拭玻璃表面即可。
(2) 避免使用硬物撞击、划伤玻璃表面,以免影响使用寿命。
(3) 定期检查钢化玻璃表面是否有破损或裂纹,并及时进行更换维修。
5. 钢化玻璃的安全性尽管钢化玻璃具有较高的强度,但在使用过程中也需要注意安全问题。
例如,不能在钢化玻璃表面使用尖锐的物体敲击,避免玻璃表面产生裂纹,造成意外伤害。
此外,钢化玻璃破损后会以颗粒状小碎片脱落,所以在日常使用中也要小心防止碰撞或摔落导致玻璃破损。
钢化玻璃亚克力
2008-6-2 07:42
提问者:dkingmedia|浏览次数:1687次
钢化玻璃亚克力yon用作面板是的区别
各自的优缺点
2008-6-10 13:43
最佳答案
钢化玻璃其实是一种预应力玻璃,为提高玻璃的强度,通常使用化学或物理的方法,在玻璃表面形成压应力,玻璃承受外力时首先抵消表层应力,从而提高了承载能力,增强玻璃自身抗风压性,寒暑性,冲击性等。
钢化玻璃的主要优点有两条,第一是强度较之普通玻璃提高数倍,抗弯强度是普通玻璃的3~5倍,抗冲击强度是普通玻璃5~10倍,提高强度的同时亦提高了安全性。
使用安全是钢化玻璃第二个主要优点,其承载能力增大改善了易碎性质,即使钢化玻璃破坏也呈无锐角的小碎片,对人体的伤害极大地降低了. 钢化玻璃的耐急冷急热性质较之普通玻璃有2~3倍的提高,一般可承受150LC以上的温差变化,对防止热炸裂有明显的效果。
钢化玻璃具有抗冲击强度高(比普通平板玻璃高4~5倍)、抗弯强度大(比普通平板玻璃高5倍)、热稳定性好以及光洁、透明、等特点。
在遇超强冲击破坏时,碎片呈分散细小颗粒状,无尖锐棱角,故又称安全玻璃。
钢化玻璃的缺点:1.钢化后的玻璃不能再进行切割,和加工,只能在钢化前就对玻璃进行加工至需要的形状,再进行钢化处理, 2.钢化玻璃强度虽然比普通玻璃强,但是钢化玻璃存在自爆(自己破裂)的可能性,而普通玻璃不存在自爆的可能性。
亚克力就是一种塑料
亚克力特性:
具有水晶一般的透明度,透光率达92%以上,用染料着色的亚克力又有很好的展色效果,此外,亚克力板具有极佳的耐候性,较高的表面硬度和表面光泽以及较好的高温性能。
亚克力板有良好的加工性能,既可采用热成型(包括模压、吹塑和真空吸塑),也可用机械加工方式钻、车、切割等。
用微电脑控制的机械切割和雕刻不仅使加工精度大提高,而且还可制作出用传统方式无法完成的图案和造型。
另外,亚克力板可采用激光切割和激光雕刻,制作效果奇特的制品。
透明亚克力板材具有可与玻璃比拟的透明光率,但密度只有玻璃的三分之一,。
此外,它不像玻璃那么易碎,即使破坏,也不会像玻璃那样形成锋利的碎片,亚克力没有玻璃“脆弱”,抗冲击能力比普通玻璃强200倍,几乎不会断裂。
它的承重性随厚度的变化而变化,越厚越坚固。
亚克力散热能力比较差。
这种材质最怕锐物划伤,但这种划伤也很容易修复,普通的白牙膏擦拭即可。
亚克力板的耐磨性能与铝材接近,它不定期耐多种化学品的腐蚀。
亚克力板具有良好的适印性和喷涂性,采用适当的印刷(如丝印)和喷涂工艺,可以赋予亚克力制品理想的表面装饰效果。
经过特别改造的亚克力板材可以大量吸收紫外光,另外阻燃亚克力能帮助克服特定场所的消防隐患,高抗冲亚克力抗冲强度是亚克力的6到10倍,表面经过特殊处理的超耐磨亚克力板能经受极为苛刻的考验。
亚克力板在航空、汽车、电子、医疗、化工、建材、卫浴以及广告标牌等行业得到广泛的应用,广泛用于制造各种:亚克力制品、有机玻璃展示架(如:化妆品展示架、手机展示架、手表展示架、眼镜展示架)、胸牌、礼品盒、展示架、指示牌、标示架、亚克力钥匙扣、首饰盒、珠宝盒、多彩机箱、透明机箱、亚克力灯箱、家具配件、代理牌、亚克力水簇箱、亚克力鱼缸、浴缸、有机玻璃工艺品、亚克力奖牌、各种有机玻璃制品、亚克力工艺品、亚克立化妆箱等。
亚克力制品特性
视觉效果:色彩多样、绚丽,视觉冲击力强;
耐侯性:可保长久不褪色,质量好的板材使用年限长达8-15 年;
耐久性:产品对内置光源具有良好的保护,延长光源产品使用寿命;
合理性:合理性设计,防雨防潮;开启式结构,便于维修;
耐冲击性:是玻璃产品的200 倍,几乎没有断裂的危险;
透光性:透光率高达95% ,透光极佳、光线柔和;
耐燃性:不自燃并具自熄性;
美观性:工艺精美,呈镜面效果,无褶皱,无接缝,所有铆固件可以不外露;节能性:透光性能好,相应减少光源,省电,降低使用成本。