室外窗台防水节点粉刷工法及详图
- 格式:docx
- 大小:41.10 KB
- 文档页数:2
阳台外窗台防水施工方案1. 简介阳台外窗台是建筑物外立面的重要部分,其防水工程至关重要。
本文将为您介绍一种可靠的阳台外窗台防水施工方案,以确保防水效果持久可靠。
2. 材料准备在进行阳台外窗台防水工程前,您需要准备以下材料:•防水涂料•防水卷材•基底处理剂•纤维布•基层处理材料(例如水泥砂浆)3. 施工步骤3.1 确定施工范围首先,确定阳台外窗台的施工范围。
通常情况下,施工范围应包括窗台表面和连接墙面的接缝部分。
3.2 表面处理在开始施工前,需要对窗台表面进行处理。
首先,清除表面的灰尘和杂物,然后进行基底处理。
使用基底处理剂涂抹在窗台表面,以增强粘结力和防水效果。
3.3 防水层施工3.3.1 使用防水涂料首先,使用防水涂料在窗台表面涂刷一层防水涂料。
涂刷时要均匀覆盖整个施工范围,并注意留出接缝处的空间。
3.3.2 防水卷材覆盖在涂刷防水涂料后,立即将防水卷材铺设在涂料表面上。
确保卷材与窗台表面紧密接触,并用刮刀将其压平。
使用纤维布加强防水卷材与窗台表面之间的粘结力。
3.4 接缝处理对于窗台连接墙面的接缝部分,需要特别处理以确保防水效果。
使用防水涂料和防水卷材对接缝进行密封,确保接缝处无裂缝。
3.5 防水层修复待防水层施工完毕后,检查整个施工范围,如有防水层破损或缺陷,应及时修复。
可以使用防水涂料进行修补,确保防水层的完整性。
4. 注意事项在进行阳台外窗台防水施工时,需要注意以下事项:•施工前确保表面干燥清洁,以确保材料粘结良好。
•防水卷材铺设时要平整紧密,并与窗台表面充分粘结。
•接缝处理时要仔细,确保接缝处无漏水风险。
•施工完毕后进行全面检查,并进行必要的修复。
5. 结论阳台外窗台防水工程是保障建筑外立面防水效果的关键工程之一。
通过本文介绍的防水施工方案,您可以确保阳台外窗台防水效果持久可靠。
在施工过程中,记得遵循注意事项,并进行必要的检查和维护。
祝您施工顺利!。
仁恒森兰雅苑二期A6-1、A7-1工程外门窗嵌缝及防水节点施工方案二〇一四年四月十日目录一、目的 0二、编制依据 0三、防渗漏节点构造设计 03.1、结构洞口企口构造 (2)3.2、嵌缝体 (2)3.3、嵌缝处外侧防水节点 (3)四、施工方法 (3)4.1、施工准备 (3)4.2、施工工艺 (3)4.3、质量控制要点 (5)4.4、常见问题处理 (6)4.5、成品保护 (7)五、管理措施 (7)5.1、样板引路 (7)5.2、防渗漏施工过程控制 (8)外门窗嵌缝及防水节点施工方案一、目的降低外门窗渗漏风险,有效控制外门窗渗漏质量通病,提高外门窗施工的规范性和可控性,提高产品质量,提升客户满意度。
二、编制依据《建筑装饰装修工程质量验收规范》(GB50210-2001);《项目工程防渗漏作业指引》(上海仁恒房地产有限公司)三、防渗漏节点构造设计本工程采用无附框铝合金门窗,设计门窗框至结构洞口间隙50mm。
为保证门窗框嵌缝质量,需从三个方面进行构造设计:3.1、结构洞口企口构造:在所有住宅主楼外门窗洞口设置结构企口,将原设计窗框至结构洞口之间的间隙50mm缩小为20mm,减少因嵌缝过厚引发的砂浆体收缩、开裂等质量问题。
3.2、嵌缝体嵌缝使用1:2水泥砂浆,内掺8%抗渗防水粉剂,6%微膨胀水泥,掺入3%混凝土抗裂纤维;嵌缝厚度超过35mm的另加入瓜子片,提高嵌缝体抗裂性能;部分窗台留缝超过8cm预先支模浇筑细石砼,待混凝土硬实后进行嵌缝施工,砼浇筑时敲击两侧模板使其振动,确保砼密度。
嵌缝体外侧完成面低于窗框表面10mm,同时四边洞口阴阳角均用1:2水泥砂浆抹成圆弧状找平层,以便于防水层施工。
外墙粉刷及保温施工时,窗洞外侧100mm范围预留,待SBC卷材施工完成才能进行下道工序施工。
3.3、嵌缝处外侧防水节点嵌缝处外侧防水层为0.7mm厚SBC防水卷材,防水层均至窗框边,由门窗安装单位在防水层与窗框间打黑色耐候密封胶,打胶应严格控制其下口胶缝宽度不小于10mm,打胶需严格控制,尤其是下口胶,封胶完成需有检查记录,并存档。
厨卫、阳台防水涂膜施工工艺标准一、工艺流程二、施工准备1、技术准备①作业人员详细了解防水的设计要求,掌握施工图中的各种细部构造及有关深化设计和施工技术方案的要求。
②施工前要先做样板,经验收合格并做好验收记录。
2、材料准备①所采用的防水涂料、胎体增强材料、密封材料等均已通过抽样检验,未经检验或不合格的材料,不得在工程中使用。
②水泥品种应按设计要求选用,其强度等级不低于32.5Mpa,严禁使用过期或受潮结块的水泥。
③水应采用不含有害物质的洁净水。
④聚合物乳液外观应无颗粒、异物、凝固物、沉淀物,其固体含量应大于35%。
⑤其它防水材料应符合设计和产品说明书的质量要求。
3、主要机具主要机具:钢丝刷、腻子刀、油漆刷子、圆滚刷、刮板、凿子、锤子、拌料桶、手提式电动拌料器、磅秤、台秤、消防器材。
4、作业条件①防水工程应有相应资质的防水专业队伍进行施工。
操作人员需持证上岗。
②防水专业队伍应按设计要求及工程具体情况,编制防水施工方案,并根据设计图纸、标准图集的要求,对相关的人员进行技术安全交底。
③防水材料应有产品合格证书和性能检测报告,材料的品种、规格、性能等应符合现行国家产品标准和设计要求,并经抽样复试合格。
④结构基层已通过隐蔽验收,穿过楼地面的管道口已作密封和附加防水处理,楼地面已通过蓄水检验无渗漏,并做好隐蔽验收记录。
⑤找平层应干净平整、坚实、无空鼓、无起砂、无裂缝、无松动掉灰。
⑥找平层与突出地面的管道等的交接处以及基层的转角处应做圆弧形,圆弧半径≥50mm。
内部排水的水落口周围,基层应做成略低的凹坑。
三、操作工艺1、基层清理①检查找平层质量是否符合规范和设计要求。
若存在凹凸不平、起砂、起皮、裂缝、预埋件固定不牢等缺陷,应及时进行修补,并进行清理、清扫。
②检查找平层干燥度是否符合所用防水涂料的要求。
2、特殊部位附加增强处理①用胎体增强材料、密封材料,在转角处、管孔处等部位进行附加层的铺贴和密封处理,要求严格按照涂膜防水施工规范及图集进行施工。
外窗盘、窗台粉刷防水节点交底及详图
交底说明:
1、窗盘、窗台部位粉刷应在室外门窗框安装完毕并经监理单位验收签证后进行;
2、外窗盘及门窗侧立面(即门窗套)粉刷应采用水泥砂浆粉刷;~~
3、窗台粉刷要点:
①粉刷前应先检查窗台基层标高是否正确,是否满足构造要求,
否则应进行修整,一般从窗框底至窗台基层面之间的距离不应小于40mm,宜为40-50mm;
②粉刷前应对窗台基层进行认真清理,尤其两端侧向洞部位均必
须清理干净并浇水冲洗,满涂素水泥浆后进行第一遍找平层粉刷;
当找平层超过20mm时,应采用细石砼找平;
③窗台每一道粉刷均应遵照‘清理→湿润→刷浆→粉刷’的工艺
流程进行施工;
④窗台粉刷成型时,应于窗下框底留出深为8-10mm、R为20mm
左右的凹槽(详见下图);
⑤当窗台面层为面砖等块材时,其基层的粉刷层应按本工法要求
施工,其面层块材镶贴灰缝应密实、饱满,块材与块材之间、块材与窗框下口防水砂浆之间缝隙均应防水砂浆填嵌密实并用勾缝条等工具抽光,窗框下口凹槽内封打防水密封材料必须封压在洁净的块材面上。
塑钢窗下槛及窗台节点平湖市第一建筑工程有限责任公司
碧水云天一标段工程项目部
交底人:
被交底人:
交底日期:2008年9月日。
仁恒森兰雅苑二期A6-1、A7-1工程外门窗嵌缝及防水节点施工方案二〇一四年四月十日目录一、目的 0二、编制依据 0三、防渗漏节点构造设计 03.1、结构洞口企口构造 (2)3.2、嵌缝体 (2)3.3、嵌缝处外侧防水节点 (3)四、施工方法 (3)4.1、施工准备 (3)4.2、施工工艺 (3)4.3、质量控制要点 (5)4.4、常见问题处理 (5)4.5、成品保护 (6)五、管理措施 (7)5.1、样板引路 (7)5.2、防渗漏施工过程控制 (7)外门窗嵌缝及防水节点施工方案一、目的降低外门窗渗漏风险,有效控制外门窗渗漏质量通病,提高外门窗施工的规范性和可控性,提高产品质量,提升客户满意度。
二、编制依据《建筑装饰装修工程质量验收规范》(GB50210-2001);《项目工程防渗漏作业指引》(上海仁恒房地产有限公司)三、防渗漏节点构造设计本工程采用无附框铝合金门窗,设计门窗框至结构洞口间隙50mm。
为保证门窗框嵌缝质量,需从三个方面进行构造设计:3.1、结构洞口企口构造:在所有住宅主楼外门窗洞口设置结构企口,将原设计窗框至结构洞口之间的间隙50mm缩小为20mm,减少因嵌缝过厚引发的砂浆体收缩、开裂等质量问题。
3.2、嵌缝体嵌缝使用1:2水泥砂浆,内掺8%抗渗防水粉剂,6%微膨胀水泥,掺入3%混凝土抗裂纤维;嵌缝厚度超过35mm的另加入瓜子片,提高嵌缝体抗裂性能;部分窗台留缝超过8cm预先支模浇筑细石砼,待混凝土硬实后进行嵌缝施工,砼浇筑时敲击两侧模板使其振动,确保砼密度。
嵌缝体外侧完成面低于窗框表面10mm,同时四边洞口阴阳角均用1:2水泥砂浆抹成圆弧状找平层,以便于防水层施工。
外墙粉刷及保温施工时,窗洞外侧100mm范围预留,待SBC卷材施工完成才能进行下道工序施工。
3.3、嵌缝处外侧防水节点嵌缝处外侧防水层为0.7mm厚SBC防水卷材,防水层均至窗框边,由门窗安装单位在防水层与窗框间打黑色耐候密封胶,打胶应严格控制其下口胶缝宽度不小于10mm,打胶需严格控制,尤其是下口胶,封胶完成需有检查记录,并存档。
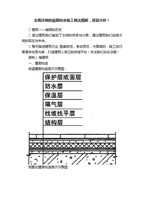
全面详细的屋面防水施工做法图解,逐层分析!☀建筑——凝固的历史☀透过建筑我们看到了文明的传承与兴衰;通过建筑我们创造文明的现在与未来。
☀每天推送建筑行业图集规范,考试资讯,方案细则,施工技巧等诸多优质内容,打造建筑人自己的微信平台!关注我们妥妥没错!源自 | 搜建筑一、屋面构造保温屋面构造层次示意图:倒置式屋面构造层次示意图:二、找平层施工一般采用水泥砂浆、细石砼或沥青砂浆作屋面的整体找平层。
1、厚度及技术要求⑴水泥砂浆找平层:当结构层为现浇砼整体板时,厚度为15~20mm;当有整体或块状材料保温层时,厚度为20~25mm;当结构层为装配式砼板且保温层为松散材料时,厚度为20~30mm。
水泥砂浆采用1:2.5~1:3(水泥:砂)体积比,水泥强度等级不低于32.5级。
⑵细石砼找平层:厚度为30~35mm,砼强度等级不低于C20。
⑶沥青砂浆找平层:当结构层为现浇砼整体板时,厚度为15~20mm;当结构层为装配式砼板且保温层为整体或块状材料时,厚度为20~25mm。
沥青砂浆采用1:8(沥青:砂)质量比。
2、找平层的排水坡度平屋面采用结构找坡时不应小于3%,材料找坡时宜为2%;天沟、檐沟纵向找坡不应小于1%,沟底水落差不得超过200mm。
3、节点处理找平层在突出屋面结构(女儿墙、山墙、变形缝、烟囱)的交接处和转角处应作成园弧形,园弧半径当防水层为沥青防水卷材时R=100~150mm,高聚物改性沥青防水卷材时R=50mm,合成高分子防水卷材时R=20mm。
内部排水的落水口周围,找平层应做成略低的凹坑。
高低跨变形缝处理:伸出屋面管道防水处理:直式水落口:4、找平层的分格缝找平层宜设分格缝,并嵌填密封材料。
分格缝应留设在板端缝处,其纵横缝的最大间距,水泥砂浆或细石砼找平层不宜大于6m,沥青砂浆不宜大于4m。
屋面分格缝的面层处理:三、保温层施工1、保温层材料保温材料可分为三类:一是松散材料,如炉渣、膨胀蛭石、膨胀珍珠岩等,目前已较少使用。
全面详细的屋面防水施工做法图解,逐层分析!源自 | 搜建筑一、屋面构造保温屋面构造层次示意图:倒置式屋面构造层次示意图:二、找平层施工一般采用水泥砂浆、细石砼或沥青砂浆作屋面的整体找平层。
1、厚度及技术要求⑴水泥砂浆找平层:当结构层为现浇砼整体板时,厚度为15~20mm;当有整体或块状材料保温层时,厚度为20~25mm;当结构层为装配式砼板且保温层为松散材料时,厚度为20~30mm。
水泥砂浆采用1:2.5~1:3(水泥:砂)体积比,水泥强度等级不低于32.5级。
⑵细石砼找平层:厚度为30~35mm,砼强度等级不低于C20。
⑶沥青砂浆找平层:当结构层为现浇砼整体板时,厚度为15~20mm;当结构层为装配式砼板且保温层为整体或块状材料时,厚度为20~25mm。
沥青砂浆采用1:8(沥青:砂)质量比。
2、找平层的排水坡度平屋面采用结构找坡时不应小于3%,材料找坡时宜为2%;天沟、檐沟纵向找坡不应小于1%,沟底水落差不得超过200mm。
3、节点处理找平层在突出屋面结构(女儿墙、山墙、变形缝、烟囱)的交接处和转角处应作成园弧形,园弧半径当防水层为沥青防水卷材时R=100~150mm,高聚物改性沥青防水卷材时R=50mm,合成高分子防水卷材时R=20mm。
内部排水的落水口周围,找平层应做成略低的凹坑。
高低跨变形缝处理:伸出屋面管道防水处理:直式水落口:4、找平层的分格缝找平层宜设分格缝,并嵌填密封材料。
分格缝应留设在板端缝处,其纵横缝的最大间距,水泥砂浆或细石砼找平层不宜大于6m,沥青砂浆不宜大于4m。
屋面分格缝的面层处理:三、保温层施工1、保温层材料保温材料可分为三类:一是松散材料,如炉渣、膨胀蛭石、膨胀珍珠岩等,目前已较少使用。
二是板状材料,如膨胀蛭石、膨胀珍珠岩块,泡沫水泥、加气砼块,岩棉板、EPS聚笨板、XPS 挤塑板。
三是整体现浇(喷)保温层,如沥青膨胀蛭石、沥青膨胀珍珠岩、聚胺酯硬泡防水保温一体化系统等。
外墙门窗防水施工工艺及构造做法 3.7.1 一般要求及说明3.7.1.1门窗框与洞口间的缝隙要求注:1、因饰面(包括保温)材料厚度要求,会使门窗框与洞口边之间的缝隙增大,当门窗框与洞口边之间的缝隙大于35mm 时,须在门窗框与洞口边之间增设混凝土企口或钢副框。
企口与门窗框之间的缝隙不得大于20mm ;副框与门窗框间的缝隙为5mm ,副框与洞口边的缝隙不得大于20mm ;无副框时完成后的饰面表面须压门窗框5mm ,有副框时饰面表面与副框顶平齐。
2、门框下槛与洞口间的缝隙应根据楼地面材料及门框下槛形式的不同进行调整,须确保门槛与楼板(墙)之间的缝隙充填密实且外部防水完整,完成后的楼地面应内高外低。
3.7.1.2门窗洞口允许偏差项目 允许偏差(单位:mm)洞口高度、宽度 ±5 洞口对角线长度差 ≤5洞口侧边垂直度 1.5/1000且不大于2洞口中心线与基线偏差 ≤5 洞口下平面标高±53.7.1.3门窗安装弹线定位在门窗框或副框安装前,土建施工单位应为门窗安装提供三线(水平线、垂直线和进出线)基准,由门窗安装单位逐个复测洞口尺寸及偏差,对需要进行处理的门窗洞口应做好记录和标识。
3.7.1.4门窗洞口偏差处理门窗框(或副框)与洞口间的缝隙不符合表1所规定的要求时,须对洞口进行处理,合格后方可进行安装。
具体处理方法见下表:门窗框(或副框)与洞口间缝隙偏差值δ(mm ) 处理方式δ≥50 配筋并浇筑C20细石混凝土 50>δ>25 挂双层镀锌钢丝网抹灰 25≥δ>5挂单层镀锌钢丝网抹灰墙体饰面材料 门窗框与洞口边之间缝隙(单位:mm)清水墙 15 砂浆+涂料 20~25 面砖 25~30石材 40~50(采用混凝土企口或增加副框) 外保温墙体外保温厚度+饰面材料作法缝隙-105≥δ≥-5不做处理,但须保证塞缝密实-5>δ≥-10 确保表1要求的最小值,不能保证其最小值的应剔凿并用水泥砂浆粉刷平整-10>δ剔凿并用水泥砂浆粉刷平整注:当δ≥50mm时,洞口须浇筑C20细石混凝土,混凝土内配2φ10通长钢筋和φ6@250U 型箍筋,与原有墙体连接。
窗口、外墙大角、窗台、阳台、女儿墙抹灰一、作业准备:1、抹灰的基体或基层质量验收合格。
2、抹灰前检查门窗框安装位置是否准确,与墙体连接是否牢固,连接处缝隙填嵌的聚氨酯发泡剂是否嵌塞密实、平整。
3、外保温线角是否顺直,是否有未了工序;外保温工序是否满足抹灰的工艺要求。
4、施工吊篮验收合格准予使用,且安全技术交底工作已完成,签字、记录完整。
二、施工要求1、窗口、大角等部位必须从顶层向底层挂线。
2、窗口的上部做滴水线槽,滴水线槽距外侧3cm,断水线距窗口边5cm。
滴水线(槽)应整齐顺直,滴水线应内高外低,宽度、深度均不应小于10mm。
3、阳台翻檐下口做大鹰嘴,鹰嘴应整体一致。
4、窗台顶部用C15细石混凝土浇筑,先将窗台基层清理干净,松动的砖必须重新补砌好,并用水浇透,然后浇筑细石混凝土,塑钢窗底同窗台板间预留10mm,待塑钢窗安装单位用聚氨酯发泡剂将缝隙填嵌后,再抹1:2.5水泥砂浆面层压实收光,洒水养护不少于7天。
窗台板下口抹灰要平直,不得有毛刺。
5、阳台栏板翻檐抹灰本单元、本户内的上口、宽度、厚度抹灰应一致,鹰嘴的高度、宽度一致。
6、抹灰前一天,应对施工墙体用喷雾器湿润,不得直接用水管淋水,让基层吸水均匀,保证墙面适当的含水率(15%--20%),含水深度以渗入表面8~10mm为宜。
7、抹灰应分层进行,严格控制抹灰的总厚度和分层的厚度,中级抹灰平均总厚度宜控制在20mm内,分层应该合理,底灰厚度以12mm为宜,面层8mm为宜。
8、抹灰的施工环境对于裂缝的出现也起着相当重要的作用,疏于养护时则最易出现龟裂。
在高温干燥的气候条件下施工应定期适量浇水,或定期在抹灰表面(八成干后)喷雾,天气异常酷热时,最好用薄膜将抹灰面封死进行养护。
9、窗口部位采用玻化微珠进行包口,抹灰厚度≥35mm时应有挂网等防裂防空鼓措施。
10、塑钢门窗塞缝采用干硬性水泥沙浆,塞缝宽度不允许超过35mm;11、在内墙面(外墙已满挂)平窗窗台拐角处与窗洞成45度挂宽200mm×长500mm 的钢丝网防裂(0.8直径网格20×20mm)。
说明;门窗框安装应在室外装饰工程施工前进行。
门窗扇及玻璃安装宜在室内装修开始前进行,以减少装饰施工造成的破坏和污染。
工艺流程:弹线定位—门窗洞口处理—在门窗框上安装固定片—门窗框就位安装—门窗框与墙体间缝隙塞缝—抹底灰—涂刷JS防水—外饰面施工—打窗外密封胶—门窗扇及玻璃.五金配件安装—内饰面施工—打窗内密封胶—清理与验收构造做法:1、安装固定片:门窗框与墙体一般采用固定片连接,固定片以1.5mm厚的镀锌板裁制,长度根据现场需要进行加工。
首先将固定片安装到门窗框上,采用直径3.2mm的钻头在门窗框上钻孔,然后将十字盘头自攻螺丝M4|×20mm拧入,不得直接捶打钉入。
左右两侧固定片的安装位置应根据预留的混凝土块位置确定,以保证门窗框安装牢固;上下两侧固定片距门窗框角部的距离不大于200mm,其余部位的固定片中心距不大于400mm,且均匀分布。
2、门窗框就位安装:采用金属膨胀螺栓或射钉,将已安装好的固定片与洞口上部的过梁、下部的混凝土窗台板(下带)及两侧的预留混凝土块进行固定,固定时应按对称顺序,先固定上下框,然后固定边框,临时定位可用木楔固定。
3、门窗框与墙体间缝隙处理:作法一:门窗框与墙体四边缝隙采用干硬性水泥砂浆塞缝;作法二:门窗框底边及两侧边上翻150高范围采用干硬性水泥砂浆塞缝,上边及两侧边剩余部分采用打发泡胶塞缝。
无论采用干硬性砂浆还是发泡胶塞缝,塞缝必须保证密实。
干硬性水泥砂浆塞缝前必须先将缝隙清理干净,并将窗框与洞口间的缠绕保护膜撕去。
打发泡胶前必须先将缝隙清理干净,并将窗框与洞口间的缠绕保护膜撕去,发泡胶须满填缝隙,超出门窗框外的发泡胶应在其固化前用手或专用工具压入缝隙中,严禁固化后用刀片切割。
发泡胶固化后取出临时固定的木楔,并在其缝隙中打入发泡胶并用专用工具压人缝隙中,同样不得在固化后用刀片切割。
4、抹底灰:墙身为砌体时不能直接在砌块上涂刷JS防水,待发泡胶固化后开始抹底灰,并对洞口四周进行粉刷收头。
外窗盘、窗台粉刷防水节点交底及详图
交底说明:
1、窗盘、窗台部位粉刷应在室外门窗框安装完毕并经监理单位验收签证后进行;
2、外窗盘及门窗侧立面(即门窗套)粉刷应采用水泥砂浆粉刷;~~
3、窗台粉刷要点:
①粉刷前应先检查窗台基层标高是否正确,是否满足构造要求,否
则应进行修整,一般从窗框底至窗台基层面之间的距离不应小于40mm,宜为40-50mm;
②粉刷前应对窗台基层进行认真清理,尤其两端侧向洞部位均必须
清理干净并浇水冲洗,满涂素水泥浆后进行第一遍找平层粉刷;当找平层超过20mm时,应采用细石砼找平;
③窗台每一道粉刷均应遵照‘清理→湿润→刷浆→粉刷’的工艺流
程进行施工;
④窗台粉刷成型时,应于窗下框底留出深为8-10mm、R为20mm
左右的凹槽(详见下图);
⑤当窗台面层为面砖等块材时,其基层的粉刷层应按本工法要求施
工,其面层块材镶贴灰缝应密实、饱满,块材与块材之间、块材与窗框下口防水砂浆之间缝隙均应防水砂浆填嵌密实并用勾缝条等工具抽光,窗框下口凹槽内封打防水密封材料必须封压在洁净的块材面上。
塑钢窗下槛及窗台节点平湖市第一建筑工程有限责任公司
碧水云天一标段工程项目部
交底人:被交底人:
交底日期:2008年9月日。