施工工艺边坡处理
- 格式:docx
- 大小:15.58 KB
- 文档页数:1
边坡施工工艺流程边坡施工工艺流程是指在土地开发和建设过程中对边坡进行恢复、加固和保护的一系列工序和措施。
下面是一份基本的边坡施工工艺流程。
第一阶段:规划和准备1.调查和勘察:对边坡所在区域进行地质、水文等调查和勘察,了解土地的地质和地貌特征,确定边坡工程所需的基本数据。
2.设计和方案制定:根据调查和勘察结果,制定适合边坡的设计和施工方案,包括边坡的形状、尺寸、稳定性要求等。
第二阶段:预备工作1.场地准备:清理边坡周围的杂草、石块和垃圾等,确保工作区域的干净和整洁。
2.标定和测量:根据设计方案用激光或者全站仪等工具测量和标定边坡的高度和宽度,为后续的施工提供准确的数据。
第三阶段:边坡加固和保护1.土方开挖:根据设计方案,使用机械设备对边坡进行开挖和清理,并将松散的土方堆放在合适的地点。
2.边坡防护:根据边坡高度和坡度,采用不同的防护措施,如植被覆盖、材料加固等,以提供边坡的稳定性和保护。
3.排水系统的安装:在边坡的底部安装排水系统,以控制土壤水分含量和排除积水,防止坡面发生滑坡和塌方。
4.边坡加固:根据设计方案,采用加固措施,如护坡、挡土墙等,以增加边坡的稳定性和强度。
第四阶段:监测和维护1.定期监测:安装监测设备,如倾斜计、应力计等,对边坡进行定期监测,及时发现和处理潜在的问题。
2.维护和修复:根据监测结果,对需要维护和修复的地方进行处理,如补充土方、更换防护材料等,以确保边坡的稳定性和安全性。
以上是边坡施工的基本工艺流程,具体的施工顺序和措施会根据地质条件、设计要求和实际情况的不同而有所差异。
在整个施工过程中,应严格按照设计方案执行,确保边坡施工的质量和安全。
修整边坡施工工艺随着城市建设的不断发展,修整边坡施工工艺在土木工程中起到了重要的作用。
修整边坡是指通过对山体或土地进行切割、填筑、护坡等工程措施,使地形平整、坡度合理,以提高土地利用率和保证工程安全。
下面将详细介绍修整边坡施工工艺。
修整边坡施工的第一步是进行工程勘察。
勘察是为了了解地质情况、坡度、坡高、坡面类型等信息,以便确定合适的施工方案。
勘察还包括地表水、地下水的情况,以及可能存在的地震、滑坡、塌方等灾害风险。
根据勘察结果,工程师可以制定出最佳的修整边坡方案。
接下来是进行地质灾害治理。
根据地质勘察结果,对可能存在的地质灾害进行治理,以保证修整边坡的稳定性。
常见的地质灾害治理措施包括排水、抢险、加固等。
排水是指对地下水进行排除,以减小地下水对边坡的影响。
抢险是指对可能发生的地质灾害进行应急处理,以保证工程的安全。
加固是指对边坡进行加固措施,如钢筋混凝土护坡墙、挡土墙等,以提高边坡的稳定性。
然后是进行边坡切割或填筑。
边坡修整的核心工作是对山体进行切割或填筑,以实现地形平整、坡度合理的目标。
切割是指对山体进行切除,以减小边坡的高度和坡度。
填筑是指在原有地表上加土或加石料,以增加边坡的高度和坡度。
切割和填筑的具体方法根据实际情况而定,可以采用机械作业,也可以采用人工作业。
在进行边坡切割或填筑的同时,还需要进行边坡保护工程。
边坡保护工程是为了保证边坡的稳定性和安全性,防止边坡发生滑坡、塌方等灾害。
常见的边坡保护工程包括护坡网、护坡植被、护坡墙等。
护坡网是通过在边坡上铺设一层金属网,以增加边坡的抗滑能力。
护坡植被是通过在边坡上种植植物,以增加边坡的抗冲刷能力。
护坡墙是通过在边坡上建造一道墙体,以增加边坡的稳定性。
最后是进行边坡的维护与管理。
修整边坡施工完成后,还需要进行定期的维护和管理工作,以保证边坡的长期稳定性。
维护和管理工作包括巡视、清理、修复等。
巡视是指定期对边坡进行巡查,及时发现和处理边坡上可能存在的问题。
边坡防护施工工艺流程
边坡防护施工工艺流程一般包括以下几个步骤:
1. 项目准备:确定边坡防护的具体需求,评估工程难度和风险,制定施工计划,准备必要的材料和设备。
2. 地质勘探:对边坡进行地质勘探,包括地质调查、土壤力学测试和地质灾害评估,以确定边坡的地质条件和设计参数。
3. 临时工程搭建:为便于施工和保障工作安全,在施工现场搭建必要的临时设施,如施工道路、工地围栏、排水系统等。
4. 预处理工作:对边坡进行必要的预处理工作,如清理边坡表面的植物、杂物和松散土壤,修复坡面等。
5. 边坡整理:通过切割、填挖、铺垫等方式对边坡进行整理,使其形成预定的坡度和几何形状。
6. 基础处理:根据设计要求,在边坡底部进行基础处理,如挡土墙、加固垫层等,以提高边坡的稳定性。
7. 边坡加固:采取适当的加固措施,如土工布、钢筋网片、材料喷涂等,以提高边坡的抗滑、抗冲刷能力。
8. 排水系统安装:根据设计要求,在边坡内设置必要的排水系统,如排水管道、渗水带等,以防止积水引起边坡滑动。
9. 监测与维护:在施工过程中和施工结束后,通过布设监测点,并进行定期检查和维护工作,以确保边坡防护工程的稳定性和安全性。
需要注意的是,边坡防护施工工艺流程可能会因实际情况的不同而有所差异,具体的施工工艺应根据工程条件和设计要求进行调整和优化。
边坡支护施工工艺边坡支护为保证边坡及其环境的安全,对边坡采取的支挡、加固与防护措施。
第一种施工工艺——植物防护(1)采用植物防护,就是利用植被对边坡的覆盖作用、植物根系对边坡的加固作用,保护路基边坡免受大气降水与地表径流的冲刷。
(2)采用植物防护,增加植被面积,减少地表径流,可从根本上减少路基的水土流失。
植物覆盖对于地表径流和水土冲刷有极大的减缓作用。
枝叶繁茂的树冠能够截留一部分降水量,庞大的根系能直接吸收和涵蓄一部分水分,还可以稳定地表土层。
而没有植被覆盖的地方,降水量全部落在地表面,形成径流,造成水土侵蚀和冲刷。
植被的根系能与土层密切结合,根系与根系的盘根错节,使地表层土壤形成不同深度的、牢固的稳定层,从而有效的稳定土层,固定沟坡,阻挡冲刷和塌陷,有机械的防护作用。
(3)在我国温暖多雨的南方地区,植物防护已较多地用于土质上下边坡的防护中,既保护了边坡,又美化了环境。
在北方地区,植物防护措施还仅限于上下的边坡支护,上边坡经常干旱缺水,不易养护,况且坡度较陡不利于植物生长。
在我省的鄂西北地区,部分路段的红砂岩路堑边坡往往陡于1:0.75,边坡较高时才放缓到1:1。
土质边坡坡度一般采用1:1,靠边坡自然降水维持植物生长往往比较困难,因坡面较陡,水分难以保持,植被成活率较低。
(4)植物防护包括在边坡上种草,植草皮、植树等。
种草一般选取多年生、耐旱、根系发达的草种,植树优选容易成活的树种(包括灌木)。
(5)狗牙根、黑麦草、小冠花均是耐旱植物。
狗牙根、黑麦草、小冠花联合种植技术在干旱的一些地区已经获得了成功,较适用于湖北地区的气候条件。
狗牙根、黑麦草生长快,当年就能长成,且冷暖交替,绿期长,但其扎根较浅,适宜短期防护;小冠花生长慢,一年以后才能长成,但扎根较深,尤其耐旱,并且其蔓延繁殖能力强,适合于路基边坡的长期防护,二者结合起来就能达到短期防护与长期防护相结合的目的。
边坡治理砼喷锚施工工艺边坡治理是指对山体边坡进行加固、稳定和防护的工程措施。
其中,砼喷锚施工是一种常用的边坡治理工艺。
本文将就砼喷锚施工的工艺流程、施工材料、施工注意事项以及施工效果等方面进行介绍。
一、砼喷锚施工工艺流程砼喷锚施工的工艺流程主要包括以下几个步骤:1. 边坡勘测与设计:首先需要对边坡进行勘测和设计,确定施工的具体方案和参数。
2. 边坡准备工作:清理边坡表面的杂物和泥土,使之达到施工要求,并进行边坡的裂缝修补和处理。
3. 砼喷锚设备配置:配置喷锚设备,包括喷锚机、砼搅拌设备、喷头等。
4. 砼搅拌与输送:将水泥、砂子、骨料等按照一定比例混合,并输送到喷锚机。
5. 砼喷锚施工:将混合好的砼通过喷头喷射到边坡表面,形成一层均匀的喷锚层。
6. 锚杆安装:在喷锚层未完全凝固之前,将锚杆插入其中,固定边坡结构。
7. 喷锚层养护:对喷锚层进行养护,保证其强度和稳定性。
二、施工材料1. 水泥:用于混凝土的制备,提供喷锚层的强度和稳定性。
2. 砂子和骨料:作为混凝土的填充物,用于提供喷锚层的厚度和坚固性。
3. 锚杆:用于固定边坡结构,保证喷锚层的牢固性。
4. 喷锚机和砼搅拌设备:用于混合和输送砼,实现喷锚施工的自动化和高效化。
三、施工注意事项1. 施工前需要进行边坡的勘测和设计,确定合适的施工方案和参数。
2. 边坡表面应清理干净,并进行裂缝修补和处理,以保证喷锚层的质量。
3. 喷锚层的厚度和均匀性应符合设计要求,确保边坡的稳定性。
4. 喷锚层的砼配比应合理,控制水灰比和骨料粒径,以保证喷锚层的强度和稳定性。
5. 锚杆的安装位置和数量应按照设计要求进行布置,确保边坡的固定效果。
6. 施工过程中需要注意喷锚层的养护,保证其强度的发挥和稳定性的持久。
四、施工效果砼喷锚施工可以有效地加固和稳定边坡,提高边坡的抗滑能力和抗震能力。
喷锚层能够形成一层均匀、致密的保护层,保护边坡不受外界环境的侵蚀和破坏。
锚杆的安装能够进一步增强边坡的稳定性,确保边坡长期安全可靠。
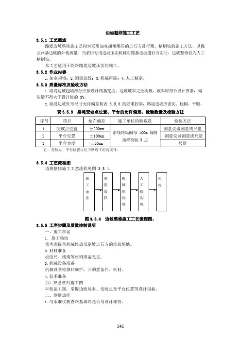
边坡整修施工工艺3.5.1工艺概述路堤边坡整修施工是指对采用加宽超填碾压的土石方进行粗、精刷坡的施工方法,以保证路基边坡的外观质量。
当采用专用边坡压实机械对路基边坡进行夯实时,边坡整修仅为人工精刷坡。
本工艺适用于铁路路堤边坡压实的施工。
3.5.2作业内容1.加宽超填;2.测量放线;3.机械粗刷;4.人工精刷。
3.5.3质量标准及验收方法1.路堤边坡超填部分应按设计路基宽度、边坡坡率完全刷坡,坡率应符合设计要求,偏陡量不得大于设计值的 3%。
2.路堤边坡外形尺寸允许偏差按表3.5.3 的要求控制,路堤边坡应密实、稳固、平顺。
表3.5.3 路堤变坡点位置、平台的允许偏差、检验数量及检验方法注:变坡点、平台位置以位于路肩下的高度计。
3.5.4工艺流程图边坡整修施工工艺流程见图 3.5.4。
图3.5.4 边坡整修施工工艺流程图。
3.5.5工序步骤及质量控制说明一、施工准备1.施工场地需考虑提供机械停放及刷坡土石方的堆放场地。
2.材料准备坡度尺、线绳等材料准备充足。
3.机械设备准备机械设备检修和维护,并购置备件、耗材。
4.技术准备(1) 熟悉核对施工图审核施工图,掌握边坡坡率、变坡点及平台位置等设计指标。
二、测量放样1.用水准仪核查路基填高是否与设计相符。
2.采用全站仪精确放出路基每侧超宽的上口线。
测量工作必须贯彻双检制。
三、机械粗刷坡路基刷坡宜采用机械刷坡。
机械刷坡时应根据路肩线用坡度尺控制坡度。
人工刷坡时应采取挂方格网控制边坡平整度和坡度,方格网桩距不宜大于10m。
1.为防止雨水淋刷浸泡引起边坡坍塌,每填筑 0.9~1.5m 利用挖掘机及时对边坡进行拍实。
2.在路堤填筑完成后,按照设计路基宽度和边坡坡度先进行挖掘机粗刷坡,挖掘机刷坡时要根据路肩线用坡度尺控制坡度,为防止超刷,影响路基本体质量,边坡上要预留 10~20cm 厚的土方用人工精刷。
并清除多余填土,并对边坡进行拍实。
四、人工精刷坡1.粗刷坡后,人工采用坡度尺,自上而下进行精刷坡;切忌不能超刷。
河岸边坡治理工程施工方案主要包括以下几个方面:施工准备、施工工艺、施工进度计划、质量保证措施、安全施工措施和环境保护措施。
以下是详细的施工方案:一、施工准备1. 现场调查:对河岸边坡进行详细的现场调查,了解边坡的地质条件、地形地貌、水文地质、植被覆盖等情况,为施工提供基础数据。
2. 设计方案:根据现场调查结果,结合相关规范和治理目标,制定合理的河岸边坡治理方案。
3. 材料准备:根据设计方案,提前准备治理工程所需的各类材料,如锚杆、钢筋网、混凝土、砂浆等。
4. 施工设备:根据工程需求,配置相应的施工设备,如挖掘机、装载机、搅拌机、喷锚机等。
5. 人员组织:组建专业的施工队伍,对施工人员进行技术培训和安全教育,确保施工顺利进行。
二、施工工艺1. 边坡清理:对河岸边坡进行清理,清除杂物、植被等,为后续施工创造条件。
2. 排水设施:根据治理方案,设置排水设施,包括排水沟、排水管等,防止水分对边坡的影响。
3. 锚杆施工:按照设计要求,进行锚杆钻孔、注浆、锚固等工序,提高边坡稳定性。
4. 钢筋网施工:在锚杆基础上,铺设钢筋网,增强边坡的抗变形能力。
5. 喷射混凝土:采用喷射混凝土工艺,对边坡进行封闭,防止岩体风化、侵蚀。
6. 坡脚加固:在坡脚处设置抗滑桩、挡土墙等结构,提高边坡的整体稳定性。
7. 绿化施工:在治理工程完成后,进行植被恢复,提高边坡的生态效益。
三、施工进度计划1. 制定详细的施工进度计划,明确各工序的施工顺序、时间节点和完成标准。
2. 根据现场实际情况,适时调整施工计划,确保工程按时完成。
3. 定期对施工进度进行跟踪、检查,确保各工序按计划进行。
四、质量保证措施1. 严格遵循相关规范和标准,确保工程质量。
2. 对施工过程中的关键环节进行质量把控,如锚杆长度、钢筋网搭接长度等。
3. 加强施工过程中的质量检查,发现问题及时整改。
4. 对施工完成后进行验收,确保工程质量达到预期目标。
五、安全施工措施1. 定期对施工人员进行安全教育培训,提高安全意识。
高边坡治理施工工艺摘要高边坡治理是保护工程建设中十分关键的一项工作,其施工工艺直接关系到施工质量和效率,具有较大的难度和复杂性。
本文首先简要介绍了高边坡的定义和特点,然后详细阐述了高边坡治理施工的各个环节和工艺步骤,包括清理杂草、喷涂防护层、加设降雨管和加强加固等,对于加强工程建设安全、防止环境污染、保护生态环境,具有重要的参考作用。
简介高边坡是建筑工程中常见的一种存在,其高度较高,坡度较陡,易受到地质灾害和自然因素的影响,具有较高的危险性。
因此,在高边坡治理过程中,需要采取一系列措施对其进行加固和保护,以确保施工质量和工程安全的同时,减少对环境的污染和生态破坏。
工艺步骤清理杂草在高边坡治理施工之前,需要对其周边的草木进行清理。
这是因为高边坡上长有的杂草,容易吸收水份,并形成漏洞和腐蚀,进而加剧高边坡的不稳定性。
喷涂防护层喷涂防护层是高边坡治理的重要环节。
通常情况下,对高边坡进行表面强化,采用的方法就是涂刷防护层。
主要采用的防护层材料为塑料大块,多孔泡沫玻璃,纤维水泥等,其可承受较强的力量压缩和撕裂,以达到增强防护和加固效果。
加设降雨管降雨管是排水系统,其主要作用是搜集雨水,避免雨水渗透到高边坡内部,从而达到防止破坏和加固的目的。
高边坡加设降雨管,一方面可以防止雨水对高边坡的侵蚀和腐蚀,另一方面也可以有效地减少高边坡内部积水的数量和干涉大气环境。
加强加固在高边坡治理施工的最后一个阶段,需要对其进行加强和加固。
在工程实践中,常用的加固方法有钢筋钻石胎加固、泡沫水泥加固、土工布垫加固等多种方式。
钢筋钻石胎加固的特点是耐久、方便、成本适中,泡沫水泥加固则有耐水、耐火、方便施工等优点,土工布垫加固则是主要采用无纺布材料,并具有较好的耐水性、稳定性、耐低温等优势。
结论高边坡治理施工工艺具有一定的难度和复杂性,需要采用一系列措施对其进行加固和保护。
在加强工程建设安全、防止环境污染、保护生态环境等方面,具有重要的意义和作用。
基坑开挖与边坡喷锚防护施工工艺基坑降水降至设计要求位置后,开挖基坑,按设计要求1:1坡度放坡开挖,坡面采用C20喷锚挂网处理。
在基坑开挖前,必须全部探明地下的管线,包括光电缆、地方给水、排水、天然气、通信信息等线路情况,影响施工的必须完成迁改后方能开挖;在有可能影响既有设备安全的,必须和相应单位签订配合协议,并在设备单位监护人员的监督指导下施工。
为了加强基坑开挖后路基边坡的防护,防止溜坍等情况发生,基坑开挖后立即进行基坑边坡喷锚支护。
(1)施工方法基坑开挖采用挖掘机开挖,人工清底方式进行,翻斗渣土汽车运至弃土场。
基坑开挖施工宜在保持开挖面干燥的条件下作业。
为防止基坑内排出的水和地面雨水等向坑内回渗,在施工期应保持坑顶地面排水的畅通,及时开挖集水测沟和集水井。
在边坡保护范围内的地面不应有积水。
在基坑开挖过程中,不宜在坑边堆置弃土或安置其他重型施工设备器材,以尽量减轻地面荷载。
应控制弃土堆底至基坑顶边的距离,不小于1.2m。
当基坑开挖至接近坑底高程时,应注意避免超挖。
若有超挖应加厚基础垫层混凝土或用砂石回填夯实,满足基础设计要求。
在坑底保留0.2-0.3m厚的土层于施工基础混凝土垫层前用人工挖出铲平。
基坑开挖后,应根据设计要求及时做好坡面的防护工作及浇筑垫层封闭基坑。
基坑开挖时,应对平面控制桩、水准点、基坑平面位置、水平标高、边坡坡度等经常复测检查。
开挖过程中每天对开挖边坡进行检测,出现问题立即处理;下雨时应用彩条布对已开挖的边坡覆盖保护。
为保证路基的稳定,基坑开挖并按设计坡度放坡后,对坡面进行挂网喷砼加固,保证坡面稳定密闭,防止发生垮塌。
挂网喷砼采用C20细石砼,厚度10cm,钢筋网采用φ6.0圆钢,网格间距20cm*20cm,锚杆采用Φ16螺纹钢,长度1.5m,纵横间距2m,梅花形交错布置。
示意图如下:(1)施工装备挖掘机,钻孔机、空气压缩机、混凝土喷射机,交流发电机,电焊机,钢筋对焊机,钢筋切断机,钢筋弯曲机,钢筋调直机,自卸汽车,潜水泵,镐、锹、土筐、手推车、等挖土工具。
边坡工程施工技术方法及工艺一、地表、坡面清表(1)对边坡支护需要处理范围内的树木、树根、腐殖土、有机土、种植土和垃圾等进行清理。
清表顺序自上而下进行,采用装载机挖装。
坡面清表原则上不能削坡。
清表前,有水段必须首先疏通排干积水及做好雨季排水工作,在多水地段如水池,修筑挡水围堰,高按现状情况水位来确定。
(2)将处理范围内的树木、灌木丛、杂草等进行砍伐或移植清理,应对清理出来的含有植物根系的地表土和腐殖土集中妥善存放。
任何永久或临时用地,都不得填埋或碾压腐殖土,腐殖土可备日后恢复植被所用。
对于淤泥质土应清除后,采取排水疏干、挖除换填、抛填片石或换填砂砾石等低级加固措施,对于耕地较厚的局部水田地段,应根据实际情况进行清表。
清表过程中对于机械不能清理的部位例如树根等应配合人工进行清除。
在清除树根时,必须一次性将树根挖掘干净,保证顺利施工。
(3)清表后作业面无树木、杂草、淤殖土等附着物,具备边坡土方开挖和修整条件。
(4)清除完毕后对人工造成的坑穴应填平压实,并对其碾压至规定的压实度为止。
对大腐质土开挖的区域换填处理后进行全面碾压,达到规定压实度。
清表完毕后,应经现场监理验收合格后,再进行场地整平和压实等工作。
(5)填挖交界处,即填土与原状土搭接地段,必须清除较松散的岩土以及地表植被有机土等,方能填土压实。
二、土方回填碾压夯实1、土方回填可以合理利用本工程开挖土方做为填料,分层碾压,填料压实度要求达到90%(场内压实度具体以整平单位为准)。
回填填土分层铺设时,一次铺筑厚度为300mm~500mm,碾压前应进行压实试验,根据碾压机械和填土性质确定填土分层铺筑厚度、碾压遍数以指导施工,并用灌砂法进行检测。
2、为保证填土压实的均匀性及密实度和避免碾轮下陷,提高碾压效率,在压路机碾压之前,宜选用挖掘机预压,使表面平实。
3、在雨季进行压实填土施工时,应采取防雨措施,防止填料受雨水淋湿,并采取措施防止出现“橡皮”土。
4、分段碾压碾迹搭接宽度:垂直碾压方向不小于0.3~0.5m,顺碾压方向应为1.0~1.5m。
施工工艺土方开挖与边坡处理技巧施工工艺土方开挖与边坡处理技巧在土木工程中扮演着重要的角色,它涉及到土方工程中的土方开挖和边坡处理的技术与方法。
合理的土方开挖和边坡处理可以保证工程的安全与稳定,提高施工效率。
本文将以实际工程案例为基础,就施工工艺土方开挖与边坡处理技巧进行探讨。
一、土方开挖1. 土方开挖前的准备工作在进行土方开挖前,必须进行全面的准备工作。
首先,要进行详细的地质勘察与土质检测,了解施工现场的地质情况和土壤性质,以便合理选择施工工艺和开挖方式。
其次,要设计土方开挖的平面布置与纵断面,合理划定开挖的界限与坡度。
最后,要制定详细的施工方案,包括开挖的顺序、方法、安全措施等。
2. 开挖方法与工艺选择土方开挖的方法与工艺选择应根据具体工程的情况及土壤特性来确定。
常见的土方开挖方法有手工开挖、机械开挖、爆破开挖等。
一般情况下,采用机械开挖是效率较高的选择,但在有限空间或复杂地质条件下,手工开挖可能更为适当。
3. 施工时的安全措施土方开挖属于高风险的作业,需要采取有效的安全措施。
在开挖前应对施工现场进行安全检查,确保无隐患。
施工过程中,要合理设置挡土墙或者围护结构,并及时清除开挖面上的杂物,防止坍塌事故的发生。
此外,要加强对施工人员的培训,提高其安全意识。
二、边坡处理技巧1. 边坡类型与选择边坡处理的方法与技巧应根据边坡类型及土质特性选择。
常见的边坡类型有挡土墙边坡、阶梯边坡、护坡边坡等。
不同类型的边坡在选择与设计时需考虑地质条件、土壤性质、施工工艺等因素。
2. 边坡支护与加固边坡支护与加固是保证边坡稳定的重要措施。
常用的边坡支护方式有锚杆支护、挡土墙支护、喷锚网支护等。
根据边坡的高度与土壤的性质选择合适的支护措施,确保边坡的稳定与安全。
3. 防止边坡滑坡与塌方边坡滑坡与塌方是边坡工程中常见的问题,需要采取相应的措施进行预防与应对。
在土方开挖过程中,要根据边坡高度及土质特性设置合理的坡度与坡脚距,并及时处理边坡上的不稳定因素,如排水与防渗措施。
各方案施工工艺介绍确保试验段全部工程到达建设单位和设计单位的工程质量验收标准,单位工程一次验收合格,单位工程优良率达 95%以上。
1、连续喷丝固土植生法连续喷丝固土植生法适用于挖方土质边坡,边坡坡率》1:1。
连续喷丝固土植生法是一种型的喷播绿化方式,它利用特制喷混机械将按比例混合并搅拌均匀的有机基材长效肥、速效肥、保水剂、粘接剂、植物种子和水的混合物,喷射到坡面上,在喷射客土植生基材的同时,利用空压机及喷丝机把纺织纤维丝与植生基材同时喷射,由于粘接剂的粘结作用及纺织纤维丝的连接作业,混合物可在岩石外表形成一个既能让植物生长发育,种植基质又不被冲刷的多孔稳定构造〔即一层具有连续空隙的硬化体〕,种子可以在空隙中生根、发芽、生长,从而到达恢复植被、改善景观、保护环境的目的。
①技术原理纺织长丝与菌土基材在高压空气的作用下进展连续的同步混喷,在陡峭的岩石坡面上形成一种具有均匀且相互缠绕纤维网的菌土植生层。
纤维丝在植生层中能起到加筋和连结作用,把基材中的沙粒和其它物质网结起来,并通过粘结剂粘接在一起,拘束了沙粒的位移。
纤维网和菌土层的叠加,增加了植生层的剪切强度和抗变应力,并能够与岩面紧贴,结实结合,提高了抗侵蚀性,从而有效地防止由于雨水冲刷而造成的护坡失败。
植物生长后,菌土中的微生物激活土壤,根系延长,盘根错节,并与纤维网和菌土有机地结合在一起,截流降水,修养水源,防止水土流失。
连续喷丝固土植生法工作原理示意图②施工工艺和流程连续喷丝固土植生法的施工机械设备包括两局部,即菌土基材喷射系统和纺织长丝喷射系统。
菌土基材喷射系统主要由湿喷机、搅拌机、发电机组成,喷丝系统主要由喷丝机、空压机组成。
基材和纤维同步喷射,基材主要由菌土、粘结剂、有机质、复合肥和保水剂等混合而成,用水搅拌成泥浆状喷射。
工艺流程如以下图:喷射纤维配制菌土基材喷播种子无纺布掩盖前期浇水喷射菌土③纤维丝、基材配方与设备纤维丝:纺织聚酯长丝,用量 100g/m2菌土基材配方:每 100kg 基材包括:过筛沙土 50kg,有机菌肥 30kg,泥炭土 10 kg,复合肥 1kg,粘结剂 20g,保水剂 0.1kg,水泥 9kg。
植草护坡施工工艺及方法1.施工程序边坡修整→松土除杂→种植覆盖→施肥养护2.施工方法(1)边坡修整:大堤边坡修整回填完工后,应进行人工边坡修整,以达到设计边坡。
坡面应进行平整,清理垃圾等杂物。
(2)松土除杂:边坡修整好后,用人工对坡面土层进行松土,并铺筑耕植土,松土厚度不大于30cm。
在松土过程中还应将土层中的杂草、垃圾清除干净,并将大块土击碎。
(3)撒种覆盖1)草种选择:各草护坡选用生产快,耐旱、耐高温、耐水淹、耐贫瘠、耐酸性、耐碱性,能安全越冬的草种。
同时要求护坡草坪根系发达、强劲、密集交叉、覆盖性好。
具体草种应按照设计或监理工程师的指示进行购买。
2)播种方法:如设计没有明确要求,可考虑采用撒草籽或铺砌草皮两种方式完成草皮护坡工程施工。
采用人工撒播法是,撒播前将草种按一定的比例混合均匀,撒种前,沿坝坡横向整排撒播推进。
以50m为一播段,撒播过种中严格遵循国家专利技术《草坪培植床》和设计草密度。
3)草种覆盖,每撒播段完工后,极请监理工程师同意后,及时用半园把覆盖坡面表上,再用人工拍压,以使草种稳定,不流失。
(4)施肥、养护种草完成后,在规定的工夫内应进行施肥和养护,以保证昔时出苗和成活率在80%以上。
(5)冬季低温播种时,塑料薄膜保温促苗,防止幼苗冻伤。
(6)草块移植铺设法1)铺裁草皮的草源应生长良好,密度高,而且有足够面积的草。
2)草块切成30cm×30cm,厚2-3cm的方块。
3)铺设草块可采取密铺或间铺,密铺应互相街接不留漏洞,请求快速成坪,间铺草块,各草块间的漏洞不得超过4-6cm,当草漏洞宽为4cm时,草块必须占草坪总量的70%以上,间隙间回填好草,草块铺设后应压实,浇水。
3.草皮护坡的质量要求(1)播种草皮全覆盖率到达90%。
边坡绿化施工工艺介绍坡靠自然界自身的力量恢复生态平衡往往需要较长的时间,甚至基本无法恢复。
因而需要采取工程措施,对边坡进行工程防护与生态绿化处理,以防止边坡破坏、水土流失,并涵养水源、净化空气、美化环境,是减少生态灾害,保护环境的需要。
边坡绿化要因地制宜,根据当地的自然地理环境(地形、土质、气候条件等),并结合本地区草木的生长情况以及边坡的坡度、坡面的岩石性质等情况确定边坡绿化的施工工艺。
下面是边坡绿化常用的几种施工工艺及其操作步骤。
1.喷砼(绿色)工艺坡度较陡,且稳定性较好的坡面采用此工艺。
①喷砼(绿色)施工工序:制作安装坡面锚钉及泄水孔→挂网(加强筋连接)→喷砼(绿色)→砼养护→拆除脚手架。
②喷砼工艺流程(见图1)图1喷砼工艺流程图2.喷混植生工艺①施工工序:坡面处理→铺网钉网→喷混植生→回填种植土→养护首先喷射不含种子的混合料,喷射厚度6~8cm,待第一次喷射的混合土达到一定强度后,紧接着第二次喷射经过催芽处理后的种子加入过筛后的泥炭土、腐殖土、粘结剂、纤维、缓释复合肥、保水剂搅拌均匀后的混合材料。
②工艺流程(见图2)图2喷混植生工艺流程图3.客土吹附工艺在坡面较陡岩面或岩土面上利用喷播设备将经过一定比例混合的客土喷射到挂有铁丝网的坡面上的一种边坡绿化工艺。
其注意点有:①铺网:选用网孔为4×4cm或5×5cm的镀PVC或镀锌菱形铁丝网铺设坡面,长度根据需要裁剪,坡顶延伸不低于50cm,开沟并用桩钉固定后回填或埋入截水沟中。
坡顶固定后自上而下铺设。
左右两片网之间搭接宽度不小于10cm。
钉网:针对石坡面情况采用“L”形Φ6~8或其它型号的钢锚钉或竹锚钉,锚钉长度根据实际情况分别采用150~400mm。
②客土吹附:将过筛腐殖土、草纤维、泥炭土、缓释营养肥、粘合剂、保水剂、水等混合材料用喷播机充分搅拌,然后通过喷播机将材料及种子送至坡面,喷附到预先固定在坡体上的铁丝网上。
工序流程:坡面处理→铺网、钉网→覆土、喷射客土及种子→养护4.液力喷播工艺在坡度达到小于一般土壤稳定坡角,且本身具植物生长的土壤,具备了人工回填土后液力喷播完成植被建植和恢复的条件时可采用液力喷播工艺。
第1篇一、工程概况本工程位于我国某城市,该城市属于典型的山地城市,地形复杂,地质条件多变。
边坡工程的主要目的是为了稳定边坡,防止滑坡、塌方等地质灾害的发生,确保周边环境和人民群众的生命财产安全。
本边坡工程长度约为1000米,高度约为30米,施工内容包括边坡开挖、支护、排水、绿化等。
二、施工组织与管理1.施工组织(1)施工队伍:成立专业的边坡施工队伍,包括项目经理、技术负责人、施工员、质检员、安全员等。
(2)施工设备:配备挖掘机、装载机、推土机、自卸汽车、边坡喷浆机、钻孔机、锚杆机等施工设备。
(3)施工材料:选用符合国家标准的边坡支护材料,如锚杆、锚索、喷射混凝土、钢筋网等。
2.施工管理(1)施工进度管理:制定详细的施工进度计划,确保工程按期完成。
(2)质量控制管理:严格执行国家相关标准和规范,加强施工过程中的质量监控,确保工程质量。
(3)安全管理:加强施工现场安全管理,严格执行安全生产法规,确保施工人员安全。
三、施工工艺1.边坡开挖(1)采用人工开挖和机械开挖相结合的方式,先进行人工开挖,再进行机械开挖。
(2)开挖过程中,严格控制边坡坡度,确保边坡稳定性。
(3)开挖过程中,及时清除松散土体,防止滑坡、塌方等事故发生。
2.边坡支护(1)锚杆支护:采用锚杆锚固边坡,锚杆长度根据边坡地质条件确定,一般长度为4-6米。
(2)锚索支护:在边坡较陡、稳定性较差的区域,采用锚索支护,锚索长度根据边坡地质条件确定,一般长度为6-10米。
(3)喷射混凝土支护:在边坡表面喷射混凝土,厚度一般为5-10厘米。
3.排水(1)设置排水沟,将边坡表面及地下水位以下的水排出。
(2)在边坡底部设置集水井,将集水井内的水排出。
4.绿化(1)选择适合当地气候、土壤条件的植物进行绿化。
(2)绿化过程中,注意植物间距、栽植深度等。
四、施工质量控制1.原材料质量控制:选用符合国家标准的边坡支护材料,严格检查材料质量。
2.施工过程质量控制:严格执行施工工艺,加强施工过程中的质量监控,确保工程质量。
边坡支护工艺流程边坡支护工艺流程是指在施工过程中对边坡进行加固和稳定的一系列工艺流程。
以下是一种常用的边坡支护工艺流程:1. 边坡调查和设计:首先需要对边坡进行详细的调查和测量,了解边坡的地质情况、倾斜度、土壤质量等,并根据调查结果进行设计。
设计时需要根据不同的边坡情况选择合适的支护方式和材料。
2. 边坡预处理:在正式进行支护工程前,需要对边坡进行一些预处理。
这包括清理边坡表面的杂草、垃圾等,并清除陡坡和裸露的岩石。
同时需要对边坡表面进行清洗,以便后续施工。
3. 边坡加固材料准备:根据设计要求,准备好边坡加固所需的材料。
这些材料包括钢筋、混凝土、锚杆、钢丝网、喷锚剂等。
确保材料质量和数量的充足。
4. 引导排水处理:在边坡施工前,对边坡进行引导排水处理,将边坡内部的积水引导到合适的位置。
通常使用排水管道,将积水从边坡的底部引导出去。
5. 边坡钻孔:根据设计要求,在边坡需要加固的部位进行钻孔。
钻孔深度和孔距需要根据边坡的稳定性和加固材料的要求来确定。
6. 安装锚杆:在钻孔完成后,需要将预制的锚杆安装到钻孔内,并灌注固化剂固定。
锚杆的数量和间距需要根据设计要求和边坡的情况来确定。
7. 搭建钢筋网:在边坡的稳定层表面,搭建钢筋网,增加边坡的抗剪强度和稳定性。
钢筋网的尺寸和规格需要根据设计要求和边坡的情况来确定。
8. 喷涂喷锚剂:在搭建好钢筋网后,需要对钢筋网进行喷涂喷锚剂,将钢筋网与边坡的稳定层紧密结合,增加边坡的整体稳定性。
9. 浇筑混凝土:在喷涂喷锚剂固化后,需要对边坡进行混凝土浇筑,将边坡的稳定层加固起来。
混凝土的浇筑情况需要严格按照设计要求来进行,确保混凝土的质量和强度。
10. 河道整治:在边坡支护工程完成后,需要对边坡周边的河道进行整治,清理河道内的杂草、泥沙等。
同时需要对河道进行排水处理,保证河道的通畅。
以上是一种常用的边坡支护工艺流程,具体的工艺流程可以根据实际情况进行调整和变化。
在进行边坡支护工程时,需要注重安全和质量,确保工程的顺利进行和边坡的稳定性。
施工工艺边坡处理:
将边坡上杂石碎物清理干净,将低洼处回填夯实平整,确保坡面平顺。
⑴铺设将三维植被网沿坡面由上至下铺于坡面上,网与坡面之间保持平顺结合。
⑵铺于坡顶时需延伸40~80cm,埋于土中并压实。
⑶锚固将三维网自下而上用ф6mm以上的U型钢筋将三维网固定,U型钢筋长约15~30cm,宽约8mm,U型钢筋间距约1.5~2.5m,中间用8﹟U型铁钉或竹钉进行辅助固定。
⑷覆土三维植被网铺设完毕,将泥土均匀覆盖于三维植被网上,将网包覆盖住,直至不出现空包,确保三维植被网上泥土厚度不小于12mm。
然后将肥料、生长素、粘固剂按一定比例混合均匀,施洒于表层。
肥料为氮:磷:钾=15:15:15或氮:磷:钾=10:8:7的复合肥及含N有机质,肥量约为30~50g/㎡。
喷播
覆土回填完毕,进行液压喷播,即将草籽(按每平方25克左右喷播)和促使其生长的附着剂、木纤维、肥料、生长素、保湿剂及水按一定比例混合搅拌,形成均匀混合液,通过液压喷播机均匀喷洒于坡面上。
覆盖
喷播植草施工完成之后,在边坡表面覆盖无纺布,以保持坡面水分并减少降雨对种子的冲刷,促使种子生长。
若温度太高,则无需覆盖,以免病虫害的发生。
养护管理
喷草施工完成之后,必需定期进行养护,直到草坪成坪。
待草坪长至5cm左右时,即可揭开无纺布。