西安市建筑节能分部工程验收备案申请表(居住、公建、工业建筑)
- 格式:doc
- 大小:139.50 KB
- 文档页数:7
西安市建筑节能设计审查备案表(工业建筑)101号建筑备案编号:项目名称半导体用化学品存储项目建筑面积89.10㎡项目所在区陕西省西安市西安高新技术产业开发区项目地址陕西省西安市西安高新技术产业开发区建筑类型仓储建筑层数地上 1 层至层结构类型钢结构地下层至层固定资产投资项目节能审查(登记备案)机关固定资产投资项目节能审查(登记备案)意见文号建筑高度(m)8.6(9.5)施工图节能设计情况体形系数0.577 建筑物外表面积422.58 建筑体积739.53围护结构部位传热系数(W/(m2·K))保温材料名称保温材料厚度(mm)保温材料燃烧性能保温材料密度(kg/m3)保温材料导热系数(W/(m·K)屋面K=0.333W/(m2·K)玻璃棉卷毡100 A级40 0.035 外墙(包括非透明幕墙)K=0.333W/(m2·K)外墙外保温:玻璃棉卷毡100 A级40 0.035 非采暖空调房间与采暖空调房间的隔墙——————————————————地面保温材料层热阻为(1.78)(m2·K)/W———————————————外墙饰面材料压型钢板外墙水平防火隔离带设置情况外墙保温材料整体为A级不燃材料外墙防护层设计情况建筑的外保温系统应采用不燃材料(玻璃棉)在其表面设置作防护层,防护层应将保温材料完全覆盖。
首层的防护层厚度不应小于( 6 )mm,其他层不应小于( 3 )mm。
建筑外墙外保温系统与基层墙体、装饰层之间的空腔,应在每层楼板处采用防火封堵材料(岩棉)封堵。
施工中,应做到边固定保温材料边涂抹防护层。
保温材料的燃烧性能等级应进行现场抽样检验。
保温材料进场后,要远离火源。
露天存放时,应采用不燃材料安全覆盖,或将保温材料涂抹防护层后再进入施工现场。
动火作业要安排在节能保温施工作业之前,保温材料的施工要分区段进行,各区段应保持足够的防火间距。
防火隔离带的施工应与保温材料的施工同步进行。
西安市建筑节能专项验收备案实施步骤提示安照2008年10月1日颁发的《民用建筑节能条例》规定,现就建筑节能专项验收备案实施步骤提示如下:第一步:“自查”。
由建设单位对设计文件中有关“建筑节能”专篇进行详读(若看不懂,可邀请设计单位进行讲解),并组织设计、施工、监理单位对建筑的围护结构保温措施、提供采暖系统、热计量表及温控装置进行检查,若现场发现没有按照设计文件内容进行施工或漏项的部位,要求施工单位进行整改;第二步:“验收”。
新建建设工程项目由建设单位组织验收。
由建设单位会同设计、施工、监理单位按照设计文件内容进行验收。
验收过程中要求①建筑节能计算书、②施工图审查意见、③建筑施工总说明、④设计变更、⑤施工工艺、⑥进场保温材料性能、⑦材料厚度、尺寸相同。
各单位分别填写验收合格表、分部工程验收备案申请表,并提交建设单位确认。
第三步:“资料装订”。
第二步完成后,建设单位按照“西安市建设工程项目建筑节能专项验收备案资料装订顺序要目”,将基本资料类、设计文件资料类、自验资料类、保温材料类及其他资料共5项内容装订成一册,上报市建委建筑节能与材料处;第四步:“核查”。
市建委建筑节能与材料处将在5个工作日内,派员赴现场进行核查;如仍存在问题,将下发整改通知书,要求限期整改;同时,未按照民用建筑强制性标准实施的项目依法对建设、施工、监理单位进行处罚、通报;第五步:“检查评分”。
经核查合格后,5个工作日内,由建筑节能与材料处组织专家(若属市政集中供热的项目将与市政公用局共同组织)现场进行检查和评分;第六步:“专项备案”。
经检查合格,5个工作日内予以备案。
第七步:“返还押金”。
10个工作日内返还新型墙体材料押金。
西安市建设工程项目建筑节能专项验收备案资料装订顺序要目(请按下列顺序依次装订成一册)一、基本资料装订(以下资料均需提供复印件2份并加盖建设单位公章)1、建筑工程施工许可证2、西安市建设项目城建费用(基金)统一征收交纳证书;3、西安市城建费用交款通知书;4、新型墙体材料专项基金收款凭证。
西安市建筑节能信息公示牌备案表(销售现场)根据《中华人民共和国节约能源法》、《民用建筑节能条例》(国务院第530号令)、国家住房和城乡建设部《民用建筑节能信息《西安市建筑节能信息公示牌登记表》填表说明一、本表所填内容应与经施工图审查机构审查通过并经建设项目所在辖区建设管理部门审查通过办理完建筑节能设计审查备案的施工图设计文件节能设计内容一致。
本表格内填写内容除“签字”部分外,均需要机打。
二、表中项目名称、项目地址与《建设工程规划许可证》一致。
三、保温材料包括:如建筑外墙外保温用岩棉保温板等。
按《建筑设计防火规范》(GB 50016-2014)、《民用建筑外保温系统及外墙装饰防火暂行规定》(公通字[2009]46号),设置有水平防火隔离带时,应在保温材料后注明水平防火隔离带保温材料,如:(沿楼板每层设置宽度不小于300mm的A级岩棉保温板水平防火隔离带);(屋顶与外墙交界处、屋顶开口部位四周的保温层,应采用宽度不小于500mm 的A级岩棉保温板水平防火隔离带)。
四、保温材料厚度:如80mm,满足节能设计标准要求。
五、保温材料燃烧性能:如A级、B1、B2。
六、门窗类型:如断桥铝合金离线Low-E中空玻璃窗(氩气间隔层厚度12mm)。
七、热源形式:如市政集中供热、小区自建锅炉房、分户壁挂式燃气采暖炉等。
八、室内采暖方式:如散热器采暖、热水地面辐射供暖、热水吊顶辐射板供暖等。
九、室温调控装置:当室内采用散热器供暖时,如散热器恒温控制阀;当室内采用低温地面辐射供暖系统时,如房间温度控制器(有线)+电热(热敏)执行机构+带内置阀芯的分水器、房间温度控制器(有线)+分配器+电热(热敏)执行机构+带内置阀芯的分水器、带无线电发射的房间温度控制器+无线电接收器+电热(热敏)执行机构+带内置阀芯的分水器、自力式温度控制阀组、房间温度控制器(有线)+电热(热敏)执行机构+带内置阀芯的分水器。
十、热计量方式:如分户热计量表等。
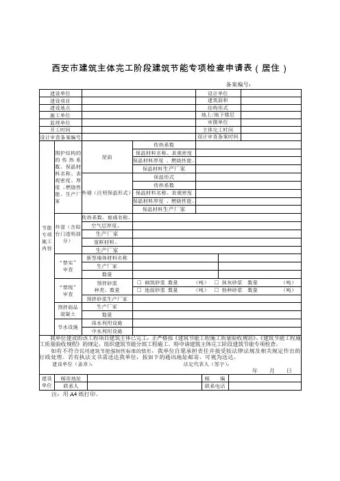
西安市建筑主体完工阶段建筑节能专项检查申请表(居住)备案编号:注:用A4纸打印。
填表说明一、本表所填内容应与建筑节能分部工程施工情况一致。
二、表中项目名称、项目地址与《建设工程施工许可证》一致。
三、围护结构的传热系数、保温材料名称、厚度、表观密度、燃烧性能、生产厂家按顺序分别依次填写。
例如:K=0.50W/(m2·K);EPS板;60mm厚;20kg/m3;B2级;厂家名称。
四、外窗(含阳台门透明部分)传热系数、玻璃名称、空气层厚度、生产厂家按顺序分别依次填写。
例如:K=0.28W/(m2·K)中空玻璃;6+6mm+6;厂家名称。
窗框材料、生产厂家按顺序分别依次填写。
例如:塑钢;厂家名称。
五、新型墙体材料名称包括非粘土烧结多孔砖、非粘土烧结空心砖、混凝土多孔砖、蒸压粉煤灰砖等。
填写该项目采用的新型墙体材料名称、生产厂家、数量。
六、雨水利用设施包括有、无。
有时填写雨水蓄水池容积。
例如:有500m3的雨水蓄水池。
中水利用设施包括有、无。
有时填写中水原水量。
例如:有500m3/d的中水处理系统。
七、本表不能有空项。
工程不涉及某项时,在该项填写区划/。
八、本表需打印在一张A3纸上,可调整字体。
九、建设单位法定代表人签字、邮寄地址、邮编、联系人、联系电话、日期等必须填写完整。
十、节能相关图纸至少应包括:1.建筑专业全套图纸;2.水、暖、空调设备房的水、暖、电专业全套图纸;3.结构专业设计总说明;4.暖通专业设计总说明、表达热力入口装置、分户计量、分室调温控制的平面图、系统图(或原理图);5、空调专业设计总说明、表达冷热源计量装置、分室温度控制与显示的平面图、系统图(或原理图);6、电气照明专业设计总说明、表达用电分项计量、照度标准、照明方式和控制方式的平面图、系统图(或原理图);7、给水排水专业设计总说明、分户计量、给水分区的平面图、系统图;8、雨水利用设施、中水利用设施的各专业全套图纸;9、可再生能源建筑应用的各专业全套图纸。
市建筑节能分部工程验收备案申请表(居住)注:用A3纸打印。
填表说明一、本表所填容应与建筑节能分部工程施工情况一致。
二、表中项目名称、项目地址与《建设工程施工可证》一致。
三、围护结构的传热系数、保温材料名称、厚度、表观密度、燃烧性能、生产厂家按顺序分别依次填写。
例如:K=0.50W/(m2·K);EPS板;60mm厚;20kg/m3;B2级;厂家名称。
四、外窗(含阳台门透明部分)传热系数、玻璃名称、空气层厚度、生产厂家按顺序分别依次填写。
例如:K=0.28W/(m2·K)中空玻璃;6+6mm+6;厂家名称。
窗框材料、生产厂家按顺序分别依次填写。
例如:塑钢;厂家名称。
五、新型墙体材料名称包括非粘土烧结多砖、非粘土烧结空心砖、混凝土多砖、蒸压粉煤灰砖等。
填写该项目采用的新型墙体材料名称、生产厂家、数量。
六、雨水利用设施包括有、无。
有时填写雨水蓄水池容积。
例如:有500m3的雨水蓄水池。
中水利用设施包括有、无。
有时填写中水原水量。
例如:有500m3/d的中水处理系统。
七、太阳能与浅层地能利用面积为利用该项可再生能源技术的建筑面积。
八、本表不能有空项。
工程不涉及某项时,在该项填写区划/。
九、本表需打印在一A3纸上,可调整字体。
十、建设单位法定代表人签字、邮寄地址、邮编、联系人、联系、日期等必须填写完整。
十一、建设单位验收意见由建设企业项目负责人签署意见、签名、加盖公章;设计单位验收意见由设计企业项目负责人签署意见、签名、加盖公章;施工单位验收意见由施工企业技术负责人签署意见、签名、加盖公章;监理单位验收意见由监理企业总监理工程师签署意见、签名、(项目总监印章)加盖公章。
意见包括该建筑节能分部工程验收合格、该建筑节能分部工程验收不合格。
十二、节能相关图纸至少应包括:1.建筑专业全套图纸;2.水、暖、空调设备房的水、暖、电专业全套图纸;3.结构专业设计总说明;4.暖通专业表达热力入口装置、分户计量、分室调温控制的平面图、系统图(或原理图);5、空调专业设计总说明、表达冷热源计量装置、分室温度控制与显示的平面图、系统图(或原理图);6、电气照明专业表达用电分项计量、照度标准、照明式和控制式的平面图、系统图(或原理图);7、给水排水专业分户计量、给水分区的平面图、系统图;8、雨水利用设施、中水利用设施的各专业全套图纸;9、可再生能源建筑应用的各专业全套图纸。
西安市建筑节能专项验收备案实施步骤提示安照2008年10月1日颁发的《民用建筑节能条例》规定,现就建筑节能专项验收备案实施步骤提示如下:第一步:“自查”。
由建设单位对设计文件中有关“建筑节能”专篇进行详读(若看不懂,可邀请设计单位进行讲解),并组织设计、施工、监理单位对建筑的围护结构保温措施、提供采暖系统、热计量表及温控装置进行检查,若现场发现没有按照设计文件内容进行施工或漏项的部位,要求施工单位进行整改;第二步:“验收”。
新建建设工程项目由建设单位组织验收。
由建设单位会同设计、施工、监理单位按照设计文件内容进行验收。
验收过程中要求①建筑节能计算书、②施工图审查意见、③建筑施工总说明、④设计变更、⑤施工工艺、⑥进场保温材料性能、⑦材料厚度、尺寸相同。
各单位分别填写验收合格表、分部工程验收备案申请表,并提交建设单位确认。
第三步:“资料装订”。
第二步完成后,建设单位按照“西安市建设工程项目建筑节能专项验收备案资料装订顺序要目”,将基本资料类、设计文件资料类、自验资料类、保温材料类及其他资料共5项内容装订成一册,上报市建委建筑节能与材料处;第四步:“核查”。
市建委建筑节能与材料处将在5个工作日内,派员赴现场进行核查;如仍存在问题,将下发整改通知书,要求限期整改;同时,未按照民用建筑强制性标准实施的项目依法对建设、施工、监理单位进行处罚、通报;第五步:“检查评分”。
经核查合格后,5个工作日内,由建筑节能与材料处组织专家(若属市政集中供热的项目将与市政公用局共同组织)现场进行检查和评分;第六步:“专项备案”。
经检查合格,5个工作日内予以备案。
第七步:“返还押金”。
10个工作日内返还新型墙体材料押金。
西安市建设工程项目建筑节能专项验收备案资料装订顺序要目(请按下列顺序依次装订成一册)一、基本资料装订(以下资料均需提供复印件2份并加盖建设单位公章)1、建筑工程施工许可证2、西安市建设项目城建费用(基金)统一征收交纳证书;3、西安市城建费用交款通知书;4、新型墙体材料专项基金收款凭证。
西安市建筑节能设计审查备案表(居住建筑)备案编号:注:本页需单独打印;西安市建筑节能设计审查备案表(居住建筑)备案编号:注:本页与第5页需正反双面打印;西安市建筑节能设计审查备案表(居住建筑)备案编号:填表说明一、本表所填内容应与经审查合格的节能设计文件一致。
二、表中项目名称、项目地址与《建设工程规划许可证》一致。
三、建筑类型:住宅、集体宿舍、住宅式公寓、商住楼的住宅部分、带商业服务网点的住宅楼的住宅部分、托儿所、幼儿园等;其中带商业服务网点的住宅楼的住宅部分应提供商业服务网点的施工图设计文件。
四、绿色建筑设计星级:对执行绿色建筑标准的项目,应当填写;包括:绿色建筑设计评价一星级、绿色建筑设计评价二星级、绿色建筑设计评价三星级。
五、分隔采暖与非采暖空间的隔墙,当选用的保温材料燃烧性能不是A级时,应提供分隔采暖与非采暖空间的隔墙部位无建筑物内的厨房的施工图;六、保温系统其他防火设计应根据《民用建筑外保温系统及外墙装饰防火暂行规定》(公通字[2009]46号)及《建筑设计防火规范》等,注明建筑保温系统的施工规定等防火设计。
七、室内采暖系统的制式包括:共用立管的分户独立循环系统等;八、室内采暖方式包括:散热器采暖、热水地面辐射供暖、热水吊顶辐射板供暖等;八、循环水泵的耗电输热比根据《严寒和寒冷地区居住建筑节能设计标准》(JGJ26-2010)第条规定列式计算;九、采暖空调负荷计算采用围护结构传热系数K值与建筑节能计算及本备案表是否相符:经施工图审查机构审查相符后,填“是”。
十、是否对每一个房间进行热负荷和逐项逐时的冷负荷计算:经施工图审查机构审查对每一个房间进行热负荷和逐项逐时的冷负荷计算,并将集中采暖(空调)热冷负荷计算书原件归档保存后,填“是”。
十一、室内采暖计算温度是否不低于《住宅建筑规范》GB50368-2005第条规定:经施工图审查机构审查室内采暖计算温度不低于《住宅建筑规范》GB50368-2005第条规定后,填“是”。
西安市建筑节能专项验收备案实施步骤提示安照2008年10月1日颁发的《民用建筑节能条例》规定,现就建筑节能专项验收备案实施步骤提示如下:第一步:“自查”。
由建设单位对设计文件中有关“建筑节能”专篇进行详读(若看不懂,可邀请设计单位进行讲解),并组织设计、施工、监理单位对建筑的围护结构保温措施、提供采暖系统、热计量表及温控装置进行检查,若现场发现没有按照设计文件内容进行施工或漏项的部位,要求施工单位进行整改;第二步:“验收”。
新建建设工程项目由建设单位组织验收。
由建设单位会同设计、施工、监理单位按照设计文件内容进行验收。
验收过程中要求①建筑节能计算书、②施工图审查意见、③建筑施工总说明、④设计变更、⑤施工工艺、⑥进场保温材料性能、⑦材料厚度、尺寸相同。
各单位分别填写验收合格表、分部工程验收备案申请表,并提交建设单位确认。
第三步:“资料装订”。
第二步完成后,建设单位按照“西安市建设工程项目建筑节能专项验收备案资料装订顺序要目”,将基本资料类、设计文件资料类、自验资料类、保温材料类及其他资料共5项内容装订成一册,上报市建委建筑节能与材料处;第四步:“核查”。
市建委建筑节能与材料处将在5个工作日内,派员赴现场进行核查;如仍存在问题,将下发整改通知书,要求限期整改;同时,未按照民用建筑强制性标准实施的项目依法对建设、施工、监理单位进行处罚、通报;第五步:“检查评分”。
经核查合格后,5个工作日内,由建筑节能与材料处组织专家(若属市政集中供热的项目将与市政公用局共同组织)现场进行检查和评分;第六步:“专项备案”。
经检查合格,5个工作日内予以备案。
第七步:“返还押金”。
10个工作日内返还新型墙体材料押金。
西安市建设工程项目建筑节能专项验收备案资料装订顺序要目(请按下列顺序依次装订成一册)一、基本资料装订(以下资料均需提供复印件2份并加盖建设单位公章)1、建筑工程施工许可证2、西安市建设项目城建费用(基金)统一征收交纳证书;3、西安市城建费用交款通知书;4、新型墙体材料专项基金收款凭证。
百度文库•让每个人平等地捉升口我西安市建筑节能设计审查备案表(居住)备案編号:百度文库•让每个人平等地捉升口我填表说明・、本农所填内容应与经审查合格的节能设计文件•致。
二、衣中项目名称、项目地址与《建设工程规划许可证》一致。
三、圉护结构的传热系数、保温材料名称、厚度、衣观密度、燃烧性能按顺序分别依次填写。
例如:K= (m'・K) ;EPS 板;60mm 厚;20kg/m5;B2 级。
四、当某-围护结构没有保温层时,填写传热系数、围护结构材料。
例如:K= (m'・K);混凝土地面。
五、外窗(含阳台门透明部分)传热系数、玻璃名称、空气层厚度、窗框材料按顺序分别依次填写。
例如:K= (m2-K)中空玻璃:6-6^6:塑钢。
六、当按规定需要进行建筑耗热量计算时填写建筑耗热量计算值和建筑耗热量指标限值。
七、新型墙体材料名称包括非粘土烧结多孔砖、非粘土烧结空心砖、混凝土多孔砖、蒸压粉煤灰砖等。
填写该项目采用的新型墙体材料名称。
八、预拌商品混凝土及其强度等级填写釆用了预拌商品混凝土:强度等级。
例如:釆用了预拌商品混凝土:强度等级为C30。
九、热源方式包括:城市热网.区域锅炉房、个体锅炉房、热泵机组、其他:十、燃料种类包括:燃煤.燃油、燃气、直接电、间接电.其他:十一、室内系统包括:散热器、地面辐射、顶板辐射、其他:十二、公共部分(走廊.楼梯等)照明是选择的节能光源、照明方式、照明控制方式的描述。
节能光源包括太阳能灯.普通荧光灯、三基色荧光灯、紧凑型荧光灯、金属卤化物灯、高压钠灯.低压钠灯、高频无极灯•其他节能光源:照明方式包括混合照明方式,•般照明方式、分区照明方式、其他节能照明方式:照明控制方式包括光控、时控、人体感应、其他节能照明控制方式。
十三、雨水利用设施包括有、无。
有时填写雨水蓄水池容积。
例如:有500m3的雨水蓄水池。
中水利用设施包括有、无。
有时填写中水原水量。
例如:有500m3/d的中水处理系统。
西安市建筑节能分部工程验收备案申请表(居住)注:用A3纸打印。
填表说明一、本表所填内容应与建筑节能分部工程施工情况一致。
二、表中项目名称、项目地址与《建设工程施工许可证》一致。
三、围护结构的传热系数、保温材料名称、厚度、表观密度、燃烧性能、生产厂家按顺序分别依次填写。
例如:K=0.50W/(m2·K);EPS板;60mm厚;20kg/m3;B2级;厂家名称。
四、外窗(含阳台门透明部分)传热系数、玻璃名称、空气层厚度、生产厂家按顺序分别依次填写。
例如:K=0.28W/(m2·K)中空玻璃;6+6mm+6;厂家名称。
窗框材料、生产厂家按顺序分别依次填写。
例如:塑钢;厂家名称。
五、新型墙体材料名称包括非粘土烧结多孔砖、非粘土烧结空心砖、混凝土多孔砖、蒸压粉煤灰砖等。
填写该项目采用的新型墙体材料名称、生产厂家、数量。
六、雨水利用设施包括有、无。
有时填写雨水蓄水池容积。
例如:有500m3的雨水蓄水池。
中水利用设施包括有、无。
有时填写中水原水量。
例如:有500m3/d的中水处理系统。
七、太阳能与浅层地能利用面积为利用该项可再生能源技术的建筑面积。
八、本表不能有空项。
工程不涉及某项时,在该项填写区划/。
九、本表需打印在一张A3纸上,可调整字体。
十、建设单位法定代表人签字、邮寄地址、邮编、联系人、联系电话、日期等必须填写完整。
十一、建设单位验收意见由建设企业项目负责人签署意见、签名、加盖公章;设计单位验收意见由设计企业项目负责人签署意见、签名、加盖公章;施工单位验收意见由施工企业技术负责人签署意见、签名、加盖公章;监理单位验收意见由监理企业总监理工程师签署意见、签名、(项目总监印章)加盖公章。
意见包括该建筑节能分部工程验收合格、该建筑节能分部工程验收不合格。
十二、节能相关图纸至少应包括:1.建筑专业全套图纸;2.水、暖、空调设备房的水、暖、电专业全套图纸;3.结构专业设计总说明;4.暖通专业表达热力入口装置、分户计量、分室调温控制的平面图、系统图(或原理图);5、空调专业设计总说明、表达冷热源计量装置、分室温度控制与显示的平面图、系统图(或原理图);6、电气照明专业表达用电分项计量、照度标准、照明方式和控制方式的平面图、系统图(或原理图);7、给水排水专业分户计量、给水分区的平面图、系统图;8、雨水利用设施、中水利用设施的各专业全套图纸;9、可再生能源建筑应用的各专业全套图纸。
航天基地建筑节能分部工程验收备案申请表(居住)注:用A3纸打印。
填表说明一、本表所填内容应与建筑节能分部工程施工情况一致。
二、表中项目名称、项目地址与《建设工程施工许可证》一致。
三、围护结构的传热系数、保温材料名称、厚度、表观密度、燃烧性能、生产厂家按顺序分别依次填写。
例如:K=0.50W/(m2·K);EPS板;60mm厚;20kg/m3;B2级;厂家名称。
四、外窗(含阳台门透明部分)传热系数、玻璃名称、空气层厚度、生产厂家按顺序分别依次填写。
例如:K=0.28W/(m2·K)中空玻璃;6+6mm+6;厂家名称。
窗框材料、生产厂家按顺序分别依次填写。
例如:塑钢;厂家名称。
五、新型墙体材料名称包括非粘土烧结多孔砖、非粘土烧结空心砖、混凝土多孔砖、蒸压粉煤灰砖等。
填写该项目采用的新型墙体材料名称、生产厂家、数量。
六、雨水利用设施包括有、无。
有时填写雨水蓄水池容积。
例如:有500m3的雨水蓄水池。
中水利用设施包括有、无。
有时填写中水原水量。
例如:有500m3/d的中水处理系统。
七、太阳能与浅层地能利用面积为利用该项可再生能源技术的建筑面积。
八、本表不能有空项。
工程不涉及某项时,在该项填写区划/。
九、本表需打印在一张A3纸上,可调整字体。
十、建设单位法定代表人签字、邮寄地址、邮编、联系人、联系电话、日期等必须填写完整。
十一、建设单位验收意见由建设企业项目负责人签署意见、签名、加盖公章;设计单位验收意见由设计企业项目负责人签署意见、签名、加盖公章;施工单位验收意见由施工企业技术负责人签署意见、签名、加盖公章;监理单位验收意见由监理企业总监理工程师签署意见、签名、(项目总监印章)加盖公章。
意见包括该建筑节能分部工程验收合格、该建筑节能分部工程验收不合格。
十二、节能相关图纸至少应包括:1.建筑专业全套图纸;2.水、暖、空调设备房的水、暖、电专业全套图纸;3.结构专业设计总说明;4.暖通专业表达热力入口装置、分户计量、分室调温控制的平面图、系统图(或原理图);5、空调专业设计总说明、表达冷热源计量装置、分室温度控制与显示的平面图、系统图(或原理图);6、电气照明专业表达用电分项计量、照度标准、照明方式和控制方式的平面图、系统图(或原理图);7、给水排水专业分户计量、给水分区的平面图、系统图;8、雨水利用设施、中水利用设施的各专业全套图纸;9、可再生能源建筑应用的各专业全套图纸。
附件一西安市建设节能工程专项验收申请书西安市建筑节能墙体改革领导小组办公室:我单位建设的项目工程节能分部工程现已完工,依据《建筑节能工程施工质量验收规范》,我单位组织设计、监理、施工单位,对各责任主体履行节能质量责任的行为以及节能工程实体质量进行了节能分部验收,确认建设过程中各责任主体认真履行节能质量责任,严格遵守国家关于节能强制性标准条文,建筑节能工程验收批和隐蔽工程、分项工程验收合格、各责任主体签字认可的质量文件齐全有效,节能工程专项验收申报各项文件及资料齐全。
节能工程质量符合有关法律、法规和节能工程强制性标准,符合已审查设计文件及合同要求,各项节能项目使用功能满足要求,符合国家有关节能验收规范,节能工程专项验收基本条件已具备。
现申请西安市建筑节能墙体改革领导小组办公室批准组织验收。
建设单位:公章联系人:联系方式:年月日附件二西安市民用建筑节能管理备案登记表西安市节能办监制建筑节能进场材料和设备质量证明文件、复验汇总表施工单位:(章)制表人:制表日期:监理单位:西安市民用建筑工程节能质量控制资料核查表西安市节能办监制制表日期:年月日附件五西安市民用建筑节能工程观感质量评定表西安市节能办监制制表日期:年月日注:评分标准为一级符合国家、地方相关节能要求,工艺精良无缺陷;二级为符合国家、地方相关节能要求,但存在一定小缺陷,此缺陷有碍美观但不影响节能及使用功能可以通过补救消缺;三级为符合国家、地方相关节能要求,但存在一定的缺陷,此缺陷不足以影响节能及使用功能;四级为符合国家、地方相关节能要求,但存在一定的缺陷,此缺陷虽然影响节能及使用功能但可以补救消缺;五级为不符合国家、地方相关节能要求。
任何工程此评分表中不允许出现任何一项为五级(0分),如出现此工程不予通过验收。
附件六单位工程节能质量综合评定表西安市节能办监制制表日期:年月日。
西安市建筑节能专项验收备案实施步骤提示安照2008年10月1日颁发的《民用建筑节能条例》规定,现就建筑节能专项验收备案实施步骤提示如下:第一步:“自查”。
由建设单位对设计文件中有关“建筑节能”专篇进行详读(若看不懂,可邀请设计单位进行讲解),并组织设计、施工、监理单位对建筑的围护结构保温措施、提供采暖系统、热计量表及温控装置进行检查,若现场发现没有按照设计文件内容进行施工或漏项的部位,要求施工单位进行整改;第二步:“验收”。
新建建设工程项目由建设单位组织验收。
由建设单位会同设计、施工、监理单位按照设计文件内容进行验收。
验收过程中要求①建筑节能计算书、②施工图审查意见、③建筑施工总说明、④设计变更、⑤施工工艺、⑥进场保温材料性能、⑦材料厚度、尺寸相同。
各单位分别填写验收合格表、分部工程验收备案申请表,并提交建设单位确认。
第三步:“资料装订”。
第二步完成后,建设单位按照“西安市建设工程项目建筑节能专项验收备案资料装订顺序要目”,将基本资料类、设计文件资料类、自验资料类、保温材料类及其他资料共5项内容装订成一册,上报市建委建筑节能与材料处;第四步:“核查”。
市建委建筑节能与材料处将在5个工作日内,派员赴现场进行核查;如仍存在问题,将下发整改通知书,要求限期整改;同时,未按照民用建筑强制性标准实施的项目依法对建设、施工、监理单位进行处罚、通报;第五步:“检查评分”。
经核查合格后,5个工作日内,由建筑节能与材料处组织专家(若属市政集中供热的项目将与市政公用局共同组织)现场进行检查和评分;第六步:“专项备案”。
经检查合格,5个工作日内予以备案。
第七步:“返还押金”。
10个工作日内返还新型墙体材料押金。
西安市建设工程项目建筑节能专项验收备案资料装订顺序要目(请按下列顺序依次装订成一册)一、基本资料装订(以下资料均需提供复印件2份并加盖建设单位公章)1、建筑工程施工许可证2、西安市建设项目城建费用(基金)统一征收交纳证书;3、西安市城建费用交款通知书;4、新型墙体材料专项基金收款凭证。
西安市建筑节能专项验收备案实施步骤提示安照2008年10月1日颁发的《民用建筑节能条例》规定,现就建筑节能专项验收备案实施步骤提示如下:第一步:“自查”。
由建设单位对设计文件中有关“建筑节能”专篇进行详读(若看不懂,可邀请设计单位进行讲解),并组织设计、施工、监理单位对建筑的围护结构保温措施、提供采暖系统、热计量表及温控装置进行检查,若现场发现没有按照设计文件内容进行施工或漏项的部位,要求施工单位进行整改;第二步:“验收”。
新建建设工程项目由建设单位组织验收。
由建设单位会同设计、施工、监理单位按照设计文件内容进行验收。
验收过程中要求①建筑节能计算书、②施工图审查意见、③建筑施工总说明、④设计变更、⑤施工工艺、⑥进场保温材料性能、⑦材料厚度、尺寸相同。
各单位分别填写验收合格表、分部工程验收备案申请表,并提交建设单位确认。
第三步:“资料装订”。
第二步完成后,建设单位按照“西安市建设工程项目建筑节能专项验收备案资料装订顺序要目”,将基本资料类、设计文件资料类、自验资料类、保温材料类及其他资料共5项内容装订成一册,上报市建委建筑节能与材料处;第四步:“核查”。
市建委建筑节能与材料处将在5个工作日内,派员赴现场进行核查;如仍存在问题,将下发整改通知书,要求限期整改;同时,未按照民用建筑强制性标准实施的项目依法对建设、施工、监理单位进行处罚、通报;第五步:“检查评分”。
经核查合格后,5个工作日内,由建筑节能与材料处组织专家(若属市政集中供热的项目将与市政公用局共同组织)现场进行检查和评分;第六步:“专项备案”。
经检查合格,5个工作日内予以备案。
第七步:“返还押金”。
10个工作日内返还新型墙体材料押金。
西安市建设工程项目建筑节能专项验收备案资料装订顺序要目(请按下列顺序依次装订成一册)一、基本资料装订(以下资料均需提供复印件2份并加盖建设单位公章)1、建筑工程施工许可证2、西安市建设项目城建费用(基金)统一征收交纳证书;3、西安市城建费用交款通知书;4、新型墙体材料专项基金收款凭证。
西安市建筑节能设计审查备案表(居住)备案编号:填表说明一、本表所填内容应与经审查合格的节能设计文件一致。
二、表中项目名称、项目地址与《建设工程规划许可证》一致。
三、围护结构的传热系数、保温材料名称、厚度、表观密度、燃烧性能按顺序分别依次填写。
例如:K=0.50W/(m2·K);EPS板;60mm厚;20kg/m3;B2级。
四、当某一围护结构没有保温层时,填写传热系数、围护结构材料。
五、当按规定需要进行围护结构热工性能的权衡判断时,填写建筑物耗热量计算值和建筑物耗热量指标限值。
六、新型墙体材料名称包括非粘土烧结多孔砖、非粘土烧结空心砖、混凝土多孔砖、蒸压粉煤灰砖等。
填写该项目采用的新型墙体材料名称。
七、热源方式包括:城市热网、区域锅炉房、个体锅炉房、热泵机组、其他;八、燃料种类包括:燃煤、燃油、燃气、直接电、间接电、其他;九、室内系统包括:散热器、地面辐射、顶板辐射、其他;十、公共部分(走廊、楼梯等)照明是选择的节能光源、照明方式、照明控制方式的描述。
节能光源包括太阳能灯、普通荧光灯、三基色荧光灯、紧凑型荧光灯、金属卤化物灯、高压钠灯、低压钠灯、高频无极灯,其他节能光源;照明方式包括混合照明方式,一般照明方式、分区照明方式、其他节能照明方式;照明控制方式包括光控、时控、人体感应、其他节能照明控制方式。
十一、雨水利用设施包括有、无。
有时填写雨水蓄水池容积。
例如:有500m3的雨水蓄水池。
中水利用设施包括有、无。
有时填写中水原水量。
例如:有500m3/d的中水处理系统。
十二、热水供应方式包括:集中式、分散式十三、热水利用用能类型包括:电、燃气、太阳能、蒸汽、其它十四、太阳能与浅层地能利用面积为利用该项可再生能源技术的建筑面积。
十五、本表不能有空项。
工程不涉及某项时,在该项填写区划/。
十六、本表需打印在一张A4纸上,可调整字体。
十七、建设单位法定代表人签字、邮寄地址、邮编、联系人、联系电话、日期等必须填写完整。
建筑节能工程验收备案表1. 项目基本信息项目名称建筑节能工程验收备案表项目编号xxx建设单位xxx建设地点xxx设计单位xxx施工单位xxx监理单位xxx验收单位xxx验收时间xxxx年xx月xx日2. 工程概况2.1 工程范围描述工程的建设内容、工程规模、建筑总面积等情况。
2.2 施工工艺和材料描述工程采用的施工工艺和材料,是否符合节能要求。
2.3 设备及系统描述工程的供热、供冷、通风、照明、给排水等方面的设备及系统。
3. 工程节能措施3.1 建筑设计方面描述建筑设计方面的节能措施,包括建筑的方位、外墙材料、窗户类型、屋顶设计等。
3.2 设备及系统方面描述供热、供冷、通风、照明、给排水等方面的节能措施,包括采用的节能设备、管道绝热、VAV风量调节等。
3.3 运行管理方面描述工程在运行管理方面的节能措施,包括设置节能管理人员、制定节能管理制度、定期维护设备等。
4. 工程节能效果进行工程竣工验收前的日常监测数据和竣工验收测试数据对比,说明工程的节能效果及达标情况。
5. Conclusion基于项目的验收结果,说明工程是否符合国家和地方的节能标准,对未达标的地方给出改进意见。
在验收期间发现的问题和缺陷应进行整改并记录。
记录整改结果,作为工程质量保证的文件依据。
6. 签名承建单位(盖章): _______________建设单位(盖章): _______________审查单位(盖章): _______________验收单位(盖章): _______________后记在进行工程验收备案的过程中,应认真执行,并严格按照执行标准进行验收,确保节能工程的建设质量达到国家和地方相关标准。
本文档作为验收过程中的记录和证明,为项目的质量管理提供重要依据。
小吴好!这是三、自验资料装订1、西安市建筑节能分部工程验收备案申请表;(如出现多家设计、施工、监理单位须各单位分别填报;商住楼须分别填报公建、住宅申请表)同样分为公建、住宅、工业建筑。
西安市建筑节能分部工程验收备案申请表(居住)建设单位设计单位建设项目建筑面积建设地点结构形式施工单位地上/地下楼层监理单位审图单位开工时间竣工时间设计审查备案编号设计审查备案时间节能专项施工内容围护结构的的传热系数、保温材料名称、表观密度、厚度、燃烧性能、生产厂家屋面外墙(注明保温形式)不采暖楼梯间、封闭外廊隔墙及变形缝不采暖楼梯间及封闭外廊户门凸(飘)窗非透明部分阳台门下部门芯板接触室外空气地板不采暖空间上部楼板外窗(含阳台门透明部分)传热系数、玻璃名称、空气层厚度、生产厂家窗框材料、生产厂家、“禁实”审查新型墙体材料名称、生产厂家、数量“禁现”审查预拌砂浆种类、数量□砌筑砂浆数量(吨)□ 抹灰砂浆数量(吨)□地面砂浆数量(吨)□ 特种砂浆数量(吨)预拌砂浆生产厂家预拌商品混凝土数量、生产厂家室温控制方式安装情况□恒温阀□其他()热计量方式安装情况□建筑物热力入口处安装热表□分户计量节水设施雨水利用设施中水利用设施太阳能利用保证率□热水㎡□采暖㎡□制冷㎡□发电㎡浅层地能利用保证率□土壤源热泵㎡□水源热泵㎡我单位建设的该工程项目建筑节能分部工程已完工。
依据《建筑节能工程施工质量验收规范》、《建筑节能工程施工质量验收规程》的规定,我单位组织设计、施工、工程监理等有关单位对该工程项目进行了建筑节能分部工程专项验收。
经我单位查验,该工程符合民用建筑节能强制性标准,现出具建设工程竣工验收合格报告(包括建筑节能分部工程的实施内容)。
特申请建筑节能分部工程验收检查、备案。
如有不符合民用建筑节能强制性标准的情形,我单位自愿承担责任并接受按法律法规及相关规定作出的行政处理。
若有执法文书需送达我单位,按如下的通讯地址邮寄,可视为送达。
建设单位(盖章):法定代表人(签字):年月日建设单位邮寄地址邮编联系人联系电话建设单位验收意见: 设计单位验收意见施工单位验收意见监理单位验收意见年月日年月日年月日年月日注:用A3纸打印。
填表说明一、本表所填内容应和建筑节能分部工程施工情况一致。
二、表中项目名称、项目地址和《建设工程施工许可证》一致。
三、围护结构的传热系数、保温材料名称、厚度、表观密度、燃烧性能、生产厂家按顺序分别依次填写。
例如:K=0.50W/(m2·K);EPS板;60mm厚;20kg/m3;B2级;厂家名称。
四、外窗(含阳台门透明部分)传热系数、玻璃名称、空气层厚度、生产厂家按顺序分别依次填写。
例如:K=0.28W/(m2·K)中空玻璃;6+6mm+6;厂家名称。
窗框材料、生产厂家按顺序分别依次填写。
例如:塑钢;厂家名称。
五、新型墙体材料名称包括非粘土烧结多孔砖、非粘土烧结空心砖、混凝土多孔砖、蒸压粉煤灰砖等。
填写该项目采用的新型墙体材料名称、生产厂家、数量。
六、雨水利用设施包括有、无。
有时填写雨水蓄水池容积。
例如:有500m3的雨水蓄水池。
中水利用设施包括有、无。
有时填写中水原水量。
例如:有500m3/d的中水处理系统。
七、太阳能和浅层地能利用面积为利用该项可再生能源技术的建筑面积。
八、本表不能有空项。
工程不涉及某项时,在该项填写区划/。
九、本表需打印在一张A3纸上,可调整字体。
十、建设单位法定代表人签字、邮寄地址、邮编、联系人、联系电话、日期等必须填写完整。
十一、建设单位验收意见由建设企业项目负责人签署意见、签名、加盖公章;设计单位验收意见由设计企业项目负责人签署意见、签名、加盖公章;施工单位验收意见由施工企业技术负责人签署意见、签名、加盖公章;监理单位验收意见由监理企业总监理工程师签署意见、签名、(项目总监印章)加盖公章。
意见包括该建筑节能分部工程验收合格、该建筑节能分部工程验收不合格。
十二、节能相关图纸至少应包括:1.建筑专业全套图纸;2.水、暖、空调设备房的水、暖、电专业全套图纸;3.结构专业设计总说明;4.暖通专业表达热力入口装置、分户计量、分室调温控制的平面图、系统图(或原理图);5、空调专业设计总说明、表达冷热源计量装置、分室温度控制和显示的平面图、系统图(或原理图);6、电气照明专业表达用电分项计量、照度标准、照明方式和控制方式的平面图、系统图(或原理图);7、给水排水专业分户计量、给水分区的平面图、系统图;8、雨水利用设施、中水利用设施的各专业全套图纸;9、可再生能源建筑使用的各专业全套图纸。
10、其他节能相关图纸。
西安市建筑节能分部工程验收备案申请表(公建)备案编号:建设单位设计单位建设项目建筑面积建设地点结构形式施工单位地上/地下楼层监理单位审图单位开工时间竣工时间设计审查备案编号设计审查备案时间节能专项施工内容围护结构的的传热系数、保温材料名称、表观密度、厚度、燃烧性能、生产厂家屋面外墙(包括非透明幕墙)底面接触室外空气的架空或外挑楼板非采暖空调房间和采暖空调房间的隔墙或楼板外窗东向南向西向北向传热系数玻璃品种、空气层厚度、生产厂家窗框材料、生产厂家外遮阳措施屋顶透明部分有无透明部分型材品种、生产厂家□无玻璃品种、厚度、生产厂家冷、热计量和控制冷、热计量方式安装情况□入口处安装热量表□入口处安装冷量表□楼内分区域计量室温控制方式安装情况用电计量动力和照明是否分别计量□是□否空调用电是否单独计量□是□否节水设施雨水利用设施中水利用设施“禁实”审查新型墙体材料名称、生产厂家、数量“禁现”审查预拌砂浆种类、数量□砌筑砂浆数量(吨)□ 抹灰砂浆数量(吨)□地面砂浆数量(吨)□ 特种砂浆数量(吨)生产厂家预拌商品混凝土种类、数量、生产厂家太阳能利用保证率□热水㎡□采暖㎡□制冷㎡□发电㎡浅层地能利用保证率□土壤源热泵㎡□水源热泵㎡暖通设备选用情况锅炉设备热源类型、燃料品种生产厂家单台额定制热量(kW)台数(个)热效率(%)冷水(热泵)机组机组类型生产厂家台数(个)单台额定制冷量(kW)制冷性能系数COP(W/W)单元式空气调节机组机组类型生产厂家能效比(W/W)风冷式□水冷式□接风管□不接风管□风冷式□水冷式□接风管□不接风管□溴化锂吸收式机组机组类型台数(个)性能参数单位制冷量蒸汽耗量[kg/(kW.h)]制冷性能系数(W/W)供热性能系数(W/W)蒸汽双效□直燃□蒸汽双效□直燃□生产厂家公共机构能源消费计量制度是否属于公共机构分户、分类、分项计量措施施工情况能源消耗状况实时监测措施施工情况□是□否我单位建设的该工程项目建筑节能分部工程已完工。
依据《建筑节能工程施工质量验收规范》、《建筑节能工程施工质量验收规程》的规定,我单位组织设计、施工、工程监理等有关单位对该工程项目进行了建筑节能分部工程专项验收。
经我单位查验,该工程符合民用建筑节能强制性标准,现出具建设工程竣工验收合格报告(包括建筑节能分部工程的实施内容)。
特申请建筑节能分部工程验收检查、备案。
如有不符合民用建筑节能强制性标准的情形,我单位自愿承担责任并接受按法律法规及相关规定作出的行政处理。
若有执法文书需送达我单位,按如下的通讯地址邮寄,可视为送达。
建设单位(盖章):法定代表人(签字):年月日建设单位邮寄地址邮编联系人联系电话建设单位验收意见设计单位验收意见施工单位验收意见监理单位验收意见年月日年月日年月日年月日注:本表需A3纸正反双面打印。
填表说明一、本表所填内容应和建筑节能分部工程施工情况一致。
二、表中项目名称、项目地址和《建设工程施工许可证》一致。
三、围护结构的传热系数、保温材料名称、厚度、表观密度、燃烧性能、生产厂家按顺序分别依次填写。
例如:K=0.50W/(m2·K);EPS板;60mm厚;20kg/m3;B2级;厂家名称。
四、外窗(含阳台门透明部分)玻璃名称、空气层厚度、生产厂家按顺序分别依次填写。
例如:中空玻璃;6+6mm+6;厂家名称。
窗框材料、生产厂家按顺序分别依次填写。
例如:塑钢;厂家名称。
五、外窗外遮阳措施包括水平遮阳板、垂直遮阳板、水平和垂直综合遮阳板、挡板。
六、当屋顶无透明部分时,在无处划√,屋顶透明部分该横栏的其他内容划/七、新型墙体材料名称包括非粘土烧结多孔砖、非粘土烧结空心砖、混凝土多孔砖、蒸压粉煤灰砖等。
填写该项目采用的新型墙体材料名称、生产厂家、数量。
八、雨水利用设施包括有、无。
有时填写雨水蓄水池容积。
例如:有500m3的雨水蓄水池。
中水利用设施包括有、无。
有时填写中水原水量。
例如:有500m3/d的中水处理系统。
九、太阳能和浅层地能利用面积为利用该项可再生能源技术的建筑面积。
十、当不是公共机构时,在否处划√,该横栏的其他内容划/。
十一、本表不能有空项。
工程不涉及某项时,在该项填写区划/。
十二、本表需正反面打印在一张A3纸上,可调整字体。
十三、建设单位法定代表人签字、邮寄地址、邮编、联系人、联系电话、日期等必须填写完整。
十四、建设单位验收意见由建设企业项目负责人签署意见、签名、加盖公章;设计单位验收意见由设计企业项目负责人签署意见、签名、加盖公章;施工单位验收意见由施工企业技术负责人签署意见、签名、加盖公章;监理单位验收意见由监理企业总监理工程师签署意见、签名、(项目总监印章)加盖公章。
意见包括该建筑节能分部工程验收合格、该建筑节能分部工程验收不合格。
十五、节能相关图纸至少应包括:1.建筑专业全套图纸;2.水、暖、空调设备房的水、暖、电专业全套图纸;3.结构专业设计总说明;4.暖通专业表达热力入口装置、分户计量、分室调温控制的平面图、系统图(或原理图);5、空调专业设计总说明、表达冷热源计量装置、分室温度控制和显示的平面图、系统图(或原理图);6、电气照明专业表达用电分项计量、照度标准、照明方式和控制方式的平面图、系统图(或原理图);7、给水排水专业分户计量、给水分区的平面图、系统图;8、雨水利用设施、中水利用设施的各专业全套图纸;9、可再生能源建筑使用的各专业全套图纸。
10、其他节能相关图纸。
西安市建筑节能分部工程验收备案申请表(工业建筑)备案编号:建设单位设计单位建设项目建筑面积建设地点结构形式施工单位地上/地下楼层监理单位审图单位开工时间竣工时间设计审查备案编号设计审查备案时间节能专项施工内容围护结构的的传热系数、保温材料名称、表观密度、厚度、燃烧性能、生产厂家屋面外墙(注明保温形式)外窗(含阳台门透明部分)传热系数、玻璃名称、空气层厚度、生产厂家窗框材料、生产厂家、“禁实”审查新型墙体材料名称、生产厂家、数量“禁现”审查预拌砂浆种类、数量□砌筑砂浆数量(吨)□ 抹灰砂浆数量(吨)□地面砂浆数量(吨)□ 特种砂浆数量(吨)预拌砂浆生产厂家预拌商品混凝土数量、生产厂家室温控制方式安装情况□恒温阀□其他()热计量方式安装情况□建筑物热力入口处安装热表□分户计量太阳能利用保证率□热水㎡□采暖㎡□制冷㎡□发电㎡浅层地能利用保证率□土壤源热泵㎡□水源热泵㎡我单位建设的该工程项目建筑节能分部工程已完工。