滚动轴承地寿命计算
- 格式:doc
- 大小:565.59 KB
- 文档页数:8
滚动轴承寿命计算一、额定寿命与额定动载荷1、轴承寿命在一定载荷作用下,轴承在出现点蚀前所经历的转数或小时数,称为轴承寿命。
由于制造精度,材料均匀程度的差异,即使是同样材料,同样尺寸的同一批轴承,在同样的工作条件下使用,其寿命长短也不相同。
若以统计寿命为1单位,最长的相对寿命为4单位,最短的为0.1-0.2单位,最长与最短寿命之比为20-40倍。
为确定轴承寿命的标准,把轴承寿命与可靠性联系起来。
2、额定寿命同样规格(型号、材料、工艺)的一批轴承,在同样的工作条件下使用,90%的轴承不产生点蚀,所经历的转数或小时数称为轴承额定寿命。
3、基本额定动载荷为比较轴承抗点蚀的承载能力,规定轴承的额定寿命为一百万转(106)时,所能承受的最大载荷为基本额定动载荷,以C表示。
也就是轴承在额定动载荷C作用下,这种轴承工作一百万转(106)而不发生点蚀失效的可靠度为90%,C越大承载能力越高。
对于基本额定动载荷(1)向心轴承是指纯径向载荷(2)推力球轴承是指纯轴向载荷(3)向心推力轴承是指产生纯径向位移得径向分量二、轴承寿命的计算公式:洛阳轴承厂以208轴承为对象,进行大量的试验研究,建立了载荷与寿命的数字关系式和曲线。
式中:--轴承载荷为P时,所具有的基本额定寿命(106转)L10C--基本额定动载荷 Nε--指数对球轴承:ε=3对滚子轴承:ε=10/3P--当量动载荷(N)把在实际条件下轴承上所承受的载荷: A、R ,转化为实验条件下的载荷称为当量动载荷,对轴承元件来讲这个载荷是变动的,实验研究时,轴承寿命用106转为单位比较方便(记数器),但在实际生产中一般寿命用小时表示,为此须进行转换L10×106=Lh×60n所以滚动轴承寿命计算分为:1、已知轴承型号、载荷与轴的转速,计算Lh;2、已知载荷、转速与预期寿命,计算C ,选取轴承型号。
通常取机器的中修或大修界限为轴承的设计寿命,一般取L h '=5000,对于高温下工作的轴承应引入温度系数ftCt=ftC上两式变为:对于向心轴承对于推力轴承三、当量动载荷P的计算在实际生产中轴承的工作条件是多种多样的,为此,要把实际工作条件下的载荷折算为假想寿命相同的实验载荷--当量载荷。
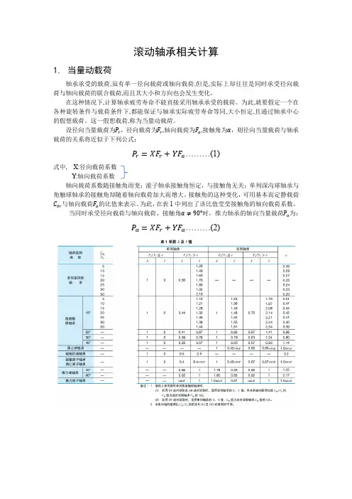
滚动轴承相关计算1.当量动载荷轴承承受的载荷,虽有单一径向载荷或轴向载荷,但是,实际上却往往是同时承受径向载荷与轴向载荷的联合载荷,而且其大小和方向也会发生变化。
在这种情况下,计算轴承疲劳寿命不能直接采用轴承承受的载荷。
为此,就要假定一个在各种旋转条件与载荷条件下,都能保证与轴承实际疲劳寿命等同,大小恒定,且通过轴承中心的假想载荷。
这一假想载荷,称为当量动载荷。
设径向当量载荷为P r,径向载荷为F r,轴向载荷为F a,接触角为α,则径向当量载荷与轴承载荷的关系将近似于下列公式:P r=XF r+YF a (1)式中, X:径向载荷系数Y:轴向载荷系数轴向载荷系数随接触角而变;滚子轴承接触角恒定,与接触角无关;单列深沟球轴承与角触球轴承的接触角却随着轴向载荷加大而增大。
接触角的这种变化,可用基本而定静载荷C0r与轴向载荷F a的比值来表示。
为此,在表1中列出了该比值莹莹接触角的轴向载荷系数。
当同时承受径向载荷与轴向载荷、接触角α≠90°时,推力轴承的轴向当量载荷P a为:P a=XF r+YF a (2)2.三列组合角接触球轴承的当量动载荷当使用角接触球轴承并要求承受较大轴向载荷时,如图所示,采用3套单列轴承组合的组合方法有3种,分别以联装代号DBD、DFD、DTD来表示。
在计算这种组合轴承的疲劳寿命时,与单列轴承或双列轴承一样,也采用由轴承承受的径向载荷与轴向载荷求出的当量动载何进行计算。
设径向当量载荷为P r,径向载荷为F r,轴向载荷为F a,接触角为α,则径向当量载荷与轴承载荷的关系将近似于下列公式:P r=XF r+YF a (1)式中, X:径向载荷系数Y:轴向载荷系数轴向载荷系数,会随着接触角而变化。
接角角较小的角接触球轴承在轴向载荷增大时,接触角也会变大。
接触角的这一变化.可以用基本额定静载荷C0r与轴向载荷F a的比值来表示。
因此、接触角为15°的角接触球轴承,就表示与该比值相应接触角的轴向载荷系数。
轴承寿命以及计算00轴承在承受负荷旋转时,由于套圈滚道面及滚动体滚动面不断地受到交变负荷的作用,即使使用条件正常,也会因材料疲劳使滚道面及滚动面出现鱼鳞状损伤(称做剥离或剥落)。
出现这种滚动疲劳损伤之前的总旋转数称做轴承的“(疲劳)寿命”。
即使是结构、尺寸、材料、加工方法等完全相同的轴承,在同样条件下旋转时,轴承的(疲劳)寿命仍会出现较大的差异。
这是因为材料疲劳本身即具有离散性,应从统计的角度来考虑。
于是就将一批相同的轴承在同样条件下分别旋转时,其中90%的轴承不出现滚动疲劳损伤的总旋转数称做“轴承的基本额定寿命”(即可靠性为90%的寿命)。
在以固定的转速旋转时,也可用总旋转时间表示。
但在实际工作时,还会出现滚动疲劳损伤以外的损伤现象。
这些损伤可以通过做好轴承的选择、安装和润滑等加以避免。
二、轴承寿命的计算1、基本额定动负荷基本额定动负荷表示轴承耐滚动疲劳的能力(即负荷能力),是指大小和方向一定的纯径向负荷(对于向心轴承)或中心轴向负荷(对于推力轴承),在内圈旋转外圈固定(或内圈固定外圈旋转)的条件下,该负荷下的基本额定寿命可达100万转。
向心轴承与推力轴承的基本额定动负荷分别称做径向基本额定动负荷与轴向基本额定动负荷,用Cr与Ca表示,其数值录入轴承尺寸表。
2、基本额定寿命式1表示轴承的基本额定动负荷,当量动负荷及基本额定寿命之间的关系。
轴承以固定的转速时,用时间表示寿命更为方便,如式2所示。
另外,对于铁路车辆或汽车等用行车距离(km)表示寿命较多,如式3所示。
因此,作为轴承的使用条件,设当量动负荷为P,转速为n,则满足设计寿命所需要的轴承基本额定动负荷c可由式4计算。
从轴承表选出满足c值的轴承,即可确定轴承的尺寸。
机械要求的轴承必需寿命请参考表4。
3、根据温度进行的基本额定动负荷的修正与轴承的尺寸稳定处理轴承在高温下使用时,材料组织会发生变化、硬度降低,基本额定动负荷将比常温下使用时减小。
材料组织一旦发生变化,即使温度恢复到常温也不会复原。
一、滚动轴承承载能力的一般说明滚动轴承的承载能力与轴承类型和尺寸有关。
相同外形尺寸下,滚子轴承的承载能力约为球轴承的1.5~3倍。
向心类轴承主要用于承受径向载荷,推力类轴承主要用于承受轴向载荷。
角接触轴承同时承受径向载荷和轴向载荷的联合作用,其轴向承载能力的大小随接触角α的增大而增大。
二、滚动轴承的寿命计算轴承的寿命与载荷间的关系可表示为下列公式:或式中:──基本额定寿命(106转);──基本额定寿命(小时h);C──基本额定动载荷,由轴承类型、尺寸查表获得;P──当量动载荷(N),根据所受径向力、轴向力合成计算;──温度系数,由表1查得;n──轴承工作转速(r/min);──寿命指数(球轴承,滚子轴承)。
三、温度系数f t当滚动轴承工作温度高于120℃时,需引入温度系数(表1)表1 温度系数工作温度/℃<120 125 150 175 200 225 250 300f t 1.00 0.95 0.90 0.85 0.80 0.75 0.70 0.60四、当量动载荷当滚动轴承同时承受径向载荷和轴向载荷时,当量载荷的基本计算公式为式中:P——当量动载荷,N;——径向载荷,N;——轴向载荷,N;X——径向动载荷系数;Y——轴向动载荷系数;——负荷系数五、载荷系数f p当轴承承受有冲击载荷时,当量动载荷计算时,引入载荷系数(表2)表2 冲击载荷系数f p载荷性质f p举例无冲击或轻微冲击 1.0~1.2 电机、汽轮机、通风机、水泵等中等冲击 1.2~1.8 车辆、机床、起重机、内燃机等强大冲击 1.8~3.0 破碎机、轧钢机、振动筛等六、动载荷系数X、Y表3 深沟球轴承的系数X、Y表4 角接触球轴承的系数X、Y表5 其它向心轴承的系数X、Y 表6 推力轴承的系数X、Y七、成对轴承所受轴向力计算公式:角接触球轴承:圆锥滚子轴承:式中e为判断系数,可由表4查出;Y应取表5中的数值。
●正排列:若则若则●反排列:若则若则八、成对轴承当量动载荷根据基本公式:式中:P——当量动载荷,N;——径向载荷,N;——轴向载荷,N;X——径向动载荷系数;Y——轴向动载荷系数;——负荷系数。
一、基本概念
1.轴承的寿命
在一定载荷作用下,轴承运转到任一滚动体或内、外圈滚道上出现疲劳点蚀前所经历的总转数。
寿命数据离散性非常大。
2.一批轴承的寿命
对于一批同型号的滚动轴承,在一定条件下进行疲劳试
验,对试验数据统计处理后,得
出轴承的疲劳破坏概率与转数间
的关系。
一、基本概念
3.基本额定寿命
一批同型号的轴承,在同一条件下运转,当有10%的轴承产生疲劳点蚀时,
轴承所经历的总转数L
(单位106转)或工作
10
(单位h),称为滚动轴承的基本小时数L
10h
额定寿命。
4.基本额定动载荷
=1(106)时轴承能
基本额定寿命L
10
够承受极限载荷称为基本额定动载荷,用C
表示。
反映了轴承承载能力的大小。
二、计算公式
L 10/106r 0151015C
P /N r 10,1610101010εε
εε
⎪⎭⎫ ⎝⎛=====P C L C L P C P L L P 时
当常数
二、计算公式
h
6010r 10t 6h 106t 10εε⎪⎭⎫ ⎝⎛=⎪⎭
⎫ ⎝⎛=P C f n L P C f
L 当轴承的预期寿命取定时,可求出轴承应具有的基本额定动载荷
9-5 滚承寿命算公式 三、不同可靠度下滚承寿命算
动轴计动轴计
三、不同可靠度下滚动轴承寿命计算
10
1L L n α=
可靠度R / %
909596979899α1 1.00.620.530.440.330.21。
滚动轴承寿命计算辅导一、基本概念:㈠、滚动轴承主要失效形式及设计准则:1、疲劳点蚀失效:是指滚动轴承的滚动体或内外圈上出现的点蚀斑点。
设计准则:防止产生疲劳点蚀失效需进行寿命计算。
Lh ≧〔Lh〕2、塑性变形失效:是指内外圈或滚动体产生过量的塑性变形。
设计准则:防止产生塑性变形失效需进行静负荷计算。
PO ≦〔PO〕3、磨损失效:是指内外圈或滚动体的过量磨损。
设计准则:防止产生磨损失效需限制转速。
n max≦n lim㈡、滚动轴承寿命计算中的基本概念:1、滚动轴承寿命:是指滚动轴承内外圈或滚动体在发生第一个疲劳点蚀前总转动次数或总工作时间。
注:滚动轴承寿命是相当离散的,即同一批生产出的同类滚动轴承,其寿命相差很大。
2、可靠度R:由于滚动轴承寿命的离散性,需对生产的滚动轴承的进行抽样试验,以检验滚动轴承的合格率。
设抽样试验件数为N,在特定的载荷下进行加载试验。
经过一个T)后,其中有N f件发生点蚀。
滚动轴特定的时间(转次L或时间LH承的可靠度R:R=×注:滚动轴承的可靠度与试验中所加的载荷和试验时间有关。
国标规定:①、滚动轴承试验载荷C:对向心类和角接触类滚动轴承的试验载荷是纯径向载荷。
C=Cr(Fr)对仅能承受轴向载荷的推力轴承的试验载荷是纯轴向载荷。
C=Ca(Fa)②、试验时间:L=106转次。
③、在试验载荷为C,试验时间为L=106转次时,滚动轴承的可靠度R≧90%时,滚动轴承合格。
3、基本额定寿命L或Lh:滚动轴承的额定寿命是指滚动轴承在可靠度R=90%,试验载荷为C时的寿命,即是试验时间106转次。
L=106转次。
4、基本额定动载荷C:滚动轴承的额定动负荷C是指在可靠度R=90%,试验时间为106转次时轴承所能承受的最大载荷,既是滚动轴承的试验载荷。
注:各类滚动轴承的额定动负荷C可查机械设计手册确定。
5、滚动轴承的寿命计算:滚动轴承寿命计算是解决当实际滚动轴承上承受的载荷不等于额定动负荷时,滚动轴承的寿命是多少?即:滚动轴承上载荷P=C时,轴承寿命是L=106转次。
一、滚动轴承承载能力的一般说明滚动轴承的承载能力与轴承类型和尺寸有关。
相同外形尺寸下,滚子轴承的承载能力约为球轴承的1.5~3倍。
向心类轴承重要用于承受径向载荷,推力类轴承重要用于承受轴向载荷。
角接触轴承同时承受径向载荷和轴向载荷的联合作用,其轴向承载能力的大小随接触角α的增大而增大。
二、滚动轴承的寿命计算轴承的寿命与载荷间的关系可表达为下列公式:或式中:──基本额定寿命(106转);──基本额定寿命(小时h);C──基本额定动载荷,由轴承类型、尺寸查表获得;P──当量动载荷(N),根据所受径向力、轴向力合成计算;──温度系数,由表1查得;n──轴承工作转速(r/min);──寿命指数(球轴承,滚子轴承)。
三、温度系数f t当滚动轴承工作温度高于120℃时,需引入温度系数(表1)表1 温度系数工作温度/℃<120 125 150 175 200 225 250 300f1.00 0.95 0.90 0.85 0.80 0.75 0.70 0.60t四、当量动载荷当滚动轴承同时承受径向载荷和轴向载荷时,当量载荷的基本计算公式为式中:P——当量动载荷,N;——径向载荷,N;——轴向载荷,N;X——径向动载荷系数;Y——轴向动载荷系数;——负荷系数五、载荷系数f p当轴承承受有冲击载荷时,当量动载荷计算时,引入载荷系数(表2)表2 冲击载荷系数f p载荷性质f p举例无冲击或轻微冲击 1.0~1.2 电机、汽轮机、通风机、水泵等中档冲击 1.2~1.8 车辆、机床、起重机、内燃机等强大冲击 1.8~3.0 破碎机、轧钢机、振动筛等六、动载荷系数X、Y表3 深沟球轴承的系数X、Y表4 角接触球轴承的系数X、Y表5 其它向心轴承的系数X、Y 表6 推力轴承的系数X、Y七、成对轴承所受轴向力计算公式:角接触球轴承:圆锥滚子轴承:式中e为判断系数,可由表4查出;Y应取表5中的数值。
●正排列:若则若则●反排列:若则若则八、成对轴承当量动载荷根据基本公式:式中:P——当量动载荷,N;——径向载荷,N;——轴向载荷,N;X——径向动载荷系数;Y——轴向动载荷系数;——负荷系数。
滚动轴承寿命计算公式中寿命指数
滚动轴承寿命计算公式是用来计算轴承的使用寿命,它是由美国轴承协会(ABMA)制定的一个通用标准,根据这个标准,可以计算出滚动轴承的使用寿命。
这个公式中的寿命指数就是滚动轴承的预期工作寿命的量度,它正相关于轴承的载荷和转速,并且取决于轴承的构造特性,如外圈、内圈、滚动体、润滑油、封装等。
寿命指数定义为:“在滚动轴承同一种负载和相同转速条件下,滚动轴承的预期工作寿命是多少?”因此,在计算滚动轴承的预期工作寿命时,必须要考虑到轴承结构特性。
例如,当轴承受到载荷时,轴承外圈的表面会发生磨损,而滚动体的表面也会发生磨损。
因此,轴承的内外圈的磨损情况也会影响轴承的预期工作寿命,进而影响寿命指数。
此外,滚动轴承的润滑状态也会影响轴承的预期工作寿命,因此,滚动轴承的寿命指数也会受到润滑状态的影响。
例如,如果润滑油不足,轴承将会受到过载和磨损,从而导致轴承预期工作寿命的降低。
还有一点要注意的是,滚动轴承的封装方式也会影响轴承的预期工作寿命。
封装类型不同,轴承受到的负载也不同,这就影响了轴承的预期工作寿命。
总之,寿命指数是滚动轴承预期工作寿命的量度,它正相关于轴承的载荷和转速,并且受到轴承的构造特性、润滑状态和封装类型的影响。
因此,在计算滚动轴承的预期工作寿命时,必须要考虑到轴承结构特性、润滑状态和封装类型。
一、滚动轴承承载能力的一般说明 滚动轴承的承载能力与轴承类型和尺寸有关。
相同外形尺寸下,滚子轴承的承载能力约为球轴承的1.5~3倍。
向心类轴承主要用于承受径向载荷,推力类轴承主要用于承受轴向载荷。
角接触轴承同时承受径向载荷和轴向载荷的联合作用,其轴向承载能力的大小随接触角α的增大而增大。
二、滚动轴承的寿命计算 轴承的寿命与载荷间的关系可表示为下列公式: 或 式中:──基本额定寿命(106转);──基本额定寿命(小时h);C──基本额定动载荷,由轴承类型、尺寸查表获得;P──当量动载荷(N),根据所受径向力、轴向力合成计算;──温度系数,由表1查得;n──轴承工作转速(r/min);──寿命指数(球轴承,滚子轴承)。
三、温度系数f t 当滚动轴承工作温度高于120℃时,需引入温度系数(表1) 当滚动轴承同时承受径向载荷和轴向载荷时,当量载荷的基本计算公式为式中:P——当量动载荷,N;——径向载荷,N;——轴向载荷,N;X——径向动载荷系数;Y——轴向动载荷系数;——负荷系数五、载荷系数f p 当轴承承受有冲击载荷时,当量动载荷计算时,引入载荷系数(表2)表2 冲击载荷系数f表3 深沟球轴承的系数X、Y表4 角接触球轴承的系数X、Y表5 其它向心轴承的系数X、Y表6 推力轴承的系数X、Y七、成对轴承所受轴向力 计算公式: 角接触球轴承: 圆锥滚子轴承:式中e为判断系数,可由表4查出;Y应取表5中的数值。
●正排列:若则 若 则 ●反排列:若则 若 则 八、成对轴承当量动载荷 根据基本公式:式中:P——当量动载荷,N;——径向载荷,N;——轴向载荷,N;X——径向动载荷系数;Y——轴向动载荷系数;——负荷系数。
九、修正额定寿命计算 对于要求不同的可靠度、特殊的轴承性能以及运转条件不属于正常情况下的轴承寿命计算时,可采用修正额定寿命计算公式:式中:──特殊的轴承性能、运转条件以及不同可靠度要求下的修正额定寿命(106转);a1──可靠度的寿命修正系数;a2──特殊的轴承性能寿命修正系数;a3──运转条件的寿命修正系数。
§9-1 概述滚动轴承依靠其主要元件间的滚动接触来支承转动或摆动零件,其相对运动表面间的摩擦是滚动摩擦。
图9-1 滚动轴承的基本结构滚动轴承的基本结构如图9-1所示,它由下列零件组成:(1)带有滚道的内圈1和外圈2;(2)滚动体(球或滚子)3;(3)隔开并导引滚动体的保持架4。
有些轴承可以少用一个套圈(内圈或外圈),或者内、外两个套圈都不用,滚动体直接沿滚道滚动。
内圈装在轴颈上,外圈装在轴承座中。
通常内圈随轴回转,外圈固定,但也有外圈回转而内圈不动,或是内、外圈同时回转的场合。
常用的滚动体有球、圆柱滚子、滚针、圆锥滚子、球面滚子、非对称球面滚子等几种,如图9-2所示。
轴承内、外圈上的滚道,有限制滚动体侧向位移的作用。
图9-2 常用的滚动体与滑动轴承相比,滚动轴承的主要优点为:1、摩擦力矩和发热较小。
在通常的速度范围内,摩擦力矩很少随速度而改变。
起动转矩比滑动轴承要低得多(比后者小80~90%);2、维护比较方便,润滑剂消耗较小;3、轴承单位宽度的承载能力较大;4、大大地减少有色金属的消耗。
滚动轴承的缺点是:径向外廓尺寸比滑动轴承大;接触应力高,承受冲击载荷能力较差,高速重负荷下寿命较低;小批生产特殊的滚动轴承时成本较高;减振能力比滑动轴承低。
§9-2 滚动轴承的主要类型及其代号一、滚动轴承的主要类型、性能与特点按滚动体的形状,滚动轴承可分为球轴承和滚子轴承。
按接触角的大小和所能承受载荷的方向,轴承可分为:1、向心轴承:公称接触角:0°45°,向心轴承又可细分为:A、径向接触轴承:=0°,只能承受径向载荷(如圆柱滚子轴承),或主要用于承受径向载荷,但也能承受少量的轴向载荷(如深沟球轴承);B、向心角接触轴承:0°<45°,能同时承受径向载荷和单向的轴向载荷(如角接触球轴承及圆锥滚子轴承)。
2、推力轴承:公称接触角:45°<90°,推力轴承又可细分为:A、轴向接触轴承:=90°,只用于承受轴向载荷;B、推力角接触轴承:45°<<90°主要承受大的轴向载荷,也能承受不大的径向载荷。
滚动轴承寿命计算
滚动轴承寿命计算需要考虑以下几个因素:
1. 轴承载荷:轴承的寿命与轴承的承受载荷有关。
载荷越大,寿命越短。
2. 转速:轴承的转速也是影响轴承寿命的重要因素。
转速越高,寿命也越短。
3. 温度:轴承的工作温度也是影响轴承寿命的重要因素。
温
度越高,寿命也越短。
4. 润滑方式:润滑方式的不同也会影响轴承的寿命。
适当的
润滑可以减少轴承的磨损,延长轴承的使用寿命。
考虑以上因素后,可以通过以下公式计算轴承寿命:
L10 = (C/P)^3 x(10/3)x(60/n)x(10^6)
其中L10表示轴承10%会失效的寿命,C为普通轴承的基本
额定动载荷,P为轴承的实际载荷,n为转速(rpm)。
另外,需要注意的是,轴承寿命的计算只是提供一种估计值,实际寿命还要考虑到交替载荷、转向载荷、振动、工作环境等其他因素的影响。
所以,在实际使用中,还应该进行轴承的定期检查和维修,以确保其安全可靠地运转。
滚动轴承的寿命计算1 基本额定寿命和基本额定动载荷轴承中任一元件出现疲劳点蚀前的总转数或一定转速下工作的小时数称为轴承寿命.大量实验证明,在一批轴承中结构尺寸、材料及热处理、加工方法、使用条件完全相同的轴承寿命是相当离散的(图1是一组20套轴承寿命实验的结果),最长寿命是最短寿命的数十倍。
对一具体轴承很难确切预知其寿命,但对一批轴承用数理统计方法可以求出其寿命概率分布规律。
轴承的寿命不能以一批中最长或最短的寿命做基准,标准中规定对于一般使用的机器,以90%的轴承不发生破坏的寿命作为基准。
(1)基本额定寿命 一批相同的轴承中90%的轴承在疲劳点蚀前能够达到或超过的总转数r L (610转为单位)或在一定转速下工作的小时数()h h L 。
图1 轴承寿命试验结果可靠度要求超过90%,或改变轴承材料性能和运转条件时,可以对基本额定寿命进行修正.(2)基本额定动载荷 滚动轴承标准中规定,基本额定寿命为一百万转时,轴承所能承受的载荷称为基本额定动载荷,用字母C 表示,即在基本额定动载荷作用下,轴承可以工作一百万转而不发生点蚀失效的概率为90%。
基本额定动载荷是衡量轴承抵抗点蚀能力的一个表征值,其值越大,轴承抗疲劳点蚀能力越强。
基本额定动载荷又有径向基本额定动载荷(r C )和轴向基本额定动载荷(a C )之分.径向基本动载荷对向心轴承(角接触轴承除外)是指径向载荷,对角接触轴承指轴承套圈间产生相对径向位移的载荷的径向分量。
对推力轴承指中心轴向载荷。
轴承的基本额定动载荷的大小与轴承的类型、结构、尺寸大小及材料等有关,可以从手册或轴承产品样本中直接查出数值。
2 当量动载荷轴承的基本额定动载荷C (r C 和a C )是在一定条件下确定的。
对同时承受径向载荷和轴向载荷作用的轴承进行寿命计算时,需要把实际载荷折算为与基本额定动载荷条件相一致的一种假想载荷,此假想载荷称为当量动载荷,用字母P 表示。
当量动载荷P 的计算方法如下:同时承受径向载荷r F 和轴向载荷a F 的轴承()P r a P f XF YF =+(1)受纯径向载荷r F 的轴承(如N 、NA 类轴承)P r P f F =(2)受纯轴向载荷a F 的轴承(如5类、8类轴承)P a P f F =(3)式中:X ——径向动载荷系数,查表1; Y ——轴向动载荷系数,查表1; P f 冲击载荷系数,见表2。
滚动轴承寿命计算公式
滚动轴承的寿命计算是一个重要的问题,这涉及到轴承的可靠性和寿命预测问题。
通常使用的滚动轴承寿命计算公式如下:
L10 = (C/P)^p
其中,L10表示轴承的基本额定寿命,单位为小时;C表示轴承的额定动载荷,单位为牛顿;P表示轴承的当量动载荷,单位为牛顿;p表示轴承的寿命指数,通常取值为3。
当等效动载荷P已知时,可以使用L10公式计算出轴承的基本额定寿命L10。
基本额定寿命是指在额定动载荷下,轴承100个或更多轴承在实验条件下,能够运行到90%以上的轴承的寿命。
需要注意的是,L10公式是建立在一些假设的前提下的,例如轴承在运行过程中的维护和保养要符合要求,轴承在正常运行工况下使用等。
因此,在具体的使用情况下,还需要结合实际情况进行综合考虑。
滚动轴承的寿命计算
一、基本额定寿命和基本额定动载荷
1、基本额定寿命L10
轴承寿命:单个滚动轴承中任一元件出现疲劳点蚀前运转的总转数或在一定转速下的工作小时数称轴承寿命。
由于材料、加工精度、热处理与装配质量不可能相同,同一批轴承在同样的工作条件下,各个轴承的寿命有很大的离散性,所以,用数理统计的办法来处理。
基本额定寿命L10——同一批轴承在相同工作条件下工作,其中90%的轴承在产生疲劳点蚀前所能运转的总转数(以106为单位)或一定转速下的工作时数。
(失效概率10%)。
2、基本额定动载荷C
轴承的基本额定寿命L10=1(106转)时,轴承所能承受的载荷称基本额定动载荷C。
在基本额定动载荷作用下,轴承可以转106转而不发生点蚀失效的可靠度为90%。
基本额定动载荷C
(1)向心轴承的C是纯径向载荷;
(2)推力轴承的C是纯轴向载荷;
(3)角接触球轴承和圆锥滚子轴承的C是指引起套圈间产生相对径向位移时载荷的径向分量。
二、滚动轴承的当量动载荷P
定义:将实际载荷转换为作用效果相当并与确定基本额定动载荷的载荷条件相一致的假想载荷,该假想载荷称为当量动载荷P,在当量动载荷P作用下的轴承寿命与实际联合载荷作用下的轴承寿命相同。
1.对只能承受径向载荷R的轴承(N、滚针轴承)P=F r
2.对只能承受轴向载荷A的轴承(推力球(5)和推力滚子(8))P= F a
3.同时受径向载荷R和轴向载荷A的轴承P=X F r+Y F a
X——径向载荷系数,Y——轴向载荷系数,X、Y——见下表。
径向动载荷系数X和轴向动载荷系数
表12-3
考虑冲击、振动等动载荷的影响,使轴承寿命降低,引入载荷系数fp—见下表。
载荷系数fp
表12-4
三、滚动轴承的寿命计算公式
图12-9 载荷与寿命的关系曲线
载荷与寿命的关系曲线方程为:
=常数(12-3)
3 球轴承
ε——寿命指数
10/3——滚子轴承
根据定义:P=C,轴承所能承受的载荷为基本额定功载荷时
,
∴
∴(106r) (12-2)
按小时计的轴承寿命:
(h)(12-3)
考虑当工作t>120℃时,因金属组织硬度和润滑条件等的变化,轴承的基本额定动载荷C有所下降,∴引入温度系数f t——下表——对C修正
表 12-5
(106r)(12-4)
(h)(12-5)
当P、n已知,预期寿命为L h′,则要求选取的轴承的额定动载荷C为 N ——选轴承型号和尺寸!(12-6)
不同的机械上要求的轴承寿命推荐使用期见下表。
表 12-6
四、角接触球轴承和圆锥滚子轴承的轴向载荷F a的计算。
该类轴承受Fr→产生派生轴向力S(如下表),∴要成对使用,对称安装
表 12-7
1)派生轴向力大小方向:
a) 正装(面对面),支点跨距小,适合于传动零件位于两支承之间;
b) 反装(背靠背),实际跨距变大,适合于传动零件处于外伸端
图12-10 角接触球轴承轴向载荷的分析
2)实际轴向载荷A的确定
a)
当时,
轴有向右移动的趋势,使轴承2被“压紧”,轴承1被“放松”,压紧的轴承2外圈通过滚动体将对圈和轴产生一个阻止其左移的平衡力S2′,使
∴轴承2的实际轴向载荷为
轴承1上的轴向力,由力的平衡条件
——本身的派生轴向力
b)当时,如图7所示
轴有左移的趋势,轴承1被“压紧”,轴承2被“放松”,“1”上产生一个平衡力S1′,使
图12-11 部轴向力计算
∴轴承1实际所受的轴向力为
轴承2实际所受的轴向力,由力的平衡条件
——本身派生轴向力
最终:——使轴上的轴向载荷处于平衡,而非
结论:——实际轴向力F a的计算方法
①分析轴上派生轴向力和外加轴向载荷,判定被“压紧”和“放松”的轴承。
②“压紧”端轴承的轴向力等于除本身派生轴向力外,轴上其他所有轴向力代数和。
③“放松”端轴承的轴向力等于本身的派生轴向力或F a=max(本身派生轴向力,除派生轴向力外轴上其他轴向载荷代数和(方向与自身派生轴向力相反为+))
五、不稳定载荷和转速下的轴承寿命计算
载荷P和转速n变化时,按疲劳损伤累积假设求出平均当量转速n m和平均当量动载荷P m→求轴承寿命,没轴承的当量动载荷为:P1、P2、P3、…、P k;转速为:n1、n2、n3、…、n k;所占时间百分比:a1、a2、a3、…、a k
则滚动轴承的平均当量转速
(12-7)
平均当量动载荷P
(12-8)
∴将式(12-9)、(12-10)代入轴承寿命计算公式(12-9得
(12-10)六、不同可靠度时滚动轴承的寿命L n
前面公式中计算得到的轴承寿命的可靠度为90%,而各种机械中所要求轴承的寿命的可靠度不一样,∴为计算不同可靠时轴承的寿命,引入寿命修正系数a1,则
(12-11)
L10——为轴承的基本额定寿命,其可靠度为90%
L n——可靠度为1-n时轴承的额定寿命(h)
a1——可靠度不为90%时,额定寿命修正系数,其值见表下表
表 12-7
将(12-11)代入式(12-11)得
(h) (12-12)
给定可靠度和该可靠度下m轴承寿命L n(h)时,选择轴承时所需的轴承基本额定动载荷C的计算式为:
(12-13)
七、滚动轴承的极限转速
n过高→产生高温→润滑剂性能(粘度↓)→使油膜破坏→滚动体回火磨损或胶合失效
——适用于0级公差,润滑冷却正常,轴承载荷P≤0.1C,向心轴承只受径向载荷,推力轴承只受轴向载荷的轴承。
当P>0.1C,轴承受联合载荷时,润滑情况变坏,∴应对极限转速进行修正,这时轴承实际许用转速为
(12-14)
如果超过极限转速应采取的措施:
1.改进润滑;
2.改善冷却条件;
3.提高轴承精度;
4.适当增大游隙;
5.改变轴承和保持架的材料(采用特殊材料)。