箱涵基底应力计算
- 格式:doc
- 大小:76.00 KB
- 文档页数:2
已知计算条件:涵洞的设计安全等级为三级,取其结构重要性系数:.9涵洞桩号= K16+170箱涵净跨径= 3米箱涵净高= 3.1米箱涵顶板厚= .6米箱涵侧板厚= .6米板顶填土高= 0米填土容重= 18千牛/立方米钢筋砼容重= 25千牛/立方米混凝土容重= 22千牛/立方米水平角点加厚= 0米竖直角点加厚= 0米涵身混凝土强度等级= C25钢筋等级= II级钢筋填土内摩擦角= 30度基底允许应力= 250千牛/立方米顶板拟定钢筋直径= 18毫米每米涵身顶板采用钢筋根数= 6根底板拟定钢筋直径= 20毫米每米涵身底板采用钢筋根数= 5根侧板拟定钢筋直径= 18毫米每米涵身侧板采用钢筋根数= 5根荷载基本资料:土系数 K = 1.04恒载产生竖直荷载p恒=17.46千牛/平方米恒载产生水平荷载ep1=.82千牛/平方米恒载产生水平荷载ep2=26.62千牛/平方米汽车产生竖直荷载q汽=583.33千牛/平方米汽车产生水平荷载eq汽=15.66千牛/平方米计算过程重要说明:角点(1)为箱涵左下角,角点(2)为箱涵左上角,角点(3)为箱涵右上角,角点(4)为箱涵右下角构件(1)为箱涵顶板,构件(2)为箱涵底板,构件(3)为箱涵左侧板,构件(4)为箱涵右侧板1>经过箱涵框架内力计算并汇总,结果如下(单位为:千牛.米):a种荷载(涵顶填土及自重)作用下:涵洞四角节点弯矩和构件轴力:MaA = MaB = MaC = MaD = -1 / (K + 1) * P * Lp^2 / 12 = -9.299244kN.m Na1 = Na2 = 0kNNa3 = Na4 = P * Lp / 2 = 31.428kNa种荷载(汽车荷载)作用下:MaA = MaB = MaC = MaD = -1 / (K + 1) * M顶板端部 = -35.19036kN.mNa1 = Na2 = 0kNNa3 = Na4 = V顶板端部 = 91kNb种荷载(侧向均布土压力)作用下:涵洞四角节点弯矩和构件轴力:MbA = MbB = MbC = MbD = -K / (K + 1) * P * hp^2 / 12 = -.474149kN.m Nb1 = Nb2 = P * Lp / 2 = 1.517kNNb3 = Nb4 = 0kNc种荷载(侧向三角形土压力)作用下:涵洞四角节点弯矩和构件轴力:McA = McD = K *(3K + 8) / ((K + 1)*(K + 3)) * P * hp^2 / 60 = -8.210236kN.mMcB = McC = K *(2K + 7) / ((K + 1)*(K + 3)) * P * hp^2 / 60 = -6.708112kN.mNc1 = P * hp / 6 + (McA - McB) / hp = 15.50402kNNc2 = P * hp / 3 - (McA - McB) / hp = 32.22598kNNc3 = Nc4 = 0kNd种荷载(侧向汽车压力)作用下:涵洞四角节点弯矩和构件轴力:MdA = -(K * (K + 3) / 6(K^2 + 4K +3) + (10K + 2) / (15K + 5)) * P * hp^2 / 4 = -36.76889kN.mMdB = -(K * (K + 3) / 6(K^2 + 4K +3) - (5K + 3) / (15K + 5)) * P * hp^2 / 4 = 16.84294kN.mMdC = -(K * (K + 3) / 6(K^2 + 4K +3) + (5K + 3) / (15K + 5)) * P * hp^2 / 4 = -25.90064kN.mMdD = -(K * (K + 3) / 6(K^2 + 4K +3) - (10K + 2) / (15K + 5)) * P * hp^2 / 4 = 27.71119kN.mNd1 = (MdD - MdC) / hp = 14.48969kNNd2 = P * hp - (MdD - MdC) / hp = 43.46906kNNd3 = Nc4 = -(MdB - MdC) / Lp = -11.87322kN角点(1)在恒载作用下的的总弯矩为:-17.98角点(1)在汽车作用下的的总弯矩为:-71.96角点(1)在混凝土收缩下的的弯矩为:39.76角点(1)在温度变化下的的总弯矩为:39.76构件(1)在恒载作用下的的总轴力为:17.02构件(1)在汽车作用下的的总轴力为:14.49构件(1)在混凝土收缩下的的轴力为:0构件(1)在温度变化下的的总轴力为:0角点(2)在恒载作用下的的总弯矩为:-16.48角点(2)在汽车作用下的的总弯矩为:-18.35角点(2)在混凝土收缩下的的弯矩为:-39.76角点(2)在温度变化下的的总弯矩为:-39.76构件(2)在恒载作用下的的总轴力为:33.74构件(2)在汽车作用下的的总轴力为:43.47构件(2)在混凝土收缩下的的轴力为:0构件(2)在温度变化下的的总轴力为:0角点(3)在恒载作用下的的总弯矩为:-16.48角点(3)在汽车作用下的的总弯矩为:-61.09角点(3)在混凝土收缩下的的弯矩为:-39.76角点(3)在温度变化下的的总弯矩为:-39.76构件(3)在恒载作用下的的总轴力为:31.43构件(3)在汽车作用下的的总轴力为:79.13构件(3)在混凝土收缩下的的轴力为:0构件(3)在温度变化下的的总轴力为:0角点(4)在恒载作用下的的总弯矩为:-17.98角点(4)在汽车作用下的的总弯矩为:-7.48角点(4)在混凝土收缩下的的弯矩为:39.76角点(4)在温度变化下的的总弯矩为:39.76构件(4)在恒载作用下的的总轴力为:31.43构件(4)在汽车作用下的的总轴力为:102.87构件(4)在混凝土收缩下的的轴力为:0构件(4)在温度变化下的的总轴力为:02>荷载组合计算角点(1) 正常使用极限状态效应组合短期组合(M恒 + 0.7 * M活) = -68.3551 角点(1) 正常使用极限状态效应组合长期组合(M恒 + 0.4 * M活) = -46.76733 角点(1) 承载能力极限状态 (1.2 * M恒 + 1.4 * M活) = -122.3233角点(2) 正常使用极限状态效应组合短期组合(M恒 + 0.7 * M活) = -29.3247 角点(2) 正常使用极限状态效应组合长期组合(M恒 + 0.4 * M活) = -23.82047 角点(2) 承载能力极限状态 (1.2 * M恒 + 1.4 * M活) = -45.46419角点(3) 正常使用极限状态效应组合短期组合(M恒 + 0.7 * M活) = -59.2452 角点(3) 正常使用极限状态效应组合长期组合(M恒 + 0.4 * M活) = -40.91791 角点(3) 承载能力极限状态 (1.2 * M恒 + 1.4 * M活) = -105.3052角点(4) 正常使用极限状态效应组合短期组合(M恒 + 0.7 * M活) = -23.21905 角点(4) 正常使用极限状态效应组合长期组合(M恒 + 0.4 * M活) = -20.9753 角点(4) 承载能力极限状态 (1.2 * M恒 + 1.4 * M活) = -32.05119构件(1) 正常使用极限状态效应组合短期组合(N恒 + 0.7 * N活) = 27.1638 构件(1) 正常使用极限状态效应组合长期组合(N恒 + 0.4 * N活) = 22.81689 构件(1) 承载能力极限状态 (1.2 * N恒 + 1.4 * N活) = 40.71078构件(2) 正常使用极限状态效应组合短期组合(N恒 + 0.7 * N活) = 64.17131 构件(2) 正常使用极限状态效应组合长期组合(N恒 + 0.4 * N活) = 51.1306构件(2) 承载能力极限状态 (1.2 * N恒 + 1.4 * N活) = 101.3482构件(3) 正常使用极限状态效应组合短期组合(N恒 + 0.7 * N活) = 86.81675构件(3) 正常使用极限状态效应组合长期组合(N恒 + 0.4 * N活) = 63.07872构件(3) 承载能力极限状态 (1.2 * N恒 + 1.4 * N活) = 148.4911构件(4) 正常使用极限状态效应组合短期组合(N恒 + 0.7 * N活) = 103.4393构件(4) 正常使用极限状态效应组合长期组合(N恒 + 0.4 * N活) = 72.57729构件(4) 承载能力极限状态 (1.2 * N恒 + 1.4 * N活) = 181.73613>将箱涵框架分解为四根独立构件,求其跨中内力并进行效应组合。
涵洞地基承载力计算K18+312.200概况1,顶、底板均3.3mK18+312.200涵洞采用箱涵结构形式,截面尺寸3-3.5×混凝土,,采用为0.3m,腹板厚度为0.28mC30钢筋混凝土,基础采用0.1mC15 涵长14.2m。
3 18kN/m。
1.032m,土的内摩擦角取30°,填土容重箱涵顶部覆土厚度结构形式如下图:2 荷载计算1)恒载(取单位涵长计算)P1=4293.12kN/14.2m=302.33kN/m;箱涵重力:P2=409.68kN/14.2m=28.85kN/m;基础重力:;填土重力:P3=2567.88kN/14.2m=180.84kN/m;水重力:P4=2087.4kN/14.2m=147kN/m2)车辆荷载公路涵洞设计应采用车辆荷载。
),由《公路桥涵通用设计规范》(JTG D60-2004汽车后轮着地宽度为0.6m车轮按其着地面4.3.4条规定,“计算涵洞顶上车辆荷载引起的竖向土压力时,第°角分布。
”积的边缘向下做30 一个后轮横向分布宽度1.3?m20.60.896??1.032?tan30?m 21.8?m2 故,两列车相邻车轴有荷载重叠,应按如下计算横向分布宽度0.63.092??2?1.330?a?(1.032?tan?) m2 同理,纵向1.40.20.696???30??1.032tan mm 22专业文档供参考,如有帮助请下载。
.故0.2?1.032?tan30??()?2?1.392b m 2车辆荷载垂直压力:1402qm?32.527kN/?1.3923.092?P?qL?1.0?32.527?11.62?1.0?377.96kN车辆荷载水平压力:30?22m/10.842??kN)e?32.527?tan?(452E?e(h?d)?1.0?10.842?(3.9?0.15)?1.0?43.91kN 弯矩:h?d3.9?0.15)?43.91?()?88.92kN?mM?E?(22 3)地基应力(取1m涵长计算)+N=(P1+P2+P3+P4)P1×= 302.33+28.85+180.84+147+377.96=1036.98kNM=88.92kN.m32W=8.206 m,A=11.62m[f]?200kPa基底容许承载力:a基底平均应力:N1036.98??89.24kPa??[f]?200kPap a A11.62 基底最大应力:NM1036.9888.92????100.08kPa?[f]?200kPap?max a8.20611.62AW故基底承载力满足要求。
L p 图1-1一、设计资料(一)概况:***道路工程经过水库溢洪道处设置箱涵,箱涵净跨L 0=8.0米,净高h 0=10.5米,路基红线范围内长49米,箱涵顶最大填土厚度H=米,填土的内摩擦角φ为24°,土体密度γ1=m 3,设箱涵采用C25混凝土(f cd =)和HRB335钢筋(f sd =280MPa)。
桥涵设计荷载为城-A 级,用车辆荷载加载验算。
结构安全等级二级,结构重要性系数γ0=。
地基为泥质粉砂岩,[σ0]=380kPa ,本计算书主要内容为结构设计与地基应力验算。
(二)依据及规范 1、《城市桥梁设计荷载标准》(CJJ77-98) 2、《公路桥涵设计通用规范》(JTG D60-2004) 3、《公路钢筋混凝土及预应力混凝土桥涵设计规范》(JTG D62-2004) 4、《公路桥涵地基与基础设计规范》(JTGD63-2007)二、设计计算(一)截面尺寸拟定(见图1-1) 箱涵过流断面尺寸由水利部门提供,拟定顶板、底板厚度δ=100cm (C 1=50cm ) 侧墙厚度 t =100cm (C 2=50cm )故 L P =L 0+t=8+1=9m h p =h 0+δ=+1=11.5m (二)荷载计算1、恒载恒载竖向压力P =γ1H+γ2δ=×+25×1=m 2恒载水平压力顶板处: e p1=γ1Htan 2(45o -φ/2)=××tan 2(45o -24o /2)= kN/m 2底板处:e p2=γ1(H +h )tan 2(45o -φ/2)=×(+)×tan 2(45o -24o /2) =m 2 2、活载城-A 级车辆荷载轴重按《城市桥梁设计荷载标准》4.1.3条确定,参照《公 路桥涵设计通用规范》第4.3.4条2款,计算涵洞顶车辆荷载引起的竖向土压力,车轮扩散角30o 。
1) 先考虑按六车道(7辆车)分布,横向折减系数 一个汽车后轮横向分布宽>1.3m/22+ tan30o =2.38m>1.8m/2故,两列车相邻车轴有荷载重叠,按如下计算横向分布宽度a=2+ tan30o ) ×2+22=26.76m 同理,纵向分布宽度2+ tan30o =2.2m >1.2m/2故,同列车相邻车轴有荷载重叠,纵向分布宽度按如下计算 b=2+ tan30o ) ×2+=5.6m 车辆荷载垂直压力q 车=(140×2×7)/× ×= kN/m 22) 考虑按两车道(2辆车)分布,横向折减系数 一个汽车后轮横向分布宽>1.3m/22+ tan30o =2.38m>1.8m/2故,两列车相邻车轴有荷载重叠,按如下计算横向分布宽度a=2+ tan30o ) ×2+=9.66m 同理,纵向分布宽度2+ tan30o =1.05m >1.2m/2故,同列车相邻车轴有荷载重叠,纵向分布宽度按如下计算 b=2+ tan30o ) ×2+=5.61m 车辆荷载垂直压力q 车=(140×2×2)/× ×= kN/m 2根据上述计算,车辆荷载垂直压力取大值按两车道布置计算取值 kN/m 2。
*******钢筋混凝土箱涵验算*******1. 设计依据:《公路桥涵设计通用规范》(JTG D60-2015) 《公路钢筋混凝土及预应力混凝土桥涵设计规范》(JTG D62-2004)《公路圬工桥涵设计规范》(JTG D61-2005) 《公路桥涵地基与基础设计规范》(JTGD63-2007)《公路涵洞设计细则》JTG/T D65-04-20072. 设计资料:设计荷载:公路-Ⅰ级涵洞净跨径l0=2.5 m涵洞净高h0=2.2 m 涵洞水平板厚δ=0.27 m涵洞侧板厚t=0.25 m涵洞倒角高度c1=0.05 m涵洞倒角宽度c2=0.05 m保护层厚度=0.03 m涵身砼标号=C40砼主受力钢筋级别=HRB400顶板钢筋直径=16 mm侧板钢筋直径=16 mm顶板钢筋间距=0.1 m涵顶填土高H=0.9 m土容重γ1=18 kN/m^3钢筋混凝土容重γ2=25 kN/m^3土的内摩擦角φ=30度基础襟边宽=0.2 m基础厚度=0.5 m基础级数=1基础容重=22 kN/m^3基底容许应力=350 kPa涵洞计算跨径lp=l0+t=2.75 m涵洞计算高度hp=h0+δ=2.47 m3. 恒载计算:填土垂直压力p1=K*γ1*H=18.144kN/m^2箱节自重p2=γ2*δ=6.75 kN/m^2恒载竖直压力p恒=24.894 kN/m^2土的侧压力系数λ=0.333恒载水平压力顶板处ep1=5.4 kN/m^2恒载水平压力底板处ep2=21.84 kN/m^24. 活载计算:纵向分布宽度a=1.239 m横向分布宽度b=2.939 m垂直压力q汽=38.436 kN/m^2水平压力eq汽=12.812 kN/m^25. 框架内力计算:1).构件刚度比杆件刚度比K=I1/I2*hp/lp=1.1312).节点弯矩与杆件轴向力计算6. 荷载组合:7. 构件截面内力计算:8. 截面设计计算:(1) 顶板跨中截面计算:受拉纵筋最小面积Ag1应为:8.565 cm^2 受拉纵筋实际面积Ag2为:20.11 cm^2至少需钢筋5根Φ16**钢筋根数满足强度要求!**截面尺寸满足要求!**斜截面抗剪强度满足要求裂缝宽度验算:作用短期效应组合Ms=1.0*M1+0.7*M2=29.163 kN.m作用短期效应组合Ns=1.0*N1+0.7*N2=18.789 kN作用长期效应组合Ml=1.0*M1+0.4*M2=22.191 kN.m钢筋表面形状影响系数C1 =1荷载特征影响系数C2 =1.38构件形式系数C3 =0.9受拉钢筋的直径d=16 mm受拉钢筋重心处的应力σg=67.701 MPa 钢筋的弹性模量Es=200000 MPa配筋率ρ=0.006最大裂缝宽度δfmax=C1*C2*C3*σg/Es*(30+d)/(0.28+10*ρ)=0.057 mmδfmax < 0.2,最大裂缝宽度满足要求(2) 顶板左结点处截面计算:受拉纵筋最小面积Ag1应为:5.8 cm^2受拉纵筋实际面积Ag2为:20.11 cm^2至少需钢筋3根Φ16**钢筋根数满足强度要求!**截面尺寸满足要求!**斜截面抗剪强度满足要求(3) 顶板右结点处截面计算:受拉纵筋最小面积Ag1应为:5.8 cm^2受拉纵筋实际面积Ag2为:20.11 cm^2至少需钢筋3根Φ16**钢筋根数满足强度要求!**截面尺寸满足要求!**斜截面抗剪强度满足要求(4) 底板跨中截面计算:受拉纵筋最小面积Ag1应为:7.867 cm^2受拉纵筋实际面积Ag2为:20.11 cm^2至少需钢筋4根Φ16**钢筋根数满足强度要求!**截面尺寸满足要求!**斜截面抗剪强度满足要求裂缝宽度验算:作用短期效应组合Ms=1.0*M1+0.7*M2=28.705 kN.m作用短期效应组合Ns=1.0*N1+0.7*N2=37.004 kN作用长期效应组合Ml=1.0*M1+0.4*M2=21.733 kN.m钢筋表面形状影响系数C1 =1荷载特征影响系数C2 =1.379构件形式系数C3 =0.9受拉钢筋的直径d=16 mm受拉钢筋重心处的应力σg=65.254 MPa钢筋的弹性模量Es=200000 MPa配筋率ρ=0.006最大裂缝宽度δfmax=C1*C2*C3*σg/Es*(30+d)/(0.28+10*ρ)=0.055 mm δfmax < 0.2,最大裂缝宽度满足要求(5) 底板左结点处截面计算:受拉纵筋最小面积Ag1应为:6.37 cm^2 受拉纵筋实际面积Ag2为:20.11 cm^2 至少需钢筋4根Φ16**钢筋根数满足强度要求!**截面尺寸满足要求!**斜截面抗剪强度满足要求(6) 底板右结点处截面计算:受拉纵筋最小面积Ag1应为:5.8 cm^2 受拉纵筋实际面积Ag2为:20.11 cm^2 至少需钢筋3根Φ16**钢筋根数满足强度要求!**截面尺寸满足要求!**斜截面抗剪强度满足要求(7) 左侧板跨中截面计算:受拉纵筋最小面积Ag1应为:4.4 cm^2 受拉纵筋实际面积Ag2为:10.055 cm^2 至少需钢筋3根Φ16**钢筋根数满足强度要求!**截面尺寸满足要求!**斜截面抗剪强度满足要求裂缝宽度验算:作用短期效应组合Ms=1.0*M1+0.7*M2=-4.256 kN.m作用短期效应组合Ns=1.0*N1+0.7*N2=67.304 kN作用长期效应组合Ml=1.0*M1+0.4*M2=-2.638 kN.m钢筋表面形状影响系数C1 =1荷载特征影响系数C2 =1.31构件形式系数C3 =0.9受拉钢筋的直径d=16 mm受拉钢筋重心处的应力σg=21.826MPa钢筋的弹性模量Es=200000 MPa配筋率ρ=0.006最大裂缝宽度δfmax=C1*C2*C3*σg/Es*(30+d)/(0.28+10*ρ)=0.017 mmδfmax < 0.2,最大裂缝宽度满足要求(8) 左侧板上结点处截面计算:受拉纵筋最小面积Ag1应为:5.4 cm^2受拉纵筋实际面积Ag2为:20.11 cm^2至少需钢筋3根Φ16**钢筋根数满足强度要求!**截面尺寸满足要求!**斜截面抗剪强度满足要求(9) 左侧板下结点处截面计算:受拉纵筋最小面积Ag1应为:5.928 cm^2受拉纵筋实际面积Ag2为:20.11 cm^2至少需钢筋3根Φ16**钢筋根数满足强度要求!**截面尺寸满足要求!**斜截面抗剪强度满足要求(10) 右侧板跨中截面计算:受拉纵筋最小面积Ag1应为:4.4 cm^2受拉纵筋实际面积Ag2为:10.055 cm^2至少需钢筋3根Φ16**钢筋根数满足强度要求!**截面尺寸满足要求!**斜截面抗剪强度满足要求裂缝宽度验算:作用短期效应组合Ms=1.0*M1+0.7*M2=-8.196 kN.m作用短期效应组合Ns=1.0*N1+0.7*N2=75.144 kN作用长期效应组合Ml=1.0*M1+0.4*M2=-4.889 kN.m钢筋表面形状影响系数C1 =1荷载特征影响系数C2 =1.298构件形式系数C3 =0.9受拉钢筋的直径d=16 mm受拉钢筋重心处的应力σg=39.289 MPa 钢筋的弹性模量Es=200000 MPa配筋率ρ=0.006最大裂缝宽度δfmax=C1*C2*C3*σg/Es*(30+d)/(0.28+10*ρ)=0.031 mmδfmax < 0.2,最大裂缝宽度满足要求(11)右侧板上结点处截面计算:受拉纵筋最小面积Ag1应为:5.4 cm^2受拉纵筋实际面积Ag2为:20.11 cm^2至少需钢筋3根Φ16**钢筋根数满足强度要求!**截面尺寸满足要求!**斜截面抗剪强度满足要求(12) 右侧板下结点处截面计算:受拉纵筋最小面积Ag1应为:5.4 cm^2受拉纵筋实际面积Ag2为:20.11 cm^2至少需钢筋3根Φ16**钢筋根数满足强度要求!**截面尺寸满足要求!**斜截面抗剪强度满足要求9. 基底应力验算:填土重力P1=101.016 kN箱重力P2=68 kN基础重力P3=37.4 kN活载竖直力P=115.309 kN活载水平力E=41.511 kN活载弯矩M=67.248 kN.mΣP=321.725 kNΣM=67.248 kN.mA=3.4 m^2W=1.927δmax=ΣP/A + ΣM/W=129.529 kPaδmin=ΣP/A - ΣM/W=59.721 kPaδmax < 基底容许应力350.00kPa,满足要求!。
)203(45h)tg (H e 21p2-+γ=可编辑修改精选全文完整版箱涵结构计算一、设计资料净跨径L 0为4.5m ,净高位2m ,箱涵填土高H 为0.7m ,土的摩擦角ϕ为30,土的容重γ1=19KN/m ³,设箱涵采用C20砼和HRB335钢筋。
二、设计计算(一)截面尺寸拟定(见图1) 顶板、底板厚度δ=40cm (C 1=15cm )侧墙厚度 t=36cm (C 2=15cm ) 故 L p =L 0+t=4.5+0.36=4.86mh p =h o +δ=2.0+0.4=2.4m(二)荷载计算 1.恒载 恒载竖向压力P =γ1 H+γ2δ=19×0.7+25×0.4 = 23.2 KN/㎡ 恒载水平压力 顶板处=19×0.7×tg ²30º=4.43 KN/㎡底板处:=19 ×(0.7+2.8)×tg ²30 =22.16 KN/㎡2.活载公里-Ⅱ级车辆荷载由《公路桥涵设计通用规范》(JTG D60-2004)第4.3.4条计算 一个汽车后轮横向分布宽>1.32m 0.62+0.7tg30°=0.704m <1.82m 故,两列车相邻车轴有荷载重叠,应按如下计算横向分布宽度a=(0.62+0.7tg30°)×2+1.3=2.708 m 同理,纵向:0.22+0.7tg30°=0.504<1.4/2m 故b=(0.22+ 0.7tg30°)×2=1.008m车辆荷载垂直压力q 车= 1402.708×1.008= 51.29 KN/㎡车辆荷载水平压力e 车=51.29tg ²30°=17.10 KN/㎡ )203(45h)tg (H e 21p2-+γ=三、 内力计算 1 .构件刚度比677.086.44.236.011214.01121I e 22121p1=⨯⨯⨯⨯⨯=⨯=p L h I2 .节点弯矩和轴向力计算 (1)α种荷载作用下(图2) 涵洞四角节和弯矩: M aA =M aB =M aC =M aD = - 1K+1 · PLp²12N a1=N a2=0 N a3= N a4= PLp2恒载(p=P )M aA = -10.677+1 · 23.3×4.86²12 = -27.351 KN ·mN a3= 23.3×4.862 = 56.62KN车辆荷载(p=q 车)M aA = -10.677+1 · 51.29×4.86²12 = 60.56 KN ·mN a3= 51.29×4.862 = 124.63KN(2)b 种荷载作用下(图3) M aA =M aB =M aC =M aD = -K K+1 · Php²12N b1=N b2= Php2N a3= N a4=0 恒载(p=eP1) M bA = -0.6770.677+1 ·4.43×2.4²12=-0.858 KN ·mN b1= 4.43×2.42 =5.316KN(3)C 种荷载作用下(图4)60Ph )3K )(1K ()8K 3(K M M 2p cD cA •+++-== 60Ph )3K )(1K ()7K 2(K M M 2p cC cB •+++-== p cBcA p 1h M M 6Ph Nc -+=pcBcA p 2h M M 3Ph Nc --=恒载(p=ep2-ep1=22.16-4.43=17.73 KN )604.273.17)3677.0)(1677.0()8677.03(677.0M M 2cD cA ⨯⨯+++⨯-== = -1.875 KN ·m604.273.17)3677.0)(1677.0()7677.02(677.0M M 2cC cB ⨯⨯+++⨯-== = -1.561 KN ·mKN 96.64.2561.1875.164.273.17Nc 1=+-+⨯=KN 315.144.2561.1875.134.273.17Nc 2=+--⨯=(4)d 种荷载作用下(图5)4Ph ]5K 152K 10)3K 4K (6)3K (K [M 2p 2dA ⋅++++++-= 4Ph ]5K 153K 5)3K 4K (6)3K (K [M 2p 2dB ⋅++-+++-= 4Ph ]5K 153K 5)3K 4K (6)3K (K [M 2p 2dC ⋅++++++-= 4Ph ]5K 152K 10)3K 4K (6)3K (K [M 2p 2dA⋅++-+++-= pDCdD d1h M M N -=pDCdD p d2h M M Ph N -=-车辆荷载(P=e 车=17.10 KN/m ²)0673.05677.0153677.05)3677.04677.0(6)3677.0(677.05K 153K 5)3K 4K (6)3K (K 22=+⨯+⨯++⨯++=++++++5797.05677.0152677.0105K 152K 10=+⨯+⨯=++4213.05677.0153677.055K 153K 5=+⨯+⨯=++m KN 932.1544.210.17)5297.00673.0(M 2dA ⋅-=⨯⨯+-=m KN 717.844.210.17)4213.00673.0(M 2dB ⋅=⨯⨯--=m KN 113.2544.210.17)4213.00673.0(M 2dC ⋅-=⨯⨯+-=pCdB d4d3h M d M N N --==m KN 617.1244.210.17)5297.00673.0(M 2dA ⋅=⨯⨯--=KN 72.154.2113.25617.12N d1=+=KN 32.2572.154.210.17N d2=-⨯=KN 96.686.4113.25717.8N N d4d3-=+-==(5)节点弯矩和和轴力计算汇总表(6)荷载效应组合。
地基中的应力计算地基是地下工程中最基本的构造部分,承受着上部结构的重量和荷载,承担着巨大的压力作用。
在地基设计中,应力计算是非常重要的一部分,它能够提供地基承载力和安全性的评估。
本文将介绍地基中应力计算的方法和计算公式。
首先,需要了解地基中的应力是如何形成的。
地基承受的主要应力有自重应力、活载荷载应力和附加应力。
自重应力是由于地基材料本身的重量所引起的应力,可以通过材料的密度和重力加速度计算得到。
活载荷载应力是由上部结构的荷载所引起的应力,可以根据上部结构的设计荷载计算得到。
附加应力是由于地基中存在的其他因素所引起的应力,比如建筑物的自身形变引起的应力。
接下来,我们介绍如何计算地基中的应力。
地基中的应力计算可以根据不同的地基类型和荷载情况采用不同的方法。
下面以均质土壤的地基为例,介绍几种常用的应力计算方法。
1.利用铁索计算应力:铁索是一种常用的应力计算工具,可以通过测量铁索的伸长量来计算地基中的应力。
首先,在地基中铺设一根长度合适的铁索,然后测量并记录铁索的伸长量。
根据该伸长量和铁索的初始长度,可以通过应力-应变关系计算得到地基中的应力。
2.利用试孔计算应力:试孔是另一种用于计算地基中应力的方法。
首先,在地基中进行试孔,并记录试孔的深度和直径。
然后,根据试孔的直径和土壤的剪切强度,可以计算得到地基中的应力分布情况。
3.利用数值模拟计算应力:数值模拟是一种常用的计算地基应力的方法,它可以通过建立地基的有限元模型来模拟地基的应力分布情况。
首先,需要根据地基的实际情况建立有限元模型,然后通过数值计算方法求解得到地基中的应力。
综上所述,地基中的应力计算是地基设计的重要环节,可以通过铁索、试孔和数值模拟等多种方法进行计算。
在进行应力计算时,需要考虑地基的类型、荷载情况和材料特性等因素,确保计算结果的准确性和可靠性。
地基中的应力计算对于确保地基的稳定性和安全性具有重要意义,是地基设计中不可或缺的一环。
L p 图1-1一、设计资料(一)概况:***道路工程经过水库溢洪道处设置箱涵,箱涵净跨L 0=8.0米,净高h 0=10.5米,路基红线范围内长49米,箱涵顶最大填土厚度H=3、6米,填土的内摩擦角φ为24°,土体密度γ1=20、2KN/m 3,设箱涵采用C25混凝土(f cd =11、5MPa)与HRB335钢筋(f sd =280MPa)。
桥涵设计荷载为城-A 级,用车辆荷载加载验算。
结构安全等级二级,结构重要性系数γ0=1、0。
地基为泥质粉砂岩,[σ0]=380kPa,本计算书主要内容为结构设计与地基应力验算。
(二)依据及规范 1、《城市桥梁设计荷载标准》(CJJ77-98) 2、《公路桥涵设计通用规范》(JTG D60-2004) 3、《公路钢筋混凝土及预应力混凝土桥涵设计规范》(JTG D62-2004) 4、《公路桥涵地基与基础设计规范》(JTGD63-2007)二、设计计算(一)截面尺寸拟定(见图1-1) 箱涵过流断面尺寸由水利部门提供,拟定顶板、底板厚度δ=100cm(C 1=50cm) 侧墙厚度 t =100cm (C 2=50cm)故 L P =L 0+t=8+1=9mh p =h 0+δ=10、5+1=11.5m (二)荷载计算1、恒载恒载竖向压力P =γ1H+γ2δ=20、2×3、6+25×1=97、72kN/m 2恒载水平压力顶板处: e p1=γ1Htan 2(45o -φ/2)=20、2×3、6×tan 2(45o -24o /2)=30、67 kN/m 2底板处:e p2=γ1(H +h)tan 2(45o -φ/2)=20、2×(3、6+12、5)×tan 2(45o -24o /2) =137、15kN/m 2 2、活载城-A 级车辆荷载轴重按《城市桥梁设计荷载标准》4.1.3条确定,参照《公 路桥涵设计通用规范》第4.3.4条2款,计算涵洞顶车辆荷载引起的竖向土压力,车轮扩散角30o。
1、孔径及净空净跨径L 0 = 4.00m 净高h 0 =4.00m2、设计安全等级一级结构重要性系数r 0 = 1.13、汽车荷载荷载等级公路 —Ⅰ级4、填土情况涵顶填土高度H =7.2m 土的内摩擦角Φ =35°填土容重γ1 =19kN/m 3地基容许承载力[σ0] =260kPa5、建筑材料普通钢筋种类HRB335主钢筋直径25mm 钢筋抗拉强度设计值f sd =280MPa涵身混凝土强度等级C40涵身混凝土抗压强度设计值f cd =18.4MPa 涵身混凝土抗拉强度设计值f td = 1.65MPa 钢筋混凝土重力密度γ2 =25kN/m 3基础混凝土强度等级C10混凝土重力密度γ3 =24kN/m 3(一)截面尺寸拟定 (见图L-01)顶板、底板厚度δ =0.4m C 1 =0.05m 侧墙厚度t =0.4m C 2 =0.05m 横梁计算跨径L P = L 0+t = 4.4m L = L 0+2t = 4.8m 侧墙计算高度h P = h 0+δ =4.4m钢 筋 混 凝 土 箱 涵 结 构 设一 、 设 计 资 料二 、 设 计 计 算h = h 0+2δ =4.8m 基础襟边 c =0.2m 基础高度 d =0.2m 基础宽度 B =5.2m(二)荷载计算1、恒载恒载竖向压力p 恒 = γ1H+γ2δ =146.80kN/m 2恒载水平压力顶板处e P1 = γ1Htan 2(45°-φ/2) =37.07kN/m 2底板处e P2 = γ1(H+h)tan 2(45°-φ/2) =61.79kN/m 22、活载汽车后轮着地宽度0.6m,由《公路桥涵设计通用规范》(JTG D60—2004)第4.3.4条规定,按30°角向一个汽车后轮横向分布宽> 1.3/2 m > 1.8/2 m故车轮压力扩散线相重叠,应按如下计算横向分布宽度a = (0.6/2+Htan30°)×2+1.3 =3.100m同理,纵向,汽车后轮着地长度0.2m0.2/2+Htan30°= 4.257 m > 1.4/2 m故b = (0.2/2+Htan30°)×2 =1.400m ∑G =140kN 车辆荷载垂直压力q 车 = ∑G /(a×b) =32.26kN/m 2车辆荷载水平压力e 车 = q 车tan 2(45°-φ/2) =8.74kN/m 2(三)内力计算1、构件刚度比K = (I 1/I 2)×(h P /L P ) =1.002、节点弯矩和轴向力计算(1)a种荷载作用下 (图L-02)涵洞四角节点弯矩M aA = M aB = M aC = M aD =-1/(K+1)·pL P 2/12横梁内法向力N a1 = N a2 =0侧墙内法向力N a3 = N a4 =pL P /2恒载p = p 恒 =146.80kN/m 2M aA = M aB = M aC = M aD =-118.42kN ·m N a3 = N a4 =322.96kN 车辆荷载p = q 车 =32.26kN/m 20.6/2+Htan30°=4.46 mM aA = M aB = M aC = M aD =-26.02kN·mN a3 = N a4 =70.97kN(2)b种荷载作用下 (图L-03)M bA = M bB = M bC = M bD =-K/(K+1)·ph P2/12N b1 = N b2 =ph P/2N b3 = N b4 =0恒载p = e P1 =37.07kN/m2M bA = M bB = M bC = M bD =-29.90kN·mN b1 = N b2 =81.56kN(3)c种荷载作用下 (图L-04)M cA = M cD =-K(3K+8)/[(K+1)(K+3)]·ph P2/60M cB = M cC =-K(2K+7)/[(K+1)(K+3)]·ph P2/60N c1 =ph P/6+(M cA-M cB)/h PN c2 =ph P/3-(M cA-M cB)/h PN c3 = N c4 =0恒载p = e P2-e P1 =24.71kN/m2M cA = M cD =-10.96kN·mM cB = M cC =-8.97kN·mN c1 =17.67kNN c2 =36.70kN(4)d种荷载作用下 (图L-05)M dA =-[K(K+3)/[6(K2+4K+3)]+(10K+2)/(15K+5)]·ph P2/4M dB =-[K(K+3)/[6(K2+4K+3)]-(5K+3)/(15K+5)]·ph P2/4M dC =-[K(K+3)/[6(K2+4K+3)]+(5K+3)/(15K+5)]·ph P2/4M dD =-[K(K+3)/[6(K2+4K+3)]-(10K+2)/(15K+5)]·ph P2/4N d1 =(M dD-M dC)/h PN d2 =ph P-(M dD-M dC)/h PN d3 = N d4 =-(M dB-M dC)/L P车辆荷载p = e车 =8.74kN/m2M dA =-28.91kN·mM dB =13.40kN·mM dC =-20.45kN·mM dD =21.86kN·mN d1 =9.62kNN d2 =28.85kNN d3 = N d4 =-7.69kN(5)节点弯矩、轴力计算及荷载效应组合汇总表按《公路桥涵设计通用规范》(JTG D60—2004)第4.1.6条进行承载能力极限状态效应组3、构件内力计算(跨中截面内力)(1)顶板 (图L-06)x =L P/2P = p恒+0.7q车 =169.38kNN x = N1 =105.96kNM x = M B+N3x-Px2/2 =231.92kN·mV x = Px-N3 = 5.38kN(2)底板 (图L-07)ω1 =p恒+0.7(q车-3e车H P2/L P2)=151.02kN/m2ω2 =p恒+0.7(q车+3e车H P2/L P2)=187.74kN/m2x =L P/2N x = N2 =138.45kNM x =M A+N3x-ω1·x2/2-x3(ω2-ω1)/6L P=229.93kN·mV x =ω1x+x2(ω2-ω1)/2L P-N3=-14.81kN(3)左侧墙 (图L-08)ω1 =0.7e P1+0.7e车=32.07kN/m2ω2 =0.7e P2+0.7e车49.37kN/m2x =h P/2N x = N3 =367.25kNM x =M B+N1x-ω1·x2/2-x3(ω2-ω1)/6h P=-17.61kN·mV x =ω1x+x2(ω2-ω1)/2h P-N1=-25.89kN(4)右侧墙 (图L-09)ω1 = 0.7e P1 =25.95kN/m2ω2 = 0.7e P2 =43.25kN/m2x =h P/2N x = N4 =367.25kNM x =M C+N1x-ω1·x2/2-x3(ω2-ω1)/6h P=-26.49kN·mV x =ω1x+x2(ω2-ω1)/2h P-N1=-39.35kN(5)短期组合下构件内力汇总表(四)截面设计1、顶板 (B-C)钢筋按左、右对称,用最不利荷载计算。
K18+312.200涵洞地基承载力计算1 概况K18+312.200涵洞采用箱涵结构形式,截面尺寸3-3.5×3.3m ,顶、底板均为0.3m ,腹板厚度为0.28m ,采用C30钢筋混凝土,基础采用0.1mC15混凝土,涵长14.2m 。
箱涵顶部覆土厚度1.032m ,土的内摩擦角取30°,填土容重18kN/m 3。
结构形式如下图:2 荷载计算1)恒载(取单位涵长计算)箱涵重力:P1=4293.12kN/14.2m=302.33kN/m ;基础重力:P2=409.68kN/14.2m=28.85kN/m ;填土重力:P3=2567.88kN/14.2m=180.84kN/m ;水重力:P4=2087.4kN/14.2m=147kN/m ;2)车辆荷载公路涵洞设计应采用车辆荷载。
汽车后轮着地宽度为0.6m ,由《公路桥涵通用设计规范》(JTG D60-2004)第4.3.4条规定,“计算涵洞顶上车辆荷载引起的竖向土压力时,车轮按其着地面积的边缘向下做30°角分布。
”一个后轮横向分布宽度1.32>m 0.6 1.032tan 300.8962+⨯︒=m 1.82<m 故,两列车相邻车轴有荷载重叠,应按如下计算横向分布宽度0.6( 1.032tan 30)2 1.3 3.0922a =+⨯︒⨯+=m 同理,纵向0.2 1.032tan 300.6962+⨯︒=m 1.42<m故0.2(1.032tan 30)2 1.3922b =+⨯︒⨯=m 车辆荷载垂直压力: 214032.527/3.092 1.392q kN m ==⨯ 1.032.52711.62 1.0377.96P qL kN =⨯=⨯⨯=车辆荷载水平压力:223032.527tan (45)10.842/2e kN m ︒=⨯︒-= () 1.010.842(3.90.15) 1.043.91E e h d kN =+⨯=⨯+⨯=弯矩:3.90.15()43.91()88.9222h d M E kN m ++=⨯=⨯=⋅ 3)地基应力(取1m 涵长计算)N=(P1+P2+P3+P4)×1+P= 302.33+28.85+180.84+147+377.96=1036.98kNM=88.92kN.mA=11.62m 2, W=8.206 m 3 基底容许承载力:[]200a f kPa =基底平均应力:1036.9889.24[]20011.62a N p kPa f kPa A ===<= 基底最大应力: max 1036.9888.92100.08[]20011.628.206a N M p kPa f kPa A W =+=+=<= 故基底承载力满足要求。
K18+涵洞地基承载力计算1 概况K18+涵洞采用箱涵结构形式,截面尺寸×,顶、底板均为,腹板厚度为,采用C30钢筋混凝土,基础采用混凝土,涵长。
箱涵顶部覆土厚度,土的内摩擦角取30°,填土容重18kN/m3。
结构形式如下图:2 荷载计算1)恒载(取单位涵长计算)箱涵重力:P1==m;基础重力:P2==m;填土重力:P3==m;水重力:P4==147kN/m;2)车辆荷载公路涵洞设计应采用车辆荷载。
汽车后轮着地宽度为,由《公路桥涵通用设计规范》(JTG D60-2004)第条规定,“计算涵洞顶上车辆荷载引起的竖向土压力时,车轮按其着地面积的边缘向下做30°角分布。
”一个后轮横向分布宽度1.3m20.6 1.032tan 300.8962+⨯︒=m 1.82<m 故,两列车相邻车轴有荷载重叠,应按如下计算横向分布宽度0.6( 1.032tan 30)2 1.3 3.0922a =+⨯︒⨯+=m 同理,纵向0.2 1.032tan 300.6962+⨯︒=m 1.42<m 故0.2(1.032tan 30)2 1.3922b =+⨯︒⨯=m 车辆荷载垂直压力: 214032.527/3.092 1.392q kN m ==⨯ 1.032.52711.62 1.0377.96P qL kN =⨯=⨯⨯=车辆荷载水平压力:223032.527tan (45)10.842/2e kN m ︒=⨯︒-= () 1.010.842(3.90.15) 1.043.91E e h d kN =+⨯=⨯+⨯=弯矩:3.90.15()43.91()88.9222h d M E kN m ++=⨯=⨯=⋅ 3)地基应力(取1m 涵长计算)N=(P1+P2+P3+P4)×1+P= +++147+=M=, W= m 3基底容许承载力:[]200a f kPa =基底平均应力:1036.9889.24[]20011.62a N p kPa f kPa A ===<= 基底最大应力:max1036.9888.92100.08[]20011.628.206aN Mp kPa f kPaA W=+=+=<=故基底承载力满足要求。
K18+312.200涵洞地基承载力计算1 概况K18+312.200涵洞采用箱涵结构形式,截面尺寸3-3.5×3.3m,顶、底板均为0.3m,腹板厚度为0.28m,采用C30钢筋混凝土,基础采用0.1mC15混凝土,涵长14.2m。
箱涵顶部覆土厚度1.032m,土的内摩擦角取30°,填土容重18kN/m3。
结构形式如下图:2 荷载计算1)恒载(取单位涵长计算)箱涵重力:P1=4293.12kN/14.2m=302.33kN/m;基础重力:P2=409.68kN/14.2m=28.85kN/m;填土重力:P3=2567.88kN/14.2m=180.84kN/m;水重力:P4=2087.4kN/14.2m=147kN/m;2)车辆荷载公路涵洞设计应采用车辆荷载。
汽车后轮着地宽度为0.6m,由《公路桥涵通用设计规范》(JTG D60-2004)第4.3.4条规定,“计算涵洞顶上车辆荷载引起的竖向土压力时,车轮按其着地面积的边缘向下做30°角分布。
”一个后轮横向分布宽度mmm故,两列车相邻车轴有荷载重叠,应按如下计算横向分布宽度m同理,纵向mm故m车辆荷载垂直压力:车辆荷载水平压力:弯矩:3)地基应力(取1m涵长计算)N=(P1+P2+P3+P4)×1+P= 302.33+28.85+180.84+147+377.96=1036.98kNM=88.92kN.mA=11.62m2, W=8.206 m3基底容许承载力:基底平均应力:基底最大应力:故基底承载力满足要求。
⾃⼰编制的表格-两孔箱涵(结构、配筋、裂缝、基底应⼒)箱涵结构计算(恒载+活载)钢筋混凝⼟箱涵结构设计⼀、设计资料1、孔径及净空净跨径L0 =9.1m净⾼h0 = 5.4m孔数m=22、设计安全等级⼀级结构重要性系数r0 = 1.13、汽车荷载荷载等级公路 —Ⅰ级4、填⼟情况涵顶填⼟⾼度H = 2.1m⼟的内摩擦⾓Φ =30°填⼟容重γ1 =18kN/m3地基容许承载⼒[σ0] =200kPa5、建筑材料普通钢筋种类HRB400主钢筋直径22mm钢筋抗拉强度设计值f y =360MPa涵⾝混凝⼟强度等级C30涵⾝混凝⼟抗压强度设计值f cd =14.3MPa涵⾝混凝⼟抗拉强度设计值f td = 1.43MPa钢筋混凝⼟重⼒密度γ2 =25kN/m3基础混凝⼟强度等级C20混凝⼟重⼒密度γC =23.5kN/m3⼆、设计计算(⼀)截⾯尺⼨拟定 (见图L-01)顶板厚度δ1 =0.8m底板厚度δ1 =1mC1 =0.4m侧墙厚度t =1mC2 =0.4m中墙厚度t' =0.8m横梁计算跨径L P = L0+(t+t')/2 =10mL = 2L0+2t+t' =21mL1=10m侧墙计算⾼度h P = h0+δ = 6.2mh = h0+(δ1+δ2) =7.2m基础襟边 c =0.1m基础⾼度 d =0.3m基础宽度 B =21.2m⼟压⼒分项系数γ3= 1.1⾃重分项系数γ4= 1.05(⼆)荷载计算1、恒载恒载竖向⼟压⼒q恒⼟ =γ 3 γ1H =41.58kN/m2顶板⾃重q恒⾃ =γ 4 γ2δ1 =21.00kN/m2恒载⽔平压⼒顶板(顶板底⾯)处e P1 =γ 3 γ1(H+δ1)tan2(45°-φ/2) =19.14kN/m2图 L-01底板(底板顶⾯)处e P2 =γ 3γ1(H+h0+δ1)tan2(45°-φ/3) =54.78kN/m22、活载汽车后轮着地宽度0.6x0.2m,后轮分布间距1.4x1.8m,由《公路桥涵设计通⽤规范》(JTG D60—2004)第4.3.4条规定,按30°⾓向下分布。
K18+312.200涵洞地基承载力计算1 概况K18+312.200涵洞采用箱涵结构形式,截面尺寸3-3.5×3.3m,顶、底板均为0.3m,腹板厚度为0.28m,采用C30钢筋混凝土,基础采用0.1mC15混凝土,涵长14.2m。
箱涵顶部覆土厚度1.032m,土的内摩擦角取30°,填土容重18kN/m3。
结构形式如下图:2 荷载计算1)恒载(取单位涵长计算)箱涵重力:P1=4293.12kN/14.2m=302.33kN/m;基础重力:P2=409.68kN/14.2m=28.85kN/m;填土重力:P3=2567.88kN/14.2m=180.84kN/m;水重力:P4=2087.4kN/14.2m=147kN/m;2)车辆荷载公路涵洞设计应采用车辆荷载。
汽车后轮着地宽度为0.6m,由《公路桥涵通用设计规范》(JTG D60-2004)第4.3.4条规定,“计算涵洞顶上车辆荷载引起的竖向土压力时,车轮按其着地面积的边缘向下做30°角分布。
”一个后轮横向分布宽度mmm故,两列车相邻车轴有荷载重叠,应按如下计算横向分布宽度m同理,纵向mm故m车辆荷载垂直压力:车辆荷载水平压力:弯矩:3)地基应力(取1m涵长计算)N=(P1+P2+P3+P4)×1+P= 302.33+28.85+180.84+147+377.96=1036.98kNM=88.92kN.mA=11.62m2, W=8.206 m3基底容许承载力:基底平均应力:基底最大应力:故基底承载力满足要求。
公路桥涵设计计算书一,设计资料公路上箱涵,净跨径L 0为2.5m ,净高h 0为3.0m ,箱涵顶平均为2.0m 夯填砂砾石,顶为300mm 沥青混凝土路面铺装层,两侧边为砂砾石夯填,土的内摩擦角ϕ为40o ,砂砾石密度γ=23KN/m 3,箱涵选用C25混凝土和HRB335钢筋。
本设计安全等级为二级,荷载为公路-Ⅱ级。
二 设计计算 (一)截面尺寸 顶板、底板厚度 δ=40cm(C1=30cm) 侧墙厚度 t=40cm(C2=30cm) 故横梁计算跨径L p =L 0+t=2.5+0.4=2.9m 侧墙计算高度hp=h0+δ=3.0+0.4=3.4m (二) 荷载计算 1.恒载 恒载竖向压力221/0.56m KN H P =+=δγγ恒载水平压力 顶板处200211/00.1024045tan m KN H e p =⎪⎪⎭⎫ ⎝⎛-=γ 底板处200212/01.2934045tan )(m KN h H e p =⎪⎪⎭⎫ ⎝⎛-+=γ 2.活载汽车后轮地宽度0.6m ,公路-Ⅱ级车辆荷载由《公路桥涵设计通用规范》(JTG D60-2004)第4.3.4条计算一个汽车后轮横向分布宽,按30。
角向下分布。
m m H 23.145.0130tan 26.00〉=+ m m H 28.145.0130tan 26.00〉=+ 故,横向分布宽度为029.43.1230tan 1.026.00=+⨯⎪⎭⎫⎝⎛+=a m 同理,纵向,汽车后轮招地长度0.2m :m H o 24.1255.130tan 22.0〉=+ 故,m H b 509.2230tan 22.00=⨯⎪⎭⎫⎝⎛⨯= ∑G=140KN 车辆荷载垂直压力2m /25.13509.2029.4140KN b a G q =⨯=⨯∑=车 车辆荷载水平压力2002m /2.8820445tan KN q e =⎪⎪⎭⎫ ⎝⎛-⨯=车车 (三)内力计算 1.构件刚度比1.17121=⨯=PL h I I K 2.节点弯矩和轴向力计算 (1)a 种荷载作用下(图1)涵洞四角节点弯矩:()12112P aDaC aB aA l P K M M M M ⋅+-==== =-18.07KN .m横梁内法向力021==a a N N ,侧墙内法向力()243Pa a l P N N ===81.2KN 车辆荷载(车q p ==13.25KN/m 2)()m KN l P K M M M M P aDaC aB ⋅-=⋅+-====28.412112aA()N l P N N Pa a 22.19243===(2)b 种荷载作用下(图2)2m KN Ph K KM M M M p bDbC bB bA ⋅-=⋅+-====2.51212KN Ph N N p b b 00.17221===,043==b b N N恒载(P=ep1=10.00kN/m 2) (3)c 种荷载作用下3()()()m KN Ph K K K K M M p cDcA ⋅-=⋅+++==45.56031832()()()m KN Ph K K K K M M p cCcB ⋅-=⋅+++==43.46031722p cBcA p c h M M Ph N -+=61=10.47KN pcBcA p c h M M Ph N -+=32=21.84KN 043==c c N N恒载(KN e e P p p 01.191001.2912=-=-=) (4)d 种荷载作用下()()m KN Ph K K K K K K M p dA⋅-=⋅⎥⎦⎤⎢⎣⎡++++++-=81.54515210346322=()()m KN Ph K K K K K K M p dB⋅=⋅⎥⎦⎤⎢⎣⎡++-+++-=52.2451535346322()()m KN Ph K K K K K K M pdC⋅-=⋅⎥⎦⎤⎢⎣⎡++++++-=02.4451535346322()()m KN Ph K K K K K K M p dA⋅=⋅⎥⎦⎤⎢⎣⎡++-+++-=31.44515210346322KN h M M N pdCdD d 54.21=-=KN h M M ph N pdCdD p d 35.72=--=KN L M M N N PdCdB d d 25.243-=--=-=车辆荷载()2/88.2m KN e p ==车 (5)节点弯矩和轴力计算汇总表按《公路桥涵设计通用规范》(JTG D60——2004)第4.1.6条进行承载力极限状态效应组合节点弯矩和轴力计算汇总表3.构件内力计算(跨中截面内力) (1)顶板(图a )x=2p lKN q p p 76.854.12.1=⨯+⨯=车恒N x =N 1=41.89KNM x = M B +N 3x-P 22x =47.96KN ·mV x =P ·x-N 3=3.16KN (2)底板[图b]ω1=1.2p 恒+1.4(q 车-23PL e 车2p h )=69.12KN/m 2 ω2=1.2p 恒+1.4(q 车+23PL e 车2p h )=102.39KN/m 2 x=2p lN x =N 3=121.19KNM x = M A +N 3x-ω122x -pL x 63(ω2-ω1)=45.52KN ·mV x =ω1x +p L x 22(ω2-ω1)-N 3=-8.91KN(3)左侧墙[图c]图cω1=1.4e 1p +1.4e 车=18.04KN/m 2 ω2=1.4(e 2p +e 车)=44.64KN/m 2 x=2p hN x =N 3=121.19KNM x = M B +N 1x-ω122x -ph x 63(ω2-ω1)=1.12KN·mV x =ω1x +ph x 22(ω2-ω1)-N 1=0.08KNω1=1.4e 1p =14.00 KN·m ω2=1.4e 2p =40.61 KN·m (3)右侧墙[图d]x=2p hω1=1.4e 1p =14.00ω2=e 2p =40.61 N x =N 4=127.50KNM x = M C +N 1x-ω122x -ph x 63(ω2-ω1)=-2.2KN·mV x =ω1x +p h x 22(ω2-ω1)-N 1=-6.87KN(5)构件内力汇总表(四)截面设计 1,顶板(B-C)钢筋按左右对称,用最不利荷载计算 (1)跨中kN Vd KN Nd m KN Md m b m h m a m h m l 16.3,89.41,96.471,37.0,03.0,4.0,9.200==⋅======m N M e dd145.10==115.0124.01222===bh i m长细比5.1711.25115.09.20>==i l由《公路钢筋混凝土及预应力混凝土桥涵设计规范》(JTG D62-2004)第5.3.10条。
L p 图1-1一、设计资料(一)概况:***道路工程经过水库溢洪道处设置箱涵,箱涵净跨L 0=8.0米,净高h 0=10.5米,路基红线范围内长49米,箱涵顶最大填土厚度H=3.6米,填土的内摩擦角φ为24°,土体密度γ1=20.2KN/m 3,设箱涵采用C25混凝土(f cd =11.5MPa )和HRB335钢筋(f sd =280MPa)。
桥涵设计荷载为城-A 级,用车辆荷载加载验算。
结构安全等级二级,结构重要性系数γ0=1.0。
地基为泥质粉砂岩,[σ0]=380kPa ,本计算书主要内容为结构设计与地基应力验算。
(二)依据及规范 1、《城市桥梁设计荷载标准》(CJJ77-98) 2、《公路桥涵设计通用规范》(JTG D60-2004) 3、《公路钢筋混凝土及预应力混凝土桥涵设计规范》(JTG D62-2004) 4、《公路桥涵地基与基础设计规范》(JTGD63-2007)二、设计计算(一)截面尺寸拟定(见图1-1) 箱涵过流断面尺寸由水利部门提供,拟定顶板、底板厚度δ=100cm (C 1=50cm ) 侧墙厚度 t =100cm (C 2=50cm )故 L P =L 0+t=8+1=9mh p =h 0+δ=10.5+1=11.5m (二)荷载计算1、恒载恒载竖向压力P =γ1H+γ2δ=20.2×3.6+25×1=97.72kN/m 2恒载水平压力顶板处: e p1=γ1Htan 2(45o -φ/2)=20.2×3.6×tan 2(45o -24o /2)=30.67 kN/m 2底板处:e p2=γ1(H +h )tan 2(45o -φ/2)=20.2×(3.6+12.5)×tan 2(45o -24o /2) =137.15kN/m 2 2、活载城-A 级车辆荷载轴重按《城市桥梁设计荷载标准》4.1.3条确定,参照《公 路桥涵设计通用规范》第4.3.4条2款,计算涵洞顶车辆荷载引起的竖向土压力,车轮扩散角30o 。
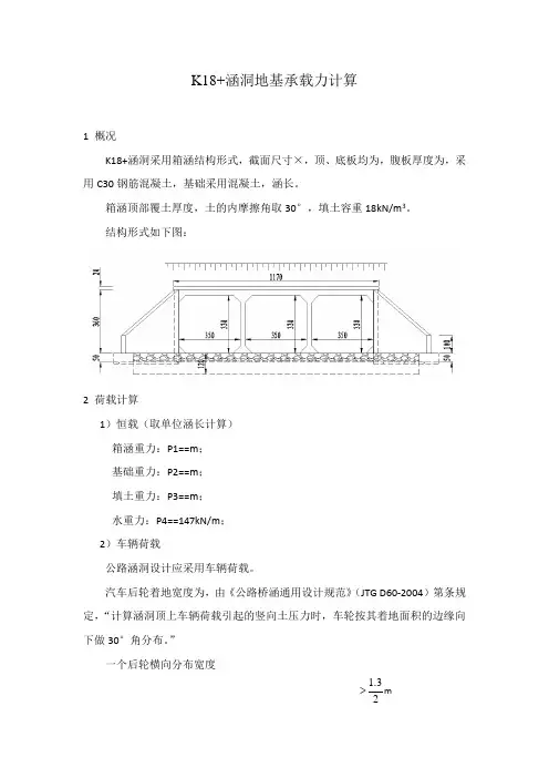
K18+312.200涵洞地基承载力计算
1 概况
K18+312.200涵洞采用箱涵结构形式,截面尺寸3-3.5×3.3m ,顶、底板均为0.3m ,腹板厚度为0.28m ,采用C30钢筋混凝土,基础采用0.1mC15混凝土,涵长14.2m 。
箱涵顶部覆土厚度1.032m ,土的内摩擦角取30°,填土容重18kN/m 3。
结构形式如下图:
2 荷载计算
1)恒载(取单位涵长计算)
箱涵重力:P1=4293.12kN/14.2m=302.33kN/m ;
基础重力:P2=409.68kN/14.2m=28.85kN/m ;
填土重力:P3=2567.88kN/14.2m=180.84kN/m ;
水重力:P4=2087.4kN/14.2m=147kN/m ;
2)车辆荷载
公路涵洞设计应采用车辆荷载。
汽车后轮着地宽度为0.6m ,由《公路桥涵通用设计规范》(JTG D60-2004)第4.3.4条规定,“计算涵洞顶上车辆荷载引起的竖向土压力时,车轮按其着地面积的边缘向下做30°角分布。
”
一个后轮横向分布宽度
1.32
>m 0.6 1.032tan 300.8962
+⨯︒=m 1.82
<m 故,两列车相邻车轴有荷载重叠,应按如下计算横向分布宽度
0.6( 1.032tan 30)2 1.3 3.0922
a =+⨯︒⨯+=m 同理,纵向
0.2 1.032tan 300.6962+⨯︒=m 1.42
<m
故
0.2(
1.032tan 30)2 1.3922
b =+⨯︒⨯=m 车辆荷载垂直压力: 214032.527/3.092 1.392q kN m =
=⨯ 1.032.52711.62 1.0377.96P qL kN =⨯=⨯⨯=
车辆荷载水平压力:
223032.527tan (45)10.842/2
e kN m ︒=⨯︒-= () 1.010.842(3.90.15) 1.043.91E e h d kN =+⨯=⨯+⨯=
弯矩:
3.90.15(
)43.91()88.9222
h d M E kN m ++=⨯=⨯=⋅ 3)地基应力(取1m 涵长计算)
N=(P1+P2+P3+P4)×1+P
= 302.33+28.85+180.84+147+377.96=1036.98kN
M=88.92kN.m
A=11.62m 2, W=8.206 m 3 基底容许承载力:[]200a f kPa =
基底平均应力:
1036.9889.24[]20011.62
a N p kPa f kPa A =
==<= 基底最大应力: max 1036.9888.92100.08[]20011.628.206
a N M p kPa f kPa A W =
+=+=<= 故基底承载力满足要求。
(注:文档可能无法思考全面,请浏览后下载,供参考。
可复制、编制,期待你的好评与关注)。