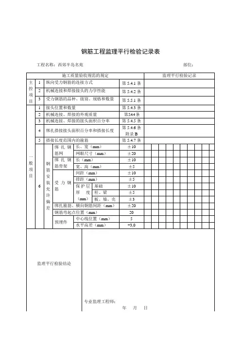
钢筋安装监理平行检查记录表
- 格式:doc
- 大小:38.00 KB
- 文档页数:1
监理平行检查记录表格模板XXX开挖、回填工程监理平行检验记录表单位(子单位):XXX工程名称:XXX项目监理平行检验部位:桩基、基坑、基槽、管沟、地面基层施工单位自检及报验情况:施工单位于年月日完成了“自检、交接检、专检”,并自检合格。
项目监理部于年月日时收到其报验资料,经审查合格,于月日到现场进行平行检验。
现行施工质量验收规范的规定:允许偏差或允许值(mm):桩基:人工±30,机械±50基坑:±50基槽:-50管沟:-50地面基层:+200/-50监理平行检验记录:监理单位:XXX主控项目:标高、XXX开挖、回填实测值(mm):1.标高:合格2.XXX开挖:挖方场:±30地平整:±503.回填:基底土性:-50分层压实系数:设计要求土料目:设计要求分层厚度及含水量:设计要求表面平整度:-50监理平行检验结论:监理员/专业监理工程师:签字日期:年月日注:“允许偏差”栏中有数据规定的填写实测值,其余可用“√”表示合格;“×”表示不合格。
地下、屋面卷材防水层监理平行检验记录表单位(子单位):XXX工程名称:宝应县海棠苑小区(高铁安置区)#楼监理平行检验部位:卷材防水层及其转角处、变形缝、穿墙管道、屋面的天沟、檐沟、檐口、水落口、泛水和伸出屋面管道的防水构造施工单位自检及报验情况:施工单位于年月日完成了“自检、交接检、专检”,并自检合格。
项目监理部于年月日时收到其报验资料,经审查合格,于月日到现场进行平行检验。
现行施工质量验收规范的规定:1.卷材防水层所用卷材及配套材料质量必须符合设计要求。
2.卷材防水层不得有渗漏或积水现象。
3.卷材防水层及其转角处、变形缝、穿墙管道、屋面的天沟、檐沟、檐口、水落口、泛水和伸出屋面管道的防水构造,必须符合设计要求。
4.卷材防水层的基层应牢固,基面应洁净、平整,不得有空鼓、松动、起砂和脱破现象;基层阴阳角处应做圆弧形。
表1.2 钢筋进场外观检查(监理平行检验)记录
说明
1、施工单位的专职质检员、材料员与监理机构的监理工程师、监理员一起进行检验。
2、直径偏差允许值:交货为A级不小于0.3mm,交货为B级不小于0.4mm;偏差超过允许值的应退货或降级使用。
3、外观质量:钢筋应平直、无损伤,钢筋表面不得有裂纹、起皮、油污、颗粒状或片状老锈等,并在相应栏内填“有”或“无”,平直栏直接填“平直”或“弯曲”。
4、产品标牌上的标识炉批号应与质量保证书上一致,并做好记录。
当不一致时,应查明材料来源,否则应退货。
5、当钢筋表面存在裂纹、起皮应退货;若存在损伤、不平直应剔出退货;存在油污应清理干净;存在颗粒状或片状老锈应除尽,若影响截面尺寸,应降级处理。
6、外观检查合格后,应及时见证取样送有资质的检测机构进行复试,复试合格后方可使用。
001
是 否处理记录:
填报说明:项目监理机构根据工程监理规划及细则,对工程关键控制点及隐蔽工程进行检查时填写此表。
在施工单位自检合格的基础上,项目监理机构对2016年3月17日进场的钢筋原材料质量保证资料及外观质量进行了平行检验,
检验结果如下:
1.厂家为:××钢厂
2.牌号规格数量分别为:HPB300中φ6:16.32吨;HPB3008:12.21吨;HRB400φ8:12.52吨;HRB400φ10:22吨;HRB400中12 :8.32吨;HRB400φ12:8.25吨;HRB400中14:5.35吨;HRB400E中18:12.75吨;HRB400Eφ20:18.75吨;HRB400Eφ22:22.32吨;
HRB400Eφ25:33.21吨。
3.质量保证资料11份。
4.钢筋表面无裂纹、结疤、折叠、锈蚀和油污。
5.钢筋直径检验结果:经量测每件钢筋抽查3处,符合规范允许偏差要求。
6.钢筋重量检验结果:经抽查HRB400中12、HRB400E中18、HRB400E中22:22.32吨、HRB400Eφ25各五根试件符合GB50204检查记
录:
检查结论:
经检查符合设计和验收规范要求
检查部位
检查人员
检查依据:工程名称
XXX项目检查地点检查时间
年 月 日检查方法平行检查记录
GD-B1-214 工程名
称:XXX项目编号:。
土方开挖分项工程平行(píngxíng)检验记录
土方(tǔfāng)回填分项工程平行检验记录
模板分项工程(现浇结构(jiégòu)模板安装)检验批质量平行检验记录
模板分项工程(模板拆除(chāichú))检验批质量
平行检验记录
钢筋分项工程(原材料、钢筋加工)检验批质量(zhìliàng)平行检验记录
混凝土分项工程(gōngchéng)(原材料配合比设计)检验批质量
平行(píngxíng)检验记录
混凝土分项工程(混凝土施工)检验批质量(zhìli
àng)平行检验记录
现浇结构分项工程(结构施工)检验批质量(zhìli
àng)平行检验记录
砖砌体分项工程检验批质量平行(píngxíng)检验记录
水泥砂浆防水层分项工程检验(jiǎnyàn)批质量平
填充墙砌体分项工程(gōngchéng)检验批质量平行检验(jiǎnyàn)记录
内容总结。
平行检验记录表
单位工程名称:
编号
工序名称及部位:模板安装工序报验单编号:
工序名称及部位:钢筋原材料加工工序报验单编号
工序名称及部位:钢筋连接安装工序报验单编号:
工序名称及部位:砼原材料工序报验单编号:
单位工程名称:编号
工序名称及部位:砼施工工序报验单编号:
工序名称及部位:现浇结构工序报验单编号:________
工序名称及部位:防水砼工序报验单编号:
工序名称及部位:卷材防水工序报验单编号:-
工序名称及部位:防水砼细部构造工序报验单编号:
建筑物垂直度、标高、全高测量记录表
建筑物沉降观测检查记录表
时间:
混凝土质量缺陷处理检查记录表
单位工程名称:编号: 质量缺陷处理部位:
单位工程名称:编号
工序名称及部位:填充墙砌体部位工序报验单编号:-
平行检验记录表
平行检验记录表
单位工程名称:编号
工序名称及部位:内墙抹灰工序报验单编号:-
平行检验记录表
单位工程名称:滁州市城东花园二期安置工程编号
工序名称及部位:内墙抹灰、地坪、空鼓工序报验单编号:_。
监理单位平行检验记录表平行检验是项目监理机构在施工单位自检的同时,按有关规定和建设工程监理合同约定对同一检验项目进行的检测试验活动。
(一)平行检验的要求1.住宅工程和重点工程的结构混凝土强度应进行抽样检验;可由项目监理机构采用回弹法对混凝土强度进行检验,每个混凝土强度等级、每楼层至少检验一次,也可委托具有资质的检测机构按照相关标准规定的方法进行检测。
填写《 混凝土强度回弹平行检验记录》、《 混凝土强度回弹平行检验记录》见表1。
2.承重结构的钢筋机械连接,应对螺纹接头拧紧力矩进行抽样检验,每楼层每种规格的钢筋至少检验5个接头,应均匀分布。
填写 钢筋螺纹接头平行检验记录》、 钢筋螺纹接头平行检验记录》见表2。
3.承重结构的钢筋焊接连接,应对焊缝的尺寸外观质量等项目进行抽样检验,每楼层至少检验5处。
填写 钢筋焊接接头平行检验记录》、 钢筋焊接接头平行检验记录》见表3.4.采用砌体结构的住宅工程,应对承重墙体(柱)的砂浆饱满度进行抽样检验,每楼层至少检验三处,每处三个砌体,取平均值。
填写 承重砌体砂浆饱满度平行检验记录》, 承重砌体砂浆饱满度平行检验记录》见表4。
(二)平行检验监理方案平行检验是项目监理机构在施工单位自检的同时,按有关规定和建设工程监理合同约定对同一检验项目进行的检测试验活动。
1.平行检验监理方案编制的原则(1)根据本工程特点、专业要求及行业主管部门的相关规定确定平行检验项目,使其具有针对性。
(2)按照建设工程监理合同的约定,写明工程材料、构配件、设备等平行检验的项目数量、频率,使其具有可操作性。
(3)应明确平行检验工作要求和监理人员的职责,平行检验不代替施工单位的质量检验。
(4)对于平行检验中发现有不合格的,项目监理机构应要求施工单位对平行检验所涉及范围的项目进行100%检查。
(5)由总监理工程师组织专业监理工程师编制,由总监理工程师审核批准。
(6)平行检验监理实施细则的编写时限、编审程序、签章要求、数量要求、调整要求及基本格式应符合监理实施细则的要求。
工程名称:编号:A—检验的工程部位及检验的内容商品砼承包单位日期、天气检验手段目测、塌落度桶承包单位自检情况自检合格检查的具体项目及具体数据记录:1、各种相关资料齐全,且检测合格,检测报告编号为:配合比通知单编号:水泥检验报告编号:2、控制砼运输、浇筑及间歇的全部时间不得超过砼的初凝时间。
3、现场检查使用的商品砼符合规范和设计要求。
4、本工程考虑到施工过程中砼振捣的难度,采取了140±40mm塌落度,经现场检查符合要求。
检查发现的问题及处理结果:检查结论:经验收认定(合格/不合格)平行检验人员(签名):日期:1、“平行检验”分为“材料类、测量类、隐蔽类、实体质量类”等。
2、表中“()”内为留空时则由监理人员根据平行检验活动情况据实填写。
“()”内有不同选项时,监理人员应根据平行检验活动情况据实以打“√”选用。
工程名称:编号:A—检验的工程部位及检验的内容屋面瓦工程检验批验收承包单位日期、天气检验手段目测承包单位自检情况自检合格检查的具体项目及具体数据记录:1、平瓦及脊瓦的质量符合设计要求,质保资料齐全,已送检测中心检测合格。
2、挂瓦条(是/不是)分档均匀,铺钉平整、牢固,瓦面平整,行列整齐,搭接紧密。
3、脊瓦搭盖(是/不是)正确,间距均匀,封固严密。
4、泛水做法(是/不是)符合设计要求,顺直整齐,结合严密,无渗漏。
检查发现的问题及处理结果:检查结论:经验收认定(合格/不合格)平行检验人员(签名):日期:1、“平行检验”分为“材料类、测量类、隐蔽类、实体质量类”等。
2、表中“()”内为留空时则由监理人员根据平行检验活动情况据实填写。
“()”内有不同选项时,监理人员应根据平行检验活动情况据实以打“√”选用。
工程名称:编号:B-检验的工程部位及检验的内容定位放线验收承包单位日期、天气检验手段水准仪承包单位自检情况自检合格检查的具体项目及具体数据记录:1、经现场复核水准点的引测符合设计及规范要求,具体偏差为:2、定位轴线尺寸符合设计要求,具体偏差为:检查发现的问题及处理结果:检查结论:经验收认定(合格/不合格)平行检验人员(签名):日期:1、“平行检验”分为“材料类、测量类、隐蔽类、实体质量类”等。