药用级羧甲纤维素钠cas9004
- 格式:docx
- 大小:13.25 KB
- 文档页数:2
项目特高粘度高粘度中粘度外观白色或微黄色纤维状粉末粘度(2%水溶液,mpa·s)1200 800~1200 300~800 钠含量(Na,%) 6.5~8.5 6.5~8.5 6.5~8.5 PH值 6.0~8.5 6.0~8.5 6.0~8.5 干燥减量(%)≤10.0 10.0 10.0 氯化物(以CI计,%)≤ 1.8 1.8 1.8 重金属(以Pb计,%)≤0.002 0.002 0.002 铁(Fe,%)≤0.03 0.03 0.03砷(As,%)≤0.0002 0.0002 0.0002CMC可用于配制水溶性胶粘剂,粘接纸张,织物等。
也可用作水溶性胶粘剂的增稠剂。
贮存于阴凉、干燥的库房内,防潮、防热。
二、相关新闻:【1】羧甲基纤维素钠黏度标准尚需完善药用辅料是生产药物制剂的必备材料,近年我国制药工业的发展速度较快,国家对药品质量的标准与要求也在不断提高与完善,药用辅料在药品生产及剂型开发中的重要性正越来越多地被人们所认识。
目前市场上常用的药用辅料品种较多,主要包括羟丙纤维素、羟丙甲纤维素、微晶纤维素、羧甲基纤维素钠、羧甲淀粉钠、各种型号的树脂以及包衣粉等,这些药用辅料作为崩解剂、粘合剂及包衣材料被广泛地应用于药生产的各个方面。
随着药品生产企业对新药品剂型开发重视度的提高,他们对药用辅料的质量要求也越来越严格。
但就现有的国家药品标准来看,有关质量标准的规定还很不完善,从而极大地制约了药品质量的提高及新品种的研发。
以安徽淮南山河药用辅料有限公司生产的羧甲基纤维素钠为例,技术人员通过对该种药用辅料黏度规定的研究与分析,发现现有质量标准规定存在不完善之处,主要表现在如下三个方面。
一、黏度计的使用型号及转子转速未作规定。
国内目前应用最多的旋转式黏度计主要有NDJ-1型及NDJ-7型两种,但这两种型号黏度计测得的数据相差太大。
以下是我们在阎ざ缺曜家旱那榭鱿虏獾玫?br>三种不同黏度羧甲基纤维素钠的具体数据。
羧甲基纤维素钠参数
羧甲基纤维素钠(CMC)是一种重要的纤维素衍生物,广泛用于食品、医药、石油、纺织、造纸、建材等各个领域。
以下是羧甲基纤维素钠的一些重要参数:
1.化学结构:羧甲基纤维素钠是通过在纤维素的羟基上引入羧甲基基团而形成的。
2.分子量:羧甲基纤维素钠的分子量通常在数十万至数百万道尔顿之间。
3.溶解性:羧甲基纤维素钠能溶于水,形成粘稠的溶液。
其溶解度随温度的升高而增大。
4.粘度:羧甲基纤维素钠溶液具有较高的粘度,随着浓度增加,粘度也会显著增加。
5.稳定性:羧甲基纤维素钠在一般储存条件下稳定,但在高温和酸碱环境下可能会发生分解。
6.用途:羧甲基纤维素钠广泛应用于食品、医药、石油、纺织、造纸、建材等领域。
在食品工业中,它被用作增稠剂、稳定剂、乳化剂等。
7.安全性:羧甲基纤维素钠通常认为是安全的,但过量使用可能会引起胃肠道不适。
8.来源:羧甲基纤维素钠主要来自木质纤维素,包括棉花、麻和木材等。
9.制备方法:羧甲基纤维素钠可以通过化学方法制备,通常是在
酸性条件下,以氯乙酸为羧化剂,与纤维素进行醚化反应制备。
10.物理性质:羧甲基纤维素钠具有吸湿性,能在空气中吸收水分。
它的颜色通常是白色或淡黄色,且具有吸湿性。
11.化学性质:羧甲基纤维素钠具有弱酸性,能在水溶液中电离出H+离子。
此外,它具有较高的热稳定性,可以在高温下使用。
12.用量:羧甲基纤维素钠的用量因应用领域和产品类型而异,一般用量在0.1%-1%之间。
药用级交联羧甲纤维素钠的制备与用途交联羧甲基纤维素钠为无味,白色或灰白色粉末。
在片剂、胶囊剂和颗粒剂中用作崩解剂,通常被视为基本无毒、无刺激性的辅料。
在片剂中常用量0.5%~5.0%。
一、交联羧甲基纤维素钠基本信息1.性状:无色、白色或灰白色粉末 [1]2.黏合指数:0.04563.脆碎指数:0.10004.松密度:0.529 g/cm3(Ac—Di—Sol) [1]5.休止角:44°6.溶解度:不溶于水,但与水接触后体积快速膨胀至原体积的4—8倍,在无水乙醇、丙酮或甲苯中不溶7.比表面积:0.81—0.83 m2/g8.稳定性:性质稳定,但有吸湿性。
二、药用级交联羧甲基纤维素钠辨别1.取本品1g,加0.0004%亚甲蓝溶液100ml,搅拌,放置,生成蓝色沉淀。
2.取本品1g,加水50ml,混匀,取1ml置试管中,加水1ml与α—萘酚甲醇溶液(取α—萘酚1g,加无水甲醇25ml,搅拌溶解,即得,临用新制)5滴,沿倾斜的试管壁,缓缓加硫酸2ml,在液面交界处显紫红色。
3.取辨别(2)项下的溶液,显钠盐的火焰反应(通则0301)。
三、交联羧甲基纤维素钠的制法本品为交联的、部分羧甲基化的纤维素钠盐,或者说羧甲基纤维素钠的交联聚合物。
将来源于木浆或棉纤维的纤维素在氢氧化钠溶液中浸渍,然后将碱化纤维素于一Lv醋酸钠反应的羧甲基纤维素钠。
取代反应完成,氢氧化钠耗尽后,过量的一lv醋酸钠缓慢水解为羟基乙酸。
羟基乙酸将部分羧甲基钠基团转化为游离酸,并催化交联生产交联羧甲基纤维素钠。
然后用醇水提取交联羧甲基纤维素钠,除去残留的氯化钠和羟基乙酸钠。
纯化后的交联羧甲基纤维素钠纯度大于99.5%。
可将其磨碎,降低聚合物纤维的长度,从而改善流动性。
四、交联羧甲基纤维素钠的用途交联羧甲基纤维素钠在口服制剂中用作片剂、胶囊和颗粒剂的崩解剂,依靠毛细管和溶胀作用起到崩解的效果,本品特点是可压性好,崩解力强。
在片剂生产工艺中,本品适合直接压片工艺和湿法制粒压片工艺,湿法制粒工艺中,交联羧甲基纤维素钠可在润湿阶段加入或干燥阶段加入(颗粒内加和颗粒外加),但外加比内加效果好,有讨论表明,交联羧甲基纤维素钠在水中溶胀低取代羧甲基纤维素钠水合微晶纤维素等常见崩解剂;本品不管内加还是外加,片剂的脆度不受影响,用它制得的片剂崩解时限和释放效果不会经时而变。
二、添加剂的通用名称、功能分类、使用量及使用范围通用名称羧甲基纤维素钠(sodium carboxy methyl cellulos,CMC1),化学名称为纤维素羧甲基醚钠盐,又称羧甲基纤维素或纤维素羧甲醚,CAS号:9004-32-4,是一种弱吸湿性、无嗅无味的白色、淡黄色、浅灰色颗粒或纤维状粉末,常用作食品添加剂。
分子式:[C6H7O2(OH)x(0CH2COONa)y]n,其结构式如下: R=H或CH2COONa其中:n表示聚合度x=1.50—2.80y=0.2—1.50x+y=3.0注:y=取代度,只有取代度介于0.6和1.0之间的羧甲基纤维素钠完全可溶。
功能分类羧甲基纤维素钠作为稳定剂已经被列入GB 2760-2014《食品安全国家标准食品添加剂使用标准》中,CNS号:20.003,INS号:466。
本申请的目的是扩大羧甲基纤维素钠的使用范围,并允许作为稳定剂以0.2g/L的最大含量应用于15.03.01类葡萄酒。
羧甲基纤维素钠作为添加剂通常大量用作脂肪含量低于20%的原味新鲜发酵奶油制品和替代制品的增稠剂。
其法定用途为商品填充剂、固化剂和稳定剂,允许适量使用。
其也可作为包括婴幼儿保健食品添加剂。
1羧甲基纤维素(CMC)是由天然纤维素经过化学改性而得到的具有醚结构的一种纤维素衍生物。
因其不溶于水,所以常用的是其钠盐,即羧甲基纤维素钠(CMC-Na),习惯上仍简称CMC。
使用范围可以在葡萄酒中加入少量羧甲基纤维素钠来预防酒石酸沉淀。
羧甲基纤维素钠(CMC)是一种来自于天然纤维素的聚合物,多年以来该种天然纤维素常用作冰淇淋和预烹调食品等产品中的食品添加剂,目的是增加食品的光滑度。
国际葡萄与葡萄酒组织(OIV)在Oeno 2/2008号决议中批准在白葡萄酒和起泡葡萄酒中使用羧甲基纤维素钠以促进其酒石酸稳定性,条件是加入葡萄酒的量应小于100mg/L(详见附件1)。
使用量为了将g/L转换为第10条要求的g/kg,因无单一“候选答案”,所以需要测定特定葡萄酒的比重。
附件:交联羧甲纤维素钠Jiaolian Suojia XianweisunaCroscarmellose Sodium本品为交联的、部分羧甲化的纤维素钠盐。
【性状】本品为白色或类白色粉末,有引湿性。
【鉴(2)( 取 α- (3) 每次 0.5g 放置 4 酸度7.0。
((式中 M 为中和 1g 供试品(按干燥品计)所需氢氧化钠的毫摩尔数;C 为供试品在炽灼残渣项下得到的炽灼残渣百分数。
照下式计算羧甲基钠取代度 S :按干燥品计算,羧甲基酸与羧甲基钠的取代度(A+S )应为 0.60~0.85。
氯化钠与乙醇酸钠 氯化钠 取本品约 5.0g ,精密称定,置250ml 烧杯中,加水 50ml 和30%过氧化氢溶液5ml ,置水浴上加热20 分钟并不断搅拌。
放冷,加水100ml 与硝酸10ml ,在不断搅拌条件下,用硝酸银滴定液(0.05mol/L)滴定,银电极电位法指示滴定终点。
每1ml 硝酸银滴定液(0.05mol/L)相当于2.922mg 的NaCl。
乙醇酸钠避光操作。
取本品约0.5g,精密称定,置100ml 烧杯中,加冰醋酸与水各5ml,搅拌15 分钟。
相继缓慢加入丙酮50ml 和氯化钠1g 后,搅拌数分钟;滤过,并用丙酮完全定量转移至100ml 量瓶中,用丙酮稀释至刻度,摇匀,作为供试品溶液;另取室温减压干燥12 小时的乙醇酸约0.1g,精密称定,置100ml 量瓶中,加水溶解并稀释至刻度,摇匀,分别精密量取上述溶液1.0ml、2.0ml、3.0ml 与4.0ml,置100ml 量瓶中,分别加水至5ml,加冰醋酸5ml,用丙酮稀释至刻度,作为系列浓度的对照品溶液。
取供试品溶液与上述对照品溶液各2.0ml,分别置25ml 量瓶中,置水浴中加热20 分钟,挥去丙酮,取出,冷却后加入2,7-二羟基萘溶液(取2,7-二羟基萘10mg,加硫酸100ml 溶解后,放置至溶液的颜色褪去,2 天内使用)5.0ml,混匀后,再加入2,7-二羟基萘溶液15.0ml,混匀。
药用级羟丙甲纤维素cas9004药用级羟丙甲纤维素cas9004-65-3用途它是非离子型纤维素混合醚中的一个重要品种。
无臭、无味、无毒,其成品呈白色粉末状或疏松纤维状,粒度通过80目筛。
它与重金属不起反应。
成品中甲氧基含量和羟丙基含量的比例不同,黏度不同,就成为性能各异的品种。
HPMC实际上是一种经环氧甲烷(甲基氧丙环)改性的甲基纤维素,因此它具有甲基纤维素类似的冷水中能溶、热水中不溶的特性,在有机溶剂中的溶解性优于水溶性,它能溶于无水甲醇和乙醇,也能溶于氯化烃类如二氯甲烷、三氯乙烷以及丙酮、异丙醇、双丙酮醇等有机溶剂中。
溶解性能:溶于水及部分溶剂,如适当比例的乙醇/水、丙醇/水等。
水溶液具有表面活性。
透亮性高,性能稳定,不同规格的产品凝胶温度不同,溶解度随粘度而变化,粘度愈低,溶解度愈大,不同规格HPMC其性能有肯定差异,HPMC在水中的溶解不受pH值影响。
1、全部型号均可以采纳干混法加入到物料中。
2、需要直接要加入到常温水溶液中时,最好采纳冷水分散型,加入后一般在10-90分钟才能增稠。
3、一般型号先用热水搅拌分散后,加入冷水搅拌冷却后即可溶解。
4、溶解时如发生结块包裹现象,是由于搅拌不充分或一般型号直接加入到冷水中的缘由,此时应快速搅拌。
5、溶解时假如产生气泡,可以静置2-12小时(详细时间由溶液稠度打算)或抽真空、加压等方法去除,也可以加入适量的消泡剂。
鉴别取本品l g ,加热水(80〜9 0°C) l0 0 m l,搅拌形成浆状物,在冰浴中冷却,成黏性液体;取2m l置试管中,沿管壁缓缓加0.035%蒽酮的硫酸溶液lm l,放置5 分钟,在两液接界面处显蓝绿色环。
取鉴别(1 )项下的黏性液体适量,倾注在玻璃板上,俟水分蒸发后,形成一层有韧性的薄膜。
取本品0 . 5 g ,均勻分散于50ml沸水中,用电磁搅拌,形成不溶的浆状物;电磁搅拌下使浆状物冷却至1CTC,形成澄清或稍微浑浊的溶液,加水50ml,电磁搅拌并同时加热,以每分钟2〜5X:的速度升温,产生浑浊的絮凝温度应不低于50°C。
药用级交联羧甲基纤维素钠药用级交联羧甲基纤维素钠通用名:交联羧甲基纤维素钠(Croscarmellose Sodium)[1]别名:交联羧甲纤维素钠、CCNa、Ac-Di-Sol、Crosslinked Carboxymethylcellulose Sodium,Explocel,Modified cellulose gum,Nymcel ZSX,PharmacelXL,Primellose,Solutab.等[1]化学名:Cellulose,carboxymethyl ether,sodium salt,crosslinked[1]CAS号:74811-65-性状:无色、白色或灰白色粉末[1]黏合指数:0.0456脆碎指数:0.1000松密度:0.529 g/cm3(Ac-Di-Sol)[1]休止角:44°溶解度:不溶于水,但与水接触后体积快速膨胀至原体积的4-8倍,在无水乙醇、乙、丙酮或甲苯中不溶比表面积:0.81-0.83 m2/g沉降体积取100ml具塞量筒,加水75ml,取本品1 .5 g,分三次加人量筒,每次0. 5 g,每次加样后猛烈振摇,最终加水至100ml,连续振摇至供试品在溶液中匀称分散,放置4 小时,沉降体积应为10. 0〜30. 0ml。
酸度取本品l g ,加水100ml,振摇5分钟后,依法测定(通则0631),p H 值应为5.0〜7 .0。
取代度取本品约l.O g,精密称定,置500ml具塞锥形瓶中,加10%氯化钠溶液300ml,精密加氢氧化钠滴定液(0. lm o l/L )2 5m l,密塞,放置5 分钟,并时时振摇,加盐酸滴定液(O.lm ol/L ) 15ml和间甲酚紫指示液(取间甲酚紫O . lg ,加0. O lm o l/L氢氧化钠溶液13ml溶解,加水稀释至100ml,即得)5 滴,密塞后振摇。
假如溶液显紫色,连续加盐酸滴定液(0. lm o l/L ),每次1 .0 m l,直至溶液变为黄色。
药用级低取代羟丙纤维素CAS9004药用级低取代羟丙纤维素CAS9004-64-2用途产品作用低取代羟丙纤维素主要作片剂崩解剂和粘合剂,用低取代羟丙纤维素(作粘合剂、崩解剂的特点是:简单压制成型,适用性较强,特殊是不易成型,塑性和脆性大的片子,加入低取代羟丙纤维素就能提高片剂的硬度和外观的光亮度还能使片剂崩解快速,即使片子的硬度达到13kg不碎,崩解也只需十几分钟,提高片子内在质量,并提高疗效;用低取代羟丙纤维素制得的片剂长期保存崩解度不受影响。
作片剂粘合剂,湿法制粒时一般加5~20%,粉末直接压片时用量5~20%,作片剂崩解剂,用量2~10%,一般为5%,内加和外加均可,视详细处方而定。
低取代羟丙纤维素也可作为食品添加剂,在食品工业中用作乳化剂、稳定剂、助悬剂、增稠剂、成膜剂,用于饮料、糕点、果酱等的制造。
低取代羟丙纤维素还用于日化工业,用作霜剂、香波、乳液等化妆品的制造。
应用领域用粘结剂在溶剂型粘结剂配方中作增稠剂。
在热溶胶粘结剂中赋于热塑性粘结材料在陶瓷和电绝缘材料制造中作溶剂型易熔蚀低灰分粘结剂在乙醇和涂芯型浆化化合物中作增稠剂、粘结剂及分散剂在粉末冶金中作粘结金属粉末的溶剂型粘结剂化妆品发胶、化妆水、香水和花露水中作醇溶性增稠剂及成膜剂在雪花膏、清洁剂和洗发香波中作乳液稳定剂及增稠剂胶囊在微型和大型胶囊中作可溶可食性封装胶套食品搅泡起泡剂和泡沫稳定剂脱漆剂坚果、糖果隔油涂层在刮除和冲洗型脱漆剂酸性配方中作油溶性耐酸增稠剂药品用作片剂表面醇溶性涂层和成型粘结剂药品用稳定剂、增稠剂及醇溶性分散剂PVC在PVC悬浮聚合中作表面活性的爱护胶体油墨在水基和油基油墨中作增稠剂、粘结剂及分散剂。
本品是低取代羟丙基纤维素醚,是一种多用途的非离子型纤维素衍生物,主要用作固体制剂崩解和粘合剂,由于它的粉末有较大的表面积和孔隙率,故能快速吸水膨胀,用于片剂时,使片剂快速崩解,同时它的粗糙结构与药物和颗粒之间有较大的镶嵌,可明显提高片剂硬度,同时不影响崩解,从而加速药物的溶出度,提高生物利用度。
医药级羧甲基纤维素钠的分子量医药级羧甲基纤维素钠,也被称为CMC-Na,是羧甲基纤维素的钠盐形式。
羧甲基纤维素是由木质纤维经过炼制、碱化和烷基化等多个步骤制得的一种具有多种应用价值的化学品。
CMC-Na具有许多特殊的化学和物理特性,因此在医药领域中得到了广泛的应用。
分子量是衡量物质质量的一个重要参数之一。
对于CMC-Na 来说,其分子量通常在几万到几十万之间。
具体来说,CMC-Na的平均分子量一般在20000-80000之间,不同厂家生产的产品会有差异。
这是因为CMC-Na是通过酯化反应得到的,反应程度的控制会影响最终产物的分子量。
CMC-Na具有一系列优异的物理化学特性,这些特性使其在医药领域中得到了广泛应用。
首先,CMC-Na是一种非离子表面活性剂,具有良好的增塑性、分散性和润湿性,可以增加溶液的粘度和黏度。
这些特性使得CMC-Na在药物制剂中的应用非常广泛,例如作为稳定剂、增稠剂和糊剂等。
CMC-Na还具有良好的胶体保护性,可以有效保护药物颗粒以防止其沉淀。
其次,CMC-Na具有很强的吸水性和保水性。
它在水中溶解后形成胶体溶液,能够形成均一的粘度。
这使得CMC-Na在药物制剂中可以用作湿润剂和黏附剂,能够增加药物与粘膜表面之间的接触面积,提高药物的吸收和生物利用度。
此外,CMC-Na还具有较好的生物相容性和生物可降解性。
它是一种非毒性、无刺激性的物质,不会对人体产生不良反应。
因此,CMC-Na可以在口服药物、注射剂、外用药和眼药水等药物制剂中广泛应用。
总之,医药级羧甲基纤维素钠具有较高的分子量,一般在几万到几十万之间。
其优异的物理化学特性使其在医药领域中得到广泛应用,包括药物制剂中的稳定剂、增稠剂、湿润剂和黏附剂等。
此外,CMC-Na还具有良好的生物相容性和可降解性,对人体安全无害。
随着医药产业的不断发展,CMC-Na在医药市场中的应用前景将会更加广阔。
药用辅料羧甲纤维素钠特征药用辅料羧甲纤维素钠特征又称水溶性纤维素醚、合成糊料。
结构式为:[C6H7O2(OCH2COONa)x(OH)3—x]n或将纤维素与氢氧化钠水溶液或氢氧化钠水乙醇溶液制成碱纤维素,再与钠作用而得粗制品。
碱性产品经干燥、粉碎而成市售羧甲基纤维素(钠盐型)。
粗制品再经过中和,洗涤,除去氯化钠后,经干燥、粉碎而成精制羧甲基纤维素钠。
为无味、无嗅、不霉,无毒的白色粉末或浅黄色粉末,易溶于水形成透亮胶状,溶液为中性或微碱性,有吸湿性。
由羚甲基纤维素钠的结构得知,具有长链结构,!且易溶于水,所以在功能方面体现在增稠和乳化稳定作用、保水作用、凝胶化作用·和成膜性.增稠比较简单理解,就是使溶液更加粘稠,那乳化稳定作用,重要是羚甲基纤维素钠可以降低水和脂肪之间的表面张力,躲避脂肪液滴聚集而发生油脂上呈现象,能够使脂肪稳定存在于水中,这就是乳化稳定作用增稠和乳化稳定效果在酸性乳饮料中有极大作用,如酸酸乳这类酸性乳饮料,一般都含有肯定量的油脂和蛋白质,存放时易分别上浮,影响产品品质和外观,而且蛋白质简单发生紧聚作用,尤其是任pH值较低时,蛋白质肯定会结,羚甲基纤维素钠可以很好地解决这些问题,在水中溶解为稳定透亮胶体,一方面稳定蛋白质,防止蛋白质凝集,同时羚甲基纤维素钠具有的增稠作用还可以降低蛋白质颗粒的沉降速率,另一方面可以使脂肪充足乳化,躲避油脂上浮,从而使整个饮料体系稳定,能够保证产品品质。
同样地,如前所述,蛋白质在酸性条件下不稳定,所以酸性越强,所需要的羚田基纤维素钠也更多聚丙烯酸树脂CAS号:24938—16—7分子式:(C8H15NO2·C8H14O2.·C5H8O2)x山梨酸钾CAS号: 590—00—1分子式: C6H7KO2分子量:150.22三氯蔗糖Sucralose蔗糖素分子式 C12H19Cl3O8分子量397.6335三乙醇胺CAS号: 102—71—6分子式: C6H15NO3分子量: 149.19松节油CAS号: 8006—64—2分子式: C12H20O7分子量:276.283司盘80分子式与分子量C24H44O6 428.60CAS号[1338—43—8] 香兰素分子式: C8H8O3分子量: 152.15微晶纤维素CAS号: 9004—34—6分子式: H2分子量: 2.01588乙基纤维素CAS号: 9004—57—3分子式: N/A分子量: 0 EINECS号: 232—674—9油酸钠CAS号: 143—19—1分子式: C18H33NaO2分子量: 304.44依地酸二钠CAS号[6831—92—6]亚硫酸氢钠分子式: HNaO3S分子量: 104.06辅料。
新乡市顺达实业有限公司产品使用说明医药级羧甲基纤维素钠羧甲基纤维素钠被广泛应用于:药片、药膏、胶囊、药用棉签等医药行业中。
羧甲基纤维素钠具有优异的增稠、悬浮、稳定、粘结、保水等作用在医药行业得到广泛的应用。
在医药行业中,羧甲基纤维素钠被用做液体制剂中的助悬剂、增稠剂、乳化剂,在半固体制剂中作凝胶基质,在片剂中作粘合剂、崩解剂及缓释辅料。
我公司生产的 “秋波”牌 羧甲基纤维素钠(CMC )符合国家标准GB1904-2005以及日本JSFA-V 标准美国《美国药典》USP-25标准。
使用说明:羧甲基纤维素钠生产过程中使用,先要对CMC 进行溶解,通常的方法有两种:1.将CMC 直接与水混合,配制成糊状胶液后,备用。
先在带有高速搅拌装置的配料缸内加入一定量的干净的水,在开启搅拌装置的情况下,将CMC 缓慢均匀地撒到配料缸内,避免形成结团、结块,不停搅拌,使CMC 和水完全融合,充分溶化。
2.将CMC 先与干燥的原料相结合,以干法的形式混合,再投入水中溶解。
操作时,先将CMC 先与干燥的原料按照一定的比例混合。
后面的操作则可以参照上述的第一种溶解方法进行。
3、将CMC 配制成水溶液之后,最好存放在陶瓷、玻璃、塑料、木制等类型的容器中,不宜用金属容器,特别是铁、铝、铜制容器存放。
因为,CMC 水溶液若与金属容器长期接触,容易引发变质和黏度降低的问题。
当CMC 水溶液与铅、铁、锡、银、铝、铜及某些金属物质共存时,会产生沉淀反应,降低溶液中CMC 的实际数量和质量。
4、配置好的CMC 水溶液,应尽快用完。
CMC 水溶液如果长时间存放,既会影响CMC 的胶粘性能和稳定性,也会遭受微生物和虫鼠的侵害,从而影响原料的卫生质量。
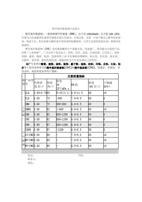
产品指标 新乡市顺达实业有限公司技术部 型号\指标 粘度(2%水溶液 25°C)mpa.s钠含量 (%)pH 值 氯化物 (Cl- %) 干燥减量 (%) 重金属(%) (以Pb 计) 砷(%) 铁(%) FH9800-1200 6.5-8.5 6.5-7.5 ≤1.2 ≤10 ≤0.0015 ≤0.0002 ≤0.02 FH6800-1200 ≥6.5 6.5-8.5≤1.2 ≤10 ≤0.0015 ≤0.0002 ≤0.02。
羧甲基纤维素钠百科名片羧甲基纤维素钠,(又称:羧甲基纤维素钠盐,羧甲基纤维素,CMC,Carboxymethyl ,C ellulose Sodium,Sodium salt of Caboxy Methyl Cellulose)是当今世界上使用范围最广、用量最大的纤维素种类。
[编辑本段]诞生羧甲基纤维素钠(CMC)分子结构由德国于1918年首先制得,并于1921年获准专利而见诸于世。
此后便在欧洲实现商业化生产。
当时只为粗产品,用作胶体和粘结剂。
1936~1941年,羧甲基纤维素钠的工业应用研究相当活跃,发明了几个相当有启发性的专利。
第二次世界大战期间,德国将羧甲基纤维素钠用于合成洗涤剂。
Hercules公司于1943年为美国首次制成羧甲基纤维素钠,并于1946年生产精制的羧甲基纤维素钠产品,该产品被认可为安全的食品添加剂。
上世纪七十年代我国开始采用,九十年代开始普遍使用。
是当今世界上使用范围最广、用量最大的纤维素种类。
[编辑本段]性状羧甲基纤维素钠(CMC)外观本品为纤维素羧甲基醚的钠盐,属阴离子型纤维素醚,为白色或乳白色纤维状粉末或颗粒,密度0.5-0.7/c㎡,几无臭、无味,具吸湿性。
易于分散在水中成澄明胶状液,在乙醇等有机溶媒中不溶。
1%水溶液pH为6.5~8.5,当pH>10或<5时,胶浆粘度显著降低,在pH7时性能最佳。
对热稳定,在20℃以下粘度迅速上升,45℃时变化较慢,80℃以上长时间加热可使其胶体变性而粘度和性能明显下降。
[编辑本段]工艺CMC通常是由天然纤维素与苛性碱及一氯醋酸反应后制得的一种阴离子型高分子化合物,分子量6400(±1 000)。
主要副产物是氯化钠及乙醇酸钠。
CMC属于天然纤维素改性。
目前联合国粮农组织(FAO)和世界卫生组织(WHO) 已正式称它为“改性纤维素”。
[编辑本段]质量衡量CMC质量的主要指标是取代度(DS)和纯度。
一般DS不同则CMC的性质也不同;取代度增大,溶解性就增强,溶液的透明度及稳定性也越好。
药用级羧甲纤维素钠cas9004药用级羧甲纤维素钠cas9004-32-4用途白色或微黄色粉末,无臭,无味,易溶于水成高粘度溶液,溶液为中性或微碱性,有吸湿性。
不溶于乙醇等多种溶剂。
相对密度1.60,薄片相对密度1.59,容积密度0.618cm3/g。
折射率1.515。
加热至190~205℃时呈褐色,至235~248℃时炭化。
溶于水量透亮状胶体,在水中的溶解度取决于取代度。
在水中的分散度与醚化度和其相对分子质量有关。
1%水分散液的pH为 6.5~8.5。
对光、热、化学品稳定。
不易发酵。
对油脂、蜡的乳化力大。
羧甲基纤维素钠溶液粘度受其相对分子质量、浓度、温度及pH的影响,且与或羟丙基纤维素、明胶、黄原胶、卡拉胶、槐豆胶、瓜尔胶、琼脂、海藻酸钠、果胶、阿拉伯胶和淀粉及其衍生物等有良好的配伍性 (即协同增效作用)。
pH7时,羧甲基纤维素钠溶液的粘度最高,pH4~11时,较稳定。
以碱金属盐和铵盐形式消失的羧甲基纤维素可溶于水。
二价金属离子Ca2+、Mg2+、Fe2+可影响其粘度。
重金属如银、钡、铬或Fe3+等可使其从溶液中析出。
假如掌握离子的浓度,如加入螯合剂柠檬酸,便可形成更粘稠的溶液,以至于形成软胶或硬胶。
羧甲基纤维素钠(CMC-Na)是一种有机物,化学式为[C6H7O2(OH)2OCH2COONa]n,是纤维素的羧甲基化衍生物,是最主要的离子型纤维素胶。
羧甲基纤维素钠通常是由自然的纤维素和苛性碱及反应后而制得的一种阴离子型高分子化合物,分子量由几千到百万。
CMC-Na为白色纤维状或颗粒状粉末,无臭、无味、有吸湿性,易于分散在水中形成透亮的胶体溶液1、用作合成洗涤剂配方中的抗污垢再沉积剂,食品工业的增稠剂,牙膏膏体的粘合剂、增稠剂。
在化妆品方面,本品可代替或和自然的水溶性胶质混合使用,可作为胶合剂、增稠剂、悬浮剂、乳化稳定剂等用于各种化妆品中。
2、在石油钻井、纺织、造纸、建材、医药、化妆用品、洗涤剂和食品工业中有广泛用途。
附件:羧甲纤维素钠Suojia XianweisunaCarboxymethylcellulose Sodium本品为纤维素在碱性条件下与一氯醋酸钠生成的羧甲纤维素钠盐。
按干燥品计算,含钠(Na)应为6.5%~9.5%。
【性状】本品为白色至微黄色纤维状或颗粒状粉末;无臭;极具引湿性。
本品在水中溶胀成胶状溶液,在乙醇、乙醚或三氯甲烷中不溶。
【鉴别】取本品1g,加温水50ml,搅拌使扩散均匀,制成胶状溶液,放冷,备用。
(1)取上述溶液10ml,加硫酸铜试液1ml,即生成蓝色絮状沉淀。
(2)取上述溶液5ml,加等体积氯化钡试液,即生成白色沉淀。
(3)取上述溶液,显钠盐的火焰反应(通则0301)。
【检查】黏度取本品适量,按照标示项下方法配置溶液,采用规定的测定条件,依法测定(通则0633 第三法),应为标示黏度的75%~140%。
酸碱度取本品0.5g,加温水50ml,剧烈搅拌,至形成胶体溶液,放冷,依法测定(通则0631),pH 值应为6.5~8.0。
取代度取本品2.5g,置于坩埚中,用预先加热至50~70℃的90%乙醇溶液洗涤多次,直至加1 滴铬酸钾试液和1 滴硝酸银试液的滤液呈砖红色为止,再用无水乙醇洗涤一次,将洗涤后的样品移入称量瓶中,于120℃干燥2h(1h 左右时,将称量瓶内样品轻轻敲松)。
移入干燥器内,冷却至室温,称取 1.0g 上述样品,精密称定,置于坩埚中,以小火烧灼使炭化,放入300℃马弗炉,升温至700℃,保温15min,放冷,移入250ml 锥形瓶中,加水100ml和0.05mol/L 硫酸滴定液50ml,微沸10 分钟,加3 滴甲基红指示液,用0.1mol/L 氢氧化钠滴定液滴定至红色刚褪。
照下式计算羧甲基毫摩尔数C B:C B =2V 1 ⨯C1 -V 2 ⨯C2m式中C B 为样品中羧甲基毫摩尔数;V1 为硫酸标准滴定液的体积;C1 为硫酸标准滴定液的浓度;V2 为氢氧化钠标准滴定液的体积;C2 为氢氧化钠标准滴定液的浓度;m为取样量。
药用级羧甲纤维素钠cas9004
药用级羧甲纤维素钠cas9004-32-4用途
白色或微黄色粉末,无臭,无味,易溶于水成高粘度溶液,溶液
为中性或微碱性,有吸湿性。
不溶于乙醇等多种溶剂。
相对密度
1.60,薄片相对密度1.59,容积密度0.618cm3/g。
折射率1.515。
加热至190~205℃时呈褐色,至235~248℃时炭化。
溶于水量透亮
状胶体,在水中的溶解度取决于取代度。
在水中的分散度与醚化度
和其相对分子质量有关。
1%水分散液的pH为 6.5~8.5。
对光、热、化学品稳定。
不易发酵。
对油脂、蜡的乳化力大。
羧甲基纤维素钠溶液粘度受其相对分子质量、浓度、温度及pH的影响,且与或羟丙基纤维素、明胶、黄原胶、卡拉胶、槐豆胶、瓜尔胶、琼脂、海藻酸钠、果胶、阿拉伯胶和淀粉及其衍生物等有良好
的配伍性 (即协同增效作用)。
pH7时,羧甲基纤维素钠溶液的粘度最高,pH4~11时,较稳定。
以碱金属盐和铵盐形式消失的羧甲基纤维素可溶于水。
二价金属离
子Ca2+、Mg2+、Fe2+可影响其粘度。
重金属如银、钡、铬或Fe3+等
可使其从溶液中析出。
假如掌握离子的浓度,如加入螯合剂柠檬酸,便可形成更粘稠的溶液,以至于形成软胶或硬胶。
羧甲基纤维素钠(CMC-Na)是一种有机物,化学式为
[C6H7O2(OH)2OCH2COONa]n,是纤维素的羧甲基化衍生物,是最主要
的离子型纤维素胶。
羧甲基纤维素钠通常是由自然的纤维素和苛
性碱及反应后而制得的一种阴离子型高分子化合物,分子量由几千
到百万。
CMC-Na为白色纤维状或颗粒状粉末,无臭、无味、有吸湿性,易于分散在水中形成透亮的胶体溶液
1、用作合成洗涤剂配方中的抗污垢再沉积剂,食品工业的增稠剂,牙膏膏体的粘合剂、增稠剂。
在化妆品方面,本品可代替或和自然
的水溶性胶质混合使用,可作为胶合剂、增稠剂、悬浮剂、乳化稳
定剂等用于各种化妆品中。
2、在石油钻井、纺织、造纸、建材、医药、化妆用品、洗涤剂和
食品工业中有广泛用途。
主要用作悬浮剂、印染用糊、补强剂、粘
度调整剂、粘料、乳化剂和展色剂等。
3、在水处理中用作絮凝剂,主要用于废水污泥处理,可以提高滤饼
的固体含量。
4、羧甲基纤维素钠为合成胶的代用品,广泛用于口服液和局部用药
物制剂,常用作混悬液助悬剂,乳化剂的稳定剂、增稠剂,片剂的
黏合剂、崩解剂等。
羧甲基纤维素钠能鳌合微量金属离子,能延缓
某些含金属离子杂质的片剂在贮藏期间的变色。
羧甲基纤维素钠无毒、无刺激性,然而动物皮下注射能产生炎症。
重复注射,注射部
位有时消失组织纤维化。