秦皇岛市工伤保险新流程图
- 格式:doc
- 大小:34.00 KB
- 文档页数:1
工伤保险经办流程立即 10个工作日 24小时单位一月内、个人亲属一年内随机抽取3-5名专家材料不完整15个工作日内 等待申请材料 组织鉴定 市 完整后 局规定时间内 15日内 通知每月1-20日补正材料完整15日内待市人社局通知后通知单位及职工调查核实60日内20个工作日 15个工作日内60日内年征缴额的30%经市政府批准基金管理登 记 缴 费单位报送有关证件资料社保机构审核确定单位缴费费率建立参保单位数据库 单位缴纳工伤保险费 存入银行财政专户存入银行财政专户工伤保险基金 工伤风险储备工 伤 认 定 单位发生伤残事 故 组织抢救治疗电话快报报劳动保障部门电话:8800071提出工伤认定申请补正材料通知书 补正材料交回 作出受理决定通知单位、本人作出工伤认定决定送达单位和个人对认定结论不服提出行政复议 根据用款计划填制用款申请表整理归档保存50年劳动能力鉴定 临沂市劳动能力鉴定委员会待遇支付建立医疗卫生专家库每个双月份15日前提出鉴定申请组成医疗卫生专家组 审查材料制定方案 医疗专家组依据国家标准提出鉴定意见 劳动能力鉴定委员会依据专家组意见作出鉴定结论鉴定结论送达职工和个人对鉴定结论有异议 提出再次鉴定申请财 政 审 批 单位提供有关证件、资料、申领表保险经办机构审核领取 资 格 审 核医疗康复待遇审核辅助器具费用审核伤 残 待 遇 审 核工 亡 待 遇 审 核待 遇 调 整 审 核审 核 结 果待 遇 支 付 机 构资 金 到 账待 遇 申 请 人。
退休审批流程图备注:1、单位公示要一周左右;2、没有异议后填写《参保人员退休审批花名册》与《南京市企业职工退休(定期生活费)审批表》;3、退休审批要带上以上两个表格与职工个人档案。
4、正常退休,需要提前一个月送档至水西门二楼审核;提退在当月1-15日送档水西门五楼当面审核。
办理病退(享受定期生活费)待遇流程图备注:1、审批时候要带“完全丧失劳动能力鉴定书”与职工个人档案;2、填写《参保人员退休审批花名册》与《南京市企业职工退休(定期生活费)审批表》;3、时间:每月5-25日在养老支付科办理审批手续;劳动能力鉴定办公室在石鼓路49号二楼。
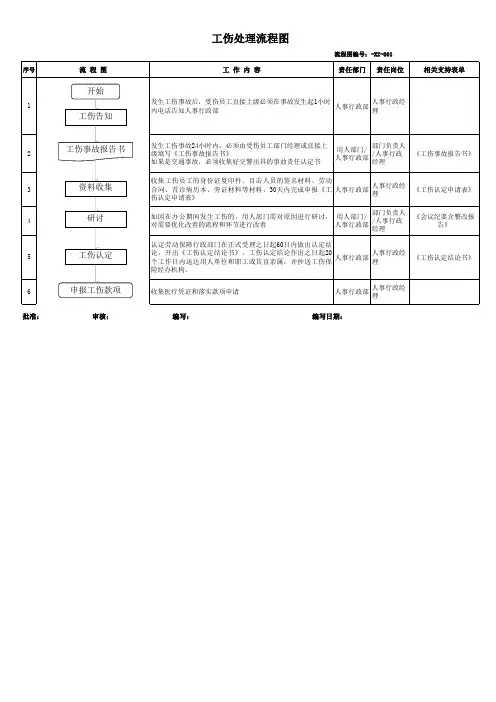
工伤保险流程图备注:1、发生工伤应及时形成材料,一般情况15日内向市工伤科申报,死亡的应立即向工伤科汇报。
工伤认定地点:石鼓路49号2楼,事故性质属于工伤的,由市工伤委员会下达工伤认定书后,接到工伤认定书,即可到工伤支付科报销工伤医疗费;2、工伤治疗终结后,伤情稳定的应及时安排其因工丧失劳动能力鉴定;3、根据鉴定结果,申报一次性工伤伤残补助费或定期伤残津贴等待遇,行政审批在石鼓路49号2楼;4、工伤医疗费报销及工伤待遇的落实到洪武北路123号工伤支付科;5、工伤医疗期内的工伤医疗费到工伤支付科报销,工伤医疗期一般为2年,超过2年的或旧伤复发的,要申报医疗期鉴定,在市劳动能力鉴定办公室办理社会保险办理程序一、养老保险1、职工、离退休(职)人员死亡,申报丧葬抚恤费的手续⑴离退休(职)人员死亡,填写《南京市企业离退休(职)人员减少花名册》,附火化单原件和死亡证明书各一份;⑵在职职工人员死亡,填写《南京市参保职工终止保险一次性支付花名册》,附火化单原件和死亡证明书各一份;⑶死亡人员若有直系亲属的要申请定期救济费待遇的,不能先报死亡,次月再审批遗属定补;应填写《南京市职工(离退、退休、退职)待遇审批表》,附定补人户口簿、死亡证明书复印件、火化单原件、死亡人档案等相关证明一次性办理审批手续;⑷办理时间;每月4-29日于养老支付科审批,落实支付手续。
工伤认定程序的流程图在我国,工伤认定程序主要涉及到劳动者的工伤认定申请、事故现场勘察、医学鉴定、工伤认定委员会审查、工伤认定决定等几个主要环节。
下面是工伤认定程序的详细流程图:1. 工伤认定申请阶段:劳动者在发生工伤后,需要尽快向用人单位进行口头或书面报告,要求进行工伤认定。
用人单位有义务协助劳动者填写工伤保险申报表,并和劳动者共同申报工伤保险事故。
2. 事故现场勘察阶段:工伤保险资料齐全的情况下,劳动者可在当地的劳动保障监察机构申请事故现场勘察,由劳动保障监察人员前往现场进行调查和取证。
勘察人员会对事故现场进行勘查,并与受伤劳动者及相关证人进行了解。
3. 医学鉴定阶段:劳动者在发生工伤后,需要到指定的医疗机构进行诊治。
医疗机构会出具工伤鉴定意见书,确认伤情、伤残程度和与工作活动相关性。
鉴定意见书是工伤认定的重要证据。
4. 工伤认定委员会审查阶段:工伤鉴定意见书和相关证据会提交给工伤认定委员会进行审查。
工伤认定委员会由劳动保障部门、医疗机构、用人单位和工会代表组成。
委员会会认真审核所有材料,如有需要,会对劳动者、用人单位和医疗机构进行调查。
5. 工伤认定决定阶段:工伤认定委员会会根据事故现场勘察报告、医学鉴定意见书和其他相关证据,作出工伤认定决定。
决定结果会向劳动者、用人单位和医疗机构通报。
如果劳动者对决定结果不满意,可以提起复议。
复议决定一般在30个工作日内作出。
6. 工伤待遇发放阶段:一旦工伤认定决定生效,用人单位或其所属的社会保险经办机构会根据认定结果,及时支付工伤医疗费用、伤残津贴和供养亲属抚恤金等工伤待遇。
需要注意的是,以上流程图只是一个大致的概述,实际操作中可能会有细微的差异。
此外,工伤认定程序可能会因地区和特定情况的不同而有所差异,因此,劳动者在具体操作过程中应当根据当地的法律法规进行操作。
社保工伤流程图社保工伤流程图是一种将工伤保险申报和理赔流程以图形化的形式展示出来的方式,可以帮助员工和用人单位更好地了解和掌握社保工伤保险的相关流程。
下面是一份700字的社保工伤流程图说明。
社保工伤流程图一、发生工伤事故员工在工作岗位上发生意外事故或因工作引发的疾病,需要及时报警并配合处理。
二、报告用人单位员工应立即向所在用人单位报告工伤事故,并提供相关证据和资料。
三、医疗救治1. 用人单位部门应及时将员工送往医疗机构接受救治。
2. 医疗机构应为员工进行紧急处理和诊断,并开具相应的诊断证明和医疗记录。
四、责任认定1. 用人单位应报社保部门和工伤保险管理机构备案,并填写责任认定申请表。
2. 责任认定委员会将对工伤事故进行调查和认定,判定用人单位的责任。
五、医疗费用报销1. 用人单位应将员工的医疗费用报销申请表和相关医疗费用凭证提交社保部门备案。
2. 社保部门将结合责任认定结果,审核并决定是否给予医疗费用报销。
六、伤残评定1. 伤残评定机构将对员工的伤残程度进行评估,并出具伤残鉴定证明。
2. 社保部门将根据伤残程度和工资发放情况,确定伤残津贴的支付标准和时期。
七、丧失劳动力鉴定1. 如果员工因工伤导致丧失劳动力,应向社保部门递交丧失劳动力鉴定申请表和相关资料。
2. 社保部门将进行丧失劳动力等级评定,并支付工伤保险金给予补偿。
八、社保关系转移1. 如果员工在报销医疗费用、享受伤残津贴或丧失劳动力补偿期间离职,需要将社保关系转移至就业单位,由就业单位继续办理相关手续。
2. 社保部门将办理社保关系转移手续,并将员工的工伤保险金转至就业单位进行发放。
九、复工复岗员工在医疗恢复期满后,需提供医疗机构出具的复工复岗证明,并报告用人单位。
十、工伤后续维护员工在复工后需要定期复查和治疗,同时定期向社保部门提交病情变化报告,以保持工伤保险的继续支付。
以上是一份700字的社保工伤流程图说明,希望对您有所帮助。
请注意,流程可能因地区和政策的不同而有所异同,具体流程以当地社保政策为准。
公司办理工伤流程图解公司办理工伤流程图解:工伤是指在工作过程中受到意外事故或职业病导致的身体伤害。
当员工遭受工伤后,公司需要按照相关法律法规进行办理工伤手续。
下面是公司办理工伤的流程图解:第一步:员工遭受工伤后,应及时向所在公司报告工伤情况。
员工应向上级主管或人力资源部门提供详细的工伤事故经过和受伤情况,并提供相关证据,如事发现场照片、医疗证明等。
第二步:公司应及时将员工的工伤情况向劳动保障部门报告。
公司人力资源部门或指定的工伤保险专员负责向当地劳动保障部门报案,并将员工提交的相关资料及时提供给劳动保障部门。
第三步:劳动保障部门接收到报案后,将组织相关部门进行审核。
劳动保障部门将对员工提交的工伤事故报告和相关证据进行审核,确认是否符合工伤的定义和条件。
第四步:劳动保障部门审核通过后,安排员工进行工伤鉴定。
根据不同情况,劳动保障部门将决定是否需要召集专家组进行工伤鉴定。
工伤鉴定将对员工的伤情进行评估和确认,以确定是否为工伤,并对伤情进行等级评定。
第五步:劳动保障部门将工伤鉴定结果反馈给公司。
一般情况下,工伤鉴定结果将在一定时间内完成,劳动保障部门会将结果通知公司及员工本人。
如果工伤鉴定结果认定为工伤,公司将按照相关规定给予员工工伤待遇。
第六步:公司按照工伤待遇标准给予员工相应的补偿和福利。
根据工伤鉴定结果和相关法律法规,公司将给予员工一定的工伤待遇,包括医疗费用、伤残补偿、住院津贴、伙食补助等。
公司应及时安排员工享受工伤待遇。
第七步:员工医疗期结束后,公司应及时安排员工的工伤救治和康复工作。
根据员工的伤残情况,公司应为其提供适当的职业康复服务,帮助员工恢复工作能力和适应工作环境。
以上是公司办理工伤的流程图解,公司在办理工伤时应按照相关法律法规进行操作,保障员工的权益。
同时,公司应加强安全生产管理,减少工伤事故的发生,确保员工的人身安全。
办理工伤需要公司和员工的共同努力,促进和谐的劳动关系。
加强工伤保险知识的学习:一、工伤认定的范畴:根据2010年12月20日《国务院关于修改〈工伤保险条例〉的决定》修订)的关于工伤认定的范畴为工伤保险条例第三章第十四、十五、十六、十七条的规定:第三章工伤认定第十四条职工有下列情形之一的,应当认定为工伤:(一)在工作时间和工作场所内,因工作原因受到事故伤害的;(二)工作时间前后在工作场所内,从事与工作有关的预备性或者收尾性工作受到事故伤害的;(三)在工作时间和工作场所内,因履行工作职责受到暴力等意外伤害的;(四)患职业病的;(五)因工外出期间,由于工作原因受到伤害或者发生事故下落不明的;(六)在上下班途中,受到非本人主要责任的交通事故或者城市轨道交通、客运轮渡、火车事故伤害的;(七)法律、行政法规规定应当认定为工伤的其他情形。
第十五条职工有下列情形之一的,视同工伤:(一)在工作时间和工作岗位,突发疾病死亡或者在48小时之内经抢救无效死亡的;(二)在抢险救灾等维护国家利益、公共利益活动中受到伤害的;(三)职工原在军队服役,因战、因公负伤致残,已取得革命伤残军人证,到用人单位后旧伤复发的。
职工有前款第(一)项、第(二)项情形的,按照本条例的有关规定享受工伤保险待遇;职工有前款第(三)项情形的,按照本条例的有关规定享受除一次性伤残补助金以外的工伤保险待遇。
第十六条职工符合本条例第十四条、第十五条的规定,但是有下列情形之一的,不得认定为工伤或者视同工伤:(一)故意犯罪的;(二)醉酒或者吸毒的;(三)自残或者自杀的。
第十七条职工发生事故伤害或者按照职业病防治法规定被诊断、鉴定为职业病,所在单位应当自事故伤害发生之日或者被诊断、鉴定为职业病之日起30日内,向统筹地区社会保险行政部门提出工伤认定申请。
遇有特殊情况,经报社会保险行政部门同意,申请时限可以适当延长。
用人单位未按前款规定提出工伤认定申请的,工伤职工或者其近亲属、工会组织在事故伤害发生之日或者被诊断、鉴定为职业病之日起1年内,可以直接向用人单位所在地统筹地区社会保险行政部门提出工伤认定申请。
工伤申报流程图工伤申报流程图是指在发生工伤事故后,员工、雇主或相关部门需要按照一定的程序和流程进行工伤申报的具体步骤。
下面将详细介绍工伤申报的流程图及相关注意事项。
1. 工伤发生后,第一时间要及时进行急救和处理伤员伤情,保障伤员的生命安全和身体健康。
2. 确认工伤事故的发生,雇主或相关部门应立即进行现场调查,了解事故原因和经过,并做好相关记录。
3. 雇主或相关部门应及时通知劳动保障监察部门和社会保险经办机构,报告工伤事故的基本情况和相关资料。
4. 伤员及时到医院就诊,确诊为工伤后,医院应出具《工伤鉴定证明》,并将相关医疗资料报送给社会保险经办机构。
5. 雇主或相关部门应填写《工伤事故报告表》,并将其报送给劳动保障监察部门和社会保险经办机构。
6. 社会保险经办机构收到《工伤鉴定证明》和《工伤事故报告表》后,进行工伤认定和核定伤残等级,并将认定结果通知雇主和伤员。
7. 雇主或相关部门应按照工伤保险制度的规定,及时足额支付伤员的工伤医疗费、伤残津贴和一次性伤残补助金等。
8. 雇主或相关部门应定期向劳动保障监察部门和社会保险经办机构报送工伤事故的处理情况和伤员的康复情况。
9. 伤员在康复期间,雇主或相关部门应给予关心和帮助,协助伤员尽快康复,恢复工作能力。
10. 工伤事故处理完毕后,雇主或相关部门应做好事故的总结和归档工作,以便今后的参考和借鉴。
工伤申报流程图中需要注意的事项:1. 在工伤事故发生后,各方应保持冷静,及时采取有效措施,确保伤员的生命安全和身体健康。
2. 雇主或相关部门要严格按照规定的程序和流程进行工伤申报,确保相关资料的真实性和完整性。
3. 伤员及其家属要积极配合雇主或相关部门的工作,提供真实有效的资料和证明,便于工伤认定和医疗救助。
4. 社会保险经办机构要加强对工伤申报流程的监督和管理,确保工伤保险制度的公平公正和有效实施。
5. 各方要加强工伤事故的预防和管理工作,减少工伤事故的发生,保障员工的合法权益和身体健康。
办理工伤保险业务简易流程图(附表一、二)单位和个人或亲属在30天内书面形式报告劳动行政工伤认定部门单位发生工伤或职业病工伤结果认证结论1.如果痊愈,提供医疗发票、清单、医疗证明;2..如有残疾,提供劳动能力鉴定结论3.如果死亡、提供供养遗嘱申请表、户籍证明等资料单位组织人员就近抢救3日内向社保机构备案,病情稳定后转院需经社保机构同意单位参保缴费办理登记证社会保险机构电话:受理手续完毕一个月内,支付各项工伤保险待遇到单位或个人账户事故发生单位和个人或亲属在30天内书面形式报告劳动行政工伤认定部门受伤人员或亲属1年内提出申请受理审查提交材料受理不受理材料不完整补正材料完整调查核实做出认定工伤认定程序一、申请登记(一)申请人用人单位、工伤职工本人或其直系亲属、工会组织都有权向用人单位所在地统筹地区的劳动保障行政部门提出工伤认定申请、登记,并领取《工伤认定申请表》等有关申报须知和材料。
(二)申请时间用人单位应当自职工发生工伤之日或者职工被确诊为职业病之日起30日内向用人单位所在地统筹地区劳动保障行政部门申报。
用人单位未按上述规定时间提出工伤认定申请的,工伤职工或者其直系亲属、工会组织在事故伤害发生之日或者职工被确诊为职业病之日起1年内,可以直接向用人单位所在地统筹地区的劳动保障行政部门提出工伤认定申请。
(三)申请工伤认定上报材料申请工伤认定应当填写《工伤认定申请(表)》和《工伤申报证据清单》,并提交下列材料:1、劳动合同文本复印件或其他建立劳动关系的有效证明;2、受伤害职工《居民身份证》复印件;3、医疗机构出具的工伤职工受伤害后诊断证明(初诊病历及其封面、出院小结、检查报告单等)或者职业病诊断书(职业病诊断鉴定书);4、属于下列情况的还应提供相关证明材料:(1)工作时间前后在工作场所内,从事与工作有关的预备性或者收尾性工作受到事故伤害的,需提交上下班工作时间表及与预备性或者收尾性工作内容相关的材料;(2)因履行工作职责受到暴力伤害的,需提交受伤害职工的工作职责或职务证明和公安机关的证明或人民法院的判决书以及其他有效证明;(3)因工外出期间,由于工作原因,受到交通事故或者其他意外事故伤害的,需提交如“派工单”,“出差通知书”或者“能证明因工外出的原始证明材料”及其外出期间工作原因证明材料;(4)因工外出期间,属于由于发生事故下落不明的,需提交人民法院宣告死亡的裁决书;(5)属于上下班途中受机动车事故伤害的,需提交上下班的作息时间表,单位至居住地正常路线图,公安交通管理部门的责任认定书或其他有效证明;(6)属于从事抢险、救灾等维护国家利益、公共利益的活动中受到伤害的,需提交单位或者县级政府民政部门、公安部门出具的相关证明;(7)属于因公、因战致残的复员转业军人旧伤复发的,需提交《革命伤残军人证》、旧伤复发后医院的诊断证明和劳动鉴定委员会的鉴定结论;(8)属借用或劳务输出人员,需提交双方单位的协议书、实际用人单位对事故调查的材料,并由劳动关系所在单位申报;(9)直系亲属代表伤亡职工提出工伤认定申请的,需提交有效的直系亲属关系证明;(10)工会组织代表伤亡职工提出工伤认定申请的,需提交工会介绍信,办理人身份证明;(11)其他特殊情况,需提交能够证明情况的材料。