碎屑岩成岩阶段划分及依据
- 格式:ppt
- 大小:101.00 KB
- 文档页数:12
碎屑岩岩心描述细则要求1定名:采用“颜色+含油气产状+岩性”的顺序定名。
(1)均一碎屑岩定名及分类a凡主要粒径在75%以上时为均一碎屑岩。
b分类标准见下表2-1。
(2)不均一的碎屑岩复合定名原则。
a 定名时后面为主要的,前面为次要的,最前面为更次要的。
b复合名称,一般不超过两种,即同一粒径颗粒含量超过50%者定为主要名称,50%~25%者定为次要名称,25%~5%者,为更次要名称(可不参加定名,而进行描述)。
c砂岩、砾岩的次要名称:细粒为主,粗粒次之,用“状”表示,如砾状砂岩,中粒状细砂岩等。
粗粒为主,细粒次之,以“质”表示,如砂质小砾岩、泥质粉砂岩等。
主次粒级数量相差较大,更次级的名称用“含”表示,如含砾泥质粉砂岩、含膏粉~细砂岩等。
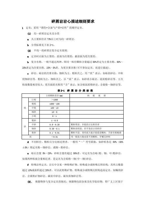
表2-1 碎屑岩分类标准d不同粒径、颗粒百分比相近得者,一般用“~”符号联接,如砂粒各近50%(50%±5%)则定名粉~细砂岩,或细~粉砂岩。
e砾石含量5%~25%,砂粒含量有超过50%者,可定名为含砾(粉、细、中)粗砂岩,如果两种粒级含量相近者,是定名为含砾粉~细(中~细)砂岩。
f特殊岩性定名,岩石中含某一种特殊矿物、特殊成分或特殊沉积结构,其所占数量超过15%或面积超过20%者,可以此特殊矿物、特殊成分或特殊沉积构造而定名。
如鲕状砂岩、含黄铁矿细砂岩、碳质中砂岩、凝灰质细砂岩等。
(3).填隙物参与复合定名的情况:填隙物包括杂基及化学胶结物,即广义上区别于碎屑颗粒的胶结物,其含量50%~25%者,用“质”表示。
a粘土矿物含量25%~50%,参与质定名的,如:泥质(粗、中、细、粉)砂岩、高岭土质(粗、中、细、粉)砂岩、含砾泥质细砂岩、泥质小砾岩等。
b白垩土为弱固结的粉末状方解石,在成岩作用差,埋藏不深的地层中,难以结晶固化。
作为碎屑的填隙物,如含量为25%~50%,则可定名为白垩土质(粗、中、细)粉砂岩、白垩土质砂砾岩、白垩土质小砾岩。
c化学胶结物含量25%~50%参与质定名的,常见的有碳酸盐、硫酸盐、硅质(蛋白石、玉髓)、铁质等,如灰质(粗、中、细、粉)砂质、云质(粗、中、细、粉)砂岩、膏质粉砂岩、硅质中砂岩、铁质细砂岩等。
(一)普通火山碎屑岩
普通火山碎屑岩一般简称火山
碎屑岩。
其中火山碎屑占绝对优势,成岩方式以压结为主,常叠加有化学胶结物。
这种胶结物往往是火山灰后期次生变化、分解形成的蛋白石、粘土矿物和碳酸盐矿物。
该类型岩石按粒度分为集块岩、火山角砾岩和凝灰岩三种:
1.集块岩
岩石中的火山碎屑粒径大于50
毫米者占50%以上,常混有火山角砾、火山灰等,分选性差。
集块岩多分布于火山口附近或火山管道中,分布范
围较窄,可作为寻找古火山口或古火颈的一种标志。
2.火山角砾岩
主要由各种喷出岩的角砾组成,也有其它岩石角砾,角砾棱角明显,也可混入少量晶屑,一般由火山灰胶结,分选性差。
该种岩石除分布在火山口附近外,也可分布于离火山口稍远的地区。
比较常见。
3.凝灰岩
岩石中大多数的火山碎屑粒度小于2毫米,并且被更细的火山尘及火山灰的次生化学分解物(蛋白石、
粘土、碳酸盐等)所胶结。
由于火山灰粒度细小,从火山口喷出后在空中可飘浮数百乃至数千公里,所以一般凝灰岩的分布范围很宽,可距火山口很远。
它是火山碎屑岩中分布最广的一种。
从火山碎屑成分来看,酸性凝灰岩中以玻屑、晶屑为主,岩屑较少;而基性及中性喷出岩晶屑、岩屑较多。
因此,按碎屑成分又可分为玻屑凝灰岩、晶屑凝灰岩和岩屑凝灰岩。
或按与之相当的喷出岩的成分分为流纹质凝灰岩、安山质凝灰岩。
碎屑岩岩石机械风化后形成的岩石碎屑和矿物碎屑,经搬运、沉积、压实、胶结而成的岩石,称为碎屑岩。
目录1基本简介▪ 1)简介▪ 2)按物质来源分类▪ 3)碎屑物2矿物成分▪ 1)原因一▪ 2)原因二3矿石结构4影响因素▪ 1)压实作用和压溶作用▪ 2)胶结作用▪ 3)溶解作用5勘探现状6孔隙类型▪ 1)原生孔隙▪ 2)次生孔隙▪ 3)混合孔隙7成因类型▪ 1)冲积扇砂砾岩体▪ 2)河流砂岩体▪ 3)三角洲砂岩体▪ 4)海岸砂岩体▪ 5)湖泊砂岩体▪ 6)浊积砂岩体▪ 7)资料记载8岩石分类▪ 1)火成岩▪ 2)沉积岩▪ 3)变质岩1基本简介简介碎屑岩碎屑岩是由于机械破碎的岩石残余物,经过搬运、沉积、压实、胶结,最后形成的新岩石。
又称陆源碎屑岩。
碎屑岩中碎屑含量达50%以上,除此之外,还含有基质与胶结物。
基质和胶结物胶结了碎屑,形成碎屑结构。
按碎屑颗粒大小可分为砾岩、砂岩、粉砂岩等。
按物质来源分类按物质来源可分为陆源碎屑岩和火山碎屑岩两类。
火山碎屑岩按碎屑粒径又分为集块岩(>64毫米)、火山角砾岩(64~2毫米)和凝灰岩(256毫米)、粗砾岩(256~64毫米)、中砾岩(64~4毫米)、细砾岩(4~2毫米)。
砂岩按砂粒大小可细分为巨粒砂岩(2~1毫米),粗粒砂岩(1~0.5毫米)、中粒砂岩(0.5~0.25毫米)、细粒砂岩(0.25~0.1毫米)、微粒砂岩(0.1~0.0625毫米)。
粉砂岩按粒度可分为粗粉砂岩(0.0625 ~0.0312毫米),细粉砂岩(0.0312~0.0039毫米)。
碎屑岩主要由碎屑物质和胶结物质两部分组成。
碎屑物碎屑岩碎屑物质又可分为岩屑和矿物碎屑两类。
岩屑成分复杂,各类岩石都有。
矿物碎屑主要是石英、长石、云母和少量的重矿物。
胶结物主要是化学沉积形成的矿物,它们充填在碎屑之间起胶结作用,主要有硅质矿物、硫酸盐矿物、碳酸盐矿物、磷酸盐矿物及硅酸盐矿物。
碎屑岩的孔隙是储存地下水及油、气的对象,研究碎屑岩对寻找地下水及油气矿床有实际意义。
碎屑岩描述的内容及顺序1、砂岩⑴岩性描述:层位、井段、厚度、岩性定名(颜色、含油气级别、岩性)、矿物及岩块成分、含泥、含钙、含碳情况,粒度、磨圆、分选、胶结物成分,胶结程度,结核、泥砾、层理、层面特征、韵律、裂缝、擦痕、地层倾角、接触关系。
⑵含油、气、水描述1)含油砂岩出筒时情况,岩心新鲜面油浸颜色,含油饱满程度,油脂感强弱、油味、含油面积、外渗情况、含油水情况(滴水试验、新鲜面湿润情况、有无咸味、干后有无盐霜),含油产状,荧光观察(颜色、产状、含量),荧光试验(滴照、氯仿系列),含油连通情况,含油与岩性、层理、裂缝的关系,含油定级。
2)含气砂岩出筒时冒气情况,气味,浸水试验(冒气处数、部位、气泡大小、连续性、持续时间、声响程度),含气与岩性层理及裂缝的关系,丙酮---水试验结果,含水情况(新鲜面湿润程度,塑料袋密闭试验结果)。
气测全烃百分含量(峰值、基值)含气定级。
3)含油级别的划分:碎屑岩含油级别按部颁标准统一划分为六级,即饱含油、富含油、油浸、油斑、油迹、荧光。
4)含气级别的划分:碎屑岩含气级别统一划分为三级,即气层、含气层、气水层。
详细划分原则和标准见下表:碎屑岩含气级别的划分标准2、泥岩:定名,颜色(次生色要描述产状),含砂、含钙、含碳情况,可塑性,吸水性,滑感,层理,层面特征,结核,包裹物,化石(包括粗略定和保存程度),自生矿物, 擦痕,硬度,地层倾角,接触关系。
3、特殊岩层:包括化石层、煤层、凝灰岩、石膏层、铁矿层、油页岩、泥灰岩等其它岩类,厚度大于“0.1米”的需单独分出,详加描述。
厚度小于“0.1米”的作为夹层描述。
特殊岩性层的详细描述内容分别作一说明和要求: 级别气测 岩心干湿程度 岩心冒气 钻井液 气层高异常,峰值远远大于基值,后效明显,显示段厚度大于该砂岩层厚度岩心直观干燥,塑料袋密闭试验,袋壁无水珠 岩心出筒柱面连续冒气,浸水试验呈串珠状冒气泡 槽面有气泡,收集后可点燃。
碎屑岩描述方法鉴定过程中应剔去泥皮、掉块等假屑,目估各种岩屑百分含量变化,遵循逐包鉴定,上下对比,大套观察,分层描述的原则。
岩性描述的内容包括颜色、矿物成分、结构、构造、含油气性、化石、含有物、孔洞裂隙(缝)发育情况、次生变化等。
1、颜色描述以干燥、新鲜面为准,要求采用“复合色”的描述方法(主要颜色在前,次要颜色在后)。
2、碎屑岩粒度分级及定名2.1粒级划分标准2.2 砂岩结构定名方法a.优势粒级定名法:岩石中某个粒级的含量>50%,其它粒级含量均<20%,则以>50%的那种粒级命名。
b.主、次粒级定名法:岩石中两种粒级的含量均<50%,又都≥35%,则分主次联合命名,次要粒级(量少者)放在前面,主要粒级(量多者)放在后面。
c.不等粒砂岩的命名:岩石中有三种粒级相近,每个粒级含量都<50%,但都>20%,任何两种粒级含量之和又<70%时,则称为不等粒砂岩。
d.砂、泥岩过渡型岩石分类定名如表:2.3砾岩和角砾岩的分类及命名2.3.1 粒度分类:a.砾石含量≥50%者称砾岩b.砾石含量在30-50%之间者称砂砾岩c.砾石含量在10-30%之间者为砾质砂(泥)岩d.砾石含量≤10%为含砾砂(泥)岩2.3.2 圆度分类砾岩:圆状、次圆状砾石含量≥50%角砾岩:次棱角状、棱角状砾石含量超过砾石总量的50%。
2.3.3 成分分类a.单成分砾(角砾)岩:成分单一,某成分砾石占75%以上,叫××砾(角砾)岩。
b.复成分砾(角砾)岩:砾石成分复杂,由两种或两种以上岩石成分组成,亦统称砾岩(角砾岩)。
3碎屑岩成分命名3.1成份分类a.按杂基含量分类。
杂砂岩:杂基含量>15%。
(净)砂岩:杂基含量<15%。
b.按石英、长石、岩屑相对含量分类(见下图)Ⅰ、石英砂岩Ⅱ、长石石英砂岩Ⅲ、岩屑石英砂岩Ⅳ、长石砂岩Ⅴ、岩屑长石砂岩Ⅵ、长石岩屑砂岩Ⅶ、岩屑砂岩石英单元Q:石英、燧石、石英岩,其它硅质岩岩屑等,反映成分熟度。
沉积岩分类碎屑岩沉积岩分类碎屑岩根据碎屑物质的来源,又分为沉积碎屑岩和火山碎屑岩两个亚类。
(一)沉积碎屑岩亚类这一类岩石是由母岩风化和剥蚀作用的碎屑物质所形成的岩石,又称陆源碎屑岩。
除小部分在原地沉积外,大部分都经过搬运、沉积等过程。
根据组成碎屑岩的碎屑颗粒大小,本类岩石又可分为:砾岩类--碎屑直径在2mm以上。
砂岩类--碎屑直径在2-0.05mm之间。
粉砂岩类--碎屑直径在0.05-0.005mm之间。
粘土岩类--碎屑直径小于0.005mm。
上述各碎屑岩类的相应粒级,碎屑含量必须占碎屑总量的50%以上,如砾岩中大于2mm的砾石碎屑含量应占一半以上;如果其中含有25-50%的砂,则可称为砂质砾岩;如果其中含有5-25%的砂,则可称为含砂砾岩。
其余岩类命名原则,依此类推。
1.砾岩类凡直径在2mm以上的碎屑(含量大于50%)组成的岩石都属此类。
砾岩中砾的成分一般是比较坚硬的岩石碎屑。
根据碎屑的磨圆程度可分为角砾岩和砾岩两类。
(1)角砾岩组成角砾岩的砾带有棱角,分选情况一般不好,或未经分选,多为搬运距离很近或未经搬运堆积而成。
根据成因,它们可能是由山崩重力堆积而成;由海浪冲击海岸而成;由母岩风化在原地残积而成;或者由冰川搬运的冰碛堆积而成(称冰碛岩);也可能因断层作用而成(称断层角砾岩,碎屑多呈尖棱状)。
(2)砾岩组成砾岩的砾多为次圆状或圆状。
根据成因,砾岩可能是在海滨潮间带由海浪反复冲刷磨蚀堆积而成,分选和磨圆度都比较好,成分比较单纯;也可能是由河流短距离搬运而成,分选和磨圆度较差,砾石成分也比较复杂。
砾岩中一般少有化石,或含贝壳等生物碎屑化石。
2.砂岩类由2-0.05mm的碎屑(含量大于50%)胶结而成的岩石统称砂岩。
砂岩的矿物成分通常以石英颗粒为主,其次为长石、白云母、粘土矿物以及各种岩屑。
根据粒级大小,砂岩可以分为:粗粒砂岩(2-0.5mm)中粒砂岩(0.5-0.25mm)细粒砂岩(<O.25mm)根据矿物成分,砂岩可分为:(1)石英砂岩砂岩中石英颗粒含量占90%以上,称石英砂岩。
火山碎屑岩类火山碎屑岩是火山剧烈爆发中产出的火山碎屑堆积物经压实、固结以后形成的岩石。
同一般岩浆岩比较起来,火山碎屑岩的形成过程有以下三个特点:第一,其中的碎屑物质是由火山爆破的机械作用产生的岩石碎块、晶体或玻璃质的碎块构成,而非岩浆冷凝的产物;第二,火山碎屑物质有些是喷射至大气中后经过空气介质而沉落于陆地,有些可能是降落在水中再经一定的搬运作用而在异地沉积的;而岩浆岩无这一沉积过程;第三,火山碎屑岩是由松散的火山碎屑堆积物经过压实、胶结作用后形成的岩石。
而岩浆岩却是岩浆直接的冷凝结晶产物。
由于火山碎屑岩形成过程(机械破碎、沉积、压实、胶结等)和沉积岩相似,因而,也形成了许多和沉积岩相似的特征(如碎屑结构、层理等)。
由于火山碎屑岩中的碎屑物质来源是火山活动这种内动力地质作用的产物,但其沉积—成岩过程中却又有外动力地质作用的因素,即它在成因上具内、外动力地质作用的二重性;在岩性上也显示岩浆岩和沉积岩的双重特征,因而它是岩浆岩—沉积岩之间的过渡类型。
据此,有些人也把它归到沉积岩的分类体系中。
火山碎屑岩分布十分广泛,从前寒武纪的古老地层至近代死火山堆积物中均有产出。
在许多喷出岩出露的地区,也往往相伴而生,共同构成复杂的火山岩系,如我国东南沿海诸省的中生代火山岩系。
火山碎屑岩常富集有一般金属矿产,稀有、放射性元素矿产等,而且规模也比较大。
一、火山碎屑物的一般特征质火山碎屑物质的主要特征表现在它的物态、形状和大小上。
(一)火山碎屑物质的物态和形状火山碎屑物质的物态一般指它降落着地时的物理状态,即是固态、液态,抑或是塑性体。
固态碎屑包括岩屑、晶屑和玻屑;塑性碎屑包括浆屑,塑性玻屑。
1.岩屑岩屑是火山活动中早期先凝结的喷出岩和火山通道的围岩经火山作用爆碎后形成的岩石碎块。
岩屑的形状极不规则,呈棱角状,一般大于2 mm。
2.晶屑晶屑是火山爆碎的各种矿物的晶体碎块,常见者是石英、长石的晶屑,它们多半是岩浆中早期形成的斑晶破碎以后的产物。
一、.单层厚度极薄层状v 1cm薄层状1 ~ 10cm中层状10~ 50cm厚层状50~ 100cm巨厚层状100~ 200cm块状〉200cm二、碎屑岩分类1. 砾岩分类1 )按砾石含量分类:砾石含量>50%砾岩砾石含量>30%,<50%:质砾岩,泥质砾岩砾石含量>5%,<30%|质砂岩,砾质泥岩砾石含量>0.01%,<5%含: 砾泥岩,含砾砂岩2)按砾石大小分:巨砾岩(>128mr)、粗砾岩(<128~32mm)中砾岩(<32~8mm)、细砾岩(<8~2mm)。
3)按砾石成分划分:单成分砾岩,同成分砾石含量占砾石总含量的75%以上,如石英岩(质)砾岩、花岗岩(质)砾岩;复成分砾岩,砾石中,没有哪一种单一成分超过75%。
4)按成因的划分(表):见工作手册。
可综合命名,如复成分中砾岩。
2. 砂岩分类砂岩是粒度为2〜0.063mm (1〜+4巾)的砂级颗粒占50X 10-2^上的碎屑岩。
砂岩的进一步划分:1)按粒度:按碎屑的粒级范围可进一步分为粗砂岩(2〜0.5mm,或-1〜1巾);中粒砂岩(0.5〜0.25mm,或1〜2巾);细砂岩(0.25〜0.063mm,或2〜4巾)三种基本类型。
2 按杂基含量划分杂基> 15%杂砂岩杂基V 15%,净砂岩(简称砂岩)3 按砂屑成分划分:石英(Q 、长石(F 、岩屑(R 三角分类图解。
为了尽可能表示出此类岩石的形成机理与环境特征,建议采用成都地质学院的砂岩成分、成因分类(图,见工作手册。
如岩石中含有某种特殊矿物时可用附加命名办法,如海绿石石英砂岩、锆石砂岩等。
4 综合划分在以上三种划分中,同时选用两种或全部三种作综合划分,如细粒长石石英净砂岩。
此外,化学沉淀胶结物占岩石总量10%以上,或胶结物具有较重要成因意义时,以X 质作为附加修饰词,如硅质长石石英细砂岩。
混入了其它粒级陆源碎屑的命名,以含X质、X质作为附加修饰词。
混入砾石时,命名规则见前文。
混入粉砂时,碎屑中粉砂>25% <50%,粉砂质…”碎屑中粉砂> 5% <25%,含粉砂质…”;3. 粉砂岩分类粉砂岩是粒度为0.063〜0.0039mm (4〜8巾)的碎屑占50X 10-2^上的一种细碎屑岩。