塔式起重机检验报告
- 格式:doc
- 大小:160.00 KB
- 文档页数:16
塔式起重机型式检验报告塔式起重机是建筑工地上必不可少的一种大型起重设备,具有作业效率高、承载能力强等特点,在建筑行业中扮演着重要的角色。
然而,为了保障塔式起重机的安全性和工作效率,对其进行检验和维护是非常必要的。
而“塔式起重机型式检验报告”就是其中的一个重要步骤。
一、塔式起重机型式检验报告的定义塔式起重机型式检验报告是国家质量监督检验检疫总局颁布的《塔式起重机型式检验规程》的规定,是指对新型号、新产品进行审查、验证的文件。
该报告是塔式起重机制造企业向质监部门提交的,用于说明该塔式起重机的质量、技术标准和安全性是否符合检验规程的要求。
二、塔式起重机型式检验报告的重要性塔式起重机型式检验报告对于企业和消费者来说都是一个非常重要的标准。
对于企业来说,塔式起重机型式检验报告不仅可以证明其产品的质量,也可以证明企业的生产能力和质量管理体系是否达标。
对于消费者来说,塔式起重机型式检验报告能够帮助其更好地选择适合自己需求的产品,并为其在后续的维护和使用提供保障。
三、塔式起重机型式检验报告的内容塔式起重机型式检验报告的内容包括产品基本信息、产品设计审查、生产现场审查、产品型式试验等多个方面。
具体包括:1. 塔式起重机型号、规格、生产厂家、制造日期等基本信息;2. 对产品设计文件的审查,包括结构和强度设计的原理和依据、计算方法和计算结果等;3. 对生产过程的现场审查,包括对生产设施、材料、工人素质的把握,以及生产工艺、生产质量的检查等;4. 对产品型式试验的结果报告,包括静载试验、运行试验等方面。
四、塔式起重机型式检验报告的目的塔式起重机型式检验报告是为了保障塔式起重机在使用中的安全性和工作效率,促进行业健康有序发展,保护消费者利益而制定的。
同时,该报告还可以为企业向市场推广自己的产品提供科学有效的保障,提高市场竞争力。
综上所述,塔式起重机型式检验报告是塔式起重机制造企业提交给国家质检机构的一份必要文件,能够对企业生产能力、质量管理体系、产品的质量、技术标准和安全性进行评估,既能够保护消费者利益,又能够为企业的发展提供保障。
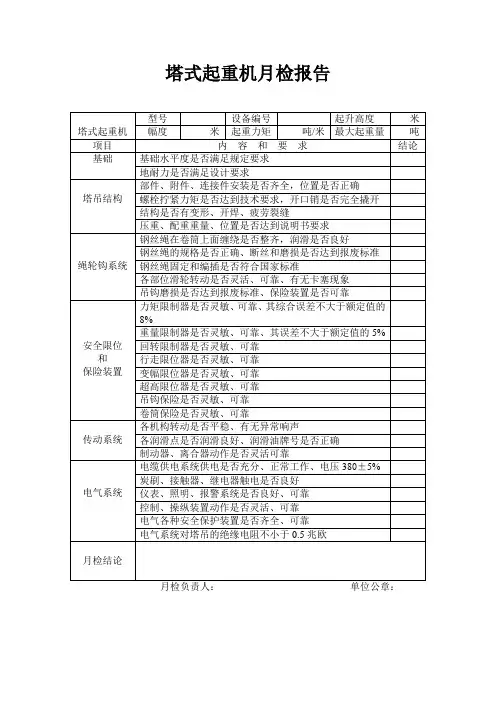
塔式起重机检测报告背景介绍塔式起重机是一种常见的建筑工地使用的起重设备,它具有稳定性好、起重能力大等特点。
然而,长时间使用后,塔式起重机的部件可能会出现磨损、老化等问题,因此需要定期进行检测以确保工作安全。
本报告将介绍塔式起重机检测的步骤和方法。
步骤一:外观检查首先,我们对塔式起重机的外观进行检查。
这包括检查起重机的整体结构是否完好,观察是否有明显的变形、裂纹或锈蚀等迹象。
同时,还需检查塔式起重机上的标志牌是否清晰可见,并核对起重机的制造日期和最近一次维护记录。
步骤二:钢丝绳检测塔式起重机的钢丝绳是其重要的承载部件,需要进行定期检测。
我们可以通过以下步骤进行钢丝绳检测: 1. 检查钢丝绳的外观,观察是否有明显的磨损或损伤,如断丝、扭曲等。
2. 使用手感检测钢丝绳的硬度,如果感觉到钢丝绳松软或变形,可能需要更换。
3. 使用专业仪器进行钢丝绳的张力测试,确保其张力符合标准要求。
步骤三:电气系统检测塔式起重机的电气系统也需要进行定期检测以确保其安全运行。
我们可以采取以下措施进行电气系统检测: 1. 检查电缆和接线盒的外观,观察是否有明显的老化、磨损或断裂。
2. 测试电缆的绝缘性能,确保其绝缘电阻符合要求。
3. 测试电气设备的工作性能,如起重机的电动机、开关等,确保其正常运行。
步骤四:制动系统检测塔式起重机的制动系统对于保证起重过程中的安全至关重要。
我们可以通过以下步骤进行制动系统检测: 1. 检查制动器的外观,观察是否有明显的磨损或损伤。
2. 测试制动器的制动力是否正常,确保其能够及时有效地制动起重机。
3. 检查制动器的调整情况,确保其调整合理,不会出现制动失效或过度制动的情况。
步骤五:液压系统检测部分塔式起重机还采用液压系统进行控制和动力传输,因此需要对液压系统进行检测。
我们可以采取以下措施进行液压系统检测: 1. 检查液压管路的外观,观察是否有明显的漏油、老化或损伤。
2. 清洁液压滤清器,确保其正常工作。
报告编号:塔式起重机定期检验报告
:
使用单位
设备种类:
设备品种:
:
设备型号
:
设备代码
:
使用登记证编号
检验日期:
1特种设备监督检验技术研究院
注意事项
1.本报告是依据《起重机械定期检验规则》,对在用起重机械进行定期检验的结论报告。
2.报告书应当由计算机打印输出,或者用钢笔、签字笔填写,字迹要工整,涂改无效。
3.本报告书无检验、审核、批准人员的签字和检验机构的核准证号、检验专用章或者公章无效。
4.报告一式二份,由检验机构和使用单位分别保存。
5.受检单位对本报告结论如有异议,请在收到报告书之日起15个工作日内,向检验机构提出书面意见。
6.本报告对检验时的设备状况负责。
7.对于使用时间超过15年以上、处于严重腐蚀环境(如海边、潮湿地区等)或者强风区域、使用频率高的大型起重机械,应当根据具体情况有针对性地增加其他检验手段,必要时根据大型起重机械实际安全状况和使用单位安全管理水平能力,进行安全评估。
检验机构地址:
邮政编码:
联系电话:
塔式起重机定期检验结论报告
报告编号:
共页第页
塔式起重机定期检验报告附页
报告编号:
报告编号:
共页第页
共页第页。
报告编号:塔式起重机安装监督检验报告
施工类别:
施工单位名称:
使用单位名称:
产权单位名称:
工程名称:
设备类别:
设备品种:
设备型号:
设备代码:
检验日期:
建筑机械设备检测有限公司
注意事项
1.本报告是依据《起重机械安装改造重大修理监督检验规则》(TSG Q7016-2016),对本单位核准的塔式起重机进行安装改造重大修理监督检验的报告。
2.本报告应当由计算机打印输出,或者用钢笔、签字笔填写,字迹要工整,涂改无效。
3.本报告无检验、审核、批准人员的签字和检验机构的核准证号、检验专用章或者公章无效。
4.本报告一式三份,由检验机构、施工单位和使用单位分别保存。
5.受检单位对本报告结论如有异议,请在收到报告书之日起15个工作日内,向检验机构提出书面意见。
6.本报告对检验时的设备状况负责。
一、塔式起重机安装改造重大修理监督检验报告
共8页第3页
塔式起重机安装改造重大修理监督检验报告附页
报告编号:
共8页第4页
报告编号:
共8页第4页
共8页第6页
共8页第7页
二、设备基本情况
三、施工单位以及现场施工过程
共8页第8页。
检验报告
设备名称:塔式起重机
工程名称:
委托单位:
使用单位:
检验类别:委托
建筑机械设备检测有限公司
年月日
注意事项
1、本报告无“检验检测专用章”或本单位公章无效。
2、本报告改动无效,报告二页及以上未盖骑缝章无效。
3、未经本单位书面批准,不得复制(全文复制除外)检验检测
报告或证书。
4、对委托检验报告若有异议,应于接到报告之日起十五日向检
验单位提出,逾期未提出的,视为无异议。
5、样品由委托方提供的,委托方应对样品及相关信息的真实性
负责,检验单位仅对来样的检验结果负责。
建筑机械设备检测有限公司
检验报告
主检:审核:批准:
第3页共8页
建筑机械设备检测有限公司
检验报告附表
委托方应提供资料
主要检验仪器设备
第4页共8页
现场检验项目
第5页共8页
第6页共8页
第7页共8页
第8页共8页。
塔式起重机安装检验评定报告含续表一、概述经过对塔式起重机的安装过程进行严格检验和评定,结合相关法规、标准和技术要求,本次报告详细记录了检验评定的过程和结果,旨在确保安装后的塔式起重机能够安全、有效地运行,为工地的生产和作业提供保障。
二、检验内容本次检验主要包括以下内容:1.确认塔式起重机的安装位置和基础符合相关标准和规范要求,包括地基的升降试验报告和起重机固定是否牢固。
2.对塔式起重机本身进行质量检验,包括:各部分零部件是否正常、设备操作是否灵活、操作板块、仪表、驱动设备和安全装置是否齐全、运转音是否正常、液压系统、电气控制系统是否正常等。
3.对塔式起重机安装后的性能进行检测评定,包括小推着载运行试验、整机动载载荷试验、起重机性能试验、安全装置动作试验、行走试验等。
三、检验结果经过细致的检验评定,本次检验结果如下:1.塔式起重机的安装位置和基础符合相关标准和规范要求,地基升降试验报告符合要求,起重机固定牢固。
2.塔式起重机零部件齐全、操作正常、驱动设备、仪表、安全装置等都符合相关标准和规范要求。
3.经过小推着载运行试验、整机动载载荷试验、起重机性能试验、安全装置动作试验和行走试验,均符合相关标准和规范要求。
四、评定等级本次检验评定,将塔式起重机评定为合格等级,并发放了安全能力达标证书。
五、续表测量部位测量内容设备要求测量结果备注六、结论本次检验评定结果显示,塔式起重机安装符合要求,设备性能稳定可靠,符合相关标准和规范,按照法规、标准和要求,本次检验评定为合格等级。
建议在后续使用过程中,加强设备日常保养和安全管理,确保设备的安全可靠运行。
塔式起重机检验报告报告编号:检验类别:委托单位:工程名称:安装地点:检验日期:年月日报告出具日期:年月日检验机构名称注意事项1.本报告适用于塔式起重机安装验收检验。
该设备自本次检验合格之日起满一年应重新检验;若在此期间出现重新安装、进行过改造、重大修理或者遭遇自然灾害导致设备主要受力零部件损坏的,应重新进行检验。
2.检验报告应当由计算机打印输出,涂改无效。
3.本报告无检验、审核、批准人员的签字和检验机构的核准证号、计量认证章、二维码防伪标识、检验专用章或者公章的无效。
4.报告一式四份,由检验机构(一份)和委托单位(三份)分别保存。
5.受检单位对本报告结论如有异议,请在收到报告书之日起15 个工作日内,向检验机构提出书面意见。
6.本报告是对申请检验方所申请的在检验时设备装设的各种安全装置、零部件和机构所进行的符合性判断,报告结论仅对所检项目负责,对设备检验时的状况负责。
7.塔式起重机的主要受力结构件、起升机构、零件是否达到报废标准,由安装单位在安装前后及使用单位在日常使用过程中进行定期维护检查时严格控制。
8.塔式起重机主要承载机构件的正常工作年限应按使用说明书及有关规定进行确定。
检验机构地址:邮政编码:联系电话:受控编号:塔式起重机检验报告塔式起重机检验报告附页注1:全封闭的防爆制动器、具有三合一机构的制动器和制动电机中的制动器,由使用单位负责检查、维护更换。
附表1 运动部分与输电线安全距离的安全要求附表2 绳卡连接的安全要求附件1工程质量现场检测见证确认表附件2一、检测过程照片二、现场检测人员持证照片三、GPS定位图。
塔吊检测报告
根据本次对塔吊进行的检测,以下是我们的报告:
1. 塔吊结构检测:
- 所有主要结构件(包括臂架、支腿等)没有明显的裂纹或
变形。
- 焊缝无明显的腐蚀或断裂。
- 链条和绳索没有明显的磨损或破损。
2. 电气系统检测:
- 配电箱和电缆没有明显的外部损坏。
- 电缆的绝缘电阻和绝缘电压测试结果正常。
- 控制按钮和开关的功能正常。
3. 液压系统检测:
- 液压油的水分含量和污染物含量符合标准。
- 油泵的工作压力和流量符合要求。
- 液压缸的工作正常,没有漏油或异常声音。
4. 安全装置检测:
- 重载限制器正常工作,可以有效防止塔吊超载。
- 高度限位器和幅度限位器可以精确控制塔吊的高度和幅度。
- 塔吊的报警装置能够及时发出声音或光信号。
根据以上检测结果,我们认为该塔吊目前处于正常工作状态,可以继续使用。
我们建议进行定期的维护和检测,以确保塔吊的安全性和可靠性。
附件11
报告编号:
设备备案编号
设备安装单位
设备使用单位
检验类别委托检验
检验机构名称
注意事项
1.本报告书适用于塔式起重机的委托检验。
2.本报告书应由计算机打印输出或用钢笔填写,字迹应工整,涂改无效。
3.本报告书一式三份,由检验机构、安装(或修理、改造)单位和使用单位分别保存。
4.本报告书无检验、审核、批准的人员签章和检验机构的检验专用章或公章无效。
5.受检单位对检验结论如有异议,应在收到检验报告之日起15日内,以书面形式向检验机构提出。
塔式起重机检验报告
报告编号:共4页第1页
续报告编号:共4页第2页
续报告编号:共4页第3页
续报告编号:共4页第4页。
4.塔式起重机检验报告
塔式起重机检验报告。
为了确保塔式起重机的安全运行,我们进行了一次自查检验,
并将检验结果如下报告:
1. 外观检查,我们对塔式起重机的外观进行了全面检查,包括
主梁、支腿、吊钩、钢丝绳等部件的表面是否有明显的损坏、腐蚀
或变形情况。
经检查,未发现异常情况。
2. 结构检查,我们对塔式起重机的结构进行了检查,包括各个
连接部位、焊接点、螺栓等是否牢固可靠。
经检查,未发现异常情况。
3. 功能检查,我们对塔式起重机的功能进行了检查,包括起重、移动、回转等功能是否正常。
经检查,各项功能正常。
4. 安全装置检查,我们对塔式起重机的安全装置进行了检查,
包括限位开关、过载保护装置、紧急制动装置等是否齐全并正常工作。
经检查,各项安全装置齐全并正常工作。
综上所述,经过自查检验,我们确认塔式起重机目前处于良好状态,可以安全运行。
同时,我们也将继续定期进行检查和维护,以确保塔式起重机的安全运行。
塔式起重机检验报告
检验编号:
检验类别:
检验日期:
天气:
温度:
风速: 工程名称 使用单位
施工地点 监理单位
检验单位 安装单位
检验证号 塔机型号
塔机产品标牌
生产厂家
固定
受检塔机机位
出厂日期
编号
出厂编号 安装位置坐标
最大额定起重
备案编号
量
最大幅度/安装
安装告知日期
幅度
使用年限 检验时安装高
度
最大安装高度
检验时安装附
着数
拟安装附着道
数
检验依据
主要检验仪器设备 仪器(工
具)名称
型号 编号
仪器
状况
仪器(工
具)名称
型号 编号
仪器
状况
检验结果
保证项
目不合
格数
一般项
目不合
格数
检验单位(章)
签发日期:
批准:
审核:
检验:
续表
序号 项目
类别
检验内容及要求
检验方
法
检验
结果
1
资料
复核
产品出厂合格证、监督检验证明、
特种设备制造许可证、备案证明
查阅资
料
2安装告知手续
查阅资
料 3安装合同及安全协议
查阅资
料 4专项施工方案
查阅资
料 5地基承载力勘察报告
查阅资
料 6基础验收及其隐蔽工程资料
查阅资
料 7基础混凝土强度报告
查阅资
料 8预埋件或地脚螺栓产品合格证
查阅资
料
续表
续表
续表
续表
续表
续表
续表
续表
注:1、表中序号打*的为保证项目,其他为一般项目
2、要求量化的参数应按实测数据填在检验结果中,无实测数据的填写观测到的状况。