三角带型号计算表
- 格式:doc
- 大小:36.00 KB
- 文档页数:2
标准三角带 A,B,C,D,Z* 防油,抗静电* 工作温度: -18℃至 +70℃ *最大线性速度: 30米/ 秒* ** **顶宽: 13mm 最小轮径: 75mm 高度: 8mmLi(内长)= La(外长)-50mm * 角度: 40° Li(内长)= Lp(节园长)-36mm 型号 L i mm 型号Li mm型号 Li mm 型号 Li mm A15 3 81 A42 1067 A72 1829 A96 2438 A18 4 57 A43 1092 A74 1880 A98 2489 A20 5 08 A43 1/21105A75 1905 A99 2515 A22 5 59 A44 1118 A76 1930 A101 2565 A23 5 84 A45 1143 A77 1956 A102 2591 A23 1/2 5 97 A45 1/21156A78 1727 A103 2616 A24 6 10 A46 1168 A79 1753 A104 2642 A25 6 35 A46 1/21181A80 1778 A105 2667 A26 6 60 A47 1194 A81 1803 A107 2718 A27 6 86 A48 1219 A83 1854 A108 2743 A28 7 11 A49 1245 A85 1905 A110 2794 A29 7 37 A50 1270 A86 1930 A112 2845 A29 1/2 7 49 A51 1295 A87 1956 A113 2870 A30 7 62 A52 1321 A88 1981 A114 2896 A31 7 87 A53 1346 A89 2007 A115 2921 A32 8 13 A55 1397 A91 2057 A118 2997 A32 1/2 8 26 A56 1422 A92 2083 A120 3048 A33 8 38 A57 1448 A83 2108 A124 3150 A34 8 64 A58 1473 A83 1/2 2121 A125 3175 A34 1/2 8 76 A59 1499 A84 2134 A126 3200 A35 8 89 A60 1524 A84 1/2 2146 A128 3251 A35 1/2 9 02 A61 1549 A85 2159 A130 3302 A36 9 14 A62 1575 A86 2184 A132 3353 A37 9 40 A63 1600 A87 2210 A140 3556 A38 9 65 A65 1651 A89 2261 A148 3759 A38 1/2 9 78 A66 1676 A90 2286 A154 3912 A39991 A67 1702A912311A1624115A401 016 A68 1727 A92 2337 A167 4242 A41 1 041 A70 1778 A94 2388 A192 4877 A41 1/2 1054 A71 1803A952413A1975004*****顶宽: 17mm 最小轮径: 125mm 高度: 11mm Li(内长)= La(外长)-69mm* 角度: 40°Li(内长)= Lp(节园长)-43mm 型号 L i mm 型号Li mm型号 Li mm 型号 Li mm B23 5 84 B52 1321 B89 2261 B132 3353 B24 6 10 B53 1346 B90 2286 B136 3454 B25 6 35 B53 1/21359B91 2311 B140 3556 B26 6 60 B55 1397 B92 2337 B142 3607 B26 1/2 6 73 B56 1422 B93 2362 B146 3708 B27 6 86 B57 1448 B94 2388 B150 3810 B28 7 11 B58 1473 B94 1/2 2400 B151 3835 B29 7 37 B59 1499 B95 2413 B152 3861 B31 7 87 B60 1524 B96 2438 B155 3937 B32 8 13 B62 1575 B96 1/2 2451 B158 4013 B33 8 38 B63 1600 B98 2489 B160 4064 B341/2 8 76 B64 1626 B99 2515 B162 4115 B35 8 89 B65 1651 B101 2565 B164 4166 B37 9 40 B66 1676 B103 2616 B167 4242 B37 1/2 9 53 B67 1702 B104 2642 B168 4267 B38 9 65 B68 1727 B106 2692 B173 4394 B39 9 91 B69 1/21765B108 2743 B179 4547 B40 1 016 B70 1778 B109 2769 B180 4572 B41 1 041 B71 1803 B110 2794 B187 4750 B41 1/2 1 054 B73 1854 B111 2819 B191 4851 B42 1 067 B74 1880 B114 2896 B208 5283 B43 1 092 B78 1981 B116 2946 B226 5740 B44 1 118 B79 2007 B117 2972 B236 5994 B45 1 143 B81 2057 B118 2997 B238 6045 B45 1/2 1 156 B82 2083 B119 3023 B40 6096 B46 1 168 B83 2108 B120 3048 B248 6299 B481219 B85 2159B1253175B2807112B491 245 B86 2184 B126 3200 B298 7569 B50 1270 B88 2235B1283251B3458763***** 顶宽: 22mm 最小轮径: 120mm 高度: 14mm Li(内长)= La(外长)-88mm* 角度: 40°Li(内长)= Lp(节园长)-56mm 型号 Li mm 型号Li mm型号 Li mm 型号 Li mm C38 965 C75 1905 C110 2794 C160 4064 C43 1092 C78 1981 C111 2819 C166 4216 C47 1194 C80 2032 C112 2845 C168 4267 C48 1219 C81 2057 C114 2896 C173 4394 C49 1245 C83 2108 C115 2921 C180 4572 C50 1270 C84 2134 C116 2946 C185 4699 C51 1295 C85 2159 C117 2972 C187 4750 C53 1346 C86 2184 C120 3048 C190 4826 C54 1372 C87 2210 C122 3099 C198 5029 C57 1448 C88 2235 C126 3200 C200 5080 C59 1499 C89 2261 C130 3302 C204 5182 C60 1524 C90 2286 C132 3353 C208 5283 C62 1575 C91 2311 C136 3454 C210 5334 C63 1600 C92 2337 C138 3505 C220 5588 C64 1626 C93 2362 C140 3556 C225 5715 C65 1651 C95 2413 C142 3607 C238 6045 C66 1676 C96 2438 C144 3658 C240 6096 C67 1702 C99 2515 C146 3708 C264 6706 C68 1727 C 101 2565 C148 3759 C280 7112 C69 1753 C 102 2591 C149 3785 C295 7493 C70 1778 C 104 2642 C150 3810 C320 8128 C71 1803 C 105 2667 C152 3861 C328 8331 C72 1829 C 106 2692 C153 3886 C418 10617 C741880C 108 2743C158 4013C65816713*****顶宽: 32mm 最小轮径: 355mm 高度: 19mm Li(内长)= La(外长)-119mm* 角度: 40° Li(内长)= Lp(节园长)-79mm型号L i mm 型 号 Li mm 型号 Li mm 型号 Li mm D112 2 845 D 145 3683 D220 5588 D298 7569 D120 3 048 D 152 3861 D230 5842 D300 7620 D122 3 099 D 158 4013 D248 6299 D303 7696 D126 3 200 D 173 4394 D250 6350 D314 7976 D134 3 404 D 174 4420 D264 6706 D342 8687 D136 3 454 D 180 4572 D265 6731 D355 9017 D138 3 505 D 183 4648 D270 6858 D358 9093 D141 3581 D 200 5080D2807112D3609144*****顶宽: 10mm 最小轮径: 50mm 高度: 6mmLi(内长)= La(外长)-38mm * 角度: 40° Li(内长)= Lp(节园长)-22mm 型号 L i mm 型 号 Li mm 型号 Li mm 型号 Li mm Z11 2 79 Z28 1/2724Z43 1092 Z63 1600 Z12 3 05 Z 29 737 Z43 1/2 1105 Z64 1626 Z13.5 3 43 Z 30 762 Z44 1118 Z65 1651 Z14 3 56 Z 31 787 Z45 1143 Z66 1676 Z15 3 81 Z 32 813 Z46 1168 Z68 1727 Z17 4 32 Z 33 838 Z48 1219 Z69 1753 Z18 4 57 Z 33.5 851 Z49 1245 Z70 1778 Z19 4 83 Z 34 864 Z50 1270 Z71 1803 Z19 3/4 5 02 Z 35 889 Z51 1295 Z72 1829 Z20 5 08 Z35 1/2902Z52 1321 Z73 1854 Z21 5 33 Z 36 914 Z54 1372 Z75 1905 Z21 1/4 5 40 Z 38 965 Z55 1397 Z78 1981 Z22 5 59 Z38 1/2978Z56 1422 Z79 2007 Z23 5 84 Z 39 991 Z57 1448 Z80 2032 Z24 6 10 Z 40 1016 Z58 1473 Z88 2235 Z25 6 35 Z 40 1/2 1029 Z59 1499 Z93 2362 Z26 6 60 Z41 121054Z60 1524 Z28711 Z 42 1067Z621575顶宽皮带型号高度角度标测长度外周长Z10640ºLi (内周长)Li+38mm A13840ºLi Li+50mm B171140ºLi Li+69mm C221440ºLi Li+88mm D322040ºLi Li+119mm 详细尺寸SPZ10840ºLp (节圆长)Lp+13mm SPA131040ºLp Lp+18mm SPB171340ºLp Lp+20mm SPC221840ºLp Lp+30mm 详细尺寸3V9.7840ºLa (外周长)5V161440ºLa8V252340ºLa详细尺寸。
三角带的型号及规格三角带的型号有:普通型O A B C D E 3V 5V 8V普通加强型AX BX CX DX EX 3VX 5VX 8VX窄V带SPZ SPA SPB SPC强力窄V带XPA XPB XPC三角带的每一个型号规定了三角带的断面尺寸:A型三角带的断面尺寸是:顶端宽度13mm、厚度为8mm;B型三角带的断面尺寸是:顶端宽度17MM,厚度为10.5MM;C型三角带的断面尺寸是:顶端宽度22MM,厚度为13.5MM;D型三角带的断面尺寸是:顶端宽度21.5MM,厚度为19MM;E型三角带的断面尺寸是:顶端宽度38MM,厚度为25.5MM。
对应尺寸(宽*高):O(10*6)、A(12.5*9)、B(16.5*11)、C(22*14)、D(21.5*19)、E(38*25.5)。
三角带胶带长度计算公式:周长L=2C+1.57(D+d)+(D-d)2/4CC:两轮中心距离 D:大轮直径 d:小轮直径正确的检查方法是:用手在每条胶带中部,施加2千克左右的垂直压力,下沉量为(20-- 30)毫米为宜,不合适时要及时进行调整。
皮带传动主要有:平皮带、三角带、同步齿型带三种例如:国家标准规定了三角皮带的型号有O、A、B、C、D、E、F七种型号,相应的皮带轮轮槽角度有三种34°、36°、38°,同时规定了每种型号三角带对应每种轮槽角度的小皮带轮的最小直径,但大皮带轮未作规定。
皮带轮的槽角分34度、36度、38度,具体的选择要根据带轮的槽型和基准直径选择;皮带轮的槽角跟皮带轮的直径有关系,不同型号的皮带轮的槽角在不同直径范围下的推荐皮带轮槽角度数如下:O型皮带轮在带轮直径范围在50mm~71mm时为34度;在71mm~90mm时为36度, >90mm时为38度; A型皮带轮在带轮直径范围在71mm~100mm时为34度,100mm~125mm时为36度;>125mm时为38度; B型皮带轮在带轮直径范围在 125mm~160mm时为34度;160mm~200mm时为36度,>200mm时为38度; C型皮带轮在带轮直径范围在200mm~250mm时为34度,250mm~315mm时为36度,>315mm时为38度;D型皮带轮在带轮直径范围在 355mm~450mm时为36度,>450mm时为38度;E型 500mm~630mm时为36度,>630mm时为38度。
标准三角带 A,B,C,D,Z* 防油,抗静电* 工作温度: -18℃至 +70℃* 最大线性速度: 30米/ 秒* 顶宽: 13mm* 最小轮径: 75mm* 高度: 8mm* Li(内长)= La(外长)-50mm* 角度: 40°* Li(内长)= Lp(节园长)-36mm 型号Li mm型号Li mm型号Li mm型号Li mm A15381 A421067 A721829 A962438 A18457 A431092 A741880 A982489 A20508 A43 1/21105 A751905 A992515 A22559 A441118 A761930 A1012565 A23584 A451143 A771956 A1022591 A23 1/2597 A45 1/21156 A781727 A1032616 A24610 A461168 A791753 A1042642 A25635 A46 1/21181 A801778 A1052667 A26660 A471194 A811803 A1072718 A27686 A481219 A831854 A1082743 A28711 A491245 A851905 A1102794 A29737 A501270 A861930 A1122845 A29 1/2749 A511295 A871956 A1132870A30762 A521321 A881981 A1142896 A31787 A531346 A892007 A1152921 A32813 A551397 A912057 A1182997 A32 1/2826 A561422 A922083 A1203048 A33838 A571448 A832108 A1243150 A34864 A581473 A83 1/22121 A1253175 A34 1/2876 A591499 A842134 A1263200 A35889 A601524 A84 1/22146 A1283251 A35 1/2902 A611549 A852159 A1303302 A36914 A621575 A862184 A1323353 A37940 A631600 A872210 A1403556 A38965 A651651 A892261 A1483759 A38 1/2978 A661676 A902286 A1543912 A39991 A671702 A912311 A1624115 A401016 A681727 A922337 A1674242 A411041 A701778 A942388 A1924877 A41 1/21054 A711803 A952413 A1975004* 顶宽: 17mm* 最小轮径: 125mm* 高度: 11mm* Li(内长)= La(外长)-69mm* 角度: 40°* Li(内长)= Lp(节园长)-43mm 型号Li mm型号Li mm型号Li mm型号Li mmB45 1/21156 B822083 B1193023 B406096 B461168 B832108 B1203048 B2486299 B481219 B852159 B1253175 B2807112 B491245 B862184 B1263200 B2987569 B501270 B882235 B1283251 B3458763* 顶宽: 22mm* 最小轮径: 120mm* 高度: 14mm* Li(内长)= La(外长)-88mm* 角度: 40°* Li(内长)= Lp(节园长)-56mm 型号Li mm型号Li mm型号Li mm型号Li mm C38965 C751905 C1102794 C1604064 C431092 C781981 C1112819 C1664216 C471194 C802032 C1122845 C1684267 C481219 C812057 C1142896 C1734394 C491245 C832108 C1152921 C1804572 C501270 C842134 C1162946 C1854699 C511295 C852159 C1172972 C1874750 C531346 C862184 C1203048 C1904826 C541372 C872210 C1223099 C1985029 C571448 C882235 C1263200 C2005080 C591499 C892261 C1303302 C2045182 C601524 C902286 C1323353 C2085283C621575 C912311 C1363454 C2105334 C631600 C922337 C1383505 C2205588 C641626 C932362 C1403556 C2255715 C651651 C952413 C1423607 C2386045 C661676 C962438 C1443658 C2406096 C671702 C992515 C1463708 C2646706 C681727 C1012565 C1483759 C2807112 C691753 C1022591 C1493785 C2957493 C701778 C1042642 C1503810 C3208128 C711803 C1052667 C1523861 C3288331 C721829 C1062692 C1533886 C41810617 C741880 C1082743 C1584013 C65816713* 顶宽: 32mm* 最小轮径: 355mm* 高度: 19mm* Li(内长)= La(外长)-119mm* 角度: 40°* Li(内长)= Lp(节园长)-79mm 型号Li mm型号Li mm型号Li mm型号Li mm D1122845 D1453683 D2205588 D2987569 D1203048 D1523861 D2305842 D3007620 D1223099 D1584013 D2486299 D3037696 D1263200 D1734394 D2506350 D3147976 D1343404 D1744420 D2646706 D3428687 D1363454 D1804572 D2656731 D3559017D1383505 D1834648 D2706858 D3589093 D1413581 D2005080 D2807112 D3609144* 顶宽: 10mm* 最小轮径: 50mm* 高度: 6mm* Li(内长)= La(外长)-38mm* 角度: 40°* Li(内长)= Lp(节园长)-22mm 型号Li mm型号Li mm型号Li mm型号Li mm Z11279 Z28 1/2724 Z431092 Z631600 Z12305 Z29737 Z43 1/21105 Z641626 343 Z30762 Z441118 Z651651 Z14356 Z31787 Z451143 Z661676 Z15381 Z32813 Z461168 Z681727 Z17432 Z33838 Z481219 Z691753 Z18457 851 Z491245 Z701778 Z19483 Z34864 Z501270 Z711803 Z19 3/4502 Z35889 Z511295 Z721829 Z20508 Z35 1/2902 Z521321 Z731854 Z21533 Z36914 Z541372 Z751905 Z21 1/4540 Z38965 Z551397 Z781981 Z22559 Z38 1/2978 Z561422 Z792007 Z23584 Z39991 Z571448 Z802032 Z24610 Z401016 Z581473 Z882235Z25635 Z40 1/21029 Z591499 Z932362 Z26660 Z41 121054 Z601524Z28711 Z421067 Z621575皮带型号顶宽高度角度标测长度外周长Z10640ºLi (内周长)Li+38mm A13840ºLi Li+50mm B171140ºLi Li+69mm C221440ºLi Li+88mm D322040ºLi Li+119mm 详细尺寸SPZ10840ºLp (节圆长)Lp+13mm SPA131040ºLp Lp+18mm SPB171340ºLp Lp+20mm SPC221840ºLp Lp+30mm 详细尺寸3V840ºLa (外周长)5V161440ºLa8V252340ºLa详细尺寸。
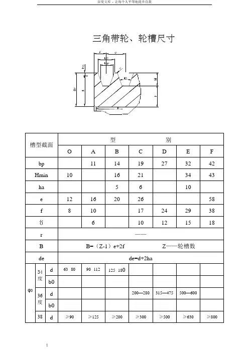
三角带轮、轮槽尺寸
注:
1.尺寸b0的误差按h1
2.
2.槽角φ0的误差对O,A,B型为正负1度,C,D,E,F型为正负30分。
3.轮槽工作表面光洁度▽5(d>300毫米)或▽6(d≤300毫米)。
4.对于活络三角胶带为使螺钉头不与槽底相碰,H应适当加大。
活络三角带小皮带轮最小直径d min(毫米)
活络三角带单根胶带所能传递的功率P0
(千瓦)
注:P0值尚无靠得住资料,表中数值仅供参考。
活络三角胶带带轮见三角带带轮部份。
三角胶带带轮最小直径 d min (毫米)
三角带轮的计算直径
注:++——优先选用, +——能够选用。
三角带轮材料
1.铸铁,钢,铝合金和工程塑料,
2.应用灰口铸铁最广,一般为HT15——33,在重要场
合或带轮速度较高时,可用HT20——40。
三角胶带型号及截面尺寸(按GB1171——74)
mm。
三角带尺寸与长度-CAL-FENGHAI.-(YICAI)-Company One1* 顶宽: 13mm* 最小轮径: 75mm* 高度: 8mm* 长度 (内长)= La(外长)-50mm* 角度: 40°*长度(内长)= Lp(节园长)-36mm 型号长度型号长度型号长度型号长度A15381 A421067 A721829 A962438 A18457 A431092 A741880 A982489 A20508 A43 1/21105 A751905 A992515 A22559 A441118 A761930 A1012565 A23584 A451143 A771956 A1022591 A23 1/2597 A45 1/21156 A781727 A1032616 A24610 A461168 A791753 A1042642 A25635 A46 1/21181 A801778 A1052667 A26660 A471194 A811803 A1072718 A27686 A481219 A831854 A1082743 A28711 A491245 A851905 A1102794 A29737 A501270 A861930 A1122845 A29 1/2749 A511295 A871956 A1132870 A30762 A521321 A881981 A1142896 A31787 A531346 A892007 A1152921 A32813 A551397 A912057 A1182997 A32 1/2826 A561422 A922083 A1203048 A33838 A571448 A832108 A1243150 A34864 A581473 A83 1/22121 A1253175 A34 1/2876 A591499 A842134 A1263200 A35889 A601524 A84 1/22146 A1283251 A35 1/2902 A611549 A852159 A1303302 A36914 A621575 A862184 A1323353 A37940 A631600 A872210 A1403556 A38965 A651651 A892261 A1483759 A38 1/2978 A661676 A902286 A1543912 A39991 A671702 A912311 A1624115 A401016 A681727 A922337 A1674242 A411041 A701778 A942388 A1924877 A41 1/21054 A711803 A952413 A1975004* 顶宽: 17mm* 最小轮径: 125mm* 高度: 11mm*长度i(内长)= La(外长)-69mm* 角度: 40°*长度(内长)= Lp(节园长)-43mm 型号长度型号长度mm型号长度mm型号长度 mm B23584 B521321 B892261 B1323353 B24610 B531346 B902286 B1363454 B25635 B53 1/21359 B912311 B1403556 B26660 B551397 B922337 B1423607 B26 1/2673 B561422 B932362 B1463708 B27686 B571448 B942388 B1503810B28711 B581473 B94 1/22400 B1513835 B29737 B591499 B952413 B1523861 B31787 B601524 B962438 B1553937 B32813 B621575 B96 1/22451 B1584013 B33838 B631600 B982489 B1604064 B341/2876 B641626 B992515 B1624115 B35889 B651651 B1012565 B1644166 B37940 B661676 B1032616 B1674242 B37 1/2953 B671702 B1042642 B1684267 B38965 B681727 B1062692 B1734394 B39991 B69 1/21765 B1082743 B1794547 B401016 B701778 B1092769 B1804572 B411041 B711803 B1102794 B1874750 B41 1/21054 B731854 B1112819 B1914851 B421067 B741880 B1142896 B2085283 B431092 B781981 B1162946 B2265740 B441118 B792007 B1172972 B2365994 B451143 B812057 B1182997 B2386045 B45 1/21156 B822083 B1193023 B406096 B461168 B832108 B1203048 B2486299 B481219 B852159 B1253175 B2807112 B491245 B862184 B1263200 B2987569 B501270 B882235 B1283251 B3458763* 顶宽: 22mm* 最小轮径: 120mm* 高度: 14mm*长度(内长)= La(外长)-88mm* 角度: 40°*长度(内长)= Lp(节园长)-56mm 型号长度mm型号长度 mm型号长度i mm型号长度mm C38965 C751905 C1102794 C1604064 C431092 C781981 C1112819 C1664216 C471194 C802032 C1122845 C1684267 C481219 C812057 C1142896 C1734394 C491245 C832108 C1152921 C1804572 C501270 C842134 C1162946 C1854699 C511295 C852159 C1172972 C1874750 C531346 C862184 C1203048 C1904826 C541372 C872210 C1223099 C1985029 C571448 C882235 C1263200 C2005080 C591499 C892261 C1303302 C2045182 C601524 C902286 C1323353 C2085283 C621575 C912311 C1363454 C2105334 C631600 C922337 C1383505 C2205588 C641626 C932362 C1403556 C2255715 C651651 C952413 C1423607 C2386045 C661676 C962438 C1443658 C2406096 C671702 C992515 C1463708 C2646706 C681727 C1012565 C1483759 C2807112C691753 C1022591 C1493785 C2957493 C701778 C1042642 C1503810 C3208128 C711803 C1052667 C1523861 C3288331 C721829 C1062692 C1533886 C41810617 C741880 C1082743 C1584013 C65816713* 顶宽: 32mm* 最小轮径: 355mm* 高度: 19mm*长度(内长)= La(外长)-119mm* 角度: 40°*长度(内长)= Lp(节园长)-79mm 型号长度mm型号长度mm型号长度mm型号长度mm D1122845 D1453683 D2205588 D2987569 D1203048 D1523861 D2305842 D3007620 D1223099 D1584013 D2486299 D3037696 D1263200 D1734394 D2506350 D3147976 D1343404 D1744420 D2646706 D3428687 D1363454 D1804572 D2656731 D3559017 D1383505 D1834648 D2706858 D3589093 D1413581 D2005080 D2807112 D3609144皮带型号顶宽高度角度标测长度外周长Z10640o Li (内周长)Li+38mm A13840o Li Li+50mm B171140o Li Li+69mm C221440o Li Li+88mm D322040o Li Li+119mm 详细尺寸SPZ10840o Lp (节圆长)Lp+13mm SPA131040o Lp Lp+18mm SPB171340o Lp Lp+20mm SPC221840o Lp Lp+30mm 详细尺寸3V840o La (外周长)5V161440o La8V252340o La详细尺寸。
标准三角带A,B,C,D,Z* 防油,抗静电* 工作温度: -18℃至+70℃* 最大线性速度: 30米/ 秒* 顶宽: 13mm * 最小轮径: 75mm* 高度: 8mm * Li(内长)= La(外长)-50mm* 角度: 40°* Li(内长)= Lp(节园长)-36mm 型号Li mm 型号Li mm 型号Li mm 型号Li mm A15 381 A42 1067 A72 1829 A96 2438 A18 457 A43 1092 A74 1880 A98 2489 A20 508 A43 1/2 1105 A75 1905 A99 2515 A22 559 A44 1118 A76 1930 A101 2565 A23 584 A45 1143 A77 1956 A102 2591 A23 1/2 597 A45 1/2 1156 A78 1727 A103 2616 A24 610 A46 1168 A79 1753 A104 2642 A25 635 A46 1/2 1181 A80 1778 A105 2667 A26 660 A47 1194 A81 1803 A107 2718 A27 686 A48 1219 A83 1854 A108 2743 A28 711 A49 1245 A85 1905 A110 2794 A29 737 A50 1270 A86 1930 A112 2845 A29 1/2 749 A51 1295 A87 1956 A113 2870 A30 762 A52 1321 A88 1981 A114 2896 A31 787 A53 1346 A89 2007 A115 2921 A32 813 A55 1397 A91 2057 A118 2997 A32 1/2 826 A56 1422 A92 2083 A120 3048 A33 838 A57 1448 A83 2108 A124 3150 A34 864 A58 1473 A83 1/2 2121 A125 3175 A34 1/2 876 A59 1499 A84 2134 A126 3200 A35 889 A60 1524 A84 1/2 2146 A128 3251 A35 1/2 902 A61 1549 A85 2159 A130 3302 A36 914 A62 1575 A86 2184 A132 3353 A37 940 A63 1600 A87 2210 A140 3556 A38 965 A65 1651 A89 2261 A148 3759 A38 1/2 978 A66 1676 A90 2286 A154 3912 A39 991 A67 1702 A91 2311 A162 4115 A40 1016 A68 1727 A92 2337 A167 4242A41 1041 A70 1778 A94 2388 A192 4877 A41 1/2 1054 A71 1803 A95 2413 A197 5004* 顶宽: 17mm * 最小轮径: 125mm* 高度: 11mm * Li(内长)= La(外长)-69mm* 角度: 40°* Li(内长)= Lp(节园长)-43mm型号Li mm 型号Li mm 型号Li mm 型号Li mm B23 584 B52 1321 B89 2261 B132 3353 B24 610 B53 1346 B90 2286 B136 3454 B25 635 B53 1/2 1359 B91 2311 B140 3556 B26 660 B55 1397 B92 2337 B142 3607 B26 1/2 673 B56 1422 B93 2362 B146 3708 B27 686 B57 1448 B94 2388 B150 3810 B28 711 B58 1473 B94 1/2 2400 B151 3835 B29 737 B59 1499 B95 2413 B152 3861 B31 787 B60 1524 B96 2438 B155 3937 B32 813 B62 1575 B96 1/2 2451 B158 4013 B33 838 B63 1600 B98 2489 B160 4064 B341/2 876 B64 1626 B99 2515 B162 4115 B35 889 B65 1651 B101 2565 B164 4166 B37 940 B66 1676 B103 2616 B167 4242 B37 1/2 953 B67 1702 B104 2642 B168 4267 B38 965 B68 1727 B106 2692 B173 4394 B39 991 B69 1/2 1765 B108 2743 B179 4547 B40 1016 B70 1778 B109 2769 B180 4572 B41 1041 B71 1803 B110 2794 B187 4750 B41 1/2 1054 B73 1854 B111 2819 B191 4851 B42 1067 B74 1880 B114 2896 B208 5283 B43 1092 B78 1981 B116 2946 B226 5740 B44 1118 B79 2007 B117 2972 B236 5994 B45 1143 B81 2057 B118 2997 B238 6045 B45 1/2 1156 B82 2083 B119 3023 B40 6096 B46 1168 B83 2108 B120 3048 B248 6299 B48 1219 B85 2159 B125 3175 B280 7112 B49 1245 B86 2184 B126 3200 B298 7569 B50 1270 B88 2235 B128 3251 B345 8763* 顶宽: 22mm * 最小轮径: 120mm* 高度: 14mm * Li(内长)= La(外长)-88mm* 角度: 40°* Li(内长)= Lp(节园长)-56mm型号Li mm 型号Li mm 型号Li mm 型号Li mm C38 965 C75 1905 C110 2794 C160 4064 C43 1092 C78 1981 C111 2819 C166 4216 C47 1194 C80 2032 C112 2845 C168 4267 C48 1219 C81 2057 C114 2896 C173 4394 C49 1245 C83 2108 C115 2921 C180 4572 C50 1270 C84 2134 C116 2946 C185 4699 C51 1295 C85 2159 C117 2972 C187 4750 C53 1346 C86 2184 C120 3048 C190 4826 C54 1372 C87 2210 C122 3099 C198 5029 C57 1448 C88 2235 C126 3200 C200 5080 C59 1499 C89 2261 C130 3302 C204 5182 C60 1524 C90 2286 C132 3353 C208 5283 C62 1575 C91 2311 C136 3454 C210 5334 C63 1600 C92 2337 C138 3505 C220 5588 C64 1626 C93 2362 C140 3556 C225 5715 C65 1651 C95 2413 C142 3607 C238 6045 C66 1676 C96 2438 C144 3658 C240 6096 C67 1702 C99 2515 C146 3708 C264 6706 C68 1727 C101 2565 C148 3759 C280 7112 C69 1753 C102 2591 C149 3785 C295 7493 C70 1778 C104 2642 C150 3810 C320 8128 C71 1803 C105 2667 C152 3861 C328 8331 C72 1829 C106 2692 C153 3886 C418 10617 C74 1880 C108 2743 C158 4013 C658 16713* 顶宽: 32mm * 最小轮径: 355mm* 高度: 19mm * Li(内长)= La(外长)-119mm* 角度: 40°* Li(内长)= Lp(节园长)-79mm型号Li mm 型号Li mm 型号Li mm 型号Li mm D112 2845 D145 3683 D220 5588 D298 7569 D120 3048 D152 3861 D230 5842 D300 7620 D122 3099 D158 4013 D248 6299 D303 7696 D126 3200 D173 4394 D250 6350 D314 7976D134 3404 D174 4420 D264 6706 D342 8687 D136 3454 D180 4572 D265 6731 D355 9017 D138 3505 D183 4648 D270 6858 D358 9093 D141 3581 D200 5080 D280 7112 D360 9144* 顶宽: 10mm * 最小轮径: 50mm* 高度: 6mm * Li(内长)= La(外长)-38mm* 角度: 40°* Li(内长)= Lp(节园长)-22mm型号Li mm 型号Li mm 型号Li mm 型号Li mm Z11 279 Z28 1/2 724 Z43 1092 Z63 1600 Z12 305 Z29 737 Z43 1/2 1105 Z64 1626 Z13.5 343 Z30 762 Z44 1118 Z65 1651 Z14 356 Z31 787 Z45 1143 Z66 1676 Z15 381 Z32 813 Z46 1168 Z68 1727 Z17 432 Z33 838 Z48 1219 Z69 1753 Z18 457 Z33.5 851 Z49 1245 Z70 1778 Z19 483 Z34 864 Z50 1270 Z71 1803 Z19 3/4 502 Z35 889 Z51 1295 Z72 1829 Z20 508 Z35 1/2 902 Z52 1321 Z73 1854 Z21 533 Z36 914 Z54 1372 Z75 1905 Z21 1/4 540 Z38 965 Z55 1397 Z78 1981 Z22 559 Z38 1/2 978 Z56 1422 Z79 2007 Z23 584 Z39 991 Z57 1448 Z80 2032 Z24 610 Z40 1016 Z58 1473 Z88 2235 Z25 635 Z40 1/2 1029 Z59 1499 Z93 2362 Z26 660 Z41 12 1054 Z60 1524Z28 711 Z42 1067 Z62 1575皮带型号顶宽高度角度标测长度外周长Z10640ºLi (内周长)Li+38mmA13840ºLi Li+50mmB171140ºLi Li+69mmC221440ºLi Li+88mmD322040ºLi Li+119mm详细尺寸SPZ10840ºLp (节圆长)Lp+13mm SPA131040ºLp Lp+18mm SPB171340ºLp Lp+20mm SPC221840ºLp Lp+30mm 详细尺寸3V9.7840ºLa (外周长)5V161440ºLa8V252340ºLa详细尺寸以下信息为同步带参数规格:同步带型号规格大全简要说明:凯奥公司为凯奥实业下属直属企业,传承于XX,在大陆拥有自己生产工厂,主要生产,销售各种材质、型号的三角带、同步带、平面带、输送带、圆带、多沟带、铁氟龙网带、活络带。
三角皮带型号对照表1. 介绍三角皮带是一种常见的传动元件,广泛应用于机械设备的传动系统中。
不同型号的三角皮带具有不同的尺寸和性能特征,根据实际需求选择合适的三角皮带对于确保传动系统的正常运行至关重要。
为了方便用户选择合适的三角皮带,制定了一份三角皮带型号对照表,旨在帮助用户更好地了解各种三角皮带的型号、尺寸和适用范围。
本文档将详细介绍该三角皮带型号对照表,并提供几个三角皮带型号的示例说明。
2. 三角皮带型号对照表以下是三角皮带型号对照表的一部分,包含了几个常见的三角皮带型号及其尺寸和适用范围:型号外周长度(mm)剖面尺寸(mm)适用范围SPZ63010 x 8用于小型传动设备,如家用电器、小型机床等SPA106713 x 10用于中小型传动设备,如空调、水泵等SPB193017 x 13用于中型传动设备,如大型机床、压缩机等SPC307022 x 18用于大型传动设备,如发电机组、水泥生产线等3. 三角皮带型号示例3.1 SPZ三角皮带SPZ三角皮带是一种小型皮带,具有10mm x 8mm的剖面尺寸和630mm的外周长度。
它适用于小型传动设备,如家用电器、小型机床等。
SPZ三角皮带由高品质的橡胶材料制成,具有良好的耐磨性和耐用性。
3.2 SPA三角皮带SPA三角皮带是一种中小型皮带,具有13mm x 10mm的剖面尺寸和1067mm的外周长度。
它适用于中小型传动设备,如空调、水泵等。
SPA三角皮带采用优质橡胶材料制造,具有良好的抗拉强度和耐高温性能。
3.3 SPB三角皮带SPB三角皮带是一种中型皮带,具有17mm x 13mm的剖面尺寸和1930mm的外周长度。
它适用于中型传动设备,如大型机床、压缩机等。
SPB三角皮带采用优质橡胶材料制造,具有较大的承载能力和稳定的传动效果。
3.4 SPC三角皮带SPC三角皮带是一种大型皮带,具有22mm x 18mm的剖面尺寸和3070mm的外周长度。
它适用于大型传动设备,如发电机组、水泥生产线等。
三角带轮、轮槽尺寸注:1.尺寸b0的偏差按h12.2.槽角φ0的偏差对O,A,B型为正负1度,C,D,E,F型为正负30分。
3.轮槽工作表面光洁度▽5(d>300毫米)或▽6(d≤300毫米)。
4.对于活络三角胶带为使螺钉头不与槽底相碰,H应适当加大。
活络三角带小皮带轮最小直径d min(毫米)活络三角带单根胶带所能传递的功率P0 (千瓦)活络三角胶带带轮见三角带带轮部分。
三角胶带带轮最小直径 d min (毫米)三角带轮的计算直径注:++——优先选用, +——可以选用。
三角带轮材料1.铸铁,钢,铝合金以及工程塑料,2.应用灰口铸铁最广,一般为HT15——33,在重要场合或带轮速度较高时,可用HT20——40。
三角胶带型号及截面尺寸(按GB1171——74)mm普通型O A B C D E 3V 5V 8V,普通加强型AX BX CX DX EX 3VX 5VX 8VX,窄V带SPZ SPA SPB SPC,强力窄V带XPA XPB XPC;三角带的每一个型号规定了三角带的断面尺寸,A型三角带的断面尺寸是:顶端宽度13mm、厚度为8mm;B型三角带的断面尺寸是:顶端宽皮带轮度17MM,厚度为10.5MM;C型三角带的断面尺寸是:顶端宽度22MM,厚度为13.5MM;D型三角带的断面尺寸是:顶端宽度21.5MM,厚度为19MM;E型三角带的断面尺寸是:顶端宽度38MM,厚度为25.5MM。
对应尺寸(宽*高):O(10*6)、A(12.5*9)、B(16.5*11)、C(22*14)、D(21.5*19)、E(38*25.5)。
国家标准规定了三角皮带的型号有O、A、B、C、D、E、F七种型号,相应的皮带轮轮槽角度有三种34°、36°、38°,同时规定了每种型号三角带对应每种轮槽角度的小皮带轮的最小直径,大皮带轮未作规定。
皮带轮的槽角分为32度34度36度38度,具体的选择要根据带轮的槽型和基准直径选择;皮带轮的槽角跟皮带轮的直径有关系,不同型号的皮带轮的槽角在不同直径范围下的推荐皮带轮槽角度数如下:O型皮带轮在带轮直径范围在50mm~71mm时为34度;在71mm~90mm时为36度,>90mm时为38度;A 型皮带轮在带轮直径范围在71mm~100mm时为34度,100mm~125mm时为36度;>125mm时为38度;B型皮带轮在带轮直径范围在125mm~160mm时为34度;160mm~200mm时为36度,>200mm时为38度;C型皮带轮在带轮直径范围在200mm~250mm时为34度,250mm~315mm时为36度,>315mm时为38度;D型皮带轮在带轮直径范围在355mm~450mm时为36度,>450mm时为38度;E型500mm~630mm时为36度,>630mm时为38度。
时间:2021.03.02 创作:欧阳数* 顶宽:13mm* 最小轮径: 75mm* 高度: 8mm * 长度(内长)= La(外长)-50mm* 角度: 40°*长度(内长)= Lp(节园长)-36mm型号长度型号长度型号长度型号长度A15 381 A42 1067 A72 1829 A96 2438 A18 457 A43 1092 A74 1880 A98 2489 A20 508 A43 1/2 1105 A75 1905 A99 2515 A22 559 A44 1118 A76 1930 A101 2565 A23 584 A45 1143 A77 1956 A102 2591 A23 1/2 597 A45 1/2 1156 A78 1727 A103 2616 A24 610 A46 1168 A79 1753 A104 2642 A25 635 A46 1/2 1181 A80 1778 A105 2667 A26 660 A47 1194 A81 1803 A107 2718 A27 686 A48 1219 A83 1854 A108 2743 A28 711 A49 1245 A85 1905 A110 2794 A29 737 A50 1270 A86 1930 A112 2845 A29 1/2 749 A51 1295 A87 1956 A113 2870 A30 762 A52 1321 A88 1981 A114 2896 A31 787 A53 1346 A89 2007 A115 2921 A32 813 A55 1397 A91 2057 A118 2997 A32 1/2 826 A56 1422 A92 2083 A120 3048 A33 838 A57 1448 A83 2108 A124 3150 A34 864 A58 1473 A83 1/2 2121 A125 3175 A34 1/2 876 A59 1499 A84 2134 A126 3200 A35 889 A60 1524 A84 1/2 2146 A128 3251 A35 1/2 902 A61 1549 A85 2159 A130 3302 A36 914 A62 1575 A86 2184 A132 3353 A37 940 A63 1600 A87 2210 A140 3556 A38 965 A65 1651 A89 2261 A148 3759 A38 1/2 978 A66 1676 A90 2286 A154 3912 A39 991 A67 1702 A91 2311 A162 4115A40 1016 A68 1727 A92 2337 A167 4242 A41 1041 A70 1778 A94 2388 A192 4877 A41 1/2 1054 A71 1803 A95 2413 A197 5004* 顶宽:17mm* 最小轮径: 125mm* 高度: 11mm *长度i(内长)= La(外长)-69mm* 角度: 40°*长度(内长)= Lp(节园长)-43mm型号长度型号长度mm 型号长度mm型号长度mmB23 584 B52 1321 B89 2261 B1323353B24 610 B53 1346 B90 2286 B1363454B25 635 B53 1/2 1359 B91 2311 B143556B26 660 B55 1397 B92 2337 B1423607B26 1/2 673 B56 1422 B93 2362 B1463708B27 686 B57 1448 B94 2388 B153810B28 711 B58 1473 B94 1/2 2400 B1513835B29 737 B59 1499 B95 2413 B1523861B31 787 B60 1524 B96 2438 B1553937B32 813 B62 1575 B96 1/2 2451 B1584013B33 838 B63 1600 B98 2489 B164064B341/2 876 B64 1626 B99 2515 B1624115B35 889 B65 1651 B101 2565 B1644166B37 940 B66 1676 B103 2616 B1674242B37 1/2 953 B67 1702 B104 2642 B1684267B38 965 B68 1727 B106 2692 B1734394B39 991 B69 1/2 1765 B108 2743 B1794547B40 1016B70 1778 B109 2769B184572B41 1041B71 1803 B110 2794B1874750B41 1/2 1054B73 1854 B111 2819B1914851B42 1067B74 1880 B114 2896B2085283B43 1092B78 1981 B116 2946B2265740B44 1118B79 2007 B117 2972B2365994B45 1143B81 2057 B118 2997B2386045B45 1/2 1156B82 2083 B119 3023 B40 6096B46 1168B83 2108 B120 3048B2486299B48 1219B85 2159 B125 3175B287112B49 1245B86 2184 B126 3200B2987569B50 127B88 2235 B128 3251B3458763* 顶宽:22mm* 最小轮径: 120mm* 高度:14mm*长度(内长)= La(外长)-88mm* 角度: 40°*长度(内长)= Lp(节园长)-56mm型号长度mm 型号长度mm 型号长度imm型号长度mmC38 965 C75 1905 C110 2794 C160 4064 C43 1092 C78 1981 C111 2819 C166 4216 C47 1194 C80 2032 C112 2845 C168 4267 C48 1219 C81 2057 C114 2896 C173 4394 C49 1245 C83 2108 C115 2921 C180 4572 C50 1270 C84 2134 C116 2946 C185 4699 C51 1295 C85 2159 C117 2972 C187 4750 C53 1346 C86 2184 C120 3048 C190 4826 C54 1372 C87 2210 C122 3099 C198 5029 C57 1448 C88 2235 C126 3200 C200 5080 C59 1499 C89 2261 C130 3302 C204 5182 C60 1524 C90 2286 C132 3353 C208 5283 C62 1575 C91 2311 C136 3454 C210 5334 C63 1600 C92 2337 C138 3505 C220 5588 C64 1626 C93 2362 C140 3556 C225 5715 C65 1651 C95 2413 C142 3607 C238 6045 C66 1676 C96 2438 C144 3658 C240 6096 C67 1702 C99 2515 C146 3708 C264 6706 C68 1727 C101 2565 C148 3759 C280 7112 C69 1753 C102 2591 C149 3785 C295 7493 C70 1778 C104 2642 C150 3810 C320 8128 C71 1803 C105 2667 C152 3861 C328 8331 C72 1829 C106 2692 C153 3886 C418 10617 C74 1880 C108 2743 C158 4013 C658 16713* 顶宽:32mm* 最小轮径: 355mm* 高度: 19mm *长度(内长)= La(外长)-119mm* 角度: 40°*长度(内长)= Lp(节园长)-79mm型号长度mm 型号长度mm 型号长度mm型号长度mmD112 2845 D143683 D220 558D2975695 8 8D120 3048 D1523861 D2305842D307620D122 3099 D1584013 D2486299D3037696D126 3200 D1734394 D250635D3147976D134 3404 D1744420 D2646706D3428687D136 3454 D184572 D2656731D3559017D138 3505 D1834648 D2706858D3589093D141 3581 D205080 D2807112D369144皮带型号顶宽高度角度标测长度外周长Z10640ºLi (内周长)Li+38mm A13840ºLi Li+50mm B171140ºLi Li+69mm C221440ºLi Li+88mm D322040ºLi Li+119mm 详细尺寸SPZ10840ºLp (节圆长)Lp+13mm SPA131040ºLp Lp+18mm SPB171340ºLp Lp+20mm SPC221840ºLp Lp+30mm 详细尺寸3V9.7840ºLa (外周长)5V161440ºLa8V252340ºLa详细尺寸时间:2021.03.02 创作:欧阳数。
三角带轮、轮槽尺寸
注:
1.尺寸b0的偏差按h1
2.
2.槽角φ0的偏差对O,A,B型为正负1度,C,D,E,F型为正负30分。
3.轮槽工作表面光洁度▽5(d>300毫米)或▽6(d≤300毫米)。
4.对于活络三角胶带为使螺钉头不与槽底相碰,H应适当加大。
活络三角带小皮带轮最小直径d min(毫米)
活络三角带单根胶带所能传递的功率P0 (千瓦
)
活络三角胶带带轮见三角带带轮部分。
三角胶带带轮最小直径 d min (毫米)
三角带轮的计算直径
注:++——优先选用, +——可以选用。
三角带轮材料
1.铸铁,钢,铝合金以及工程塑料,
2.应用灰口铸铁最广,一般为HT15——33,在重要场合或带轮速
度较高时,可用HT20——40。
三角胶带型号及截面尺寸(按GB1171——74
)。