钢爬梯制安施工质量验收评定表
- 格式:doc
- 大小:34.50 KB
- 文档页数:2
钢结构安装工程质量评定表
项目概述
此工程质量评定表是用于评估钢结构安装工程的质量情况。
通
过对各项关键指标的评定,旨在提供一个客观的评估结果,以便认
真对待并纠正任何潜在的质量问题。
质量评定指标
以下是用于评估钢结构安装工程质量的指标:
1. 安装精度:测量实际安装位置与设计位置之间的差异,评估
安装的准确度和精度。
2. 拉杆连接:评估拉杆连接的牢固度和紧密程度。
3. 螺栓连接:评估螺栓连接的紧固力和牢固度。
4. 焊接质量:评估焊接连接的质量,包括焊缝的强度和外观质量。
5. 表面处理:评估钢结构表面的清洁度、防锈处理和涂层质量。
评定标准
通过以下评定标准对每项指标进行评分:
- 优秀:符合相关规范和标准,达到或超出预期质量要求。
- 良好:基本符合要求,少量细微问题,不影响结构安全和使用功能。
- 合格:符合最低标准要求,但存在一些问题需要改进。
- 不合格:严重违反规范和标准要求,存在很多重要问题需要立即解决。
使用说明
1. 钢结构安装工程质量评定表应由专业评估人员在实地检查后填写。
2. 对于每个指标,评估人员应根据实际情况选择相应的评定标准。
3. 填写表格时应详细记录评估结果和发现的异常情况,并进行适当的解释和备注。
4. 填写完毕后,评估人员应对评定结果进行综合评估,并给出总体评分。
结论
钢结构安装工程质量评定表提供了一种标准化的评估方法,可以帮助确保钢结构安装工程的质量,并及时发现和解决潜在的质量问题。
评定结果应以客观、准确、全面的态度对待,并根据评分结果采取相应的纠正措施。
木楼梯制作与安装分项工程质量检验评定表
工程名称部位
年月日
木楼梯制作与安装分项工程质量检验评定表说明本表适用于木楼梯制作与安装工程。
检查数量。
全数检查。
一、保证项目
检验方法:观察检查、手扳和检查测定记录。
二、基本项目
评定代号:优良√,合格○,不合格×。
检验方法:观察检查,用手推动。
(一)木楼梯制作、安装
合格:踢板、踩板做榫,楼梯帮打眼、剔做包掩等符合设计要求;板表面光平,楼梯栏杆扶手制作坚固,整座楼梯安装坚实,无明显疵病。
优良:帮板、踢板、踩板制作符合设计要求,表面光洁,无刨痕,戗槎、锤印;楼梯栏杆扶手制作坚固美观,整座楼梯安装坚实牢固,无疵病。
(二)拼缝
合格:拼缝严密、吻合。
优良:拼缝严密、吻合;位置适宜、木纹拼接吻合。
三、允许偏差项目
检验方法:l、2、3、4项,用尺量检查。
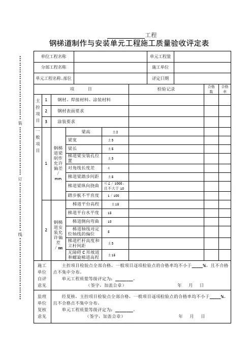
钢梯道安装检验批质量验收记录一、项目概述钢梯道是一种常见的设施,在许多建筑物和公共场所中广泛应用。
为了确保钢梯道的质量和安全性,本次施工过程进行了检验批质量验收,以确保其符合相关标准和要求。
二、验收人员本次钢梯道安装检验批质量验收工作由以下人员参与:1. 项目负责人:XXX2. 施工队负责人:XXX3. 监理人员:XXX4. 验收人员:XXX三、检验批质量验收内容1. 钢梯道的外观检验:包括表面是否平整、无明显变形、无划伤等。
2. 钢梯道的安装检验:包括螺栓连接是否牢固、梯级间距是否一致、扶手高度是否符合规定等。
3. 钢梯道的防腐处理检验:包括涂层是否均匀、密实,是否符合防腐要求。
4. 钢梯道的安全性检验:包括扶手是否稳固、防滑措施是否有效等。
四、检验结果经过详细的检验,钢梯道安装的质量达到预期目标,未出现明显质量问题。
具体检验结果如下:1. 钢梯道的外观检验:表面平整,无明显变形和划伤。
2. 钢梯道的安装检验:螺栓连接牢固,梯级间距一致,扶手高度符合规定。
3. 钢梯道的防腐处理检验:涂层均匀、密实,符合防腐要求。
4. 钢梯道的安全性检验:扶手稳固,防滑措施有效。
五、存在的问题和改进措施在钢梯道安装检验中,未发现明显的质量问题,但在实施过程中还是存在一些细微问题和需要改进的地方:1. 部分连接螺栓未完全紧固:这可能是由于工人操作不规范或疏忽导致的。
确保施工人员操作细致认真,严格按照安装要求进行操作。
2. 部分涂层存在小面积脱落:这可能是由于施工工艺不当或者材料质量有问题导致的。
在后续维护中,要加强对涂层的定期检查和维护,及时修补脱落的涂层。
3. 部分梯级间距不够一致:这可能是由于施工时的测量不准确导致的。
在今后的工作中,要加强准确测量,确保梯级间距一致。
4. 部分扶手高度超出规定范围:这可能是由于设计和施工方之间的沟通不畅所致。
今后在设计和施工前要加强沟通,确保各项指标符合规定要求。
六、总结本次钢梯道安装检验批质量验收工作得出了满意的结果,验收人员均认为钢梯道的质量符合相关标准和要求。